中国移动无线局域网(WLAN)AP AC设备规范2012
- 格式:pdf
- 大小:532.92 KB
- 文档页数:52
附件3-2.1中国移动WLAN设备到货质量检测管理要求2012年9月目录第1章总则 (1)第2章缩略语与定义 (2)2.1缩略语 (2)2.2定义 (2)第3章到货后产品分批次抽检要求 (2)3.1检测主要内容及要求: (2)3.2抽检频次和抽样数量要求: (4)3.3产品是否合格判定方法: (4)3.4相关流程要求: (5)第4章问题处理措施 (5)第5章厂商职责要求 (6)第1章总则本管理要求介绍了中国移动通信集团公司总部(以下简称“总部”)对WLAN设备到货质量的各项质量控制检测要求,并明确了总部与WLAN设备合作伙伴(以下简称“厂商”)的设备质量抽检工作的职责及要求。
一、产品定义及分类指参与中国移动WLAN设备集中采购招投标的各类设备,具体包括但不限于各类AC、802.11n室内放装型AP,802.11n室分合路型AP,802.11n 室外型AP等。
二、厂商及产品应满足以下质量要求及标准(一)各类产品应满足中国移动关于WLAN的各项设备技术及网管规范要求,并通过中国移动依据本规范组织的专门测试。
(二)厂商遵守中国移动在产品质量方面的管理规定,并无条件提供并及时更新自身WLAN设备软硬件相关信息,配合完成相关质量抽检工作,并接受中国移动的产品质量监督管理。
三、本规范由总部采购部制定并发布。
四、中国移动始终保留对本《管理要求》的最终解释权。
【答复】:满足第2章缩略语与定义2.1缩略语总部:中国移动通信集团公司总部省公司:各省、自治区、直辖市公司厂商:中国移动WLAN设备集中采购设备供应商订单批次:指省公司对厂商一个供货批次的订单【答复】:满足2.2定义设备到货后产品分批次抽检:指中标产品到货时,由中国移动组织进行的针对已到货设备进行的产品抽样检测。
【答复】:满足第3章到货后产品分批次抽检要求牵头组织方:省公司【答复】:满足3.1检测主要内容及要求:由各省公司组织实施,针对不同批次到货产品进行质量抽检。
中国移动通信WLAN系统维护管理规定一、WLAN系统简介WLAN,即无线局域网,是指通过无线方式实现局域网连接的网络。
与传统的有线局域网相比,WLAN具有无线化、灵活性强、可扩展性好等优势,适用于小范围内的无线网络连接。
中国移动通信WLAN系统,是中国移动通信公司为了满足无线数据业务需求而建立的一个无线局域网系统。
该系统基于IEEE802.11协议标准,分布在全国各地的办公场所、营业厅、机房等位置,为内部员工提供无线接入、文件传输、视频会议等服务。
二、WLAN系统维护管理规定为保证WLAN系统的正常运行,维护系统的安全性和稳定性,中国移动通信制定了一系列的WLAN系统维护管理规定。
主要包括以下内容:1.网络设备的管理在WLAN系统中,网络设备是至关重要的组成部分,其稳定性和安全性对整个系统都至关重要。
因此,公司要求所有相关人员对网络设备进行规范的管理,包括设备的安装、配置、维护等。
具体而言,应该对设备的电源、网络接口、传输速率、设备状态等进行监控,及时发现并排除故障。
2.用户权限的管理在WLAN系统中,用户权限的管理是非常重要的。
为了保证网络的安全性,公司要求设置权限管理系统,对不同的用户设置不同的权限,确保用户进行的操作只限于其权限范围内。
此外,公司还要求相关人员对用户账号进行有效管理,及时添加、删除、禁用账号,确保系统的安全性。
3.日志管理日志是WLAN系统的运行记录,对于排查故障、调整系统配置等都是非常有用的。
为了保证系统的可追溯性和安全性,公司要求规范日志管理,包括定期备份日志、设置日志保留期限、对日志进行监控和分析等。
4.安全管理WLAN系统的安全管理是非常重要的。
公司要求对网络设备、用户身份认证、数据传输等方面进行安全管理,包括加密传输、防火墙设置、入侵检测等。
此外,公司还要求加强对系统的安全扫描和安全漏洞管理,及时修复发现的漏洞。
5.应急管理在WLAN系统中,一旦出现故障或安全问题,需要及时进行应急处理,防止问题的扩大化。
移动无线局域网(WLAN)测试规范(V 2.0)中国移动通信集团有限公司网络优化中心目录移动无线局域网(WLAN)测试规范 (1)一、总则 (4)二、适用范围 (4)三、测试范围 (4)四、相关术语、缩略语解释 (5)五、测试时间和测试区域 (5)5.1测试时间 (5)5.1.1WLAN热点质量验收测试 (5)5.1.2周期优化测试 (5)5.1.3用户投诉测试 (6)5.2测试区域 (6)六、测试设备 (8)七、WLAN测试用例 (9)7.1WLAN热点验收测试项目 (9)7.1.1WLAN热点网络功能验收测试 (9)7.1.1.1AP配置检查 (9)7.1.1.2用户隔离控制 (10)7.1.1.3AP间切换 (10)7.1.1.4热点压力测试 (10)7.1.1.5热点吞吐量测试 (11)7.1.1.6混合接入认证 (11)7.1.2WLAN热点无线质量验收 (12)7.1.2.1信号覆盖强度测试 (12)7.1.2.2载干比测试 (13)7.1.2.3同邻频干扰检测 (14)7.1.2.4AP关联平均时间 (14)7.1.2.5AP关联成功率 (15)7.1.2.6Portal 页面弹出时延 (15)7.1.2.7Portal页面弹出成功率 (16)7.1.2.8Web认证时长 (16)7.1.2.9Web 认证成功率 (17)7.1.2.10Web认证下线成功率 (18)7.1.2.11Http页面响应时延 (18)7.1.2.12Http完整显示时延 (19)7.1.2.13Http页面访问成功率 (20)7.1.2.14Ping测试平均时延 (20)7.1.2.15Ping测试成功率 (21)7.1.2.16FTP下载平均速率 (21)7.1.2.17FTP下载成功率 (22)7.1.2.18FTP上传平均速率 (22)7.1.2.19FTP上传成功率 (23)7.1.2.20与电信、联通对比测试 (24)7.2.1.1信号覆盖强度测试 (25)7.2.1.2载干比测试 (26)7.2.1.3同邻频干扰检测 (26)7.2.1.4AP关联平均时间 (27)7.2.1.5AP关联成功率 (27)7.2.1.6Portal 页面弹出时延 (28)7.2.1.7Portal页面弹出成功率 (28)7.2.1.8Web认证时长 (29)7.2.1.9Web 认证成功率 (30)7.2.1.10Web认证下线成功率 (30)7.2.1.11Http页面响应时延 (31)7.2.1.12Http完整显示时延 (32)7.2.1.13Http页面访问成功率 (32)7.2.1.14Ping测试平均时延 (33)7.2.1.15Ping测试成功率 (33)7.2.1.16FTP下载平均速率 (34)7.2.1.17FTP下载成功率 (34)7.2.1.18FTP上传平均速率 (35)7.2.1.19FTP上传成功率 (36)八、WLAN测试结果反馈和测试求报告 (38)一、总则1.为了解WLAN网络覆盖情况及服务质量,保证工程质量,规范移动WLAN网络质量测试内容,提高WLAN网络服务水平和服务质量,特制定《移动无线局域网(WLAN)测试规范》,指导今后WLAN网络验收测试、周期优化测试、客户申告测试中的工作。
WLAN工程AP施工技术规范书一、工程规范本文件为中国移动通信集团山东有限公司(以下简称“买方”),向提供WLAN集成服务的厂家(以下简称“集成方”)提出的基本技术要求,作为报价的依据。
相关安装工艺要求参考与信产部颁布的相关规范,包括:1、YD/T5115-2005 移动通信直放站工程设计规范;2、TD 5124-2005 综合布线系统工程施工建立暂行规定3、YD/T5104-2005 900/1800MHZ TDMA数字蜂窝移动通信网工程设计规范4、YD/T5120-2005 无线通信系统室内覆盖工程设计规范5、TZ 019-1995中华人民共和国通信行业标准:《900MHz TDMA 数字公用陆地蜂窝移动通信网技术体制(暂行规定)》。
6、GB 8702-1988中华人民共和国国家标准:《电磁辐射防护规定》。
7、GB/T 50311-2007:中华人民共和国国家标准《建筑与建筑群综合布线系统工程设计规范》。
8、YD 5098-2005中华人民共和国通信行业标准《通信局(站)防雷与接地工程设计规范》;9、QB-D-024-2008中国移动通信企业标准《中国移动WLAN业务总体技术要求》10、QB-D-027-2008中国移动通信企业标准《中国移动WLAN业务设备规范》11、QB-D-028-2008中国移动通信企业标准《中国移动WLAN用户接入流程技术规范(WEB)》12、QB-D-026-2008中国移动通信企业标准《中国移动WLAN业务PORTAL协议规范》13、《中国移动互联网技术体制》。
14、中国移动通信集团公司《中国移动TD-SCDMA试验网技术体制》及相关设备规范;15、中国移动通信集团公司2008年7月编制的《中国移动扩大的TD-SCDMA规模网络技术应用试验网二期工程总体建设方案》;16、中国移动通信集团公司下发的《TD-SCDMA光纤拉远设备应用标准化方案》、《TD-SCDMA室内分布系统改造标准化方案》及《TD-SCDMA基站配套设备配置标准化方案》;二、施工规范下文未涉及到的设备按照同类设备进行施工。
W L A N设备入网验收测试指导手册中国移动通信集团安徽有限公司完成日期:2012年5月目录一、总则 (1)二、WLAN系统结构和相关术语 (2)三、热点验收测试项目 (3)3.1热点设备安装工艺检查 (3)3.1.1机箱配套设备检查 (3)3.1.2供电交换机、ONU、光纤收发器安装检查 (6)3.1.3 无源设备安装检查 (7)3.1.4五类线布放检查 (7)3.1.5光纤布放检查 (9)3.1.6馈线电缆布放检查 (10)3.1.7 AP设备安装检查 (10)3.1.8天线安装检查 (12)3.1.9 标签检查 (14)3.1.10设备供电引入检查 (16)3.2设备性能及系统测试验收 (17)3.3无线侧局数据检查 (19)3.4基础资料检查 (20)四、无线控制器(AC)验收测试项目 (21)4.1 AC安装工艺检查 (22)4.1.1 机房环境检查 (22)4.1.2机架安装检查 (22)4.1.3 AC设备安装检查 (23)4.1.4 超5类线布放检查 (23)4.1.5光纤布放检查 (25)4.1.6 接地线布放检查 (25)4.1.7电源线布放检查 (26)4.1.8 标签检查 (26)4.2 设备功能测试验收 (27)4.2.1 动态地址分配测试 (27)4.2.2 WEB认证测试 (28)4.2.3 PEAP无感知认证测试 (28)4.2.4 SIM无感知认证测试 (28)4.2.5 用户主动下线测试 (28)4.2.6 SSID切换测试 (29)4.2.7 AC检测用户异常下线功能测试 (29)4.2.8 PORTAL推送功能测试 (29)4.2.9 带宽控制功能测试 (29)4.2.10 用户隔离功能测试 (30)4.2.11 网络架构合规性测试 (30)五、安全功能验收测试项目 (31)5.1 会话登录加密验收测试 (31)5.2 AC登录用户名和口令设置测试 (32)5.3 访问控制列表配置测试 (32)5.4 登录会话超时配置测试 (32)5.5 操作日志留存测试 (32)5.6 端口漏洞扫描测试 (32)5.7 同一AP下防止假冒能力测试 (33)5.8 不同AP下防止假冒能力测试 (33)5.9 AC设备冗余备份能力测试 (33)5.10 AC板卡冗余备份的能力测试 (34)六、数据综合网管系统验收测试项目 (35)6.1 AC接入数据网管测试 (36)6.2 数据网管AP退服率指标测试 (36)6.3 数据网管AP关联成功率指标测试 (36)6.4 数据网管DHCP请求成功率指标测试 (36)6.5 数据网管无线上行、下行速率指标测试 (36)6.6 数据网管单用户下载速率指标测试 (37)6.7 数据网管在线用户异常掉线率指标测试 (37)6.8 数据网管关联终端异常掉线率指标测试 (37)6.9 数据网管DHCP地址池利用率指标测试 (37)6.10 数据网管超忙AP占比指标测试 (38)6.11 数据网管超闲AP占比指标测试 (38)6.12 数据网管AP关联拥塞率指标测试 (38)附录一、热点设备安装工艺验收表 (39)附录二、热点性能测试验收表 (41)附录三、无线控制器(AC)验收表 (43)附录四、安全功能验收表 (44)附录五、数据综合网管系统验收表 (45)一、总则1、为做好WLAN网络全生命周期管理,严格把好设备入网关,特制定本验收测试指导手册。
2021年XX科技职业学院天府校区数字校园信息化二期工程(数字校园、机房、监控、IP播送、宽带)建立方案中国移动通信集团XXXX眉山分公司2021年3月目录一.工程概述11.1学校概况11.2建立依据11.3建立原那么3二.系统现状42.1建立内容现状43.1主用机房设备建立方案43.1.1教学楼六号楼机房层布局平面设计43.1.2机房设备安装设计63.1.3机房静电地板安装设计7三.图纸8一. 工程概述1.1学校概况XX科技职业学院天府校区位于XX天府新区视高经济开发区花海大道,已于2021年5月开工建立,2021 年10月已投入使用。
一期工程已规划设计有5幢教学楼、5幢宿舍、1幢食堂及相关配套,一期设计按照全日制在校生3000人规模规划建立。
根据学校建筑整体建立进度要求,本期工程将进展该校区二期信息化工程建立,共7个子系统,包括:数字校园设备、主用机房设备材料、IP播送系统、安防监控系统、校园一卡通系统、宿舍楼家庭宽带、数字校园平台软件。
建立范围为:宿舍6、宿舍7、宿舍8、宿舍9、教学楼7全部子系统,教学楼1、教学楼2、教学楼3安防监控系统。
本次二期工程建立方案共三册,包括:第一册:2021年XX科技职业学院天府校区数字校园信息化二期工程(数字校园、机房、监控、IP播送、宽带)建立方案。
第二册:2021年XX科技职业学院天府校区数字校园信息化二期工程(一卡通)建立方案第三册:2021年XX科技职业学院天府校区数字校园信息化二期工程(数字校园平台软件)建立方案本册为2021年XX科技职业学院天府校区数字校园信息化二期工程(数字校园、机房、监控、IP播送、宽带)建立方案。
1.2建立依据(1)全国人民代表大会常务委员会?关于加强网络信息保护的决定?〔2021年12月28日公布〕(2)工业和信息化部?关于印发<2021 年省级根底电信企业网络与信息平安工作考核要点与评分标准>的通知?〔工信厅保[2021 ]5号〕;(3)XX省通信管理局?关于开展2021 年省级根底电信企业网络与信息平安工作考核的通知?〔川通局[2021 ]61号〕;(4)?中华人民XX国电信条例?〔国务院令291号〕;(5)?互联网信息效劳管理方法?〔国务院令292号〕;(6)工业和信息化部?根底电信企业信息平安责任管理方法〔试行〕?〔工信部保[2021]713号〕;(7)工业和信息化部?通信网络平安防护管理方法?〔第11号令〕;(8)工业和信息化部?电信网和互联网平安防护管理指南?YDT1728-2021;(9)工业和信息化部?电信网和互联网平安等级保护实施指南?YDT1729-2021;(10)工业和信息化部?电信网和互联网平安风险评估实施指南?YDT1730-2021;(11)工业和信息化部?电信网和互联网灾难备份机恢复实施指南?YDT1731-2021;(12)工业和信息化部?电信网和互联网物理环境平安等级保护要求?YDT1731-2021;(13)工业和信息化部?电信网和互联网物理环境平安等级保护检测要求?YDT1755-2021;(14)工业和信息化部?电信网和互联网管理平安等级保护要求?YDT1756-2021;(15)工业和信息化部?电信网和互联网管理平安等级保护检测要求?YDT1757-2021;(16)工业和信息化部?通用机房平安管理总体要求?YDT2057-2021;(17)工业和信息化部?互联网平安防护要求?YDT1736-2021;(18)工业和信息化部?互联网平安检测要求?YDT1737-2021;(19)中华人民XX国通信行业标准YD/T5037-2005?公用计算机互联网工程设计标准?;(20)计算机场地通用标准GB 2887-2021-I;(21)电子信息系统机房设计标准GB 50174-2021;(22)通信机房用恒温恒湿空调系统YD/T 2061-2021;(23)通信机房平安管理总体要求YD/T 2057-2021;(24)通信中心机房环境条件要求YD/T 1821-2021;(25)?平安防范工程程序与要求?(GA/T75-94);(26)?平安防范工程技术标准?〔GB50348-2004〕;(27)?视频安防系统技术要求?〔GA/T367-2001〕;(28)?平安防范视频监控联网系统信息传输、交换、控制技术要求?GB/T28181-2021;(29)?跨区域视频监控联网共享技术标准?DB33/T 629-2007;(30)?报警图像信号有线传输装置?〔GBJ115-87〕;(31)?建筑物电子信息系统防雷技术标准?(GB 50343-2021);(32)?城市监控报警联网系统通用技术要求?〔GA_T669.1-2021〕;(33)?城市监控报警联网系统平安技术标准?〔GA_T669.2-2021〕;(34)?城市监控报警联网系统前端信息采集技术要求?〔GA_T669.3-2021〕;(35)?城市监控报警联网系统视音频编、解码技术要求?〔GA_T669.4-2021〕;(36)?城市监控报警联网系统信息传输、交换、控制技术要求?〔GA_T669.5-2021〕;(37)?城市监控报警联网系统视音频显示、存储、播放技术要求?〔GA_T669.6-2021〕;(38)?城市监控报警联网系统管理平台技术要求?〔GA_T669.7-2021〕;(39)?城市监控报警联网系统传输网络技术要求?〔GA_T669.8-2021〕;(40)中国移动通信集团公司?中国移动无线局域网(WLAN)网络管理总体技术要求?;(41)中国移动通信集团公司?中国移动无线局域网(WLAN)AP、AC设备标准?;(42)中国移动通信集团公司?中国移动无线局域网(WLAN)用户接入流程技术标准?;(43)?接入网平安防护要求?YDT 1742-2021;1.3建立原那么(1)经济性系统建立时应尽可能利用现有的软硬件资源和网络资源,充分发挥现有设备的价值,减少不必要的设备投资。
阶段七:恢复后工作检测。
STEP15.通过射频仪表测试输出功率,并记录结果。
STEP16.将Chariot运行时间设置为2分钟,设置测试脚本为Throughput,TCP传输,设置10条流,先分别进行从STA1、STA2到PC1的流量测试,作为“2.4G/5.8G上行流量”结果记录;再分别进行从PC1到STA1、STA2的流量,作为“2.4G/5.8G下行流量”结果记录。
STEP17.温箱开启取出设备进行并确认设备外观完好。
预期结果: 测试期间,设备无损,工作正常,不出现异常现象如死机、重启等。
备注: 本测试例仅对室外型AP设备要求。
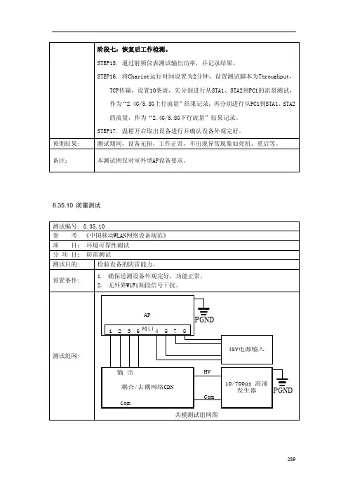
8.35.10 防雷测试STEP7.确认设备状态完好,将Chariot运行时间设置为2分钟,设置测试脚本为Throughput,TCP传输,设置10条流,先进行从STA到PC1的流量测试,作为“上行流量”结果记录;再进行从PC1到STA的流量,作为“下行流量”结果记录。
预期结果: 测试期间,设备无损,工作正常,不出现异常现象如死机、重启等。
备注: 本测试例仅对室外型AP设备要求。
8.36. AC硬件测试8.36.1.AC主控板热备份项目: AC硬件测试 分项目: AC主控板热备份(Portal认证)用例编号: 8.36.1参考文档: 《中国移动WLAN网络设备规范》测试目的: 检验AC主控板热备份能力预置条件: 1.AC配置两块主控板;2.AC上配置AP信息,AC、AP工作在集中转发模式,AP能成功注册到AC;3.配置一个明文(非加密)WLAN服务,SSID为“CMCC”,启用Portal认证,NAS-IP为192.168.1.1/24;4.在RADIUS上配置帐号:用户名:user1;口令:cmcc;5.L2交换机的Port2至Port4属于VLAN 1;6.AP与AC之间的隧道设置成明文(非加密)方式;7.AC上完成隧道的三层转发。
GPON设备ONU用户端设备要求目录1概述............................................................................................................................................. - 1 -2GPON系统参考模型..................................................................................................................... - 1 -3设备类型和接口......................................................................................................................... - 2 -3.1设备类型 (2)3.2设备接口 (3)3.2.1PON接口 ........................................................................................................................ - 3 -3.2.2用户侧接口................................................................................................................ - 3 -3.2.3管理接口(可选) .................................................................................................... - 4 -4设备功能要求............................................................................................................................. - 4 -4.1设备基本功能要求 (4)4.1.1动态带宽分配功能(DBA) .................................................................................... - 4 -4.1.2ONU的初始化自动配置................................................................................................ - 5 -4.1.3数据加密功能............................................................................................................ - 5 -4.1.4FEC(前向纠错)要求................................................................................................. - 5 -4.1.5ONU掉电通知功能........................................................................................................ - 5 -4.1.6光链路测量和诊断功能 ............................................................................................ - 6 -4.1.7PPPoE仿真拨号功能 .................................................................................................... - 6 -4.1.8设备管理方式............................................................................................................ - 6 -4.1.9POE/POE+功能............................................................................................................. - 6 -4.1.10时间同步.................................................................................................................... - 6 -4.2以太网功能要求 (7)4.2.1以太网基本功能要求 ................................................................................................ - 7 -4.2.2VLAN功能 ...................................................................................................................... - 8 -4.2.3策略控制功能............................................................................................................ - 9 -4.2.4流量镜像.................................................................................................................... - 9 -4.3组播功能 (9)4.3.1组播协议.................................................................................................................. - 10 -4.3.2组播功能.................................................................................................................. - 10 -4.3.3组播性能................................................................................................................... - 11 -4.4多业务Q O S机制 (11)4.4.1多业务QoS总体要求 ................................................................................................ - 11 -4.4.2业务等级协定(SLA) ............................................................................................ - 11 -4.4.3业务流分类功能 ....................................................................................................... - 11 -4.4.4优先级标记.............................................................................................................. - 12 -4.4.5优先级队列机制 ...................................................................................................... - 12 -4.4.6流限速...................................................................................................................... - 13 -4.4.7缓存管理.................................................................................................................. - 13 -4.5安全性要求 (13)4.5.1用户认证及用户接入线路(端口)标识 .............................................................. - 13 -4.5.3防DoS攻击 ............................................................................................................... - 15 -4.5.4UNI端口环路检测 ....................................................................................................... - 15 -4.5.5以太网OAM功能 .............................................................................错误!未定义书签。
中国移动通信无线局域网(WLAN)系统维护管理规定(暂行)中国移动通信集团公司二○○二年十二月目录第一章总则 (66)第二章网络结构管理 (66)第三章维护组织 (77)第一节维护组织机构及职责 (77)第二节WLAN系统与其它系统之间的责任划分 (99)第四章维护工作基本制度 (1010)第一节各种岗位责任制 (1010)第二节值班与交接班制度 (1212)第三节维护作业计划 (1313)第四节技术档案与资料管理 (1313)第五节仪表与工具管理 (1515)第六节备品备件与材料管理 (1515)第七节请示报告制度 (1515)第八节WLAN网络测试制度 (1616)第九节技术交流与组巡制度及第三方测试 (1616)第十节割接与验收 (1717)第五章设备的维护和管理 (1818)第一节通则 (1818)第二节设备的日常维护 (1919)第三节网管系统设备的维护和管理............ 错误!未定义书签。
错误!未定义书签。
第四节设备管理............................ 错误!未定义书签。
错误!未定义书签。
第六章故障处理.............................. 错误!未定义书签。
错误!未定义书签。
第一节故障分类............................ 错误!未定义书签。
错误!未定义书签。
第二节故障处理............................ 错误!未定义书签。
错误!未定义书签。
第三节设备故障统计........................ 错误!未定义书签。
错误!未定义书签。
第七章软件版本管理.......................... 错误!未定义书签。
错误!未定义书签。
第一节通则................................ 错误!未定义书签。
错误!未定义书签。
第二节软件版本管理........................ 错误!未定义书签。
LTE系统与各系统间的干扰协调要求1.1.1网间干扰协调在TD-LTE频段附近使用的移动系统主要有以下几种制式:(1)GSM1800:1710-1755MHz(上行),1805-1850MHz(下行);(2)CDMA2000:1920-1935MHz(上行),2110-2125MHz(下行);(3)WCDMA:1940-1955MHz(上行),2130-2145MHz(下行);(4)TD-SCDMA:1880-1900MHz(F频段),2010-2025MHz(A频段), 2320-2370MHz(E频段)(5) WLAN: 2400—2483.5MHz;经过分析计算,各系统间的干扰协调要求如下。
1.1.1.1TD-LTE宏站(F频段)与其他系统共站时的干扰协调在工程实施中,两系统天线之间适当进行垂直或水平空间隔离,建议TD-LTE F频段基站天线安装间距采用如下标准:GSM/DCS符合3GPP TS 05.05 V8.20.0(2005-11)规范要求时,TD-LTE线阵和GSM1800定向天线之间间距要求:同向安装时,建议采用垂直隔离方式,垂直距离≥1.8m;GSM/DCS符合3GPP TS 45.005 V9.1.0 (2009-11)规范要求时,TD-LTE线阵和GSM1800定向天线之间间距要求:并排同向安装时,水平隔离距离≥0.5m,垂直距离≥0.3m。
TD-LTE线阵和CDMA2000定向天线之间间距要求:同向安装时,建议采用垂直隔离方式,垂直距离≥3m。
TD-LTE线阵和WCDMA定向天线之间间距要求:并排同向安装时,水平隔离距离≥0.5m,垂直距离≥0.2m。
TD-SCDMA符合《中国移动TD-SCDMA无线子系统硬件技术规范(2010年)》时,TD-LTE与TD-SCDMA隔离要求:并排同向安装时,水平隔离距离≥0.5m,垂直距离≥0.2m。
WLAN符合《中国移动无线局域网(WLAN)AP、AC设备规范V1.1.0》时,TD-LTE与WLAN隔离要求:并排同向安装时,水平隔离距离≥9/2.9m,垂直距离≥0.9/0.5m。
中国移动W L A N设备安全功能和配置规范S p e c i f i c a t i o n f o r S e c u r i t y F u n c t i o n a n dC o n f i g u r a t i o n o f W L A ND e v i c e s U s e d i nC h i n a M o b i l e版本号:3.0.0网络与信息安全规范编号:X X X X-X X-X X发布X X X X-X X-X X(修订)中国移动通信集团公司发布目录前言为了贯彻安全三同步的要求,在设备选型、入网测试、工程验收以及运行维护等环节,明确并落实安全功能和配置要求。
有限公司组织部分省公司编制了中国移动设备安全功能和配置系列规范。
本系列规范可作为编制设备技术规范、设备入网测试规范,工程验收手册,局数据模板等文档的依据。
本规范是该系列规范之一,明确了中国移动各类型设备所需满足的通用安全功能和配置要求,并作为本系列其他规范的编制基础。
本标准起草单位:中国移动通信有限公司网络部本标准解释单位:同提出单位本标准主要起草人:严晗、申健、李小雪、翟庆庆1概述1.1适用范围本规范适用于中国移动通信网、业务系统和支撑系统的各类WLAN设备。
本规范对上述WLAN设备明确了基本的安全要求。
本规范作为编制WLAN设备技术规范、WLAN设备入网测试规范,工程验收手册,局数据模板等文档的依据。
本规范通用安全功能和配置要求部分,适用于所有WLAN系统设备;之后的安全功能和配置要求部分,分别适用于WLAN系统对应的设备类型。
1.2内部适用性说明本规范是在《中国移动设备通用设备安全功能和配置规范》(以下简称《通用规范》)各项设备功能要求的基础上,提出的WLAN设备的安全功能要求。
以下列出本规范新增的安全功能要求,如下:1.3外部引用说明《中国移动网络与信息安全总纲》《中国移动内部控制手册》《中国移动标准化控制矩阵》1.4术语和定义设备功能要求:描述规范适用范围内设备必须和推荐满足的最低安全功能要求。
中国移动无线局域网(W L A N)A P、A C设备技术要求C M C C W L A N A P A C E q u i p m e n t S p e c i f i c a t i o n目录前言 ............................................................................................................................................ I V1.范围 (1)2.规范性引用文件 (1)3.术语、定义和缩略语 (3)4.设备在网络中的位置 (5)5. AP设备硬件要求 (6)5.1 收发通路数目 (6)5.2 MIMO制式 (6)5.3 工作频段 (6)5.4 天线频段要求 (6)5.5 发射功率设置 (6)5.6 功耗 (6)5.7 供电方式 (7)5.8 电压范围 (7)5.9 无线回传 (7)5.10 传输接口 (7)5.11 射频接口 (7)5.12 体积和重量 (8)5.13 防尘防水等级 (8)5.14 室外型设计要求 (8)5.15 平均故障间隔时间 (8)5.16 可用度 (8)5.17 设备稳定性要求 (8)5.18 接地 (8)5.19 温度湿度 (8)5.20 安装方式 (9)5.21 大气压力 (9)5.22 抗风强度 (9)5.23 防雷 (9)5.24 接地 (9)5.25 安全性能 (9)5.26 抗震性能 (9)5.27 电磁兼容性能 (9)5.28 过压过流保护 (9)5.29 防电涌破坏 (10)5.30 绝缘电阻 (10)5.31 三防要求 (10)6. AP设备功能要求 (10)6.1 设备编号支持 (10)6.2 负载均衡支持能力(仅瘦AP) (10)6.3 切换支持能力 (11)6.4 自动频点设置能力(抗干扰) (11)6.6 IPv4/v6支持能力 (11)6.7 IP地址设置(适用于IPv4及IPv6) (11)6.8 安全要求 (12)6.9 AC发现方式(仅瘦AP) (12)6.10 业务转发方式(仅瘦AP) (12)6.11 上行链路完整性检测功能 (13)6.12 802.11n功能 (13)6.13 支持的协议 (13)6.14 接入控制 (13)6.15 用户隔离功能 (14)6.16 自适应动态速率控制 (14)6.17 VLAN支持能力 (14)6.18 QoS支持能力 (14)6.19 带宽控制 (15)6.20 话音准入控制 (15)6.21 网管功能 (15)6.22 同步要求 (15)6.23 证书要求 (15)7. AP设备性能要求 (16)7.1 吞吐量 (16)7.2 多用户容量 (16)7.3 切换要求 (16)7.4 覆盖范围 (17)7.5 数据速率 (17)8. AP设备接口要求 (18)9. AP设备无线技术要求 (18)9.1 工作频段和信道 (18)9.2 发射机射频指标 (19)9.2.1 发射功率 (19)9.2.2 发射功率动态范围 (20)9.2.3 频率容限 (20)9.2.4 EVM (20)9.2.5 占用带宽 (21)9.2.6 杂散发射 (21)9.2.7 频谱模板 (23)9.3 接收机射频指标 (25)9.3.1 接收机灵敏度 (25)9.3.2 接收机最大接收电平 (27)9.3.3 接收机邻道抑制比 (27)9.3.4 接收机阻塞 (28)10. AC设备硬件要求 (29)10.1 AC硬件总体要求 (29)10.2 物理接口要求 (30)11. AC设备功能要求 (30)11.1 胖架构AC要求 (30)11.1.1 基本功能要求 (30)11.1.2 用户接入功能要求 (32)11.2 瘦架构AC的要求 (36)11.2.1 用户接入功能要求 (36)11.2.2 无线控制功能要求 (37)12. AC设备性能要求 (41)12.1 无线控制要求 (41)12.2 接入控制要求 (41)12.3 同步要求 (42)12.4 可靠性要求 (42)12.5 可用性要求 (42)13. AC设备接口要求 (42)14. AC设备环境要求 (43)14.1 电源 (43)14.2 接地 (43)14.3 温度 (43)14.4 湿度 (43)15.编制历史 (43)附录A AC向WLAN客户端推送界面要求 (44)附录B 国际漫游客户端对AC与一级Portal的接口要求 (45)前言本技术要求包括的主要内容,或修订的主要内容。
无线AP与AC控制器知识介绍基本概念:无线AP无线接入点(AP):电信级无线覆盖设备,相当于一个连接有线网和无线网的桥,其主要作用是将各个无线网络客户端连接到一起,实现大范围、多用户的无线接,根据应用场景不同,AP通常可分为室内型和室外型,室内环境下覆盖范围通常在30米~100米,室外环境最大覆盖范围可达到800米。
基本概念: AC控制器接入控制器(AC):无线局域网接入控制设备,负责将来自不同AP的数据进行汇聚并接入Inter ne,同时完成AP设备的配置管理和无线用户的认证、管理,以及带宽、访问、切换、安全等控制功能。
AC强大的管理和控制功能,能够构建出个性化、专业化的WLAN解决方案。
基本概念:无线瘦AP“瘦”AP:无线接入点也称无线网桥、无线网关。
此无线设备的传输机制相当于有线网络中的集线器,在无线局域网中不停地接收和传送数据;任何一台装有无线网卡的PC均可通过AP来分享有线局域网络甚至广域网络的资源。
理论上,当网络中增加一个无线AP之后,即可成倍地扩展网络覆盖直径;还可使网络中容纳更多的网络设备。
每个无线AP基本上都拥有一个以太网接口,用于实现无线与有线的连接。
基本概念:无线胖AP胖AP:其学名应该称之为无线路由器。
一般具备WAN、LAN两个接口,多支持DHCP服务器、DNS 和MAC地址克隆,以及VPN接入、防火墙等安全功能。
基本概念:胖瘦AP比较胖AP是单个独立可以管理的无线AP。
瘦AP呢!就必须配合无线控制器使用!瘦AP本身是没有管理能力的!只能通过控制器才具备胖AP的功能!失去控制器将无法正常使用!胖瘦一体AP是具有单个管理也可以用AC控制器统一管理。
WLAN演进:胖AP到瘦AP最早的WLAN设备,将多种功能集为一身,如:物理层、链路层、用户数据加密、用户的认证、Qo S、安全策略、用户的管理及其他应用层功能集为一体,传统将这类WLAN设备俗称为“胖”AP。
“胖”AP的特点是配置灵活、安装简单、性价比高,但AP之间相互独立,无法适合用户密度高、多个AP连续覆盖等环境复杂的场所。
中国移动无线局域网终端技术规范1. 引言随着移动互联网的快速发展,无线局域网(Wireless Local Area Network,简称WLAN)在人们日常生活中的应用也越来越广泛。
而中国移动作为全球最大的移动通信运营商之一,也积极推动WLAN技术的发展与应用。
为了规范中国移动无线局域网终端的技术标准,提高用户体验和安全性,制定本技术规范。
2. 概述本技术规范主要针对中国移动无线局域网终端的技术要求进行规范和说明。
其中包括硬件要求、软件要求、网络与协议要求等方面的内容。
3. 硬件要求3.1 硬件平台:终端设备必须采用符合中国移动要求的硬件平台,包括处理器、内存、存储等。
3.2 网络接口:终端设备必须支持符合IEEE 802.11标准的无线网卡,并具备合理的天线设计和传输功率控制。
3.3 安全性要求:终端设备必须支持WPA2-PSK/AES加密,确保数据传输的安全性。
3.4 设备质量:终端设备必须符合相应的电磁兼容性和无线电频率标准,保证设备的质量和稳定性。
4. 软件要求4.1 操作系统:终端设备必须搭载符合中国移动要求的操作系统,如Android、iOS等。
4.2 驱动程序:终端设备必须配备符合中国移动要求的无线网卡驱动程序,确保设备与无线网络的正常连接。
4.3 安全性软件:终端设备必须预装符合中国移动要求的安全软件,如防火墙、杀毒软件等,保护用户不受恶意软件的侵害。
5. 网络与协议要求5.1 网络协议:终端设备必须支持符合IEEE 802.11标准的无线局域网协议,包括WiFi-5(802.11ac)或WiFi-6(802.11ax)等。
5.2 IP地址分配:终端设备必须支持动态主机配置协议(DHCP)或者手动设置IP地址,确保设备能够正常接入网络。
5.3 网络访问控制:终端设备必须支持统一的用户认证和访问控制机制,确保只有经过授权的用户能够接入网络。
5.4 漫游支持:终端设备必须支持无缝漫游,在不同的无线接入点之间实现平稳切换,提供更好的使用体验。