初三化学实验专题复习
- 格式:ppt
- 大小:614.50 KB
- 文档页数:25
中考化学专题复习-实验与科学探究 一、新课程标准对化学实验与科学探究的基本要求 二、近两年中考实验探究题的形式、内容及启示 三、实验与探究题中学生的主要解题障碍 四、实验与科学探究复习的基本方法和主要内容 五、化学实验和科学探究的复习建义 一、新课程标准对化学实验与科学探究的基本要求 1.能识别常用化学仪器的名称、图形、操作方法、主要用途和使用时注意事项。
2.掌握基本化学实验操作的步骤和方法、操作的要领和注意事项;对实验中出现的事故会进行应急处理及误差分析。
3.掌握制取气体的反应原理,明确气体发生装置的选择﹑气体收集装置的选择,会进行简单的分析与评价。
4.掌握测定空气中氧气的体积分数的实验原理,能对实验中出现的一些现象加以分析。5.能描述氧气、二氧化碳、酸、碱、盐等物质性质实验的现象。
6.掌握测定水的组成的实验现象及结果;掌握工业炼铁的原理、简单操作过程及实验现象。
7.知道浓硫酸、浓盐酸、氢氧化钠、氢氧化钙等药品的保存方法;能正确稀释浓硫酸并了解错误操作可能导致的结果。 10.能根据设置的问题情境,发现其中有探究价值的问题,能对问题可能的结果作出猜想或假设。
11.能根据探究的具体问题设计简单的化学实验方案;并具有控制实验条件的意识;依据实验要求,评价实验方案。
13.能初步应用比较、分类、归纳、概括等方法对获取的信息进行加工。并能初步判断事实证据与假设之间的关系;能对探究结果的可靠性进行评价。
二、近两年中考实验探究题的形式、内容及启示 1.形式:不出现大型的连接装置,一般为小型的有带有探究性的试题。试题切入容易,深入难,有利于选拔和考查学生的思维能力、综合能力。体现统一与个性相结合,适当增加了开放性试题。
2.内容:紧扣课本基本实验;从学生最熟悉的基础实验入手,由简到难,由收敛到发散,由具体到开放,逐步实现对学生能力考查。在其基础上有所改进和创新,创设新情境,提出新问题。探究实验条件、装置、产物、异常现象、评价实验方案等。
专题训练:实验211、如图是实验室制取气体常用装置,请回答下列问题:(1)写出图中标号仪器的名称:a____,b_____。
(2)实验室用装置A制取氧气,反应的化学方程式是_____,若需要收集一瓶比较纯净的氧气,其收集装置应选择____,某同学做铁丝在氧气中燃烧的实验时发现集气瓶炸裂,原因可能是____。
(3)如图,通过B装置反应前后的质量变化来测定某赤铁矿石中氧化铁的质量分数。
图中A 装置的作用是____。
若无装置C,则测出氧化铁的质量分数会____(填“偏大”、“偏小”或“没有影响”)。
【答案】(1). 长颈漏斗(2). 集气瓶(3). 2KMnO4ΔK2MnO4+MnO2+O2↑(4).C(5). 集气瓶底没有放少量水或细沙(或者铁丝与集气瓶内壁接触) (6). 干燥H2 (7). 偏大2、实验室常用大理石和稀盐酸反应制取二氧化碳,可能用到的装置如下图所示。
(1)写出实验室制二氧化碳的化学方程式____________(2)小聪同学在检验二氧化碳时,发现澄清石灰水始终不变浑浊,查找原因得知,制取二氧化碳时所用盐酸浓度过大。
为除去二氧化碳中混入的氯化氢气体和水蒸气,得到纯净干燥的二氧化碳,小聪设计了除杂实验。
已知:Na2CO3+H2O+CO2=2NaHCO3,请你完成装置连接:A→____________→____________→____________(3)小明同学用图1装置进行实验,先后将溶液快速全部推入,测得一段时间内压强变化如图2所示。
①先推入的溶液是____________②bc段压强基本不变,原因是____________③cd段压强变大,原因是____________ (用化学方程式表示)。
【答案】(1). CaCO3+2HCl═CaCl2+H2O+CO2↑(2). F(3). D(4). B(5). NaOH溶液(6). bc段时二氧化碳被氢氧化钠溶液完全吸收,气体压强基本不变(7). 2HCl+Na2CO3=2NaCl+CO2↑+H2O3、酒钢炼铁工艺简介:铁矿石经过选矿厂磁选得到精矿粉,烧结厂将精铁矿粉与焦炭粉充分混合,目的是增大反应物的_________促进化学反应的进行。
中考化学专题复习——综合实验题(3)1.某校化学兴趣小组同学向盛有一定量生石灰的烧杯中加入碳酸钠溶液,充分反应后却至室温,过滤、洗涤、干燥,得到固体A和溶液B,并对固体A和溶液B的成分展开了探究。
上述实验中发生的化学反应有:①CaO+H2O = Ca(OH)2②(写化学方程式)。
探究活动1: 固体A的成分是什么?[猜想假设] 小雨猜想是CaCO3;小亮猜想是CaCO3和Ca(OH)2小亮猜想含有Ca(OH)2的理由是。
[实验验证] 1. 小雨取少量固体A于试管中,加入足量的稀盐酸,有气泡产生。
证明自己的猜想正确。
2. 小亮取少量固体A于试管中,加入足量水振荡,静置,向上层清液中滴加无色酚酞溶液,观察到,证明自己的猜想正确。
[反思评价] 同学们经过讨论后认为小雨的实验不足以确定固体A的成分,理出是。
结合两位同学的实验,证明了小亮的猜想是正确的,由此确定了固体A的股分成。
探究活动Ⅱ: 溶液B中溶质的成分是什么?[猜想假设] 猜想一: MaOH猜想二: NaOH Na2CO3猜想三:NaOH Ca(OH)2[讨论交流] 结合对固体A成分的探究,同学们认为猜想三是正确的,理由是。
[实验验证] 取少量溶液B于试管中,滴加溶液,产生白色沉淀,证明猜想三正确2.(2019·武汉市)水是地球上最常见的物质之一,也是实验室常用的试剂。
下图所示实验中都用到水。
图一图二图三图四有关说法正确的是()A.上图所示实验过程中均发生了化学变化B.图1实验相关反应中元素的化合价均发生了改变,b管内的气体可作燃料C.图2实验盖上瓶盖振荡后软塑料瓶变瘪,所得液体的pH小于7D.图3、图4实验加入适量水后都放热,所得液体均可使紫色石蕊溶液变红3.(2019·武汉市)(6分)某校实验室有一瓶久置的铁屑,其成分是铁、氧化铁和水。
为测定其中各成分的质量分数,某兴趣小组按下图所示装置进行实验(装置气密性良好;固定装置已略去;氮气不与铁屑中的成分反应;碱石灰是氧化钙和氢氧化钠的混合物)。
专题22实验方案的设计和评价【知识网络】多种仪器连接方式的设计气体制备方案的设计实验设计金属活动性顺序探究的设计混合物分离方法的设计物质性质探究实验的设计明确目的原理选择仪器药品思路方法设计装置步骤记录现象数据分析得出结论评价理论上是否可行评价操作是否简便实验评价评价是否安全可靠评价原料是否经济评价是否给环境造成污染【考点梳理】考点一、实验设计1.实验设计基本要求:(1)科学性:实验原理、实验方法和操作过程必须科学、严谨、合理。
(2)安全性:实验操作要尽量防止带有危险性的操作,尽量避免与有毒物质接触。
若无法避免有毒物质,则应采取安全措施,以防造成环境污染和人体伤害。
(3)可行性:设计的实验方案要真正切实可行,所选药品、仪器、装置经济可靠。
(4)简约性:实验设计应简单易行。
装置简单,实验操作简便,实验现象明显。
2.实验方案设计的几种思路:(1)对比实验设计:对比实验是实验设计的一种基本思路,有利于实验现象观察对比,有利于推理论证结论。
如某学生欲探究碳酸具有酸性而二氧化碳不具有酸性,按下图进行实验。
(2)控制变量实验设计:一个问题常常受多方面的因素制约,为了研究每一个因素对问题的影响程度,常常采取控制变量法逐个检验,每一个现象只说明一个问题,换一个条件再检验。
综合各个因素对问题的影响作出综合性的判断。
如课本上燃烧条件实验设计和铁的生锈条件设计都是控制变量实验设计。
(3)综合实验设计:设计一个实验探究多方面的问题,如设计一个组合实验探究某一混合气体的成分、某一气体的性质和组成等。
3.实验设计题的类型:(1)单项实验设计题:设计实验求证某一单项问题,或求证某一规律。
设计的特点是围绕某一问题设计一个指向很单一的实验,而且实验通常一步到位。
如证明中和反应是放热反应(如下图所示)。
(2)综合实验设计题:设计实验求证多个问题,其特点是多步操作、装置复杂、现象多样。
常见的有对某气体从制取到组成、成分含量、性质、尾气处理等多项目标进行实验检验和求证。
可编写可更正个性化授课指导授课设计学科:化学任课教师:授课时间:姓年级初三性别男授课课题初三上册实验内容专题复习名教知识点:九年级上册全书实验内容学考点:氧气、二氧化碳的实验室制法目能力:对知识的综合运用标方法:讲解——举例——练习——反思总结重 1 氧气、二氧化碳的实验室制法点2难点课前检查作业达成情况:优□良□中□差□建议__________________________________________初三上册实验内容专题复习1.对蜡烛及其燃烧的研究( 1)对蜡烛及其燃烧现象的研究。
①点燃前(物性:色味态、二点二度二性):白色固体,有气味,易折断,不溶于水,密度比水小。
②燃烧时:黄亮火焰,分三层,外焰最亮,有黑烟产生。
③熄灭后:有白烟,可点燃。
课教( 2)对蜡烛燃烧生成物的研究,见下表:堂实验操作实验现象实验结论授课学在蜡烛火焰的上方罩一个冷而干燥的烧杯烧杯内壁有无色液体生蜡烛燃烧有水生成过内成程将上述烧杯取下来正放,迅速往烧杯中倒入少量澄清石灰水变浑浊蜡烛燃烧有二氧化碳容澄清石灰水,振荡生成【例 1】.某同学对蜡烛( 主要成分是白腊) 及其燃烧进行了以下研究。
请填写以下空格。
(1)取一支蜡烛,用小刀切下一小块,把它放入水中,蜡烛浮在水面上。
结论:白腊的密度比水。
(2)点燃蜡烛,观察到蜡烛火焰分为外焰、内焰、焰心三层。
把一根火柴梗放在蜡烛的火焰中 ( 如右图 ) 约 1s 后取出能够看到火柴梗的处最先碳化。
结论:蜡烛火焰的层温度最高。
(3)再将一只干燥的烧杯罩在蜡烛火焰上方,烧杯内壁出现水雾。
取下烧杯,迅速向烧杯内倒入少量澄清的石灰水,振荡,澄清石灰水变浑浊。
结论:白腊中必然含、元素。
2.对人体吸入的空气和呼出的气体的研究三个结论:( 1)二氧化碳能够使澄清石灰水变。
白色浑浊越多,说明气体中二氧化碳。
(2) 氧气可使带火星的木条,木条燃烧,说明氧气。
( 3)二氧化碳能够使燃着的木条。
实验方法和目的:向盛有空气和呼出气体的集气瓶中分别滴入数滴澄清石灰水,振荡,均变浑浊,但后者白色浑浊更明显,说明呼出的气体中二氧化碳含量比空气中的更多。
初三化学总复习专题六化学实验(二)气体的制备以及性质实验复习要点主要是初中教材中常见气体氧气、氢气、二氧化碳制备的原理、制取的装置(包括发生装置、收集装置以及杂质或尾气的处理装置),性质验证、实验现象、结论、操作规则的掌握。
三种气体的实验室制法以及它们的区别:气体氧气(O2)氢气(H2)二氧化碳(CO2)药品①高锰酸钾(KMnO4)②双氧水(H2O2)和二氧化锰(MnO2)③氯酸钾(KClO3)和二氧化锰(MnO2)[固(+固)]或[固+液]①锌粒(Zn)和稀盐酸(HCl)②锌粒(Zn)和稀硫酸(H2SO4)[固+液]石灰石(大理石)(CaCO3)和稀盐酸(HCl)[固+液]反应原理①2KMnO4K2MnO4+MnO2+O2↑②2H2O22H2O+O2↑③2KClO32KCl+3O2↑Zn+H2SO4=ZnSO4+H2↑Zn+2HCl=ZnCl2+H2↑CaCO3+2HCl=CaCl2+H2O+CO2↑仪器装置制法①、③:制法②:实验室制取H2的装置实验室制取二氧化碳的装置检验用带火星的木条,伸进集气瓶,若木条复燃,是氧气;否则不是氧气点燃木条,伸入瓶内,木条上的火焰熄灭,瓶口火焰呈淡蓝色,则该气体是氢气通入澄清的石灰水,看是否变浑浊,若浑浊则是CO2。
收集方法①排水法(不易溶于水)②瓶口向上排空气法(密度比空气大)①排水法(难溶于水)②瓶口向下排空气法(密度比空气小)①瓶口向上排空气法(密度比空气大)(不能用排水法收集)验满(验纯)用带火星的木条,平放在集气瓶口,若木条复燃,氧气已满,否则没满<1>用拇指堵住集满氢气的试管口;<2>靠近火焰,移开拇指点火若噗的一声,氢气已纯;若有尖锐的爆鸣声,则氢气不纯用燃着的木条,平放在集气瓶口,若火焰熄灭,则已满;否则没满放置正放倒放正放注意事项①检查装置的气密性(当用第一种药品制取时以下要注意)②试管口要略向下倾斜(防止凝结在试管口的小水珠倒流入试管底部使试管破裂)③加热时应先使试管均匀受热,再集中在药品部位加热。
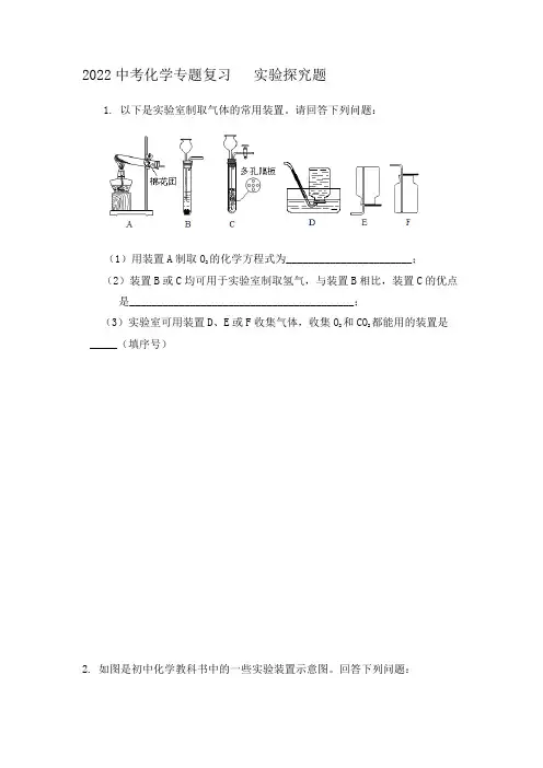
2022中考化学专题复习实验探究题1. 以下是实验室制取气体的常用装置。
请回答下列问题:(1)用装置A制取O2的化学方程式为_______________________;(2)装置B或C均可用于实验室制取氢气,与装置B相比,装置C的优点是_________________________________________;(3)实验室可用装置D、E或F收集气体,收集O2和CO2都能用的装置是_____(填序号)2. 如图是初中化学教科书中的一些实验装置示意图。
回答下列问题:(1)A实验中,一段时间后可根据观察到__________的现象,得出铁生锈需要与氧气接触的结论;(2)B实验中,观察到薄铜片上的乒乓球碎片先燃烧,滤纸碎片后燃烧,可以说明燃烧条件之一是________________;(3)C实验可得到的结论是________________;(4)D实验中,向水中加少量硫酸钠或氢氧化钠的目的是_______________。
3.3.下图是初中化学常用的实验装置,请回答下列问题。
(1)实验室用氯酸钾和二氧化锰混合加热制取氧气,应选择的发生装置是______(填字母序号),反应的化学方程式是__________________________。
(2)装置B和C都能用作实验室制取二氧化碳的发生装置,装置C相对装置B的优点是______________。
4. 根据下列实验示意图回答下列问题。
(1)检查装置A的气密性时,气密性良好可以观察到的现象是;(2)图B所示右边的铁丝能更剧烈燃烧其原因是,两个集气瓶底部都加了少量的水其原因是;(3)图C所示过滤后,液体仍然浑浊的原因可能是(填一条即可);(4)图D所示实验过程中,天平指针(填“向左”、“向右”或“不发生”)偏转。
5. 实验室制取气体的装置如图所示,根据所学知识,回答下列问题。
(1)实验室用加热高锰酸钾的方法制取氧气,应选用发生装置 (填序号),反应的化学方程式为,该反应属于反应(填基本反应类型);(2)可使用装置E收集氧气,其原因是;(3)用F装置收集氧气,验满时应将带火星的木条放在端(填“a”或“b”);(4)用装置B或C制取氧气时,C与B相比,C的优点是。
放城中学九年级化学实验专题复习学案实验探究题:通读题,弄清实验目的、实验步骤等。
所有实验方案的设计、反思与评价都是围绕着实验的目的来展开的。
在把握不准实验目的时,可以通过通读题目的实验设计、实验步骤等,以明确实验目的;在进行实验评价时要从实验目的是否达到,实验方案是否简单、安全,节能,环保、经济,实验现象是否与实验结论相符等各个层面进行比较,得出结论。
做实验探究题时要认真阅读题目所给信息,如少量、足量、适量、过量;有无现象,沉淀、气泡,沉淀的颜色(白色、蓝色、红褐色等);溶液的颜色(浅绿色、黄色、蓝色等),要先取样再操作,描述变化时要“….变为…”。
指错时要写“不能…”或改正时要写“应当…”。
考点1.了解常见仪器的使用和连接考点2.了解药品的取用和基本实验操作1.下列实验中,测得的实验数据合理的是( )A.用托盘天平准确称取35.85g 食盐B.用pH 试纸测得某酸性溶液的pH 为4.5 C.用100mL 量筒准确量取8.56mL 蒸馏水D.用温度计测量烧杯中水的温度为25.6℃2.下图中的实验操作正确的是()A.加热液体B.收集氢气C.取用固体粉末D.称量固体3.下列实验操作中,不正确的个数为()A .3 B.4 C .5 D .6考点3.知道制取氧气、二氧化碳等常见气体的方法4.如图所示各组仪器经选择组装后,可用来制取一些初中学过的气体。
请按要求填空。
(1)实验室制取二氧化碳的原理是________________________,气体发生装置选用______(填装置序号,下同),收集装置选用______。
(2)实验室用加热氯酸钾制取氧气的发生装置是______,若要收集较纯净的氧气,应选择的收集装置是______,集满氧气的集气瓶应瓶口向______(填“上”或“下”)放在桌面上,反应的化学方程式为________________________。
(3)对用氯酸钾和二氧化锰的混合物制取O2后的固体残渣(假定已完全反应),通过以下四步实验操作可回收二氧化锰。
微专题(3):九年级上册的三个基础实验复习前测1. 某班学习小组为探究空气中氧气的体积分数,他们想选用以下药品进行实验:(1)甲小组同学经讨论后认为,不能用木炭进行实验,原因是:_____________________________________________。
(2)乙小组的同学经讨论后认为,也不能用铁丝进行探究,原因是:_____________________________________________。
(3)丙小组的同学用如图装置进行红磷在空气中燃烧的实验,反应结束后,打开止水夹,进入集气瓶中水的体积小于集气瓶体积的20%。
请你帮他们分析原因:。
(任写出一条)2. 关于电解水实验的说法中正确的是()A.实验证明水是由氢气和氧气组成的B.电解水时在正极产生氧气C.水中氢氧元素的质量比为2:1D.水分子是由氢分子和氧原子构成的3. 质量守恒定律:(1)内容:_______________的各物质的_________等于反应后生成的各物质的_________。
说明:①质量守恒定律只适用于_____变化,不适用于____变化,所有________都符合质量守恒定律;①不参加反应的物质质量及不是生成物的物质质量不能计入“总和”中;①要考虑是否有气体参加或生成,参加或生成的气体的质量要算入“总和”中,不能遗漏。
(2)解释:六不变:宏观:________________________________________;微观:________________________________________;两变:宏观:________________________________________;微观:________________________________________。
可能改变:____________________________________________。
实验实验现象化学方程式红磷燃烧产生大量______,放出热量,天平平衡4P + 5O22P2O5Fe+CuSO4=Cu+FeSO4铁与硫酸铜溶液铁钉表面覆盖一层___色物质,溶液由___色逐渐转化为_____色,天平平衡2Mg+ O22MgO镁带燃烧发出_____________,生成___色固体,天平向左倾斜碳酸钠与稀盐酸产生大量_____,天平向右倾斜Na2CO3+2HC1=2NaC1+H2O+CO2↑中测实验一:空气中氧气含量的测定1.如图所示装置也可用来测定空气中氧气的含量。
《氧气的实验室制取与性质》专题复习本实验旨在引导同学们学习组装实验室制取氧气的实验装置,并能制取和收集氧气;通过木炭、铁丝、蜡烛分别在氧气中燃烧的实验,认识氧气的化学性质。
一、氧气的制取 1.实验原理为了学习和巩固更多的实验技能,“基础实验”中多采用操作难度相对较大的“加热高锰酸钾制取氧气”的方法,有关的化学方程式是424222KMnO K MnO +MnO +O ∆↑。
2.实验装置加热高锰酸钾制氧气时,发生装置选图1中的B 装置,收集装置选图1中的C 或D 装置(若要收集干燥的氧气则选用D 装置,若要收集高纯度的氧气则选用C 装置)。
3.实验步骤(1)检查装置气密性。
常用手捂加热法检查,先把导管口浸没在水中(形成密闭系统),再用手心给试管加热(系统内压强因气体的温度升高而增大),若导管口冒气泡,则装置不漏气。
也可用鼓气法、抽气法检查装置是否漏气。
(2)将药品装入试管。
用药匙把药品送入试管里(操作要点是“一斜、二送、三直立”),并平铺在试管底部(以增大药品的受热面);在装好药品后,还要在靠近试管口处放一团棉花,以防止KMnO 4粉末在受热时进入导管。
(3)固定气体发生装置。
用铁夹固定试管时,应夹在距试管口1 /3处(见图2)。
若夹持点离试管口较近,易造成试管脱落;若夹持点离试管口较远,则铁夹离受热部位较近,易造成试管破裂。
试管口还要稍微向下倾斜,以防止药品中的冷凝水倒流,使试管炸裂。
(4)点燃酒精灯加热试管。
点燃酒精灯后,要先预热试管;然后先加热离试管口近的药品,再逐渐向试管底方向加热药品,这样既可以防止固体粉末随气流冲向试管口,又便于控制氧气放出的速率。
(5)收集氧气。
若用向上排空气法收集氧气,导管口一定要插到接近瓶底的位置,否则集气瓶里的空气排不尽。
用向上排空气法收集的氧气不够纯净,而且氧气何时集满也不能直观地看见,必须通过验满操作(把带火星的木条放在集气瓶口,看木条是否复燃)才能知道,不过,用向上排空气法收集的氧气干燥,且操作简单。