25m箱梁预应力张拉计算书
- 格式:doc
- 大小:53.50 KB
- 文档页数:10
有关计算参数和计算公式:κ=0.0015,μ=0.17,X为压力值单位:KNY为油表读数单位:Mpa1一束根数:5钢绞线分段分段长度L (m )θ(rad )κL +μθe -(κL+μθ)终点力P Z (kN )P P 平均力(kN )伸长量ΔL (mm )AB 10.5530.0000.0160.984928.851936.24172.904BC 4.3630.0870.0210.979909.202918.99129.588CD 4.8370.0000.0070.993902.629905.91232.333锚外 4.65半段梁19.753134.82全梁总计39.375269.0加荷级别张拉力P (KN )324(MPa )(2#顶)508(MPa )(3#顶)516(MPa )(4#顶)0.2δk 188.73410.1 5.6 5.80.4δk 377.46819.012.212.1δk943.67145.732.231.2备注张拉端张拉力P=188.734*5=943.671KN 一束钢绞线截面积A=139*5=695mm 2锚固点距离跨中平距:40/2-0.292=19.708起弯点距离跨中平距:4.837m;起弯点距离跨中平距:4.837+T+T*COS(5*pi()/180)=9.195m;其中T=TAN(5*pi()/2/180)*5000=2.183m N1号钢绞线张拉理论伸长量计算表N1号钢绞线张拉时千斤顶读数2号千斤顶读数与压力表19033324的关系:Y=1.1667+0.0472X3号千斤顶读数与压力表4508的关系:Y=-1.0913+0.0353X4号千斤顶读数与压力表4516的关系:Y=-0.5891+0.0337X平均张拉力:P P =P[1-e -(κL+μθ)]/(κL+μθ)钢绞线张拉理论伸长量:ΔL=P P L/(AE)40m 边跨梁张拉计算书弹性模量E=195GPa ,钢绞线型号:φ15.24,绞线张拉控制应力δk=1860*0.73=1357.8MPa ,单根公称面积a=139mm 2,单根张拉力P=δk*a=188.734KN千斤顶作用长度65cm 计算:复核:。
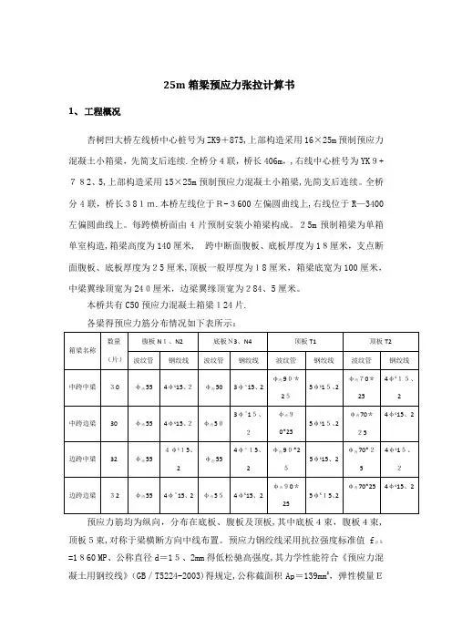
25m箱梁预应力张拉计算书1、工程概况杏树凹大桥左线桥中心桩号为ZK9+875,上部构造采用16×25m预制预应力混凝土小箱梁,先简支后连续.全桥分4联,桥长406m,,右线中心桩号为YK9+782、5,上部构造采用15×25m预制预应力混凝土小箱梁,先简支后连续。
全桥分4联,桥长381m.本桥左线位于R-3600左偏圆曲线上,右线位于R—3400左偏圆曲线上。
每跨横桥面由4片预制安装小箱梁构成。
25m预制箱梁为单箱单室构造,箱梁高度为140厘米, 跨中断面腹板、底板厚度为18厘米,支点断面腹板、底板厚度为25厘米,顶板一般厚度为18厘米,箱梁底宽为100厘米,中梁翼缘顶宽为240厘米,边梁翼缘顶宽为284、5厘米。
本桥共有C50预应力混凝土箱梁124片.各梁得预应力筋分布情况如下表所示:预应力筋均为纵向,分布在底板、腹板及顶板,其中底板4束,腹板4束,顶板5束,对称于梁横断方向中线布置。
预应力钢绞线采用抗拉强度标准值fpk=1860 MP、公称直径d=15、2mm得低松驰高强度,其力学性能符合《预应力混凝土用钢绞线》(GB/T5224-2003)得规定,公称截面积Ap=139mm2,弹性模量Ep=1、95*105MPa,松驰系数:0、3。
试验检测得钢绞线弹性模量Ep=1、95*105MPa。
预应力管道采用金属波纹管,腹板及底板为圆孔,所配锚具为M15-3及M15-4,顶板为长圆孔,所配锚具为BM15—4及BM15-5.2、后张法钢绞线理论伸长值计算公式及参数后张法预应力钢绞线在张拉过程中,主要受到两方面得因素影响:一就是管道弯曲影响引起得摩擦力,二就是管道偏差影响引起得摩擦力。
导致钢绞线张拉时,锚下控制应力沿着管壁向梁跨中逐渐减小,因而每一段得钢绞线得伸长值也就是不相同得。
2、1、力学指标及计算参数预应力筋力学性能指标及相关计算参数如下:※弹性模量:Ep=1、91*105 MPa※标准强度:f=1860MPapk=1395MPa※张拉控制应力:σcon=0、75fpk※钢绞线松驰系数:0、3※孔道偏差系数:κ=0、0015※孔道摩阻系数:μ=0、15※锚具变形及钢束回缩每端按6mm计2、2、理论伸长值得计算根据《公路桥梁施工技术规范》(JTJ 041-2000),关于预应筋伸长值得计算按如下公式进行:(公式1)式中:ΔL——各分段预应力筋得理论伸长值(mm);Pp——预应力筋得平均张拉力(N);L—-预应力筋得长度(mm);Ap——预应力筋得截面面积(mm2);Ep——预应力筋得弹性模量(Mpa).预应力筋得平均张拉力Pp按如下公式计算:(公式2)上式中:P——预应力筋张拉端得张拉力(KN);θ——从张拉端至计算截面曲线孔道部分切线得夹角之与(rad);x-—从张拉端至计算截面得孔道长度,整个分段计算时x等于L(m);k——孔道每米局部偏差对摩擦得影响系数(1/m),;μ-—预应力筋与孔道壁之间得磨擦系数。
箱梁及预应力盖梁张拉计算书第一章:25m预制箱梁张拉计算一、概况1、设计要求(1)预应力钢束:采用高强度底松弛7丝捻制的预应力钢绞线,公称直径15.2mm,公称面积140mm2,标准强度f pk=1860Mpa,弹性模量E p=1.95*105Mpa,1000h后应力松弛不大于2.5%。
(2)箱梁混凝土达到设计强度的85%,且混凝土龄期不小于7d,方科张拉。
(3)施加预应力应采用张拉力与引伸量双控,当预应力钢束张拉达到设计张拉力时,实际引伸值与理论引伸值的误差应控制在6%以内。
(4)锚下控制力为:0.75pk二、计算数据汇总1、公称面积(mm2):As=140 mm2;2、标准强度(Mpa):f pk=1860Mpa;3、预埋金属螺旋管道每延米影响系数:K=0.0015;4、预埋金属螺旋管道每延米摩擦系数:u=0.25;5、张拉根数(个):n=2;6、超张系数:b=1.0三:计算式1、理论伸长值(mm):ΔL=P p*L/(A s*E s)2、预应力平均张拉控制力(N):P p=P*[1-ε-(K*X+ u*θ)]/( K*L+ u*θ)三、预制箱梁中跨计算步骤1、钢绞线长度计算本项目梁板钢绞线共8束,每束2根,张拉时从张拉端至计算截面孔道长度(L)mm,见下表(表1-1)张拉端至计算截面孔道长度表1-12、弧度根据设计图纸,N1-----N6切线角换算为弧度,其数值见下表(表1-2)切线角换算弧度值表1-23、钢绞线有效长度根据设计图纸钢绞线圆弧半径及对应切线角,计算钢绞线有效长度,经计算,其数值见下表(表1-3)钢绞线有效长度表1-34、1-ε-(K*X+ u*θ)经计算,其具体数值见表1-4。
1-ε-(K*X+ u*θ)值表1-45、锚下张拉控制力控制张拉应力(0.75*1860)*钢绞线截面面积(140m㎡)*张拉根数(4)*超张系数(1.0)】/根数/1000。
具体数值见下表,表1-5。
25m箱梁预应力张拉计算书1、工程概况杏树凹大桥左线桥中心桩号为ZK9+875,上部构造采用16×25m预制预应力混凝土小箱梁,先简支后连续。
全桥分4联,桥长406m,,右线中心桩号为YK9+782.5,上部构造采用15×25m预制预应力混凝土小箱梁,先简支后连续。
全桥分4联,桥长381m。
本桥左线位于R-3600左偏圆曲线上,右线位于R-3400左偏圆曲线上。
每跨横桥面由4片预制安装小箱梁构成。
25m预制箱梁为单箱单室构造,箱梁高度为140厘米, 跨中断面腹板、底板厚度为18厘米,支点断面腹板、底板厚度为25厘米,顶板一般厚度为18厘米,箱梁底宽为100厘米,中梁翼缘顶宽为240厘米,边梁翼缘顶宽为284.5厘米。
本桥共有C50预应力混凝土箱梁124片。
各梁的预应力筋分布情况如下表所示:箱梁名称数量(片)腹板N1、N2 底板N3、N4 顶板T1 顶板T2波纹管钢绞线波纹管钢绞线波纹管钢绞线波纹管钢绞线中跨中梁30 φ内55 4φs15.2 φ内50 3φs15.2 φ内90*25 5φs15.2 φ内70*25 4φs15.2 中跨边梁30 φ内55 4φs15.2 φ内50 3φs15.2 φ内90*25 5φs15.2 φ内70*25 4φs15.2 边跨中梁32 φ内55 4φs15.2 φ内55 4φs15.2 φ内90*25 5φs15.2 φ内70*25 4φs15.2 边跨边梁32 φ内55 4φs15.2 φ内55 4φs15.2 φ内90*25 5φs15.2 φ内70*25 4φs15.2 预应力筋均为纵向,分布在底板、腹板及顶板,其中底板4束,腹板4束,顶板5束,对称于梁横断方向中线布置。
预应力钢绞线采用抗拉强度标准值fpk=1860 MP、公称直径d=15.2mm的低松驰高强度,其力学性能符合《预应力混凝土用钢绞线》(GB/T5224-2003)的规定,公称截面积Ap=139mm2,弹性模量Ep=1.95*105MPa,松驰系数:0.3。
后张法25米箱梁梁张拉计算书一、钢束理论伸长值计算公式:1、预应力平均张拉力计算公式及参数:Pp=P(1-e-(κχ+μθ))/(κχ+μθ)式中:Pp—预应力筋平均张拉力(N)P—预应力筋张拉端的张拉力(N)X—从张拉端至计算截面的孔道长度(m)θ—从张拉端至计算截面的曲线孔道部分切线的夹角之和(rad)k—孔道每米局部偏差对摩檫的影响系数,取0.0015μ—预应力筋与孔道壁的摩檫系数,取0.252、预应力筋的理论伸长值计算公式及参数:ΔL=P P L/A P E P式中:Pp—预应力筋平均张拉力(N)L—预应力筋的长度(mm)Ap—预应力筋的截面面积(mm2),取140mm2Ep—预应力筋的弹性模量(N/ mm2),取1.95×105N/mm2二、材料与设备(一)材料:钢绞线,标准强度Ry b=1860Mpa,d=15.2mm,Ep=1.95×105N/ mm2。
每批材料均要送检,要有试验检验证书,其结果要达到设计标准。
锚具采用15-3型和15-4型系列锚具及其配件;波纹管采用金属波纹管,波纹管钢带壁厚0.35mm。
(二)设备使用两台150T千斤顶,编号703013#,油压表编号5255#,及编号703012#,油压表编号5277#。
千斤顶使用前送有资职单位标定,经合肥工大共达工程检测试验有限公司标定结果:千斤顶编号703013#,油压表编号5255#回归方程为y =1.31+0.0341x千斤顶编号703012#,油压表编号5277#回归方程为y =2.04+0.03393x三、钢束理论伸长值计算1、计算参数钢绞线弹性模量Ep=1.95×105N/ mm2,钢绞线截面积A=140mm2,金属波纹管摩阻系数μ=0.25,偏差系数k=0.0015,抗拉强度标准值fpk=1860MP。
一根钢绞线最大控制张拉力:P1=0.75×fpk×A=0.75×1860×140=195300N。
专项施工方案审批表承包单位:合同号:工程箱梁张拉伸长量计算书工程项目部二0一五年十二月七日工程25m箱梁预应力张拉伸长量计算1 工程概况(1)跨径25m的预应力混凝土简支连续箱梁,梁体高度1.4m,宽度2.4m,采用C50混凝土,(2)钢绞线规格:采用高强低松驰钢绞线Φs15.2规格,标准抗拉强度fbk=1860Mpa,公称截面面积140mm2,弹性模量根据试验检测报告要求取Ep=1.93×105Mpa。
钢束编号从上到下依次为N1、N2、N3、N4,其中:中跨梁:N1为4Φs15.2,N2、N3、N4为3Φs15.2;边跨梁:N1、N2、 N3为4Φs15.2, N4为3Φs15.2;(3) 根据施工设计图钢绞线张拉控制应力按75%控制,即σcon=1860×75%=1395Mpa,单股钢绞线张拉吨位为:P=1395×140=195.3KN,3股钢绞线张拉吨位为:F=195.3×3=585.9KN,4股钢绞线张拉吨位为:F=195.3×4=781.2KN,采用两端张拉,夹片锚固。
(4) 箱梁砼强度达到90%以上且养护时间不少于7d时方可张拉,张拉顺序N1、N3、N2、N4钢束。
(5) 根据规范要求结合现场施工经验,为了有效控制张拉过程中出现异常情况,分级进行张拉:0~15%(测延伸量)~30%(测延伸量)~100%(测延伸量并核对)~(持荷2分钟,以消除夹片锚固回缩的预应力损失)~锚固(观测回缩)。
2 油压表读数计算(1)根据千斤顶的技术性能参数,结合合肥工大共达工程检测试验有限公司检定证书检定结果所提供的线性方程,计算实际张拉时的压力表示值Pu:千斤顶型号:YC150型编号:1 油压表编号:yw08007229 回归方程:Y=0.03377X+1.18千斤顶型号:YC150型编号:2 油压表编号:yw05049806 回归方程:Y=0.03335X+0.51千斤顶型号:YC150型编号:3 油压表编号:yw07023650 回归方程:Y=0.03358X+0.84千斤顶型号:YC150型编号:4 油压表编号:yw05049788 回归方程:Y=0.03367X+0.01(2) 钢束为3股钢绞线张拉至10%控制应力时油压表读数计算:1千斤顶,yw08007229油压表读数:Pu=0.03377X+1.18=0.03377×585.9*10%+1.18=3.2Mpa2千斤顶,yw05049806油压表读数:Pu=0.03335X+0.51=0.03335×585.9*10%+0.51=2.5Mpa3千斤顶,yw07023650油压表读数:Pu=0.03358X+0.84=0.03358×585.9*10%+0.84=2.8Mpa张拉至20%控制应力时油压表读数计算:1千斤顶,yw08007229油压表读数:Pu=0.03377X+1.18=0.03377×585.9*20%+1.18=5.1Mpa 2千斤顶,yw05049806油压表读数:Pu=0.03335X+0.51=0.03335×585.9*20%+0.51=4.4Mpa 3千斤顶,yw07023650油压表读数:Pu=0.03358X+0.84=0.03358×585.9*20%+0.84=4.8Mpa 4千斤顶,yw05049788油压表读数:Pu=0.03367X+0.01=0.03367×585.9*20%+0.01=4.0Mpa张拉至100%控制应力时油压表读数计算:1千斤顶,yw08007229油压表读数:Pu=0.03377X+1.18=0.03377×585.9*100%+1.18=21.0Mpa 2千斤顶,yw05049806油压表读数:Pu=0.03335X+0.51=0.03335×585.9*100%+0.51=20.0Mpa 3千斤顶,yw07023650油压表读数:Pu=0.03358X+0.84=0.03358×585.9*100%+0.84=20.5Mpa 4千斤顶,yw05049788油压表读数:Pu=0.03367X+0.01=0.03367×585.9*100%+0.01=19.7Mpa (3) 钢束为4股钢绞线张拉至10%控制应力时油压表读数计算:1千斤顶,yw08007229油压表读数:Pu=0.03377X+1.18=0.03377×781.2*10%+1.18=3.8Mpa 2千斤顶,yw05049806油压表读数:Pu=0.03335X+0.51=0.03335×781.2*10%+0.51=3.1Mpa 3千斤顶,yw07023650油压表读数:Pu=0.03358X+0.84=0.03358×781.2*10%+0.84=3.5Mpa 4千斤顶,yw05049788油压表读数:Pu=0.03367X+0.01=0.03367×781.2*10%+0.01=2.6Mpa张拉至20%控制应力时油压表读数计算:ApEpPpL 2千斤顶,yw05049806油压表读数:Pu=0.03335X+0.51=0.03335×781.2*20%+0.51=5.7Mpa3千斤顶,yw07023650油压表读数:Pu=0.03358X+0.84=0.03358×781.2*20%+0.84=6.1Mpa4千斤顶,yw05049788油压表读数:Pu=0.03367X+0.01=0.03367×781.2*20%+0.01=5.3Mpa张拉至100%控制应力时油压表读数计算:1千斤顶,yw08007229油压表读数:Pu=0.03377X+1.18=0.03377×781.2*100%+1.18=27.6Mpa2千斤顶,yw05049806油压表读数:Pu=0.03335X+0.51=0.03335×781.2*100%+0.51=26.6Mpa3千斤顶,yw07023650油压表读数:Pu=0.03358X+0.84=0.03358×781.2*100%+0.84=27.1Mpa4千斤顶,yw05049788油压表读数:Pu=0.03367X+0.01=0.03367×781.2*100%+0.01=26.3Mpa3 伸长量计算(1) 预应力筋的理论伸长△L (mm )按下式计算:L=式中:Pp-预力筋的平均张拉力为(N ),直线筋取张拉端的拉力,两端张拉的曲线筋,计算方法见曲线段预应力筋平均张拉力:L=预应力筋的长度(mm )Ap=预应力筋的截面面积(mm 2):取140Ep=预应力筋的弹性模量(N/mm 2)。
四、张拉设备及检验1、张拉设备的选用设备能力计算:3束:P=1860*0.75*140*3/1000=585.9KN4束:P=1860*0.75*140*4/1000=781.2KN5束:P=1860*0.75*140*5/1000=976.5KN张拉采用两端对称张拉,选用两个YDC1500型穿心液压千斤顶,其张拉力150T。
压力表的选用:压力表选用最大读数为60MPa,千斤顶同油压表的关系必须经省级计量单位标定。
2、在下述情况下,应对油表、千斤顶进行配套校验。
油泵、千斤顶、油表之中有一件是进场后修复过,第一次使用的;使用超过六个月或连续张拉200次以上的;在运输和张拉操作中出现异常时。
五、张拉有关数量值计算张拉时应两端同时对称张拉,张拉控制以张拉力为主,伸长值为校核控制,实际伸长值与理论伸长值控制在±6%以内。
锚下控制应力计算:σcon=1860mpa*0.75=1395mpa。
预应力钢绞线张拉理论伸长量计算公式:ΔL=(P p L)/(A p E p) (1)式中:P p――预应力筋的平均张拉力(N);当预应力筋为直线时P p=P;L――预应力筋的长度(mm);A p――预应力筋的截面面积(mm2);本工程采用每根A p=140mm2;E p――预应力筋的弹性模量(N/mm2);本工程采用E p=197444mpa。
预应力筋平均张拉应力按下式计算:P p=P(1-e-(kx+μθ))/(kx+μθ) (2)式中:P p――预应力筋平均张拉力(N);P――预应力筋张拉端的张拉力(N);x――从张拉端至计算截面的孔道长度(m);θ――从张拉端至计算截面曲线孔道部分切线的夹角之和(rad);k――孔道每米局部偏差对摩擦的影响系数;由于本工程采用的是预埋金属螺旋管道,故采用0.0015;μ――预应力筋与孔道壁的摩擦系数;本工程采用0.25。
六、张拉伸长量计算:(一)中跨半跨计算方法如下:1、N1#束:分为工作段长65cm+直线长789.2cm+曲线长349.1cm (5º)+直线90.7cm;2、N2#束:分为工作段长65cm+直线长628.5cm+曲线长349.1cm (5º)+直线252.9cm;3、N3#束:分为工作段长65cm+直线长467.8cm+曲线长349.1cm (5º)+直线415.1cm;4、N4#束:分为工作段长65cm+直线长106.6cm+曲线长73.3cm(1.4º)+直线1040.1cm;(二)边跨非连续端半跨计算方法如下:1、N1#束:分为工作段长65cm+直线长617.2cm+曲线长349.1cm (5º)+直线266.7cm;2、N2#束:分为工作段长65cm+直线长456.7cm+曲线长349.1cm (5º)+直线426.7cm;3、N3#束:分为工作段长65cm+直线长296.2cm+曲线长349.1cm (5º)+直线586.7cm;4、N4#束:分为工作段长65cm+直线长106.6cm+曲线长73.3cm (1.4º)+直线1050.1cm;(三)边跨连续端半跨N4计算方法如下:1、N4#束:分为工作段长65cm+直线长106.6cm+曲线长73.3cm (1.4º)+直线1040.1cm;七、张拉计算结构名称:长河北河桥25米后张法预制箱梁(一)、中跨中梁半跨计算结果如下:1、N1束4股预应力钢绞线特性截面面积Ap(mm2)560,弹性模量Ep(N/mm2)195000,张拉控制力Pk(KN)781.2。
预应力张拉计算书(例范本)本合同段采用国标φs15.24(GB/T5224-2003)的预应力钢绞线,标准强度为Rby=1860MPa,低松驰。
跨度为30m的T梁和25m的箱梁均采用Φs15.24mm钢绞线。
预应力筋张拉采用千斤顶油压标示张拉力和伸长值双控施工。
预应力钢绞线的张拉在预制梁的预应力损失参数方面,纵向预应力钢绞线波纹管摩阻系数为0.26,孔道偏差系数为0.003,钢束松弛预应力损失根据张拉预应力为1302MPa取为△=0.025,锚具变形与钢束回缩值(一端)为6mm;横向预应力钢绞线波纹管摩阻系数为0.26,孔道偏差系数为0.003,钢束松弛预应力损失为△=0.025,锚具变形与钢束回缩值(一端)为6mm;竖向预应力钢绞线波纹管摩阻系数为0.35,孔道偏差系数为0.003,钢束松弛预应力损失为△=0.05,锚具变形与钢束回缩值(一端)为1mm。
预应力材料方面,纵横向预应力束采用公称直径为Φ=15.24(7Φ5),抗拉标准强度f=1860MPa的高强度低松弛钢绞线;柔性吊杆采用27根Φ15.2环氧喷涂钢绞线组成,fpk=1860MPa;竖向预应力采用Φ25高强精扎螺纹粗钢筋。
锚具方面,纵向预应力采用OVM15-9型锚具锚固,横向预应力束采用OVMBM15-3(BM15-3P)、OVMBM15-4(BM15-4P)型锚具,竖向预应力采用JLM-25型锚具锚固;吊杆采用GJ15-27型锚具。
在设计伸长量方面,预应力平均张拉力的计算公式为Pp=(p1-e)/(kx+μθ),其中Pp为预应力筋平均张拉力,p为预应力筋张拉端的张拉力,x为从张拉端至计算截面的孔道长度,θ为从张拉端至计算截面的曲线孔道部分切线的夹角之和,k为孔道每米局部偏差对摩檫的影响系数,取0.002,μ为预应力筋与孔道壁的摩檫系数,取0.14.预应力筋的理论伸长值计算公式为Δl=ppl/(AEp),其中Δl为预应力筋的理论伸长值,l为预应力筋的长度,A为预应力筋的截面积,Ep为预应力筋的弹性模量。
河恵莞高速公路龙川至紫荆TJ1合同段(-K0+000~K6+800)2#梁场25米小箱梁预应力张拉计算书计算:复核:审核:核工业华南建设工程集团有限公司河恵莞高速公路龙川至紫荆TJ1合同段项目经理部二〇一七年九月十日1#梁场25米小箱梁后张法预应力钢绞线张拉伸长值计算桥梁预应力施工时,采用张拉应力和伸长值双控,实际伸长值与理论伸长值误差不得超过6%,所以伸长值的计算就相当重要,结合实际施工过程,通过对后张法现浇预应力小箱梁预应力钢绞线张拉伸长值的计算,适用于现场施工的伸长值计算方法。
一、工程概况本标共398片梁,其中2#梁场主要预制25m 小箱梁共168片;1#梁场预制40mT 梁计230片。
1#预制场位于主线K5+800 处,为线内梁场。
二、张拉工艺要求预应力的张拉应在混凝土强度达到强度设计值的85%以后方可进行,张拉时施加预应力应采用张拉力与引伸量双控。
预制梁内正弯矩钢束锚下张拉控制应力为0.75 pk f =1860*0.75=1395Mpa ,预应力张拉时还需考虑钢束与锚圈口之间的摩擦损失,锚口摩阻损失采用厂家及施工单位常年积累的数据按3%考虑,即钢束锚外张拉控制应力为1395 Mpa ,当预应力钢束张拉达到设计张拉力时,实际引伸量值与理论引伸量值的误差应控制在±6%以内。
实际引伸量值扣除钢束的非弹性变形影响。
主梁预应力钢束采用两端同时张拉,以对称于构件截面的中轴线、上下左右均衡为原则,同时考虑不使构件的上、下缘混凝土应力超过容许值。
主梁正弯矩钢束张拉顺序为N1→N3→N2→N5→N4。
预应力施工应采用自动智能控制张拉系统。
预应力筋张拉后,孔道应及早压浆,一般应在24小时内灌浆完毕。
三、后张法预应力钢绞线材料规定预应力体系:预应力砼箱梁预应力钢束采用Φs 15.2钢绞线,采用高强度低松驰7丝捻制的预应力钢绞线,公称直径为15.20mm ,公称面积140mm 2,标准强度f pk =1860Mpa ,弹性模量E p =1.95×105MPa ,1000h 后应力松驰率不大于3%,其技术性能符合中华人民共和国国家标准(GB/T 5224-2003)《预应力筋用钢绞线》的规定。
箱梁预应力张拉计算书一、张拉计算所用常量:预应力钢绞线弹性模量 Eg=1.95×105Mpa=1.95×105N/mm 2 预应力单数钢绞线截面面积 Ag=140mm 2 预应力钢绞线标准强度 ƒpk =1860Mpa 孔道每米局部偏差对摩擦的影响系数 k=0.0015 预应力钢绞线与孔道壁的摩擦系数 μ=0.23设计图纸要求:锚下张拉控制应力σcon =0.75 ƒpk =1395MPa 二、计算所用公式: 1、P 的计算:P=σcon ×Ag ×n ×10001×b (KN) (1) 式中:σcom  ̄ ̄预应力钢绞线的锚下张拉控制应力(MPa); Ag  ̄ ̄预应力单束钢筋截面面积(mm 2);― n  ̄ ̄同时张拉预应力筋的根数(根); b  ̄ ̄超张拉系数,不超张拉取1.0。
2、p 的计算:p =μθμθ+-+-kl e p kl ))(1( (KN ) (2) 其中:P  ̄ ̄预应力钢筋张拉端的拉力(N ); l  ̄ ̄从张拉端至计算截面的孔道长(m );θ ̄ ̄从张拉端至计算截面曲线孔道部分切线的夹角之和(Rad );k  ̄ ̄孔道每米局部偏差对摩擦的影响系数; μ ̄ ̄预应力钢绞线与孔道壁的摩擦系数。
3、预应力钢绞线张拉时理论伸长值的计算:ΔL=EgAy Lp ⨯⨯ (3) 其中:p  ̄ ̄预应力钢绞线的平均张拉力(N );L  ̄ ̄预应力钢绞线长度(cm ); Ay  ̄ ̄预应力钢绞线截面面积(mm 2); Eg  ̄ ̄预应力钢绞线弹性模量(N/mm 2)。
三、计算过程 1、P 的计算:本标段采用φj 15.2钢绞线作为预应力钢绞线,依据施工图纸,刚束的组成形式一共有两种:5φj 15.2对应的张拉控制力为:1395×5×140=976.500 KN 4φj 15.2对应的张拉控制力为:1395×4×140=781.200 KN 2、ΔL 的计算:(1) 钢绞线计算长度统计表:钢绞线在张拉时伸长量要分为直线部分和曲线部分计算,然后进行叠加,故先须计算预应力钢绞线的平均张拉力。
1#梁场25m箱梁顶板负弯矩梁张拉计算书预应力钢束采用Φs15.20毫米,公称面积为Ay=140mm2,标准强度为f pk=1860Mpa,弹性模量为Ep=1.95×105Mpa。
应符合GB/T5224-2003的规定。
预应力钢绞线制作:预应力钢绞线的下料,按设计长度加预留张拉长度。
钢绞线下料长度:两端张拉时:L=L1+2L2L:钢绞线下料总长度。
L1:钢绞线孔道长度。
L2:穿心式千斤顶工作所需钢绞线长度。
(1) 钢绞线伸长量计算公式及参数根据后张预应力筋理论伸长值及预应力筋平均张拉力的计算式[公路桥涵施工技术规范]:∆l=(FP·L)/(A P·E A)F p=p J·(1-e–(μθ+k x))/(K X+μθ)式中:△L—预应力筋理论伸长值cm;P—预应力筋的平均张拉力N;L—从张拉端至计算截面孔道长度cm;Ay—预应力筋截面面积mm2;Eg—预应力筋的弹性模量Mpa;p—预应力筋张拉端的张拉力N;θ—从张拉端至计算截面曲线孔道部分切线的夹角之和rad;R—孔道每米局部偏差对摩擦的影响系数0.0015;μ—预应力筋与孔道壁的摩擦系数0.17 ;本梁所用Φs15.2型钢绞线中跨149.74kg、边跨748.7kg,Φ90*25mm 波纹管共计65m,其钢绞线伸长值计算如下:① T1(2×1)钢束伸长值计算预应力筋截面面积Ay=140×1=140mm2锚下控制应力σk=1370MPa起始端头张拉力p1=σk×Ay=1370×140=191.8KN由图纸说明: L1=13.4mL1:△L1=191.8×13.4/140/1.9767=9.29cmT2伸长量计算过程同T1。
理论伸长值与修正伸长值对比见下表。
河恵莞高速公路龙川至紫荆T J1合同段(-K0+000~K6+800)2#梁场25米小箱梁预应力张拉计算书计算:复核:审核:核工业华南建设工程集团有限公司河恵莞高速公路龙川至紫荆TJ1合同段项目经理部二〇一七年九月十日1#梁场25米小箱梁后张法预应力钢绞线张拉伸长值计算桥梁预应力施工时,采用张拉应力和伸长值双控,实际伸长值与理论伸长值误差不得超过6%,所以伸长值的计算就相当重要,结合实际施工过程,通过对后张法现浇预应力小箱梁预应力钢绞线张拉伸长值的计算,适用于现场施工的伸长值计算方法。
一、工程概况本标共398片梁,其中2#梁场主要预制25m小箱梁共168片;1#梁场预制40mT梁计230片。
1#预制场位于主线K5+800 处,为线内梁场。
二、张拉工艺要求预应力的张拉应在混凝土强度达到强度设计值的85%以后方可进行,张拉时施加预应力应采用张拉力与引伸量双控。
预制梁内正弯矩钢束锚下张拉控制应力为0.75 pk f =1860*0.75=1395Mpa,预应力张拉时还需考虑钢束与锚圈口之间的摩擦损失,锚口摩阻损失采用厂家及施工单位常年积累的数据按3%考虑,即钢束锚外张拉控制应力为1395 Mpa,当预应力钢束张拉达到设计张拉力时,实际引伸量值与理论引伸量值的误差应控制在±6%以内。
实际引伸量值扣除钢束的非弹性变形影响。
钢束引伸量一览表单位:mm主梁预应力钢束采用两端同时张拉,以对称于构件截面的中轴线、上下左右均衡为原则,同时考虑不使构件的上、下缘混凝土应力超过容许值。
主梁正弯矩钢束张拉顺序为N1→N3→N2→N5→N4。
预应力施工应采用自动智能控制张拉系统。
预应力筋张拉后,孔道应及早压浆,一般应在24小时内灌浆完毕。
三、后张法预应力钢绞线材料规定预应力体系:预应力砼箱梁预应力钢束采用Φs15.2钢绞线,采用高强度低松驰7丝捻制的预应力钢绞线,公称直径为15.20mm,公称面积140mm2,标准强度f pk =1860Mpa,弹性模量Ep=1.95×105MPa,1000h后应力松驰率不大于3%,其技术性能符合中华人民共和国国家标准(GB/T 5224-2003)《预应力筋用钢绞线》的规定。
25m箱梁预应力张拉与理论伸长量计算一、张拉力计算(校核图纸)1、钢绞线参数Øj15、24钢绞线截面积:A=140mm2,标准强度:R b y=1860Mpa,弹性模量E y=1、95×105Mpa2、张拉力计算a、单根钢绞线张拉力P=0、75Rb y×A=0、75×1860×106×140×10—6=195、3Knb、每束张拉力(中跨梁)N1~N2(4索):P总=195、3×4=781、2Kn(标准)*1、02=796、8KnN3~N4(3索):P总=195、3×3=585、9Kn(标准)*1、02=597、6Knc、每束张拉力(边跨梁)N1~N4(4索):P总=195、3×4=781、2Kn(标准)*1、02=796、8Kn二、设计图纸中钢绞线中有直线与曲线分布,且有故P≠P P(1)中跨箱梁1、1:N1钢绞线经查表:k=0、0015μ=0、25根据图纸计算角度θ=0、1187(为弧度)竖弯与平弯N1:理论计算值(根据设计)1、2:N2钢绞线经查表:k=0、0015 μ=0、25根据图纸计算角度θ=0、1187(为弧度)竖弯与平弯N2:理论计算值(根据设计)1、3:N3钢绞线经查表:k=0、0015 μ=0、25根据图纸计算角度θ=0、1187(为弧度)竖弯与平弯N3:理论计算值(根据设计)1、4:N4钢绞线经查表: k=0、0015 μ=0、25根据图纸计算角度θ=0、0559(为弧度)竖弯与平弯N4:理论计算值(根据设计)(2)、边跨箱梁1、1:N1钢绞线经查表:k=0、0015μ=0、25根据图纸计算角度θ=0、1187(为弧度)竖弯与平弯N1:理论计算值(根据设计)1、2:N2钢绞线经查表:k=0、0015 μ=0、25根据图纸计算角度θ=0、1187(为弧度)竖弯与平弯N2:理论计算值(根据设计)1、3:N3钢绞线经查表: k=0、0015 μ=0、25根据图纸计算角度θ=0、1187(为弧度)竖弯与平弯N3:理论计算值(根据设计)1、4:N4钢绞线经查表: k=0、0015 μ=0、25根据图纸计算角度θ=0、0559(为弧度)竖弯与平弯N4:理论计算值(根据设计)备注:以上终点力P P(KN)、ΔL(mm)伸长量根据下列公式计算P(1—e-(kx+μθ))(1)、PP=kx+μθP P L(2)、ΔL= AP E P35m箱梁预应力张拉与理论伸长量计算一、张拉力计算(校核图纸)1、钢绞线参数Øj15、24钢绞线截面积:A=140mm2,标准强度:Rby=1860Mpa,弹性模量Ey=1、95×105Mpa2、张拉力计算a、单根钢绞线张拉力P=0、75 Rby×A=0、75×1860×106×140×10—6=195、3Knb、每束张拉力(中跨梁)N1~N5(4索):P总=195、3×4=781、2Kn(标准)*1、02=796、8Knc、每束张拉力(边跨梁)N1、N5(4索):P总=195、3×4=781、2Kn(标准)*1、02=796、8KnN2~N4(5索):P总=195、3×5=976、5Kn(标准)*1、02=996、0Kn二、设计图纸中钢绞线中有直线与曲线分布,且有故P≠PP(1)、中跨箱梁1、1:N1钢绞线经查表:k=0、0015μ=0、25根据图纸计算角度θ=0、1100(为弧度)竖弯与平弯N1:理论计算值(根据设计)1、2:N2钢绞线经查表: k=0、0015μ=0、25根据图纸计算角度θ=0、1100(为弧度)竖弯与平弯N2:理论计算值(根据设计)1、3:N3钢绞线经查表:k=0、0015 μ=0、25根据图纸计算角度θ=0、1100(为弧度)竖弯与平弯N3:理论计算值(根据设计)1、4:N4钢绞线经查表: k=0、0015 μ=0、25根据图纸计算角度θ=0、1100(为弧度)竖弯与平弯N4:理论计算值(根据设计)1、5:N5钢绞线经查表: k=0、0015 μ=0、25根据图纸计算角度θ=0、0192(为弧度)竖弯与平弯N5:理论计算值(根据设计)(2)、边跨箱梁1、1:N1钢绞线经查表:k=0、0015μ=0、25根据图纸计算角度θ=0、1100(为弧度)竖弯与平弯N1:理论计算值(根据设计)1、2:N2钢绞线经查表: k=0、0015μ=0、25 根据图纸计算角度θ=0、1100(为弧度)竖弯与平弯N2:理论计算值(根据设计)1、3:N3钢绞线经查表: k=0、0015μ=0、25根据图纸计算角度θ=0、1100(为弧度)竖弯与平弯N3:理论计算值(根据设计)1、4:N4钢绞线经查表:k=0、0015 μ=0、25根据图纸计算角度θ=0、0559(为弧度)竖弯与平弯N4:理论计算值(根据设计)1、5:N5钢绞线经查表:k=0、0015μ=0、25根据图纸计算角度θ=0、0192(为弧度)竖弯与平弯N5:理论计算值(根据设计)备注:以上终点力PP(KN)、ΔL(mm)伸长量根据下列公式计算P(1—e—(kx+μθ))(1)、P P= kx+μθPPL(2)、ΔL= A PEP。
K32+189.6大桥25m 中跨箱梁伸长量计算书根据图纸将半个预应力筋分为四段如下图所示.X 1段为锚外端X 2为直线段X 3段为曲线段X 4为直线段.根据△L=PL/AyEg [1-e -(kl+μθ)/kL+μθ]或△L=PL/AyEgP=P*[1-e-(kl+μθ)/kL+μθ]P=&k*Ag*n*1/1000*b N 1钢绞线由图可知N 1为3股,所以A y =3×140=420mm 2;查表得K=0.0015;μ=0.225。
Ep=195×105Mpa 。
(1) 根据锚具的工作长度,按经验得:锚外段 X 1=45cm ;θ1=0rad 。
故P=0.75×1860×420=585.9KN , 所以ΔL 1=PX 1/AgEg=3.129mm 。
(2) 由图纸算出X 2=350.8cm ;θ2=0rad 。
P 1=585.9KN ,由公式得P 平均=P[1-e -(k X2+μθ)]/( k X 2+μθ)=584.36KNP 2=582.82KN所以ΔL 2=25.030mm 。
(3) 图纸算出X 3=610.9cm ;θ3=0.123rad 。
X 1X 2 X 3X 4P1=582.82KN,由公式得P平均 =572.22KNP2=561.62 KN所以ΔL3=42.68mm(4)图纸算出X4=267.3cm;θ4=0rad。
P1=561.62KN,由公式得P平均 =560.50KNP2=559.38KN所以ΔL4=18.29mm∑ΔL=ΔL1+ΔL2+ΔL3+ΔL4=89.22mm×2=178.44mm。
N2钢绞线由图可知N2为4股,所以A y=4×140=560mm2;查表得K=0.0015;μ=0.225。
Ep=195×105Mpa。
(1)据锚具的工作长度,按经验得:锚外段 X1=45cm;θ1=0rad。
25m箱梁预应力张拉计算书1、工程概况杏树凹大桥左线桥中心桩号为ZK9+875,上部构造采用16×25m预制预应力混凝土小箱梁,先简支后连续。
全桥分4联,桥长406m,,右线中心桩号为YK9+782.5,上部构造采用15×25m预制预应力混凝土小箱梁,先简支后连续。
全桥分4联,桥长381m。
本桥左线位于R-3600左偏圆曲线上,右线位于R-3400左偏圆曲线上。
每跨横桥面由4片预制安装小箱梁构成。
25m预制箱梁为单箱单室构造,箱梁高度为140厘米, 跨中断面腹板、底板厚度为18厘米,支点断面腹板、底板厚度为25厘米,顶板一般厚度为18厘米,箱梁底宽为100厘米,中梁翼缘顶宽为240厘米,边梁翼缘顶宽为284.5厘米。
本桥共有C50预应力混凝土箱梁124片。
各梁的预应力筋分布情况如下表所示:预应力筋均为纵向,分布在底板、腹板及顶板,其中底板4束,腹板4束,顶板5束,对称于梁横断方向中线布置。
预应力钢绞线采用抗拉强度标准值f=1860 MP、公称直径d=15.2mm的低松驰高强度,其力学性能符合《预应pk力混凝土用钢绞线》(GB/T5224-2003)的规定,公称截面积Ap=139mm2,弹性模量Ep=1.95*105MPa,松驰系数:0.3。
试验检测的钢绞线弹性模量Ep=1.95*105 MPa。
预应力管道采用金属波纹管,腹板及底板为圆孔,所配锚具为M15-3及M15-4,顶板为长圆孔,所配锚具为BM15-4及BM15-5。
2、后张法钢绞线理论伸长值计算公式及参数后张法预应力钢绞线在张拉过程中,主要受到两方面的因素影响:一是管道弯曲影响引起的摩擦力,二是管道偏差影响引起的摩擦力。
导致钢绞线张拉时,锚下控制应力沿着管壁向梁跨中逐渐减小,因而每一段的钢绞线的伸长值也是不相同的。
2.1、力学指标及计算参数预应力筋力学性能指标及相关计算参数如下:※弹性模量:Ep=1.91*105 MPa※标准强度:f=1860MPapk=1395MPa※张拉控制应力:σcon=0.75fpk※钢绞线松驰系数:0.3※孔道偏差系数:κ=0.0015※孔道摩阻系数:μ=0.15※锚具变形及钢束回缩每端按6mm计2.2、理论伸长值的计算根据《公路桥梁施工技术规范》(JTJ 041-2000),关于预应筋伸长值的计算按如下公式进行:(公式1)式中:ΔL——各分段预应力筋的理论伸长值(mm);Pp——预应力筋的平均张拉力(N);L——预应力筋的长度(mm);Ap——预应力筋的截面面积(mm2);Ep——预应力筋的弹性模量(Mpa)。
307国道绥德北国境线项目25m箱梁后张法张拉计算书中铁十五局集团第二工程有限公司307国道绥德北国境线项目LJ-4标项目经理部二〇一五年六月25m箱梁后张法张拉计算书根据设计要求采用国家标准GB/5224-2003高强低松弛钢绞线,其抗拉强度标准值f pk=1860MPa,选用天津预应力有限公司提供的该规格的钢绞线,公称直径Φj=15.2mm,钢绞线截面积Ag=140mm2,强度等级R y b=1860MPa,弹性模量E p=1.95×105MPa。
张拉控制应力δcom=1395Mpa,单根钢绞线张拉力Ng=δcom× Ag=195.3KN,最大张拉力Ny=4根×Ng=781.2KN,一、张拉设备的选用(1) 张拉设备需要的张拉力正弯矩整体张拉选用YCD1200A型千斤顶,公称张拉力为1200KN> 781.2KN,保证了张拉工作的可靠性。
(2)张拉设备需要的行程张拉一端伸长值估算:△L=δkb/Eg×L/2=8.46cm,YDC1200A型千斤顶的行程为18cm>8.46cm,故可以满足要求。
(3)压力表的选用:Pu=42.1MPa选用压力表最小量程为60MPa可以满足使用要求。
(4)油泵的选用ZB2—50型电动高速油泵与YCD2500A型千斤顶配套使用。
(5)锚具的选用选用开封市中桥预应力设备有限公司生产的YJM系列锚具及配套夹片。
(6)压浆设备的选用选用开封中豫预应力设备有限公司生产的HB—3型活塞式灌浆泵及JW180型灰浆搅拌机。
二、张拉设备的校验张拉设备已在榆林市计量测试所检验标定合格,证书附后。
张拉过程中各阶段的控制油表读数,根据检定证书提供的回归校准方程公式计算(附后)。
当发生下列几种情况时,应对液压系统重新标定:1、千斤顶经过拆卸、修理;2、放置六个月后重新使用;3、压力表出现失灵,不回位现象或受到碰撞;4、张拉超过300片;5、张拉过程中,预应力筋突然发生成束破断; 三、张拉梁体强度达到设计90%以上且混凝土龄期不小于7天时可进行张拉。
1
25m 箱梁预应力张拉计算书
第一章 设计伸长量复核
丹江特大桥K162+957;K163+405箱梁,设计采用标准强度fpk=1860Mpa 的高强低松弛钢绞线,公称直径Ф15.2mm ,公称面积Ag=139mm ²;弹性模量Eg=1.95×105Mpa 。
为保证施工符合设计要求,施工中采用油压表读数和钢绞线拉伸量测定值双控。
理论伸长量计算采用《公路桥涵施工技术规范》JTJ041-2002附表G-8预应力钢绞线理论伸长值及平均张拉力计算公式。
一、计算公式及参数:
1、预应力平均张拉力计算公式及参数:
()
()
μθμθ+-=+kx e p p kx p 1 式中:
P p —预应力筋平均张拉力(N )
P —预应力筋张拉端的张拉力(N )
2
X —从张拉端至计算截面的孔道长度(m )
θ—从张拉端至计算截面的曲线孔道部分切线的夹角之和
(rad )
k —孔道每米局部偏差对摩檫的影响系数,取0.0015 μ—预应力筋与孔道壁的摩檫系数,取0.25
2、预应力筋的理论伸长值计算公式及参数: ()P P p E A l p l =∆
式中:
P p —预应力筋平均张拉力(N )
L —预应力筋的长度(mm )
A p —预应力筋的截面面积(mm 2),取139 mm 2
E p —预应力筋的弹性模量(N/ mm 2),取1.95×105 N/ mm 2
二、伸长量计算:
1、N1束一端的伸长量:
单根钢绞线张拉的张拉力
P=0.75×1860×139=193905N
X直=11.322m;X曲=1.018m
θ=4×π/180=0.0698rad
k X曲+μθ=0.0015×1.018+0.25×0.0698=0.019
P p=193905×(1-e-0.019)/0.019=192074N
ΔL曲= P p L/(A p E p)=192074×1.018/(139×1.95×105)=7.2mm ΔL直= PL/(A p E p)=193905×11.322/(139×1.95×105)=81mm (ΔL曲+ΔL直)*2=(7.2mm+81mm)*2=176.4mm
与设计比较(176.4-172)/172=2.56%
2、N4束一端的伸长量:
单根钢绞线张拉的张拉力
3。