蓄电池点检记录表
- 格式:xls
- 大小:43.00 KB
- 文档页数:2
蓄电池整组测试记录管理规范
1.蓄电池整组测试记录每月测试一次,每周对分组的蓄电池测试一次,一般情况周三进行,若遇特殊情况可提前或推迟测量,但本周必须完成此项工作。
2.测试时应填明测试日期,实测的电池编号、电压、室温和浮充电流(铅酸蓄电池还应测试比重)。
测试完成后应与标准值进行比较,当测试的电池电压与标准值相差较大时,应将测试值记入运行工作记录。
3.当发现蓄电池单体电压高于或低于与环境温度相对应的电压值(或额定值)时,检查人应及时汇报值班长、站长及分公司,并采取以下措施:
3.1测试中发现蓄电池单体电压偏高或偏低时,应在该电压值下边用红色横线标注。
3.2值班人员应每6小时对电压偏高或偏低的蓄电池进行一次现场检查,并将检查结果及数值记入运行工作记录。
3.3若单体蓄电池电压值短期内不能恢复正常,站长(技术员)应组织站内人员进行专题分析,并制定相应的预控措施。
4进入蓄电池室前先开启通风,如果发现蓄电池有渗液或漏液现象应及时汇报值班长、站长及分公司。
5.站长(技术员)每月至少应对本记录进行两次检查,及时发现和纠正记录中存在的问题,并在每月25日前对检查结果进行考核。
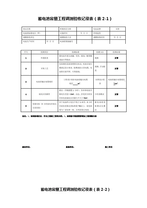
蓄电池容量工程调测验收记录表(表2-1)
备注:1、该表格填好后,作为工程竣工资料归档。
2、该表格可根据需要增加工程调测内容
建设单位:
监理单位: 施工单位
蓄电池容量工程调测验收记录表(表2-2)
备注:1、该表格填好后,作为工程竣工资料归档。
2、该表格可根据需要增加工程调测内容
建设单位:监理单位:施工单位
蓄电池容量工程调测验收记录表(表2-3)
备注:1、该表格填好后,作为工程竣工资料归档。
2、该表格可根据需要增加工程调测内容
建设单位:监理单位:施工单位。