最新电工学(下册)电子技术基础 第4章 习题解答电子教案
- 格式:doc
- 大小:1.42 MB
- 文档页数:10
《电工与电子技术》习题与解答电工电子教研室第九章:半导体二极管和三极管、第十章:基本放大电路一、单项选择题*1.若用万用表测二极管的正、反向电阻的方法来判断二极管的好坏,好的管子应为( C )A 、正、反向电阻相等B 、正向电阻大,反向电阻小C 、反向电阻比正向电阻大很多倍D 、正、反向电阻都等于无穷大 *2.电路如题2图所示,设二极管为理想元件,其正向导通压降为0V ,当U i =3V 时,则U 0的值( D )。
A 、不能确定B 、等于0C 、等于5VD 、等于3V**3.半导体三极管是具有( B )PN 结的器件。
A 、1个 B 、2个 C 、3个 D 、4个5.晶体管的主要特性是具有( D )。
A 、单向导电性B 、滤波作用C 、稳压作用D 、电流放大作用 *6.稳压管的稳压性能是利用PN 结的( D )。
A 、单向导电特性 B 、正向导电特性 C 、反向截止特性 D 、反向击穿特性8.对放大电路进行动态分析的主要任务是( C ) A 、确定静态工作点QB 、确定集电结和发射结的偏置电压C 、确定电压放大倍数A u 和输入、输出电阻r i ,r 0D 、确定静态工作点Q 、放大倍数A u 和输入、输出电阻r i ,r o *9.射极输出器电路如题9图所示,C 1、C 2足够大,对输入的交流信号u 可视作短路。
则输出电压u 0与输入电压u i 之间的关系是( B )。
A 、两者反相,输出电压大于输入电压B 、两者同相,输出电压小于且近似等于输入电压C 、两者相位差90°,且大小相等D 、两者同相,输出电压大于输入电压 *11.在共射极放大电路中,当其他参数不变只有负载电阻R L 增大时,电压放大倍数将( B )A 、减少B 、增大C 、保持不变D 、大小不变,符号改变 13.在画放大电路的交流通路时常将耦合电容视作短路,直流电源也视为短路,这种处理方法是( A )。
题2图题9图A 、正确的B 、不正确的C 、耦合电容视为短路是正确的,直流电源视为短路则不正确。
教案二教案三教学环节时间分配组织教学教学导入与新课内容清点学生人数,核实请假学生督促保持教室卫生一、电流1、电流的形成电荷的定向移动形成电流。
2、电流的大小电流的大小是指单位时间内通过导体横截面的电荷量。
恒定电流tQI=(DC)(“-”)交变电流tqi∆∆=(AC)(“~”)大小和方向都不随时间变化的电流称为恒定电流,也称为直流电流,用I表示。
大小和方向随时间变化的电流称为交变电流,简称交流电流,用i表示。
电流的单位为A(安[培]),还有kA(千安)、mA(毫安)、μA(微安)等。
31kA10A=361A10mA10Aμ==3、电流的方向(1)实际方向习惯上规定正电荷移动的方向或负电荷移动的反方向为电流的实际方向。
设计意图(2)参考方向:可以任意选取在分析电路时,常常要知道电流的方向,但有时电路中电流的实际方向难于判断,此时常可任意选定某一方向作为电流的“参考方向(也称正方向)”。
所选的参考方向不一定与实际方向一致。
当电流的实际方向与其参考方向一致时,则电流为正值;反之,当电流的实际方向与其参考方向相反时,则电流为负值,如图所示。
I I实际方向实际方向参考方向参考方向aabba )0I >b )0I <4、电流的表示方法(1)箭头:→ (2)双下标:ab I5、电流的测量——用电流表(安培表)来测量。
测量时注意: (1)交、直流电流用不同表测量。
(2)电流表应串联在电路中。
(3)直流电流表有正负端子,即:“+”、“-”记号,接线时不能接错。
(4)选择正确的量程。
教案四电压的测量用电压表(伏特表)来测量。
测量时注意:(1)交、直流电压用不同表测量。
(2)电压表应并联在被测电路两端。
(3)直流电压表有正负端子,即:“+”、“-”记号,接线时不能接错。
(4)选择正确的量程。
【例】电路如图所示,已知16VU=-,24VU=,求:ab?U=1U2Ua b++--解:ab12()6V(4V)10VU U U=+-=-+-=-电动势1、物理意义为维持电路中的电流流通,则必须保持电路a、b两端间的电压abU恒定不变,这就需要电源力源源不断地把正电荷从负极板b 移回正极板a上。
第4章触发器[题4.1]画出图P4.1所示由与非门组成的基本RS触发器输出端Q、Q的电压波形,输入端S、R的电压波形如图中所示。
图P4.1[解]见图A4.1图A4.1[题4.2]画出图P4.2由或非门组成的基本R-S触发器输出端Q、Q的电压波形,输出入端S D,R D的电压波形如图中所示。
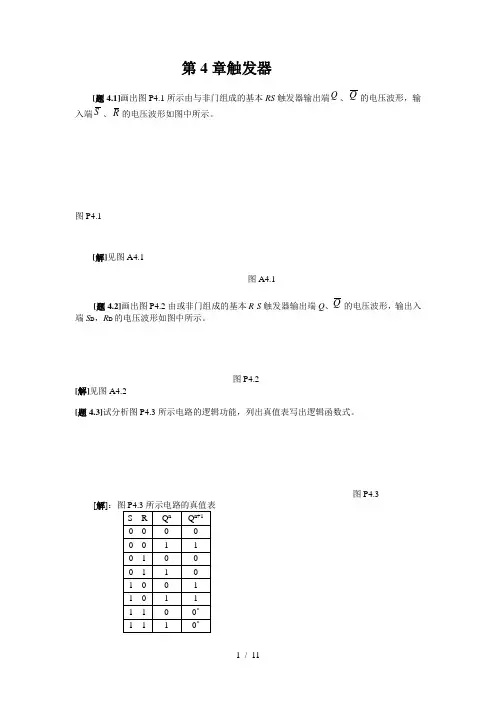
图P4.2[解]见图A4.2[题4.3]试分析图P4.3所示电路的逻辑功能,列出真值表写出逻辑函数式。
图P4.3 [解]由真值表得逻辑函数式01=+=+SR Q R S Q nn[题4.4]图P4.4所示为一个防抖动输出的开关电路。
当拨动开关S 时,由于开关触点接触瞬间发生振颤,D S 和D R 的电压波形如图中所示,试画出Q 、Q 端对应的电压波形。
图P4.4[解]见图A4.4图A4.4[题4.5]在图P4.5电路中,若CP 、S 、R 的电压波形如图中所示,试画出Q 和Q 端与之对应的电压波形。
假定触发器的初始状态为Q =0。
图P4.5[解]见图A4.5图A4.5[题4.6]若将同步RS触发器的Q与R、Q与S相连如图P4.6所示,试画出在CP信号作用下Q和Q端的电压波形。
己知CP信号的宽度t w = 4 t Pd 。
t Pd为门电路的平均传输延迟时间,假定t Pd≈t PHL≈t PLH,设触发器的初始状态为Q=0。
图P4.6图A4.6[解]见图A4.6[题4.7]若主从结构RS触发器各输入端的电压波形如图P4.7中所给出,试画Q、Q端对应的电压波形。
设触发器的初始状态为Q=0。
图P4.7[解] 见图A4.7图A4.7R各输入端的电压波形如图P4.8所示,[题4.8]若主从结构RS触发器的CP、S、R、DS。
试画出Q、Q端对应的电压波形。
1D图P4.8[解] 见图A4.8图A4.8[题4.9]已知主从结构JK触发器输入端J、K和CP的电压波形如图P4.9所示,试画出Q、Q端对应的电压波形。
设触发器的初始状态为Q = 0。
电工学少学时1-4章课后习题答案第一章电路的基本概念和基本定律一、填空题1、电路的作用是实现电能的传输和转换,以及对电信号的传递和处理。
2、电流的实际方向规定为正电荷定向移动的方向,电压的实际方向规定为由高电位指向低电位。
3、电阻元件的伏安特性曲线是一条过原点的直线,其斜率表示电阻的大小。
4、电源的电动势是电源将其他形式的能转化为电能的能力的物理量,其方向规定为在电源内部由负极指向正极。
二、选择题1、已知空间有 a、b 两点,电压 Uab=10V,a 点电位为 Va=4V,则b 点电位 Vb 为()A 6VB -6VC 14VD -14V答案:B解析:Vb = Va Uab = 4 10 =-6V2、一电阻元件,当其电流减为原来的一半时,其功率为原来的()A 1/2B 1/4C 2 倍D 4 倍答案:B解析:P = I²R,当 I 变为原来的一半时,P' =(I/2)²R = 1/4 I²R三、计算题1、如图所示电路,已知 E1 = 18V,E2 = 12V,R1 =3Ω,R2 =6Ω,R3 =9Ω,求各支路电流。
解:首先设各支路电流方向如图所示。
根据基尔霍夫电压定律(KVL),对于回路①:E1 I1R1 I3R3 = 0即 18 3I1 9I3 = 0 (1)对于回路②:E2 I2R2 + I3R3 = 0即 12 6I2 + 9I3 = 0 (2)根据基尔霍夫电流定律(KCL),在节点 A 处:I1 = I2 + I3 (3)联立(1)、(2)、(3)式,解得:I1 = 3A,I2 = 1A,I3 = 2A第二章电路的分析方法一、填空题1、支路电流法是以支路电流为未知量,应用基尔霍夫定律列出方程组求解的方法。
2、网孔电流法是以网孔电流为未知量,列写网孔的 KVL 方程进行求解的方法。
3、节点电压法是以节点电压为未知量,列写节点的 KCL 方程进行求解的方法。
第1章思考题与习题解答1-3 I 1的实际方向向下,I 2的实际方向向左,I 3的实际方向向上;U 1的实际方向下正上负,U 2的实际方向向右正左负,U 3的实际方向下正上负;W 360111-==I U P 释放功率 W 210222=-=I U P 吸收功率 W 150333==I U P 吸收功率1-4 (a )W 162A V 8=⨯=P(b )W 123A V 4-=⨯-=P (c )W 51A V 5=⨯=P (d )W 183A V 6-=⨯-=P 1-6 V 600==RI U W 1802==RI P 1-7 []900kWh kWh 30)(3100)10100(3=⨯⨯⨯⨯==-Pt W1-8 (a )A 1A 268=-=I V 2V )12(bc -=⨯-=U (b )8V V )152512(S =⨯++-⨯+U 4V S =U 1-9 (a )V 1V 2V 3ab =-=U(b )1)V 2(V 5⨯+-=R Ω=7R1-10 (a )A 2)A 221(=+=I电压源功率:W 42)W 2(US -=⨯-=P 电流源功率:W 21)W 2(IS =⨯=P电阻功率:W 2W 222R =⎥⎦⎤⎢⎣⎡=P(b )1V V )211(=⨯+-=U电压源功率:W 22)W 1(US -=⨯-=P电流源功率:[]W 2W 2)1(2)W (IS -=⨯--=⨯-=U P 电阻功率:[]W 4W 122R =⨯=P 1-11 0521=-+I I I0645=--I I I 0236=-+I I I0134=--I I I0S11144S455=-++-U I R I R U I R 0S44433S366=+--+U I R I R U I R05566S222=--+-I R I R U I R 其他回路电压方程略1-12 5V 2)V 756366(-=⨯-+⨯+=U 1-13 0321=-+I I I0S13311=-+U I R I R0S23322=-+U I R I R将已知数据代入方程,得:A 121=I ,A 42-=I ,A 83=I 以b 点位参考点, 0b =V0V 1233a ==I R V 0V 18S1c ==U V 0V 8S2d ==U V 0V 10d c cd =-=V V U以d 点位参考点, 0d =V0V 422a =-=I R V 0V 8S2b -=-=U V 0V 10S2S1c =-=U U V 0V 10d c cd =-=V V U第2章思考题与习题解答2-1 (a )图中四个电阻并联,Ω=2R(b )图中两个2Ω电阻并联后与3Ω电阻串联,然后与4Ω电阻并联,再与6Ω电阻串联,最后与 8Ω电阻并联,Ω=4R 2-2 开关打开A 91.2A 2624)2(6)2(410=++++⨯+=I开关闭合A 94.2A 2222646410=+⨯++⨯=I2-3 (a )(b )6V(c2-4 将电路进行等效变换,可求出电流。
《电工学》授课教案第一章:电工学基本概念1.1 电流、电压、电阻的概念与计算1.2 欧姆定律的应用1.3 电路的基本元件1.4 电路的两种状态:通路与开路第二章:直流电路2.1 直流电路的基本概念2.2 串并联电路的特点与应用2.3 直流电路的测量工具及方法2.4 基尔霍夫定律的应用第三章:交流电路3.1 交流电路的基本概念3.2 正弦波形及其参数3.3 交流电路的测量与分析3.4 交流电路的功率计算第四章:磁路与电磁场4.1 磁场的基本概念4.2 磁通量、磁通密度与磁感应强度4.3 电磁感应现象及其应用4.4 电磁场的分布与计算第五章:变压器与电动机5.1 变压器的工作原理与应用5.2 电动机的分类与工作原理5.3 电动机的运行特性与控制5.4 变压器与电动机在电力系统中的应用第六章:电气控制技术6.1 继电器控制系统的基本概念6.2 常用继电器及其应用6.3 接触器、开关与保护器6.4 电气控制线路的设计与故障分析第七章:电子技术基础7.1 半导体元器件的特性与识别7.2 基本放大电路与振荡电路7.3 数字电路的基本概念与逻辑门7.4 常用电子电路的应用与调试第八章:电力电子技术8.1 电力电子器件及其应用8.2 变频器与调速器的工作原理8.3 整流电路与逆变电路的设计8.4 电力电子技术在工业中的应用第九章:通信技术与网络9.1 通信系统的基本概念与传输方式9.2 模拟通信与数字通信技术9.3 无线通信技术及其应用9.4 计算机网络的基本结构与功能第十章:电工测量与实验10.1 电工测量仪器与仪表的使用10.2 电压、电流、功率的测量10.3 常用继电器、接触器的测试与调试10.4 综合实验设计与实践重点和难点解析一、电流、电压、电阻的概念与计算难点解析:电流、电压、电阻的测量方法,欧姆定律在不同情况下的应用。
二、直流电路难点解析:串并联电路的分析和设计,直流电路的测量精度及误差分析。
三、交流电路难点解析:正弦波形的识别与分析,交流电路的功率计算方法,功率因数的修正。
第4章 场效应管放大电路与功率放大电路4.1 图4.1所示为场效应管的转移特性,请分别说明场效应管各属于何种类型。
说明它的开启电压th U (或夹断电压p U )约是多少。
GSGS (a)(b)(c)图4.1 习题4.1图解:(a) N 沟道 耗尽型FET U P =-3V ; (b) P 沟道 增强型FET U T =-4V ; (c) P 沟道 耗尽型FET U P =2V 。
4.2 某MOSFET 的I DSS = 10mA 且U P = -8V 。
(1) 此元件是P 沟道还是N 沟道?(2) 计算U GS = -3V 是的I D ;(3) 计算U GS = 3V 时的I D 。
解:(1) N 沟道; (2) )mA (9.3)831(10)1(P GS DSS D =-⨯=-=U U I I (3) )mA (9.18)831(10)1(P GS DSS D =+⨯=-=U U I I 4.3 画出下列FET 的转移特性曲线。
(1) U P = -6V ,I DSS = 1mA 的MOSFET ;(2) U T = 8V ,K = 0.2mA/V 2的MOSFET 。
解:(1)/V(2)i D /V4.4 试在具有四象限的直角坐标上分别画出4种类型MOSFET的转移特性示意图,并标明各自的开启电压或夹断电压。
解:i Du GSo耗尽型N沟道增强型N沟道U P U TU PU T耗尽型P沟道增强型P沟道4.5判断图4.2所示各电路是否有可能正常放大正弦信号。
解:(a) 能放大(b) 不能放大,增强型不能用自给偏压(c) 能放大(d)不能放大,增强型不能用自给偏压。
共漏1<uA&,可增加R d,并改为共源放大,将管子改为耗尽型,改电源极性。
图4.2 习题4.5电路图4.6 电路如图4.3所示,MOSFET的U th = 2V,K n = 50mA/V2,确定电路Q点的I DQ和U DSQ值。
第4章半导体器件习题解答习4.1 计算题4.1 图所示电路的电位UY。
(1)UA=UB=0 时。
(2)UA=E,UB=0 时。
(3)UA=UB=E 时。
题解:此题所考查的是电位的概念以及二极管应用的有关知识。
假设图中二极管为理想二极管,可以看出A、B 两点电位的相对高低影响了DA 和DB 两个二极管的导通与关断。
当A、B 两点的电位同时为0 时,DA 和DB 两个二极管的阳极和阴极(UY)两端电位同时为0,因此均不能导通;当UA=E,UB=0 时,DA 的阳极电位为E,阴极电位为0(接地),根据二极管的导通条件,DA 此时承受正压而导通,一旦DA 导通,则UY >0,从而使DB 承受反压(UB=0)而截止;当UA=UB=E 时,即DA 和DB 的阳极电位为大小相同的高电位,所以两管同时导通,两个1kΩ的电阻为并联关系。
本题解答如下:(1)由于UA=UB=0,DA 和DB 均处于截止状态,所以UY=0;9kΩ ⋅ E 9 =E;1kΩ + 9kΩ 10 18 2 × 9kΩ ⋅ E =E。
(3)由于UA=UB=E,DA 和DB 同时导通,因此UY= 2 × 9kΩ + 1kΩ 19(2)由UA=E,UB=0 可知,DA 导通,DB 截止,所以UY=4.2 在题4.2 图所示电路中,设VD 为理想二极管,已知输入电压uI 的波形。
试画出输出电压uO 的波形图。
题4.1 图题4.2 图解:此题的考查点为二极管的伏安特性以及电路的基本知识。
首先从(b)图可以看出,当二极管D 导通时,电阻为零,所以uo=ui;当D 截止时,电第4章半导体器件习题解答阻为无穷大,相当于断路,因此uo=5V,即是说,只要判断出 D 导通与否,就可以判断出输出电压的波形。
要判断D 是否导通,可以以接地为参考点(电位零点),判断出D 两端电位的高低,从而得知是否导通。
uo 与ui 的波形对比如右图所示:4.3 同?试比较硅稳压管与普通二极管在结构和运用上有何异答:硅稳压管与普通二极管在结构是一样的,都有一个PN 结,引出两个电极,但由于做PN 结的工艺不同,二者在运用中就不相同,硅稳压管可以工作在反向击穿区而普通二极管就不能工作在反向击穿区,如果外加反向电压小于稳压值时,稳压管可作二极管使用。
电工学第七版下册电子技术课后练习题含答案前言作为一名电子技术专业的学习者,掌握电工学知识是基础中的基础。
而掌握电工学知识的最好方法,就是不断练习。
本文提供了电工学第七版下册的课后练习题及其答案。
希望能够对大家在学习电工学的过程中提供一定的帮助。
第一章电子技术基础1. 有一只20kΩ,±5%的电阻,求它允许误差的范围?答案允许误差的范围为: 20kΩ × 5% = 1kΩ所以这只电阻的阻值范围为: 20kΩ±1kΩ2. 什么是三极管?答案三极管是一种半导体器件,也叫做双极型晶体管。
它由三个掺杂浓度不同的半导体材料构成(一般为PNP或NPN),分别称为发射极、基极和集电极。
三极管是一种电流控制器件,通过控制基极电流来控制集电极电流。
三极管在电子技术中广泛应用,尤其是在放大器、开关电路和振荡电路中使用较为广泛。
第二章半导体二极管1. 硅板在常温下引入施主原子,会发生什么变化?答案硅板在常温下引入施主原子(如磷原子),会使其变成N型半导体。
引入施主原子的过程叫做掺杂。
在N型半导体中,掺有大量的自由电子,这些自由电子会带负电荷。
由于施主原子掺入的电子不会和晶体中的晶格原子结合,因此其自由电子是比导带中的电子能量更低的电子,即位于导带下方。
2. 硅板在常温下引入受主原子,会发生什么变化?答案硅板在常温下引入受主原子(如硼原子),会使其变成P型半导体。
引入受主原子的过程叫做掺杂。
在P型半导体中,掺有大量的空穴,空穴带正电荷。
由于受主原子掺入的空穴缺少了一个电子,因此其空穴的能量比空穴带中的能量更高,即位于空穴带上方。
第三章晶体管及其基本电路1. 晶体管的三个引脚分别代表什么?答案晶体管的三个引脚分别代表:1.发射极(E):用来连接基极和集电极之间的导体,主要负责发射电子。
2.基极(B):设置在发射极与集电极之间的控制电极,主要控制电流。
3.集电极(C):负责接受发射极电子,主要负责放大电流。
电工学少学时1-4章课后习题答案第一章电路的基本概念和基本定律11 电路和电路模型(1)电路是电流的通路,是为了实现某种功能而将电气设备和元器件按照一定方式连接起来的整体。
(2)电路模型是由理想电路元件组成的,用于近似地描述实际电路的性能。
理想电路元件包括电阻、电感、电容、电源等。
12 电流和电压的参考方向(1)电流的参考方向是人为假定的电流流动的方向。
若实际电流方向与参考方向相同,电流为正值;反之,电流为负值。
(2)电压的参考方向也是假定的,通常规定从高电位指向低电位为电压的参考方向。
13 电源有载工作、开路与短路(1)电源有载工作时,电路中有电流通过,电源向外输出功率。
此时,电源的端电压等于电源电动势减去内阻上的压降。
(2)电源开路时,电路中没有电流,电源端电压等于电源电动势。
(3)电源短路时,电流很大,会损坏电源和电路。
14 基尔霍夫定律(1)基尔霍夫电流定律(KCL):在任一时刻,流入一个节点的电流之和等于流出该节点的电流之和。
(2)基尔霍夫电压定律(KVL):在任一时刻,沿任一闭合回路,各段电压的代数和为零。
课后习题答案:习题 11 一个手电筒电路,电池电动势为 3V,内阻为05Ω,灯泡电阻为5Ω。
求电路中的电流和灯泡两端的电压。
解:根据全电路欧姆定律,电路中的电流 I = E /(R + r) = 3 /(5 + 05) = 0545A灯泡两端的电压 U = IR = 0545 × 5 = 2725V习题 12 已知电路中某点的电位为 5V,若选择另一点为参考点,电位为 0V,两点之间的电压为 10V,求该点的电位。
解:因为两点之间的电压等于两点电位之差,所以该点的电位为 10 + 0 = 10V第二章电路的分析方法21 电阻串并联连接的等效变换(1)电阻串联时,总电阻等于各电阻之和。
(2)电阻并联时,总电阻的倒数等于各电阻倒数之和。
22 电源的两种模型及其等效变换(1)实际电源可以用电压源和电流源两种模型表示。
《电子技术基础》节后思考与问题解答第1章节后思考与问题解析1.1 思考与问题1.半导体有哪些独特性能?在导电机理上,半导体和金属导体有什么区别?答:半导体的独特性能是光敏性、热敏性和掺杂性,在导电机理上,金属导体中只有自由电子一种载流子参与导电,而半导体中有自由电子和空穴两种载流子同时参与导电,这是它们导电机理上的本质区别。
2.何谓本征半导体?什么是本征激发?什么是本征复合?答:经过高度提纯后具有完全对称的晶格结构时的单晶体称为本征半导体。
由于温度升高、光照作用等原因,使本征半导体中的价电子挣脱共价键的束缚游离到晶体中成为自由电子的现象称为本征激发,同样原因使价电子跳进相邻空穴的填补运动称为复合。
3. N型半导体和P型半导体有什么不同?各有何特点?它们是半导体器件吗?答:N形半导体是指掺入五价元素后的单晶体,由于五价元素的晶格结构中多了一个自由电子而成为电子型半导体,即N型半导体;P形半导体是指掺入三价元素后的单晶体,由于三价元素的晶格结构中多了一个空穴而成为空穴型半导体,即P型半导体。
无论是N型还是P型半导体,都不能称为半导体器件。
4.什么是PN结?PN结具有什么特性?答:在单晶体的两边分别注入三价元素和五价元素后,由于浓度的差别就会出现P 区空穴向N区扩展、N区自由电子向P区扩展的现象,扩散的结果在两区交界处出现了一个内电场,这个内电场称为PN结。
PN结的显著特性是单向导电性。
5.电击穿和热击穿有什么不同?试述雪崩击穿和齐纳击穿的特点。
答:雪崩击穿是碰撞式的击穿,通常在强电场下发生;齐纳击穿是场效应式的击穿,这两种击穿都属于电击穿,电击穿过程可逆,通常不会造成PN结的永久损坏。
电击穿不加限制时间一长就会转化成热击穿,热击穿能够造成PN结的永久损坏。
6.何为扩散电流?何为漂移电流?什么是多子?什么是少子答:多子定向移动形成的电流称为扩散电流,即导通电流;少子定向移动形成的电流称为漂移电流,数量很小。
教案一零输入和零输出的特点.抑制零漂的原理:温度上升,导致两管的集电极电流增加,由于两管对称的特点,两管的集电极电压变化相同而互相抵消,从而有效地消除了2长尾式差动放大电路电阻R e的作用: R e越大,抑制零点漂移的作用也越强R e不影响对差模信号的放大。
4. 共模抑制比(K CMR)共模抑制比——差模电压放大倍数与共模电压放大倍数的绝对值之比:34教案二典型集成运放的方框图集成运放的符号输入级: 是提高运放质量的关键部分,要求其输入电阻高、共模抑制比大、零点漂移小,故输入级都采用差动放大电路。
7U OL集成运算放大器的传输特性运放同相输入端与反响输入端两点的电压相等,构成“虚短”。
,运放同相输入端和反相输入端的电流都等于零,构成“虚断”.理想集成运放工作在非线性的两个重要特点:时,U O=−U OH89教案三教学环节教学内容(知识点或技能点)教师活动学生活动备注复习提问引入新课讲授新课课堂练习1.理想运放工作在线性区的两个重要特点。
2.集成运放的主要参数有哪些?【引入】直接引入,前面我们已经学习了理想集成运放的相关知识,这节课我们将学习由集成运放组成的各种运算电路。
知识点三集成运放基本电路的分析一、反相输入放大电路1. 电路U i输入信号经输入电阻R1加到反响输入端,输出信号U O与输入信号U i反相,R f为反馈电阻实现反馈,R P为平衡电阻。
(R P=R1//R f)2. “虚地”U+=U−≈0在反相输入运算电路中,集成运放的反相输入端与同相输入端电位不仅相等而且均等于零,如同该两地一样,称之为“虚地”。
3. 电压放大倍数A f:A f=−U oU i=−R fR1【例题4.1】【见课本P90页】(学会判断运放的反馈组态,计算相关参数)组织教学,创设情境引入新课。
分析讲解,运用引导启发式教学模式,激发学生思考。
指导学生完成课堂练习思考分析、回答提问,复习旧知识。
PPT课件I+R P12教学环节教学内容(知识点或技能点)教师活动学生活动备注讲授新课课堂练习4. 反相器当反相输入运算电路R1=R f时,U0=−U i,此时该电路称为反相器。
第4章 场效应管放大电路与功率放大电路4.1 图4.1所示为场效应管的转移特性,请分别说明场效应管各属于何种类型。
说明它的开启电压th U (或夹断电压p U )约是多少。
GSGS (a)(b)(c)图4.1 习题4.1图解:(a) N 沟道 耗尽型FET U P =-3V ; (b) P 沟道 增强型FET U T =-4V ; (c) P 沟道 耗尽型FET U P =2V 。
4.2 某MOSFET 的I DSS = 10mA 且U P = -8V 。
(1) 此元件是P 沟道还是N 沟道?(2) 计算U GS = -3V 是的I D ;(3) 计算U GS = 3V 时的I D 。
解:(1) N 沟道; (2) )mA (9.3)831(10)1(P GS DSS D =-⨯=-=U U I I (3) )mA (9.18)831(10)1(P GS DSS D =+⨯=-=U U I I 4.3 画出下列FET 的转移特性曲线。
(1) U P = -6V ,I DSS = 1mA 的MOSFET ;(2) U T = 8V ,K = 0.2mA/V 2的MOSFET 。
解:(1)/V(2)i D /V4.4试在具有四象限的直角坐标上分别画出4种类型MOSFET 的转移特性示意图,并标明各自的开启电压或夹断电压。
解:i Du GSo 耗尽型N 沟道增强型N 沟道U PU TU PU T耗尽型P 沟道增强型P 沟道4.5判断图4.2所示各电路是否有可能正常放大正弦信号。
解: (a) 能放大(b) 不能放大,增强型不能用自给偏压(c) 能放大(d )不能放大,增强型不能用自给偏压。
共漏1<uA ,可增加R d ,并改为共源放大,将管子改为耗尽型,改电源极性。
图4.2 习题4.5电路图4.6 电路如图4.3所示,MOSFET 的U th = 2V ,K n = 50mA/V 2,确定电路Q 点的I DQ 和U DSQ 值。
解:)V (13.3241510015DD g2g1g2GSQ =⨯+=⨯+=V R R R U22DQ n GSQ th ()50(3.132)63.9(mA)I K U U =-=⨯-=)V (2.112.09.6324d DQ DD DSQ =⨯-=-=R I V UR g1R g2100k 15k Ω(a)图4.3 习题4.6电路图 图4.4 习题4.7电路图4.7 试求图4.4所示每个电路的U DS ,已知|I DSS | = 8mA 。
解:(a) U GSQ =0(V) I DQ =I DSS =8(mA) U DSQ =V DD -I DQ R d = 12-8×1=4(V) (b) U GSQ =0(V) I DQ =I DSS =-8(mA)U DSQ =V DD -I DQ R d = -9+8×0.56=-4.52(V)4.8 电路如图4.5所示,已知VT 在U GS = 5V 时的I D = 2.25mA ,在U GS = 3V 时的I D = 0.25mA 。
现要求该电路中FET 的V DQ = 2.4V 、I DQ = 0.64mA ,试求:(1) 管子的K n 和U th 的值; (2) R d 和R S 的值应各取多大? 解:(1)I D =K n (U GS -U th )22.25= K n (5-U Th )2 0.25= K n (3-U th )2 → U th1=3.5(V) (不合理,舍去),U th2=2(V) 求得:K n =0.25mA/V 2,U th =2V(2)V DQ =V DD -I DQ ·R d 2.4=12-0.64R d →R d =15k Ω2GSQ )2(25.064.0-=U →U GSQ1=0.4(V)(不合理,舍去) U GSQ2=3.6(V)U GSQ =10-0.64·R s ∴R s =10k Ω4.9 电路如图4.6所示,已知FET 的U th = 3V 、K n = 0.1mA/V 2。
现要求该电路中FET 的I DQ = 1.6mA ,试求R d 的值应为多大?V DDSSV DD R g 1.2M图4.5 习题4.8图 图4.6 习题4.9图解:1.6=0.1(U GSQ -3)2 ∴U GSQ1=7(V) U GSQ2=-1(V)(不合理,舍去) U DSQ =U GSQ =7(V) U DSQ =15-1.6×R d ∴R d =5k Ω4.10 电路如图4.7所示,已知场效应管VT 的U th = 2V ,U (BR)DS = 16V 、U (BR)GS = 30V ,当U GS = 4V 、U DS = 5V 时的I D = 9mA 。
请分析这四个电路中的场效应管各工作在什么状态(截止、恒流、可变电阻、击穿)?R g 1.2M R dΩ15VR g 1.2M R d Ω20VR g 1.2M R d Ω12VR g 1.2M R d Ω12V(a)(b)(c)(d)图4.7 习题4.10图解:(a) 截止(b) U DSQ =20V>U (BR)DS ,击穿(c) I D =K n (U GS -U th )2 9= K n (4-2)2 ∴K n =2.25mA/V 2 U GSQ =3V I DQ =2.25(3-2)2 ∴I DQ =2.25mA → U DSQ =12-2.25×5=0.75(V)<U GSQ -U th =1V ∴处于可变电阻区(d) U DSQ =12-2.25×3=5.25(V)>U GSQ -U th =1V∴处于恒流区4.11 图4.8所示场效应管工作于放大状态,ds r 忽略不计,电容对交流视为短路。
跨导为m 1ms g =。
(1)画出电路的交流小信号等效电路;(2)求电压放大倍数u A •和源电压放大倍数us A •;(3)求输入电阻i R 和输出电阻o R 。
图4.8 习题4.11电路图解:R sR g3R g2R g1R 1R d R iR osiU gsU gsm U g +-+-oU+-(2) R i =R g3+R g2//R g1=2+0.3//0.1=2.075(M Ω) R o =R d =10k Ω(3) 3.321110111m d -=⨯+⨯-=+-==R g R g U U A m i o u3.33.3001.0075.2075.2-≈⨯+-=+=us i i us A R R R A 4.12 电路如图4.9所示,已知FET 在Q 点处的跨导g m = 2mS ,λ=0,试求该电路的uA 、R i 、R o 的值。
u iC 1C 2R g1VTu o+V DD 20VR g2R S 2M Ω0.5M Ω3k ΩR L 10k Ω图4.9 习题4.12电路图解:R i =R g2//R g1=2//0.5=0.4(M Ω) R o =R s //m g 1=3//21=429(Ω) 822.010//32110//32//1//L s L s =⨯+⨯=+=R R g R R g A m m uR g2R g1R sR iR oiU gsU gsm U g +-+-oU +-R L4.13 由于功率放大电路中的晶体管常处于接近极限工作的状态,因此,在选择晶体管时必须特别注意哪3个参数?解:最大集电极电流I CM 、最大集电结耗散功率P CM 和反向击穿电压U (BR)CEO4.14 一双电源互补对称功率放大电路如图4.10所示,设CC 12V V =,L 16R =Ω,i u 为正弦波。
求:(1)在晶体管的饱和压降U CES 可以忽略的情况下,负载上可以得到的最大输出功率om P ;(2)每个晶体管的耐压|U (BR)CEO |应大于多少;(3)这种电路会产生何种失真,为改善上述失真,应在电路中采取什么措施。
解:(1) )W (5.4162122)(2L 2CES CC om =⨯=-=R U V P ,(2) )V (242||CC (BR)CEO =≥V U(3) 会产生交越失真,工作于甲乙类工作状态可以消除这种失真。
图4.10 习题4.14电路图 图4.11 习题4.15电路图4.15 一个单电源互补对称功放电路如图4.11所示,设CC 12V V =,L 8R =Ω,C 的电容量很大,iu为正弦波,在忽略晶体管饱和压降U CES的情况下,试求该电路的最大输出功率omP。
解:)W(25.28262)2/(2L2CESCCom=⨯=-=RUVP4.16 在图4.12所示的电路中,已知CC16VV=,L4R=Ω,iu为正弦波,输入电压足够大,在忽略晶体管饱和压降U CES的情况下,试求:(1)最大输出功率omP;(2)晶体管的最大管耗CMP;(3)若晶体管饱和压降CES1VU=,最大输出功率omP和η。
解:(1) )W(3242162)(2L2CESCCom=⨯=-=RUVP(2) )W(4.62.0omCM=≥PP(3) )W(1.2842152)(2L2CESCCom=⨯=-=RUVP,%6.731611644CCom=-⋅=⋅=ππηVU4.17 在图4.13所示单电源互补对称电路中,已知CC24VV=,L8R=Ω,流过负载电阻的电流为o0.5cos(A)i tω=。
求:(1)负载上所能得到的功率oP;(2)电源供给的功率VP。
图4.12 习题4.16电路图图4.13 习题4.17电路图解:)W(1825.02o=⨯⎪⎭⎫⎝⎛=P)W(82.35.0241122cmCCLomCCV=⨯⨯=⨯⋅=⨯⋅=πππIVRUVP4.18 在图4.14中哪些接法可以构成复合管?哪些等效为NPN管?哪些等效为PNP管?图4.14 习题4.18电路图解:(a) 不能 (b) 不能 (c) 能 NPN (d) 能 PNP4.19 图4.15所示电路中,三极管β1 = β2 = 50,U BE1 = U BE2 = 0.6V 。
(1) 求静态时,复合管的I C 、I B 、U CE ;(2) 说明复合管属于何种类型的三极管; (3) 求复合管的β。
I BI CR b 1.5M ΩR e 2k ΩU CE-15VR b1.5M ΩR c 300Ω+15VVT 1VT 2VT 1VT 2U CEI CI B(a)(b)图4.15 习题4.19电路图解:(a) )μA (2.95.16.06.015BQ =--=I)mA (92.23)1(BQ 21BQ 1CQ2CQ1CQ=++=+=I I I I I βββ)V (824.73.092.231515c CQ CEQ =⨯-=⋅-=R I U 250021=⋅≈βββ 相当于NPN (b) )μA (18.2]1[6.015c211b BQ =+++-=R R I βββ)mA (56.5)1(BQ 12EQ2CQ=+==I I I ββ)V (88.32)00218.056.5(1515c EQ CEQ =⨯+-=⋅-=R I U250021=⋅≈βββ 相当于PNP Lesson37 Making a bookcase一、 Teaching aims:1. Words: work hard make bookcase hammer paint pink favourite2.Sentences: I’m making a bookcase.I’m going to paint it pink.3.Grammar: 学会用be going to 表示打算、准备、按计划将要做某事。