视频监控点位取电分项工程质量检测记录表
- 格式:docx
- 大小:25.14 KB
- 文档页数:1
前端点位安装分项工程质量检查记录
文档编号:VID-1-
各检查项符合要求的画“√”,不符合要求的画“×”,本工程不涉及的检查项画“○”
线缆铺设分项工程质量检查记录
文档编号:VID—2—
各检查项符合要求的画“√",不符合要求的画“×”,本工程不涉及的检查项画“○”
控制室内安装分项工程质量验收记录
各检查项符合要求的画“√”,不符合的画“×”,本工程不涉及的检查项画“○”,验收结论处填写“合格”或“不合格"
图像质量的主观评价验收记录
文档编号:VID-4—
验收结论处填写“合格”或“不合格”
系统功能验收记录
文档编号:VID—5-
各检查项符合要求的画“√”,不符合的画“×”,本工程不涉及的检查项画“○”,验收结论处填写“合格"或“不合格"。
视频安防监控系统分项工程质量验收报告本验收表一式两份表1 验收结论汇总表2 系统试运行记录注:1、系统试运行情况栏中,正常打“√”,不正常的在备注栏内扼要说明(包括修复日期)本监控系统已符合龙门南昆山派出所安全要求工程造价:95000元+(因施工变动增加费用5000元)总工程造价:10万元已收款:66000元剩下余款34000元表2参加工程验收主要人员名单广告合同书(户外广告)甲方:江苏双沟工贸有限公司乙方:(广告发布者)丙方:(经销商)根据《广告法》、《广告管理条例》等法律、法规,甲乙丙三方经友好协商,就在发布形象广告事宜达成一致,签订本合同,并共同遵守。
第一条:广告位和广告设施1.乙方于年月日至年月日期间内发布甲方企业或产品形象广告。
2、广告发布媒介:。
3、广告发布媒介规格:。
4、广告媒介每晚亮灯时间不少于四小时,具体亮化时间为春季、秋季18:00~22:00;夏季19:30~23:30;冬季17:30~21:30。
第二条:广告发布费用1. 广告发布费用为(小写:元)整。
2. 此费用包括增容费、场地使用费、广告制作费、安装费、高空作业费、吊装费、日常维修维护费、管理费、政府审批费以及乙方为履行本合同而发生的其它一切费用。
除此之外,甲、丙方不再支付其它任何形式的费用或报酬。
3. 乙方应提供符合要求的发票,甲方付款方式为(丙方垫付)。
4. 付款时间为:在广告发布且经甲方验收合格并由乙方提供符合要求的发票和相关证明后15个工作日内付款50%,即元;广告发布满合同发布期一半时间后的15个工作日内付30%,即元;余款20%,即元于合同结束后一个月内付清。
第三条:广告画面的设计制作、安装及验收1. 广告发布内容应为甲方提供样稿。
2. 如需乙方设计发布图样,甲方须提供相关设计资料。
乙方样稿设计完毕后,经由甲方审定后,方可发布。
3. 乙方应严格按照审定后的样稿进行制作,画面制作精度不低于360DPI,应使用优质喷绘材料,以确保画面质量和发布效果,发布期间保证画面不褪色、不变形。
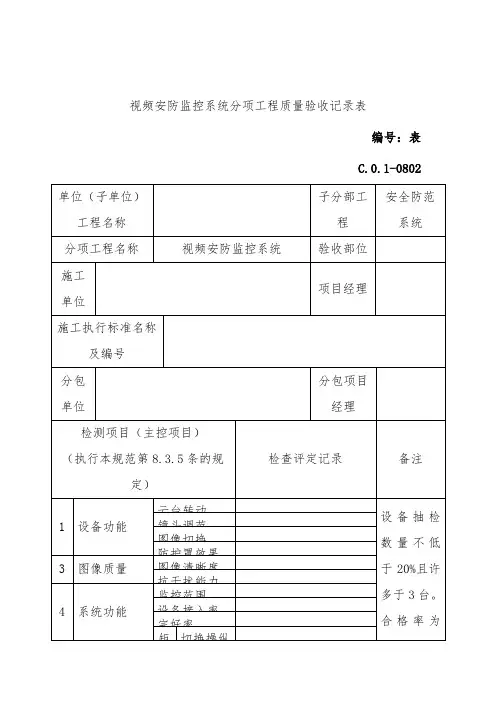
视频安防监控系统分项工程检验批质量验收记录表视频安防监控系统检验批质量验收记录GB50339-2003编号:070502□□□工程名称长睦单元R22-07地块小学(综合楼、1#教学楼)分项工程名称电视监控系统项目经理章忠萍施工单位浙江宝恒建设有限公司验收部位一层施工执行标准名称及编号《智能建筑工程质量验收规范》(GB50339-2003)专业工长(施工员)俞学森分包单位分包项目经理施工班组长高建华质量验收规范的规定施工单位自检记录监理(建设)单位验收记录主控1 系统功能检测8.3.5.1.1)条符合要求项目2 图像质量检测8.3.5.1.2)条符合要求3系统整体功能检测8.3.5.1.3)条符合要求4系统联动功能检测8.3.5.1.4)条符合要求5视频安防监控系统的图像记录保存时间应满足管理要求8.3.5.1.5)条符合要求一般项目施工操作依据完整质量检查记录完整施工单位检查评定结果项目专业项目专业质量检查员(签名):技术负责人(签名):年月日监理(建设)单位验收结论专业监理工程师(建设单位项目专业技术负责人)年月日视频安防监控系统检验批质量验收记录GB50339-2003编号:070502□□□工程名称长睦单元R22-07地块小学(综合楼、1#教学楼)分项工程名称电视监控系统项目经理章忠萍施工单位浙江宝恒建设有限公司验收部位二层施工执行标准名称及编号《智能建筑工程质量验收规范》(GB50339-2003)专业工长(施工员)俞学森分包单位分包项目经理施工班组长高建华质量验收规范的规定施工单位自检记录监理(建设)单位验收记录主控项目1 系统功能检测8.3.5.1.1)条符合要求2 图像质量检测8.3.5.1.2)条符合要求3系统整体功能检测8.3.5.1.3)条符合要求4系统联动功能检测8.3.5.1.4)条符合要求5视频安防监控系统的图像记录保存时间应满足管理要求8.3.5.1.5)条符合要求一般项目施工操作依据完整质量检查记录完整施工单位检查评定结果项目专业项目专业质量检查员(签名):技术负责人(签名):年月日监理(建设)单位验收结论专业监理工程师(建设单位项目专业技术负责人)年月日视频安防监控系统检验批质量验收记录GB50339-2003编号:070502□□□工程名称长睦单元R22-07地块小学(综合楼、1#教学楼)分项工程名称电视监控系统项目经理章忠萍施工单位浙江宝恒建设有限公司验收部位三层施工执行标准名称及编号《智能建筑工程质量验收规范》(GB50339-2003)专业工长(施工员)俞学森分包单位分包项目经理施工班组长高建华质量验收规范的规定施工单位自检记录监理(建设)单位验收记录主控项目1 系统功能检测8.3.5.1.1)条符合要求2 图像质量检测8.3.5.1.2)条符合要求3 系统整体功能检测8.3.5.1.3)条符合要求4 系统联动功能检测8.3.5.1.4)条符合要求5 视频安防监控系统的图像记录保存时间应满足管理要求8.3.5.1.5)条符合要求一般项目施工操作依据完整质量检查记录完整施工单位检查评定结果项目专业项目专业质量检查员(签名):技术负责人(签名):年月日监理(建设)单位验收结论专业监理工程师(建设单位项目专业技术负责人)年月日视频安防监控系统检验批质量验收记录GB50339-2003编号:070502□□□工程名称长睦单元R22-07地块小学(综合楼、1#教学楼)分项工程名称电视监控系统项目经理章忠萍施工单位浙江宝恒建设有限公司验收部位四层施工执行标准名称及编号《智能建筑工程质量验收规范》(GB50339-2003)专业工长(施工员)俞学森分包单位分包项目经理施工班组长高建华质量验收规范的规定施工单位自检记录监理(建设)单位验收记录主控项目1 系统功能检测8.3.5.1.1)条符合要求2 图像质量检测8.3.5.1.2)条符合要求3系统整体功能检测8.3.5.1.3)条符合要求4系统联动功能检测8.3.5.1.4)条符合要求5视频安防监控系统的图像记录保存时间应满足管理要求8.3.5.1.5)条符合要求一般项目施工操作依据完整质量检查记录完整施工单位检查评定结果项目专业项目专业质量检查员(签名):技术负责人(签名):年月日监理(建设)单位验收结论专业监理工程师(建设单位项目专业技术负责人)年月日视频安防监控系统检验批质量验收记录GB50339-2003编号:070502□□□工程名称长睦单元R22-07地块小学(综合楼、1#教学楼)分项工程名称电视监控系统项目经理章忠萍施工单位浙江宝恒建设有限公司验收部位室外施工执行标准名称及编号《智能建筑工程质量验收规范》(GB50339-2003)专业工长(施工员)俞学森分包单位分包项目经理施工班组长高建华质量验收规范的规定施工单位自检记录监理(建设)单位验收记录主控项目1 系统功能检测8.3.5.1.1)条符合要求2 图像质量检测8.3.5.1.2)条符合要求3系统整体功能检测8.3.5.1.3)条符合要求4系统联动功能检测8.3.5.1.4)条符合要求5视频安防监控系统的图像记录保存时间应满足管理要求8.3.5.1.5)条符合要求一般项目施工操作依据完整质量检查记录完整施工单位检查评定结果项目专业项目专业质量检查员(签名):技术负责人(签名):年月日监理(建设)单位验收结论专业监理工程师(建设单位项目专业技术负责人)年月日。
视频安防监控系统分项工程质
量验收记录表
(可以直接使用,可编辑实用优秀文档,欢迎下载)
视频安防监控系统分项工程质量验收报告
本验收表一式两份
表1 验收结论汇总
表2 系统试运行记录
注:1、系统试运行情况栏中,正常打“√”,不正常的在备注栏内扼要说明(包括修复日期)本监控系统已符合龙门南昆山派出所安全要求
工程造价:95000元+(因施工变动增加费用5000元)总工程造价:10万元
已收款:66000元剩下余款34000元
表2参加工程验收主要人员名单
洛阳市建筑工程质量监督站监制
洛阳市建筑工程质量监督站监制
洛阳市建筑工程质量监督站监制
溶剂型涂料分项工程质量验收记录表
钢梁制作分项工程质量验收记录表。