用于IGBT与功率MOSFET的栅驱动器通用芯片
- 格式:pdf
- 大小:92.83 KB
- 文档页数:2
mosfet驱动芯片MOSFET驱动芯片是一种电子元器件,用于控制和驱动金属氧化物半导体场效应晶体管(MOSFET)。
它具有很多优点,比如高效能性、快速开关速度和低功耗等。
在工业和电子设备中,MOSFET驱动芯片在电力转换、电机控制和电源管理等方面扮演着重要的角色。
MOSFET驱动芯片的工作原理是将输入信号通过一系列鉴别电路转换为可靠的输出信号,以控制MOSFET的导通和截止状态。
它能够提供足够的电流和电压来驱动MOSFET,以确保它能够稳定地工作。
MOSFET驱动芯片通常具有以下的特点:1. 高峰值电流和峰值电压:MOSFET驱动芯片能够提供高峰值电流和峰值电压,以确保MOSFET能够迅速地开关。
这对于驱动高频应用和大电流负载非常重要。
2. 低功耗:MOSFET驱动芯片能够在工作时提供高效能性,以最大限度地减少功耗。
这可以降低能耗,提高系统的效率。
3. 快速开关速度:MOSFET驱动芯片能够实现快速开关速度,以缩短开关时间,并在需要时提供即时的响应。
这对于控制电机和实现精确的电源管理非常重要。
4. 过温保护:MOSFET驱动芯片通常具有过温保护功能,以防止芯片过热并导致系统故障。
这可以提供更高的系统可靠性和稳定性。
5. 电磁兼容性:MOSFET驱动芯片能够抵抗电磁干扰,并减少与其他电子元器件之间的电磁干扰。
这可以提高整个系统的性能和稳定性。
MOSFET驱动芯片在很多应用中都是必不可少的元器件。
例如,在电机控制中,MOSFET驱动芯片能够将电路信号转换为MOSFET的控制信号,从而实现电机的启动、停止和调速。
在电力转换中,MOSFET驱动芯片能够将输入电源的能量高效地转换为输出电源,并通过对MOSFET的控制实现电流和电压的调节。
总之,MOSFET驱动芯片是一种关键的电子元器件,它能够高效地驱动MOSFET,并在电力转换、电机控制和电源管理等方面发挥重要作用。
通过提供高峰值电流、低功耗、快速开关速度、过温保护和电磁兼容性等特点,MOSFET驱动芯片能够提高系统的性能、可靠性和稳定性,满足不同应用的需求。
IGBT与场效应管MOSEFT先说IGBT:IGBT(Insulated Gate Bipolar Transistor),绝缘栅双极型晶体管,是由BJT(双极型三极管)和MOS(绝缘栅型场效应管)组成的复合全控型电压驱动式功率半导体器件, 兼有MOSFET的高输入阻抗和GTR的低导通压降两方面的优点。
GTR饱和压降低,载流密度大,但驱动电流较大;MOSFET驱动功率很小,开关速度快,但导通压降大,载流密度小。
IGBT综合了以上两种器件的优点,驱动功率小而饱和压降低。
非常适合应用于直流电压为600V及以上的变流系统如交流电机、变频器、开关电源、照明电路、牵引传动等领域。
结构IGBT结构图左边所示为一个N沟道增强型绝缘栅双极晶体管结构,N+区称为源区,附于其上的电极称为源极。
P+区称为漏区。
器件的控制区为栅区,附于其上的电极称为栅极。
沟道在紧靠栅区边界形成。
在漏、源之间的P 型区(包括P+和P-区)(沟道在该区域形成),称为亚沟道区(Subchannel region)。
而在漏区另一侧的P+区称为漏注入区(Drain injector),它是IGBT特有的功能区,与漏区和亚沟道区一起形成PNP双极晶体管,起发射极的作用,向漏极注入空穴,进行导电调制,以降低器件的通态电压。
附于漏注入区上的电极称为漏极。
IGBT的开关作用是通过加正向栅极电压形成沟道,给PNP(原来为NPN)晶体管提供基极电流,使IGBT 导通。
反之,加反向门极电压消除沟道,切断基极电流,使IGBT关断。
IGBT的驱动方法和MOSFET基本相同,只需控制输入极N-沟道MOSFET,所以具有高输入阻抗特性。
当MOSFET的沟道形成后,从P+基极注入到N-层的空穴(少子),对N-层进行电导调制,减小N-层的电阻,使IGBT在高电压时,也具有低的通态电压。
三菱制大功率IGBT模块工作特性静态特性IGBT 的静态特性主要有伏安特性、转移特性和开关特性。
igbt的驱动芯片IGBT(Insulated Gate Bipolar Transistor)是一种高效能的功率半导体开关器件,广泛应用于电力电子领域。
为了正常工作,IGBT需要一个专门的驱动芯片来提供电源和控制信号。
本文将详细介绍IGBT驱动芯片的功能,特性以及应用。
首先,IGBT驱动芯片的主要功能是提供高电流和高速的驱动信号,以确保IGBT能够正常工作。
IGBT通常需要较大的驱动电流来克服其内部电容的充放电时间,从而实现快速开关。
因此,驱动芯片必须能够提供足够的电流来保证IGBT可靠地打开和关闭。
同时,驱动芯片还需要提供恰当的电源电压,以确保IGBT的正常工作。
其次,IGBT驱动芯片还需要提供各种保护功能,以防止IGBT受到损坏。
例如,过流保护功能可以检测IGBT通道中的电流是否超过了额定值,并在必要时及时切断驱动信号,防止IGBT受到过电流的损害。
另外,短路保护功能可以检测IGBT通道之间是否存在短路,并在必要时采取措施,如切断电源,以保护IGBT。
此外,驱动芯片还需要提供电隔离功能,以确保高电压和高电流不会引起电气短路或其他危险。
由于IGBT通常工作在高压和高电流环境下,驱动芯片必须具备良好的隔离能力,以保护操作员和设备的安全。
IGBT驱动芯片还需要具备高速和低延迟的特点,以满足IGBT快速开关的需求。
快速开关可以减小功率损耗,并提高系统的效率。
因此,驱动芯片需要具备高速开关的能力,并且能够实现快速的开关转换,以减小开关损耗和提高系统的响应速度。
最后,IGBT驱动芯片还需要具备抗干扰和抗高温的特性。
由于IGBT驱动芯片通常应用于恶劣的工业环境中,如电力系统和工业机械等,因此驱动芯片需要具备抗干扰和抗高温的能力。
抗干扰性能可以减少外部电磁干扰对驱动芯片的影响,保证驱动信号的稳定性。
抗高温性能可以确保驱动芯片在高温环境下正常运行,提高系统的可靠性和稳定性。
总结起来,IGBT驱动芯片是实现IGBT正常工作的关键组成部分。
mos 栅极驱动芯片
MOS栅极驱动芯片指的是MOSFET(金属氧化物半导体场效应晶体管)的栅极驱动芯片,这是一种用于控制MOSFET工作的电路。
MOSFET 是一种常用的半导体器件,具有很多应用,包括放大、开关、调节电压等。
MOS栅极驱动芯片通常包含在MOSFET的驱动电路中,其主要目的是提供适当的电压和电流信号以确保MOSFET能够在正常工作区域内工作。
这些驱动电路通常用于开关电源、放大器、电机驱动器等应用。
栅极驱动芯片的功能通常包括:
提供适当的栅极电压:确保MOSFET的栅极电压达到设定的值,以保证MOSFET在导通和截止之间切换。
提供电流放大:在需要的时候提供足够的电流,确保MOSFET 的栅极能够迅速充电和放电,以实现快速开关。
过渡保护:防止MOSFET在切换过程中发生过电流或过电压,从而保护MOSFET和整个电路。
适应不同工作条件:能够适应不同的工作条件和频率,确保MOSFET在各种应用中都能够有效地工作。
总体而言,MOS栅极驱动芯片在电子电路中起到至关重要的作用,确保MOSFET的可靠和高效运行。
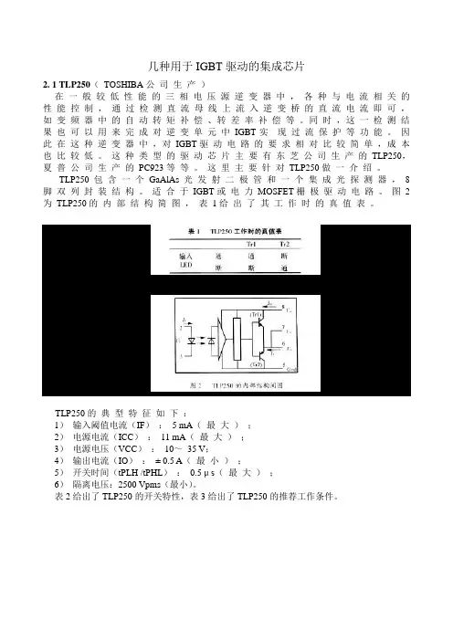
几种用于IGBT驱动的集成芯片2. 1 TLP250(TOSHIBA公司生产)在一般较低性能的三相电压源逆变器中,各种与电流相关的性能控制,通过检测直流母线上流入逆变桥的直流电流即可,如变频器中的自动转矩补偿、转差率补偿等。
同时,这一检测结果也可以用来完成对逆变单元中IGBT实现过流保护等功能。
因此在这种逆变器中,对IGBT驱动电路的要求相对比较简单,成本也比较低。
这种类型的驱动芯片主要有东芝公司生产的TLP250,夏普公司生产的PC923等等。
这里主要针对TLP250做一介绍。
TLP250包含一个GaAlAs光发射二极管和一个集成光探测器,8脚双列封装结构。
适合于IGBT或电力MOSFET栅极驱动电路。
图2为TLP250的内部结构简图,表1给出了其工作时的真值表。
TLP250的典型特征如下:1)输入阈值电流(IF):5 mA(最大);2)电源电流(ICC):11 mA(最大);3)电源电压(VCC):10~35 V;4)输出电流(IO):± 0.5 A(最小);5)开关时间(tPLH /tPHL):0.5 μ s(最大);6)隔离电压:2500 Vpms(最小)。
表2给出了TLP250的开关特性,表3给出了TLP250的推荐工作条件。
注:使用TLP250时应在管脚8和5间连接一个0.1 μ F的陶瓷电容来稳定高增益线性放大器的工作,提供的旁路作用失效会损坏开关性能,电容和光耦之间的引线长度不应超过 1 cm。
图3和图4给出了TLP250的两种典型的应用电路。
在图4中,TR1和TR2的选取与用于IGBT驱动的栅极电阻有直接的关系,例如,电源电压为24V时,TR1和TR2的Icmax≥ 24/Rg。
图5给出了TLP250驱动IGBT时,1 200 V/200 A的IGBT上电流的实验波形(50 A/10 μ s)。
可以看出,由于TLP250不具备过流保护功能,当IGBT过流时,通过控制信号关断IGBT,IGBT中电流的下降很陡,且有一个反向的冲击。
用于IGBT与功率MOSFET的栅驱动器通用芯片1 引言scale-2芯片组是专门为适应当今igbt与功率mosfet栅驱动器的功能需求而设计的。
这些需求包括:可扩展的分离式开通与关断门级电流通路;功率半导体器件在关断时的输出电压可以为有源箝位提供支持;多电平变换器与并联功率器件的专业控制功能的兼容性;可以选择使用低成本的双向信号的变压器接口或抗电磁干扰光纤接口;可扩展设置,并具备故障管理;次级故障信号输入/输出,3.3v到15v的逻辑兼容性。
在延伸漏极双井双栅氧cmos制造工艺中使用了这个芯片组,它包括几个不尽相同的次级智能门级驱动(igd)asic和一个初级逻辑驱动插口(ldi)asic。
2 集成的栅驱动器核心图1所示为栅驱动器asic原型的显微照片。
它的有源区约为:4 mm×2mm。
常规封装是一个在高电流接口有着双引线键合的soic-16。
在成本非常低的情况下,不同的接合法常被用来控制不同的标准产品的专业功能,包括可以选择使用双向信号变压器接口或双向光导纤维接口。
这个高度集成的栅驱动器核心包含一个输出电流与泄放电流为5.5a的输出驱动级,同时支持对外置的n型mosfet的直接驱动,这样就可以轻松放大栅极功率和栅极电流分别达到20w与20a甚至更大。
半桥推挽式输出级为在低成本的扩展,几个栅驱动器并联与不依赖关断栅极-发射极电压的操作控制性都提供了可能。
先进的控制功能以及专门为客户提供的选项可以通过在可编程的单层掩膜上预置复合信号单元以及简单器件(例如模拟比较器,逻辑门,cmos晶体管,接口),实现在最短的时间内以具有竞争力的价格投入市场。
初级逻辑驱动插口(ldi)asic实现了一个双沟道双向变压器接口,一个带有专用启动序列可扩展的dc-dc转换器,并且具有可扩展设置和故障管理功能。
图2所示为逻辑驱动插口asic原型的显微照片,其有源区约为4mm ×2 mm,常规封装为soic-16。
13种常用的功率半导体器件介绍电力电子器件(Power Electronic Device),又称为功率半导体器件,用于电能变换和电能控制电路中的大功率(通常指电流为数十至数千安,电压为数百伏以上)电子器件。
可以分为半控型器件、全控型器件和不可控型器件,其中晶闸管为半控型器件,承受电压和电流容量在所有器件中最高;电力二极管为不可控器件,结构和原理简单,工作可靠;还可以分为电压驱动型器件和电流驱动型器件,其中GTO、GTR为电流驱动型器件,IGBT、电力MOSFET为电压驱动型器件。
1. MCT (MOS Control led Thyristor):MOS控制晶闸管MCT 是一种新型MOS 与双极复合型器件。
如上图所示。
MCT是将MOSFET 的高阻抗、低驱动图MCT 的功率、快开关速度的特性与晶闸管的高压、大电流特型结合在一起,形成大功率、高压、快速全控型器件。
实质上MCT 是一个MOS 门极控制的晶闸管。
它可在门极上加一窄脉冲使其导通或关断,它由无数单胞并联而成。
它与GTR,MOSFET,IGBT,GTO 等器件相比,有如下优点:(1)电压高、电流容量大,阻断电压已达3 000V,峰值电流达1 000 A,最大可关断电流密度为6000kA/m2;(2)通态压降小、损耗小,通态压降约为11V;(3)极高的dv/dt和di/dt耐量,dv/dt已达20 kV/s ,di/dt为2 kA/s;(4)开关速度快,开关损耗小,开通时间约200ns,1 000 V 器件可在2 s 内关断;2. IGCT(Intergrated Gate Commutated Thyristors)IGCT 是在晶闸管技术的基础上结合IGBT 和GTO 等技术开发的新型器件,适用于高压大容量变频系统中,是一种用于巨型电力电子成套装置中的新型电力半导体器件。
IGCT 是将GTO 芯片与反并联二极管和门极驱动电路集成在一起,再与其门极驱动器在外围以低电感方式连接,结合了晶体管的稳定关断能力和晶闸管低通态损耗的优点。
栅极驱动芯片分类栅极驱动芯片是一种常见的电子元器件,它在电子设备中起到关键的作用。
栅极驱动芯片根据其工作原理和应用领域的不同,可以分为多个分类。
在本文中,将对栅极驱动芯片的几个主要分类进行介绍。
一、MOSFET驱动芯片MOSFET(金属氧化物半导体场效应晶体管)驱动芯片是栅极驱动芯片的一种重要类型。
它主要用于驱动和控制MOSFET晶体管的工作状态。
MOSFET晶体管是一种常见的功率开关,广泛应用于各种电子设备中。
MOSFET驱动芯片能够为MOSFET提供适当的电压和电流信号,确保其正常工作,并保护其免受过电流和过压等问题的影响。
二、IGBT驱动芯片IGBT(绝缘栅双极型晶体管)驱动芯片是另一种常见的栅极驱动芯片,它主要用于控制和驱动IGBT晶体管的工作状态。
IGBT晶体管是一种高压、高电流开关设备,广泛应用于电力电子领域。
IGBT驱动芯片能够为IGBT提供适当的电压和电流信号,确保其正常工作,并保护其免受过电流和过压等问题的影响。
三、LED驱动芯片LED(发光二极管)驱动芯片是专门用于驱动LED灯的栅极驱动芯片。
LED灯是一种常见的照明设备,具有高效、长寿命和环保等优点。
LED驱动芯片能够为LED提供适当的电流和电压信号,确保其正常发光,并控制其亮度和颜色。
四、LCD驱动芯片LCD(液晶显示器)驱动芯片是专门用于驱动LCD显示器的栅极驱动芯片。
LCD显示器广泛应用于电子设备中,如手机、电视、电脑等。
LCD驱动芯片能够为LCD提供适当的电压和电流信号,确保其正常显示,并控制其亮度、对比度和色彩等参数。
五、触摸屏驱动芯片触摸屏驱动芯片是专门用于驱动触摸屏的栅极驱动芯片。
触摸屏技术已经成为现代电子设备的重要组成部分,如手机、平板电脑等。
触摸屏驱动芯片能够感应和处理用户触摸输入,并将其转换为相应的电信号,实现对电子设备的操作和控制。
总结:栅极驱动芯片是电子设备中不可或缺的重要组成部分,根据其应用领域和工作原理的不同,可以分为多个分类,如MOSFET驱动芯片、IGBT驱动芯片、LED驱动芯片、LCD驱动芯片和触摸屏驱动芯片等。
栅极驱动器芯片原理一、概述栅极驱动器芯片是一种电路,用于控制场效应管(FET)或金属氧化物半导体场效应管(MOSFET)的栅极电压。
它通常用于电力电子应用中,例如直流至交流变换器、逆变器和直流电源等。
二、栅极驱动器芯片的组成栅极驱动器芯片通常由以下几个部分组成:1. 逻辑控制单元:负责接收输入信号并将其转换为适当的输出信号。
2. 驱动单元:负责提供足够的电流来快速充放栅极。
3. 保护单元:负责保护FET或MOSFET免受过压、过流和过温等故障。
4. 电源管理单元:负责提供稳定的工作电压和电流。
三、栅极驱动器芯片的原理在正常工作情况下,当输入信号为高时,逻辑控制单元会将输出信号设置为高。
此时,驱动单元会提供足够的电流来充放FET或MOSFET 的栅极。
在这种情况下,FET或MOSFET将处于导通状态,电流将从源极流向漏极。
当输入信号为低时,逻辑控制单元会将输出信号设置为低。
此时,驱动单元会提供足够的电流来快速将栅极放电。
在这种情况下,FET或MOSFET将处于截止状态,电流无法通过。
在实际应用中,栅极驱动器芯片还需要具备一定的保护功能。
例如,在过压情况下,保护单元会立即切断输出信号以保护FET或MOSFET 不受损害。
同样,在过流和过温情况下也会采取相应的保护措施。
四、栅极驱动器芯片的优势1. 高效率:栅极驱动器芯片可以提供足够的电流来快速充放FET或MOSFET的栅极,并且能够迅速地将其放电,从而实现高效率的开关操作。
2. 稳定性:栅极驱动器芯片可以提供稳定的工作电压和电流,并且具备一定的保护功能,从而确保系统稳定性。
3. 可靠性:由于栅极驱动器芯片可以提供精确的控制信号,因此可以减少系统中的误操作和故障,提高系统的可靠性。
4. 灵活性:栅极驱动器芯片可以适应不同的电力电子应用,例如直流至交流变换器、逆变器和直流电源等。
五、总结栅极驱动器芯片是一种用于控制FET或MOSFET的栅极电压的电路。
它由逻辑控制单元、驱动单元、保护单元和电源管理单元等组成。
UCC21750 适用于 SiC/IGBT 并具有主动保护、隔离式模拟感应和高 CMTI 的 10A 拉电流/灌电流增强型隔离式单通道栅极驱动器1 特性• 5.7kV RMS单通道隔离式栅极驱动器•高达 2121V pk的 SiC MOSFET 和 IGBT•33V 最大输出驱动电压 (VDD – VEE)•±10A 驱动强度和分离输出•150V/ns 最小 CMTI•具有 200ns 快速响应时间的 DESAT 保护•4A 内部有源米勒钳位•发生故障时的 400mA 软关断•具有 PWM 输出的隔离式模拟传感器–采用 NTC、PTC 或热敏二极管的温度感应–高电压直流链路或相电压•过流警报 FLT 和通过 RST/EN 重置•针对 RST/EN 的快速启用和禁用响应•抑制输入引脚上的 <40ns 噪声瞬态和脉冲•RDY 上的 12V VDD UVLO(具有电源正常指示功能)•具有高达 5V 过冲/欠冲瞬态电压抗扰度的输入/输出•130 ns(最大)传播延迟和 30 ns(最大)脉冲/器件间偏移•SOIC-16 DW 封装,爬电距离和间隙 > 8mm•工作结温范围:-40°C 至 +150°C•安全相关认证:–符合 DIN EN IEC 60747-17 (VDE 0884-17) 标准的增强型绝缘–UL 1577 组件认证计划2 应用•工业电机驱动•服务器、电信和工业电源•不间断电源 (UPS)•光伏逆变器3 说明UCC21750 是一款电隔离单通道栅极驱动器,设计用于直流工作电压高达2121V 的SiC MOSFET 和 IGBT,具有先进的保护功能、出色的动态性能和稳健性。
UCC21750 具有高达 ±10A 的峰值拉电流和灌电流。
输入侧通过 SiO2电容隔离技术与输出侧相隔离,支持高达 1.5kV RMS的工作电压、12.8kV PK的浪涌抗扰度,隔离层寿命超过40 年,并提供较低的器件间偏移,共模噪声抗扰度 (CMTI) 大于 150V/ns。
常用栅极驱动芯片常用栅极驱动芯片是一种用于驱动功率MOSFET(金属氧化物半导体场效应晶体管)的集成电路。
它们在各种应用中起着关键的作用,例如交流电源、电机驱动、电力电子等领域。
本文将介绍几种常见的栅极驱动芯片,并讨论它们的特点和应用。
1. IR2110IR2110是一种高性能MOSFET和IGBT驱动芯片。
它具有低功耗、高速驱动和可靠性高的特点。
IR2110的输出极性可调,并且具有低反馈电流特性,以提高系统的效率。
该芯片适用于高频应用,如电力电子和电机驱动。
2. IRS21844IRS21844是一种高电压、高速栅极驱动芯片。
它具有高达600V的驱动电压和2A的驱动能力,适用于高压应用。
IRS21844采用了高速低功耗的逻辑输入,能够实现快速的开关操作,适用于高频电源和电机控制系统。
3. TC4420TC4420是一种高性能MOSFET和IGBT驱动芯片。
它具有低功耗、高速驱动和高电流驱动能力。
TC4420的输入电压范围广,适用于各种逻辑电平驱动。
该芯片具有短路保护和过温保护功能,可以提高系统的可靠性。
TC4420广泛应用于电力电子、电机驱动和变频器等领域。
4. MAX4420MAX4420是一种高性能MOSFET和IGBT驱动芯片。
它具有低功耗、高速驱动和低电压逻辑输入的特点。
MAX4420的输出极性可调,适用于各种应用。
该芯片具有短路保护和过温保护功能,可以提高系统的可靠性。
MAX4420适用于低电压应用,如电池供电系统和便携式设备。
5. HIP4081AHIP4081A是一种高性能MOSFET和IGBT驱动芯片。
它具有低功耗、高速驱动和大电流驱动能力。
HIP4081A的输入电压范围广,适用于各种逻辑电平驱动。
该芯片具有过温保护和短路保护功能,可以提高系统的可靠性。
HIP4081A广泛应用于电力电子、电机驱动和电源管理等领域。
总结起来,常用栅极驱动芯片是一类关键的集成电路,用于驱动功率MOSFET和IGBT。
丹东华奥电子有限公司简介LD33153(替代MC33153)是专为IGBT 驱动器设计的,用于包括交流感应电机控制、无刷直流电机控制和不间断电源(UPS )的大功率应用。
虽然为驱动分立式和模块式IGBT 而设计,该器件也可以为驱动功率MOSFET 和双极型晶体管提供低成本的解决方案。
器件的保护功能包括去饱和或过流检测选择和欠压检测。
该器件提供双列直插和表面贴装封装。
特点系列信息●大电流输出端口:1A 拉电流/2A 灌电流●对常规型和感应型IGBT 都有保护电路●可预设故障消隐时间●过流和短路保护●为IGBT 优化的欠压锁定●负栅驱动能力●是驱动大功率MOSFET 和双极型晶体管的低成本解决方案内部方框图管脚图封装说明SOP8管装,编带,无铅DIP8单IGBT 栅极驱动器丹东华奥电子有限公司最大额定值电参数(V CC =15V ,V EE =0V ,开尔文地接至V EE ,T A =25℃,除非另外说明)参数缩写数值单位电源电压V CC 至V EE开尔文地至V EE V CC -V EE K GND -V EE2020V 逻辑输入V IN V EE -0.3至V CC V 电流检测输入V S -0.3至V CC V 消隐/去饱和输入V BD -0.3至V CCV 栅极驱动输入拉电流灌电流二极管箝位电流I O1.02.01.0A故障输出拉电流灌电流I FO 2510mA功耗和热特性SOP8封装最大功耗@Ta=50°C 热阻,结至环境DIP8封装最大功耗@Ta=50°C 热阻,结至环境PD R θJA PD R θJA 0.561801.0100W °C/W W °C/W 工作结温T J 150℃工作环境温度范围T A -40~+105℃储存温度范围T stg-65~+150℃参数缩写最小值典型值最大值单位逻辑输入输入门限电压高电平状态(逻辑1)低电平状态(逻辑0)V IH V IL 1.22.72.33.2V 输入电流高电平状态(V IH =3.0V )低电平状态(V IL =1.2V )I IH I IL13050500100µA驱动输出输出电压低电平状态(I Sink =1.0A )高电平状态(I Source =500mA )V OL V OH 12.02.013.9 2.5V 输出下拉电阻R PD100200k Ω电参数续(V CC=15V,V EE=0V,开尔文地接至V EE地,T A=25℃,除非另外说明)参数缩写最小值典型值最大值单位故障输出输出电压低电平状态(I Sink=5.0A)高电平状态(I Source=20mA)V FLV FH12.00.213.31.0V开关特性传输延迟(50%输入至50%输出,C L=1.0nF)逻辑输入至驱动输出上升逻辑输入至驱动输出下降T PLH(in/out)T PHL(in/out)80120300300ns驱动输出上升时间(10%至90%,C L=1.0nF)t r1755ns 驱动输出下降时间(90%至10%,C L=1.0nF)t f1755ns传输延迟电流检测输入至驱动输出故障消隐/去饱和输入至驱动输出t p(OC)t p(FLT)0.30.31.01.0µsUVLO起动电压V CC start11.31212.6V 禁用电压V CC dis10.41111.7V 比较器过流门限电压(V pin8>7.0V)V SOC506580mV 短路门限电压(V pin8>7.0V)V SSC100130160mV 故障销隐/去饱和门限(V pin1>100mV)V th(FLT) 6.0 6.57.0V 电流检测输入电流(V SI=0V)I SI-1.4-10µA 故障销隐/去饱和输入电流源(V pin8=0V,V pin4=0V)I chg-200-270-300µA 放电电流(V pin8=15V,V pin4=5.0V)I dschg 1.0 2.5mA 器件整体电源电流待机(V pin4=V CC,输出开路)工作(C L=1.0nF,f=20kHz)I CC7.27.91420mA丹东华奥电子有限公司图1.输入电流与输入电压关系曲线图2.输出电压与输入电压关系曲线图3.输入门限电压与温度关系曲线图4.输入门限电压与电源电压关系曲线图5.驱动输出低电平电压与温度关系曲线图6.驱动输出低电平电压与灌电流关系曲线丹东华奥电子有限公司图7.驱动输出高电平电压与温度关系曲线图8.驱动输出高电平电压与拉电流关系曲线图9.驱动输出电压与电流检测输入电压关系曲线图10.故障输出电压与电流检测输入电压关系曲线图11.过流保护门限电压与温度关系曲线图12.过流保护门限电压与电源电压关系曲线丹东华奥电子有限公司图13.短路比较器门限电压与温度关系曲线图14.短路比较器门限电压与电源电压关系曲线图15.电流检测输入电流与电压关系曲线图16.驱动输出电压与故障消隐/去饱和输入电压关系曲线图17.故障消隐/去饱和比较器门限电压与温度关系曲线图18.故障消隐/去饱和比较器门限电压与电源电压关系曲线丹东华奥电子有限公司图19.故障消隐/去饱和电流源与温度关系曲线图20.故障消隐/去饱和电流源与电源电压关系曲线图21.故障消隐/去饱和电流源与输入电压关系曲线图22.故障消隐/去饱和放电电流与输入电压关系曲线图23.故障输出低电平电压与灌电流关系曲线图24.故障输出高电平电压与拉电流关系曲线丹东华奥电子有限公司图25.驱动输出电压与电源电压关系曲线图26.UVLO与温度关系曲线图27.电源电流与电源电压关系曲线图28.电源电流与温度关系曲线图29.电源电流与输入频率关系曲线丹东华奥电子有限公司功能描述栅极驱动开关时间控制(管脚Pin5)栅极驱动的IGBT设计特点主要是优化开关功能特性。
mos 栅极驱动芯片-回复栅极驱动芯片(英文缩写MOS,metal-oxide-semiconductor)是一种应用广泛的电子元件,特别在集成电路和数字电子领域有着重要的应用。
本文将详细讨论MOS栅极驱动芯片的原理、特性、应用以及未来发展趋势。
一、原理MOS栅极驱动芯片是基于MOS场效应晶体管(MOSFET)的原理而设计的。
在MOSFET中,主要包含了栅极、漏极和源极三个部分。
这些部分被介电质(通常为二氧化硅)隔离,形成一个MOS结构。
MOSFET的栅极控制着通道的导电性,从而实现对电流的控制。
MOS栅极驱动芯片的主要原理是通过加在栅极上的电压来控制MOSFET 的导电性。
当栅极电压低于临界电压时,通道处于截止状态,无法传导电流。
而当栅极电压高于临界电压时,通道形成导电状态,允许电流流过。
二、特性1. 高效性能:MOS栅极驱动芯片具有高效能的特点。
其驱动能力强,可以控制大功率的MOSFET,适用于高功率驱动领域。
同时,它的工作效率高,能够提供低功耗的解决方案。
2. 控制精度:MOS栅极驱动芯片具有高精度的控制能力。
通过精确的栅极电压调整,可以实现对MOSFET导通的精准控制。
这对于一些对电流稳定性要求较高的应用,如直流电源、步进电机驱动器和LED矩阵显示器等,具有重要意义。
3. 反馈保护:MOS栅极驱动芯片通常具备过载和过温保护功能。
当负载过大或工作温度超出范围时,芯片会实施保护机制,保证芯片和驱动设备的安全可靠性。
4. 抗干扰性:MOS栅极驱动芯片能够有效抗干扰,减少外界噪声对芯片性能的影响。
这是由于MOSFET具有高输入阻抗和低输出阻抗的特点,可以有效隔离外部电磁干扰,提供良好的信号传输质量。
三、应用MOS栅极驱动芯片在众多领域和设备中有着广泛的应用。
1. 电源管理系统:MOS栅极驱动芯片可用于直流电源控制和管理,精确调整输出电压和电流,提供稳定可靠的电源供应。
2. 电动汽车和混合动力车:MOS栅极驱动芯片在电动汽车和混合动力车的电机驱动系统中扮演重要角色。
SLM2101S产品特性:(完全代替IR2101S)
*VOFFSET 600 V max. *lo+/-130 mA/270 mA *VOUT 10 V-20V
*ton/off(typ.)160 ns/150 ns
*Delay Matching (typ.) 60 ns
针对高压MOSFET/IGBT驱动,上海数明推出600V及200V两个系列HVIC产品。
该系列
产品适用于电机驱动、DC-DC
转换器、DC-AC逆变器、D类功率放大器等多种不同应用领域,具有过压保护、欠压保护、
直通防止及死区保护
等功能。
对比传统的HVIC产品,数明HVIC系列产品有助于降低系统的开关损耗,减小系
统发热量,提升系统效
率,同时能帮助客户有效节省系统成本。
200V、600V 电机驱动芯片选型图
High and low side Driver :
SLM2001S(IR2001S) SLM2005S(IR2005S) SLM2101S(IR2101S) SLM2106S(IR2106S)
SLM2304S(IR2304S)
Half-Bride Driver:
SLM2003S(IR2003S) SLM2004S(IR2004S) SLM2103S(IR2103S) SLM2104S(IR2104S)
SLM2108S(IR2108S)
SLM2184S(IR2184S)
(以上HVIC GATE Driver 驱动芯片可以PIN对PIN完全代替IR系列驱动芯片)[MISSING
IMAGE: , ]。
版本变更记录目录1. 特性 (1)2. 描述 (1)3. 应用领域 (1)4. 引脚 (2)4.1 引脚定义 (2)4.2 引脚描述 (2)5. 结构框图 (3)6. 典型应用电路 (3)7. 电气特性 (4)7.1 极限参数 (4)7.2 典型参数 (5)7.3 开关时间特性及死区时间波形图 (6)8. 应用设计 (7)8.1 Vcc端电源电压 (7)8.2 输入逻辑信号要求和输出驱动器特性 (7)8.3 自举电路 (8)9. 封装尺寸 (9)9.1 SO8封装尺寸 (9)EG2183芯片数据手册V1.01. 特性⏹高端悬浮自举电源设计,耐压可达600V⏹适应5V、3.3V输入电压⏹最高频率支持500KHZ⏹低端VCC电压范围3.5V-20V⏹输出电流能力I O+/- 2A/2.5A⏹内建死区控制电路⏹自带闭锁功能,彻底杜绝上、下管输出同时导通⏹HIN输入通道高电平有效,控制高端HO输出⏹LIN输入通道低电平有效,控制低端LO输出⏹外围器件少⏹静态电流小于20uA,非常适合电池场合⏹封装形式:SOP-82. 描述EG2183是一款高性价比的大功率MOS管、IGBT管栅极驱动专用芯片,内部集成了逻辑信号输入处理电路、死区时控制电路、闭锁电路、电平位移电路、脉冲滤波电路及输出驱动电路,专用于无刷电机控制器中的驱动电路。
EG2183高端的工作电压可达600V,低端Vcc的电源电压范围宽3.5V~20V,静态功耗小于20uA。
该芯片具有闭锁功能防止输出功率管同时导通,输入通道H IN内建了一个200K下拉电阻,LIN内建了上拉5V 高电位,在输入悬空时使上、下功率MOS管处于关闭状态,输出电流能力I O+/- 2/2.5A,采用SOP8封装。
3. 应用领域⏹移动电源高压快充开关电源⏹电动车控制器⏹变频水泵控制器⏹600V降压型开关电源⏹无刷电机驱动器⏹高压Class-D类功放4. 引脚4.1 引脚定义GND LOH IN L IN图4-1. EG2183管脚定义4.2 引脚描述5. 结构框图LOGNDVccHOVS VB图5-1. EG2183内部电路图6. 典型应用电路+600VOUT图6-1. EG2183典型应用电路图7. 电气特性7.1 极限参数注:超出所列的极限参数可能导致芯片内部永久性损坏,在极限的条件长时间运行会影响芯片的可靠性。
用于IGBT与功率MOSFET的栅驱动器通用芯片
1 引言 scale-2芯片组是专门为适应当今igbt与功率mosfet栅驱动器的功能需求而设计的。
这些需求包括:可扩展的分离式开通与关断门级电流通路;功率半导体器件在关断时的输出电压可以为有源箝位提供支持;多电平变换器与并联功率器件的专业控制功能的兼容性;可以选择使用低成本的双向信号的变压器接口或抗电磁干扰光纤接口;可扩展设置,并具备故障管理;次级故障信号输入/输出,3.3v到15v的逻辑兼容性。
在延伸漏极双井双栅氧cmos制造工艺中使用了这个芯片组,它包括几个不尽相同的次级智能门级驱动(igd)asic和一个初级逻辑驱动插口(ldi)asic。
2 集成的栅驱动器核心
初级逻辑驱动插口(ldi)asic实现了一个双沟道双向变压器接口,一个带有专用启动序列可扩展的dc-dc转换器,并且具有可扩展设置和故障管理功能。
图2所示为逻辑驱动插口asic原型的显微照片,其有源区约为4mm 乘以2 mm,常规封装为soic-16。
为了提高igbt的抗短路能力,一般在开启过程和导通状态下将其栅极-发射极电压限制在+15v以下。
由于近来的igbt的阈值栅压已经超过3v,所以在关断过程和断开状态下把栅极-发射极电压设置为
0v就足够了。
这对于直接把栅驱动器集成在功率模块中的智能功率模块(ipm)来说是一种惯例。
与这些小型的ipm相比,现今常规的大型igbt模块,带有36个以上的并联igbt芯片,它的栅极互连线产生的电阻以及集电极-栅极转移电容都会增大,这会对它的关断速度,抗噪声特性造成严重的影响,特别是还有可能产生由于瞬间电压导致的局部误导通。
为了减少这些影响,栅极-发射极关断电压通常设定为-5v15 v。
因此,在第一种工作模式下,igdasic可以通过在vee管脚(见图3)调节发射极电压的方式,提供给开启导通状态一个调节过的+15v栅极-发射极电压来作为整个栅驱动器的供给电压,其测量精。