工程测量交桩记录
- 格式:pdf
- 大小:112.47 KB
- 文档页数:2
工程丈量控制点交桩记录范文表模版本
1 / 1 精选文档
工程丈量控制点交桩记录表
工程名称:工程地址:
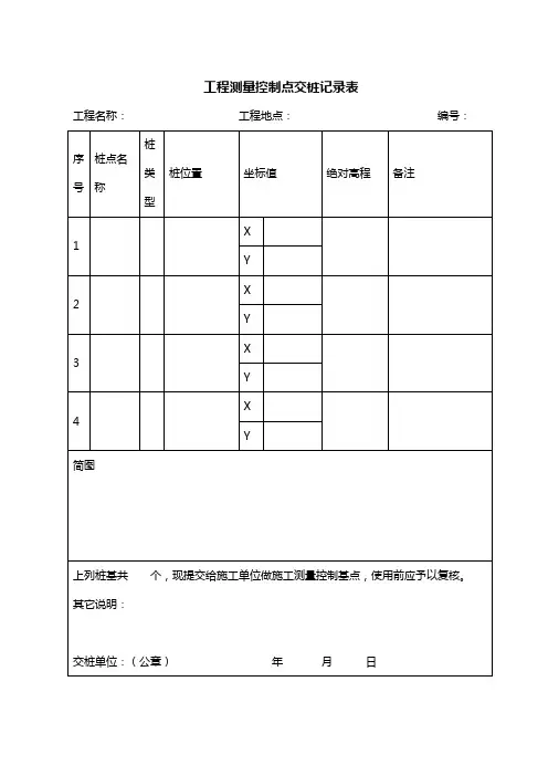
序桩
绝对高程值
桩点名称类桩地点坐标值备注号型
(m)
1 A1
X 88888.888
3500 钢钉见附图
Y 8888.888
2 A2
X 88912.224
3499.825 钢钉见附图
Y 8948.947
简图:
上列基桩点共2个,现提交给施工单位作施工丈量控制基点,使用前请予复核。
其余说明:
年月日交桩单位( 公章 ):
复核状况:
经复核,切合丈量放线要求。
年月日接桩单位 ( 公章 ) :四川信德建设有限企业
交桩过程会签栏
交桩人交桩单位负责人接桩人接桩单位负责人现场监理
年月日`
.。
施工用轴线控制点和平面控制点,一般由政府勘察测量部门根据规划设计部门的要求和计划,利用全国性的测控网布设有利于施工的控制点。
这些点通常标记在相对固定的桩上。
施工前,由测绘单位移交施工单位,由施工单位对工程轴线和施工线进行相应的指导和测量。
有时用龙门桩来控制桩的轴线,也称为“转角桩”。
解释轴线控制点和水平控制点的过程称为“设计十字桩”。
工程测量控制点送桩记录表工程名称:包头市梅柏纳国际社区工程地点:包头市石牌新区编号:序号:交叉口名称坐标标高备注XY 1 1 37319.036 62597.648 1207.930 2 E2 37108.381 62615.092 1213.890 3 E3 36849.565 63018.922 1206.271 4 E436249.653 63212.021 1191.527 G06 5 E5 37116.179 61983.650 1175.895 6 E6 37681.766 62225.944 1184.099 7 G07 36932.407 63052.114 1203.608现场共发现7根桩,作为本工程控制点交建设单位勘察。
使用前,施工单位应检查确认无误后方可施工。
送桩单位:(加盖公章)年月日检验:收桩单位:(加盖公章)交桩日期:收桩单位:现场监理日期日期:xy1起点:临榆大桥2578134.705889432.0742j3102道口25789933.798889674.7203j4122道口2579988.488889774.6674j12昆士忠2580446.825890002.8765终止于丰原路2580700.15889066.860备注110kV兰龙潭送电工程监理桩交接记录。
,公司的飞机坐标序列号位置工程测量控制点送桩记录表工程名称:包头市梅贝纳国际社区工程地点:石拐新区,包头市编号:No.交叉口名称坐标标高备注37319.03662597.648 1207.930 e237108.381 62615.092 1213.890 e336849.565 63018.922 1206.271 e436249.653 63212.021 1191.527 G06 e537116.179 61983.650 1175.895 e637681.766 62225.944 1184.099 g0736932.407 63052.114 1203.608 7号桩已在现场进行了识别并已进行了检测提交建设单位作为项目建设调查的控制点。
工程测量控制点交桩记录表
工程名称:工程地点:编号:
年月日
工程定位测量记录
工程定位测量方线记录汇总表
注:定位、测量放线记录附后。
项目(专业)技术负责人:项目质检员:
导线点复测记录
施记录1测点
测角
°′″
方位角
°′″
距离
(m)
纵坐标增量△X(m)横坐标增量△Y(m)
纵坐标X
(m)
横坐标Y
(m)
备注
计算(另附简图):结论:
1、角度闭合差: f测= f容=
2、坐标增量闭合差: f X= f Y=
3、导线相对闭合差: f= k=
推荐精选
观测:复测:计算:施工项目技术负责人:
推荐精选
水准点复测记
工程名称:施工单位:复测部位:日期:
测点后视
(1)
前视
(2)
高差高程(m)
(4)
备注+
(3)=(1)-(2)
-
(3)=(1)-(2)
观测:复测:计算:施工项目技术负责人:
测量复核记录
施记表3
工程名称施工单位
复核部位日期
原施测人测量复核人
测
量
复
核
情
况
︹
示
意
图
︺
复核结论
(注:可编辑下载,若有不当之处,请指正,谢谢!)。