比热容热值实验探究
- 格式:pptx
- 大小:407.34 KB
- 文档页数:12
2024年中考物理专题复习—用“对比”突破“比热容与热值实验”常考易错知识点比热容与热值实验探究题,是中考中常考的知识点与题型。
一、对比两个实验:Q c m t =∆吸、Q q m =放1.思路:1.比热容实验,液体的m 、Δt 相同,Q 吸越大的液体吸热能力越强,比热容越大。
2.热值实验,燃烧燃料的m 相同(完全燃烧),Q 放越大的燃料热值越大。
2.物理的获得:3.比热容实验,通过(相同的加热器的)加热时间来反映液体的Q 吸,4.热值实验,通过(质量相同的同种)液体的升高温度来反映燃料的Q 放。
(Q 放=Q 吸=cmΔt )注:同种燃料,火苗大小相同,每秒放出的热量相同。
3.都忽略热损失:二、比较两种液体比热容实验1.对象:不同液体(水和牛奶)2.装置:甲和乙3.原理:Q c m t=∆4.操作:①液体m 相同(容易控制→天平测量),Q 吸相同(不易控制)−−−→转换(相同规格加热器)加热相同时间→目的是保证两种液体(水和牛奶)吸收相同的热量→比较升高的温度Δt 的多少(水和牛奶初温相同);②液体m 相同(容易控制→天平测量),Δt 相同(初温相同),比较(相同规格加热器)加热时间的长短。
三、比较两种燃料热值实验1.对象:不同燃料2.装置:甲和丙3.原理:Q q m =(Q q V=)4.操作:燃料m 相同(容易控制→天平测量),比较Q 放的大小(不易控制)−−−→转换加热相同m 的水(水的初温相同)→用相同质量的不同燃料完全燃烧加热水→比较水升高的温度Δt →水升温高,说明水吸收的热量多,即加热该杯水的燃料放出的热量多→此种燃料的热值大。
四、典例引领例1.在“比较不同物质吸热升温情况”的实验中:(1)小丽和小明用一套器材做加热水和煤油的实验,如图甲所示。
在组装器材时应先调节______(选填“A”或“B”)的高度,调节它的高度是为了方便用酒精灯_______加热;(2)本实验中,通过比较_____________的多少来反映物质吸收热量的多少;(3)组装好器材,他们先后在同一个烧杯中称出________相等的水和煤油,分别加热相同的时间,比较水和煤油______________,得出结论。
比较燃料的热值实验
燃料的热值是指单位质量燃料燃烧产生的热量。
比较燃料的热值实验通常可以使用称为燃烧热计的仪器进行。
实验步骤如下:
1. 准备燃烧热计:将燃料放入燃烧热计中,并确保其环境干燥,无杂质。
2. 称量燃料:使用天平精确称量一定质量的燃料。
3. 点火燃烧:点燃燃料,并将燃烧热计中的温度计记录下来。
4. 观察燃烧:观察燃烧过程,确保燃料完全燃烧,并记录燃烧时间。
5. 测量温度变化:观察燃烧过程中燃烧热计中的温度变化,并记录下来。
6. 计算热值:根据温度变化和燃料质量,使用燃烧热计的公式计算出燃料的热值。
需要注意的是,比较燃料的热值实验可能需要在控制环境条件下进行,以确保实验结果的准确性。
另外,不同的燃料可能有不同的燃烧特性,因此在比较热值时需要使用相同的实验条件和方法。
比热容、热量的计算【重点难点解析】1.Q=cm △t ,它只适用于物体温度改变时(升温或降温)物体吸收或放出热量的计算,对有物态变化的过程不能适用,如若不考虑,就会出错误。
例质量为1kg 的水,初温为20℃,当它完全吸收3.696 × 105J 的热量,水的温度升高到多少摄氏度(1标准大气压)?根据Q 吸=cm (t -t o )水的末温t=)·/(102.410696.3350℃kg J J t cm Q ⨯⨯=+×1kg+20℃=108℃,这个答案肯定是错误,因为水在标准大气压下的最高温度为100℃,如果不继续加热,就不会沸腾,若继续加热,水就会沸腾,但不升温,吸收的热量用来进行物态变化,所以水的末温只能升高到100℃。
2.应用热量公式中的有关温度的文字叙述应特别谨慎,不可乱套。
“升高”、“升高了”、“降低”、“降低了”对应的都是温度的改变量△t ,而不是t ;而升高到、降低到对应的是物体的末温t 。
For personal use only in study and research; not for commercial use3.应用热量公式代人数量时各物理量的单位必须统一为国际单位。
4.热平衡:两个温度不同的物体放在一起时,高温物体将放出热量,温度降低;低温物体吸收热量,温度升高,最后两物体温度相同,称为达到了热平衡。
因此热平衡的唯一标志是温度相同。
在热传递过程中,低温物体吸收的热量Q 吸,高温物体放出热量Q 放,如果没有热量损失,则Q 吸=Q 放,利用这个关系可以求出物质的比热或物体的质量或物体的温度。
例1 质量为300g 的铜锅内,盛有1kg15℃的水,要把水烧开,需要多少热量?For personal use only in study and research; not for commercial use解析 这是一个热量计算问题,要把锅内水烧开,既要考虑水吸收热量,又要考虑铜锅吸收的热量,另外,把水浇开一般是指在1标准大气压下即水的求温为10O ℃,水盛在锅里,由于热传递它们的初温和末温分别相同。
地理比热容热值实验专题练习
引言
地理比热容热值实验是一种常用的实验方法,用于测量物质的
比热容和燃烧热值。
本文档将介绍地理比热容热值实验的基本原理、实验步骤和注意事项。
基本原理
地理比热容热值实验基于热力学原理,通过给定的条件下测量
物质的温度变化,计算出物质的比热容和燃烧热值。
实验步骤
1.准备实验器材和化学药品。
2.按照实验设计,将待测物质放入容器中。
3.在一定的温度条件下,加热物质,并记录下温度变化。
4.根据温度变化数据,计算出物质的比热容和燃烧热值。
注意事项
安全第一,实验中要注意操作规范,并遵守相关安全措施。
实验过程中要保持环境恒温,避免外界温度对实验结果的影响。
温度测量要准确,使用专业的温度计进行实验。
实验数据要仔细记录,并进行数据分析和处理。
结论
地理比热容热值实验是一种重要的实验方法,可用于测量物质的比热容和燃烧热值。
通过实验数据的分析和处理,可以得出相应的结论。
参考文献
1] ___。
___。
地理比热容热值实验方法研究。
地理科学。
20(1): 15-20.2010.
2] 王五。
赵六。
比热容热值实验原理及应用。
化学实验。
30(2): 50-55.2015.。
1.在探究“物体动能的大小与哪些因素有关”的实验中,小丽同学设计了如图所示甲、乙、丙三次实验。
让铁球从同一斜面上某处由静止开始向下运动,然后与放在水平面上的纸盒相碰,铁球与纸盒在水平面上共同移动一段距离后静止。
(1)要探究动能大小与物体质量的关系应选用_____________两图;实验中应保证________相同,为了达到这一目的所采取的具体操作方法是__________________________________________。
(2)选用甲、丙两次实验可以得出的结论________________________________。
(3)该实验是通过观察_____________来比较铁球动能的大小,从而得出结论的。
这种研究方法的是________。
(4)若水平面绝对光滑,铁球将做_______________________________运动。
(1题图) (2题图)2.在探究弹性势能的大小跟哪些因素有关时,小明提出了如下猜想:猜想一:弹性势能的大小与弹簧被压缩的程度有关;猜想二:弹性势能的大小是弹簧的材料有关.为此,小明选用材料不同的两根弹簧A和B(长度和粗细相同),小球、木块和长刻度尺各一,设计了如图所示的实验装置进行探究.实验中,木块起始位置相同.最后得出以下实验记录表.(1)由于弹性势能的大小不便用仪器测量,本实验把弹性势能的大小转换为测量木块移动的距离,这种研究方法___________.(2)请将探究猜想一的方案补充完整.①将弹簧A、小球、木块按如图安装好;②压缩弹簧,使其长度为5cm.放手后,小球被弹出,推动木块移动了一段距离S1;③压缩弹簧,使其长度为___________cm.放手后,小球被弹出,推动木块移动________.④比较分析实验数据________和________,得出结论______________________.(3)弹簧将小球弹开的过程中,是弹簧的弹性势能转化成小球的___________能.(4)为了探究猜想二,可选用试验次数②和__________的数据进行比较分析,若___________,说明弹性势能的大小与弹簧的材料有关.3.如图18所示,甲、乙、丙三图中的装置完全相同,燃料的质量都是10g,烧杯内的液体质量和初温也相同.(1)比较不同燃料的热值,应选择__________两图进行实验,燃料完全燃烧放出的热量,是通过 _____来反映的;(2)比较不同物质吸热升温的特点:①应选择_____________________两图进行实验;②不同物质吸热的多少是通过__________________________来反映的(选填“温度计示数”或“加热时间”);③关于该实验的变量控制,下列要求中不正确的是: ______________________A.采用相同的加热方法B.烧杯中分别装入相同体积的物质C.使用相同的烧杯④如果质量和初始温度均相同的A、B两种液体,吸热后它们的温度随时间变化的图象如图19所示,由图可以看出,_________________液体的温度升高得较慢,__________________液体的比热容较大.每到夏收季节,某市农村大量农作物秸秆在田间被随意焚烧,这不仅造成资源浪费、环境污染,而且极易引发火灾等.为解决这一问题,现已研制出利用秸秆生产的节能环保型燃料--秆浆煤.若燃烧秆浆煤,使50kg、20℃的水温度升高到80℃.求:[c水=4.2×103J/(kg•℃),q秆浆煤=2.4×107J/kg](1)水需要吸收的热量.(2)如果秆浆煤燃烧释放的热量有30%被水吸收,需要完全燃烧多少千克秆浆煤?每到夏收和秋收季节,大量农作物秸秆在田间被随意焚烧,这不仅造成资源浪费、环境污染,而且极易引发火灾等.为解决这一问题,泰兴市古溪镇顾庄村建了秸秆气化站.“一次使用150公斤草料,能储500m3秸秆气体,生产过程仅一个多小时,可供村里200多户居民使用两天.”若燃烧秸秆气体使5kg、20℃的水温度升高到80℃,如果这种秸秆气体燃烧释放的热量(Q放=Vq)有75%被水吸收,需要这种秸秆气体0.05m3.求:(1)水需要吸收的热量.(2)这种秸秆气体的热值是多少J/m3?目前处于秋收季节,有部分农户焚烧秸秆,这种行为不仅造成严重的环境污染,还造成大量的能源浪费.研究表明,秸秆的热值为0.75×107J/kg,相当于标准煤的四分之一.(1)我国第一家秸秆发电厂已开始正式发电,从此,中国电网里出现了由农民“种”出来的电流.据了解,我国每年仅农作物秸秆产量就有6亿吨(合6×1011kg).如果这些秸秆完全燃烧放出的热量全部转化为电能,则每年通过焚烧秸秆可产生多少焦耳的电能?(2)从能量转化的角度来分析,焚烧秸秆的能量是如何转化的?(3)某学校食堂锅炉盛水1.5t,如果通过燃烧秸秆的方式将这些水从20℃加热到100℃,共需要多少秸秆?(设秸秆完全燃烧,且放出的热量有42%被水吸收)。
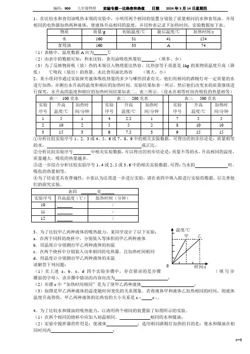
编码:900九年级物理实验专题—比热容和热值日期2024年3月14日星期四11、在比较水和食用油吸热本领的实验中,小明用两个相同的装置分别装了质量相同的水和食用油。
并用(1)表格中,温度数据A 应为 ℃(2)由表中的数据可知:和水比较,食用油吸收热量较 。
(填多、少)(3)为了反映物质吸(放)热的本领引入物理量比热容。
比热容等于质量是1kg 的某物质温度升高(降低)___℃吸收(放出)的热量。
水比食用油比热容____(填大、小)2、某小组同学通过实验探究液体吸收热量的多少与哪些因素有关,他们用相同的酒精灯对一定质量的水进行加热,并测出水升高的温度和相应的加热时间,实验结果如表一所示。
然后他们改变水的质量继续进的水, 成正比。
②分析比较实验序号 中相关实验数据,可以得出的初步结论是:质量不等的水,升高相同的温度,质量越大,吸收的热量越多。
③进一步综合分析比较实验序号1、4或2、5或3、6中的相关实验数据,可得:当水的 时,吸收的热量相等。
④为了结论更具有普遍性,小张认为还需进一步进行实验,请在表四中填入拟进行实验的数据,以完善他们的探究实验。
3、为了比较甲乙两种液体的吸热能力,某同学设计了以下实验:a .在两个同样的烧杯中,分别装入等体积的甲乙两种液体b .用温度计分别测出甲乙两种液体的初温c .在两个烧杯中分别装入功率相同的电热器,且加热时间相同d .用温度计分别测出甲乙两种液体的末温 请解答下列问题: (1)在上述a 、b 、c 、d 四个实验步骤中,存在错误的是步骤 (填写步骤前的字母),该步骤中错误的内容应改为 ;(2)步骤c 中“加热时间相同”是为了使甲乙两种液体 ;(3)如图是甲乙两种液体的温度随时间变化的关系图象.若将液体甲和液体乙加热相同的时间,则液体 温度升高得快,甲乙两种液体的比热容的大小关系是c 甲 c 乙.4、为了比较水和煤油的吸热能力,江涛用两个相同的装置做了如图所示的实验. (1)在两个相同的烧杯中应加入初温相同、 相同的水和煤油;(2)实验中搅拌器的作用是:使液体 ;选用相同酒精灯加热的目的是:使水和煤油在相同时间内 ;(3)实验中发现煤油的温度比水的温度升高得(选填“快”或“慢”),这表明吸热本领更强.5、如图,在两个相同的烧杯中分别装有质量、初温都相同的水和沙子,用两个相同的酒精灯对其加热.(1)加热相同时间后,分别测量两者的温度,发现沙子的温度明显高于水,这是因为;加热时搅拌沙子,目的是.(2)在两烧杯上方分别盖上玻璃片,过一会儿发现装水烧杯上方的玻璃片内侧有小水珠,用手摸两个玻璃片,发现装(沙子/水)烧杯上方的玻璃片温度比较高,原因是.6、同学们为了研究物体温度升高时吸收热量的多少与哪些因素有关,做了如下实验:在四个相同的烧杯中分别盛有水和煤油,用同样的加热器加热。
比热容实验【知识点的认识】为了比较水和煤油的吸热能力,小王做了如图所示的实验,在2个相同的烧杯中分别装有质量、初温都相同的水和煤油,用两个相同的酒精灯对其加热,并用相同的两支温度计分别同时测量水和煤油的温度变化,实验数据如下:液体质量(g)初温(℃)末温(℃)加热时间(min)水 300 20 30 12煤油 300 20 30 6(1)在此实验中,为比较水和煤油吸热能力的大小,我们可以加热相同的时间,观察升高温度的不同;也可以升高相同的温度,比较加热时间的长短.(2)分析下表中的实验数据可知:质量相同的水和煤油,升高相同的温度时,水吸收的热量多,表明水的吸热能力大.(3)如果加热相同的时间,质量相同的水和煤油,煤油升高的温度更高.(4)由于物体吸收热量的多少不使用仪器测量,本实验中把吸收热量的多少转换成加热时间的长短,这种科学方法叫转换法.分析:(1)判断水与煤油的吸热本领的大小,有两种方法:①可判断两种物质在升高相同温度的情况下,所用时间的多少.用时较多的,说明吸收的热量多,则比热较大.②可判断两种物质在吸收相同热量的情况下,升高温度的多少.温度升高较多的,则比热较小.(2)根据表中实验数据进行分析,然后答题.(3)加热相同的时间,质量相同的水和煤油,由于煤油的吸热本领小,所以煤油升高的温度更高;(4)本实验中把吸收热量的多少转换成加热时间的长短,所用的方法为转换法.解:(1)在此实验中,为了比较水和煤油吸热本领的大小,我们可以加热相同的时间,观察升高的温度的不同;也可以让它们其升高相同温度,比较加热时间,来比较它们吸热本领的大小.(2)由实验数据知,质量相同的水和煤油,升高相同温度时,水需要的加热时间更长,说明水吸收的热量更多,表明水的吸热本领大.(3)因为煤油比水的吸热本领小,所以加热相同的时间,它们吸收相等热量时,质量相同的水和煤油,煤油升高的温度更高;(4)由于物体吸收热量的多少不使用仪器测量,本实验中把吸收热量的多少转换成加热时间的长短,这种科学方法叫转换法.故答案为:(1)升高温度;升高相同的温度,比较加热时间的长短;(2)水;水;(3)煤油;(4)转换.点评:本题主要考查如何用转换法和控制变量法来比较不同物质比热容(吸热能力)的大小,本题有一定的难度,解题时要注意控制变量法的应用.一.选择题(共9小题)丙4001514 1.如图所示,甲、乙、丙三图中的装置完全相同,图中燃料的质量相同,烧杯内液体的质量也相同.要比较不同燃料的热值和不同物质的比热容,下列选择4如果四次实验中,在相同时间内,水、甲、乙、丙吸收的热量相等,已知水的=4.2×103J•(kg•℃)﹣1,则由上述条件可得()比热容为C水A.第1次实验中,水吸收的热量等于酒精燃烧放出的热量B.第1、2次实验中,甲液体吸收的热量比水吸收的热量少C.乙液体的比热容为2.1×103J•(kg•℃)﹣1D.丙液体的比热容小于乙液体的比热容5.小明利用如图装置“比较不同物质吸热情况”,关于该实验下列说法正确的是()A.烧杯中水和食用油的体积相等B.烧杯中液体内能增加是通过热传递方式C.实验表明质量相同的不同物质,升温时吸收热量相同,加热时间不同D.只能通过比较加热时间来比较吸热能力6.如图所示,两个相同的容器中装有初温相同、等质量的水和食用油,用相同的酒精灯分别对其加热相同的时间(热量损失不计,且液体均未沸腾),已知水的比热容大于食用油的比热容.则加热﹣段时间后,比较两种液体的温度.下列说法中正确的是()A.食用油温度高于水的温度B.食用油温度低于水的温度C.食用油温度等于水的温度D.以上情况均有可能7.如图所示,是同学们探究“物质吸热能力”的实验装置.关于此实验下列说法错误的是()A.该实验需要的测量仪器是温度计、天平和停表B.该实验中改变内能的方式是热传递C.该实验中用加热时间来表示吸热多少,同时通过温度变化量的大小来判断物质吸热能力D.该实验器材的组装顺序从上到下为好,可以使操作简单8.在“比较不同液体比热容大小”的实验中,用相同的酒精灯对四种液体加热,得到如表所示的数据:次数液体质量/g升高的温度/℃加热时间/min1水2001072甲20020103乙40020144丙4001514如果四次实验中,在相同时间内,水、甲、乙、丙吸收的热量相等,已知水的比热容为c水=4.2×103J•(kg•℃)﹣1,则由上述条件可得()A.丙液体的比热容小于乙液体的比热容B.乙液体的比热容为2.1×103J•(kg•℃)﹣1C.第1次实验中,水吸收的热量一定等于酒精燃烧放出的热量D.第3、4次实验中,乙液体吸收的热量比丙液体吸收的热量多9.物理兴趣小组的同学做“比较不同物质的吸热能力”的实验,他们使用了如图所示的装置.在设计实验方案时,需要确定以下控制的变量,你认为其中多余的是()A.采用完全相同的加热方式B.酒精灯里所加酒精量相同C.取相同质量的水和另一种液体D.加热水和加热液体的烧杯相同二.解答题(共4小题)10.某小组的同学做“探究不同物质的吸热能力”的实验,他们使用了如图所示的装置.(1)在设计实验方案时,需要确定以下控制的变量,你认为其中多余的是A.常用完全相同的加热方式B.酒精灯里所加酒精量相同C.取相同质量的水和另一种液体D.盛放水和另一种液体的容器相同(2)加热到一定时刻,水开始沸腾,此时的温度如图丙所示,则水的沸点是℃,这表明实验时的大气压强(选填“大于”、“小于”或“等于”)一个标准大气压.(3)而另一种液体相应时刻并没有沸腾,但是温度计的示数比水温要高得多,请你就此现象进行分析,本实验的初步结论为:.(4)本实验除了能够说明上述问题之外,还能够说明许多问题,请你写出其中的一个问题:.11.为了比较物质的吸热升温现象,小明做了以下的实验:如图甲所示,小明将质量相同的A、B两种液体分别装入两个完全相同的烧杯中,分别用两个完全相同的酒精灯同时加热,用两支相同的温度计分别测量烧杯内液体的温度,液=4.2×103 J/(kg•℃)].体温度随时间变化关系如图乙所示.[已知c水(1)实验中,用玻璃棒不断搅拌的目的是.(2)分析图象可知,如果给质量相同的A和B两种液体加热相同的时间,则升高的温度会更高些,两者增加的内能(选填“甲多”、“相等”或“乙多”).(3)若A、B两种液体中,一种液体是水,另一种液体的比热容是J/(kg•℃).12.小华学习做饭的过程中,经常加热油和水,她猜想油的比热容比水小.(1)能够支持她这一猜想的事实是A.同样情况下,油升温比水快 B.油能把食物炸黄,而水不能C.油能漂在水面上 D.油比水难蒸发(2)为了验证猜想,小华向两个同样的烧杯里分别倒入相同的水和油,并测量它们的初始温度.在同样条件下加热相同时间后,水的温度升高了25℃,油的温度升高了30℃,由此可得油的比热容为J/(kg•℃)[水的比热容为4.2×103J/(kg•℃).13.小华学习做饭的过程中,经常加热油和水,她猜想油的比热容比水小.(1)能够支持她这一猜想的事实是A.同样情况下,油升温比水快 B.油能把食物炸黄,而水不能C.油能漂在水面上 D.油比水难蒸发(2)为了验证猜想,小华采用图甲所示的实验方式进行验证.他向两个同样的烧杯里分别装入200克的水和油,用同样的电加热器加热,测量它们的初始温度都是20℃.实验中,用(填序号)间接反映液体吸收热量的多少.A.通电时间B.温度计示数的变(3)加热一段时间,两种物质的温度随加热时间变化的关系如图所示,由图象可计算得出油的比热容为 J/(kg•℃).[C=4.2×103 J/(kg•℃)].水(4)图中所用加热器上标有“220V 800W”,请你根据图中数据计算出该加热器的热效率.2017年09月08日180****7108的初中物理组卷参考答案与试题解析一.选择题(共9小题)1.如图所示,甲、乙、丙三图中的装置完全相同,图中燃料的质量相同,烧杯内液体的质量也相同.要比较不同燃料的热值和不同物质的比热容,下列选择正确的是()A.比较热值,应选择甲乙两图进行实验;比较比热容,应选择甲丙两图进行实验B.比较热值,应选择甲乙两图进行实验;比较比热容,应选择乙丙两图进行实验C.比较热值,应选择甲丙两图进行实验;比较比热容,应选择甲乙两图进行实验D.比较热值,应选择乙丙两图进行实验;比较比热容,应选择甲乙两图进行实验【解答】解:为了比较热值大小要用不同的燃料,加热同一种液体,让液体的质量相同,通过温度计的示数高低得出吸热多少,进而判断热值大小,应选择甲和乙两图进行实验.为了比较两种液体的比热容,需要燃烧相同的燃料,加热不同的液体,让液体的质量和温度的变化相同,通过比较加热时间,进而判断两种比热容的大小关系,应选择甲和丙两图进行实验,A正确,BCD错误.故选A.2.在比较不同液体吸收相同热量时,温度升高快慢的实验中,需要控制一些变量,下列各控制内容,有必要的是()A.加热时所用酒精灯里装有的酒精量必须相等B.盛放液体的容器要相同C.两种液体的体积要完全相等D.两种液体的初温一定要相同【解答】解:A、酒精灯里所加的酒精量对升温的快慢不会造成影响,属多余的量,故A不符合题意;B、实验中,两种液体的质量必须相等,符合控制变量法的要求,盛放两种液体的容器也会影响其吸热与升温的情况,故应使容器保持相同,故B符合题意;C、两种液体的质量必须相等,液体的体积对升温的快慢不会造成影响,属多余的量,故C不符合题意;D、实验时需要测量两种液体升高温度的情况进行比较,但不一定要求两种液体的初温相同,故D不符合题意.故选B.3.在“比较水不煤油吸热时升温快慢”的实验中,不需要控制的变量是()A.采用完全相同的加热方式B.酒精灯里所加的酒精量相同C.取相同质量的水和煤油D.盛放水和煤油的容器相同【解答】解:A、为保证煤油和水在相同时间内吸收的热量相同,应采用完全相同的加热方式,故A需要;B、为了减小误差,应尽量使酒精灯的火焰大小一样,但不一定要求酒精灯内的酒精相同,故B不需要;C、为了便于比较煤油和水的温度差,实验时应取相同质量的煤油和水,故C需要;D、为防止热量散失对实验的影响,应让盛放煤油和水的容器相同,故D需要.故选B.4.在“比较不同液体的比热容大小”的实验中,用相同的酒精灯对四种液体加热,得到如表所示的数据:次数液体质量/g升高的温度/℃加热时间/min 1水2001072甲20020103乙40020144丙4001514如果四次实验中,在相同时间内,水、甲、乙、丙吸收的热量相等,已知水的比热容为C水=4.2×103J•(kg•℃)﹣1,则由上述条件可得()A.第1次实验中,水吸收的热量等于酒精燃烧放出的热量B.第1、2次实验中,甲液体吸收的热量比水吸收的热量少C.乙液体的比热容为2.1×103J•(kg•℃)﹣1D.丙液体的比热容小于乙液体的比热容【解答】解:A、用酒精灯加热液体,酒精燃烧放出的热量只有一部分被水吸收,还有一部分热量被容器吸收和散失到空气中,故A错误;B、相同的酒精灯加热液体,在单位时间内酒精灯放出的热量相同,加热时间越长,放出的热量越多,故甲液体比水液体吸收的热量多,故B错误;C、相同的酒精灯加热液体,单位时间内放出的热量相等,故Q乙:Q水=2:1,又知△t乙:△t水=2:1,m乙:m水=2:1,由Q=cm△t得,===,即c乙=×c水=×4.2×103J/kg•℃=2.1×103J/kg•℃,故C正确;D、根据吸热公式Q=cm△t可知,乙、丙两种液体质量相等,吸收相同的热量,丙升高的温度越低,所以丙的比热容大,故D错误.故选:C.5.小明利用如图装置“比较不同物质吸热情况”,关于该实验下列说法正确的是()A.烧杯中水和食用油的体积相等B.烧杯中液体内能增加是通过热传递方式C.实验表明质量相同的不同物质,升温时吸收热量相同,加热时间不同D.只能通过比较加热时间来比较吸热能力【解答】解:A、根据控制变量法可知:烧杯中水和食用油的质量相等,由于水的密度比食用油的密度大,根据V=可知水的体积比食用油的体积小.故A错误.B、加热过程液体内能增加,是通过热传递方式完成,故B正确.C、酒精灯的火焰相同,吸收相同的热量,则升温时吸收热量相同,加热时间相同.故C错误.D、加热相同的时间,说明吸收的热量相等,物体吸热多少是由加热时间决定的.依据c=可知:在升高相同温度的情况下,则用时较多的吸收的热量多,则比热较大,故D错误.故选B.6.如图所示,两个相同的容器中装有初温相同、等质量的水和食用油,用相同的酒精灯分别对其加热相同的时间(热量损失不计,且液体均未沸腾),已知水的比热容大于食用油的比热容.则加热﹣段时间后,比较两种液体的温度.下列说法中正确的是()A.食用油温度高于水的温度B.食用油温度低于水的温度C.食用油温度等于水的温度D.以上情况均有可能【解答】解:在比较水和食用油的吸热能力的实验中,在两个相同的容器中装有初温相同、等质量的水和食用油,用相同的酒精灯分别对其加热相同的时间,即吸收的热量相同,因为水的比热容大于食用油的比热容,根据△t=可知,食用油升高的温度大于水升高的温度,所以食用油温度高于水的温度.故选A.7.如图所示,是同学们探究“物质吸热能力”的实验装置.关于此实验下列说法错误的是()A.该实验需要的测量仪器是温度计、天平和停表B.该实验中改变内能的方式是热传递C.该实验中用加热时间来表示吸热多少,同时通过温度变化量的大小来判断物质吸热能力D.该实验器材的组装顺序从上到下为好,可以使操作简单【解答】解:A、实验中所需要的测量温度质量和加热时间,所以需要的测量仪器有温度计、天平和秒表.故A正确;B 、水从酒精灯那里吸热,是通过热传递的方式改变内能的,故B 正确;C 、实验中,用相同的酒精灯对液体加热,在相等时间内液体吸收的热量相等,加热时间越长,液体吸收的热量越多,可以用加热时间的长短表示液体吸收热量的多少;实验中取质量相同的液体,用相同的电加热器加热,液体吸收相同的热量,升高的温度不同,吸热能力不同;故C 正确;D 、酒精灯需用外焰加热,所以要先放好酒精灯,再固定铁圈的高度;而温度计的玻璃泡要全部浸没到液体中,但不能碰到容器壁和容器底,所以先放好烧杯后,再调节温度计的高度;所以,安装顺序为从下到上,故D 错误.故选D .8.在“比较不同液体比热容大小”的实验中,用相同的酒精灯对四种液体加热,得到如表所示的数据: 次数液体质量/g升高的温度/℃加热时间/min1 水 20010 7 2 甲 200 20 10 3 乙 400 20 14 4丙40015 14如果四次实验中,在相同时间内,水、甲、乙、丙吸收的热量相等,已知水的比热容为c 水=4.2×103J•(kg•℃)﹣1,则由上述条件可得( )A .丙液体的比热容小于乙液体的比热容B .乙液体的比热容为2.1×103J•(kg•℃)﹣1C .第1次实验中,水吸收的热量一定等于酒精燃烧放出的热量D .第3、4次实验中,乙液体吸收的热量比丙液体吸收的热量多 【解答】解:A 、根据吸热公式Q 吸=cm △t ,乙、丙两种液体质量相等,吸收相同的热量,丙升高的温度低,所以丙的比热容大,故A 错误.B 、相同的酒精灯加热液体,单位时间内放出的热量相等,故Q 乙:Q 水=2:1,又知△t乙:△t水=2:1,m乙:m水=2:1,由Q=cm△t得,====,c乙=×c水=×4.2×103J/kg•℃=2.1×103J/kg•℃,故B正确;C、用酒精灯加热液体,酒精燃烧放出的热量只有一部分被水吸收,还有一部分热量被容器吸收和散失到空气中,故C错误;D、第3、4次实验中,物质的质量是相同的,加热时间相同,吸收的热量相同,故D错误;故选:B.9.物理兴趣小组的同学做“比较不同物质的吸热能力”的实验,他们使用了如图所示的装置.在设计实验方案时,需要确定以下控制的变量,你认为其中多余的是()A.采用完全相同的加热方式B.酒精灯里所加酒精量相同C.取相同质量的水和另一种液体D.加热水和加热液体的烧杯相同【解答】解:A、为保证水和液体在相同时间内吸收的热量相同,采用完全相同的加热方式,故A正确.B、实验时为了减小误差,应尽量使酒精灯的火焰大小一样,但不一定要求酒精灯内的酒精相同,故B错误.C、为了便于比较水与液体升高的温度差,实验时应取相同质量的水和液体,故C正确.D、为防止热量散失对实验的影响,应让盛放水和液体的容器相同,故D正确.故选B.二.解答题(共4小题)10.某小组的同学做“探究不同物质的吸热能力”的实验,他们使用了如图所示的装置.(1)在设计实验方案时,需要确定以下控制的变量,你认为其中多余的是 B A.常用完全相同的加热方式B.酒精灯里所加酒精量相同C.取相同质量的水和另一种液体D.盛放水和另一种液体的容器相同(2)加热到一定时刻,水开始沸腾,此时的温度如图丙所示,则水的沸点是98 ℃,这表明实验时的大气压强小于(选填“大于”、“小于”或“等于”)一个标准大气压.(3)而另一种液体相应时刻并没有沸腾,但是温度计的示数比水温要高得多,请你就此现象进行分析,本实验的初步结论为:不同物质的吸热能力不同.(4)本实验除了能够说明上述问题之外,还能够说明许多问题,请你写出其中的一个问题:气压相同时,不同液体的沸点与什么因素有关.【解答】解:(1)用控制变量法进行探究,因为引起温度变化的因素是吸热的多少、物质的质量、加热时间和方式,与酒精的多少无关,所以B选项多余.(2)在丙图中,水的沸点为98℃;因为沸点低于100℃,所以实验时的大气压小于一个标准大气压.(3)在质量、吸收的热量相同时,不同液体升高的温度不同,说明不同物质的吸热能力不同.(4)水沸腾时,液体没有沸腾,由此可以想到:在气压相同时,不同液体的沸点与什么因素有关?故答案为:(1)B;(2)98;小于;(3)不同的物质的吸热能力不同;(4)气压相同时,不同液体的沸点与什么因素有关.11.为了比较物质的吸热升温现象,小明做了以下的实验:如图甲所示,小明将质量相同的A、B两种液体分别装入两个完全相同的烧杯中,分别用两个完全相同的酒精灯同时加热,用两支相同的温度计分别测量烧杯内液体的温度,液体温度随时间变化关系如图乙所示.[已知c=4.2×103 J/(kg•℃)].水(1)实验中,用玻璃棒不断搅拌的目的是使液体均匀受热.(2)分析图象可知,如果给质量相同的A和B两种液体加热相同的时间,则 A 升高的温度会更高些,两者增加的内能相等(选填“甲多”、“相等”或“乙多”).(3)若A、B两种液体中,一种液体是水,另一种液体的比热容是 2.1×103 J/(kg•℃).【解答】解:(1)实验中,用玻璃棒不断搅拌的目的是使得液体受热均匀;(2)因为用两个完全相同的酒精灯同时加热,加热相同的时间,吸收热量相同,由图象知,相同质量的A和B,A温度升高得较快,说明A的吸热能力弱;(3)由题意知,比热容较大的应该是水,由图象知,当加热10min时,水温度升高了20℃,另一液体温度升高了40℃,水和另一液体吸收的热量相等,则c水m水△t水=c液m液△t液△t液=2△t水,则c液=c水=×4.2×103J/(kg•℃)=2.1×103J/(kg•℃).故答案为:(1)使液体均匀受热;(2)A;相等;(3)2.1×10312.小华学习做饭的过程中,经常加热油和水,她猜想油的比热容比水小.(1)能够支持她这一猜想的事实是 AA.同样情况下,油升温比水快 B.油能把食物炸黄,而水不能C.油能漂在水面上 D.油比水难蒸发(2)为了验证猜想,小华向两个同样的烧杯里分别倒入质量相同的水和油,并测量它们的初始温度.在同样条件下加热相同时间后,水的温度升高了25℃,油的温度升高了30℃,由此可得油的比热容为 3.5×103J/(k g•℃)[水的比热容为4.2×103J/(kg•℃).【解答】解:(1)油比水的比热容小,说明质量相同的油和水在温度的变化量相同时,油比水吸热少,或质量相同的油和水吸收相同热时,油比水温度升高的多,故选A.(2)若要验证猜想,小华应向两个同样的烧杯里分别倒入质量相等的水和油,并测量它们的初始温度.设水和油的质量都是m,油的比热为c,根据题意得:Q吸水=Q吸油c水m△t水=cm△t油4.2×103 J/(kg•℃)×m×25℃=cm×30℃c=3.5×103 J/(kg•℃).故答案为:(1)A;(2)质量;3.5×103.13.小华学习做饭的过程中,经常加热油和水,她猜想油的比热容比水小.(1)能够支持她这一猜想的事实是 AA.同样情况下,油升温比水快 B.油能把食物炸黄,而水不能C.油能漂在水面上 D.油比水难蒸发(2)为了验证猜想,小华采用图甲所示的实验方式进行验证.他向两个同样的烧杯里分别装入200克的水和油,用同样的电加热器加热,测量它们的初始温度都是20℃.实验中,用 A (填序号)间接反映液体吸收热量的多少.A.通电时间B.温度计示数的变(3)加热一段时间,两种物质的温度随加热时间变化的关系如图所示,由图象可计算得出油的比热容为 2.1×103 J/(kg•℃).[C水=4.2×103J/(kg•℃)].(4)图中所用加热器上标有“220V 800W”,请你根据图中数据计算出该加热器的热效率.【解答】解:(1)油比水的比热容小,说明质量相同的油和水在温度的变化量相同时,油比水吸热少,或质量相同的油和水吸收相同热时,油比水温度升高的多,故选A.(2)用相同的电加热器加热,通电时间越长,电加热器放出的热量越多,液体吸热越多,故选A;(3)由图象可知:用两个相同的电热器给质量相同的油和水加热,水温度升高60℃需要2min,油温度升高60℃需要1min.所以质量相同的油和水升高相同的温度需要吸收的热量关系为:Q水吸=2Q油吸.由热量计算公式Q=cm△t,得:c=.即:c水=2c油.所以c油=c水=×4.2×103J/(kg•℃)=2.1×103J/(kg•℃).(4)1min内水吸热为:Q=cm△t=4.2×103J/(kg•℃)×0.2kg×20℃=16800J;电加热器放出的热量为:W=Pt=800W×60s=48000J;加热的效率为:η=×100%=×100%=35%.故答案为:(1)A;(2)A;(3)2.1×103;(4)35%.。
探究物质的比热容、燃料的热值实验一.实验探究题(共37 小题)1.(2018•威海)在探究热现象的实验中,小明将质量相等的冰和石蜡分别装在两个相同的试管中,并放在一个装有水的大烧杯中进行加热,如图甲所示,根据实验数据绘制的温度随时间变化的图象,如图乙所示,请回答下列问题:(1)将两试管放在同一个装有水的大烧杯中进行加热,目的是。
(2)由图乙可知,(选填“A”或“B”)是冰,该物质在第4 分钟时的状态为,冰在熔化过程中增大(选填“分子动能”成“分子势能”,当冰全部熔化后,继续加热使烧杯中的水沸腾并持续一段时间,发现试管中的水始终不会沸腾,其原因可能是。
(3)加热1 分钟,冰、石蜡均为固态,由图乙可知,此时(选填“冰”或“石蜡”)的比热容较大。
2.(2018•重庆)小华同学在做“观察水的沸腾”实验中:①小华加热水的过程中,观察到温度计示数如图(甲)所示,则此时水的温度为℃。
②小华把水温加热到90℃开始计时,每过1min 观察并记录一次水温,观察到水沸腾后继续加热一段时间。
他画出的温度﹣时间图象如图(乙)所示。
由此可得出,水在沸过程中要继续吸热,但温度(选填”升高””降低“或”不变”)。
3.(2018•德州)在探究“水沸腾时温度变化的特点”实验中:(1)安装好实验器材后,为缩短实验时间,小强在烧杯中倒入热水,热水中温度计的示数如图甲所示,此时温度计的示数为(2)当水温接近90℃时,每隔1min 记录一次温度,并绘制了图乙所示水温随时间变化的图象,由图象可知:水沸腾时的特点是(3)小强观察到:沸腾时水中气泡的情形为图丙中图。
(选填“A“或“B“)(4)小强同学想提高水的沸点,换用了火力更大的酒精灯加热,这种做法(选填“可行”或“不可行”)。
4.(2017•莱芜)小华同学用温度计测出一部分冰的温度如图甲所示,然后利用图乙所示装置对100g 冰加热,他每隔相同时间记录一次温度计的示数,并观察物质的状态。
图丙是他根据记录的数据绘制的温度﹣﹣时间图象,根据图甲和图丙图象可知:(1)图甲中温度计的示数为℃;(2)在BC 阶段中C 点处物质的内能 B 点处物质的内能(选填“大于”、“小于”或“等于”),理由是;(3)设相同时间内物质吸收的热量相同,则BC 阶段物质共吸收了J 的热=2.1×103J/(kg•℃),c 水=4.2×103J/(kg•℃)〕;量〔c冰(4)由丙图可以看出AB、CD 段升高的温度相同,但CD 段加热的时间长,其原因是。
第28题图A B A B 图甲 图乙1.(盐城)在比较不同燃料热值的实验中,小明利用与图示完全相同的两套实验装置,分别在燃烧皿中放入质量相同的燃料甲和燃料乙,点燃后对质量都为100g 和初温都为20℃的水加热,燃烧相同时间后,用甲加热后的水温度为30℃,另一杯温度为24℃,此过程中水的内能 (增大/减小),用甲加热的水吸收的热量为 J ,此时 (能/不能)说明甲的热值较大.(水的比热容为4.2×103J/(kg•℃))增大;4.2×103;能.2.(南京)如图所示是“探究不同物质吸热升温现象”的实验装置.用同一套装置,先后加热并不断搅拌质量相等的煤油和水.(1)要完成该探究实验,除了图中所示的器材外,还需要的测量工具有天平和 .(2)小明设计的记录数据的表格如下,分析表格可知:他是用 相同比较 的方法来完成探究实验的.(3)实验结束后,小明查表知道水的比热容为4.2×l03J/( kg.℃),则500g 水温度升高20℃吸收的热量是 J ;若这些热量由酒精完全燃烧获得,则至少要消耗 g 酒精.(酒精的热值为3.0×107J/kg)(4)在受太阳照射的条件相同时,内陆地区昼夜温差比沿海地区 ,这是因为干泥土和水相比, 较小。
(1)秒表(2)加热时间;升高的温度(3)4.2×104;1.4(4)大;比热容 3.(苏州)在“比较不同物质吸热升温情况”的实验中:(1)小丽和小明用一套器材做加热水和煤油的实验,如图甲所示.在组装器材时应先调节(A/B)的高度,调节它的高度是为了.(2)组装好器材,他们先后在同一个烧杯中称出质量相等的水和煤油,分别加热相同的时间,比较水和煤油,得出结论.要完成该实验,除图甲所示器材外,还需要的一个测量工具是.(3)在对实验进行反思时,他们认为原方案有需要两次加热耗时长等缺点,因此改进方案并设计了图乙所示的装置.与原方案相比,该方案除克服了上述缺点外还具有的优点是.(答出一个即可)(1)组装实验仪器时,应根据酒精灯及其火焰的高度先固定图中的A部分,使酒精灯的外焰正好能给烧杯加热,然后再固定图中的B部分,这样可以避免重复调整(2)在同一个烧杯中称出质量相等的水和煤油,分别加热相同的时间,比较水和煤油升高的温度,得出结论.实验平;(3)该方案避免两次加热,用同一热源加热确保在相等时间内吸收的热量相等.4.(十堰)我们利用如图所示装置来探究不同物质的吸热能力。
研究物质比热容的比热容测定实验引言物质的比热容是指单位质量的物质在温度变化时所吸收或释放的热量。
它是一个重要的物理量,对于研究物质的热性质、传热现象以及工程应用等方面有着重要的意义。
本文将介绍比热容测定实验的相关定律、实验准备及过程,并探讨该实验的应用和其他专业性角度。
正文一、热传导定律比热容测定实验基于热传导定律,即热量会从高温物体传导到低温物体,直到达到热平衡。
这一定律是基于能量守恒定律和热力学定律推导出来的,可以用数学公式表达为:Q = mcΔT其中:Q表示热量,m表示物质的质量,c表示物质的比热容,ΔT表示温度变化。
二、实验准备在进行比热容测定实验前,我们需要准备以下实验设备和材料:1. 热量测量装置:例如热容器、热量计等。
2. 温度测量仪器:例如温度计、热电偶等。
3. 比热实验样品:可以具体选择不同物质的固态、液态或气态样品,如水、金属块等。
三、实验过程1. 保持实验环境的恒定性在进行比热容测定实验前,首先要保持实验环境的恒定性,例如室温和湿度等。
这是为了避免外界环境因素对实验结果的影响。
2. 准备实验样品将所选的实验样品准备好,通常使用质量较稳定的样品,如均质金属块、纯净水等。
3. 测量物质的质量称量物质的质量m,并记录下来。
4. 监测环境温度使用温度计等仪器监测环境温度,并记录下来。
这是为了确定实验开始时的环境温度。
5. 记录初始温度将温度计等仪器浸入实验样品中,记录下样品的初始温度Ti。
6. 提供一定的热量为了提供一定的热量,可以通过不同的方式进行加热。
例如,可以通过加热器将实验样品加热至一定温度。
7. 监测温度的变化监测实验样品的温度变化,可以使用温度计、热电偶等仪器进行实时测量,并记录下每个时间间隔的温度值,直至实验结束。
8. 计算热平衡状态在实验过程中,当实验样品的温度变化达到平衡状态时,可以停止加热,记录下此时的温度值,记为热平衡温度Te。
9. 计算比热容根据热传导定律的公式Q = mcΔT,根据实测的温度变化值计算出比热容c。
三、探究----不同物质的吸热本领一样吗?知识梳理1.在热传递的过程中,物体内能变化的多少,可用______来量度。
物体吸收了多少热量,物体的内能就____了多少;物体放出了多少热量,物体的内能就____了多少。
2.功、能量、热量的国际单位都是______,符号是______。
3.单位质量的某种物质温度升高(或降低)______所吸收(或放出)的热量,叫做这种物质的____。
在国际单位制中,比热容的单位是________,读作__________;常用单位还有________,读作_________。
4.水的比热容是______________,由于______________,所以水经常用以调节气温、取暖、作冷却剂、散热等。
5.铝的比热容是0.88×103J/(kg·℃),它表示的物理意义是______________ __________。
质量为1kg的铝球与质量为10kg的铝锭的比热容是________的。
6.热量只有在热传递过程中才有意义,其计算公式是______________,不计热损失时:Q吸_____Q放。
(填“>”、“<”或“=”)轻松入门1.有质量相等的A、B两个物体,已知A的比热容大于B的比热容,当它们吸收相等热量后,A升高的温度________B升高的温度。
2.某汽车散热器中装有5 kg的水,在温度升高20℃的过程中,水吸收的热量是_______J。
[水的比热容为4.2×103J/(kg.℃)]3.若以太阳能热水器内装100kg、温度为20℃的水,阳光照射一天后,水温升高到70℃,已知水的比热容为4.2×103 J/(kg•℃),则热水器内的水吸收了_______J的太阳能;这是通过_______的方式改变了水的内能。
4.(2010·淮安 16)水稻是喜温植物,春季育秧时,通常傍晚向秧田灌水,早晨将水放出,以防霜冻.隐含的物理知识是,水的较大.气温降低时,水能 (选填“放出”或“吸收”)较多的 (选填“温度”、“内能”或“热量”).5.(10·海南 17)如图是刘星在“五一”假期探究“海水和海滩的温度随时间变化的规律”时画的一张示意图。
心理学比热容热值实验专题练习
比热容热值实验是心理学中的一种常见的实验方法,用于研究
物质的热性质。
该实验可以帮助我们了解物质在加热或冷却过程中
所需要的能量和温度变化之间的关系。
实验目的
本实验旨在通过比热容热值实验探索物质的热性质和温度变化
之间的关系。
通过测量物质在不同温度下的能量变化,我们可以更
好地了解物质的热性质。
实验方法
1. 准备实验所需材料以及实验装置。
2. 将待测试物质置于实验装置中,确保物质和装置的初始温度。
3. 加热或冷却物质,并记录每个温度点的时间和温度变化。
4. 根据测量结果绘制实验数据图表。
5. 分析实验数据,寻找物质的热性质和温度变化之间的关系。
实验注意事项
- 操作仪器时要谨慎,避免受伤。
- 注意保持实验环境的整洁和安全。
- 在实验过程中严格按照实验流程进行,确保数据的准确性和可靠性。
结论
通过比热容热值实验,我们可以得出物质的热性质和温度变化之间存在一定的关系。
这对于我们了解物质的物理性质和研究热力学方面的问题具有重要意义。
参考文献
- [insert reference here]。
编码:900九年级物理实验专题—比热容和热值日期2022年4月26日星期二11、在比较水和食用油吸热本领的实验中,小明用两个相同的装置分别装了质量相同的水和食用油。
并用(1)表格中,温度数据A 应为 ℃(2)由表中的数据可知:和水比较,食用油吸收热量较 。
(填多、少)(3)为了反映物质吸(放)热的本领引入物理量比热容。
比热容等于质量是1kg 的某物质温度升高(降低)___℃吸收(放出)的热量。
水比食用油比热容____(填大、小)2、某小组同学通过实验探究液体吸收热量的多少与哪些因素有关,他们用相同的酒精灯对一定质量的水进行加热,并测出水升高的温度和相应的加热时间,实验结果如表一所示。
然后他们改变水的质量继续进的水, 成正比。
②分析比较实验序号 中相关实验数据,可以得出的初步结论是:质量不等的水,升高相同的温度,质量越大,吸收的热量越多。
③进一步综合分析比较实验序号1、4或2、5或3、6中的相关实验数据,可得:当水的 时,吸收的热量相等。
④为了结论更具有普遍性,小张认为还需进一步进行实验,请在表四中填入拟进行实验的数据,以完善他们的探究实验。
3、为了比较甲乙两种液体的吸热能力,某同学设计了以下实验:a .在两个同样的烧杯中,分别装入等体积的甲乙两种液体b .用温度计分别测出甲乙两种液体的初温c .在两个烧杯中分别装入功率相同的电热器,且加热时间相同d .用温度计分别测出甲乙两种液体的末温 请解答下列问题: (1)在上述a 、b 、c 、d 四个实验步骤中,存在错误的是步骤 (填写步骤前的字母),该步骤中错误的内容应改为 ;(2)步骤c 中“加热时间相同”是为了使甲乙两种液体 ;(3)如图是甲乙两种液体的温度随时间变化的关系图象.若将液体甲和液体乙加热相同的时间,则液体 温度升高得快,甲乙两种液体的比热容的大小关系是c 甲 c 乙.4、为了比较水和煤油的吸热能力,江涛用两个相同的装置做了如图所示的实验. (1)在两个相同的烧杯中应加入初温相同、 相同的水和煤油;(2)实验中搅拌器的作用是:使液体 ;选用相同酒精灯加热的目的是:使水和煤油在相同时间内 ;(3)实验中发现煤油的温度比水的温度升高得(选填“快”或“慢”),这表明吸热本领更强.5、如图,在两个相同的烧杯中分别装有质量、初温都相同的水和沙子,用两个相同的酒精灯对其加热.(1)加热相同时间后,分别测量两者的温度,发现沙子的温度明显高于水,这是因为;加热时搅拌沙子,目的是.(2)在两烧杯上方分别盖上玻璃片,过一会儿发现装水烧杯上方的玻璃片内侧有小水珠,用手摸两个玻璃片,发现装(沙子/水)烧杯上方的玻璃片温度比较高,原因是.6、同学们为了研究物体温度升高时吸收热量的多少与哪些因素有关,做了如下实验:在四个相同的烧杯中分别盛有水和煤油,用同样的加热器加热。