MQ2_3_1_幕墙预埋件(后置埋件)施工隐蔽验收记录(2016-6-19 11:11:33)
- 格式:pdf
- 大小:36.86 KB
- 文档页数:1
幕墙预埋件(后置埋件)施工隐蔽验收记录mq231 幕墙预埋件(后置埋件)施工隐蔽验收记录 MQ2.3.1项目经理专业工长施工标准名称及代号后置埋件安装施工图名称及编号 1—8轴立面LM—01隐蔽工程部位质量要求施工单位自检记录监理(建设)单位验收记录后置埋件的数量、规后置埋件的数量、规格、1—8轴立面格、标高、位置应符合设标高、位置符合设计要求。
计要求。
后置埋件采用化学锚栓锚栓的锚固长度及拉固定,已做拉拔试验,符合拔值应符合设计要求。
设计要求。
后置埋件的数量、规格、标高、位置符合设计自要求。
后置埋件采用化学锚栓固定,已做拉拔试验,验检符合设计要求。
收结结论论监理工程师:施工单位项目技术负责人: (建设单位项目负责人)专职质检员: 年月日年月日幕墙预埋件(后置埋件)施工隐蔽验收记录 MQ2.3.1项目经理专业工长施工标准名称及代号后置埋件安装施工图名称及编号 8—1轴立面LM—02隐蔽工程部位质量要求施工单位自检记录监理(建设)单位验收记录后置埋件的数量、规后置埋件的数量、规格、8—1轴立面格、标高、位置应符合设标高、位置符合设计要求。
计要求。
后置埋件采用化学锚栓锚栓的锚固长度及拉固定,已做拉拔试验,符合拔值应符合设计要求。
设计要求。
后置埋件的数量、规格、标高、位置符合设计自要求。
后置埋件采用化学锚栓固定,已做拉拔试验,验检符合设计要求。
收结结论论监理工程师:施工单位项目技术负责人: (建设单位项目负责人)专职质检员: 年月日年月日幕墙预埋件(后置埋件)施工隐蔽验收记录 MQ2.3.1项目经理专业工长施工标准名称及代号后置埋件安装施工图名称及编号 G—A轴立面LM—03隐蔽工程部位质量要求施工单位自检记录监理(建设)单位验收记录后置埋件的数量、规后置埋件的数量、规格、G—A轴立面格、标高、位置应符合设标高、位置符合设计要求。
计要求。
后置埋件采用化学锚栓锚栓的锚固长度及拉固定,已做拉拔试验,符合拔值应符合设计要求。
幕墙预埋件(后置埋件)施工隐蔽验收记录MQ2.3.1 项目经理董侃专业工长周荣明施工标准名称
及代号
建筑装饰装修工程质量验收规范(GB50210-2001)施工图名称及
编号
幕墙施工图
隐蔽工程
部位质量要求施工单位自检记录
监理(建设)单位验
收记录
C3#石材
幕墙东立面后置埋件
后置埋件的
材质、规格、数量
后置埋件用钢板加工制成,其
规格、数量符合设计要求
C3#石材幕墙东立面后置埋件
后置埋件的
位置、标高和牢固
度
后置埋件埋入的轴线位
置准确,位置尺寸实测偏差在
±20mm以内;标高实测偏差
在±10mm以内;后置埋件牢
固度符合要求
MQ2.3.1
幕墙预埋件(后置埋件)施工隐蔽验收记录
幕墙预埋件(后置埋件)施工隐蔽验收记录MQ2.3.1
MQ2.3.1
幕墙预埋件(后置埋件)施工隐蔽验收记录
C3#石材幕墙北立面后置埋件
后置埋件的
位置、标高和牢固
度
后置埋件埋入的轴线位
置准确,位置尺寸实测偏差在
±20mm以内;标高实测偏差
在±10mm以内;后置埋件牢
固度符合要求
检结论
经检查,符合设计要求和《建筑
装饰装修工程质量验收规范》
(GB50210-2001)的规定。
施工单位项目技术负责人:
专职质检员:
年月
日
收
结
论
监理工程师:
(建设单位项目负责人)
年
月日。
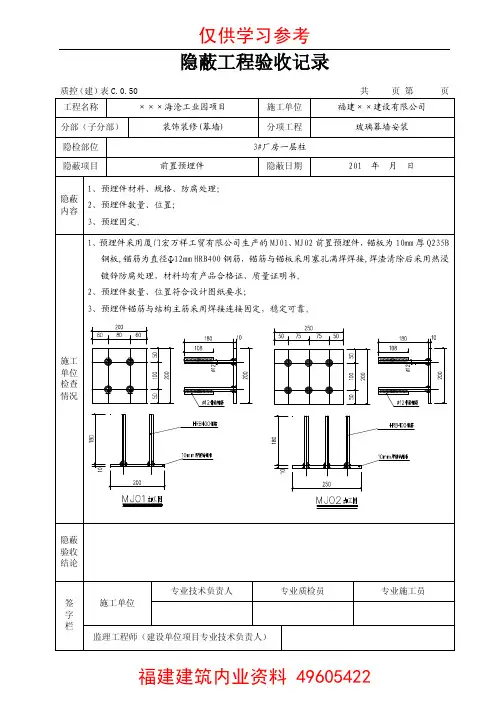
施工技术文件隐蔽工程验收记录工程名称鼎泰和国际金融中心(两岸金融中心地块) 施工单位 中国建筑装饰集团有限公司分部(子分部)工 程分项工程 楼(区)四层幕墙后置埋件名 称 装饰装修(幕墙)名 称隐检部位 楼(区)四层隐蔽项目幕墙后置埋件隐蔽隐蔽日期 年 月 日后置埋板采用规格为:** 的热镀锌板,隐蔽内容施工单位 检查情况隐蔽验收结论签字栏根化学锚栓规格为: *根机械螺栓规格为: *后置埋件与化学锚栓和机械螺栓位置符合设计要求。
幕墙后置埋件经自检符合设计及施工质量验收要求。
年 月 日专业技术负责人专业质检员 专业施工员施工单位注册监理施工全过程管理人员(甲方 技术负人)隐蔽工程验收记录工程名称鼎泰和国际金融中心(厦门两岸金融中心施工单位中国建筑装饰集团有限公司地块)分部(子分部)工程分项工程区裙楼二层幕墙预埋件名称装饰装修(幕墙)名称隐检部位区裙楼二层隐蔽项目幕墙预埋件隐蔽隐蔽日期年月日预埋板采用规格为:**的热镀锌板,四根长度为,直径为的螺纹钢肋。
**的热镀锌板,六根长度为,直径均为的螺纹钢肋。
隐蔽内容 ** 的热镀锌板,九根长度为,直径为的螺纹钢肋。
预埋板与钢筋绑扎位置符合设计要求。
幕墙预埋件经自检符合设计及施工质量验收要求。
施工单位检查情况隐蔽验收年月日结论专业技术负责人专业质检员专业施工员施工单位签字栏注册监理施工全过程管理人员(甲方技术负人)隐蔽工程验收记录鼎泰和国际金融中心(厦门两岸金融中心工程名称施工单位中国建筑装饰集团有限公司地块)分部(子分部)工程分项工程区裙楼三层幕墙预埋件装饰装修(幕墙)名称名称隐检部位区裙楼三层隐蔽项目幕墙预埋件隐蔽隐蔽日期年月日预埋板采用规格为:隐蔽内容施工单位检查情况隐蔽验收结论签字栏**的热镀锌板,四根长度为,直径为的螺纹钢肋。
**的热镀锌板,六根长度为,直径均为的螺纹钢肋。
预埋板与钢筋绑扎位置符合设计要求。
幕墙预埋件经自检符合设计及施工质量验收要求。
幕墙隐蔽工程验收记录示例一、幕墙隐蔽工程检查内容根据施工图纸、相关验收规范、施工方案和技术交底,检查以下内容:1.预埋件(或后置埋件)、连接件、紧固件连接:检查各种埋件、连接件、紧固件的数量、规格、位置、锚固深度和防腐处理等。
2.连接节点处理:检查幕墙顶部(女儿墙部位)、幕墙底部、立柱、梁柱等的连接情况。
3.变形缝及墙面转角处的构造节点处理:检查幕墙的抗震缝、伸缩缝、沉降缝等部位的处理(宜采用详图示意),墙角的连接节点(宜采用详图示意)应符合设计要求和技术标准的规定;变形缝罩面与两侧幕墙结合处不得渗透。
4.幕墙防雷装置设置:检查幕墙是否形成自身的防雷体系,并与主体结构的防雷体系可靠地连接,女儿墙部位的连接节点(宜采用详图示意)应符合设计规定等。
5.幕墙防火、保温及防潮层构造处理。
1)防火材料铺设:检查防火材料品种、材质、耐火等级、铺设厚度、防腐处理是否符合设计和标准规定;铺设应饱满、均匀、无遗漏,厚度一致且不宜小于70mm;防火材料不得与幕墙玻璃直接接触。
防火层的密封材料应采用防火密封胶,防火层与玻璃的间距应大于40mm。
2)防火节点安装:检查防火节点构造是否符合设计要求;安装应牢固,无遗漏,并应严密无缝隙;防火层与幕墙和主体结构间的缝隙必须用防火密封胶严密封闭。
3)玻璃幕墙四周与主体结构之间的缝隙:应检查填塞情况,填塞应饱满、平整、接缝应严密不渗漏。
保温材料密度、厚度应符合设计要求。
二、幕墙隐蔽工程填写要点在幕墙工程隐检记录中,需注明施工图纸编号、幕墙类型、主要材料的规格型号、预埋件、连接件、紧固件的具体位置、连接方法和防腐处理;主体结构与立柱、立柱与横梁的连接情况;玻璃与玻璃、玻璃与玻璃肋间缝隙的填充情况;防雷节点的位置,防火、防水、保温情况等,将检查内容描述清楚。
隐蔽工程验收记录资料编号:0309C5001表C5-1工程名称:****大厦施工单位:XXX监理单位:XXX验收项目:玻璃幕墙(立柱、横梁安装)验收日期:2017年4月11日验收部位:六层,1-17/A-H轴,33.6m~39.2m 隐蔽工程验收记录资料编号:0309C5002工程名称:****大厦施工单位:XXX监理单位:XXX验收项目:玻璃幕墙玻璃安装验收部位:一~六层,北立面,-0.45m~39.2m主要材料名称及规格/型号:6+12+6mm钢化玻璃、DC791硅酮建筑密封胶隐蔽内容:1.玻璃幕墙立柱、横梁安装完毕,氟碳喷涂色泽均匀。
幕墙隐蔽验收记录范例一、幕墙隐蔽工程检查内容依据施工图纸、有关施工验收规范要求和施工方案、技术交底,检查以下内容:1.预埋件(或后置埋件)、连接件、紧固件连接:各种埋件、连接件、紧固件的数量、规格、位置、锚固深度和防腐处理等。
2.连接节点处理:幕墙顶部(女儿墙部位)、幕墙底部、立柱、梁柱等的连接情况。
3.变形缝及墙面转角处的构造节点处理:幕墙的抗震缝、伸缩缝、沉降缝等部位的处理(宜采用详图示意),墙角的连接节点(宜采用详图示意)应符合设计要求和技术标准的规定;变形缝罩面与两侧幕墙结合处不得渗透。
4.幕墙防雷装置设置:幕墙应形成自身的防雷体系,并与主体结构的防雷体系可靠地连接,严禁串联;女儿墙部位的连接节点(宜采用详图示意)应符合设计规定等。
5.幕墙防火、保温及防潮层构造处理。
1)防火材料铺设:防火材料品种、材质、耐火品级、铺设厚度、防腐处置惩罚应吻合设计和标准划定;铺设应饱满、均匀、无漏掉,厚度同等且不宜小于70mm;防火材料不得与幕墙玻璃间接接触。
防火层的密封材料应接纳防火密封胶,防火层与玻璃的间距应大于40mm。
2)防火节点安装:防火节点构造必须符合设计要求;安装应牢固,无遗漏,并应严密无缝隙;防火层与幕墙和主体结构间的缝隙必须用防火密封胶严密封闭。
3)玻璃幕墙四周与主体布局之间的漏洞,应接纳防火保温材料填塞,填塞应饱满、平整、接缝应周密不渗漏。
保温材料密度、厚度应吻合设计请求。
2、幕墙隐蔽工程填写要点幕墙工程隐检记录中要注明施工图纸编号,幕墙类型,主要材料的规格型号、预埋件、连接件、紧固件的具体位置、连接方法和防腐处理;主体结构与立柱、立柱与横梁的连接情况;玻璃与玻璃、玻璃与玻璃肋间缝隙的填充情况;防雷节点的位置,防火、防水、保温情况等,将检查内容描述清楚。
隐蔽工程验收记录表C5-1工程名称施工单位验收项目验收部位XXX玻璃幕墙(立柱、横粱安装)资料编号筑业软件大厦监理单位验收日期0309C5001XXX2017年4月11日六层,1-17/A-H轴,33.6m~39.2m验收内容:1.后置埋件(MJ01、MJ02)使用M12×160的化学螺栓及M12×100的收缩螺栓固定在主体布局上,化学螺栓与收缩螺检对角布置。