隐蔽工程验收记录文本道路
- 格式:docx
- 大小:14.68 KB
- 文档页数:13
市政工程隐蔽工程检查验收记录工程名称:XX市A区市政工程工程地址:XX街道XX号建设单位:XX有限公司施工单位:XX公司验收日期:20XX年X月X日一、隐蔽工程检查情况1.检查范围:本次隐蔽工程检查涵盖给排水工程、道路工程、桥梁工程等方面。
2.检查人员:本次检查由建设单位、施工单位和监理单位的相关负责人共同组成的检查组完成。
3.检查内容:(1)给排水工程:包括供水管道、排水管道、雨水收集系统等方面的检查。
(2)道路工程:包括路面、路基、路肩等方面的检查。
(3)桥梁工程:包括桥基、桥面、桥梁梁、栏杆等方面的检查。
4.检查方法:根据相关工程技术规范和验收标准,采取实地查看、测量、检测、抽样等方式进行检查。
5.检查结果:(1)给排水工程:供水管道、排水管道和雨水收集系统符合设计要求,无渗漏、破损等问题。
(2)道路工程:路面平整、无裂缝、无松动;路基均匀、夯实;路肩平坦、无沉陷。
(3)桥梁工程:桥基结构稳固、无破损;桥面平整、无裂缝;桥梁梁、栏杆符合设计要求。
二、隐蔽工程验收情况1.验收范围:本次隐蔽工程验收包括给排水工程、道路工程、桥梁工程等方面。
2.验收人员:本次验收由建设单位、施工单位和监理单位的相关负责人共同组成的验收小组进行。
3.验收标准:根据相关工程技术规范和设计要求,确保隐蔽工程的质量和功能满足规定要求。
4.验收内容与结果:(1)给排水工程:供水管道、排水管道和雨水收集系统达到设计要求,无渗漏现象,运行正常。
(2)道路工程:路面平整、无裂缝、无松动;路基均匀、夯实;路肩平坦、无沉陷,道路符合交通运行要求。
(3)桥梁工程:桥基结构稳固、无破损;桥面平整、无裂缝;桥梁梁、栏杆符合设计要求,安全可靠。
5.验收结论:本次隐蔽工程检查和验收工作顺利完成,各项工程均符合设计要求,达到验收标准。
三、存在的问题及整改措施1.存在的问题:(1)给排水工程中发现一处供水管道连接处存在渗漏问题。
(2)道路工程中发现一处路面出现裂缝。
隐蔽工程检查验收记录
编号:
日期:2014年月日隐蔽工程检查验收记录
编号:
日期:2014年月日隐蔽工程检查验收记录
编号:
日期:2014年月日隐蔽工程检查验收记录
编号:
日期:2014年月日隐蔽工程检查验收记录
编号:
日期:2014年月日隐蔽工程检查验收记录
编号:
年月日
隐蔽工程检查验收记录
编号:
日期:年月日隐蔽工程检查验收记录
编号:
年月日
隐蔽工程检查验收记录
编号:
2006年月日
隐蔽工程检查验收记录
编号:
日期:年月日
隐蔽工程检查验收记录
编号:
日期:2007年月日
隐蔽工程检查验收记录
编号:
日期:2009年月日
隐蔽工程检查验收记录
编号:
日期:年月日隐蔽工程检查验收记录
编号:
日期:年月日
隐蔽工程检查验收记录
编号:
日期:年月日
隐蔽工程检查验收记录
编号:
日期:年月日
隐蔽工程检查验收记录
编号:
日期:年月日
隐蔽工程检查验收记录
编号:
日期:年月日
隐蔽工程检查验收记录
编号:
日期:年月日。
高速公路隐蔽工程验收记录
验收地点
隐蔽工程位于某高速公路XX段,起点XX公里,终点XX公里,设计单位某某设计咨询有限公司。
验收人员
验收人员共XX人,由甲方、乙方和监理代表各派XX人,其
中甲方XX人、乙方XX人、监理代表XX人。
验收人员结合施工
图纸、合同,现场勘查等数据报告,对该工程进行了全面的评估。
工程概况
本次隐蔽工程主要包括XX、XX、XX等。
验收人员经过对现
场的实地勘查,发现该工程的施工符合设计图纸和施工合同的规定,工程过程严格按照技术标准、施工质量控制要求、工期等方面执行,符合相关法律法规的规定,各项指标均符合验收标准。
存在问题
通过现场勘查和评估,验收人员认为该工程建设存在以下问题:- 问题1
- 问题2
- 问题3
验收人员要求乙方解决上述问题,在规定时间内整改达标。
现场记录
验收人员对该工程现场情况进行了详细记录,包括但不限于:- 工程施工照片
- 验收记录表
- 工程报告
- 现场勘查记录
评定结果
综合上述现场勘查和评估结果,于XX年XX月XX日,我司的验收人员一致同意通过该隐蔽工程验收,认定该工程符合设计图纸和施工合同要求,并准予交付使用。
市政工程隐蔽验收记录项目名称:XXXXXXXX市A路改造工程验收日期:XXXX年XX月XX日一、验收记录1. 建设单位:XXXX有限公司2. 监理单位:XXXX工程监理有限公司3. 施工单位:XXXX建筑工程有限公司二、隐蔽验收内容根据相关的施工规范和设计要求,对以下隐蔽工程进行了验收,并记录如下:1. 排水系统(1)排水管道:使用规格为XXX的PVC管道,安装过程中无漏水、渗水现象,连接牢固。
(2)雨水口:按照设计要求,设置了足够数量和位置合理的雨水口,并进行了密封处理。
2. 给水系统(1)供水管道:采用直径为XXX的钢管,管道表面光滑,无严重锈蚀、破损等情况。
(2)水表井:水表井设置合理,井盖固定完好,无渗水现象。
3. 发电系统(1)发电机组:发电机组功率满足设计要求,启动运行正常,无异常噪音、振动等现象。
(2)配电箱:配电箱安装牢固,电缆连接无松动,防火措施完备。
4. 通信系统(1)光缆敷设:光缆敷设符合设计要求,敷设过程中无损坏、弯折等情况。
(2)通信设备安装:通信设备安装工整,线缆连接牢固,设备运行正常。
5. 公共设施(1)路灯设置:路灯设置位置合理,灯具无损坏,照明效果良好。
(2)交通标志牌:交通标志牌安装牢固,反光效果良好。
根据以上隐蔽验收记录,发现工程各项隐蔽工程符合设计要求和相关规范,无质量问题。
经评定,本次隐蔽验收合格。
四、建议和意见在后续施工和验收过程中,建议各单位严格按照设计要求和规范执行工程,确保工程质量,避免出现质量问题。
以上内容为市政工程隐蔽验收记录,经仔细核查确认无误。
建设单位:监理单位:签章:签章:日期:日期:。
道路路床隐蔽检查验收记录一、工程概况项目名称:XXX道路工程施工单位:XXX公司监理单位:XXX公司工程地址:XXX市XXX区施工日期:XXXX年XX月XX日至XXXX年XX月XX日二、工程内容本次工程主要包括XXX道路路床的施工及相关配套工作。
三、施工过程施工人员按照施工图纸和技术要求,按照规范和施工方案进行施工。
主要施工步骤包括:1.场地清理:清除施工区域内的杂草、垃圾等。
2.基础施工:进行路基的土方开挖、填筑、夯实。
3.路面施工:进行路面石料铺设、压实。
4.排水工程:进行排水沟、雨水口的建设。
5.绿化施工:进行绿化带的种植及栽植。
四、检查内容1.路基土方开挖及填筑的工程质量。
2.路面石料铺设的工程质量。
3.排水沟、雨水口的建设质量。
4.绿化带的种植及栽植质量。
五、检查过程1.路基土方开挖及填筑的工程质量检查:(1)检查土方开挖是否符合设计要求,是否有裂缝和塌方等情况。
(2)检查填方土的质量,包括土的压实度、含水率等。
(3)检查填土的层数及均匀性。
2.路面石料铺设的工程质量检查:(1)检查石料的质量,包括石料的种类、大小等是否符合要求。
(2)检查石料的压实度和平整度,是否有松动现象。
(3)检查石料的厚度,是否符合设计要求。
3.排水沟、雨水口的建设质量检查:(1)检查排水沟及雨水口的尺寸大小是否符合设计要求。
(2)检查排水沟及雨水口的铺设质量,是否有渗漏现象。
(3)检查排水沟及雨水口的连接性,是否有松动或裂缝。
4.绿化带的种植及栽植质量:(1)检查绿化带内植物的种类及数量是否符合设计要求。
(2)检查植物的生长情况,是否有死亡或枯黄现象。
(3)检查绿化带的灌溉设施及效果。
六、检查结果根据现场检查情况,本次道路路床的隐蔽工程检查验收结果如下:1.路基土方开挖及填筑的工程质量:合格。
2.路面石料铺设的工程质量:合格。
3.排水沟、雨水口的建设质量:合格。
4.绿化带的种植及栽植质量:合格。
七、存在问题及整改意见1.路基土方开挖及填筑的工程质量方面,存在部分填土层数不够均匀的情况,需要进行整改。
道路工程隐蔽工程验收记录工程名称:XX道路工程工程地点:XX市XX区XX路工程编号:XX-XXXXX一、背景介绍XX道路工程位于XX市XX区XX路,该路段是XX市交通枢纽连接线,是一条重要的市级道路。
为了提升道路通行能力,改善交通拥堵状况,该工程计划对该路段进行扩容改造,并进行隐蔽工程建设。
二、隐蔽工程验收情况2.1下水道隐蔽工程下水道隐蔽工程主要包括排水系统、污水管道等。
经过施工方的现场展示、工程质量检查和测试,下水道隐蔽工程符合相关技术标准和施工规范要求。
下水道采取了合理的布局和坡度设计,具备良好的排水功能。
污水管道采用了高强度材料,经过密封性测试,没有渗漏问题。
现场检查未发现明显的质量问题,达到了验收要求。
2.2燃气管道隐蔽工程燃气管道隐蔽工程主要包括燃气管道敷设和接口连接。
施工方按照相关规范和要求进行了管道的敷设和接口连接,并进行了压力测试。
测试结果显示,燃气管道系统存在一定的密封问题,经过调整和修复后,通过了压力测试,不存在安全隐患。
现场没有发现管道接头开裂、焊接质量差等问题,符合验收要求。
2.3电力线路隐蔽工程电力线路隐蔽工程包括电缆敷设和接线。
施工方按照相关规范和要求进行了电缆的敷设和接线,并进行了电气测试。
测试结果显示,电力线路系统符合设计要求,不存在短路、漏电等问题。
现场检查电缆接头牢固,接线正确,无明显的安全隐患,达到了验收要求。
三、隐蔽工程存在问题及处理情况3.1下水道隐蔽工程存在的问题及处理情况(详细描述存在的问题及施工方的处理情况)3.2燃气管道隐蔽工程存在的问题及处理情况(详细描述存在的问题及施工方的处理情况)3.3电力线路隐蔽工程存在的问题及处理情况(详细描述存在的问题及施工方的处理情况)四、总结与建议通过对隐蔽工程的验收情况进行全面的检查和评估,发现了一些问题并及时处理。
除上述列举的问题外,整个隐蔽工程的质量基本符合设计要求和建设规范,具备良好的工程质量和安全性。
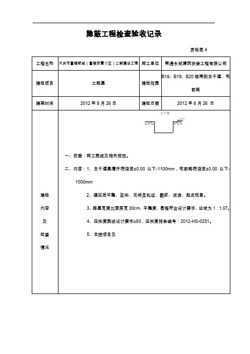
隐蔽工程验收记录道路隐蔽工程验收记录质检表:工程名称岳普湖县团结路道路改造工程建设单位岳普湖县住建局施工单位山东宏基建设集团有限公司监理单位新疆高新工程建设监理有限责任公司验收部位路槽开挖隐蔽检查内容说明:岳普湖县团结路道路改造工程道路采用机械开挖装车外运土方,人工清理路槽至设计标高,全线道路路槽宽度不小于5.0米行道+2米现状绿化带+9.米机动车道+9.米机动车道+2米现状绿化带+5.0米行道。
道路内清理干净、无杂物。
施工单位检查结果主控项目全部合格,一般项目满足规范规定要求项目专业质量检查员:2014.9.2项目专业技术负责人专业工长(施工员)监理(建设)单位结论监理工程师:2014.9.2质检表:工程名称岳普湖县团结路道路改造工程建设单位岳普湖县住建局施工单位山东宏基建设集团有限公司监理单位新疆高新工程建设监理有限责任公司验收部位填方清表隐蔽检查内容说明:1、按设计及规范要求,我单位已完成段机动车道清表施工,施工内容为:将原地面的草皮,树根、杂物、淤泥腐殖土、生活垃圾等全部清理外运;2、路段清表宽度为4.5米人行道+2.0米绿化带+7.5米机动车道+7.5米机动车道+2.0米绿化带+4.5米人行道,清表平均厚度为4.5米人行道+2.0米绿化带+7.5米机动车道+7.5米机动车道+2.0米绿化带+4.5米人行道;3、清表后进行槽底压实工作,压实度不小于94%。
施工单位检查结果主控项目全部合格,一般项目满足规范规定要求项目专业质量检查员:年月日项目专业技术负责人专业工长(施工员)监理(建设)单位结论同意下道工序施工监理工程师:年月日质检表:工程名称岳普湖县团结路道路改造工程建设单位岳普湖县住建局施工单位山东宏基建设集团有限公司监理单位新疆高新工程建设监理有限责任公司验收部位土方路基隐蔽检查内容说明:1、该图为示意图,尺寸为厘米为单位。
2、我单位已按要求完成为k0+000—k0+425.140米段土方路基施工工作,路基填挖宽度为4.5米人行道+2.0米绿化带+7.5米机动车道+7.5米机动车道+2.0米绿化带+4.5米人行道:具体施工内容为:挖掘机挖装土方,自卸车运天然砂砾,摊料、散水车散水,压路机碾压,分层回填压实度不小于94%。