板式换热器公称换热面积
- 格式:docx
- 大小:12.81 KB
- 文档页数:1
板换换热器计算公式板换换热器是一种常见的换热设备,广泛应用于化工、石油、食品、医药等行业。
它通过板式换热器内部的板片将两种流体进行换热,达到升温或降温的目的。
在工程实际中,需要对板换换热器进行计算和设计,以确保其换热效果和运行安全。
本文将介绍板换换热器的计算公式及其应用。
一、板换换热器的热传导计算。
板换换热器的热传导计算是指在给定的工况下,计算板换换热器内部的传热系数和传热面积。
其计算公式如下:1.传热系数的计算。
板换换热器的传热系数可以通过Nusselt数计算得到,Nusselt数的计算公式为:Nu = hL/k。
其中,Nu为Nusselt数,h为传热系数,L为板片间距,k为传热介质的导热系数。
通过该公式可以计算出板换换热器内部的传热系数。
2.传热面积的计算。
传热面积的计算是指在给定的工况下,计算板换换热器内部的传热面积。
传热面积的计算公式为:A = Q/(UΔT)。
其中,A为传热面积,Q为换热量,U为总传热系数,ΔT为温度差。
通过该公式可以计算出板换换热器内部的传热面积。
二、板换换热器的压降计算。
板换换热器的压降计算是指在给定的工况下,计算板换换热器内部的流体压降。
其计算公式如下:ΔP = f(ρv^2/2)。
其中,ΔP为压降,f为摩擦阻力系数,ρ为流体密度,v为流速。
通过该公式可以计算出板换换热器内部的流体压降。
三、板换换热器的换热面积计算。
板换换热器的换热面积计算是指在给定的工况下,计算板换换热器内部的换热面积。
其计算公式如下:A = (mCpΔT)/(UΔTm)。
其中,A为换热面积,m为质量流量,Cp为比热容,ΔT为温度差,U为总传热系数。
通过该公式可以计算出板换换热器内部的换热面积。
四、板换换热器的换热器表面积计算。
板换换热器的换热器表面积计算是指在给定的工况下,计算板换换热器内部的换热器表面积。
其计算公式如下:A = (mCpΔT)/(UΔTm)。
其中,A为换热器表面积,m为质量流量,Cp为比热容,ΔT为温度差,U为总传热系数。
板式换热器例题1、换热器换热量的计算w t Gc Q 1046750)2065(4187360020000=-⨯⨯=∆= 2、外网进入热水供应用户的水流量s kg t c Q G /10)7095(418710467500=-=∆= 3、加热水的流通断面积换热器内水的流速取0.1~0.5m/s 。
加热水的平均温度为(95+70)/2=82.5℃,该温度下水的密度为970.2kg/m 3。
200206.02.9705.010m w G f r r r =⨯==ρ 4、被加热水的流通断面积换热器内水的流速取0.1~0.5m/s 。
被加热水的平均温度为(65+20)/2=42.5℃,该温度下水的密度为991.2kg/m 3。
201868.02.9913.0360020000m w G f l l l =⨯⨯==ρ 5、选型初选BR12型板式换热器,单片换热面积为0.12m 2/片,单通道流通断面积为0.72×10-3。
6、实际流速加热水流道数为281072.00206.03=⨯==-d r r f f n 被加热水流道数为261072.001868.03=⨯==-d l l f f n 取流道数为28。
加热水实际流速s m f n G w r d r r /5.02.9701072.0281030=⨯⨯⨯==-ρ 被加热水实际流速s m f n Gw l d l l /28.02.9911072.02856.53=⨯⨯⨯==-ρ 7、传热系数查图知传热系数为3600w/m 2.K 。
8、传热温差()()()()℃396595207065952070)()()()(11221122=-----=-----=∆In t t In t t t p ττττ 9、传热面积246.73936001046750m t K Q F p =⨯=∆= 10、需要的片数6212.046.7===d F F N 11、实际片数考虑一个富裕量。
传热效率高:板片波纹的设计以高度的薄膜导热系数为目标,板片波纹所形成的特殊流道,使流体在极低的流速下即可发生强烈的扰动流(湍流),扰动流又有自净效应以防止污垢生成因而传热效率很高。
一般地说,板式换热器的传热系数K值在3000~6000W/m2.oC范围内。
这就表明,板式换热器只需要管壳式换热器面积的1/2~1/4 即可达到同样的换热效果。
随机应变:由于换热板容易拆卸,通过调节换热板的数目或者变更流程就可以得到最合适的传热效果和容量。
只要利用换热器中间架,换热板部件就可有多种独特的机能。
这样就为用户提供了随时可变更处理量和改变传热系数K值或者增加新机能的可能。
热损失小:因结构紧凑和体积小,换热器的外表面积也很小,因而热损失也很小,通常设备不再需要保温。
使用安全可靠:在板片之间的密封装置上设计了2道密封,同时又设有信号孔,一旦发生泄漏,可将其排出热换器外部,即防止了二种介质相混,又起到了安全报警的作用。
有利于低温热源的利用:由于两种介质几乎是全逆流流动,以及高的传热效果,板式换热器两种介质的最小温差可达到1oC。
用它来回收低温余热或利用低温热源都是最理想的设备。
冷却水量小:板式换热器由于其流道的几何形状所致,以及二种液体都又很高的热效率,故可使冷却水用量大为降低。
反过来又降低了管道,阀门和泵的安装费用。
占地少,易维护:板式换热器的结构极为紧凑,在传热量相等的条件下,所占空间仅为管壳式换热器的1/2~1/3。
并且不象管壳式那样需要预留出很大得空间用来拉出管束检修。
而板式换热器只需要松开夹紧螺杆,即可在原空间范围内100%地接触倒换热板的表面,且拆装很方便。
阻力损失少:在相同传热系数的条件下,板式换热器通过合理的选择流速,阻力损失可控制在管壳式换热器的1/3范围内。
投资效率高:在相同传热量的前提下,板式换热器与管壳式换热器相比较,由于换热面积,占地面积,流体阻力,冷却水用量等项目数值的减少,使得设备投资、基建投资、动力消耗等费用大大降低,特别是当需要采用昂贵的材料时,由于效率高和板材薄,设备更显经济。
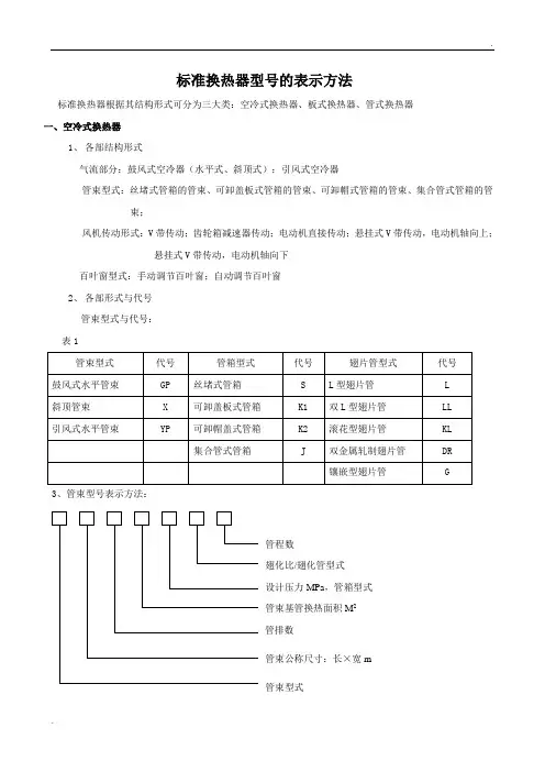
标准换热器型号的表示方法
标准换热器根据其结构形式可分为三大类:空冷式换热器、板式换热器、管式换热器
一、空冷式换热器
1、各部结构形式
气流部分:鼓风式空冷器(水平式、斜顶式);引风式空冷器
管束型式:丝堵式管箱的管束、可卸盖板式管箱的管束、可卸帽式管箱的管束、集合管式管箱的管束;
风机传动形式:V带传动;齿轮箱减速器传动;电动机直接传动;悬挂式V带传动,电动机轴向上;
悬挂式V带传动,电动机轴向下
百叶窗型式:手动调节百叶窗;自动调节百叶窗
2、各部形式与代号
管束型式与代号:
表1
3、管束型号表示方法:
4 、风机型号表示方法:
5、构架型号表示方法:
6、百叶窗型式表示方法:
7、空冷器型号的表示方法:
二、板式换热器:
1、常用的板片波纹形式代号:
表2
2、常用的框架形式代号:表3
3、板式换热器型号的表示方法:
三、管式换热器:
本表示方法适用于卧式和立式换热器。
管壳式换热器的名称构造一览表。
板式换热器选型与计算方法板式换热器的选型与计算方法板式换热器的计算方法板式换热器的计算是一个比拟复杂的过程,目前比拟流行的方法是对数平均温差法和NTU法。
在计算机没有普及的时候,各个厂家大多采用计算参数近似估算和流速-总传热系数曲线估算方法。
目前,越来越多的厂家采用计算机计算,这样,板式换热器的工艺计算变得快捷、方便、准确。
以下简要说明无相变时板式换热器的一般计算方法,该方法是以传热和压降准那么关联式为根底的设计计算方法。
以下五个参数在板式换热器的选型计算中是必须的:总传热量(单位:kW).一次侧、二次侧的进出口温度一次侧、二次侧的允许压力降最高工作温度最大工作压力如果传热介质的流量,比热容以及进出口的温度差,总传热量即可计算得出。
温度T1 = 热侧进口温度T2 = 热侧出口温度t1 = 冷侧进口温度t2= 冷侧出口温度热负荷热流量衡算式反映两流体在换热过程中温度变化的相互关系,在换热器保温良好,无热损失的情况下,对于稳态传热过程,其热流量衡算关系为:〔热流体放出的热流量〕=〔冷流体吸收的热流量〕在进展热衡算时,对有、无相变化的传热过程其表达式又有所区别。
〔1〕无相变化传热过程式中Q----冷流体吸收或热流体放出的热流量,W;mh,mc-----热、冷流体的质量流量,kg/s;Cph,Cpc------热、冷流体的比定压热容,kJ/(kg·K);T1,t1 ------热、冷流体的进口温度,K;T2,t2------热、冷流体的出口温度,K。
〔2〕有相变化传热过程两物流在换热过程中,其中一侧物流发生相变化,如蒸汽冷凝或液体沸腾,其热流量衡算式为:一侧有相变化两侧物流均发生相变化,如一侧冷凝另一侧沸腾的传热过程式中r,r1,r2--------物流相变热,J/kg;D,D1,D2--------相变物流量,kg/s。
对于过冷或过热物流发生相变时的热流量衡算,那么应按以上方法分段进展加和计算。
B100L 板片换热面积计算
本计算书按照标准:GB16409-1996 《板式换热器》规定内容进行计算与核定,适用于最大压力不超过2.5MPa 的板式换热器板片换热面积计算。
参考标准:
GB16409-1996 《板式换热器》
GB3280-92 《不锈钢冷轧钢板》
GB/T 14845-93 《板式换热器用钛板》
JB 4720-94 《压力容器无损检测》
板式换热器的设计、制造除应符合相关标准和国家有关的法规以外,制造还应符合图样要求。
根据GB16409-1996但板片换热面积计算的定义,换热面积按公式(1)进行计算: 1a a φ=• …………………………………………(1) 式中:a ——单板片换热面积,㎡;
φ——展开系数,板片展开面积与投影面积之比,按(2)式计算:
't t φ=
…………………………………………(2) 式中: 't ——波纹节距展开长度,mm ;
t ——波纹节距(如图1所示),mm ;
1a ——在垫片内侧参与换热部分的板片投影面积,㎡。
根据上述公式和B100L 板片的板片图纸,测量以及计算得出't =13mm ,t =21mm ,φ≈0.5㎡,将所得数据代入公式(1)和公式(2),得出B100L 的单板片换热面积约为0.3㎡,
最后,由单片换热面积可知,
经过圆整后的整台板式换热器中换热面积为有效的板片数(板片总数减2)与单板计算
面积之积。
(N 2)p A a =- ……………………………………(3) 式中:A ——换热面积,㎡;
N p ——板片总数。
化工原理课程设计——换热器设计本课题研究的目的要紧是针对给定的固定管板式换热器设计要求,通过查阅资料、分析设计条件,以及换热器的传热运算、壁厚设计和强度校核等设计,差不多确定固定管板式换热器的结构。
通过分析固定管板式换热器的设计条件,确定设计步骤。
对固定管板式换热器筒体、封头、管板等部件的材料选择、壁厚运算和强度校核。
对固定管板式换热器前端管箱、后端管箱、传热管和管板等结构进行设计,对换热器进行开孔补强校核。
绘制符合设计要求的固定管板式换热器的图纸,给出相关的技术要求;在固定管板换热器的结构设计过程中,要参考相关的标准进行设计,比如GB-150、GB151……,使设计能够符合相关标准。
同时要是设计的结构满足生产的需要,达到安全生产的要求。
通过设计过程达到熟悉了解换热器各部分结构特点及工作原理的目的。
关键词:换热器;固定管板;设计;强度名目摘要 ....................................................... 错误!未定义书签。
1绪论 (1)1.2固定管板换热器介绍 (2)1.3本课题的研究目的和意义 (3)1.4换热器的进展历史 (4)2产品冷却器结构设计的总体运算 (6)2.1 产品冷却器设计条件 (6)2.2前端管箱运算 (8)2.2.1前端管箱筒体运算 (8)2.2.2前端管箱封头运算 (10)2.3后端管箱运算 (11)2.3.1后端管箱筒体运算 (11)2.3.2后端管箱封头运算 (12)2.4壳程圆筒运算 (13)3各部分强度校核 (15)3.1开孔补强运算 (15)3.2壳程圆筒校核 (18)3.3管箱圆筒校核 (19)4换热管及法兰的设计 (20)4.1换热管设计 (20)4.2管板设计 (21)4.3管箱法兰设计 (22)4.4壳体法兰设计 (25)4.5各项系数运算 (27)5 产品冷却器制造过程简介 (34)5.1 总则 (34)5.2零部件的制造 (34)结论 (43)参考文献: (44)致谢 (44)1绪论1.1换热器的作用及分类在工业生产中,换热设备的要紧作用是使热量由温度较高的流体传递给温度较低的流体,使流体温度达到工艺过程规定的指标,以满足工艺过程上的需要。
简单计算板式换热器板片面积WTD standardization office【WTD 5AB- WTDK 08- WTD 2C】选用板式换热器就是要选择板片的面积的简单方法:Q=K×F×Δt,Q——热负荷K——传热系数F——换热面积Δt——传热温差(一般用对数温差)传热系数取决于换热器自身的结构,每个不同流道的板片,都有自身的经验公式,如果不严格的话,可以取2000~3000。
最后算出的板换的面积要乘以一定的系数如。
艾瑞德板式换热器(江阴)有限公司作为专业的可拆式板式换热器生产商和制造商,专注于可拆式板式换热器的研发与生产。
ARD艾瑞德专业生产可拆式板式换热器(PHE)、换热器密封垫(PHEGASKET)、换热器板片(PHEPLATE)并提供板式换热器维护服务(PHEMAINTENANCE)的专业换热器厂家。
ARD艾瑞德拥有卓越的设计和生产技术以及全面的换热器专业知识,一直以来ARD致力于为全球50多个国家和地区的石油、化工、工业、食品饮料、电力、冶金、造船业、暖通空调等行业的客户提供高品质的板式换热器,良好地运行于各行业,ARD已发展成为可拆式板式换热器领域卓越的厂家。
ARD艾瑞德同时也是板式换热器配件(换热器板片和换热器密封垫)领域专业的供应商和维护商。
能够提供世界知名品牌(包括:阿法拉伐/AlfaLaval、斯必克/SPX、安培威/APV、基伊埃/GEA、传特/TRANTER、舒瑞普/SWEP、桑德斯/SONDEX、艾普尔.斯密特/、风凯/FUNKE、萨莫威孚/Thermowave、维卡勃Vicarb、东和恩泰/DONGHWA、艾克森ACCESSEN、MULLER、FISCHER、REHEAT等)的所有型号将近2000种的板式换热器板片和垫片,ARD艾瑞德实现了与各品牌板式换热器配件的完全替代。
全球几十个国家的板式换热器客户正在使用ARD提供的换热器配件或接受ARD的维护服务(包括定期清洗、维修及更换配件等维护服务)。
板式换热器使用说明书一、概况板式换热器是液—液、液—汽进行热交换的理想设备。
它具有换热效率高,热损失小、结构紧凑轻巧、占地面积小、安装清洗方便、应用广泛、使用寿命长等特点。
在相同压力损失情况下,其传热系数比管式换热器高3—5倍,占地面积为管式换热器的三分之一,热回收率可高达90%以上。
板式换热器广泛应用于冶金、石油、化工、食品、制药、船舶、纺织、造纸等行业,是加热、冷却、热回收、快速灭菌等用途的优良设备。
二、结构及外形尺寸BR型系列产品,整机装配有普通式结构(不经常拆洗工况采用)和悬挂式结构(拆洗较频繁的工况采用)两种。
普通式结构由人字形波纹板片、密封垫、压紧板、上下定位螺栓、压紧螺栓等主要零件组成。
悬挂式结构由人字形波纹板片、密封垫、固定压紧板、中间板、活动压紧板、支架、上下定位横梁、压紧螺栓等主要零件组成。
三、技术参数及规格型号表示方法1、技术参数传热系数 W/㎡℃2000~60002、规格型号表示方法:表示:人字形板式换热器,单板片换热面积0.2㎡,经过第一次改型,工作压力1.6Mpa,工作温度150℃,单机公称换热面积20㎡,流程组合形式2×25 ,式中分子表示热介质,分母表示冷介质,2表示程数有2程,亦为折流次数,25表示每程有25条流道。
四、流程工作原理板式换热器由于板片波纹表面的特殊作用,使流体沿着狭窄弯曲的通道流动其速度的大小方向不断的改变,致使流体在不大的流速下(Rc=200时),激起了强烈端动,因而加快了流体边界层的破坏,强化了传热过程,有效地提高了传热能力。
并使其具有结构紧凑、金属耗量低、操作灵活性大、热损失小、安装、检查拆洗方便、耐腐性强、使用寿命长等突出优点。
换热器的流程是由许多板片按一定工艺及需方技术工作要求组装而成的。
组装时A板和B 板交替排列,板片间形成网状通道四个角孔形成分配管和汇合管,密封垫把冷热介质密封在换热器里,同时又合理的将冷热介质分开而不致混合。
如何计算换热器的换热面积购买换热器的朋友都知道,一台换热器需要哪些参数,相信最头疼的就说换热面积怎么算,今天江苏昌盛密封材料有限公司的技术沈经理为我们汇总了三个估算方法,大家可以收藏哦!板式换热器换热面积的提高是有利于换热负荷提高的,但是当换热面积增加到一定程度时,雷诺数变小,可能由紊流变为层流,这样将使传热系数下降,反而降低热负荷,这种影响有时甚至会比用原面积进行换热的效果还差,是一个物极必反的道理,所以换热面积达到一个平衡适合的值最合适。
计算板式换热器换热面积的3种方法:(一)平均温差法根据传热的基本方程式,可求得所需的换热面积为F=Q /K .ΔtmTip:Q—热流量(W),△tm—对数平均温差(℃),F—传热面积(m2)(二)传热单元数法传热单元数是反映冷热流体间换热过程难易程度的参数,也是衡量换热器传热能力的参数。
传热单元数NTU的定义式可更广泛地表达为(NTU₁)=KA / C₁或(NTU₂)=KA / C₂=γ₁(NTU₁)式中C₁,C₂—分别为热、冷流体的热容量。
显然,只要已知NTU、C及总传热系数K值,换热面积即可由获得。
传热单元数的大小和温度效率ε及梁欢热流体的热容量之比γ有关。
温度效率ε是指参与换热的任意流体的温度变化与冷、热流体的进口温度差之比,即ε₁=(t₁′-t₁″)/(t₁′-t₂′)或ε₂=(t ₂″-t ₂′)/(t₁′-t₂′)=γ₁ε₁其中热容量比γ为γ₁=C₁/C₂或γ₂=C₂/C₁=1 /γ₁通过建立能量平衡方式,可求得温度效率和传热单元数、热容量之比之间的关系。
(三)流程组合确定后换热面积的计算无论应用平均温差法还是应用NTU法,计算板换换热面积都要先设定一个流程组合,由计算所得的热换面积和该流程组合的换热面积相等或稍小时能满足工况的要求,否则应重新设定一个流程组合再作计算,直至满足工况为止。
(二)板式换热器3设计与运行条件3.1板式换热器型式板式换热器采用等截面可拆卸板式换热器(水-水).换热面材质材质为GB316不锈钢。
3.2板式换热器的配置本次招标共需配备2台可拆卸板式换热器(水-水).单台功率22.5MW.单台换热面积950㎡.换热器接管管径按设计所提管径配置.换热器按本技术规范书所提面积订货。
3.3板式换热器设计参数下表为单台22.5兆瓦板式换热器的参数3.4热网循环水水质板式换热器工作介质为热网循环水.水质为软化水.具体水质如下:3.5运行方式板式换热器并联运行。
板式换热器换热量的控制通过控制一次侧(高温介质)流量和控制二次侧(低温介质)流量来实现。
3.6设备的安装地点及标高板式换热器安装在换热站0米层。
4技术要求投标方提供的板式换热器设计、制造、检验与验收应满足国家相关规范中的相关规定.同时应满足本技术规范书中技术要求.如有矛盾时按较高要求执行。
4.1板式换热器性能要求4.1.1投标方所提供的板式换热器是可拆卸板式换热器(水-水).其技术先进、经济合理.成熟可靠的产品.具有较高的运行灵活性。
4.1.2板式换热器能在最大工况点长期连续运行.能满足板式换热器不同运行工况的需要.并且预留能增加10%换热能力板片的安装空间和技术条件。
4.1.3板式换热器不宜选择单板面积太小的板片.避免板片数量过多,要求单板面积大于等于2.5㎡。
4.1.4板式换热器采用板型应使换热器内流体充分湍动.防止板片表面结垢。
4.1.5板式换热器应选用阻力小的板型.保证一次侧(高温介质)压降不大于0.03MPa.二次侧(低温介质)压降不大于0.03MPa。
4.1.6板式换热器板片厚度应不小于0.7mm。
4.1.7板式换热器额定工况运行时.二次侧(低温介质)出口温度偏差不应出现负偏差。
4.1.8板片波纹形式应采用技术成熟、有成功使用业绩的波纹形式。
4.1.9板式换热器外部、内部保证不泄漏.一、二次水禁止混流。
固定管板式换热器型式与基本参数
1.换热面积:换热器的换热效率与换热面积有关,换热面积越大,换
热效果越好。
根据工业生产的需求,固定管板式换热器的换热面积可以从
几平方米到几千平方米不等。
2.管子类型:固定管板式换热器的管子有各种不同的类型,包括钢管、铜管等。
选择合适的管子类型可以满足不同的工艺需求和介质特性。
3.管板材料:固定管板式换热器的管板材料通常是金属材料,如碳钢、不锈钢等。
根据介质的腐蚀性和温度等要求,选择合适的材料可以保证换
热器的安全和可靠运行。
4.进出口温度和压力:固定管板式换热器在设计过程中要考虑进出口
温度和压力的变化。
这些参数直接影响到换热器的工作状态和换热效果。
5.冷却介质类型:根据工业生产过程的需求,固定管板式换热器可以
使用不同类型的冷却介质,如水、蒸汽等。
选择合适的冷却介质可以提高
换热效率。
6.整体结构:固定管板式换热器的整体结构通常由上盖、下盖、管板
等组成。
合理设计和制造这些部件可以确保换热器的结构强度和密封性能。
7.热量传递方式:固定管板式换热器有多种传热方式,包括对流传热、辐射传热和传导传热等。
根据工艺需求,选择合适的传热方式可以提高换
热效率。
8.清洁方式:固定管板式换热器在运行中会产生污垢和垃圾,影响换
热效果。
选择合适的清洁方式,如机械清洗、化学清洗等,可以保持换热
器的高效率运行。
换热器热量及面积计算公式换热器是工业生产中常用的设备之一,用于将热量从一个介质传递到另一个介质。
其核心功能是通过增大热交换面积,使热量能够更加有效地传递。
在换热器的设计中,热量及面积的计算是至关重要的。
换热器的热量计算是根据热传导的基本原理来进行的。
热传导是指热量从高温区域传递到低温区域的过程。
热传导的速率与温度差、介质的导热系数和热传导距离有关。
换热器的热量传递公式可以表示为:Q=U×A×ΔT其中,Q表示热量传递量,U表示换热系数,A表示换热面积,ΔT表示温度差。
换热系数U是一个关键的参数,它表示单位面积上,单位时间内热量的传递量。
换热系数的大小受多种因素影响,包括换热器的结构、介质的性质和流体运动方式等。
为了计算得到准确的热量传递量,我们需要确定换热系数U的数值。
换热系数U的计算可以根据实际情况采取不同的方法,常见的有经验法、理论法和试验法等。
换热器面积计算公式:换热器的设计中,换热面积的计算是为了满足所需的热量传递量。
基本原则是通过增大换热面积,提高热量的传递效率。
换热器的面积计算公式可以表示为:A=Q/U/ΔT其中,Q表示所需的热量传递量,U表示换热系数,ΔT表示温度差。
根据这个公式,我们可以根据所需的热量传递量来计算换热器的面积。
需要注意的是,在实际应用中,热量及面积的计算往往需要考虑许多复杂的因素,比如介质的流动性质、传热表面的布局和形式、管路的阻力损失等。
因此,在设计换热器时,需要综合考虑这些因素,以确保换热器能够满足所需的热量传递要求。
此外,还有一些常见的换热器类型,如壳管式换热器、板式换热器、螺旋板换热器等,它们的热量及面积的计算公式可能会有所不同。
因此,在实际应用中,需要根据具体的换热器类型和设计要求来选择相应的计算公式。
总结起来,换热器的热量及面积计算是一个复杂的过程,需要综合考虑多种因素。
上述的热量及面积计算公式只是基本的参考,实际设计中还需要根据具体情况进行调整和优化。
产品技术参数:
螺旋板式换热器产品简介
螺旋板式换热器是一种高效换热设备,适用汽—汽、汽—液、液—液,对流传热。
它适用于化学、石油、溶剂、医药、食品、轻工、纺织、冶金、轧钢、焦化等行业。
按结构形式可分为不可拆式(I型)螺旋板式及可拆式(Ⅱ型、Ⅲ型)螺旋板式换热器。
结构及性能
1、本设备由两张钢板卷制而成,形成了两个均匀的螺旋通道,两种传热介质可进行全逆流流动,大大增强了换热效果,即使两种小温差介质,也能达到理想的换热效果。
2、在壳体上的接管采用叨向结构,局部阻力小,由于螺旋通道的曲率是均匀的,液体在设备内流动没有大的转向,总的阻力小,因而可提高设计流速使之具备较高的传热能力。
3、I型不可拆式螺旋板式换热器螺旋通道的端面采用焊接密封,因而具有较高的密封性。
4、Ⅱ型可拆式螺旋板换热器结构原理与不可拆式换热器基本相同,但其中一个通道可拆开清洗,特别适用有粘性、有沉淀液体的热交换。
5、Ⅲ型可拆式螺旋板换热器结构原理与不可拆式换热器基本相同,但其两个通道可拆开清洗,适用范围较广。
6、螺旋板式换热器按公称压力可分为PN0.6、1.0、1.6、2.5MPa(系指单通道能承受的最大工作压力)。
按材质可分为碳素钢和不锈钢。
用户可根据实际工艺情况选用。
7、单台设备不能满足使用要求时,可以多台组合使用,但组合时必须符合下列规定:并联组合、串联组合,设备和通道间距相同。
混合组合:一个通道并联,一个通道串联。
部分规格换热器列举如下:
不锈耐酸钢制PN0.6、1.6MPa不可拆式(I型)螺旋板换热器
碳素钢制PN0.6、1.6MPa不可拆式(I型)螺旋板换热器。
初选固定板式换热器规格【备注(1)】尺寸如下:3.3计算管、壳程的对流传热系数(a).管程 管程流通面积: m N N d S PT ii 220148.029402.0785.04=⨯⨯==π管内有机液流速:s m sW u h i 513.00148.0100036002200036000=⨯⨯==ρ管程传热系数 1026000.11000513.002.0103=⨯⨯⨯==-μρiii ei u R d 冷却水被加热,所以()℃/2084302.0621.0023.0023.024.08.03.0621.0100.11000187.4102600Pr ∙=-⨯⨯=∙=⨯⨯⨯m R dw i ei ii i λα(b ).壳程选用缺口高度为25%的拱形挡板【备注(3)】,取折流板间距h 为200mm 故 折流板数目:2212.05.41=-=-=h l N B 壳程流通面积:()m d S t hD 2000175.0032.0025.014.02.0/1=⎪⎭⎫⎝⎛-⨯⨯=-=壳程中有机液速率: s m swu 585.00175.0950360035000360000=⨯⨯==ρ正方形排列当量直径为: ()()m d d t d e 027.0025.014..3785.04785.04025.0032.02222=⨯⨯-⨯=-=π雷诺数: 31800001.0742.0950585.0027.000=⨯⨯⨯==μρu d R ee普兰特数: 9.9172.0/001.0742.01000034.2/0=⨯⨯⨯==λμc P p r有机液被冷却,所以95.014.0=⎪⎪⎭⎫⎝⎛μμw ,得()()℃/140095.0027.0172.036.095.00036.023155.03155.0009.931800∙=⨯⨯⨯⨯=⨯=m p R dw r e eλα4计算传热面积传热系数: dd dd R d d R iiisi m so ααλδ000011K++++=计查表,取污垢热阻Rsi=0.176310-⨯ m 2·℃/W , Rso=0.58310-⨯ m 2·℃/W 忽略管壁热阻,则0022.020********/200.0010.580.001 0.176140011K=⨯++⨯+⨯+=计所以:()℃/4512K ∙=m w 计 故:m K A m Q 254.2922.25451336000t =⨯=∆=计计,与估计值96.28=A 估m 2又1002.154.295.32==AA 计实,即传热面积有10.02%的裕度。
列管换热器的换热面积是如何计算的呢?是以内径还是外径为计算基准呢?如25*3的管长度2m 数量300理论计算的换热面积该是多少呢?1. 一般是按外径来计算,不过也有按中径计算的,但没听说过按内径的。
2. 换热器如果是固定管板式换热器,按外径计算的话:换热面积=3.1415926xD(外径)x L(长度)xn(数量)=3.1415926 x0.025x2x300=47.12平方米3. 提醒一点:L长度应该为有效长度,即为两管板间的距离,等于换热管长度减去两端伸出管板高度,再减去两倍管板厚度的长度。
版主说的对,但结论47.12有误。
换热面积=3.1415926xD(外径)x L(长度)x n(数量)=3.1415926x0.025xLx300=23.5 619xL平方米外径单位:m ;长度单位:m------------------------------换热器设计手册P19这个我们通常按外径计算,但是我要提醒楼主的是计算换热面积和传热系数是对应. 我们制作换热器是都是按照外径计算的,还要减去管板与折流板的面化工原理列管换热器设计!求指导多谢2013-01-03 15:08黄141|分类:工程技术科学|浏览101次设计题目:列管式换热器设计二、操作条件及设计任务1、操作条件柴油处理能力:学号1-18号(进料量)10000吨+学号*1000吨/年学号19-37号(进料量)10000吨+学号*500吨/年(注:本处学号为两位数字的序号)操作时间:8000小时/年进出口温度:学号1-18号:原油;入口温度70℃,出口温度110℃;柴油:入口温度175℃,出口温度130℃学号19-37号:原油;入口温度65℃,出口温度100℃;柴油:入口温度170℃,出口温度130两侧压力降都不应超过0.3at厂址:宁波地区。
2、设计任务:(1)选择适宜的列管式换热器:流程的选择、流速的选择、流体阻力的计算。
(2)工艺计算:有效平均温度差、传热系数K、传热面积A。