八字墙施工工艺
- 格式:doc
- 大小:49.50 KB
- 文档页数:5
XXXX标段工程八字墙施工方案编制:复核:审核:XXXXXXXX管理部二〇一五年七月目录一、首件目的 (1)二、编制依据 (1)三、工程概况 (1)1. 工程简介 (1)2. 气象、水文、地质资料 (2)四、总体施工方案 (2)五、施工准备 (2)1. 技术准备 (2)2. 原材准备 (2)3. 人员配备 (4)4. 机械、仪器配备 (4)六、进度计划 (5)七、主要施工方法及工艺流程 (5)1.测量放样 (5)2.基坑开挖 (5)3.基底处理 (5)4.基底检测 (6)5.基础及墙身砌筑 (6)6.八字墙养生 (8)八、质量保证措施 (9)九、安全保证措施 (9)十、环境保护措施 (11)1. 生态环境的保护措施 (11)2. 水环保措施 (11)3. 大气污染及粉尘污染防治 (11)十一、文明施工 (12)八字墙施工方案一、首件目的我项目部选定 XXXXX钢筋混凝土盖板涵的八字墙为首件。
通过首件施工总结浇注过程中各项指标及施工工艺,以验证施工组织过程中的机械配备、技术及预防措施、组织方式的合理性与有效性,确定最终的施工技术方案,以指导后续工程的施工。
二、编制依据1.《XX施工总承包招标文件》及补遗书。
施工设计图纸及相关文件。
3.现行《公路工程技术标准》及其它交通部部颁标准、规范、规程、概预算编制办法及相关工程定额。
4.《内蒙古自治区交通运输厅关于推行高速和一级公路施工标准化管理的实施意见》及《内蒙古自治区高速和一级公路施工标准化管理指南 ( 试行) 》的相关要求。
5.公路工程质量检验评定标准(土建 JTGF80/1-2004)。
6.现场踏勘调查获取的当地资源、水文气象、交通情况、施工环境和风俗习惯等。
三、工程概况1.工程简介XXXX高速公路临河至白疙瘩段位于内蒙古西部巴彦淖尔市和阿拉善盟境内 , 该项目是国家高速公路网中的第六条放射线 ( 北京至乌鲁木齐 ) 的一部分,也是内蒙古自治区高速公路网“ 8 横 9 纵 8 支 8 环线”第八横的重要组成部分,是北京连接内蒙古西北部、甘肃北部和新疆最为便捷的公路通道。
c30混凝土八字墙施工方案第一份范本(正式风格):尊敬的相关部门/人士:感谢贵单位对我们的合作表示出的关注与支持!根据您的要求,我们为您提供以下C30混凝土八字墙施工方案。
一、项目背景1.1 项目概述1.2 相关要求二、施工方案2.1 施工准备2.1.1 施工人员组织及配备2.1.2 施工材料、设备准备2.1.3 施工区域布置2.2 施工流程2.2.1 地基准备2.2.2 基础浇筑2.2.3 墙体施工2.2.4 水平梁施工2.2.5 墙面维修2.2.6 其他工序2.3 质量控制2.3.1 施工材料质量控制2.3.2 施工工艺质量控制2.3.3 施工现场质量监督三、安全措施3.1 施工人员安全教育3.2 施工区域安全防护3.3 施工过程中的安全操作规范四、环境保护4.1 施工现场环境保护措施4.2 废弃物处理与回收利用五、工期计划5.1 施工进度安排5.2 里程碑节点六、费用预估6.1 劳动费用6.1.1 工人工资6.1.2 设备费用6.1.3 材料费用6.1.4 其他费用6.2 监理费用6.3 税费及其他支出附件:1. 技术图纸2. 材料清单3. 施工进度计划表4. 相关合同及协议法律名词及注释:1. C30混凝土:指抗压强度等级为30MPa的混凝土材料。
2. 施工准备:指施工前的各项准备工作,包括人员组织、材料准备、设备调配等。
3. 施工流程:指施工过程中的具体工序和顺序。
4. 质量控制:指对施工过程中出现的质量问题进行控制和管理的措施。
5. 安全措施:指施工过程中为保障工人生命安全和施工环境的措施。
6. 环境保护:指在施工过程中对周围环境进行保护和污染物的处理措施。
7. 工期计划:指施工过程中的时间安排和进度控制。
8. 费用预估:指对施工过程中的各项费用进行预算和估计。
感谢您对我们方案的关注与肯定!如有任何疑问或进一步的需求,请随时与我们连系。
谨上,[您的公司名称][日期]附件:1、技术图纸2、材料清单3、施工进度计划表4、相关合同及协议法律名词及注释:1、C30混凝土:指抗压强度等级为30MPa的混凝土材料。
^目录一、编制依据、编制原则及编制目的11.1、编制依据11.2、编制原则11.3、编制目的1二、工程概况1三、施工组织安排23.1、工期安排23.2、主要施工人员23.3、施工准备3四、施工工艺44.1、涵洞八字墙施工工艺流程图44.2、施工工艺44.3、质量检验标准6五、质量保证体系65.1质量保证措施65.2质量保证体系75.3、自检质量控制8六、安全保证措施8七、文明施工保证措施9八、环境保护措施9九、职业健康保护措施9八字墙施工方案一、编制依据、编制原则及编制目的1.1、编制依据(1)河北省交通规划设计院集团有限公司关于延庆至崇礼高速公路ZT8标施工图、设计交底资料及答疑等;(2)《公路桥涵施工技术规范》JTG/TF50-2011;(3)《公路工程质量检验评定标准》JTGF80/1-2004;(4)《公路工程技术标准》JTGB01-2014;(5)已批复的《延崇高速ZT8标实施性施工组织设计》;(6)关于印发《河北省高速公路延崇临时筹建处工程建设项目桥涵施工管理办法》的通知;(7)《河北省交通厅工地标准化建设指南》;(8)《公路桥涵地基与基础设计规范》JTGD63-2007;(9)《公路桥梁抗震设计细则》JTG/TB02-01-2008。
1.2、编制原则(1)在充分理解设计文件的基础上,以设计图纸为依据,采用先进、合理、经济、可行的施工方案。
(2)整个工程全过程对环境破坏最小,采取对周围环境保护措施避免周围环境的破坏。
(3)充分应用先进的科学技术和施工设备,做到机械化作业、标准化作业流水作业,坚持技术先进性、科学合理性、经济适用性、安全可靠性相结合原则。
(4)强化质量管理,树立优良工程观念,创一流施工水平,创精品工程。
1.3、编制目的为了对管段内的八字墙施工进行有效的控制,确保八字墙的质量及安全、文明、环保施工作业满足公路工程施工规范、验收标准、安全技术操作规程及合同要求,特制定本施工万案。
涵洞八字墙施工工法集团文件版本号:(M928-T898-M248-WU2669-I2896-DQ586-M1988)涵洞八字墙现浇施工工法1 前言我项目经理部城建郑民高速公路郑州段2标,施工的涵洞通道八字墙取的了业主监理的好评,根据其实工经验编制了本功法。
2 特点2.1 提高了涵洞;通道的砼外观质量,混凝土表面平整光滑,色泽均匀,无碰损和污染,对拉螺栓及施工缝设置整齐美观,达到了清水混凝土标准。
2.2 施工工艺简单,质量可靠,施工安全。
3 适用范围各类涵洞通道现浇八字墙施工,现浇挡土墙,截水墙等也可以参照使用。
4 工艺原理通过对模板的加工、拼接、立模进行严格的控制,对对拉螺栓的位置进行规整布置,对混凝土的制备和振捣进行控制,保证模板的刚度、强度、加工精度,保证模板表面平整、光滑、方正、接缝严密无漏浆,保证浇筑完成的混凝土外漏面达到清水混凝土的标准。
5 施工工艺流程及操作要点5.1 施工工艺流程八字墙施工工艺流程为:八字墙钢筋加工及安装安装八字墙模板浇筑八字墙砼砼养护5.2 操作要点5.2.1测量放样5.2.1.1 采用全站仪对强生进行精确的放样。
5.2.1.2 根据放样点用墨线弹出立模内边线5.2.2 八字墙模板5.2.2.1 钢筋报验合格后可以警醒立模施工。
5.2.2.2 为了保证涵洞通道八字墙表面平整光滑密实颜色一致,采用单块面积大于2m2的整体钢模板,模板面板厚6mm。
模板在生产厂家进行试拼,经监理工程师和质检工程师共检合格后方可起运,到工地后进行二次验收,合格后方可用于工程。
5.2.2.3 对拉螺栓位置应进行设计,保证纵横向在一条线上。
螺栓采用φ16的光圆钢筋制作,八字墙截面范围内采用塑料套管,套管伸出模板并封堵严密,严防漏浆。
5.2.2.4 脱模剂的选用:脱模剂采用色拉油,涂刷必须均匀。
为防止涂油后的尘土污染和曝晒,刷脱模剂后的模板应用塑料薄膜覆盖,立模后长时间未浇筑混凝土,模板应遮盖。
XXXX标段工程八字墙施工方案编制:复核:审核:XXXXXXXX管理部二〇一五年七月目录一、首件目的 (2)二、编制依据 (2)三、工程概况 (2)1.工程简介 (2)2.气象、水文、地质资料 (3)四、总体施工方案 (3)五、施工准备 (4)1.技术准备 (4)2.原材准备 (4)3.人员配备 (5)4.机械、仪器配备 (6)六、进度计划 (6)七、主要施工方法及工艺流程 (7)1.测量放样 (7)2.基坑开挖 (7)3.基底处理 (7)4.基底检测 (7)5.基础及墙身砌筑 (7)6.八字墙养生 (10)八、质量保证措施 (10)九、安全保证措施 (11)十、环境保护措施 (13)1.生态环境的保护措施 (13)2.水环保措施 (13)3.大气污染及粉尘污染防治 (13)十一、文明施工 (14)八字墙施工方案一、首件目的我项目部选定XXXXX钢筋混凝土盖板涵的八字墙为首件。
通过首件施工总结浇注过程中各项指标及施工工艺,以验证施工组织过程中的机械配备、技术及预防措施、组织方式的合理性与有效性,确定最终的施工技术方案,以指导后续工程的施工。
二、编制依据1.《XX施工总承包招标文件》及补遗书。
2.XX施工设计图纸及相关文件。
3.现行《公路工程技术标准》及其它交通部部颁标准、规范、规程、概预算编制办法及相关工程定额。
4.《内蒙古自治区交通运输厅关于推行高速和一级公路施工标准化管理的实施意见》及《内蒙古自治区高速和一级公路施工标准化管理指南(试行)》的相关要求。
5.公路工程质量检验评定标准(土建JTGF80/1-2004)。
6.现场踏勘调查获取的当地资源、水文气象、交通情况、施工环境和风俗习惯等。
三、工程概况1.工程简介XXXX高速公路临河至白疙瘩段位于内蒙古西部巴彦淖尔市和阿拉善盟境内,该项目是国家高速公路网中的第六条放射线(北京至乌鲁木齐)的一部分,也是内蒙古自治区高速公路网“8 横 9 纵 8 支 8 环线”第八横的重要组成部分,是北京连接内蒙古西北部、甘肃北部和新疆最为便捷的公路通道。
高速公路涵洞(通道)八字墙施工方法【摘要】:随着河南高速公路施工技术的日趋完善,河南省内在建高速创优标准不断提高增长,所有在建高速项目都在进行创优探索。
涵洞八字墙由于是不规则实体,尺寸数据较多,施工中很难控制设计数据精确,特别是八字墙墙身顶面在两个方向都是斜的,浇筑混凝土和收面都有很大难度。
由于八字墙直接影响着涵洞外观质量,八字墙施工的好与坏代表着一个施工企业的混凝土施工水平,我单位在八字墙施工中积极探索,结合以往经验和教训,总结了此工法。
【关键词】:涵洞(通道)八字墙施工方法目前,八字墙洞口形式在河南省高速公路工程建设中已被普遍采用,成为一种成熟的施工工艺在普遍推广。
但是,由于技术管理人员责任心不强,业务水平参差不齐,导致八字墙施工质量仍然在不同程度上存在质量缺陷或质量问题。
为此,本人为使八字墙施工整体水平进一步提升,经过广泛搜集资料,不断探索新的施工方法和工艺,悉心总结,终于探索到了新的、适用的八字墙施工方法。
该施工方法以郑州机场至周口西华高速公路(一期)JXZT-8标涵洞(通道)八字墙施工为例,探索这种新的施工方法。
一、施工方法简介:第一步,八字墙基础施工完毕后,及时对八字墙基础顶面进行拉毛、预埋钢筋处理,增强墙八字墙基础与墙身的连接性。
第二步,试拼模板。
本项目八字墙施工采用的模板全部是钢模板,且面板板厚均控制在6mm左右;另外,模板还同时采用多种规格的模板相互组合使用,以保证八字墙混凝土外观质量。
第三步,粘贴亚克力板。
八字墙立面模板拼装好后,立在八字墙立面所在位置;然后涂刷万能胶,粘贴亚克力板。
在粘贴时必须保证粘贴平整,不得鼓包、胀裂、破损现象。
第四步,支架背墙模板。
在背墙模板所在位置进行立模、加固,涂刷脱模剂,背墙模板脱模剂采用液体石蜡。
第五步,支架八字墙端部模板。
由于八字墙端部是变截面,故在施工过程中采用的是10mm厚的胶合板,在胶合板上涂刷液体石蜡。
第六步,模板支架结束,检查合格,浇筑八字墙混凝土。
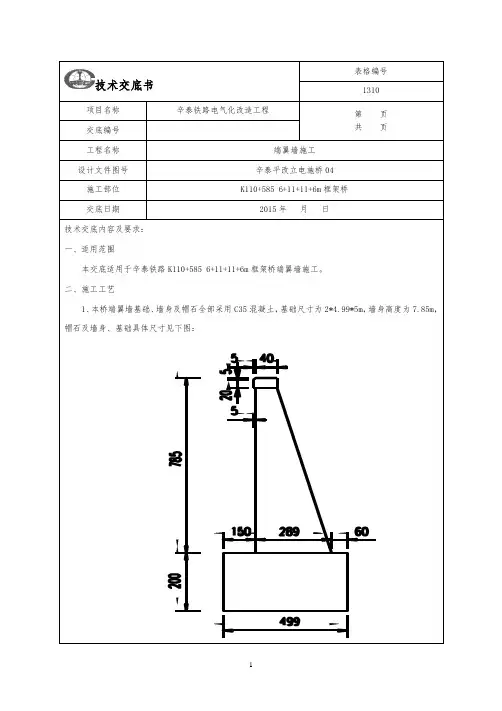
技术交底书1310项目名称辛泰铁路电气化改造工程第页共页交底编号工程名称端翼墙施工设计文件图号辛泰平改立电施桥04施工部位K110+585 6+11+11+6m框架桥交底日期2015年月日技术交底内容及要求:一、适用范围本交底适用于辛泰铁路K110+585 6+11+11+6m框架桥端翼墙施工。
二、施工工艺1、本桥端翼墙基础、墙身及帽石全部采用C35混凝土,基础尺寸为2*4.99*5m,墙身高度为7.85m,帽石及墙身、基础具体尺寸见下图:技术交底书1310项目名称辛泰铁路电气化改造工程第页共页交底编号工程名称端翼墙施工设计文件图号辛泰平改立电施桥04施工部位K110+585 6+11+11+6m框架桥交底日期2015年月日2、墙身模板支立施工1)本工程翼墙模板采用钢模配合木模进行施工,模板支承采用方木配合脚手架进行加固。
2)采购的钢管、扣件、螺丝等零配件,应有出厂合格证明方可使用。
发现有脆裂、变形、滑丝等现象应禁止使用。
3)施工脚手架架立范围内所有路面必须进行夯实,路面设置2%的坡度,在外设排水沟,防止积水。
4)在脚手架底设置方木底座,增加手里面积。
离地面20cm处设置扫地杆。
5)搭设顺序:立杆—横杆—连杆—斜拉杆。
施工时脚手架横向、纵向、竖向步距均为1m,根据是现场情况适当加密,详见附图1。
6)八字墙内侧采用方木进行加固,方木间距1m,一侧顶在模板,另一侧顶在基坑,要求事前清除基坑四壁的松土,必要时设置方木加大受力面积。
7)八字墙正面采用钢管顶撑采用三角体系固定,水平向钢管和斜撑钢管需固定在扫地杆上,竖向钢管连接水平钢管和斜撑钢管,形成稳定的三角体系,斜撑钢管与水平钢管角度控制在40度至50度,按照间距1m进行布设;在三角斜撑间隔设置钢索斜拉,需事先预埋拉环,斜向拉索与水平拉索均固定在拉环上,角度控制在40度至50度,钢索链接采用花篮螺丝,按间距1m进行布设;。
8)周围必须设置防护网和搭设上人梯,上人梯必须设置栏杆并防护。
涵洞八字墙现浇施工工法1前言我项目经理部城建郑民高速公路郑州段2标,施工得涵洞通道八字墙取得了业主监理得好评,根据其实工经验编制了本功法。
2 特点2、1 提高了涵洞;通道得砼外观质量,混凝土表面平整光滑,色泽均匀,无碰损与污染,对拉螺栓及施工缝设置整齐美观,达到了清水混凝土标准、2。
2 施工工艺简单,质量可靠,施工安全、3 适用范围各类涵洞通道现浇八字墙施工,现浇挡土墙,截水墙等也可以参照使用。
4 工艺原理通过对模板得加工、拼接、立模进行严格得控制,对对拉螺栓得位置进行规整布置,对混凝土得制备与振捣进行控制,保证模板得刚度、强度、加工精度,保证模板表面平整、光滑、方正、接缝严密无漏浆,保证浇筑完成得混凝土外漏面达到清水混凝土得标准、5 施工工艺流程及操作要点5、1施工工艺流程八字墙施工工艺流程为: 八字墙钢筋加工及安装安装八字墙模板浇筑八字墙砼砼养护5.2 操作要点5、2。
1测量放样5。
2.1、1采用全站仪对强生进行精确得放样。
5、2。
1、2 根据放样点用墨线弹出立模内边线5、2、2八字墙模板5、2、2、1 钢筋报验合格后可以警醒立模施工。
5、2。
2、2为了保证涵洞通道八字墙表面平整光滑密实颜色一致,采用单块面积大于2m2得整体钢模板,模板面板厚6mm。
模板在生产厂家进行试拼,经监理工程师与质检工程师共检合格后方可起运,到工地后进行二次验收,合格后方可用于工程。
5、2、2。
3 对拉螺栓位置应进行设计,保证纵横向在一条线上。
螺栓采用φ16得光圆钢筋制作,八字墙截面范围内采用塑料套管,套管伸出模板并封堵严密,严防漏浆、5、2.2。
4 脱模剂得选用:脱模剂采用色拉油,涂刷必须均匀、为防止涂油后得尘土污染与曝晒,刷脱模剂后得模板应用塑料薄膜覆盖,立模后长时间未浇筑混凝土,模板应遮盖。
5。
2、2、5 为防止模板底部漏浆出现烂根现象,采用模板支立后底部缝隙用油枪打入膨胀胶,也可采用基础底部切5cm缝,缝内插入薄PVC板。
XXXXXX标段工程八字墙施工方案中国中铁编制:___________复核:___________审核:___________XXXXX)总承包管理部二0—五年七月目录一、首件目的 0二、编制依据 0三、工程概况 01. 工程简介2. 气象、水文、地质资料. (1)四、总体施工方案...........................五、施工准备.............................1. 技术准备2. 原材准备 ..........3. 人员配备 ..........4. 机械、仪器配备. ......六、进度计划..............七、主要施工方法及工艺流程23 (4)4 (5)1.测量放样 (5)2.基坑开挖 (5)3.基底处理 (5)4.基底检测 (5)5.基础模板安装及浇筑. (6)6. 八字墙模板安装及浇筑. (7)7. 八字墙养生. (8)8. 模板拆除8八、质量保证措施9九、安全保证措施 (10)十、环境保护措施 (12)1. 生态环境的保护措施. (12)2. 水环保措施. (12)3. 大气污染及粉尘污染防治. (12)一、文明施工13八字墙施工方案一、首件目的我项目部选定XXXXZX钢筋混凝土盖板涵的八字墙为首件。
通过首件施工总结浇注过程中各项指标及施工工艺,以验证施工组织过程中的机械配备、技术及预防措施、组织方式的合理性与有效性,确定最终的施工技术方案,以指导后续工程的施工。
二、编制依据1. 《XXXXX施工总承包招标文件》及补遗书。
2. XXXXXXX^路工程施工设计图纸及相关文件。
3. 现行《公路工程技术标准》及其它交通部部颁标准、规范、规程、概预算编制办法及相关工程定额。
4. 《内蒙古自治区交通运输厅关于推行高速和一级公路施工标准化管理的实施意见》及《内蒙古自治区高速和一级公路施工标准化管理指南(试行)》的相关要求。
5. 公路工程质量检验评定标准(土建JTGF80/1-2004)。
一、交底目的为确保八字墙施工过程中的安全,提高施工人员的安全意识,预防安全事故的发生,特制定本安全技术交底。
二、交底内容1. 施工前的准备工作- 检查施工场地是否符合安全要求,道路是否畅通,机具是否完好牢固。
- 安全设施和防护用品是否齐全,如安全帽、安全带、防护眼镜、手套等。
2. 施工人员要求- 所有参与施工人员必须经过专业培训,掌握八字墙施工的安全操作规程。
- 施工人员必须熟悉施工图纸,了解施工工艺,确保施工质量。
3. 施工过程中的安全注意事项- 砌筑基础时,检查基坑土质变化情况,如有崩裂现象,立即停止施工,采取相应措施。
- 堆放砖块材料应离开坑边1米以上,深基坑装设档板支撑时,操作人员应设梯子上下,不得攀跳,运料不得碰撞支撑,也不得踩踏砌体和支撑上下。
4. 脚手架搭设与使用- 墙身砌体高度超过地坪1、2米以上时,应搭设脚手架。
- 脚手架上堆料量规定荷载2.5KN/M2,同一块脚手板上的操作人员不应超过2个。
- 一层以上或高度超过4米时,采用脚手架必须支搭安全网,采用外脚手架应设护身栏杆和挡脚板后方可砌筑。
5. 楼层施工安全- 在楼层(特别是预制板面)施工时,堆放机械、砖块等物品不得超过楼板使用荷载。
- 如超过荷载时,必须经过验算采用有效加固措施后方可进行堆放和施工。
6. 施工过程中的其他安全要求- 不准站在墙顶上做划线、刮缝和清扫墙面或检查大角垂直等工作。
- 不准用不稳固的工具或物体在脚手板面垫高操作,更不准在未经过加固的情况下,在一层脚手板上随意再叠加一层,脚手板不允许有空头现象,不准用钢模板作立人板。
- 砍砖时应面向内打,防止碎砖跳出伤人。
7. 紧急情况处理- 发生安全事故时,立即停止施工,及时报告上级领导,并采取紧急措施进行救援。
- 施工现场应配备急救箱,确保伤员得到及时救治。
三、交底时间[填写交底时间]四、交底人[填写交底人姓名及职务]五、签字确认[填写施工人员姓名及职务][填写项目负责人姓名及职务][填写安全管理人员姓名及职务]六、附件1. 八字墙施工安全技术交底记录表2. 八字墙施工安全操作规程七、注意事项1. 本安全技术交底适用于八字墙施工全过程。
标段工程八字墙施工方案编制:复核:审核:管理部二〇一五年七月目录一、首件目的............................................. 错误!未指定书签。
二、编制依据.............................................. 错误!未指定书签。
三、工程概况.............................................. 错误!未指定书签。
1.工程简介............................................ 错误!未指定书签。
2.气象、水文、地质资料................................ 错误!未指定书签。
四、总体施工方案.......................................... 错误!未指定书签。
五、施工准备.............................................. 错误!未指定书签。
1.技术准备............................................ 错误!未指定书签。
2.原材准备............................................ 错误!未指定书签。
3.人员配备............................................ 错误!未指定书签。
4.机械、仪器配备...................................... 错误!未指定书签。
六、进度计划.............................................. 错误!未指定书签。
七、主要施工方法及工艺流程................................ 错误!未指定书签。
1.测量放样........................................... 错误!未指定书签。
帽石、八字墙、截水墙及洞口铺砌施工工艺帽石、八字墙、截水墙和洞口铺砌等是在土木工程和建筑施工中常见的工艺,用于加固、防水或美化建筑物或工程的结构。
下面将详细说明这些工艺的施工过程和技术要点:一.帽石施工工艺:帽石是一种常见的建筑装饰材料,用于加固和美化建筑物的墙顶或顶部结构。
帽石通常由天然石材、人造石材或混凝土制成。
其施工过程主要包括以下步骤:1.准备工作:在进行帽石施工之前,需要对墙体或建筑物的顶部进行清理和准备,确保表面平整、干净,并且没有杂物或积水。
2.测量与划线:根据设计要求和实际尺寸,使用测量工具对需要安装帽石的墙顶进行测量,并在墙顶上进行标线,确定帽石的安装位置和尺寸。
3.砌筑:根据标线,在墙顶上涂抹一层防水砂浆或粘结剂,然后将帽石依次摆放到指定位置上,确保每块帽石之间的间隙均匀,同时使用水平仪检查帽石的水平度和垂直度。
4.固定:在帽石的底部和周围涂抹适量的水泥砂浆,将其固定在墙顶上,确保牢固稳定。
5.修整:使用工具对安装好的帽石进行修整和整齐,清除多余的胶水或砂浆,并确保表面光滑平整。
6.防水处理:在帽石的接缝处和周围进行防水处理,以防止水分渗透到墙体内部。
二.八字墙施工工艺:八字墙是一种常见的土木工程结构,用于加固土坡或防止土方滑坡。
其构造形式呈八字形,具有良好的稳定性和承载能力。
其施工过程主要包括以下步骤:1.测量与规划:根据工程设计要求和实际情况,在土坡上进行测量和规划,确定八字墙的位置、高度和长度。
2.挖掘基坑:在土坡上开挖基坑,根据设计要求确定基坑的尺寸和深度,并清理基坑底部的杂物和泥土。
3.安装基础:在基坑底部铺设一层砂石垫层,然后浇筑混凝土基础,安装钢筋网格或钢筋骨架,以增加八字墙的稳定性和承载能力。
4.砌筑墙体:使用混凝土砖、预制混凝土块或石材砌块等材料,按照设计要求进行墙体砌筑,形成八字形结构,同时在墙体内部设置排水管道,以排除墙体内的积水。
5.填充土方:在八字墙两侧的基坑内填充土方,根据设计要求和土方的性质选择适当的填土材料,并严格控制土方的坡度和密实度。
涵洞、通道八字墙施工总结报告编制人:审核人:商登高速公路商丘段TJ-4项目部2014年04月12日涵洞、通道八字墙首件施工总结一、首件意义为保证工程施工质量,验证施工机械的适应性和施工方法的合理性,并为后续施工提供相关参数,通过首件工程的实施,一方面验证应用于涵洞、通道八字墙首件工程的施工工艺和方法的合理性和可行性,获取相关施工参数和数据,另一方面通过墩柱首件工程施工过程中暴露出的问题,进行分析和总结,制定改进措施,优化施工参数,以指导后续八字墙施工,确保八字墙工程施工质量。
二、作业准备2.1 测量放样:由测量组采用全站仪精确地放出八字墙基础位置,用白灰撒出八字墙基础边线,用木桩在四角固定(开挖时应注意增加保护桩)。
2.2 由中心试验室对原材料进行质量检测,并做好通道工程混凝土配合比试验工作,报监理工程师批准使用。
2.3 进场足够的专业施工人员,要求技能熟练,能严格按照施工技术规范要求操作。
施工人员数量必须满足施工进度计划要求,并报监理工程师审批。
2.4 进场相应的施工机械设备、模板等,要求性能良好,能够达到现行规范要求。
同时施工数量必须满足施工进度计划要求,并报监理工程审批。
2.5 混凝土的拌和采用拌和站集中拌和,混凝土灌车运输至现场。
三、主要工序作业时间记录3.1 基础施工放样:2014年3月1日3.2 基础模板加工及安装:2014年3月4日3.3 基础混凝土浇筑:2014年3月4日20:00开始,23:00结束,共用时3小时3.4 模板拆除:2014年3月6日3.5 墙身施工放样:2014年3月7日3.6 墙身模板加工及安装:2014年3月14日3.7 墙身混凝土浇筑:2014年3月14日19:00开始,2014年3月15日07:00结束,共用时12小时3.8 模板拆除:2014年3月17日四、施工工艺4.1 地基处理按照涵洞(通道)地基处理设计进行施工,处理方式为水泥搅拌桩或碎石垫层处治。
八字口施工方案1. 引言八字口,又称八字门,是一种具有独特形状的建筑结构,常见于传统建筑中。
八字口能够增加建筑的美观度和可视性,因此在建筑设计中得到了广泛应用。
本文将介绍八字口的施工方案,包括施工准备、材料选择、施工流程等内容。
2. 施工准备在进行八字口施工之前,需要做好一些准备工作。
2.1 施工前勘测在进行施工之前,需要对工程现场进行勘测,确定八字口的具体位置、尺寸和形状。
勘测过程中需要考虑建筑的整体结构和周围环境,以确保施工过程中不会对已有的结构产生影响。
2.2 施工图纸设计根据勘测结果,设计施工图纸。
施工图纸需要明确八字口的尺寸、形状、材料要求等信息,并标注出具体的施工方法和流程。
2.3 施工人员培训在施工前,需要对施工人员进行培训,使其了解八字口的施工要求和注意事项。
培训内容包括施工工艺、安全措施以及质量要求等。
3. 材料选择八字口的施工需要选择合适的材料,以确保施工质量和效果。
3.1 木材木材是八字口的常用材料之一,因为它可以根据需要进行切割和加工,形成各种形状的八字口。
选择木材时需要考虑其防腐性能和稳定性,以保证八字口的使用寿命。
3.2 石材石材也是一种常用的八字口材料。
石材可以制成各种形状,并具有较好的耐久性和美观性。
选择石材时需要考虑其硬度、质地和颜色,以使八字口与周围建筑风格相协调。
3.3 金属材料金属材料如铁、铝等也可以用于制作八字口,特别是用于现代建筑中。
金属材料具有较高的强度和耐久性,但需要注意防锈处理,以延长使用寿命。
4. 施工流程八字口的施工流程包括以下几个步骤。
4.1 基础施工首先进行基础施工,包括地基开挖、混凝土浇筑等工作。
基础的稳固性对于八字口的安装非常重要,需要严格按照设计要求进行施工。
4.2 八字口制作根据设计图纸,制作八字口的主体结构。
具体操作可以使用锯、刨、钻等工具进行加工,按照设计要求进行组装和固定。
4.3 表面处理完成八字口的制作后,需要进行表面处理。
涵洞八字墙现浇施工标准方法
一、八字墙施工工艺流程
测量放线定位→模板制作与支设→浇筑混凝土→拆除模板→混凝土养护
二、八字墙施工操作要点
1、八字墙测量放样
采用全站仪对强身进行精确的放样,根据放样点用墨线弹出立模内边线,
2、八字墙模板加工
①、为了保证涵洞通道八字墙表面平整光滑密实颜色一致,采用单块面积大于2㎡的整体钢模板,模板面板厚6mm。
模板在生产厂家进行试拼,经监理工程师和质检工程师共检合格后方可起运,到工地后进行二次验收,合格后方可用于工程。
②、对拉螺栓位置应进行设计,保证纵横向在一条线上。
螺栓采用φ16的光圆钢筋制作,八字墙截面范围内采用塑料套管,套管伸出模板并封堵严密,严防漏浆。
3、脱模剂的选用
脱模剂采用色拉油,涂刷必须均匀。
为防止涂油后的尘土污染和曝晒,刷脱模剂后的模板应用塑料薄膜覆盖,立模后长时间未浇筑混凝土,模板应遮盖。
4、模板支立
①、严格控制其平面位置,竖直度。
按模板安装检查项目分别查验,保证各允许偏差在规范允许之内。
②、为防止模板底部漏浆出现烂根现象,采用模板支立后底部缝隙用油枪打入膨胀胶,也可采用基础底部切5cm缝,缝内插入薄PVC板。
模板安装质量检查与验收标准表
5、混凝土的拌合
①、拌合混凝土用的粗骨料进行水洗,中粗砂进行过筛。
②、优化混凝土配合比设计,施工前检测砂石料的含水率,调整施工配合比。
增加拌和机内干料和湿料的搅拌时间,湿料的搅拌时间≮180S。
严格控制水灰比和混凝土的塌落度,混凝土的塌落度控制在90mm以下。
在材料和浇筑方法允许
的条件下,应采用尽可能低的塌落度和水灰比,以减少泌水的可能性。
同时控制混凝土含气量不超过1.7%,初凝时间为6-8h。
6、混凝土的浇筑
①、八字墙混凝土浇筑要选择适宜的时间浇筑,避免高温和低温点。
浇筑必须连续进行,不得停顿,一次准备充足砂石料水泥,防止中途换料影响混凝土的颜色。
②、混凝土采用吊车,漏斗和串筒等入模。
严格控制每次下料的高度和厚度,保证分层厚度不超过30cm。
③、振捣不得漏振和过振。
可采用二次振捣工艺,以减少表面起泡。
即第一次在混凝土浇筑时振捣,第二次待混凝土静置一段时间再振捣,而顶层一般在0.5后进行第二次振捣。
4、严格控制振捣时间和振捣棒插入下一层混凝土的深度,保证插入下层深度在5-10cm,振捣时间以混凝土翻浆,不再下沉和表面无起泡泛起为止,一般为15S左右。
5、要求混凝土浇筑现场由试验员、施工员或技术员全过程潘展值班,试验人员每车检测砼塌落度。
施工员督促班组人员检查模板的情况,随时紧固拉杆。
6、施工中避免施工人员踏踩拉杆,保证拉杆的直顺
八、拆除模板
拆模是根据气温和混凝土强度而顶,(一般达到2.5MPa时)能保证其表面及棱角不因拆除摸板而受损坏时方可拆除,并
将表面灰浆、污垢清除干净。
九、混凝土的养护
1、混凝土拆模后要立即覆盖养生。
养护墙身采用土工布进行全覆盖养护墙身,养身时间不少于7天。
2、如覆盖前混凝土表面较干,可以进行洒水后再覆盖土工布
3、混凝土面的修饰。
养护完毕对对拉筋的孔进行装饰性的修饰。
浇筑台帽时注意八字墙成品防护及时用清水冲洗墙面,防止水泥浆水沾在墙面上造成污染。
十、材料控制
1、水泥要求必须采用业主准入指定厂家水泥,严格采用小厂水泥、杂牌水泥
2、中粗砂要求采用级配良好、质的坚硬、颗粒洁净(含泥量小于2%、粒径小于5mm的河沙。
)
3、碎石要求采用颗粒级配均匀,质地坚硬,含泥量小于1%的碎石。
原材料应有足够的存量,保证同一结构物混凝土颜色基本一致
4、外加剂要求定厂商、定品牌、定掺量。
混凝土生产过程中,一定要求严格按试验确定的配合比投料,不得带任何随意性,并严格控制水灰比和搅拌时间,随气候变化随时抽检砂子、碎石的含水率,及时调整用水量。
八字墙的质量检查和验收标准表
十一、外观要求
砼表面颜色一致、色泽均匀、无蜂窝、麻面、砂袋、冷接缝、无损伤。
不得受到污染和出现斑迹,气泡较少,模板拼缝印记整齐。
均匀,整体视觉效果良好。