35KV变电站设备预防性试验合同范本
- 格式:docx
- 大小:22.46 KB
- 文档页数:12
供配电预防性试验工程合同在现代企业的日常运营中,供配电系统的稳定性和安全性至关重要。
为了确保电力系统的可靠运行,定期进行预防性试验是不可或缺的环节。
本文将提供一个供配电预防性试验工程合同的范本,旨在帮助企业与服务提供方建立明确、公正的合作框架。
一、合同双方信息甲方(委托方):[甲方名称]乙方(承包方):[乙方名称]双方本着平等自愿的原则,就甲方的供配电系统进行预防性试验工程事宜,经友好协商,达成如下合同条款。
二、工程内容及范围1. 乙方负责对甲方指定的供配电系统进行全面的预防性试验,包括但不限于绝缘电阻测试、接地电阻测试、开关设备功能测试等。
2. 乙方需按照国家相关标准和行业规范执行试验工作,确保试验结果的准确性和可靠性。
3. 试验工作应在甲方要求的日期内完成,具体时间由双方协商确定。
三、工程质量要求1. 乙方必须保证试验工作的专业性和准确性,所有试验数据应真实有效,不得有任何伪造或篡改行为。
2. 试验后,乙方需向甲方提供详细的试验报告,报告中应包含试验过程、结果分析及建议措施等内容。
3. 如试验中发现异常情况,乙方应及时通知甲方,并提出合理的解决方案。
四、合同价格及支付方式1. 双方同意本合同的总价为[合同金额]元人民币,该价格包含了所有试验工作的费用。
2. 甲方应在合同签订后[付款期限]内向乙方支付合同总价的[预付款比例]%作为预付款。
3. 剩余款项将在试验工作完成并经甲方验收合格后支付。
五、违约责任1. 如乙方未能按合同约定的时间、质量完成试验工作,应承担违约责任,赔偿甲方因此遭受的损失。
2. 如甲方未按时支付合同款项,应向乙方支付滞纳金,并承担由此造成的损失。
六、争议解决本合同在履行过程中如发生争议,双方应首先通过协商解决;协商不成时,可提交至甲方所在地人民法院诉讼解决。
七、其他条款1. 本合同自双方签字盖章之日起生效,有效期至试验工作全部完成并结清所有款项之日止。
2. 本合同一式两份,甲乙双方各执一份,具有同等法律效力。
电力设备预防性试验合同合同背景根据双方的协商一致,为确保电力设备的正常运行、延长设备的使用寿命并确保设备的稳定性和安全性,甲方与乙方达成以下电力设备预防性试验合同。
合同条款1.合同目的:本合同的目的是为了进行电力设备的预防性试验,确保设备的可靠性、安全性和稳定性。
1.合同目的:本合同的目的是为了进行电力设备的预防性试验,确保设备的可靠性、安全性和稳定性。
1.合同目的:本合同的目的是为了进行电力设备的预防性试验,确保设备的可靠性、安全性和稳定性。
1.合同目的:本合同的目的是为了进行电力设备的预防性试验,确保设备的可靠性、安全性和稳定性。
1.合同目的:本合同的目的是为了进行电力设备的预防性试验,确保设备的可靠性、安全性和稳定性。
1.合同目的:本合同的目的是为了进行电力设备的预防性试验,确保设备的可靠性、安全性和稳定性。
1.合同目的:本合同的目的是为了进行电力设备的预防性试验,确保设备的可靠性、安全性和稳定性。
1.合同目的:本合同的目的是为了进行电力设备的预防性试验,确保设备的可靠性、安全性和稳定性。
1.合同目的:本合同的目的是为了进行电力设备的预防性试验,确保设备的可靠性、安全性和稳定性。
2.试验内容:乙方将根据甲方要求,对电力设备进行预防性试验。
试验内容包括但不限于设备的电气性能测试、设备的温度试验、设备的湿度试验等。
2.试验内容:乙方将根据甲方要求,对电力设备进行预防性试验。
试验内容包括但不限于设备的电气性能测试、设备的温度试验、设备的湿度试验等。
2.试验内容:乙方将根据甲方要求,对电力设备进行预防性试验。
试验内容包括但不限于设备的电气性能测试、设备的温度试验、设备的湿度试验等。
2.试验内容:乙方将根据甲方要求,对电力设备进行预防性试验。
试验内容包括但不限于设备的电气性能测试、设备的温度试验、设备的湿度试验等。
2.试验内容:乙方将根据甲方要求,对电力设备进行预防性试验。
试验内容包括但不限于设备的电气性能测试、设备的温度试验、设备的湿度试验等。
电气设备预防性试验合同合同编号:XXXXX签订日期:XXXX年XX月XX日甲方:(以下简称“业主”)单位名称:地址:联系人:电话:乙方:(以下简称“试验单位”)单位名称:地址:联系人:电话:鉴于甲方拟进行电气设备的预防性试验,乙方具备相应的技术和设备,双方本着互利互惠的原则,经友好协商,签订本合同,共同遵守以下条款:第一条试验范围乙方将对甲方所指定的电气设备进行预防性试验,包括但不限于:1. 设备的外观检查:对设备的外观、标志、安装位置等进行检查,确保设备符合相关标准要求;2. 电气接地系统检测:对接地系统进行测量、检查,确保接地电阻符合要求;3. 绝缘电阻测试:对设备的电气绝缘进行测试,确保绝缘电阻在安全范围内;4. 高压试验:对设备的耐压性能进行测试,确保设备能够承受额定电压;5. 动作试验:对设备的保护功能进行测试,确保设备能够及时动作,确保系统的安全性。
第二条试验计划试验单位在收到业主通知后,应制定试验计划,并提前告知业主。
试验计划应包括试验时间、试验设备、试验方法等内容,并经业主确认后方可执行。
第三条试验费用及支付方式1. 试验费用总额为人民币XXX元,由业主向试验单位支付。
2. 试验费用支付方式为一次性支付,在试验单位完成试验并提交试验报告后的15个工作日内支付给试验单位。
第四条试验报告试验单位应根据试验过程和结果编制试验报告,并在试验结束后的10个工作日内提交给业主。
试验报告应详细记录试验设备、试验方法、试验结果等内容,并有试验单位的盖章。
第五条保密条款试验单位应对甲方的试验内容和试验数据承担保密义务,在未经甲方同意的情况下,禁止将试验结果泄露给第三方或用于其他商业目的。
第六条不可抗力由于不可抗力因素(如战争、自然灾害等)导致试验无法完成的,双方可协商解决,另行签订协议。
第七条违约责任1. 任何一方未按时履行本合同约定的义务的,应承担相应的违约责任,并赔偿对方因此造成的损失。
2. 出现争议时,双方应友好协商解决。
配电高压预防性试验合同第一条合同双方甲方(全称):_________(以下简称“甲方”)乙方(全称):_________(以下简称“乙方”)基于双方的信任与合作,甲乙双方就配电高压预防性试验事宜达成一致,并签订本合同,以明确双方在合同履行过程中的权利、义务及其他相关事项。
第二条合同标的1. 本合同标的为高压配电设备的预防性试验,具体内容包括但不限于:- 设备的绝缘性能检测- 设备的温升测试- 设备的保护装置检测- 其他相关检测项目2. 双方同意按本合同约定的条件开展上述高压预防性试验相关合作。
第三条工作/服务范围1. 乙方将为甲方提供以下服务:- 现场勘查与评估- 试验方案的制定与实施- 试验设备的提供与维护- 试验后数据的整理与分析- 提供书面报告2. 乙方需确保所有服务均符合国家相关标准及行业规范,确保工作质量。
第四条合同期限1. 本合同自____年____月____日起生效,至____年____月____日终止。
2. 合同期满后,如双方无异议,可续签合同,或另行签订补充协议。
第五条工作/产品质量1. 乙方提供的服务应符合以下质量标准:- 试验设备及人员均需持有相关资质- 所有检测结果需具备可追溯性- 提供的报告应真实、准确、完整2. 如乙方提供的服务不符合上述质量标准,乙方应负责免费整改,直至满足要求。
第六条付款方式1. 本合同总金额为_________元(大写:_________元整)。
2. 付款方式:甲方应在以下期限内向乙方支付款项:- 合同签订后支付30%作为预付款- 试验完成后支付70%3. 乙方在收到款项后应提供相应的收据或发票。
第七条双方权利和义务1. 甲方的权利与义务:- 按合同约定及时付款- 向乙方提供必要的协助和资料- 对乙方提出合理的技术建议与要求2. 乙方的权利与义务:- 按合同要求提供符合标准的服务- 按时交付,不得无故延误- 负责试验过程中出现的安全隐患及事故第八条违约责任1. 若甲方未按照合同约定及时付款,需向乙方支付违约金:合同金额的10%;2. 若乙方未能按照合同约定完成服务,需向甲方支付违约金:合同金额的10%;3. 若违约造成经济损失,违约方应承担相应的赔偿责任,具体金额由双方协商确定。
高压设备预防性试验合同6篇篇1高压设备预防性试验合同合同编号:【XXXXX】日期:【XXXXX】甲方(委托方):【甲方名称】联系地址:【甲方地址】电话:【联系电话】乙方(受托方):【乙方名称】联系地址:【乙方地址】电话:【联系电话】鉴于甲方为了确保高压设备的安全稳定运行,需要进行预防性试验,现委托乙方进行相关工作,双方经友好协商达成如下协议:一、工作内容1. 乙方将根据甲方提供的高压设备资料和要求,制定预防性试验方案。
2. 乙方将按照约定的时间和地点,对高压设备进行检查和测试,包括但不限于绝缘测试、泄漏电流测试、过电压测试等。
3. 乙方将根据试验结果,编制试验报告,并向甲方提供详细的数据和分析结果。
4. 若试验中发现高压设备存在安全隐患,乙方将及时向甲方报告,并提出相应的处理建议。
二、工作时间和地点1. 本次预防性试验工作时间为【起止日期】,地点为【具体地址】。
2. 若因不可抗力等特殊原因导致工作不能按时进行,双方应协商调整工作时间。
三、报酬及付款方式1. 甲方应向乙方支付预防性试验工作的费用为【金额】,按照约定的付款方式支付。
2. 如因甲方提供的资料不完整或不准确而导致乙方需要额外工作的,甲方应承担相应的费用。
四、保密条款双方在合作过程中涉及到的信息及资料,应予以保密,不得向第三方透露。
五、违约责任1. 若因一方违反合同规定导致对方受到损失的,违约方应承担相应的法律责任。
2. 若因不可抗力等特殊原因导致工作不能按时进行,双方不承担违约责任。
六、其他约定1. 本合同自双方签字盖章之日起生效,至试验工作结束。
2. 双方同意在合同履行过程中如有任何争议,均应友好协商解决。
如无法协商解决,则提交当地有管辖权的人民法院处理。
甲方(盖章):乙方(盖章):签字:签字:日期:日期:以上为高压设备预防性试验合同文本,双方应遵守协议规定,共同维护合同的权利义务。
祝合作愉快!篇2高压设备预防性试验合同合同编号:______甲方(委托方):公司名称:________法定代表人:_____联系地址:_____联系电话:_____乙方(受托方):公司名称:_________法定代表人:_____联系地址:_____联系电话:_____鉴于甲方委托乙方对其高压设备进行预防性试验,双方经友好协商,达成以下协议,共同遵守本合同的条款:一、合同目的甲方委托乙方对其高压设备进行预防性试验,旨在确保设备安全可靠运行,预防事故的发生,保障生产正常进行。
高压设备预防性试验合同编号:_______________________甲方:_______________________地址:_______________________联系人:_______________________联系电话:_______________________乙方:_______________________地址:_______________________联系人:_______________________联系电话:_______________________签订日期:_______________________签订地点:_______________________为确保高压设备的正常运行,预防设备故障,提升设备的运行效率和安全性,甲乙双方本着公平、公正、诚实信用的原则,经过充分协商,达成如下高压设备预防性试验合同:第一条:合同目的与内容a. 本合同旨在规定甲方委托乙方进行高压设备的预防性试验工作,确保设备在实际使用中的安全性和可靠性。
b. 乙方需根据甲方提供的设备清单和技术要求,开展设备的预防性试验,包括但不限于绝缘强度试验、接地电阻测试、设备状态评估等。
c. 乙方在试验过程中应严格按照国家标准及行业规范进行操作,并根据试验结果编制详细的报告,提交甲方。
第二条:工作内容与技术要求a. 设备检修与测试范围:乙方应对甲方指定的所有高压设备进行预防性试验,主要包括变压器、断路器、开关柜、避雷器等。
c. 试验标准与方法:乙方须严格遵循相关技术规范,确保试验数据的准确性与可靠性,所有设备测试数据应具有可追溯性并符合国家和行业的相关标准。
d. 试验周期:根据设备的类型和运行情况,乙方应按照甲方要求制定试验计划,并在约定的周期内完成所有测试工作。
第三条:双方的责任与义务a. 甲方责任:甲方应向乙方提供准确的设备清单,确保乙方获得所需的设备相关信息,并协调现场工作条件,如提供试验所需的电力、设备停运等。
电气设备预防性试验合同协议书甲方:(委托方的名称)乙方:(承揽方的名称)根据《中华人民共和国合同法》的规定,甲乙双方经友好协商,就电气设备的预防性试验事宜达成如下合同协议:一、合同目的本合同旨在确保甲方电气设备的安全可靠运行,预防事故的发生,并提供合理的维护保养计划。
乙方承诺按照本合同的约定,对甲方电气设备进行预防性试验,确保其性能达到法律法规和相关标准的要求。
二、合同内容1. 试验范围乙方将对甲方指定的电气设备进行预防性试验,包括但不限于设备线缆、开关、保护装置等。
2. 试验标准试验将按照国家相关标准和技术规范进行,并符合电气设备安全使用的各项法律法规要求。
3. 试验方法乙方将采用适当的试验方法和仪器设备,确保试验的准确性和可靠性。
试验期间,乙方会确保试验过程顺利进行,并及时提供试验结果的分析和评估。
4. 试验周期试验周期由甲乙双方协商确定,并写入本合同。
乙方将按照约定的时间周期进行试验,并提供试验报告。
如需延长试验周期,需提前书面通知对方,并经双方同意。
5. 试验费用试验费用由甲方承担,费用结算方式由双方协商确定。
三、合同履行1. 协作配合双方应积极协作,互相配合,确保试验的顺利进行。
甲方需提供试验所需的设备资料和场地,并确保人员的安全。
2. 保密义务双方应严格遵守商业机密和保密协议,对试验过程中产生的任何商业或技术信息严格保密,不得泄露给第三方。
3. 不可抗力如因不可抗力因素导致试验无法进行或延期,双方相互理解并协商解决办法。
如不可抗力因素持续影响试验的进行,双方有权解除本合同,并书面通知对方。
四、合同变更与解除1. 任何一方需变更合同内容或解除合同,应提前书面通知对方,并经双方协商一致。
2. 未经双方书面协商一致,任何一方不得擅自变更合同约定的试验范围、试验标准、试验方法、试验周期等内容。
五、争议解决本合同的解释和争议的解决均适用中华人民共和国法律。
双方在合同履行过程中如发生争议,应通过友好协商解决;协商不成的,可向有管辖权的人民法院提起诉讼。
电气设备预防性试验协议书(通用3篇)电气设备预防性试验篇1委托方: (以下简称甲方)承包方: (以下简称乙方)依据《电气设备预防性试验规范》及相关规范,遵循平等、自愿、公平和诚实信用原则,并结合本工程具体情况,双方就山西晋煤集团晋圣鸿升煤业有限公司10KV电气设备试验事项协商一致,订立本协议。
一、承包形式:甲方负责停电,提供继电保护整定值,提供工作场所,乙方依据《电气设备预防性试验规范》,安全、及时、按项保质完成所有实验项目,并对文明施工负全面责任。
二、工作内容:本工程电气设备试验,具体包括:高压中置柜24台、变压器4台、两组低压柜、两套电容柜、高压熔丝、避雷器、接地系统、安全用具、设备简易清扫等三、工期要求工期要求:2个工作日内完成,甲方需提前安排试验日期。
四、质量标准:工作质量标准:依据《电气设备预防性试验规范》标准为准则,做到安全、文明生产。
五、合同承包价款:项目承包总价:大写:捌万元整 (¥:元整)六、付款方式:合同价款支付:乙方进驻工地后,完成所有试验工作内容,甲方付清所有款项,乙方方可将实验报告交予供电公司部门和甲方。
七、承包人提供的材料和设备:1、经鉴定不合格的设备、仪器由甲方负责购置更换;2、项目所消耗材料和鉴定仪器均有乙方承担;八、双方的权利与义务:(一)甲方:1、依据有关管理制度对本工程项目质量、工期、安全和文明施工等进行有效的管理、控制和监督;2、由于现场条件的限制,甲方无条件的协助乙方进行现场试验设备的搬运;3、及时支付合同价款的义务;4、协助乙方解决工作存在的问题。
(二)乙方:1、对本项目的质量、工期、安全、文明工作负全面责任;2、依据规范要求进行操作;3、及时提交电气设备检测报告。
十、争议:合同执行过程中,当双方发生争执时,应本着友好协商的原则确定,协商不成时由晋城市仲裁机构仲裁。
十一、本协议一式两份,甲乙双方各执一份。
委托方:法定代表或委托负责人:账户:账号:联系电话:签订日期:年月日承包方:法定代表或委托负责人:账户:账号:行号:联系电话:签订日期:20__年月日电气设备预防性试验协议书篇2委托方:_________有限公司 (以下简称甲方)承包方:_________有限公司 (以下简称乙方)依据《电气设备预防性试验规范》及相关规范,遵循平等、自愿、公平和诚实信用原则,并结合本工程具体情况,双方就_________有限公司10KV电气设备试验事项协商一致,订立本协议。
电力设备预防性试验及维护合同1. 合同背景本合同是由甲方(以下简称为“供应商”)与乙方(以下简称为“用户”)就电力设备的预防性试验及维护事宜达成的协议。
供应商将根据本合同的约定,为用户提供相应的预防性试验及维护服务。
2. 合同目的本合同的目的是确保电力设备的正常运行,提高设备的可靠性和安全性,延长设备的使用寿命,减少设备故障和停机时间。
3. 服务内容3.1 预防性试验供应商将根据用户的要求,对电力设备进行定期的预防性试验,包括但不限于电气试验、绝缘试验、机械试验等。
试验结果将通过报告的形式提供给用户,供用户参考和分析。
3.2 维护服务供应商将根据设备的实际情况,为用户提供定期的维护服务,包括但不限于设备清洁、润滑、紧固件检查、故障排除等。
供应商将确保维护服务的及时性和专业性。
4. 服务周期本合同的服务周期为一年,自合同签订之日起生效。
在服务周期内,供应商将按照约定的时间进行预防性试验和维护服务。
5. 服务费用5.1 预防性试验费用用户将根据实际试验项目的复杂程度和工作量支付相应的试验费用。
费用将根据双方协商确定,并在每次试验之前支付。
5.2 维护服务费用用户将按照每月固定的费用支付维护服务费用。
费用将根据双方协商确定,并在每月初支付。
6. 服务质量保证供应商将确保所提供的预防性试验及维护服务符合国家相关标准和规定。
如服务过程中出现问题,供应商将及时处理,并承担相应的责任。
7. 合同变更和终止7.1 变更任何一方在合同履行过程中,如需变更合同内容,应提前书面通知对方,并经过双方协商达成一致。
7.2 终止合同期满后,如双方无异议,合同自动终止。
双方如需提前终止合同,应提前书面通知对方,并经过双方协商达成一致。
8. 违约责任任何一方未履行合同义务或履行不符合约定的,应承担相应的违约责任。
违约方应赔偿对方因此遭受的损失,并承担相应的法律责任。
9. 争议解决本合同的解释和执行均适用中华人民共和国法律。
如发生争议,双方应通过友好协商解决;协商不成的,任何一方均可向合同约定的仲裁机构提起仲裁。
甲方:__________________乙方:__________________根据《中会人民共和国电力法》、《中华人民共和国合同法》等相关法律、法规之规定,经双方友好协商,为明确责任,本着公平诚实和信用的原则订立本合同,以便共同遵守。
二、服务内容乙方对甲方规定服务范围内的电气设备定期按电力部门的规范进行调试、维护保养、清洁、维修等保养工作,并提供试验报告,以保证甲方相应范围内电气设备的正常运转,乙方确保每年进行一次设备试验,提供全年无休应急抢修处理服务,具体内容如下:(一)、配电系统的保养内容(应急机制):1、干式变压器系统:高压开关柜、电力变压器、低压开关柜等的电气回路的检测、各电气开关的保养、维护、维修年度检测。
2、变压器系统:高压开关柜、干式电力变压器、低压开关柜等的电气回路的检测、各电器开关的保养、维修、维护、按年度检测变压器试验。
三、服务期限及时间自______年______月______日起至______年______月______日止,为期____年。
四、服务内容及双方责任(一)、乙方的责任1、本合同的服务方式为维修保养,乙方服务时应严格遵守甲方有关的规章制度。
2、乙方根据电力行业的工艺和相关规范内容及要求,配合电力部门在服务期内对设备实施年检,对设备进行的调试、维护、清洁、维修等保养工作,以使设备正常运行,对因未及时保养维修或保养维修不当而产生的整改项目进行及时免费整改,并对因此而产生的损害结果承担损害赔偿责任。
3、提供全天候应急响应处理服务,并在接到甲方报修通知后2小时内赶到现场。
4、乙方给予甲方损坏设备进行免费更换,所更换元器件、材料可自行购买,若需乙方提供的则另行收费。
5、当发现设备存在事故隐患时,应立即书面通知甲方整改,并指导甲方整改。
当发现存在严重影响设备安全运行事故时,有权通知甲方停止使用该设备,并及时维修或更换。
6、试验结束后,乙方向甲方提供完整的试验报告,并交由甲方指定人员签字认可。
高压设备预防性试验合同5篇篇1甲方(委托方):____________________乙方(试验方):____________________根据《中华人民共和国合同法》及相关法律法规的规定,为确保高压设备的安全运行,甲方委托乙方进行高压设备预防性试验,经双方友好协商,达成如下协议:一、合同目的乙方应按照本合同约定的内容和标准,对甲方的高压设备进行预防性试验,以评估设备的安全性、可靠性和稳定性,为设备的运行和维护提供科学依据。
二、试验范围1. 试验设备:____________________(具体设备清单详见附件)。
2. 试验内容:包括电气特性测试、机械性能检测、热工参数测量等。
具体试验项目根据设备类型和使用环境确定。
3. 试验地点:____________________。
三、试验时间与周期1. 试验时间:自本合同签订之日起____个月内完成。
2. 试验周期:根据设备类型和运行状态确定,但每年至少进行一次预防性试验。
四、试验标准与要求1. 乙方应按照国家相关标准和规范进行试验,确保试验数据的准确性和可靠性。
2. 乙方应在试验前对设备进行全面的检查,确保设备处于良好状态。
3. 乙方应根据试验结果,提供详细的试验报告,对设备的安全性、可靠性和稳定性进行评估,并提出合理的建议和改进措施。
五、合同金额及支付方式1. 合同总金额:人民币____元(大写:____)。
2. 支付方式:甲方在合同签订后____日内支付合同总金额的____%作为预付款,试验完成后支付剩余款项。
3. 乙方应提供正规的发票。
六、保密条款1. 双方应对本合同的内容和实施过程保密,不得向第三方泄露。
2. 乙方在试验过程中获取的商业秘密和技术秘密,应妥善保管,不得泄露或用于其他用途。
七、违约责任1. 若甲方未按合同约定支付款项,乙方有权停止试验,并追究甲方的违约责任。
2. 若乙方未按合同约定完成试验任务,应向甲方承担违约责任,并赔偿由此造成的损失。
预防性检修试验合同书样本合同编号:[编号]甲方(以下简称“甲方”):单位名称:住所地:乙方(以下简称“乙方”):单位名称:住所地:鉴于甲方为预防性检修试验提供服务,乙方愿意配合并接受甲方的检修试验,双方经友好协商,达成如下合同:第一条合同目的本合同旨在明确双方在预防性检修试验方面的权利和义务,确保检修试验工作的顺利进行。
第二条检修试验内容甲方将根据双方商定的试验项目和方法,对乙方的设备和系统进行预防性检修试验。
具体试验内容包括但不限于:1. 设备结构和功能检查;2. 性能和参数测试;3. 系统运行状态评估;4. 排查潜在故障;5. 提出预防性维护建议等。
第三条检修试验时间本次检修试验的时间为__________起至__________止,共计__________天。
第四条甲方责任1. 甲方应按照双方商定的试验计划和方法,准时到达乙方的设备所在地点进行试验工作;2. 甲方应按照专业标准和要求,进行细致的检查和测试,并将试验结果详细记录;3. 甲方应根据试验结果,提出合理的预防性维护建议,并向乙方提供专业意见和指导。
第五条乙方责任1. 乙方应积极配合甲方进行试验工作,提供相应的工作条件和设备资料;2. 乙方应确保试验期间的设备和系统正常运行,并配合甲方对设备进行必要的停机维护;3. 乙方应认真听取甲方的意见和建议,并积极采纳与落实。
第六条试验结果和报告1. 甲方将根据试验结果编制试验报告,并向乙方提供;2. 试验报告应包括设备检查和测试的详细数据、分析评估结果以及预防性维护建议等内容;3. 试验报告将在试验结束后的__________天内交付乙方。
第七条保密条款双方同意在履行本合同过程中所了解到的商业秘密、技术资料以及其他涉及商业利益的信息予以保密。
未经对方书面许可,任何一方不得向第三方披露。
第八条合同解除如因不可抗力等原因导致本合同无法履行或不得不中止、终止的,双方均可根据实际情况协商解决。
解除合同的一方应提前__________天书面通知对方。
高压电气设备预防性试验服务协议
高压电气设备预防性试验服务协议甲方:
法定代表人:
乙方:
法定代表人:
为了及时发现运行中高压设备的隐患,预防电气事故的发生,保证客户用电安全及电网安全运行,甲方委托乙方对其高压设备进行预防性试验。
经双方友好协商,同意签订本协议,以资共同遵守。
第一条委托项目
1、试验项目名称:高压电气设备预防性试验
2、试验项目地址:
3、试验内容:乙方根据甲方委托的项目对高压设备进行试验。
第二条试验日期
经双方商定于年月日时分试验。
第三条价款及付款方式
1、价款
甲方所委托的高压设备试验费共计人民币(大写)(¥元)。
(注:试验项目及金额详见预算单)
2、付款方式
乙方应至少提前二十个工作日向甲方提供等额的合法发票,甲方审核无误后支付全部试验费,可以选择现金付款或银行转账付款。
银行账号如下:
指定收款账号:
开户行:
户名:
第四条试验服务方式
1、根据《电力法》配套法规《供电营业规则》第六十一条“用户应定期进行电气设备和保护装置检查、检修和试验,消除设备隐患,预防设备事故和误动作发生”的规定,乙方每年有偿为用户设备进行
一次预防性试验。
高压设备预防性试验合同4篇篇1高压设备预防性试验合同甲方:(委托方)乙方:(服务方)根据《中华人民共和国合同法》的相关规定,为加强双方合作,维护双方合法权益,特制订本合同,共同遵守并执行以下条款:一、合同目的为确保高压设备的安全运行,提高设备的可靠性和稳定性,甲方委托乙方进行高压设备的预防性试验。
双方共同确保试验过程的安全、有效,以期达到设备更好的运行状态。
二、合同内容1. 试验范围乙方将根据甲方提供的设备信息,确定试验的范围和内容,包括但不限于设备的基本参数、运行状况、检测方法等。
2. 试验时间双方约定试验时间为____年___月___日至____年___月___日,具体试验日期由双方协商确定。
3. 试验费用试验费用由甲方支付,包括试验设备、人员费用等。
具体费用标准另行协商确定。
4. 试验报告乙方将会在试验结束后,向甲方提交试验报告,包括试验结果、设备运行状况评估、存在的问题及建议等内容。
5. 保密条款双方在合作过程中所接触到的机密信息都应保密,未经对方书面许可,不得泄露或用于其他用途。
6. 其他条款其他双方约定的事项另行列入本合同。
三、合同执行1. 本合同经双方签字盖章后生效,自试验开始之日起有效。
2. 若因不可抗力因素导致试验无法进行,双方可以协商延期或解除合同,不承担责任。
3. 若因乙方原因导致试验无法进行或试验结果不准确,乙方应承担相应责任并赔偿甲方损失。
4. 本合同未尽事宜,双方可协商补充或修改,修改事项需经双方书面确认后生效。
甲方签章:乙方签章:日期:_____年____月____日日期:_____年____月____日以上为《高压设备预防性试验合同》内容,双方在遵守本合同的基础上,共同保障设备的安全运行和高效。
祝双方合作愉快,早日达成预期目标。
篇2高压设备预防性试验合同一、甲方是指委托方,乙方是指承接方。
甲、乙双方遵循自愿、平等、互惠互利的原则,经友好协商,就甲方委托乙方进行高压设备预防性试验事宜,达成如下协议:二、委托内容1、甲方委托乙方对高压设备进行预防性试验,包括但不限于高压设备的外观检查、功能测试、性能评估等。
电力预防性试验合同合同编号:_______甲方(供电单位):_______乙方(试验单位):_______根据《中华人民共和国合同法》、《中华人民共和国电力法》及相关法律法规的规定,甲乙双方在平等、自愿、公平、诚信的原则基础上,就甲方电力设备预防性试验工作,达成如下协议:一、试验范围和内容1.1 甲方同意将电力设备预防性试验工作委托给乙方进行,乙方接受甲方的委托,并按照本合同约定完成试验任务。
1.2 试验范围包括但不限于:发电机、变压器、电缆、开关设备、继电保护装置、自动化装置、电力线路等电力设备。
1.3 试验内容主要包括:绝缘电阻测试、交流耐压试验、直流耐压测试、介质损耗因数测试、电容量测试、泄漏电流测试、局部放电测试、接地电阻测试等。
二、试验时间和地点2.1 试验时间:按照甲方提供的试验计划进行,如需调整,双方协商确定。
2.2 试验地点:甲方指定的电力设备所在地。
三、试验标准和质量要求3.1 乙方应按照国家标准、行业标准以及甲方提供的技术要求进行试验,确保试验结果的真实、准确、可靠。
3.2 乙方应按照试验方案和安全操作规程进行试验,确保试验过程的安全。
3.3 试验结果应符合电力设备运行和安全要求,对于不合格的设备,乙方应提出整改建议和改进措施。
四、试验费用和支付方式4.1 试验费用包括:试验人员费用、试验设备费用、试验材料费用、差旅费用等。
具体费用根据试验范围、试验内容和实际情况双方协商确定。
4.2 甲方应按照本合同约定的付款方式及时支付试验费用。
4.3 付款方式:试验结束后,甲方支付乙方试验费用的__%,剩余__%作为乙方质量保证金,质保期满后无质量问题支付剩余款项。
五、合同的履行和验收5.1 乙方应按照试验计划和甲方要求,按时完成试验任务。
5.2 试验过程中,甲方应提供必要的协助和配合,确保试验顺利进行。
5.3 试验结束后,乙方应向甲方提供试验报告,并对试验结果负责。
5.4 甲方应对乙方试验成果进行验收,如试验结果符合本合同约定的质量要求,甲方应在合同约定的付款时间内支付试验费用。
电力预防性试验合同合同编号:_______________________甲方:_______________________乙方:_______________________地址:_______________________联系人:_______________________联系电话:_______________________签订日期:_______________________签订地址:_______________________第一条合同目的本合同旨在明确甲乙双方在电力预防性试验方面的权利与义务,确保试验工作的顺利进行,提高电力系统的安全性与可靠性。
a. 合同目的说明本合同的主要目的是通过系统的预防性试验,提前识别和排除潜在的电力设备故障,确保电力供应的连续性与稳定性。
b. 合同适用范围本合同适用于甲方电力系统内的所有相关设备,涵盖电力变压器、配电柜、开关设备等。
c. 合同有效期本合同自双方签字之日起生效,至所有试验工作完成及相应报告提交完毕为止。
第二条双方权利与义务甲方与乙方在本合同下应当遵循相关法律法规,并承担相应的权利与义务。
a. 甲方的权利与义务① 甲方应提供必要的设备与环境条件,确保乙方能够顺利进行试验。
② 甲方应及时支付乙方按照合同约定的费用。
③ 甲方有权要求乙方提供试验过程中的数据与报告,并对结果进行审核。
b. 乙方的权利与义务① 乙方应按照国家标准及行业规范执行试验,确保试验结果的准确性。
② 乙方应在约定时间内提交试验报告,详细记录所有试验过程及结果。
③ 乙方应对甲方提供的设备和数据承担保密责任,未经甲方同意不得向第三方披露。
c. 合同变更与解除① 如需变更合同内容,双方应协商一致,并签署书面补充协议。
② 若一方严重违反合同条款,另一方有权解除合同并要求赔偿损失。
③ 合同解除后,双方应妥善处理相关事宜,确保信息和资料的归还与保密。
第三条保密条款a. 保密义务① 双方应对在合同履行过程中知悉的对方商业秘密保密,不得以任何形式向第三方披露。
甲方:________________________________________乙方:________________________________________为保障油田电网的安全可靠、经济运行,加强对油田各变电所安全、设备和技术管理,甲乙双方共同订立以下协议:第一条乙方维护、检修设备范围1、负责抢修维护的变电所有王场变、广华变、盐化工变、两厂变、世纪苑变、钟寺变、周矶变、钻头变、浩口变、马36变、黄二变、丫角变、潭口变、老一区变、马25变,共计十五座变电所所属设备。
2、本年度负责预防性试验的变电所有王场变、两厂变、世纪苑变、马36变、马25变共计五座。
3、35kV及以上线路侧乙刀闸与线路连接线夹的以内部分(含设备线夹、避雷器)的所有电气设备及母线、连接件。
4、6(10)kV架空出线穿墙套管与线路连接线夹的以内部分(含设备线夹),电缆出线开关柜电缆头以内的所有设备元件。
5、所用变及交直流系统,保护屏、控制屏、中央信号屏,包括表计、端子箱、风机及控制箱、动力箱、照明系统、电缆、电缆沟及桥架等二次系统。
6、变电所的防雷接地系统。
第二条乙方的主要工作内容1、按国家和电力行业及石油企业相关的标准,对本协议第一条内十五座变电所所有设备进行全年全天候维护、应急抢修。
2、按国家和电力行业及石油企业相关的标准、规程中规定的周期和项目对本协议第一条内五座变电所进行预防性试验。
3、乙方负责所辖变电所的防雷预防性试验,电气设备试验项目按附件表列执行,设备清单如下:(1)王场变:1#、2#主变及附属设备(包括套管电流互感器、各侧开关、刀闸、各侧电流互感器、各侧避雷器、中性点避雷器、中性点电流互感器、间隙电流互感器、各侧电抗器、各侧出口母线段、主变保护装置的传动试验等);1#、2#所用变(包括各侧避雷器);110kVⅠ、Ⅱ段 PT及避雷器、35kV Ⅰ、Ⅱ段PT及避雷器、消弧线圈及附属设备(包括PT、电流互感器、避雷器等);6kVⅠ、Ⅱ段PT及避雷器;接地网。
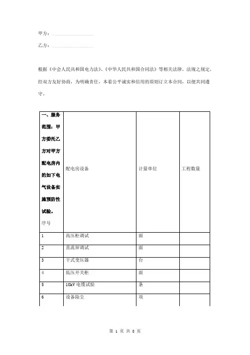
编号:_______________本资料为word版本,可以直接编辑和打印,感谢您的下载35KV变电站设备预防性试验合同范本甲方:___________________乙方:___________________日期:___________________乙方:依照《中华人民共和国合同法》及其他有关法律、行政法规,遵循平等、自愿、公平和诚实的原则,乙方就承包35KV变电站电气设备预防性实验工程,与甲方达成如下协议:第一条合同内容乙方在承包期内完成***煤矿电气设备预防性试验工作,按规范完成XX35K咬电站电气设备预防性试验等工作(详见附件一:《35KV变电站电气设备预防性试验技术附件》)。
第二条合同工期20XX年XX月XX日——-20XX年XX月XX日第三条双方权利及义务3.1、甲方权利及义务3.1.1甲方管理部门:机电科负责制定岗位职责和安全规程,对工作进度、质量等进行定期或不定期监督检查。
3.1.2有权检查乙方是否按设备的操作规程使用并操作设备,对违反操作规程的行为有权制止,对责任人有权按甲方的规章制度处罚。
3.2、乙方权利及义务3.2.1乙方代表:乙方须按当地政府或管理部门的规定要求,办理工作时所需的相关手续、批准文件等并交纳费用。
遵守国家、地方、行业及甲方安全等各项规章制度,杜绝死亡事故,出现事故均由乙方自行承担。
服从甲方生产计划调度、完成甲方布置的相关工作并保证工作质量、保证工期。
并按照国家、行业及甲方的操作规程正确使用和操作设备。
3.2.2如实向甲方报告设备的运转状况、设备故障处理情况、停机及恢复时间。
3.2.3乙方负责选派符合本合同工作要求的电气技术工人,与其工作人员签订书面劳动合同,并承担其工资、劳保以及国家有关规定缴纳的各项社会保险等费用,若乙方未与其工作人员签订书劳动合同或缴纳各项社会保险而引发的各种争议,由乙方负责解决并承担全部责任和费用。
3.2.4乙方所用材料必须有国家相关部门颁布的合格证或检测试验报告,否则不得使用。
3.2.5由于乙方或乙方人员的原因,造成的伤、残、亡等事故,由乙方负责并承担全部费用。
3.2.6由于乙方或乙方人员的原因给甲方或第三方造成损失的,对该部分损失由乙方负责全额赔偿。
3.2.7乙方工作人员发生工伤期间的工资和一次性就业补助金、一次性医疗补助金、一次性伤残补助金等与工伤有关的所有费用均由乙方全部承担并负责支付。
第四条合同价款及结算方式本合同价款为各单项试验检测费下浮15利依据,以现场实际检测项目数量为准。
试验工作到期结束后,乙方向甲方提供完整的试验报告,经甲方确认无误后,乙方依据合同和发票一次性结算合同价款。
第五条违约责任5.1未经甲方允许,乙方不得以任何方式将本项目分包给第三方,否则,按本合同总价的10%乍为违约金,同时,甲方有权终止本合同。
因此给甲方造成损失的,乙方负全额赔偿责任和费用。
对工作不负责任或不合格人员,甲方有权提出更换,否则甲方有权终止合同。
5.2因乙方原因工作不能按合同规定的期限完成,每延迟一天按合同总价款的6%0/天作为违约金,违约金从本合同款中扣除,不足部分由乙方另处支付。
5.3乙方完成本合同规定的内容,甲方按照正常程序使用操作,若给甲方造成的任何损失,由乙方承担全部赔偿责任。
第六条附则6.1合同经甲乙双方签字盖章生效,承包费用结活之日起自然终止。
6.2本合同未尽事宜,须经双方协商解决,如协商不成,可向甲方住所地人民法院起诉。
6.3本合同正本两份,副本两份,双方各执正本一份,副本一份,正副本具有同等效力。
本合同未尽事宜,按《中华人民共和国合同法》执行。
甲方(盖章):乙方(盖章):经办人:委托代理人:或法定代表人:电话:开户银行:账号:合同签订地点:合同签订时间:年月经办人:委托代理人:或法定代表人:电话:开户银行:账号:日35KV变电站电气设备预防性试验技术附件一、工作内容按规范完成35KV变电站电气设备预防性试验。
二、主要工作量:35KV变电站试验设备明细表二、验收标准本预防性试验均须执行以下内容:1、DL-T596-1996 «电气设备预防性试验规程》2、《电气设备交接试验标准》3、《变压器和电抗器的声级测定》4、《电气设备交接试验标准》5、试验做到数据准确、不超期、不漏项目。
试验工作结束后,试验负责人应认真核对试验项目,作好记录,当实验结果无误后,才能拆除试验接线,恢复设备原有接线。
6、电气试验完毕,必须出具完整正规的试验报告。
7、各个实验地点的供电系统图由矿方提供。
8、安全绝缘用具需在一半年后再做一次试验,费用包含在此次试验工程中。
四、试验安全规定1、积极开展安全教育工作,坚持以“安全第一,预防为主”的方针。
狠抓安全不放松,使安全工作落实到每道工序。
2、上班前严禁喝洒,班中不做与本职工作无关的事情,试验时要严肃认真、集中精力,严禁打闹、嬉笑。
严格执行停送电、验电、放电等有关规章制度。
3、试验人员必须经过专业技术培训,持证上岗。
进行电气试验工作不得少于4人。
4、现场试验人员必须掌握电气防灭火知识及触电紧急救护方法。
5、遵守《煤矿安全规程》、《煤矿电气试验规程》和《电业安全工作规程》的有关标准和规定,熟悉《煤矿电气设备试验方法》的规范和要求。
6、试验人员上岗前必须正确穿戴劳动防护用品,操作中严格按规章制度操作,杜绝违章指挥,违章操作。
7、做井下电气试验时,电源线不应使用塑料线。
在整个试验过程中,必须有瓦检员在场测量现场瓦斯浓度。
只有瓦斯浓度在1恕下的情况下才能进行试验,瓦斯超限时严禁试验。
8、在运行的二次回路上工作时,应穿低压绝缘鞋或站在绝缘垫上,有专人监护,使用的工具必须绝缘。
电流互感器二次侧不得开路,短路二次侧绕组必须使用截面积不小于2.5mm的短路片或短路铜线,连接必须牢固可靠。
禁止将电压互感器二次侧短路,严禁在带电的电压互感器上工作。
试验中必须采取措施,严防电压互感器从二次侧往一次侧返电。
9、坚持班前六必讲制度,随时检查安全工作,增加员工安全保护意识,消除安全隐患。
五、试验前准备1、试验前工作负责人应对全体人员详细布置试验内容。
试验标准和安全注意事项,试验人员要有明确的分工,坚守岗位,各行其是。
2、试验前必须了解试验现场情况,试验用具和被试验设备的情况,选择好仪表、仪器设备,熟悉有关技术资料,制定每个地点的安全合理的试验方案及安全措施,与矿方讨论并通过后,方可按计划进行试验。
严格按制定方案执行。
3、试验之前必须认真检查柜内设备,严防各种仪表、传感器、保护单元、航空插头、互感器等元件损坏。
4、高压电气设备停电试验时,必须严格执行停送电工作票制度,慎重核实设备编号、线路后,才能按规定程序进行倒闸操作。
5、继电保护装置检验,整定前应备有整定方案、原理接线图、回路安装图、前次检验记录、有关的检验规程、使用的仪表仪器、设备、工具连接线、备用零件和正式的检验记录表格。
6、试验现场必须安装护栏或围栏,向外悬挂“止步,高压危险”标示牌,并设专人监护。
六、试验操作(一)、高压电气试验1、因试验需要断开设备接头时,拆前应做好相位标记,恢复后应进行核查。
2、试验前检查试验装置金届外壳,应有可靠接地线,高压引线应尽量缩短,必要时用绝缘物支持牢固。
试验装置的低压电源,应使用能够可靠断开并形成明显断口的双极隔离开关和电源指示灯两个申联电源开关,并加装过载保护装置。
3、试验前应测量被试设备的绝缘电阻,合格后才可进行其他试验项目。
4、试验前和变更试验接线时,应坚持复查接线;通电后调压器手把应保持在零位;合、拉闸必须互相呼应,正确传达口令;加压时应重复要求加压的数字。
避免加压错误。
5、改变接线、寻找故障或实验结束时,应先断开试验电源,然后放电,必要时还应将升压设备的高压部分接地。
6、试验用低压电源、电压互感器、电流互感器、二次回路等的接地线,必须在设备停电后拆除。
7、在泄漏、耐压试验中,当发现升压到某一值时,调压器继续升压而电压表指示不再上升或电压表指示突然回零,应立即将调压器手把调至零位,断开开关,切断电源,找出原因。
(二)、继电保护的检验与整定1、继电保护装置检验、整定前应做好下列准备工作:备有整定方案、原理接线图、继电保护装置原理图、有关的检验规程、适用的仪表仪器、设备、工具、连接线、备用零件和正式的检验记录表格。
2、进行继电保护试验的工作人员,必须经矿方同意并批准后,方可在试验场所内进行工作。
3、在检验继电保护装置时,必须采取相应措施避免运行中的设备误跳闸或备用设备误投入。
4、继电保护装置检验用的电源必须保持稳定,如果由于电压波动可能对检验结果造成影响时,必须采取必要的稳压措施。
5、继电保护在拆装和试验前,应经机电队随同人员同意。
待机电队随同人员同意后,方可进行试验工作。
6、继电保护在拆装时,必须先断开其电源,电流互感器二次应短路。
电压互感器二次开路后的接头必须用胶布包好,防止接地和短路。
井下严禁带电检验继电保护装置。
禁止带电拆装设备。
7、拆装继电保护装置时,要做好标记,必要时画接线草图,防止接线错误。
8、试验过程中需要输入大量电流时,应力求缩短时间。
9、试验回路不应接地,以免电源短路。
七、试验操作注意事项1、试验操作过程中应精神集中,随时注意异常情况,操作人员应穿绝缘靴或站在绝缘垫上。
2、井下试验设备的接地线、接地极应保持接触良好,接地电阻符合要求。
3、严禁采用变压器中性线做试验用接地线。
4、试验用导体截面:在电压回路或不大于5A的电流回路中,应使用截面不小于1.5mm的绝缘软线,其绝缘电阻应符合要求,并有足够的机械强度。
高压引线周围要加装护栏,防止触碰危险。
5、在做高压电气试验时,加压前必须通知有关人员离开被试设备至安全距离或退出现场后,方可加压;对有人工作的邻近设备有感应电压时,必须采取预防措施,以保证安全。
6、高压试验时,被试物非试验侧均应接地,在换相时必须切断电源。
7、试验后发现设备缺陷,作出预防性鉴定,提交相关记录和处理意见,确保设备安全运行。
8、试验时如发现用户正常使用出现的设备出现故障和缺陷,要及时帮助矿方处理。
9、试验过程必须在矿方的参与下进行。
试验的过程和结果必须详细记录,经各方签字后作为验收的文件之一。
10、试验工作结束后,试验负责人应认真核对试验项目,做好记录,当试验结果无误后,才能拆除试验接线,恢复设备原有接线。
11、恢复试验前的线路状态,当需要对线路恢复送电时,应撤回线路上所有的工作人员,确认线路无人工作时,拆除有关警示牌,由值班人员按送电顺序送电12、活点试验工具、仪表、材料,活扫工作环境卫生,方可离开工作场所。