(完整版)三级安全教育混凝土工作业人员考核试卷及答案1
- 格式:pdf
- 大小:93.35 KB
- 文档页数:2
班组级安全教育试卷(机操工)班组:姓名:成绩:一、填充题:每题6分共30分1、国家实行生产安全事故责任追究制度。
2、施工现场临时用电设备,必须经过是培训考核并取得合格证件的电工安装维修。
3、施工单位的安全生产管理人员应根据施工环境特点,对安全生产状况进行经常性检查。
4、电箱内和电气设备应完整无缺,设有专用漏电保护开关,必须执行一机一闸一漏一箱。
5、施工现场的机械必须由经过专业培训并取得上岗证的合格机械操作工来操作。
二、是非题:每题5分共30分1、保护接地是一种电气技术的安全措施。
(√)2、每天下班后,只要把人员机械清理好,关不关电源无所谓。
(×)3、严禁不懂电气设备的人员玩弄机械电气设备。
(√)4、机械发生故障时,为了不影响生产可以一边上班一边去叫机械工来修理。
(×)5、、机械使用前,必须先检查各部件是否完好,防护装置是否齐全有效,并经试运转正常方可作业。
(√)6、未经三级安全教育及考试不合格的职工可以先上岗独立操作,但必须进行补考或补上安全三级教育课。
( ×)三、问答题:每题20分共40分1、什么是事故处理“四不放过”原则?答:1、事故原因不清不放过;2、职工及事故责任人受不到教育不放过;3、事故隐患不整改不放过;4、事故责任人受不到处理不放过。
2、搅拌机的安全隐患有哪几个?答:主要有:1、机械设备本身在安装防护装置上存在问题,造成对操作人员的伤害。
2、临时施工用电不规范,缺少漏电保护器或漏电保护器失效,而造成触电事故。
3、施工人员违反操作规程作业而造成对人体的伤害。
各工种三级安全教育班组级安全教育试卷(普工)班组:姓名:成绩:一、填充题:每题6分共30分1、国家实行生产安全事故责任追究制度。
2、施工现场临时用电设备,必须经过是培训考核并取得合格证件的电工安装维修。
3、施工单位的安全生产管理人员应根据施工环境特点,对安全生产状况进行经常性检查。
4、施工用电必须符合规范要求,做好保护接零接地做到一机一闸一漏电保护器。
砼工(混凝土工)三级教育安全生产知识考试题(含答案)一、单项选择题(每题2分,共40分)1. 下列哪种行为不属于违章作业?()A. 未佩戴安全帽作业B. 酒后作业C. 未进行安全技术交底作业D. 正确使用防护用品作业答案:D2. 下列哪种设备不属于施工现场常用机械设备?()A. 混凝土搅拌机B. 塔吊C. 滚筒式洗车机D. 切割机答案:D3. 施工现场临时用电线路应采取哪种保护措施?()A. 绝缘保护B. 接地保护C. 遮盖保护D. 隔离保护答案:B4. 下列哪种现象不会导致施工现场火灾?()A. 乱丢烟头B. 电焊作业不当C. 施工现场应配备足够的消防器材D. 动火作业无专人监护答案:C5. 下列哪种操作不属于模板作业的安全要求?()A. 模板应牢固稳定B. 模板接缝应严密C. 模板应进行预压试验D. 模板安装后无需验收答案:D6. 下列哪种设备不属于施工现场常用安全防护设备?()A. 安全网B. 安全带C. 防护栏杆D. 电焊机答案:D7. 下列哪种情况不属于高空作业事故的原因?()A. 未佩戴安全帽B. 未使用安全带C. 高空作业平台不稳定D. 天气晴朗答案:D8. 下列哪种操作不属于施工现场机械设备的安全要求?()A. 设备应定期进行检查和维护B. 操作人员应持有相应的操作证件C. 设备应进行试运行D. 设备运行时,严禁无关人员进入施工现场答案:D9. 下列哪种现象不会导致施工现场坍塌事故?()A. 施工现场土质不稳B. 支撑体系不牢固C. 施工过程中未及时加固D. 下雨天气施工答案:D10. 下列哪种设备不属于施工现场常用垂直运输设备?()A. 塔吊B. 施工升降机C. 物料提升机D. 手推车答案:D二、多项选择题(每题2分,共40分)11. 下列哪些属于施工现场常用安全防护用品?()A. 安全帽B. 安全带C. 防护眼镜D. 电焊手套答案:ABC12. 下列哪些行为属于违章作业?()A. 未佩戴安全帽作业B. 酒后作业C. 未进行安全技术交底作业D. 正确使用防护用品作业答案:ABC13. 下列哪些设备属于施工现场常用机械设备?()A. 混凝土搅拌机B. 塔吊C. 滚筒式洗车机D. 切割机答案:ABCD14. 下列哪些现象可能导致施工现场火灾?()A. 乱丢烟头B. 电焊作业不当C. 施工现场应配备足够的消防器材D. 动火作业无专人监护答案:ABD15. 下列哪些操作属于模板作业的安全要求?()A. 模板应牢固稳定B. 模板接缝应严密C. 模板应进行预压试验D. 模板安装后无需验收答案:ABC16. 下列哪些设备属于施工现场常用安全防护设备?()A. 安全网B. 安全带C. 防护栏杆D. 电焊机答案:ABC17. 下列哪些情况可能导致高空作业事故?()A. 未佩戴安全帽B. 未使用安全带C. 高空作业平台不稳定D. 天气晴朗答案:ABC18. 下列哪些操作属于施工现场机械设备的安全要求?()A. 设备应定期进行检查和维护B. 操作人员应持有相应的操作证件C. 设备应进行试运行D. 设备运行时,严禁无关人员进入施工现场答案:ABCD19. 下列哪些现象可能导致施工现场坍塌事故?()A. 施工现场土质不稳B. 支撑体系不牢固C. 施工过程中未及时加固D. 下雨天气施工答案:ABC20. 下列哪些设备属于施工现场常用垂直运输设备?()A. 塔吊B. 施工升降机C. 物料提升机D. 手推车答案:ABC三、判断题(每题2分,共20分)21. 施工现场临时用电线路不需要采取保护措施。
三级安全教育试卷(混凝土工)姓名:得分:一、通用部分(60分,填空每格1.5分):1、安全教育的目的是为了增强知识,提高和能力;2、我国安全生产管理方针是:、,;3、新工人进场必须进行、、三级安全教育,考试合格,方可上岗;4、在建工程的“三宝”是:、、,必须正确使用;5、“四口”是:通道口、、、,必须做好安全防护措施;6、“五临边”是:、、楼梯边、、,要有安全防护措施;7、进入施工现场必须戴好,扣好;正确使用用品;8、高空作业的高度是米以上,凡无设施的高空作业,必须系好;9、造成安全事故的主要原因是“三违”即:、违章指挥、违反;10、安全生产的“三不伤害”是:、我不被他人伤害、;11、非电工人员严禁安装电路设施;设备配电实行一机、一闸的原则;12、严禁上岗、在易燃易爆区域严禁或动用,动用前要先后作业;13、电工、起重司机、登高作业等特殊工种必须持操作证,方可上岗作业;14、上岗时不要放弃使用用品,有权阻止和作业的指令。
二、专业部分(30分,填空每格2分):1、使用混凝土泵运输送混凝土时,应由名以上人员牵引布料管;向模内灌注混凝土时,作业人员应,灌注人应听从指挥2、浇灌高度米以上的壁、柱、梁砼应设,不得站在或支撑上操作。
3、砼振捣器使用前必须经检验,确认合格后方可使用;砼振捣器使用前,操作者必须穿,戴。
4、搅拌机的安装应,运转中,严禁用或工具伸入扒料、出料;5、用塔吊运送砼时,吊斗必须使用专用吊具,吊点不得少于个,吊环应;6、泵管道应架设,因泵管道故障堵塞,在疏通砼输送泵管道时,应疏散。
三、问答题(10分):结合本工种的特点,讲述如何做好自身的安全防护工作?三级安全教育学习资料(混凝土工)一、通用部分安全学习资料:1、安全教育的目的是为了增强安全防护知识,提高事故预防和应急处理能力;2、我国安全生产管理方针是:安全第一、预防为主,综合治理;3、新工人进场必须进行公司、项目部、班组三级安全教育,考试合格,方可上岗;4、在建工程的“三宝”是:安全帽、安全带、安全网,必须正确使用;5、“四口”是:通道口、楼梯口、电梯井口、预留洞口,必须做好安全防护措施;6、“五临边”是:基坑边、阳台边、楼梯边、楼层边、屋面边,要有安全防护措施;7、进入施工现场必须戴好安全帽,扣好帽带;正确使用个人劳动防护用品;8、高空作业的高度是2米以上,凡无安全防护设施的高空作业,必须系好安全带;9、造成安全事故的主要原因是“三违”即:违章作业、违章指挥、违反劳动纪律;10、安全生产的“三不伤害”是:我不伤害他人、我不被他人伤害、我不伤害自己;11、非电工人员严禁安装电路设施;设备配电实行一机一箱、一漏一闸的原则,12、严禁酒后上岗、在易燃易爆区域严禁吸烟或动用明火,动用明火要先审批后作业;13、电工、起重司机、登高作业等特殊工种必须持特种作业操作证,方可上岗作业;14、上岗时不要放弃使用劳动防护用品,有权阻止违章作业和强令冒险作业的指令。
公司级安全教育培训考试题单位:姓名:分数:一、单选题(每题3分,共计60分)1.安全生产管理,必须坚持()的方针。
A.安全生产,重在预防B.安全生产,违法必究C.安全第一,预防为主,综合治理D.预防为主,防消结合2.《安全生产法》第 21 条规定,未经安全生产教育和培训的从业人员,()A.不得发工资B.不得上岗作业C.不得从事危险作业D.不得登高作业3.《安全生产法》第 21 条规定生产经营单位应当对从业人员进行安全生产教育和培训,保证从业人员()本岗位的安全操作技能。
A.了解B.熟悉C.掌握D.清楚4.《刑法》第一百一十四条规定,由于(),违反规章制度、或者强令工人违章冒险作业,因而发生重大伤亡事故或者造成其他严重后果的,处三年以下有期徒刑或者拘役,情节特别恶劣的处七年以下有期徒刑。
A.不服从管理B.不发工资的C.认真工作的D.不清楚5.《劳动法》第五十六条规定,劳动者在劳动中()劳动规程,劳动者对用人单位违章指挥,强令冒险作业,有权拒绝执行,对危害生命和安全健康的行为有权提出批评、检举和控告。
A.必须严格遵守B.可以遵守C.可以不遵守D.不清楚6.《安全生产法》里第22、23、36条都对知情权作了明确,从业人员()知道其所在的岗位存在哪些危险因素。
A.无权B.可以C.有权D.以上均可7.从业人员有权对本单位的安全生产工作提出意见和建议。
依据《安全生产法》第15条的规定:对提出好的建议、科学研究等方面做出贡献的可以( )A.升职B.让其带班作业C.给予转正D.给与奖励8.从业人员()对本单位的安全生产过程中存在的问题提出批评、检举和控告A.有权B.无权C.经领导同意可以D.给奖励可以9.凡是为生产经营单位服务而取得报酬的人员都属于从业人员,从业人员()拒绝违章指挥和强令冒险作业,这是职工的权利。
A.有权B.无权C.经领导同意可以D.紧急情况10.有关安全生产的法律、法规和规章是安全生产的基本要求和保证,每一个从业人员都有()认真遵守。
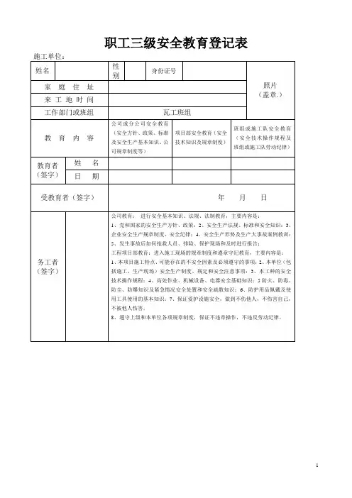
职工三级安全教育登记表建筑工程“三级安全教育”统一考试卷一、法律法规题(计20题,每题2分,共40分)1、2003年11月12日,国务院第28次常务会讨论并原则通过了《建设工程安全生产管理条例》草案,(),温家宝总理签署第393号国务院令予以公布。
A、2002年11月20日B、2002年11月24日C、2003年11月20日D、2003年11月24日2、《建筑法》(草案)经全国人大八届常委会第28次会议审议,于()正式颁布。
A、1997年11月1日B、1998年11月1日C、1997年11月12日D、1998年11月12日3、()是安全生产领域的综合性基本法,它是我国第一部全面规范安全生产的专门法律。
A、《建筑法》B、《安全生产法》C、《建设工程安全生产管理条例》D《建设工程质量管理条例》4、《中华人民共和国劳动法》于()中华人民共和国第八届全国人民代表大会常务委员会第八次会议通过。
A、1994年7月5日B、1995年7月5日C、1996年7月5日D、1997年7月5日5、建筑施工企业()为从事危险作业的职工办理意外伤害保险,支付保险费。
A、可以B、必须C、不必D、自行决定是否6、建筑施工企业必须为从事危险作业的职工办理意外伤害保险,由()支付保险费。
A、建筑施工企业B、职工C、建筑施工企业和职工D、保险公司7、施工单位应当建立、健全教育培训制度,加强对职工的教育培训;未经教育培训或者考核不合格的人员,()。
A、不得上岗作业B、应当下岗C、可以上岗作业D、调到其他岗位任职8、根据《建设工程安全生产管理条例》,建设工程安全生产管理坚持()的方针。
A、预防第一、安全为主B、改正第一、罚款为主C、安全第一、预防为主、综合治理D、罚款第一、改正为主9、根据《建设工程安全生产管理条例》,专职安全生产管理人员负责对安全生产进行现场监督检查。
发现安全事故隐患,应当及时向项目负责人和安全生产管理机构报告;对违章指挥、违章操作的,应当()。
xxxxxxxxxxxx公司班组(普工)安全教育试卷项目部姓名得分一。
填充题:(每题4分,共40分)1.挖掘土方应,逐层挖掘。
2.挖掘土方严禁采用的操作方法。
3.开挖沟槽、基坑等,应根据土质和挖掘深度。
4.吊运土方,起吊时垂直下方不得。
5.使用蛙式打夯机,电源电缆必须。
6.用手推车装运物料应注意,掌握 ,注意车距。
7.脚手架上放砖的高度不准超过侧砖。
8.前后车距在平地上不得少于,下坡不得少于。
9.车辆未停稳,禁止和装卸物料,所装物料要垫和绑牢。
10.在旧建筑物旁挖土时,要注意的变化,防止原建筑物变形、倒塌.二、判断题:(对的打“√”错的打“╳”,每题3分,共30分)1。
从砖垛上取砖应由下而上阶梯式拿取,禁止一码拆到底2。
进入现场必须带安全帽,严禁穿拖鞋、高跟鞋等上班。
()3.上、下沟槽时,必须设有专门的上下通道或架设梯子,攀上跳下。
() 4。
人工挖掘冻土时,打锤人应站在撑楔人的后面. ( ) 5.运石料时严禁从堆下掏取,要小面着车。
( ) 6.移动构件应使用撬杠,两人撬动时要互相照应,不得用手搬动.( ) 7.抬运和安装预制构件时,可以反抬、反安。
( ) 8.高处清理时,不得站在独墙上或建筑物的边沿上操作或行走。
( ) 9. 回填土时应先检查坑槽内无人时,方可施工。
( ) 10。
使用蛙式打夯机,电源线不准破皮、漏电。
( ) 三。
选择题:(每题3分,共30分) 1。
挖土方时两人操作间距不少于 m 。
(A )1~2 (B )2~3 (C)3~4 2.挖出的泥土应堆放在沟边 m 以外。
(A)0.5 (B)1 (C )1.5 (D )2 3.挖出的泥土的高度不得超过 m 。
(A )0。
5 (B )1 (C )1。
5 (D )2 4。
坚硬的粘土立壁垂直挖深度不宜超过 m 。
(A )1 (B )1。
25 (C)1.5 (D)2 5.在 m 以下深坑、井挖土时,必须戴安全帽. (A )1 (B )1.5 (C)2 (D )3 6。
xx项目砼工三级安全教育考试试卷答案班组:姓名职务得分一、填空题(每小题2分,共计40分):1、我国的安全生产方针是安全第一、预防为主、综合治理。
2、四口防护中“四口”是指:预留洞口、电梯口、楼梯口、通道口。
3、现场的施工作业人员应从规定的梯道上下,不准攀登脚手架、龙门架、井字架、垂直升降设备上下,严禁酒后登高作业。
4、高空作业人员衣着灵便,应穿软底防滑鞋,禁止赤脚,禁止穿拖鞋、凉鞋、硬底鞋、高跟鞋、和带钉易滑鞋、不准往下投掷杂物或建筑垃圾。
5、施工现场的五大伤害是:高处坠落、触电事故、物体打击、机械伤害、坍塌事故。
6、三级安全教育包括:公司、项目部、班组三级。
7、三违是指:违章指挥、违章作业、违反劳动纪律。
8、劳动者应当完成劳动任务提高职业技能执行劳动安全卫生规程,遵守劳动纪律,并在劳动过程中必须严格遵守职业道德,安全操作规程。
9、施工现场十不准:(1)不戴安全帽不准进入施工现场;(2)不系安全带不准悬空高处作业;(3)不是操作工不准开动机械设备;(4)高空作业不准戏闹,不准从高空向下抛杂物等;(5)吊钩下不准站人;(6)龙门架不准乘坐上下人;(7)不准穿拖鞋、凉鞋、硬底鞋、高跟鞋和带钉易滑鞋以及奇装服饰:(8)不准移动安全设施和标牌;(9)不准酒后上班;(10)不准带小孩进入现场。
二、多选题:(请将正确答案的号码分别填写在题后的括号内,多选、错选、漏选均不得分。
每小题4分,计40分。
)1、五临边包括(a、b、c、d 、e).a、沟、坑,槽和深基础周边;b、楼层周边;c、楼梯侧边;d、平台或阳台边 e、屋面周边2、工地发生伤亡事故时应立即作好三件事(a、c、d、).a、有组织地抢救受伤人员;b、及时清理事故现场;c、保护事故现场不被破坏;d、及时向上级和有关部门报告。
3、建筑施工中“三宝”是指(a、b、c、).a、安全帽b、安全带c、安全网d、防尘面罩。
4、特种作业人员包括(b、c、d、).a、钢筋工b、金属焊接(气割)工、电工c、起重机司机、起重指挥、司索人员d登高架设人员。
新工人进场三级安全教育试卷(混凝土工)姓名:得分:一、通用部分(60分,填空每格1.5分):1、安全教育的目的是为了增强知识,提高和能力;2、我国安全生产管理方针是:、,;3、新工人进场必须进行、、三级安全教育,考试合格,方可上岗;4、在建工程的“三宝”是:、、,必须正确使用;5、“四口”是:通道口、、、,必须做好安全防护措施;6、“五临边”是:、、楼梯边、、,要有安全防护措施;7、进入施工现场必须戴好,扣好;正确使用用品;8、高空作业的高度是米以上,凡无设施的高空作业,必须系好;9、造成安全事故的主要原因是“三违”即:、违章指挥、违反;10、安全生产的“三不伤害”是:、我不被他人伤害、;12、非电工人员严禁安装电路设施;设备配电实行一机、一闸的原则;13、严禁上岗、在易燃易爆区域严禁或动用,动用前要先后作业;14、电工、起重司机、登高作业等特殊工种必须持操作证,方可上岗作业;15、上岗时不要放弃使用用品,有权阻止和作业的指令。
二、专业部分(30分,填空每格2分):1、使用混凝土泵运输送混凝土时,应由名以上人员牵引布料管;向模内灌注混凝土时,作业人员应,灌注人应听从指挥2、浇灌高度米以上的壁、柱、梁砼应设,不得站在或支撑上操作。
3、砼振捣器使用前必须经检验,确认合格后方可使用;砼振捣器使用前,操作者必须穿,戴。
4、搅拌机的安装应,运转中,严禁用或工具伸入扒料、出料;5、用塔吊运送砼时,吊斗必须使用专用吊具,吊点不得少于个,吊环应;6、泵管道应架设,因泵管道故障堵塞,在疏通砼输送泵管道时,应疏散。
三、问答题(10分):结合本工种的特点,讲述如何做好自身的安全防护工作?新工人进场三级安全教育学习资料(混凝土工)一、通用部分安全学习资料:1、安全教育的目的是为了增强安全防护知识,提高事故预防和应急处理能力;2、我国安全生产管理方针是:安全第一、预防为主,综合治理;3、新工人进场必须进行公司、项目部、班组三级安全教育,考试合格,方可上岗;4、在建工程的“三宝”是:安全帽、安全带、安全网,必须正确使用;5、“四口”是:通道口、楼梯口、电梯井口、预留洞口,必须做好安全防护措施;6、“五临边”是:基坑边、阳台边、楼梯边、楼层边、屋面边,要有安全防护措施;7、进入施工现场必须戴好安全帽,扣好帽带;正确使用个人劳动防护用品;8、高空作业的高度是2米以上,凡无安全防护设施的高空作业,必须系好安全带;9、造成安全事故的主要原因是“三违”即:违章作业、违章指挥、违反劳动纪律;10、安全生产的“三不伤害”是:我不伤害他人、我不被他人伤害、我不伤害自己;12、非电工人员严禁安装电路设施;设备配电实行一机一箱、一漏一闸的原则,13、严禁酒后上岗、在易燃易爆区域严禁吸烟或动用明火,动用明火要先审批后作业;14、电工、起重司机、登高作业等特殊工种必须持特种作业操作证,方可上岗作业;15、上岗时不要放弃使用劳动防护用品,有权阻止违章作业和强令冒险作业的指令。
施工人员三级安全教育知识考核试题(混凝土工)一、判断题(每题2分,共计50分;答题方式:正确的在括号内填写√,错误的填写×)1、强令工人冒险作业,发生重大伤亡事故,造成严重后果,这是违法行为。
()2、浇筑离地2米以上的框架、过梁、雨蓬和小平台等,应设操作平台,不得站在模板或支撑件上操作。
()3、夜间施工时,应有足够的照明,并经过二级漏电保护。
灯具应架空或用固定支架,离地不低于2.4米。
()4、浇筑弓形结构,应自两边拱脚对称同时进行;浇灌圈梁、雨蓬、阳台应设置安全防护设施。
()5、使用震动棒应穿胶鞋,带绝缘手套,湿手不得接触开关,电源线不得有破皮漏电。
()6、震动棒的使用技巧是慢插快拔。
()7、为了保证工程进度,对发生的事故隐瞒不报的做法,可以谅解。
()8、发现有人触电时应拉闸断电,或用干燥木方木材等不导电材料将触电者与触电器分开抢救。
()9、手持电动工具电源线上的插头可以任意拆除或调换,电源线可以任意选用。
()10、安全帽由帽壳、帽衬、帽带三部分组成。
()11、《劳动合同法》中规定,劳动者拒绝用人单位管理人员违章指挥、强令冒险作业的行为,不视为违反劳动合同。
()12、凡在坠落高度基准面2米以上有可能坠落的高处进行的作业被称为高处作业。
()13、二级箱可以直接接用电设备或者工具使用()14、中午有午休吃饭时可以少喝点酒再上岗作业。
()15、施工电梯司机有事离开不在驾驶室时,其他人员有急事的情况下可以自行开动。
()16、全国70%以上的安全事故都是由三违造成,三违指的是:违章指挥、违章操作、违反劳动纪律。
()17、卸扣(卡环)吊装时可以在任意一个方向受力。
()18、塔吊在作业中,遇有六级以上强风,暴雨和雷电时,只要加强监护工作,就可以继续作业。
()19、在吊装物料、构件时,任何人员都不得停留在吊物的下面。
()20、汽车泵搅拌斗上保护网格必须完好并盖严。
()21、操作布料机时,一人拉住手动管前端的绳子,转动主梁架和前端手动管以获得不同平面内的布料。
施工作业人员三级安全教育培训考核试卷及答案电工工程名称姓名性别身份证号成绩一、(填空题:(每题1分、共10题10分):1、进入施工现场必须经过(、、)三级安全教育2、现场临电、安装电工必须持有效()上岗操作、禁止无证作业3、我国的安全生产方针是(、)4、高处作业必须佩戴()正确使用()5、建筑业常发生重大事故是(、、、、)6、施工中三不伤害是(、、)7、施工中的四口是(、、、)8、电工作业时有哪些安全要求(、、)9、常用的安全电压有(、、、)10、在潮湿和金属容器内作业使用的照明电压不得超过()二、简答题:(每题5分、共6题30分)1、开关箱是配电系统的未级箱,开关箱与所控制的固定式用电设备水平距离应为多少米?2、动力电路中大于5.5kw的用电设备,应采用什么开关?为什么?3、电工作业时,个人应穿戴哪些劳保着装?4、施工现场临时用电安全技术规范»JGJ46-2005的要求,本规范自什么时间实施?5、施工照明灯具露天安装时,应采用什么灯具?距离地面不得低于多少米?6、外电架空线路需搭设防护架时,其高度应高于架空线多少米?三、问答题:(每题10分、共6题60分)1、开关箱与用电设备之间,可实行“一闸多机”和一台漏电保护器同时保护二台以上设备的作法吗?2、临电规范规定配电箱开关箱设隔离开关,为什么?3、临时用电施工组织设计的编制、审核、审批程序有哪些?4、电箱的安装应满足哪些环境条件?5、什么是重复接地? 什么时保护接地?6、如何正确使用和区分导线的颜色?(电工)一、填空题:(每题1分、共10分10题)1、(公司、项目部、班组)三级安全教育2、(操作证)上岗操作、禁止无证作业3、(安全第一、预防为主)3、(安全帽)正确使用(安全带)4、(触电、坠落、坍塌、机械伤害、物体打击)5、(不伤害自己、不伤害他人、不被他人伤害)6、(电梯井口、预留洞口、通道口、楼梯口)7、(穿绝缘鞋、戴绝缘手套、禁止酒后操作)8、(6V 、12V、24V 、36V)9、(24V )二、简答题:(每题5分、共30分6题)1、答:应不超过3米,以便操作开关箱的电器时,监护设备起动和停止情况,当用电设备发生故障需要紧急断电时,可以及时切断电源。
(完整版)三级安全教育混凝土工作业人员考核试卷及答案1三级安全教育混凝土工作业人员考核试卷单位:姓名成绩年月日考试时间:年月日分包单位:一、填空:(30分每空2分)8、2米以上高空作业,无安全设施的必须系好安全带,扣好保险钩。
(√)1、使用汽车、罐车运送混凝土时,道路应平整坚实,必须由专人指挥。
2、砼楼面养护时楼面有孔洞和障碍物,拉移浇水用的皮管时应将空洞覆盖,三、简答题:(每题10分共30分)不得倒退行走,预防摔倒或坠落。
1、浇筑梁柱、墙、大体积砼,对砼振捣有什么安全要求?3、疏通砼输送泵管道时,应疏散周围人员,预防崩伤人员。
答:浇筑大体积梁、墙、柱时操作人员必须听从指挥,必须正确佩戴4、浇灌高度2米以上的墙、柱、梁、板砼应设操作平台,不得站在模板安全防护用品,派专人牵引电缆,将振捣器放置在绝缘处,振动或支撑上操作。
棒应块插慢拔,分层灌注分层振捣,预防过振对模板或支撑体系5、砼振捣器使用前,操作者必须穿绝缘鞋(胶鞋),戴绝缘手套。
产生不安全因素。
6、用塔吊运送砼时,吊斗必须装有专用牢固的吊环,吊点不得少于4个。
2、对于现浇砼结构跨度大于8米梁,拆模时砼强度应达到设计强度多二、判断题:(每题5分共40分)少才能拆?1、浇筑两米以上墙、板砼时,操作人员可以站在模板或支撑上振捣砼,不需答:砼强度应为100%。
搭操作平台。
(×)2、砼振捣器使用前,必须经电工检验确认合格后方可使用;使用时振捣器必3、上下交叉作业时,下放人员应怎样注意安全?须放置在干燥绝缘处对吗?(√)答:应尽量避开上下交叉作业,实在避不开时,下方人员必须在施工3、向模板内灌注砼时应协调配合,灌注人应听振捣人员指挥。
(√)层上方搭防砸、防漏棚,必须正确使用防护用品,上下人员作业4、使用混凝土泵送,加布料杆配合输送时,布料杆可以不加固,派几名工人牵尽量避开在同一位置作业,确保安全。
引布料杆都可以。
(×)5、浇筑砼无需专人指挥,操作人员可以不用分工,只要干活就行。
新工人进场三级安全教育试卷(混凝土工)姓名:得分:一、通用部分(60分,填空每格2分):1、新工人进场必须进行、、三级安全教育,考试合格,方可上岗;2、在建工程的“三宝”是:、、,必须正确使用;3、“四口”是:通道口、、、,必须做好安全防护措施;4、“五临边”是:、、______、、,要有安全防护措施;5、进入施工现场必须戴好,扣好;正确使用用品;6、高空作业的高度是米以上,凡无设施的高空作业,必须系好;7、造成安全事故的主要原因是“三违”即:、违章指挥、违反;8、安全生产的“三不伤害”是:、我不被他人伤害、;9、非电工人员严禁安装电路设施;设备配电实行一机、一闸的原则;10、严禁上岗、在易燃易爆区域严禁或动用,动用前要先后作业;二、专业部分(30分,填空每格3分):1、使用混凝土泵运输送混凝土时,应由2名以上人员牵引布料管;向模内灌注混凝土时,作业人员应,灌注人应听从指挥2、浇灌高度米以上的壁、柱、梁砼应设,不得站在或支撑上操作。
3、砼振捣器使用前必须经检验,确认合格后方可使用;砼振捣器使用前,操作者必须穿,戴。
4、泵管道应架设,因泵管道故障堵塞,在疏通砼输送泵管道时,应疏散。
三、问答题(10分):结合本工种的特点,讲述如何做好自身的安全防护工作?新工人进场三级安全教育学习资料(混凝土工)一、通用部分安全学习资料:1、新工人进场必须进行公司、项目部、班组三级安全教育,考试合格,方可上岗;2、在建工程的“三宝”是:安全帽、安全带、安全网,必须正确使用;3、“四口”是:通道口、楼梯口、电梯井口、预留洞口,必须做好安全防护措施;4、“五临边”是:基坑边、阳台边、楼梯边、楼层边、屋面边,要有安全防护措施;5、进入施工现场必须戴好安全帽,扣好帽带;正确使用个人劳动防护用品;6、高空作业的高度是2米以上,凡无安全防护设施的高空作业,必须系好安全带;7、造成安全事故的主要原因是“三违”即:违章作业、违章指挥、违反劳动纪律;8、安全生产的“三不伤害”是:我不伤害他人、我不被他人伤害、我不伤害自己;9、非电工人员严禁安装电路设施;设备配电实行一机一箱、一漏一闸的原则,10、严禁酒后上岗、在易燃易爆区域严禁吸烟或动用明火,动用明火要先审批后作业;二、专业部分安全学习资料:1、使用混凝土泵运输送混凝土时,应由名2名以上人员牵引布料管。
混凝土工安全考试卷班组姓名培训时间成绩一、判断题(每题1分)1.使用汽车、罐车运送混凝土时,道路应平整坚实;不必设专人指挥。
()2.混凝土浇水养护时应注意障碍物和孔洞,拉移皮管浇水时不得倒退行走,防止从孔洞内坠落。
()3. 混凝土浇注作业必须设专人指挥,对人员不必要分工太明确。
()4.高空作业为了加快进度,在有人监督时可以抛掷物料、工具和施工垃圾。
()5.浇筑混凝土堵泵疏通输送泵管时,班长同意时可以不疏散周围人员。
()6. 安全带使用的原则是高挂低用。
()7.2米以上的高空悬空作业,无安全设施的必须系好(安全带),扣好保险钩。
( )8.(六级)以上强风和大雨、大雾天气,应停止露天高处起重吊装和打桩作业。
( )9.使用覆盖物养护混凝土时,预留孔洞必须按规定设牢固盖板或围栏,可以视情况不设安全标志。
()10. 向模板内灌注混凝土时,作业人员应协调配合,灌注人应听从(振捣人员)指挥。
( )11.在沟槽、基坑中浇注混凝土前应检查(槽帮)有无裂缝。
( )12.浇注混凝土作业人员可以在(钢筋上)踩踏、行走。
()13.垂直运输混凝土时必须明确联系信号。
( )14.混凝土振捣器使用前,操作者可根据情况决定是否穿绝缘鞋,戴(绝缘手套)。
( )15、浇筑高度2m以上的壁、柱、梁、板混凝土应搭设操作平台,不得站在模板或支撑上操作。
()16、工期紧张的时候浇筑人员直接在钢筋上踩踏、行走。
()17、进场作业前应接受安全教育,经过培训后,考试不合格者也可上岗作业。
()18、作业时应保持作业道路通畅、作业环境整洁。
在雨、雪后和冬期,露天作业时必须先清除水、雪、霜、冰,并采取防滑措施。
()19、作业中出现危险征兆时,作业人员应暂停作业,撤至安全区域,并立即向上报告。
未经施工技术管理人员批准,严禁恢复作业。
紧急处理时,必须在施工技术管理人员的指挥下进行作业。
()20、施工现场用火,应申请办理用炎证,并派专人看火。
吸烟不会引起火灾,安全员不在的情况况下,可以在施工现场抽烟。
XXXX预拌混凝土有限公司三级安全教育安全考核试题姓名:部门:岗位: 成绩:一填空题(每空2分,共40分)1、氧气瓶存放应与高温、明火地点保持 10 米以上的距离,与乙炔瓶的距离不少于 5 米。
2、凡高于地面 2 米以上的作业,属于高空作业。
高空作业必须戴安全帽、系好安全带。
3、严禁带病上岗;严禁疲劳上岗。
并严格禁止搅拌站所有岗位工作人员酒后上岗4、三违是指违章作业、违反劳动纪律、违章指挥。
5、机械设备检修前应切断电源,并挂上有人工作、禁止合闸的工作牌,必要时设专人监护,防止误合闸造成事故。
6、四不伤害是指:不伤害自己,不伤害他人,不被他人伤害,保护他人不被伤害伤害。
7、进入生产区域必须戴好安全帽,并正确佩戴好劳动安全保护用品及用具。
8.国家的安全生产方针是安全第一和预防为主和综合治理。
9. 国家的消防工作方针预防为主、防消结合。
二判断题(每题2分,共16分)1.新入公司的员工,需要进行公司、车间、班组三级教育,建立完整的安全教育档案。
但公司调换工种的员工则不需要。
(×)2.车间内配备的一般防火防爆器材,应学会使用,也可以随便挪。
(× )3.机械设备的安全防护装置必须按规定正确使用,不准不用或将其拆掉。
(√)4.检修完毕,须将所有的安全防护罩及安全附件装上,并调整安全设施,使其灵敏可靠。
(√)5.可以使用汽油等易燃液体擦洗设备、用具和衣物。
(×)6.未经安全培训合格,不准上岗作业,从事特种作业职工未取得特种作业操作证,可以上岗操作。
(×)7.安全行为观察的目的是纠正不安全的行为,并将安全的行为给予固化。
(√)8.本质安全是指设备、设施或技术工艺含有内在的能够从根本上防止发生事故的功能、本质安全是安全生产管理预防为主的根本体现,也是安全生产管理的最高境界。
( √ )三选择题(每题2分,共20分)1.在国家规定的安全色中有红、蓝、黄、绿四种颜色。
其中红色的含义是:( A )A禁止标志 B指令标志 C警告标志 D提示标志2.不属于个人防护用品的是:( D )A安全帽 B手套 C安全带 D机器设备警报器3.下列物品中属于安全状态表现的是:( D )A防护、保险装置有缺陷 B 无个人防护用品C设备、工具有缺陷,结构不合理 D将危险化学品隔离存放5.下列情形中不视同工伤的是:( C )A在工作时间和岗位上,因突发疾病死亡或48小时内抢救无效死亡的 B 在抢险救灾等维护国家利益而受伤的C因酗酒而导致伤亡的 D职工原在军队取得伤残军人证,到用人单位后旧病复发的6.某车辆驾驶人对于在道路上发生交通事故时他应如何做的下述理解中不正确的是:( C )A立即停车,任何情况下不得逃逸 B抢救受伤人员,任何情况下不得延误C保护现场,任何情况下不得变动,等待公安机关交通管理部门勘查D迅速报告执勤的交通警察,任何情况下不得拖延混凝土企业最大的职业危害因素是:( A )A粉尘 B 噪音 C有毒气体 D辐射8.交通信号灯红灯亮灯时,在不妨碍被放行的车辆和行人通行可以通行的情况下:( A )A右转弯的车辆可以通行 B.T行路口的直行车辆可以通行C各方行驶的车辆禁止通 D左转弯的车辆可以通行9.生产作业现场“四口”指:楼梯口、预留洞口、( A )A电梯井口、通道口 B电梯井口、大门口 C通道口、大门口 D大门口、深基坑10.安全生产法实施的时间是:( A )A2002-11-1 B2003-1-1 C2002-1-1 D2006-11-1三.简答题(共24分)1、混凝土生产的基本环节?(10分)答:原材料进场、检验;原材料入仓;配料、称量;搅拌;出料检验、发运;中控室:从配料称量到混凝土出搅拌机实施全程中央控制;2、结合本岗位工作,谈谈如何做好安全生产工作?(14分)(1):虚心学习,掌握技能以虚心的态度认真学习,不懂的地方一定要问清楚要努力掌握学到的知识,要逐步进行实践,产技能要反复进行练习(2):遵守安全生产的一般规则“安全三原则”:整理整顿工作地点,有一个整洁有序的作业环境。
混凝土工应知应会试题施工队名称姓名分数一、填空题:(每题5分,共35分)1、悬挑构件的的主筋布置在构件的。
2、对于现浇钢筋砼结构大于8m的梁,拆模时所需砼强度应达到设计强度的。
3、搅拌机停机前应倒入一定量的和利用搅拌机的旋转,将筒内清洗干净。
4、楼梯砼强度达到设计强度的以上时,方可拆除踢脚板模板。
5、砼振捣时,棒头伸入下层。
6、浇筑墙板时,应按一定方向,顺序浇筑,分层厚度以为宜。
7、袋装水泥存放时,应离地面及墙面以上。
二、判断题:(每题5分,共30分)1、预留孔洞处应两侧同时下料,对称振捣。
()2、砼浇水养护时应注意楼面的障碍物和孔洞,不得倒退行走,以防从孔洞内坠落。
()3、浇筑柱子的顺序可以从一端开始向另一端推进。
()4、墙体砼浇筑,要遵循先边角后中部,先内墙后外墙的原则。
()5、插入式振捣器操作时,应作到“快插慢拔”。
()6、梁板达到拆模强度的,在拆模后,即可承受其全部荷载。
()三、选择题(每空3分,共15分)1、浇筑高度2米以上的墙体、柱、梁、混凝土()站在模板或支撑上操作。
1)不可以 2)可以2、混凝土地泵在清洗泵管时,其泵管出口前方()米内不允许有人。
1)5米 2)2米3、作业人员饮酒后()进入施工现场作业。
1)不可以 2)可以4、浇注混凝土作业人员()直接在钢筋上踩踏、行走。
1)不可以 2)可以5、混凝土浇筑时()再加水。
1)不可以 2)可以四、问答题(每空10分,共20分)1、作业人员作业前应检查什么?2、建筑施工中的“四口”是什么?:混凝土答案一、填空题上部、100%、石子、清水、70%、5-10cm、分层、40-50cm、、30cm、二、判断题√√××√×三、选择题1、答:不可以。
2、答:5米。
3、答:不可以。
4、答:不可以。
5、答:不可以。
四、问答题1、答:应检查工具、设备、现场环境等是否存在不安全因素,是否正确穿戴个人防护用品。
2、答:通道口、楼梯口、电梯井口、预留洞口。