机动车辆保险定损复勘记录
- 格式:doc
- 大小:143.50 KB
- 文档页数:1
车险复勘工作方法级流程一、目的规范车险理赔复勘工作,防范道德风险,监督经营单位理赔业务政策及流程的执行,促进客户服务管理质量提高,为企业创造良好效益。
二、复勘原则独立公正,责任第一,注重证据,保证时效。
三、理赔复勘工作内容1.事故修复完成验收2.赔案调查3.对非合作厂的监督4.回收有价值旧件四、工作操作要点1》. 事故修复完成验收:竣工验收,是指对保险事故中损失标的(包括车辆和非车财产)的修复情况进行复勘,内容包括:是否按定损单(由保险公司、被保险人、维修单位共同确认)列明维修、更换项目进行维修或更换;是否存在以修代换的情况;更换配件是否有以次充好的情况;是否存在以旧件代替新件更换的情况;修复项目是否符合工艺要求,是否符合质量标准的要求。
2》赔案调查:对每比报案进行抽查,监督赔案处理时效及赔案质量。
针对总公司品质管理过程中发现的共性问题,在总公司指导下进行专项抽查。
3》对非合作厂的监督:监督非协议修理厂是否按照定损单进行修复换件,有无弄虚作假行为;对修复过程中存在的问题进行反馈。
4》回收旧件:旧件由复勘人员进行回收,复勘人员对回收结果进行监督。
,交由复勘人员进行确认。
复勘人员确认时应注意核对数量是否符合、旧件物资是否是本案损失以及是否粘贴有我司标签。
监督检验修理是否按要求更换配件,对于未更换及扣除残值处理的,从2012-4-1日开始凡涉及非专修30万以上车型案件和减损3000元以上案件必须以呈报形势上报,赵经理给予意见后方能提交案件,并上传至理赔平台。
复勘语束1、请问您是被保险人本人吗?2、您确定您修复的车辆已经竣工了吗?3、您的旧件一定要准备齐全,否则会对您此次理赔造成不必要的麻烦和损失。
(除非在定损拍照时丢失的配件或者已经破碎到不能修复的配件还有辅料不需回收)4、我们现在是一次性复勘,请您理解5、我们只针对被保险人,如果您不是被保险人,请提供被保险人电话,或者联系被保险人本人和您一起来进行复勘工作。
车险复勘工作方法级流程一、目的规范车险理赔复勘工作,防范道德风险,监督经营单位理赔业务政策及流程的执行,促进客户服务管理质量提高,为企业创造良好效益。
二、复勘原则独立公正,责任第一,注重证据,保证时效。
三、理赔复勘工作内容1.事故修复完成验收2.赔案调查3.对非合作厂的监督4.回收有价值旧件四、工作操作要点1》. 事故修复完成验收:竣工验收,是指对保险事故中损失标的(包括车辆和非车财产)的修复情况进行复勘,内容包括:是否按定损单(由保险公司、被保险人、维修单位共同确认)列明维修、更换项目进行维修或更换;是否存在以修代换的情况;更换配件是否有以次充好的情况;是否存在以旧件代替新件更换的情况;修复项目是否符合工艺要求,是否符合质量标准的要求。
2》赔案调查:对每比报案进行抽查,监督赔案处理时效及赔案质量。
针对总公司品质管理过程中发现的共性问题,在总公司指导下进行专项抽查。
3》对非合作厂的监督:监督非协议修理厂是否按照定损单进行修复换件,有无弄虚作假行为;对修复过程中存在的问题进行反馈。
4》回收旧件:旧件由复勘人员进行回收,复勘人员对回收结果进行监督。
,交由复勘人员进行确认。
复勘人员确认时应注意核对数量是否符合、旧件物资是否是本案损失以及是否粘贴有我司标签。
监督检验修理是否按要求更换配件,对于未更换及扣除残值处理的,从2012-4-1日开始凡涉及非专修30万以上车型案件和减损3000元以上案件必须以呈报形势上报,赵经理给予意见后方能提交案件,并上传至理赔平台。
复勘语束1、请问您是被保险人本人吗?2、您确定您修复的车辆已经竣工了吗?3、您的旧件一定要准备齐全,否则会对您此次理赔造成不必要的麻烦和损失。
(除非在定损拍照时丢失的配件或者已经破碎到不能修复的配件还有辅料不需回收)4、我们现在是一次性复勘,请您理解5、我们只针对被保险人,如果您不是被保险人,请提供被保险人电话,或者联系被保险人本人和您一起来进行复勘工作。
关于查勘记录相关问题的规范要求查勘记录相关问题的要求1.关于事故经过的填写规范。
2.关于拉尺问题。
3.关于现场示意图问题。
4.总结。
5.其他相关查勘规范。
1.关于事故经过的填写规范。
•经现场查勘/快赔复堪/或其他(说明查勘地点),2013年*月*日,上午*点**分,某某某(驾驶员)驾驶的陕A12345(标的车),(要写明车牌,不能简单使用‘车辆’或者‘标的车’,因为有很多套牌车或者车辆过户但保险没过户的情况,及其他一些情形,这样的话车牌是不一致的,)在什么地方由东向西/左转弯/掉头(注明行驶走向)行驶时,适逢某某某(驾驶员)驾驶的陕A12345(三者车)由西向东/右转弯/倒车行驶(停放),因什么原因,造成标的车什么损失(损失情况简单描述,比如前杠,大灯,有无隐损件,确定受损范围),三者车什么损失(损失情况简单描述,有无隐损件,确定受损范围),现场情况是否属实(如有疑问,列明现场问题,比如驾驶员饮酒,驾驶员是修理厂人员,无驾驶证,车辆旧损严重,事故地点在修理厂门路等等),责任是否明确。
(如果责任不明,告知报交警处理,对于损失较小,协商处理的注明‘经双方协商’,并让双方当事人签字)。
1.关于事故经过的填写规范。
•由来:• 1.根据保险条款所涉及相关要素,比如,保险期限、保险范围、保险责任、损失范围等。
• 2.结合西安市交警责任认定书书写规范。
• 3.参考公估公司的公估立场。
2.关于拉尺问题。
•对于查勘车辆的损失部位一定要有拉尺照片,拉尺位置最少为:1、碰撞点(所有涉事受损车辆)。
2、最高点(所有涉事受损车辆)。
3、最低点(所有涉事受损车辆)。
•对于痕迹不符,旧损严重或相关问题案件,应现场询问并做好相关笔录,并让客户现场签字确认,与本次事故无关的损失部分或虚假案件,要坚决予以剔除或拒赔处理,并在查勘记录中详细说明,并做好相关案件备注。
案列关于拉尺问题没有全景图,看不到尾部整体损失情况这个大灯这么旧,不会是掉包的吧,我得对比另一边,可找不见前部整体照片,难道查勘员想隐藏什么??关于拉尺问题,碰撞点及关联性。
常见十六类复勘案件工作规范在保险公司复勘案件的类型上,我司确定了十六类复勘案件,为了规范地开展复勘工作,特制定以下复勘规范。
(一)距保单起始或终止时间在7日内的案件1、复勘人员要求被保险人提供上一年度的保单,以核实本次保险事故是否发生在本次保险期限内。
2、复勘人员认真复勘车辆的事故痕迹,并判断出事故痕迹的新旧程度,用来大致确定保险事故的发生时间。
3、如果客观条件允许,复勘人员还需到事发现场,通过现场复勘,现场走访的方式来核实案件真实的发生时间是否与案件报案资料上所记载一致。
4、如果以上方法均无法核实案件真实的发生时间,复勘人员通过疑难案件反馈表的形式与保险公司及时沟通,然后由贵司决定是否发起调查。
(二)3天内连续报案的案件1、复勘人员需找到案发时驾驶员和被保险人分别作笔录,以核实事故的真实性。
2、复勘标的碰撞部位及碰撞痕迹,核实是否存在同一次事故重复报案的情况。
3、跟踪标的维修进度,确保维修项目与定损查勘时一致,杜绝某些修理厂从中牟取不正当利益。
4、如果发现案件中存在真实性无法核实或是某些修理厂一手操作的,我司会及时与贵司沟通,如贵司认为有必要,可立即发起调查。
(三)三次以上(含)出险报案的案件(具体办法参照3天内连续报案的案件)(四)车身划痕案件1、复勘人员至事故发生现场,拍摄复勘照片,包括事发地带全貌,具体事发地点,车辆事发时停放位臵(具体可参照现场查勘的相关要求)。
2、至承修单位,做损失复勘,认真复勘车辆损失部位及损失痕迹,并用照片形式记录。
3、认真核定时损失,如有必要可剔除定损时的油漆工时,改为抛光工时。
(五)玻璃单独破碎案件1、复勘人员至事故发生现场,拍摄复勘照片,包括事发地带全貌,具体事发地点,车辆事发时停放位臵(具体可参照现场查勘的相关要求)。
2、复勘人员至承修单位核实损失,要求在标的车玻璃完全拆除的情况下,将手伸进原玻璃安装部位,并拍摄照片记录下来。
3、玻璃安装之后,拍摄玻璃重新安装后的照片。
常见十六类复勘案件工作规范在保险公司复勘案件的类型上,我司确定了十六类复勘案件,为了规范地开展复勘工作,特制定以下复勘规范。
(一)距保单起始或终止时间在7日内的案件1、复勘人员要求被保险人提供上一年度的保单,以核实本次保险事故是否发生在本次保险期限内。
2、复勘人员认真复勘车辆的事故痕迹,并判断出事故痕迹的新旧程度,用来大致确定保险事故的发生时间。
3、如果客观条件允许,复勘人员还需到事发现场,通过现场复勘,现场走访的方式来核实案件真实的发生时间是否与案件报案资料上所记载一致。
4、如果以上方法均无法核实案件真实的发生时间,复勘人员通过疑难案件反馈表的形式与保险公司及时沟通,然后由贵司决定是否发起调查。
(二)3天内连续报案的案件1、复勘人员需找到案发时驾驶员和被保险人分别作笔录,以核实事故的真实性。
2、复勘标的碰撞部位及碰撞痕迹,核实是否存在同一次事故重复报案的情况。
3、跟踪标的维修进度,确保维修项目与定损查勘时一致,杜绝某些修理厂从中牟取不正当利益。
4、如果发现案件中存在真实性无法核实或是某些修理厂一手操作的,我司会及时与贵司沟通,如贵司认为有必要,可立即发起调查。
(三)三次以上(含)出险报案的案件(具体办法参照3天内连续报案的案件)(四)车身划痕案件1、复勘人员至事故发生现场,拍摄复勘照片,包括事发地带全貌,具体事发地点,车辆事发时停放位臵(具体可参照现场查勘的相关要求)。
2、至承修单位,做损失复勘,认真复勘车辆损失部位及损失痕迹,并用照片形式记录。
3、认真核定时损失,如有必要可剔除定损时的油漆工时,改为抛光工时。
(五)玻璃单独破碎案件1、复勘人员至事故发生现场,拍摄复勘照片,包括事发地带全貌,具体事发地点,车辆事发时停放位臵(具体可参照现场查勘的相关要求)。
2、复勘人员至承修单位核实损失,要求在标的车玻璃完全拆除的情况下,将手伸进原玻璃安装部位,并拍摄照片记录下来。
3、玻璃安装之后,拍摄玻璃重新安装后的照片。
事故汽车查勘报告模板背景在日常生活中,汽车事故时有发生。
为了更好地处理事故,需要进行查勘并记录相关信息。
事故汽车查勘报告是一种记录事故现场情况的文书,可以用于理赔、法律诉讼等方面。
编写一份规范的事故汽车查勘报告模板,有利于提高处理事故的效率和准确性。
内容事故汽车查勘报告模板应包含以下内容:1. 基本信息包括被查勘车辆的信息、事故发生时间、地点等基本信息。
•车辆信息–车牌号–车型–颜色–车主姓名–手机号•事故信息–事故发生时间–事故发生地点2. 查勘人员信息列出所有与此次查勘有关的人员信息,包括查勘人员、事故当事人等。
•查勘人员信息–姓名–手机号码•事故当事人信息–姓名–手机号码3. 事故现场情况详细记录事故地点、天气、道路状况等情况。
•事故现场定位–定位–照片•天气情况–天气情况–温度–湿度•道路状况–道路类型–车道数量–车流状况4. 受损情况展示车辆受损情况的详细信息。
•车辆受损情况–受损部位–受损程度–受损照片5. 责任判断根据现场情况和相关证据,判断事故责任。
•责任判断–责任主体–责任事由–证据6. 结论总结事故查勘的结果和处理意见。
•结论–查勘结果–处理意见总结以上是事故汽车查勘报告的基本内容和模板。
为了提高效率和准确性,查勘人员需要认真填写每一项内容,并保证每一项内容都是准确的。
此外,查勘人员应当保持客观的态度,尽量避免主观臆断,根据证据来判断责任。
对于不明确的情况,应及时向上级领导汇报。
只有这样,才能更好地处理事故,减少不必要的纠纷和损失。
事故车辆定损实务规程1.目的规范机动车辆定损工作。
2.范围适用于机动车辆保险事故车辆的损失确定工作。
3.职责查勘定损人员通过实际查勘、检查,根据事故车辆损失情况,与被保险人、修理厂协商确定零部件更换项目及价格、维修项目及工时费,并缮制“机动车辆保险车辆损失情况确认书”;对查勘岗工作质量进行监督。
4.流程及要求定损人员接到通知后,在一个工作日内前往事故车所在地定损。
定损人员应客观公正地对事故车辆损失进行评估,合理确定零部件更换项目及价格、维修项目及工时费。
车辆定损时,应尽量约见被保险人和第三者车损失方协商定损。
4.1定损基本流程在定损前,定损人员要首先对查勘报告的内容和结论进行审核,对存在疑问的,应及时与查勘人员进行沟通,并对疑点进行核实。
如查勘人员存在故意将非保险责任事故列为保险责任,应向客服部门负责人及时报告。
4.1.1核对出险车辆相关信息拍摄事故车整体照片和VIN码特写照片。
核对出险车辆的厂牌、型号、VIN码、牌照号、车架号、发动机号、吨位或座位等是否同行驶证、保险单上的内容完全一致。
以临时牌照号投保的车辆,要核对有效期限和行驶的规定路线,查核临时号牌的有效性。
拍摄临时号牌原件的正反面照片。
4.1.2查验碰撞痕迹(1)被保险单辆车在道路上发生交通事故,仅造成轻微财产损失,为了恢复交通,当事人自行撤离现场,调度人员直接调度定损的。
定损人员在确定损失以前一定要认真查验碰撞痕迹,结合当事人对事故经过的描述,以及报案记录,客观分析车辆损坏的成因,判断事故的真实性,对存在疑点的案件,一定要补勘第一现场。
(2)两辆以上车辆相撞的事故,在确定定损以前,要认比对相互碰撞部位的碰撞痕迹是否相吻合,结合当事人对事故经过的描述,以及报案记录,客观分析车物损坏的成因,判断事故的真实性,对存在疑点的案件,一定要进一步调查核实清楚。
4.1.3强制保险车辆的定损(1)涉及两辆以上机动车辆的事故,要查明事故各方车辆的强制保险(可通过是否具有强制保险标识进行初步判断)和商业机动车辆保险的投保情况,若我公司最先到达现场,查勘定损人员应提示其他车辆当事人将已有保险公司介入处理事故的情况告知其投保的保险公司,以便其他保险公司尽快确定是否委托我公司代为查勘定损。
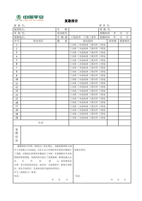
复勘报告
报案号:保单号:
被保险人:车牌查勘员:
车架号:发动机号查勘时间年月日复勘地点:车辆属□标的车□第三者车复勘时间年月日序号更改项目数量更改原因原价格重新核价
1 □未换□未按标准□换旧件□修复
2 □未换□未按标准□换旧件□修复
3 □未换□未按标准□换旧件□修复
4 □未换□未按标准□换旧件□修复
5 □未换□未按标准□换旧件□修复
6 □未换□未按标准□换旧件□修复
7 □未换□未按标准□换旧件□修复
8 □未换□未按标准□换旧件□修复
9 □未换□未按标准□换旧件□修复
10 □未换□未按标准□换旧件□修复
11 □未换□未按标准□换旧件□修复
12 □未换□未按标准□换旧件□修复
13 □未换□未按标准□换旧件□修复
14 □未换□未按标准□换旧件□修复
15 □未换□未按标准□换旧件□修复
16 □未换□未按标准□换旧件□修复
17 □未换□未按标准□换旧件□修复
18 □未换□未按标准□换旧件□修复
19 □未换□未按标准□换旧件□修复
20 □未换□未按标准□换旧件□修复
小计
复
勘
结
论
根椐保险合同和《保险法》相关规定,为确保被保险人或
车主及保险人合法权益,公估人员已对保险责任事故车辆进行了复勘,对修复后的事故车辆进行了审核。
本复勘报告对未按原核损要求修复、更换的项目进行了重新核准。
核准扣减人民币万仟佰拾元,其结果真实合理,各方同意更改结论。
如任何一方拒绝签字,影响正常赔付,将负全部责任,并承担由此引起的法律责任。
车方(或委托方)签章:
电话:
年月日复勘员签章:
电话:
年月日。
查勘定损工作细则第一条查勘人员应配备必要的查勘定损工具和防身用具,备齐定损单、询问笔录和空白索赔单证等查勘定损材料。
第二条查勘工作要坚持客观、真实、全面、详细的原则,努力掌握合法的第一手理赔证据,为确定是否保险责任提供基本的依据,除外责任更需注意收集有效证据。
第三条查勘工作是确定保险责任的关键,包括调查取证和现场勘察两个项目。
第四条查勘人员在接到查勘通知后,首先应了解事故大致情况,并与派工人员进行沟通,并在3分钟内与客户联系,做到对事故发生原因、损失情况及事故责任有初步了解,同时还需核对保险情况、承保险别和相关特别约定,避免不必要的误会。
第五条查勘人员应尽可能在最快时间赶赴事故第一现场,对事故尚未控制住或保险车辆及人员尚处在危险之中且公安交警人员未到现场的,应采取积极的施救、保护措施,组织人员将伤者送到就近医院抢救。
第六条如果客户报案时第一现场公安交警部门已经清理完毕,车辆、财产、伤者已经转移,对下述事故仍然要查勘第一现场掌握第一手资料,进一步提高第一现场的查勘率:一、两车及两车以上机动车辆碰撞事故的,应坚持到第一现场寻访目击证人,搜索碰撞地点车辆、财物遗留物、擦痕、人员伤亡的血迹等并拍照存档。
二、单方事故无论公安交警部门是否受理,今后是否出证,凡涉及车辆碰撞固体静止物,如公路护栏、公路中间隔离带、树木、农田、山坡、建筑物等必须到第一现场查勘、拍照,掌握第一手资料。
第七条查勘工作内容:一、查明出险时间,了解出险时间是否在保险有效期内,特别是起保刚开始或接近保险终止期的赔案更要慎重。
要询问调查肇事驾驶人、肇事地点附近目击者、伤者治疗住院的确切时间等。
二、查明出险地点,既可以请肇事驾驶人指证地点,更需到肇事地实地调查、拍照,对肇事地点前后报案不一致及谎报地点的,更要仔细查明。
三、查明出险车辆的基本情况:查实肇事车辆及第三者车辆的车型、车号、发动机、车架号码、行驶证、安全装臵、防盗装臵,并仔细和“出险车辆信息表”核对。
车辆保险理赔调查询问笔录时间。
[填写时间]时间。
[填写时间]时间。
[填写时间]时间。
[填写时间]调查人。
[填写调查人员姓名]调查人。
[填写调查人员姓名]调查人。
[填写调查人员姓名]调查人。
[填写调查人员姓名] 调查对象。
[填写被调查人姓名]调查对象。
[填写被调查人姓名]调查对象。
[填写被调查人姓名]调查对象。
[填写被调查人姓名]背景信息请提供以下背景信息:被保险车辆:[填写车辆信息]保险公司:[填写保险公司名称]保单号码:[填写保单号码]保险起止日期:[填写保险起止日期]事故日期和时间:[填写事故发生的具体日期和时间]调查问答请记录调查问题和被调查人的回答。
1.问:事故发生时,您是否在现场?答:[被调查人回答]2.问:事故发生的原因是什么?答:[被调查人回答]3.问:是否有第三方目击证人?答:[被调查人回答]4.问:事故发生后,您是否立即报警或通知保险公司?答:[被调查人回答]5.问:您是否拍摄了事故现场的照片或录像?答:[被调查人回答]6.问:是否和其他当事人保持了联系,并有相关沟通记录?答:[被调查人回答]结论根据以上所述,我们完成了对车辆保险理赔的调查询问。
请依据所得信息,继续进行后续的理赔处理。
请在完成此笔录后,整理并存档相关调查材料,以备将来需要时使用。
调查人员签名。
[签名]调查人员签名。
[签名]调查人员签名。
[签名]调查人员签名。
[签名]被调查人签名。
[签名]被调查人签名。
[签名]被调查人签名。
[签名]被调查人签名。
[签名]注意事项在调查过程中,务必遵守法律法规,尊重当事人的权益;不要引用未经确认的内容;笔录应准确记录当事人的回答,避免个人主观评价的夹杂。
机车险理赔工作查勘定损环节标准流程查勘定损工作是理赔环节中重要的一环,为规范车险理赔查勘工作流程、明确查勘工作内容及要求,加强查勘定损环节的风险管控,确保机动车辆险业务健康发展,特制定本规定。
一、流程图查勘定损:是指通过察看保险事故发生的场所,运用专业知识和实务经验对事故损失进行调查、记录、验证和核定金额的过程,包括现场查勘、复勘现场和定损核损。
现场查勘(也称为第一现场查勘):是指在保险事故有关各方(车、人、物)未离开现场的情况下,在原始现场实施的,对保险车辆发生事故的场所及其状况进行实地察看、调查、记录和收集证据的工作过程。
核定损失:是指根据损失情况,对事故中受损的车辆、财物、人伤进行检查核实,核定车辆或财物的受损部位、损失项目、损失程度、损失金额及施救金额;审核人员伤亡费用和赔偿项目,并对照相关法律、法规确定保险赔偿项目和赔偿费用的工作过程。
一、现场查勘工作的操作要点(一)查勘前的准备工作1、查勘人员必须着统一的工装、佩戴工牌上岗.2、车辆驾驶员在出车前,应于二十分钟内做好查勘车辆清洁及正常维护工作。
例如:对日查勘工作需求的车辆油料进行检查;对查勘车辆必备的车载装置等特殊工具进行准备,在遭遇特殊雨雪天气状况时予以及时更换.3、有关理赔单证包括:《现场查勘报告》、《机动车辆索赔申请书》、《机动车辆保险定损报告》、《机动车辆保险简易赔案审批表》、《网上支付通知书》、《机动车辆保险旧件回收单》、《询问笔录》、《防伪易碎标签》4、防伪易碎标签(易碎贴)需填写车牌号、查勘人员工号、日期等。
5、其他物品:查勘相机备用电池、卷尺、应急灯、、自用手机备用电池、警示标志、防雨装备、防寒服(冬季)、年度最新版的详细交通地图/册、相关通讯录、办公用笔等.(二)、查勘工作流程及要求1、电话联系内容及要求;(1)“您好,*先生/女士,我是永诚保险公司查勘员,请问您的车辆在什么地方发生了事故…。
(2)“*先生/女士,请您耐心等待片刻,我将在**分钟内到达事故现场。
查勘定损操作手册第一章查勘定损实务要求第一节车损、物损的查勘一、查勘流程图示:二、实务处理要求(一)接调度依据调度规则,公估人员可接受电话中心的直接调度或者公估行的二级调度,调度人有义务将保单基本信息以短信息或者电话的形式告知现场查勘的公估人员。
(二)赶赴现场1、公估人员接受调度以后应无条件地接受委托,赶往现场。
广州市信能企业管理咨询有限公司2、公估人员接调度后,5分钟内应与客户联系,并告知何时能到达查勘地点;3、如遇交通堵塞或其它意外不能及时赶到现场,必须在约定时间前10分钟再次与客户电话联系,向客户致歉,并说明延误原因和预计的到达时间。
(三)确认保险标的1、核实出险车辆的车牌号、发动机号、车架号或车辆识别编码,特别注意车架号(或VIN码)是否与保单相符,确认出险车辆是否为承保标的,并用数码相机拍摄车架号。
若出险车辆非承保标的,或明显不属于保险责任范围,应向报案人(或被保险人)解释。
2、核实出险车辆的行车证记录与出险车辆、抄单是否一致,是否年审,并拍照记录,异常情况及时复印留存,报保险公司相关人员处理;3、事故任何一方的估计损失超过交强险赔偿限额的,应提醒事故各方当事人依法进行责任划分。
4、交强险项下我方被保险人有责,或者有人伤,应该及时查勘。
无责情况下且只有三者物损,可由被保险人自助查勘。
5、确认保险标的的同时,公估人到达现场后指导客户填写索赔申请书,并协助客户处理现场。
交强险保单下的赔案,公估人员应当在见到被保险人的第一时间让被保险人填写《索赔申请书》并由被保险人签字,《索赔申请书》收回存档;被保险人是单位的,将“索赔须知(回执)”撕下收回存档,其它部分由客户拿回盖章。
(四)拍摄事故照片1、拍摄的基本要求:(1)第一现场(包括补勘第一现场)照片能够反映出事故现场的全貌,有明显的参照标志物,如路标、建筑物等,以便于确定大致地位;顺车辆运动方向(包括刹车痕迹),拍摄事故撞击点,推定事故真实性;水淹车应标明水位高度,火烧车应标明起火点。
复勘操作规范LG GROUP system office room 【LGA16H-LGYY-LGUA8Q8-LGA162】第七条竣工复勘竣工复勘是指对修复处理的保险标的或第三者车辆及财产,在修复过程中及竣工后对修复情况进行检查、勘验的过程。
复勘的目的是进一步核实损失情况及配件更换情况,合理减损,维护被保险人合法权益.1.符合以下条件的车、物损失应进行复勘:(1)车辆或财产损失确定为修复,且定损金额超过3万元(含)的;(2)损失标的为车龄超过8年的事故车辆,确定为修复,且定损金额超过2万元(含)的;(3)车辆遭受水淹,确定为修复,且定损金额超过1万元(含)的;(4)投保进口玻璃且更换挡风玻璃价格超2000元(含)或者投保国产玻璃且更换挡风玻璃价格超过3000元(含)的单玻璃险案件;(5)更换驾驶室(壳体\总成)、发动机(壳体\总成)、变速器(壳体\总成)、分动器(壳体\总成)、车架等总成或半总成件的;(6)单个配件金额超过5000元(含)的,或单个配件价格超2000元(含)但更换时需进行车身切割处理的(如纵梁、侧围、后围板、备胎座等钣金件)(7)维修方式存在换、修争议,最终按照更换方式处理且更换零部件价格超过2000元(含)的;(8)存在扩大损失嫌疑或道德风险嫌疑,但未能取得有力证据拒赔减损处理的案件;(9)理赔人员在赔案抽查中认为有必要竣工复勘的;(10)损失核定相关理赔人员认为有必要复勘的其他损失项目;(11)客户或修理厂对公司定损价格有异议的案件。
2.竣工复勘内容包括但不限于:(1)核实是否按定损单列明的维修、更换项目进行维修或更换;(2)是否存在以修代换的情况;(3)更换配件是否有以次充好、以副厂件冒充原厂件的情况;(4)是否存在以旧件代替新件更换的情况;(5)修复项目是否符合工艺要求,是否符合质量标准;(6)修复时间是否符合公司服务标准的要求。
第八条调查复勘调查复勘是指依据查勘定损、案件调查、核价核损、理算核赔等理赔环节反馈的情况,对案件重新进行调查、核实事故真实性及损失的过程。