吊顶内电气导管、线槽隐蔽验收记录
- 格式:docx
- 大小:20.30 KB
- 文档页数:2
电线导管电缆导管和线槽敷设安装室内检验批质量验收记录电线导管、电缆导管和线槽的敷设安装是室内电气工程中非常重要的一环,对于保障电气系统的正常运行和使用安全起着至关重要的作用。
为了确保敷设安装质量,需要进行严格的现场检验和质量验收。
以下是电线导管、电缆导管和线槽敷设安装室内检验批质量验收记录的一个示例。
---项目名称:XXX建筑工程施工单位:XXX公司监理单位:XXX公司施工日期:XXXX年XX月XX日一、电线导管敷设安装检查记录1.检查主要内容:(1)导管的规格和型号是否符合设计要求;(2)导管的材质和表面处理是否符合规范要求;(3)导管支架和连接件的设置是否稳固可靠;(4)导管的固定是否符合规范要求;(5)导管电气接地是否符合规范要求。
2.检查结果:(1)导管的规格和型号符合设计要求;(2)导管的材质和表面处理符合规范要求;(3)导管支架和连接件设置稳固可靠;(4)导管的固定符合规范要求;(5)导管电气接地符合规范要求。
3.处理意见:(1)导管敷设安装符合要求,无需处理。
二、电缆导管敷设安装检查记录1.检查主要内容:(1)导管的规格和型号是否符合设计要求;(2)导管的材质和表面处理是否符合规范要求;(3)导管支架和连接件的设置是否稳固可靠;(4)导管的固定是否符合规范要求;(5)导管电气接地是否符合规范要求;(6)电缆弯曲半径是否符合规定;(7)电缆连接头的安装是否牢固可靠;2.检查结果:(1)导管的规格和型号符合设计要求;(2)导管的材质和表面处理符合规范要求;(3)导管支架和连接件设置稳固可靠;(5)导管电气接地符合规范要求;(6)电缆弯曲半径符合规定;(7)电缆连接头的安装牢固可靠。
3.处理意见:(1)导管敷设安装符合要求,无需处理。
三、线槽敷设安装检查记录1.检查主要内容:(1)线槽的规格和型号是否符合设计要求;(2)线槽的材质和表面处理是否符合规范要求;(3)线槽支架和连接件的设置是否稳固可靠;(4)线槽固定是否符合规范要求;(5)线槽电气接地是否符合规范要求;(6)线槽的翻盖板安装是否牢固可靠。
吊顶隐蔽验收记录时间:XXXX年XX月XX日地点:XXX工地验收人:XXX一、项目概况二、检验标准本次吊顶隐蔽验收参照以下标准进行检验:1.XXX建筑工程施工质量验收规范;2.XXX建筑与装饰材料质量检验与评定标准。
三、检验内容1.吊顶的符合设计要求:吊顶的构造及其安装是否与设计图纸相符,承重及吊挂方式是否合理;2.吊顶辅材:吊顶龙骨、吊顶板材、固定件等材料的标准、规格、数量是否符合要求;3.吊顶安装质量:吊顶安装的牢固性、整齐度是否达标;4.吊顶防水处理:吊顶的防水层施工质量、防水效果是否达标。
四、验收流程2.实地验收:验收人员仔细查看吊顶的施工情况,对吊顶的构造、材质、固定方式等进行测量、检查;3.检验记录:验收人员详细记录吊顶的施工情况、材料质量等,如有不合格的情况做出标注,并提出整改要求;4.验收结果:根据实际情况,做出合格或不合格的评定,并填写验收报告。
五、验收结果1.吊顶的符合设计要求:经检查,吊顶的构造及其安装与设计图纸相符,承重及吊挂方式合理;2.吊顶辅材:吊顶龙骨、吊顶板材、固定件等材料的标准、规格、数量符合要求,并且满足工程质量要求;3.吊顶安装质量:吊顶安装牢固,整齐度达标,并不存在松动、变形等安全隐患;4.吊顶防水处理:防水层施工质量达标,无漏水和渗水等现象。
六、不合格情况及整改要求1.不合格情况:无不合格情况;2.整改要求:无整改要求。
七、验收结论本次吊顶隐蔽验收结果为合格。
八、总结本次验收工作对吊顶隐蔽工程的施工质量进行了全面检查和评定,吊顶的构造、安装、材料质量等符合相关要求,且不存在安全隐患和质量问题。
同时,吊顶的防水处理也符合要求。
通过本次验收,保障了吊顶工程的质量和安全性,也为后续工程的顺利进行提供了保障。
电线隐蔽工程验收记录项目背景本文档记录了电线隐蔽工程的验收过程和结果。
该工程是为了确保电线敷设的安全性和合规性,以满足相关规范和要求。
验收人员本次验收由以下人员参与:- 项目经理:王先生- 电线施工人员:张先生、李先生验收时间本次电线隐蔽工程验收于2022年1月15日进行。
验收内容1. 敷设情况验收人员对电线隐蔽工程的敷设进行了全面检查。
检查主要包括以下内容:- 电线敷设位置是否符合设计要求- 电线敷设的走向、弯曲度是否合理- 电线的安装是否牢固2. 材料使用验收人员对使用的电线材料进行了检查。
检查主要包括以下内容:- 电线规格是否符合设计要求- 电线的绝缘性能是否达标- 电线的外观是否无损伤3. 隐蔽工程质量验收人员对隐蔽工程的质量进行了评估。
评估主要包括以下内容:- 隐蔽工程是否符合国家或行业标准- 电线敷设的质量是否符合施工要求- 隐蔽工程的安全性和可靠性是否达标验收结果经过全面检查和评估,本次电线隐蔽工程的验收结果如下:- 敷设情况:符合设计要求,走向和弯曲度合理,安装牢固。
- 材料使用:电线规格符合设计要求,绝缘性能达标,外观完好无损伤。
- 隐蔽工程质量:符合国家或行业标准,电线敷设质量达到施工要求,安全性和可靠性达标。
验收结论本次电线隐蔽工程经验收合格,符合相关规范和要求。
验收人员对工程的质量和安全性给予了充分的认可。
后续行动根据验收结果,建议在使用过程中定期检查和维护电线隐蔽工程,确保其持续安全和可靠运行。
附注请在本文档中记录任何额外的发现、意见或建议。
电气管道隐蔽工程验收记录项目名称:XXX工程验收人员:XXX,XXX,XXX验收日期:XXXX年XX月XX日一、工程概况本次验收的是XXX工程的电气管道隐蔽工程,该工程总投资XXXX万元,项目建设地点位于XXXX。
工程主要包括XXX,XXX,XXX等部分。
根据工程设计文件和施工合同,现在进行电气管道隐蔽工程的验收。
二、验收内容及标准1.管道安装是否符合设计要求和规范标准;2.管道品质是否合格,是否存在破损、变形、锈蚀等问题;3.隐蔽工程是否按照设计要求进行封闭;4.管道安装是否符合施工图纸,安装固定是否牢固;5.管道与周边结构是否存在冲突和安全隐患。
三、验收过程及结果1.验收前准备工作:a.对施工现场进行了踏勘,了解电气管道隐蔽工程的基本情况;b.查阅了工程设计文件、施工合同和现场记录等相关资料;c.组织相关人员进行会前培训,明确验收要求及注意事项。
2.验收过程:a.检查了电气管道的安装质量,核查了管道的材质、壁厚、施工质量等;b.检查了电气管道的连接处是否严密,是否存在漏水、漏电等问题;c.查验了管道的封闭质量,确保在隐蔽工程完成前对管道进行了合格的封闭;d.对管道与周边结构的关联进行了核对,确保不存在冲突和安全隐患。
3.验收结果:经过验收,确认以下事项:a.电气管道的安装质量符合设计要求和规范标准;b.管道品质良好,无破损、变形、锈蚀等问题;c.隐蔽工程按照设计要求进行了封闭;d.管道安装符合施工图纸,安装固定牢固可靠;e.管道与周边结构不存在冲突和安全隐患。
四、存在的问题及整改措施在本次验收过程中,发现以下问题:1.部分电气管道连接处存在漏水问题,需要重新加强密封处理;2.隐蔽工程中部分管道封闭未按要求进行,需要进行重新封闭;3.部分管道安装固定不够牢固,需要进行加固。
为解决上述问题,采取以下整改措施:1.对漏水问题的管道进行封闭处理,确保连接密封性;2.对尚未封闭的管道进行重新封闭,符合设计要求;3.对安装固定不牢固的管道进行加固,确保稳定可靠。
电气隐蔽工程检查验收记录1. 引言本文档记录了对电气隐蔽工程进行检查和验收的过程和结果。
电气隐蔽工程是指在电气设备安装前的穿墙、埋管、走线、接线等工作。
该工程的合格与否对电气安全和工程质量至关重要。
本次检查和验收由相关负责人和工程监理进行,以确保电气隐蔽工程符合相关标准和规范。
本次检查着重关注以下方面:•穿墙、埋管工程:检查墙体开孔是否符合要求,埋管是否符合设计要求;•走线工程:检查走线的质量、线径、敷设是否符合规范;•接线工程:检查接线盒、接线端子等的使用是否符合标准,接线是否牢固可靠。
3.1 穿墙、埋管工程检查检查人员对各个穿墙、埋管的位置进行了测量,并与设计图纸进行对比。
确认了每个穿墙、埋管位置的准确性和符合设计要求。
同时对墙体开孔的大小、平整度进行了检查,确保开孔的质量符合要求。
埋管的安装工艺和固定方式也进行了检查,确保埋管安装牢固可靠。
3.2 走线工程检查检查人员对各个走线的路径和敷设进行了检查。
首先检查了走线的线径是否与设计要求相符,并测量了走线的长度。
其次,对走线是否符合规范进行了检查,包括走线的水平和垂直度、保护措施等。
检查人员还对走线的接地方式进行了验证,确保走线的安全可靠。
3.3 接线工程检查检查人员对接线盒、接线端子等进行了检查。
首先检查接线盒的材料和安装方式是否符合标准,接线盒的选择是否合理。
其次,对接线端子进行了检查,确保接线端子的种类和使用符合要求。
检查人员还对接线的工艺进行了检查,包括接线的固定、绝缘等。
最后,对接线的接触电阻进行了测量,确保接线的良好接触。
4. 检查结果根据对电气隐蔽工程的检查,结果如下:•穿墙、埋管工程:所有穿墙、埋管的位置和质量均符合设计要求;•走线工程:所有走线的线径、敷设和保护措施均符合规范;•接线工程:所有接线盒、接线端子的选择和使用均符合标准,接线工艺也符合要求。
经过检查,电气隐蔽工程的质量满足验收要求。
5. 验收结论根据对电气隐蔽工程的检查结果,经确认工程的合格性,特此记录。
吊顶隐蔽工程验收记录项目名称:XXX项目验收日期:XXX年XX月XX日一、项目概述本项目为吊顶隐蔽工程,主要包括吊顶材料的安装、隐蔽工程的检查验收等内容,旨在确保吊顶工程质量符合设计要求。
二、验收内容及结果1.材料验收验收人员对吊顶材料进行了详细检查,主要包括吊顶板材、吊顶龙骨、吊顶辅材等。
经检查,确认材料无损坏、变形、质量合格。
2.安装验收2.1吊顶板材安装验收人员对吊顶板材的嵌入和连接进行了检查,确保板材间连接紧密,无松动、裂缝或异响现象。
2.2吊顶龙骨安装验收人员对吊顶龙骨的安装情况进行了检查,确保龙骨与建筑结构牢固连接,并满足设计要求的间距和位置。
3.隐蔽工程验收验收人员对隐蔽工程进行了全面检查,主要包括吊顶板材间隔、龙骨固定情况、吊顶板材表面平整度、对辅材的使用等。
经检查,确认隐蔽工程符合设计要求,无质量问题。
4.技术文件验收验收人员核对了工程图纸、设备清单等技术文件,确保施工过程中的技术要求得到满足,并完整记录。
三、待解决问题验收过程中未发现重大质量问题,但存在以下问题需要解决:1.部分吊顶板材间连接处不够紧密,需补强连接,避免产生松动或异响。
2.部分吊顶板材表面存在不平整现象,需要进行修整,保证整体美观性。
四、后续工作1.承包方将按照验收记录中的问题要求进行补强连接和修整工作,并将整改情况及时报告验收人员。
2.验收人员将督促承包方按照要求进行后续工作,确保吊顶工程质量达到设计要求的标准。
五、总结通过本次吊顶隐蔽工程的验收,承包方在工程质量控制上基本符合要求,但仍存在一些细微问题。
希望承包方能严格按照要求进行后续工作,确保吊顶工程最终满足设计要求,提供优质的施工成果。
六、参会人员签字验收人员:承包方代表:签字:签字:。
电气隐蔽工程验收记录
1. 项目概述
该项目是一项电气隐蔽工程,主要包括电缆敷设、箱式变电站安装、配电柜安装等工作。
此次验收记录将对该工程的隐蔽工程阶段进行记录。
2. 参考标准
以下标准适用于本次电气隐蔽工程验收:
- GB 50283-2012《建筑电气工程施工及验收规范》
3. 项目验收记录
3.1 施工单位
施工单位为XXX公司。
3.2 验收人员
本次验收由以下人员组成:
- 验收人员1 - 验收人员2
3.3 验收内容
本次验收的电气隐蔽工程,主要包括以下方面的内容: - 电缆敷设 - 箱式变电站安装 - 配电柜安装
3.4 验收标准
根据GB 50283-2012《建筑电气工程施工及验收规范》中的相关规定,验收人员对电气隐蔽工程的内容进行了检查,验收标准如下:
- 施工单位必须按照施工图纸的要求进行施工,保证工程的质量 - 施工过程中应注意安全,确保无人员伤亡事件的发生 - 施工过程中应遵守环保、文明施工要求,避免对环境污染
3.5 验收结果
根据本次隐蔽工程的验收标准,验收人员对施工单位进行检查,结果如下: - 电缆敷设:符合规范要求,验收合格 - 箱式变电站安装:符合规范要求,验收合格- 配电柜安装:符合规范要求,验收合格
3.6 验收
根据本次验收结果,对该电气隐蔽工程的验收为:验收合格。
4. 其他事项
本次验收结束后,施工单位应按照相关规定将电气隐蔽工程完工资料存档,并保证工程的质量和安全。
电线导管电缆导管和线槽敷设安装检验批质量验收记录电线导管、电缆导管和线槽是现代建筑和电气工程中常见的电力线路敷设工具,它们在建筑物和工厂中起到重要的作用。
为了保证电气线路的安全和稳定运行,电线导管、电缆导管和线槽的安装质量必须得到严格的检验和验收。
本文将以电线导管、电缆导管和线槽的敷设安装为核心,详细介绍质量验收记录的编写内容。
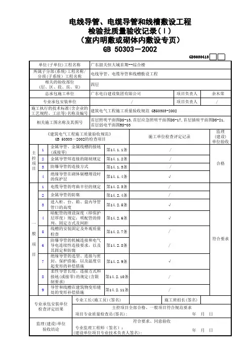
一、项目基本信息2.施工单位:___________3.监理单位:___________4.验收单位:___________5.质量验收日期:___________6.质量验收人员:___________二、质量验收内容1.检测工具和设备-使用的检测设备和仪器:___________-检测设备和仪器的检定证书:___________2.材料验收-电线导管、电缆导管和线槽的材料规格和型号:___________-材料的厂家和出厂合格证明:___________-材料的外观和规格尺寸检查:___________-材料的包装和运输状况:___________3.预埋及固定验收-导管的埋设位置和深度:___________-导管固定的方式和固定点的数量:___________-导管的固定件安装情况:___________-导管的跨越或穿越问题:___________4.接头和弯头的验收-接头的安装方式和接头箱的固定情况:___________-接头的连接牢固性检查:___________-弯头的位置和角度:___________-弯头的安装牢固性:___________5.配线和铺设验收-电线导管、电缆导管和线槽的连接方式和连接件的质量:___________-电线导管、电缆导管和线槽的走向和布置:___________ -线槽的卧式和立式铺设情况:___________-线槽的终端和分支处的处理:___________-线槽起伏、转角和变径处的处理:___________6.安全和防火验收-线槽的密封和遮蔽情况:___________-线槽与其他设备或构筑物的防火隔离:___________-线槽的防水和防腐措施:___________7.线路测试和试验-完成的线路测试和试验项目:___________-测试和试验结果记录:___________8.文档和报告验收-施工图纸和设计文件的合规性检查:___________-监理单位的质量监督报告:___________三、质量验收结论1.验收合格情况:___________2.验收不合格情况:___________3.验收意见和建议:___________四、质量验收附件1.相关材料合格证明和检测报告2.图纸和设计文件3.其他重要文件和证明材料质量验收记录需要详细记录电线导管、电缆导管和线槽的各项安装情况,包括材料验收、预埋及固定验收、接头和弯头的验收、配线和铺设验收、安全和防火验收、线路测试和试验、文档和报告验收等内容。
C
2.4.
7.6编号:
工程名称
隐蔽验收部位
隐蔽依据
隐检内容
xx万达中心B1写字楼
大堂电气导管敷设工程施工单位
隐检时间xxxx实业有限公司
2012____年__月__日电施-04《建筑电气工程施工质量验收规范》GB503-2002施工单位自检情况
镀锌电线钢导管KBG
20、KBG25敷设
于吊顶内部监理(建设)单位验收意见导管的品种、规格、位置
导管的弯扁度、弯曲半径符合要求。
金属导管的接口采用紧固式连接,符合质
量验收规范要求。
导管的连接、跨接地线、防腐
导管焊接部位的焊接质量
管盒固定、管口处理、
固定方法、固定间距
线槽的品种、规格、位置
线槽的连接、接地、防腐
线槽的固定方法、固定间距
及与其他管线的位置关系/
符合质量验收规范要求。
///附图监理(建设)单位(签章)会签栏日期:2012____年__月__日
专业监理工程师(专业负责人)专业技术负责人施工单位(签章)
质检员专业工长日期:2012____年__月__日日期:2012____年__月__日日期:2012____年__月__日。