机械台秤校验规程
- 格式:doc
- 大小:48.00 KB
- 文档页数:2
电子秤校验安全操作规程第一章总则第一条为保障电子秤校验操作的安全性和准确性,维护公平交易秩序,制定本规程。
第二条本规程适用于对电子商业秤、电子计量器等电子秤的校验操作。
第三条校验单位在进行电子秤校验操作前,应特别注意安全操作规程,确保操作人员安全,维护仪器设备功能完好。
第四条质量检测机构应加强对电子秤校验操作的监督和管理,确保校验的准确性和合法性。
第五条校验单位应对校验人员进行系统培训,提高其校验操作的技能和安全意识。
第六条电子秤校验操作应遵守法律法规和相关标准的要求,确保校验的科学性和公正性。
第七条校验单位应定期对校验操作进行评估和检查,及时发现并纠正问题。
第八条本规程的遵守和实施由校验单位负责。
第二章电子秤校验前准备第九条校验单位在进行电子秤校验操作前,应先进行系统性的准备工作。
第十条检查校验设备的完好情况,生成出厂检定证书,确保校验设备可靠。
第十一条校验单位应保证校验设备与校验标准设备的连接正确可靠。
第十二条校验单位应对校验设备进行定期的检测和校验,确保其准确性。
第十三条校验单位应确认校验设备与被校验对象之间的电子连接线路正确连接。
第十四条校验单位应确认校验设备的电源充足,以确保正常的校验操作。
第十五条校验单位应做好周边环境的准备工作,确保校验操作的稳定性。
第十六条校验单位应建立校验设备的档案,记录设备的规格、型号、校验日期等信息。
第十七条校验单位应制定校验设备的维护计划,定期对设备进行维护保养。
第十八条校验单位应定期检查校验设备的封存情况,防止被人为篡改。
第三章校验操作流程第十九条校验单位在进行电子秤校验操作前,应制定详细的校验操作流程。
第二十条校验单位应按照标准要求,确认被校验电子秤的相关参数和规格。
第二十一条校验单位应使用校准砝码,对电子秤进行零位校准。
第二十二条校验单位应按指定负载,对电子秤进行负载校准。
第二十三条校验单位应对电子秤进行不良环境试验,检测其在不同环境条件下的性能表现。
计量器具内部校准规程一、目的:本指示规定了公司自行校准的计量器具校准方法、接受标准及校准周期。
二、范围:校准包括1、电子天平2、台秤三、权责单位:质检部。
四、指示内容:每季度对可自行校准的计量器具进行校准。
五、电子天平校准方法5.1、计量标准器具名称/型号:砝码测量范围/准确度:50g-200g/M2级5.2、校准环境要求温度:21℃湿度:68%RH 其它:5.3、校准方法5.3.1、按TARE键将天平置零。
5.3.2、按下CAL键,天平将显示满量校准值。
5.3.3、按照天平所显示的重量放置标定砝码,然后按MODE键,天平显示“ACAL”,然后回到正常称量模式。
5.3.4、重复5.3.1~5.3.2步骤,按一下TARE键天平显示满量程以内的某点,按照天平所显示的重量放置标定砝码,然后按MODE键,天平显示“ACAL”,然后回到正常称量模式。
5.3.5、如果天平显示“NOCAL”,请检查标定砝码和称量环境,天平应远离有气流及振动的环境。
5.4、接受标准检定项目允许误差准确度标准器具200g ±20mg 一级 200g标准砝码300g ±30mg 一级 300g标准砝码六、标准器具管理规定6.1、标准砝码:砝码必须存放在专用器具盒内,并在干燥通风的地方存放,使用时必须用镊子夹取,不允许直接用手拿取,砝码使用时必须轻拿轻放,小心碰撞。
砝码由计量员专门保管,不得随意外借,计量员依规定要求按时将砝码外送国家计量单位进行校准,以确保其准确性和有效性。
砝码明细表6.2、标准量块:量块必须存放在专用器具盒内,并在干燥通风的地方存放,使用时必须带洁净手套,不允许直接用手拿取,量块使用时必须轻拿轻放,小心碰撞。
量块由计量员专门保管,不得随意外借,计量员依规定要求按时将量块外送国家计量单位进行校准,以确保其准确性和有效性。
量块明细表七、注意事项所有标准器具存放环境必须有防护措施,不允许放在阴暗潮湿或酸性的环境里。
台秤检定操作规范1、检定前的准备工作⑴选择在平板和平台上进行检定,也可以在较平坦坚实的地面上进行。
⑵推移台秤一定距离,以确保四轮全部着实接触,承载器与连接部件处于正常接触。
2、检定步骤(杠杆比1/100)⑴将游铊置于标尺零点分度线位置上,并旋转平衡铊,使秤处于平衡状态⑵横向推拉计量杠杆力点端至视准器框的任一边,要求计量杠杆能回位。
或者偏离中心线不大于5mm的位置,说明合格。
⑶推动台板,要求每次拉放之后,计量杠杆仍能保持原来的状态为合格。
⑷重新将秤调整为平衡状态,若是平衡状态,此项可以省略。
⑸最小值检定:在增铊盘上放上20e/100标准增铊或标准砝码,同时在台板上放20 e砝码,秤应保持平衡状态,说明此项合格。
或者在加放0.5 e允差砝码后能够达到平衡状态,也说明此项目合格。
⑹标尺最大秤量检定:即将游铊置于标尺最大秤量刻度线处,台秤台板上放上相应秤量的砝码,计量杠杆应处于平衡状态,或加放0.5 e允差砝码后能达到平衡状态时为合格。
⑺空秤灵敏度检定:即在⑹的基础上在台板加放0.5 e允差砝码,要求计量杠杆的恒定移位,也就是计量杠杆力点端所改变的静止距离不小于5 mm的位置为合格。
⑻第一误差改变点检定,即500 e的检定。
在增铊盘上放上500e/100标准增铊,而在台板上加放500 e(均匀摆放在台板上)砝码,秤应保持平衡,或在加放0.5 e允差砝码能够保持平衡状态为合格。
⑼偏载测试。
在台板的四个承重刀上方,约占台板四份之一部分处依次放上三份之一最大秤量砝码,秤应保持平衡,或在加放1 e允差砝码能够保持平衡状态为合格。
⑽重复性检定。
将在台板上放1/2Max砝码,在增铊盘上放上1/2Max /100标准增铊进行测试检定,应至少3次。
每次均应先调好空秤零点平衡,台秤每次均要保持平衡或加减1 e允差砝码后,仍能够保持平衡状态者为合格。
⑾第二误差改变点的检定,即2000 e的检定。
在增铊盘上放上2000e/100标准增铊,而在台板上均匀加放2000 e砝码,秤应保持平衡,或加减1 e允差砝码后,秤仍能保持平衡时为合格。
台秤校验管理制度一、总则为了规范企业台秤的校验管理工作,确保台秤的准确性和稳定性,提高生产质量和工作效率,经过研究制订了本制度。
二、适用范围本制度适用于企业所有使用台秤的部门和人员。
三、校验管理责任1. 公司领导层应高度重视台秤的校验工作,提供必要的支持和资源。
2. 生产部门负责台秤的日常使用和保养工作。
3. 质量管理部门负责台秤校验的组织和执行工作。
4. 台秤使用人员负责按照规定进行台秤的使用和维护,并积极配合校验工作。
四、台秤校验管理流程1. 校验计划制定每年初由质量管理部门制定台秤校验计划,明确每个台秤的校验日期和执行人员,并报经公司领导批准后执行。
2. 台秤校验准备校验前,生产部门应按照要求对台秤进行清洁和保养,保证校验的准确性。
3. 台秤校验执行校验人员按照规定的操作程序对台秤进行校验,确保台秤的准确性和稳定性。
4. 校验结果记录校验完成后,校验人员应将校验结果记录在台秤校验记录表中,并根据需要及时进行调整和维修。
5. 校验报告提交校验结果应及时报告给质量管理部门,以便进行统计和分析,并及时处理发现的问题。
五、校验标准及方法1. 校验标准台秤的校验应按照国家规定的计量法和相关标准进行执行。
2. 校验方法校验人员应使用符合要求的标准参考器具进行校验,进行准确性、稳定性和线性误差等多项指标的检测。
六、台秤校验记录及文件管理1. 台秤校验记录台秤校验记录应按照规定进行填写,并保存至少两年以上。
2. 变更记录台秤校验中发生的任何变更和调整应及时记录,并报备有关部门批准。
3. 文件管理所有与台秤校验相关的文件应按照规定进行归档和保管,确保档案的完整性和可查性。
七、台秤故障处理1. 故障报告台秤使用人员发现故障应及时报告给生产部门,并暂停使用。
2. 故障处理生产部门应及时派人进行维修或更换,修复后重新进行校验和审定。
八、台秤维护保养1. 日常维护台秤使用人员应按照规定进行台秤的日常维护,保证台秤的清洁和正常运行。
电子秤台秤校准规范
一、主题内容与适用范围:
本校准规范规定了台秤(电子秤)自校项目与技术要求,校准用标准器具,自校方法和校准结果及周期,实施日期。
二、适用范围:
本方法适用于本公司台秤(电子秤)的内部校准。
三、校准标准:
1、一组 M2级砝码标准装置;25kg,10kg ,5kg。
四、校准项目及技术要求:
1、校准电子台秤示值误差:其最大允许误差1个分度值。
2、重复性校准:其最大允许误差1个分度值。
3、台秤(电子秤)四角误差校准:其最大允许误差≤一个1个分度值。
4、正常温,湿度中进行校准。
五、校准方法:
1、检查内校台秤(电子秤),外观是否清洁,电子秤开关是否完好,电力是否充足,显示是否明亮、完整、清晰;。
2、台秤(电子秤)零位是否正确。
3、用不同质量的标准砝码(重量在台秤、电子秤量程范围内),依次测量重量,记录稳定后的读数。
(允许用代替法三次) 4、取电子秤1/3量程载荷的标准砝码,在台秤(电子秤)的四角,及中心点进行校准,记录每次稳定后的读数。
5、台秤(电子秤)重复性误差校准:取台秤(电子秤)最大载荷(满量程)的砝码,先后4次放置于台秤(电子秤)盘的中心位置,记录每次稳定后的读数。
(允许用代替法)
六、校准结果的处置:根据校准结果作出不同的标识处理。
七、校准周期:12个月。
八、实施日期:本校准规范从颁布之日开始执行。
弹簧秤、台秤检定(内检)规程
本规程仅适用于检定监控生产岗位使用的新购买的称量器具,本规程由质检部负责执行。
一、检定方法:采用标准砝码对照法。
二、检定用的标准砝码为经计量所检定合格后,专门用于弹簧度盘秤和磅秤的校对。
三、弹簧度盘秤检定允差:
量程(g)最大允差(g)量程(g)最大允差(g) 50 ±1 500 ±10
100 ±2 1000 ±15
150 ±3 5000 ±25 200 ±5
四、磅秤检定允差:量程(g)最大允差(g)
5000~10000 ±25
10000~20000 ±40
20000~25000 ±50
五、检定过程:
1、先检查待检器具是否正常(标尺是否清晰,调零旋钮是否可调,游坨吊坨是否完整无缺损)。
2、将待检器具放置于干净结实的水平地面上,调零后轻轻放置标准砝码进行称量,所称重量与标准砝码对照,判定是否还能适用于生产监控。
机械天平检定规程
1.检定准备。
(1)机械天平的使用年限不应超过五年,应保证机构灵活,指示准确;
(2)机械天平应进行有效性验证,确保指示准确;
(3)检定前应检查天平的机构、零件、传动系统、指示器等是否完好,是否有损坏或松动。
2.检定器具。
(1)质量分别为10g、50g、100g、500g、1kg、2kg、5kg的重量分
别检验;
(2)电子精密天平、天平配套检测仪器;
(3)检验证书、检验记录表等。
3.检定方法。
(1)检定机械天平的质量分别为10g、50g、100g、500g、1kg、2kg、5kg的重量;
(2)将待检机械天平放平,调整仪表使悬钩完全释放,读取指示器
指针刻度值;
(3)在机械天平上放置检验重量,读取指示器刻度值;
(4)根据测量结果计算出机械天平的误差,误差应在允许误差范围内;
(5)根据具体要求,反复取测结果以确定机械天平的精度和稳定性;
(6)根据检定结果出具检验证书或检验记录表。
4.检定结果处理。
(1)检验结果应按要求记录并保存;
(2)检验不合格的机械天平应报告并停止使用,直至维修合格;
(3)如遇不合格情况,应立即组织技术人员进行排查,找出不合格
原因,制定相应的纠正措施。
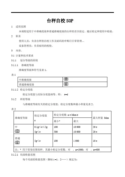
台秤自校SOP1适用范围本规程适用于中准确度级和普通准确度级的台秤的首次检定、随后检定和使用中检验。
2职责使用人员:负责台秤的自校工作及砝码的申购日日常管理。
设备管理员:负责砝码的校验。
3内容。
3.1计量和技术要求3.1.1划分等级的原则3.1.1.1准确度等级准确度等级和符号见表1。
表1中准确度级普通准确度级3.1.1.2检定分度值检定分度值与实际分度值相等。
即:e=d3.1.2秤的等级与准确度等级有关的检定分度值、检定分度数和最小秤量见表2。
表2准确度等级检定分度值e检定分度数n = Max/e最大秤量Max最小* 最大中0.1g≤e≤2g5g≤e 10050010 00010 00020 e20 e普通5g≤e 100 1 000 10 e 注:* 用于贸易结算的秤,其最小检定分度数,对,n=1000;对,n=400 3.1.2.1局部称量范围每个局部的称量范围(脚标i =1,2……)规定为:检定分度值ei,ei+1>ei;最大秤量Maxi;最小秤量Mini = Maxi-1(若i=1,则最小秤量为Min1=Min)对于每个局部称量范围,检定分度数ni等于:i= Maxi / ei3.1.2.2准确度等级对于多分度值秤的准确度等级,其每个局部称量范围中的ei、ni和Min1应符合第3.1.1.1款表2的规定。
3.1.3最大允许误差3.1.3.1首次检定最大允许误差加载或卸载时的最大允许误差见表4。
表4最大允许误差mpe m以检定分度值e表示±0.5e 0≤m≤500 0≤m≤50±1.0e 500<m≤2 000 50<m≤200±1.5e 2 000<m≤10 000 200<m≤1 0003.1.3.2使用中检验的最大允许误差,是首次检定最大允许误差的两倍。
3.1.3.3净重值的最大允许误差最大允许误差均适用于除皮后的净重值,预置皮重值除外。
3.1.4称量结果间的允许差值不管称量结果如何变化,任何一次称量结果的误差,应不大于该秤量的最大允许误差。
一、适用范围:车间内部使用的台秤的校正。
二、目的:保证计量称的准确度,保证产品数量的准确性。
三、操作步骤:
1、检验计量称是否水平。
2、在台称称盘的中间位置放标准码,记录计数。
3、比较计量称读数与标准码重量之差是否超过精度值,如
超过,则校对至精度值范围内,正常使用。
如不能校对到精度值以内,则上报检修,停止使用。
四、精度与频率:
6kg/2g
3kg/1g
15kg/2g
30kg/10g
60kg/20g
150kg/50g
300kg/100g
计量称在使用过程中每半小时校正一次。
将校准数据记录在《计量称的校正及使用记录》上。
适用范围:水银温度计、热电偶温度计。
目的:保证温度计的精度,保证生产加工过程中的温度精度。
过程:
1、将一标准温度计与欲校正的温度计并列放入液体石蜡
浴中,用机械搅拌蜡浴,控制搅拌蜡浴,控制温度每分
钟升高2-3℃,每隔5℃分别记下两个温度计的读数,
将观察至的数值与校正值(±)作一对照表或绘出校正
曲线(校正值与校正温度计读数作图)进行校正。
2、也可以通过测定纯化合物的熔点或沸点来进行校正,用
水—冰混合物校正0℃
3、校正精度及频次:
最大偏差不得超过1℃。
超过1℃时,对温度计进行维
护或停止使用。
上报纠偏。
每年校正一次。
机械天平校验规程1.0目的规范机械天平校验的操作,确保机械天平的测量精度处于受控状态,检验结果真实、可靠,以确保产品品质。
2.0范围本规程适用于公司机械天平(以下简称天平)的首次检定、后续检定和使用中检验。
3.0职责3.1正确使用计量标准并负责维护、保养,使其保持良好的技术状态。
3.2执行计量技术法规,进行计量检定工作。
3.3保证计量检定的原始数据和有关技术资料的完整、真实。
4.0检定条件4.1环境条件温度(18~26)℃,温度波动≤0.5℃/h,相对湿度不大于75%。
4.2测量标准:E2等级标准砝码。
5.0检定项目与方法5.1测量方法:采用标准砝码直接测量天平各技术参数得出各示值误差。
5.2称量前,应做好清洁工作。
精心地清除天平所有零件的灰尘和包装一流下来的碎屑。
对刀子和刀承应适当用清洁柔软的鹿皮或柔软的毛刷清扫,也可用洁净柔软的真丝绸布沾少许无水酒精去污(无水酒精不得和清漆接触)。
5.3先将天平罩取下折叠放好。
检查天平是否于水平,若不水平,通过垫脚螺丝调至水平状态,检查天平各部件是否正常。
5.4接通电源,戴好汗布手套,开启天平,调节天平的零点。
5.5将被称物先放在托盘天平上粗称量,记录量值,再将被称物放置在机械天平称物盘中心,关闭侧门,根据粗称量,转动加码器由大量值到小量值逐个加码至接近粗称量值。
5.6仔细加减十位毫克砝码直至投影屏上读数稳定在±10之间,连续开启3次,记录稳定后显示值。
5.7称量数据应及时写在记录本上,不能记在纸片或其他地方。
5.8称量完毕时,应检查天平指数盘是否拨回0位,砝码是否齐全,天平内外是否清洁。
关闭侧门,切断电源,然后罩好防尘护罩。
5.9清理实验材料,填写使用记录,打扫实验室。
6.0校验结果的处理6.1校准结果在合格范围内为合格,贴上合格标贴并填写校准报告,否则为不合格,不合格根据其实际情况做出维修和报废处理,维修后须再做校准。
6.2当天平性能不能满足使用要求时,应进行调修,并力求恢复到原准确度等级;无法修复的天平可根据用户要求,做较低准确度的衡量使用,也可按实际技术指标重新定级,并在天平检定证书内页注明重新确认的准确度级别。
台秤(电子秤)校准规程1、目的通过对电子秤的内部校准,确保计量结果准确、可靠,本规程适应公司台秤(电子秤)。
2、校准前的准备秤体稳定放置在水平台面上,调节电子秤水平气泡至中心位置,四周无物体相碰,秤台上无杂物,正常温、湿度中进行校准,观察其显示器是否为零,若不为零,按“置零”键置零,若不能置零,按不合格计量设备处理。
3、校准首先进行角差校准,然后进行线性校准,角差校准:选择1/3max砝码(max为电子秤最大称量数),将标准砝码放在电子秤台面的4角,分别进行称量,4个角的读数偏差均不得超过允许误差。
线性校准:选择用20%max和60%max砝码,将标准砝码放在电子秤台面的中央,分别进行称量,读数与标准砝码对照,偏差不得超过允许误差(计量精度按单台秤额定能力计算)。
4、校准结果记录填写《电子秤校准记录表》,根据校准结果作出不同的标识处理,品管建立《计量器具管理档案》。
5、不合格及报废处理校验结果不合格衡器处理:封存后停止使用。
通知维修人员或厂家进行修复。
修复后重新校准,确认合格后再投入使用。
报废处理:不能修复的衡器,进行停用报废处理,报废衡器不得在车间其他岗位使用,悬挂封存或报废停用标识。
6、要求标准频率:①新购回首次使用前;②长时间未用重新使用前;③正常使用时每班前一次,班中一次;④不准岗位交换使用和借用。
标准职责:使用台秤(电子秤)岗位的班、组长负责规程的具体校准工作,车间主任负责校准工作监督管理并做好记录。
品管、他储部门计量管理员负责按照相关规定对电子秤进行送外修复和定期外检及第三方监督并负责监督记录,归档。
卫生清洁:①做好防腐、防尘、防水工作,不得用水、油、清洗剂、气体直接对衡器进行清洗(扫),需用干抹布进行擦拭。
②不得用铁器或其它硬物对衡器本身进行造成表面或内部伤害的物质进行污垢清理及敲打;③非校准人员不得使用配置衡器的砝码进行校正或与校准无关的项目。
生产部2014年10月28日。
非自动衡器检定规程国家非自动衡器新检定规程共四个,包括JJG555—1996《非自动秤通用检定规程》、JJG13—1997《模拟指示秤》、JJG14—1997《非自行指示秤》、UG559一1997《数字指示秤》。
一、适用范围。
旧规程仅适用于计量检定,而新规程还适用于定型鉴定、样机试验和产品质量抽查、这在新旧规程的适用范围中都有明确规定。
另外,新规程也适用于计量监督管理,虽然在新规程的适用范围中无明确规定,但通用规程第10章为“计量管理”,其内容十分丰富,规定了许多管理内容:而三个专用规程第6章为“后继计量管理”,对随后检定和使用中检验作了专门规定。
此外,对于计量检定测试部门多次重复进行的周期检定,在旧规程中称为“使用中秤的检定”,而在新规程中取消了使用中检定的概念,将周期检定作为随后检定的一种。
增加了使中检验的概念,并明确规定使用中检验是一种监督性检验。
虽然使用中检定和使用中检验从字面上看仅一字之差,但其内涵却有着较大差别,前者仅仅是按规程对秤的计量性能进行检定,是指计量技术工作;而后者不仅要评价秤是否符合检定规程的要求。
还要评价秤是否处于良好的工作状态。
使用是否正确、可靠。
它不仅包括技术工作,而且还包括计量管理工作。
从这个意义上说,不仅计量检定人员应掌握新规程,计量管理和行政执法人员也应学习掌握新规程。
二、最小秤量。
在旧规程中,除刀JJG510—1987《电子吊秤》中,A级最小秤量100e,B级最小秤量40e外。
其余各检定规程均规定最小秤量为“中准确度级为50e或50d”,“普通准确度级为10e或10d”。
而在新规程中规定。
最小秤量中准确度级为20e。
普通准确度级为10e。
对于中准确度级的秤,新规程比旧规程将秤量范围扩大了30e,也可以说将最小秤量从原来50e向下延伸至20e。
这样,在实际使用中,小秤量范围秤量时的相对误差增大,特别是20e时最大,达到5%,这就要求中准确度级的秤有更高的灵敏度和可靠性。
机械台秤校验规程
1、概述
TGT-1000A型、TGT-100型、TGT-50型台秤。
2、技术性能
TGT-1000A型,最大称量:1000kg,分度值:500g
TGT-100 型:最大称量:100kg,分度值:50g
TGT-50型:最大称量:100kg,分度值:50g
3、校准规程
3.1校准条件:无震动条件下,放置在水平位置。
3.2校准方法:用自备的标准砝码进行校准,将台秤校准;在校准好的状态下,将标准砝码放在秤台上,台秤调至相应刻度或挂上相应重量的台秤秤砣,对台秤的刻度及秤砣逐一进行校准;或将秤砣放在物理天平上称量。
3.3验收标准:偏差不超过一个分度值为合格。
4、日常调零:
每次称量前,把其放置在水平地面上,把游码移至零位,不附加任一秤砣,秤台上清洁无物,看其秤杆可翘起,若秤杆翘起,则偏重,将侧边的螺旋向内旋,反之,则将螺旋向外旋,直到秤杆处于与水平平行状态即可。
5、校准周期:一年
6、参考文件
机械台秤操作规程
机械台秤操作规程.
doc
JJF 1071国家计量校准规范编写规则
JJF 1001 通用计量术语及定义
GBT/T 8170 数值修约规则与极限数值的表示和判定7、记录表格
《测试设备校验记录表》。
机械秤类检定规程
机械秤类检定规程
1、目的:
规范机械秤类检定方法,确保测量准确可靠,满足测量要求。
2、适用范围:
适用于DXC公司所有机械秤类的检定,包括天平托盘、磅秤等。
3、责任部门:品质部计量室
4、环境条件:防震、防尘
5、检定周期:六个月
6、检定所需设备:砝码、被检机械秤
7、操作方法:
7.1、清洁载物态或托盘和砝码、横梁等
7.2、外观检查
7.2.1、对于托盘秤,刻度均匀清晰,数据标识清晰易辨,指针转动是否灵活,零位正确性良好。
7.2.2、对于磅秤,刻度均匀清晰,钩码标识清楚,各部分相互作用良好,无干涉阻滞现象,游码在零位时,横梁在水平位置。
7.3、示值误差检查
7.3.1、品质要求:示值误差±3%
7.3.2、根据砝码或自制标准件的实际情况,在被检秤类的量程范围内选
择5个参考点测量,示值误差由量具示值与标准件标称值之差确定。
8、检定结果的处理
8.1、示值误差符合要求的贴上合格证,正常使用。
8.2、示值误差部分超差,贴上限用证,注明限用内容。
8.3、示值误差严重超差,维修后仍不合格者,作停用并报废处理,同时通知使用部门追索由该秤所涉及到的产品检测的有效性。
机械天平操作规程一、引言机械天平是一种常用的精密测量仪器,用于测量物体的质量。
为了确保机械天平的准确性和可靠性,在操作机械天平时需要遵循一定的操作规程。
本文将详细介绍机械天平的操作规程,包括准备工作、操作步骤、注意事项等。
二、准备工作1. 确保机械天平放置在平稳的台面上,远离振动源和强磁场。
2. 检查机械天平的电源线是否连接稳固,并确保电源插座接地良好。
3. 检查机械天平的秤盘是否干净,如有污物应及时清理。
4. 检查机械天平的指针是否指向零点,如不在零点位置,应进行调零。
三、操作步骤1. 打开机械天平的电源开关,待指针稳定在零点位置后,即可进行称量操作。
2. 将待称量物体放置在机械天平的秤盘上,并确保物体与秤盘接触良好。
3. 等待指针稳定后,读取指针所指示的质量数值,并记录下来。
4. 移除待称量物体后,机械天平的指针应回到零点位置,如指针未回到零点,应进行调零操作。
四、注意事项1. 在操作机械天平时,应避免用手直接触摸秤盘和指针,以免影响测量结果。
2. 秤盘上不应放置过重或过轻的物体,以免损坏机械天平或影响测量准确性。
3. 在进行多次称量时,应等待指针回到零点后再进行下一次称量。
4. 长时间不使用机械天平时,应将电源开关关闭,以节约能源并延长机械天平的使用寿命。
5. 定期对机械天平进行校准,以确保其测量结果的准确性。
五、总结机械天平是一种精密测量仪器,在操作时需要遵循一定的规程,以确保测量结果的准确性和可靠性。
本文详细介绍了机械天平的操作规程,包括准备工作、操作步骤和注意事项等。
只有在正确操作的前提下,才能获得准确的测量结果,并保证机械天平的正常使用和寿命延长。
秤校准管理规定1、液压升降秤的校准(1)由液压升降秤的管理单位对秤体的机械部分进行调整,调整好后校准。
(2)用20Kg标准砝码对液压升降秤进行校准。
(3)与标准重量相差在±10Kg以内为合格。
3、钢卷秤、平台缓冲秤的校准⑴由钢卷秤、平台缓冲秤的管理单位对秤体的机械部分进行调整,调整好后校准。
⑵用由市质量技术监督局计量测试所检定过的汽车衡检的钢坯或钢卷做为标准重量来进行检定。
⑶钢卷秤、平台缓冲秤与标准重量相差在±20Kg以内为合格2、考核1、校准涉及相关单位或个人必须给予全力配合,如有推委因工作延误导致影响生产,扣责任人责任500元。
计量员岗位职责(1)认真贯彻执行国家计量法,保证企业、用户的利益,维护企业信誉,把好物资出厂工序产品计量关。
(2)按操作规程及计量程序进行计量检斤。
(3)按规定填写台帐、计量单,要求书写楷体字,字迹工整,数字准确无误。
(4)负责计量设备的日常维护、检查工作,保证计量衡器的正常运行。
(5)完成上级领导交办的各项临时任务。
2、考核(1)因操作不规范引起误差较大,给公司造成损失的,扣责任人500元。
(2)工作中如发现原始打印记录、台帐、计量单、检斤网络中有不一致显现,每次每笔扣责任人100元(3)补、换计量单未按规定程序执行,每次扣责任人100元。
(4)外发产品出据计量单后由于某种原因(如改流向等)需重开计量单,办理部门提出书面申请,经生产部部长审批同意后,送交计控厂办理。
办理不及时或手续不全给予办理扣责任人500元。
作业长岗位安全职责(1)认真贯彻执行国家有关劳动保护条令、制度和上级指使,并及时组织传达;对本作业区各站、室的安全工作实行全面领导,对本作业区职工在生产工作中的安全和健康负全面责任,是本作业区安全生产的第一责任者。
(2)在计划、布置、检查、总结、评比生产过程中要及时把安全工作贯彻到每个具体环节中去,每周组织一次安全检查,对提出或查出的不安全隐患及时报处主管安全的领导。
称重机校准操作规程
称重机的校准操作规程如下:
1.准备校准工具:称重机校准需要使用相应的校准工具,例如标
准砝码、电子天平等。
确保这些工具的准确性和可靠性。
2.外观检查:在校准前,对称重机的外观进行检查,查看是否有
明显的损坏或异常情况,如发现应及时处理。
3.环境条件:确保称重机在校准前处于稳定的环境条件下,包括
温度、湿度、气压等,以避免环境因素对校准结果产生影响。
4.零点校准:在称重机未加载任何载荷时,进行零点校准。
将称
重机归零,确保其显示的读数为零。
5.加载标准砝码:按照称重机的规格和要求,选择合适的质量砝
码进行加载。
在加载砝码时,应按照规定的顺序和方式进行,避免对砝码的准确性和稳定性产生影响。
6.记录数据:在加载砝码后,记录称重机显示的读数和实际砝码
的质量值,以便进行比较和分析。
7.比较分析:将称重机显示的读数与实际砝码质量值进行比较,
判断其准确性和误差范围。
如果误差在允许范围内,则认为称重机校准合格;如果误差超出允许范围,则需要进行调整或维修。
8.维护保养:在校准后,对称重机进行必要的维护和保养,以确
保其长期稳定性和准确性。
总之,称重机的校准操作规程是确保其准确性和可靠性的重要步骤。
在使用称重机时,应定期进行校准和维护,以确保其性能的稳定性和准确性。
同时,操作者也需要注意遵守相关规程和安全操作要求,避免因操作不当导致称重机损坏或测量误差。
机械台秤校验规程
1、概述
TGT-1000A型、TGT-100型、TGT-50型台秤。
2、技术性能
TGT-1000A型,最大称量:1000kg,分度值:500g
TGT-100 型:最大称量:100kg,分度值:50g
TGT-50型:最大称量:100kg,分度值:50g
3、校准规程
3.1校准条件:无震动条件下,放置在水平位置。
3.2校准方法:用自备的标准砝码进行校准,将台秤校准;在校准好的状态下,将标准砝码放在秤台上,台秤调至相应刻度或挂上相应重量的台秤秤砣,对台秤的刻度及秤砣逐一进行校准;或将秤砣放在物理天平上称量。
3.3验收标准:偏差不超过一个分度值为合格。
4、日常调零:
每次称量前,把其放置在水平地面上,把游码移至零位,不附加任一秤砣,秤台上清洁无物,看其秤杆可翘起,若秤杆翘起,则偏重,将侧边的螺旋向内旋,反之,则将螺旋向外旋,直到秤杆处于与水平平行状态即可。
5、校准周期:一年
6、参考文件
机械台秤操作规程
机械台秤操作规程.
doc
JJF 1071国家计量校准规范编写规则
JJF 1001 通用计量术语及定义
GBT/T 8170 数值修约规则与极限数值的表示和判定7、记录表格
《测试设备校验记录表》。