工程力学综合练习及参考答案样本
- 格式:docx
- 大小:89.79 KB
- 文档页数:8
《工程力学》综合练习题————————————————————————————————作者:————————————————————————————————日期:《工程力学》综合练习题1.试分别画出下列各物体系统中指定物体的受力图。
2.求图示静定刚架的支座反力。
3.画出下列简支梁的剪力图及弯矩图。
4.梁的尺寸、荷载及截面尺寸如图。
试求梁中的最大剪应力。
5.试作出下图中杆AB(连同滑轮)、杆CD及整体的受力图。
6.均质球重P 、半径为r ,放在墙与杆CB 之间,杆长为l ,其与墙的夹角为α,B 端用水平绳BA 拉住。
不计杆重,求绳索的拉力。
7.图示三角形托架。
已知:杆AC 是圆截面钢杆,MPa 170][=σ;杆BC 是正方形截面木杆,容许压力MPa a 12][=σ;P=60KN 。
试选择钢杆的直径d 和木杆的截面边长a 。
8.直径50mm 的钢圆轴,其横截面上的扭矩MT =1.5kN •m ,求横截面上的最大剪应力。
9.试分别画出下列各物体系统中指定物体的受力图。
10.求图示静定刚架的支座反力。
11.圆截面轴心拉压杆的直径及荷载如图所示。
由钢材制成,容许应力[σ]=170MPa。
试校核该杆的强度。
12.画出下列简支梁的剪力图及弯矩图。
13.用数解法对下列单元体进行应力状态分析:求出主平面位置;并在单元体图上表示出主应力和主平面。
并画出应力图。
14.试作出下图中重物、杆DE、杆BC、杆AC(连同滑轮)及整体的受力图。
15.圆柱O重G=1000N放在斜面上用撑架支承如图;不计架重,求铰链A、B 、C 处反力。
16. 起重机装在三轮小车ABC 上,机身重G=100KN ,重力作用线在平面LMNF 之内,至机身轴MN 的距离为0.5m ;已知AD=DB=1m ,CD=1.5m ,CM=1M ;求当载重P=30KN ,起重机的平面LMN 平行于AB 时,车轮对轨道的压力。
17. 简易起重设备的计算简图如图所示。
工程力学试卷及答案完整版工程力学试卷及答案工程力学》试卷及答案一、填空题(每空1分,共22分)1、力的三要素是力的大小、方向、作用点。
用符号表示力的单位是N或KN。
2、力偶的三要素是力偶矩的大小、转向和作用面方位。
用符号表示力偶矩的单位为N·m或___·m。
3、常见的约束类型有柔性约束、光滑接触面约束、光滑铰链约束和固定端约束。
4、作用于一个刚体上的二力,使刚体保持平衡状态的充要条件是两个力大小相等、方向相反、作用线相同。
5、平面汇交力系平衡的充要条件是该力系的合力等于零。
6、平面任意力系的平衡条件为∑Fix=0,∑Fiy=0和∑M(F)=0.7、当平面任意力系有合力时,合力对作用面内任意点的矩,等于力系中各力对同一点之矩的代数和。
8、空间力系根据力的作用线不同可分为空间汇交力系、空间平行力系和空间任意力系。
9、力在空间坐标轴上的投影有两种运算方法,即直接投影法和二次投影法。
10、工程中二力杆需满足三个条件,即自重不计、两端均用铰链连接和不受其他力的作用。
二、判断题:(对的画“√”,错的画“×”)(每题2分,共20分)1、力的可传性定理,只适用于刚体。
(√)3、力的大小等于零或力的作用线通过矩心时,力矩等于零(√)4、力偶无合力,且力偶只能用力偶来等效。
(√)5、共线力系是平面汇交力系的特殊情况,但汇交点不能确定。
(√)7、平面汇交力系的合力一定等于各分力的矢量和。
(√)8、力使物体运动状态发生变化的效应称力的外效应。
(√)10、同一平面内作用线汇交于一点的三个力一定平衡。
(×)三、选择题(每题2分,共20分)1、平衡是指物体相对于地球保持静止或作匀速直线运动状态。
2、力的平行四边形公理说明,共点二力的合力等于两个分力的矢量和。
3、静力学研究对象主要是物体的平衡状态。
4、某刚体上作用了三个力,这三个力汇交于一点且互不平行。
根据这个条件,可以确定刚体处于平衡状态。
工程力学试题及答案一、选择题(每题2分,共20分)1. 在工程力学中,下列哪个选项不是力的基本性质?A. 可加性B. 可逆性C. 可传递性D. 可测量性答案:B2. 静摩擦力的大小与下列哪个因素有关?A. 物体的质量B. 物体的面积C. 物体的接触面粗糙程度D. 物体的运动状态答案:C3. 以下哪个不是材料力学中的基本概念?A. 应力B. 应变C. 弹性模量D. 动量守恒答案:D4. 根据胡克定律,弹簧的伸长量与作用力成正比,这个比例常数被称为:A. 弹性系数B. 摩擦系数C. 惯性系数D. 刚度系数答案:A5. 力的平行四边形法则适用于:A. 静力分析B. 动力分析C. 材料力学D. 流体力学答案:A6. 以下哪种情况下,物体的转动惯量会发生变化?A. 物体的质量增加B. 物体的质量分布改变C. 物体的形状改变D. 物体的转动速度增加答案:B7. 材料的屈服强度是指:A. 材料开始发生永久变形的应力B. 材料的弹性极限C. 材料的断裂强度D. 材料的疲劳强度答案:A8. 根据能量守恒定律,以下哪种情况是正确的?A. 一个物体的动能可以完全转化为势能B. 一个物体的势能可以完全转化为动能C. 一个物体的动能和势能之和是恒定的D. 一个物体的动能和势能之和随时间变化答案:C9. 材料的疲劳破坏是由于:A. 材料的老化B. 材料的腐蚀C. 材料在交变应力作用下的反复变形D. 材料的过载答案:C10. 以下哪种情况下,物体的稳定性最好?A. 重心低,支撑面大B. 重心高,支撑面小C. 重心低,支撑面小D. 重心高,支撑面大答案:A二、填空题(每空1分,共10分)1. 牛顿第二定律表明,物体的加速度与作用力成正比,与物体的质量成________。
答案:反比2. 材料的弹性模量是描述材料_______的物理量。
答案:刚性3. 静摩擦力的大小通常不超过最大静摩擦力,其大小与正压力成正比的是_______。
答案:动摩擦力4. 根据牛顿第三定律,作用力和反作用力大小相等,方向_______。
工程力学练习题及答案(专升本考试)一、选择题1. 在工程力学中,下列哪个力系属于平面力系?A. 空间力系B. 平面汇交力系C. 平面平行力系D. 空间平行力系答案:C2. 当物体受到两个力的作用时,若这两个力的大小相等、方向相反且作用线不重合,则该物体所处的状态是:A. 平衡状态B. 加速状态C. 减速状态D. 无法确定答案:A3. 在静力学中,下列哪个条件是力偶的等效条件?A. 力偶的大小B. 力偶的方向C. 力偶的作用点D. 力偶的大小和转向答案:D4. 一个物体在平面力系作用下处于平衡状态,那么该力系的主矢量和主矩必须满足以下哪个条件?A. 主矢量等于零,主矩等于零B. 主矢量不等于零,主矩等于零C. 主矢量等于零,主矩不等于零D. 主矢量不等于零,主矩不等于零答案:A二、填空题1. 在工程力学中,一个物体受到两个力的作用,当这两个力的作用线不在同一直线上时,这两个力的合力称为______。
答案:合力2. 在平面力系中,力偶对物体的作用效果可以用______来度量。
答案:力偶矩3. 在静力学中,若一个物体在平面力系作用下处于平衡状态,那么该物体所受的力系必须满足______条件和______条件。
答案:力的平衡条件,力矩的平衡条件4. 在材料力学中,胡克定律描述了______与______之间的关系。
答案:应力,应变三、计算题1. 一根长为2米的杆AB,A端固定,B端悬挂重100N的物体。
已知杆AB的弹性模量为E=200GPa,横截面积为A=200mm²。
求杆AB的伸长量。
解答:根据胡克定律,杆的伸长量可以通过以下公式计算:\[ \Delta L = \frac{F}{EA} \times L \]将已知数据代入公式,得到:\[ \Delta L = \frac{100N}{200 \times 10^3 Pa \times 200 \times 10^{-6} m^2} \times 2m = 5 \times 10^{-4} m \]所以,杆AB的伸长量为5mm。
工程力学练习册及答案### 工程力学练习册及答案#### 第一章:静力学基础练习题1:已知一个物体受到三个力的作用,分别为F1=50N,F2=30N,F3=20N,且这三个力的方向分别为北偏东30°,南偏西45°,和正南方向。
求这三个力的合力。
答案:首先,将力F1和F2分解为水平和垂直分量。
F1的水平分量为F1*cos(30°),垂直分量为F1*sin(30°)。
同理,F2的水平分量为F2*cos(135°),垂直分量为F2*sin(135°)。
F3的水平分量为0,垂直分量为F3。
计算得:- F1的水平分量:50*cos(30°) = 43.30N- F1的垂直分量:50*sin(30°) = 25N- F2的水平分量:30*cos(135°) = -25.98N- F2的垂直分量:30*sin(135°) = 25.98N- F3的水平分量:0- F3的垂直分量:20N合力的水平分量为:43.30N - 25.98N = 17.32N合力的垂直分量为:25N + 25.98N + 20N = 70.98N合力的大小为:√(17.32^2 + 70.98^2) ≈ 73.71N合力的方向为:tan^-1(70.98/17.32) ≈ 82.9°,即北偏东82.9°。
练习题2:一个均匀的圆柱体,其质量为10kg,半径为0.5m,求其在水平面上的静摩擦力。
答案:圆柱体在水平面上的静摩擦力取决于作用在它上面的外力。
如果外力小于或等于静摩擦力,圆柱体将保持静止。
静摩擦力的计算公式为:\[ f_{max} = \mu N \]其中,\( \mu \) 是静摩擦系数,\( N \) 是圆柱体的正压力。
对于均匀圆柱体,\( N = mg \),其中\( m \)是质量,\( g \)是重力加速度。
大学工程力学题目及参考答案(精华)一、题目描述某混凝土重力坝的设计中,工程师提出了以下问题,请根据所学的工程力学知识进行分析和解答。
重力坝结构简图如下:其中,坝体高度H = 100m,上游水位高度h1 =80m,下游水位高度h2 = 10m,上游水压力P1 =2000kN/m,下游水压力P2 = 500kN/m。
坝体自重G = 5000kN/m。
假设坝体为刚体,忽略摩擦力。
1. 求坝体的稳定性系数;2. 若在坝体上游面增加一垂直土压力P3 =1500kN/m,求此时坝体的稳定性系数;3. 针对上述情况,提出一种改进措施,以提高坝体的稳定性。
二、参考答案1. 求坝体的稳定性系数首先,计算坝体的抗滑力F和滑动力S。
抗滑力F包括:(1)坝体自重G = 5000kN/m;(2)下游水压力P2 = 500kN/m。
抗滑力F = G + P2 = 5000 + 500 = 5500kN/m。
滑动力S包括:(1)上游水压力P1 = 2000kN/m;(2)上游面增加的垂直土压力P3 = 1500kN/m。
滑动力S = P1 + P3 = 2000 + 1500 = 3500kN/m。
稳定性系数K = F/S = 5500/3500 ≈ 1.57。
2. 若在坝体上游面增加一垂直土压力P3 =1500kN/m,求此时坝体的稳定性系数此时,抗滑力F不变,仍为5500kN/m。
滑动力S变为:S = P1 + P3 = 2000 + 1500 = 3500kN/m。
稳定性系数K = F/S = 5500/3500 ≈ 1.57。
3. 改进措施为了提高坝体的稳定性,可以采取以下措施:(1)增加坝体的宽度,从而增加坝体的抗滑力。
具体增加多少宽度,需要根据实际情况进行计算。
(2)在坝体上游面设置排水孔,以减小上游水压力P1。
具体设置多少排水孔,也需要根据实际情况进行计算。
(3)在坝体下游面设置防滑板,以增加滑动力S。
具体防滑板的设计参数,同样需要根据实际情况进行计算。
工程力学考试题及答案第一题:静力学基础1. 一根长为L的均匀细杆,端部固定在垂直墙上,另一端连接一个重物。
当杆与垂直墙面夹角为α时,求整个杆的受力情况和受力分析。
答案:根据题目描述,可以得到以下信息:- 杆长:L- 杆端固定在垂直墙上- 杆的另一端连接一个重物- 杆与垂直墙面夹角为α受力分析:- 杆的固定端在墙面上受到的支持力垂直于墙面,并且与杆的轴线方向相反,记作H1- 杆的重物端受到重力,记作G- 杆自身受到的内力反作用力垂直于杆的轴线方向,记作H2整个杆的受力情况如下所示:- 杆的固定端:受到支持力H1- 杆的重物端:受到重力G- 杆自身:受到内力H22. 一个物体在坡面上沿着斜直线运动,若物体受到摩擦力和重力,求该物体在坡面上的受力分析。
答案:根据题目描述,可以得到以下信息:- 物体在坡面上沿着斜直线运动- 物体受到摩擦力和重力受力分析:- 物体受到的重力沿着竖直方向,记作G- 物体在坡面上受到的摩擦力与坡面垂直,记作F该物体在坡面上的受力情况如下所示:- 重力:G- 摩擦力:F第二题:动力学基础1. 一个质点在水平面内受到一对力,其合力为零,求解力的成对作用线相交于一个定点的条件。
答案:根据题目描述,可以得到以下信息:- 质点在水平面内受到一对力- 力的合力为零解题思路:力的合力为零意味着两个力的矢量合成为零向量。
由于矢量合成的结果为零向量,可以得出两个力的方向相反。
而且,力的成对作用线相交于一个定点。
因此,两个力的成对作用线相交于一个定点的条件是:两个力的方向相反,且力的大小相等。
2. 一个质点在斜面上由静止开始沿斜面下滑,考虑到质点所在位置对应的加速度的变化,求解质点滑动过程中的加速度大小与方向。
答案:根据题目描述,可以得到以下信息:- 质点在斜面上由静止开始沿斜面下滑解题思路:- 在斜面上由静止开始下滑的情况下,质点受到斜面的支持力和重力。
- 在坡面上,支持力可以分解为垂直于斜面的分力和平行于斜面的分力。
工程力学综合练习题一一、填空(每空1.5分)1. 变形体的理想弹性体模型包括四个基本的简化假设,它们分别是:假设、假设、假设、完全弹性和线弹性假设;在变形体静力学的分析中,除了材料性质的理想化外,对所研究的问题中的变形关系也作了一个基本假设,它是假设。
2. 图1中分布力的合力的大小为,对点A之矩大小为。
图1 图23. 图2示板状试件的表面,沿纵向和横向粘贴两个应变片和,在力F作用下,若测得,,则该试件材料的泊松比为,若该试件材料的剪切模量G=75GPa,则弹性模量E=。
4. 对于空间力偶系,独立的平衡方程个数为。
5. 解决超静定问题需要放弃刚体模型,采用变形体模型,进行力的研究、变形的研究以及关系的研究三方面分析工作。
6. 图3中力F对点O之矩大小为,方向。
(顺时针,逆时针)图3 图4 图57. 一受扭圆棒如图4所示,其m-m截面上的扭矩等于,若该圆棒直径为d,则其扭转时横截面上最大切应力 max = 。
工程力学综合练习题一8. 图5示阶梯杆AD受三个集中力F作用,设AB、BC、CD段的横截面面积分别为A、2A、3A,则三段杆的横截面上轴力,正应力。
(相等,不相等)9. 对于铸铁而言,其抗拉能力抗剪能力,抗剪能力抗压能力。
(低于,高于)10. 力和是两个不同的、相互独立的基本力学量,它们是组成力系的两个基本元素。
11. 作用于弹性体一小块面积(或体积)上的载荷所引起的应力,在离载荷作用区较远处,基本上只同载荷的主矢和主矩有关;载荷的具体分布只影响作用区域附近的应力分布。
这就是著名的原理。
12. 铸铁试件拉伸破坏时断面与轴线成度夹角,是由于应力引起的。
13. 铸铁试件扭转破坏时断面与轴线成度夹角,是由于应力引起的。
二、选择(每题3分)1. 判断下列关于轴向拉压杆的说法正确的是()A.若杆内各点位移均为零,则杆无变形。
B.若杆的总伸长量为零,则各截面无位移。
C.若某一段杆内变形为零,则该段内各截面无位移。
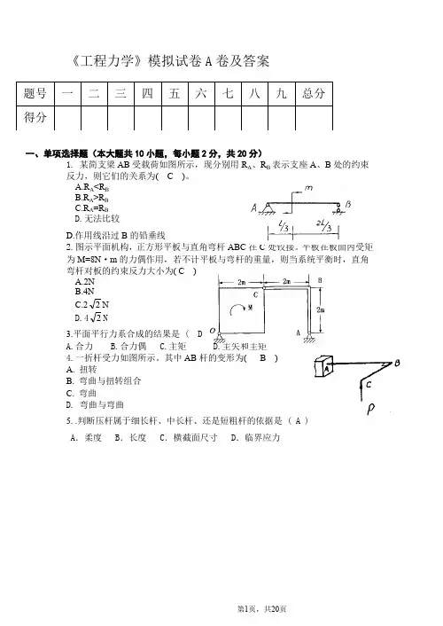
《工程力学》模拟试卷A 卷及答案一、单项选择题(本大题共10小题,每小题2分,共20分)1. 某简支梁AB 受载荷如图所示,现分别用R A 、R B 表示支座A 、B 处的约束反力,则它们的关系为( C )。
A.R A <R B B.R A >R B C.R A =R B D.无法比较D.作用线沿过B 的铅垂线2.图示平面机构,正方形平板与直角弯杆ABC 在C 处铰接。
平板在板面内受矩为M=8N ·m 的力偶作用,若不计平板与弯杆的重量,则当系统平衡时,直角弯杆对板的约束反力大小为( C ) A.2N B.4N C.22N D.42N3.平面平行力系合成的结果是 ( D ) A.合力 B.合力偶 C.主矩 D.主矢和主矩4.一折杆受力如图所示。
其中AB 杆的变形为( B ) A. 扭转 B. 弯曲与扭转组合 C. 弯曲D. 弯曲与弯曲5. .判断压杆属于细长杆、中长杆、还是短粗杆的依据是 ( A ) A .柔度 B .长度 C .横截面尺寸 D .临界应力6.图示轴向受力杆件中n-n 截面上的轴力为( C )A.-3PB.-4PC.+4PD.+8P7.图示受扭圆杆中的最大剪应力为( C ) A.3d m 16π B.3d m 32π C.3d m 48π D.3dm 64π8. 图示矩形截面对z 、y 两形心轴的惯性矩分别为( D )A 22121,121hb I bh I y z ==B 22121,121bh I hb I y z ==C 33121,121bh I hb I y z ==D 33121,121hb I bh I y z ==9.某直梁横截面面积一定,下图所示的四种截面形状中,抗弯能力最强( B )A .矩形B .工字形C .圆形D .正方形10.拉压胡克定律σ=E ε的另一表达式为( D ) A A F N =σ B. ll∆=ε C μ=εε';D EA F N l l =∆二、填空题(本大题共4小题,每空2分,共10分) 11.图示杆件剪切面的面积为___dt____。
工程力学试题及答案、填空题(每空1分,共16分)1•物体的平衡是指物体相对于地面 ___________ 或作 _________ 运动的状态。
2•平面汇交力系平衡的必要与充分条件是: ________ 。
该力系中各力构成的力多边形3•—物块重600N ,放在不光滑的平面上,摩擦系数f=0.3,在左侧有一推力 150N ,物块有向右滑动的趋势。
F max = ________ ,所以此物块处于静止状态,而其F= _________ 。
4•刚体在作平动过程中,其上各点的 ______________ 相同,每一瞬时,各点具有 ___________ 的速度和加速度。
5. AB 杆质量为m ,长为L ,曲柄O i A 、O 2B 质量不计,且O i A=O 2B=R , O i O 2=L ,当 $ =60。
时,O i A 杆绕 O i 轴 转动,角速度3为常量,则该瞬时AB 杆应加的惯性力大小为 ___________ ,方向为 ___________ 。
6. 使材料丧失正常工作能力的应力称为极限应力。
工程上一般把 ___________ 作为塑性材料的极限应力;对于脆性 材料,则把 ________ 作为极限应力。
7. _______ 面称为主平面。
主平面上的正应力称为 。
8. 当圆环匀速转动时,环内的动应力只与材料的密度p 和 有关,而与__________ 无关。
二、单项选择题(在每小题的四个备选答案中,选出一个正确答案,并将正确答案的序号填 在题干的括号内。
每小题 3分,共i8分)i .某简支梁AB 受载荷如图所示,现分别用的关系为( )。
A. R A <R B B. R A >R B C. R A =R B3 在无阻共振曲线中,当激振力频率等于系统的固有频率时,振幅B 趋近于()。
A.零 B.静变形C.无穷大D.一个定值4 虎克定律应用的条件是( )。
A.只适用于塑性材料B.只适用于轴向拉伸C.应力不超过比例极限D.应力不超过屈服极限5 梁的截面为T 字型,Z 轴通过横截面的形心,弯矩图如图所示,则有(D. 无法比较R A 、R B 表示支座A 、B 处的约束反力,则它们& x3 4 5卜纠^12. 材料不同的两物块A和B叠放在水平面上,已知物块A重0.5kN,物块B重0.2kN ,物块A、B间的摩擦系数f 1=0.25,物块B与地面间的摩擦系数f2=0.2,拉动B物块所需要的最小力为()。
工程力学课程试题库及参考答案试题一:选择题1. 下列哪个选项不是力的基本性质?A. 力是物体间相互作用的体现B. 力是矢量C. 力不能离开物体单独存在D. 力的大小可以无限大答案:D2. 在静力学中,下列哪个条件是物体平衡的必要和充分条件?A. 力的合力为零B. 力矩的合力为零C. 力的合力为零,且力矩的合力为零D. 力的合力不为零,力矩的合力为零答案:C3. 下列哪个力系是平面力系?A. 空间力系B. 静力力系C. 汇聚力系D. 平面汇聚力系答案:D试题二:填空题1. 在工程力学中,力的单位是______,符号为______。
答案:牛顿,N2. 物体在力的作用下发生形变,这种形变称为______。
答案:弹性形变3. 在平面力系中,力矩的合力等于______。
答案:零试题三:判断题1. 力的平行四边形法则表明,两个力的合力等于这两个力的矢量和。
()答案:正确2. 在空间力系中,力的合力一定等于零。
()答案:错误3. 拉伸试验中,当拉力达到最大值时,试件一定会断裂。
()答案:错误试题四:计算题1. 已知一物体质量为10kg,在水平方向受到两个力的作用,分别为20N和30N,且两个力的作用线与水平方向的夹角分别为30°和60°。
求物体的合力及合力方向。
答案:合力约为45.8N,合力方向约为39.8°。
2. 一简支梁受到均布载荷的作用,载荷大小为20N/m,梁长2m,求梁的中点处的弯矩。
答案:40N·m3. 一圆形截面轴受到扭矩的作用,扭矩大小为100N·m,轴的直径为20mm,求轴的扭转应力。
答案:约为39.8MPa二、工程力学课程参考答案1. 选择题参考答案:(1)D(2)C(3)D2. 填空题参考答案:(1)牛顿,N(2)弹性形变(3)零3. 判断题参考答案:(1)正确(2)错误(3)错误4. 计算题参考答案:(1)合力约为45.8N,合力方向约为39.8°。
工程力学习题及最终答案(总63页)--本页仅作为文档封面,使用时请直接删除即可----内页可以根据需求调整合适字体及大小--第一章 绪论思 考 题1) 现代力学有哪些重要的特征2) 力是物体间的相互作用。
按其是否直接接触如何分类试举例说明。
3) 工程静力学的基本研究内容和主线是什么 4) 试述工程力学研究问题的一般方法。
第二章 刚体静力学基本概念与理论习 题2-1 求图中作用在托架上的合力F R 。
2-2 已知F 1=7kN ,F 2=5kN, 求图中作用在耳环上的合力F R 。
习题2-1图NN22-3 求图中汇交力系的合力F R 。
2-4 求图中力F 2的大小和其方向角?。
使 a )合力F R =, 方向沿x 轴。
b)合力为零。
2-5 二力作用如图,F 1=500N 。
为提起木桩,欲使垂直向上的合力为F R =750N ,且F 2力尽量小,试求力F 2的大小和?角。
2习题2-2图(b )F 1F 1F 2习题2-3图(a )F 1习题2-4图2-6 画出图中各物体的受力图。
F12习题2-5图(b) B(a)A(c)(d)(eA42-7 画出图中各物体的受力图。
) 习题2-6图(b ))(d(a ) A BC DB ABCB52-8 试计算图中各种情况下F 力对o 点之矩。
2-9 求图中力系的合力F R 及其作用位置。
习题2-7图习题2-8图P(d )(c ))) 1F 362-10 求图中作用在梁上的分布载荷的合力F R 及其作用位置。
q 1=600N/m2习题2-9图F 3F 2( c1F 4F 372-11 图示悬臂梁AB 上作用着分布载荷,q 1=400N/m ,q 2=900N/m, 若欲使作用在梁上的合力为零,求尺寸a 、b 的大小。
第三章 静力平衡问题q=4kN/m( b )q( c )习题2-10图B习题2-11图8习 题3-1 图示液压夹紧装置中,油缸活塞直径D=120mm ,压力p =6N/mm 2,若?=30?, 求工件D 所受到的夹紧力F D 。
《工程力学》试题及参考答案一、填空题:1.受力后几何形状和尺寸均保持不变的物体称为。
2.构件抵抗的能力称为强度。
3.圆轴扭转时,横截面上各点的切应力与其到圆心的距离成比。
4.梁上作用着均布载荷,该段梁上的弯矩图为。
5.偏心压缩为的组合变形。
6.柔索的约束反力沿离开物体。
7.构件保持的能力称为稳定性。
8.力对轴之矩在情况下为零。
9.梁的中性层与横截面的交线称为。
10.图所示点的应力状态,其最大切应力是。
11.物体在外力作用下产生两种效应分别是。
12.外力解除后可消失的变形,称为。
13.力偶对任意点之矩都。
14.阶梯杆受力如图所示,设AB和BC段的横截面面积分别为2A和A,弹性模量为E,则杆中最大正应力为。
15.梁上作用集中力处,其剪力图在该位置有。
16.光滑接触面约束的约束力沿指向物体。
17.外力解除后不能消失的变形,称为。
18.平面任意力系平衡方程的三矩式,只有满足三个矩心的条件时,才能成为力系平衡的充要条件。
19.图所示,梁最大拉应力的位置在点处。
20.图所示点的应力状态,已知材料的许用正应力[σ],其第三强度理论的强度条件是。
21.物体相对于地球处于静止或匀速直线运动状态,称为。
22.在截面突变的位置存在集中现象。
23.梁上作用集中力偶位置处,其弯矩图在该位置有。
24.图所示点的应力状态,已知材料的许用正应力[σ],其第三强度理论的强度条件是。
25.临界应力的欧拉公式只适用于杆。
26.只受两个力作用而处于平衡状态的构件,称为。
27.作用力与反作用力的关系是。
28.平面任意力系向一点简化的结果的三种情形是。
29.阶梯杆受力如图所示,设AB和BC段的横截面面积分别为2A和A,弹性模量为E,则截面C的位移为。
30.若一段梁上作用着均布载荷,则这段梁上的剪力图为。
二、计算题:1.梁结构尺寸、受力如图所示,不计梁重,已知q=10kN/m,M=10kN·m,求A、B、C处的约束力。
2.铸铁T梁的载荷及横截面尺寸如图所示,C为截面形心。
(完整版)⼯程⼒学最新完全试题(含有答案)汇总模拟试题7参考解答测7-1 多项选择题(共4个⼩题)测7-1-1(4分)图为低碳钢试件的拉伸实验的应⼒应变图形。
在以下结论中, A B D 是正确的。
A .加载到B 点前卸载,当应⼒消失为零时,应变也消失为零。
B .加载到C 点卸载,当应⼒消失为零时,应变并不消失为零。
C .加载到C 点卸载,再次加载,构件的屈服强度提⾼了。
D .在C 点处卸载的卸载曲线,与在D 点处卸载的卸载曲线⼏乎是平⾏的。
E .在C 点处卸载的残余应变,与在D 点处卸载的残余应变⼏乎是相等的。
测7-1-2(3分)下列各种情况中,重物均可以在梁上沿⽔平⽅向⾃由移动。
重物所处的位置已经使所在的梁具有最⼤弯矩的情况有 BC D 。
测7-1-3(3分)圆轴扭转时,其表⾯各点所处于的应⼒状态属于 B D 。
A .单向应⼒状态B .双向应⼒状态C .三向应⼒状态D .纯剪应⼒状态测7-1-4(4分)在下列措施中, A B D 将明显地影响压杆失稳临界荷载。
A .改变杆件的长度B .改变杆件两端的约束形式C .在不改变横截⾯两个主惯性矩的前提下改变横截⾯形状ABCD 测 7-1-2 图测 7-1-1 图D .在不改变横截⾯形状的前提下改变横截⾯尺⼨E .在杆件上沿垂直于轴线⽅向上开孔测7-2 填空题(共4个⼩题)测7-2-1(3分)直径为d 的圆轴两端承受转矩m 的作⽤⽽产⽣扭转变形,材料的泊松⽐为ν,其危险点的第⼀强度理论的相当应⼒ =eq1σ 3π16dm,第⼆强度理论的相当应⼒=eq2σ)(ν+1π163d m,第三强度理论的相当应⼒ =eq3σ3π32d m。
测7-2-2(2分)承受均布荷载q 的悬臂梁的长度为L ,其横截⾯是宽度为b ,⾼度为h的矩形,该梁横截⾯上的最⼤弯曲切应⼒为 bhqL23 。
测7-2-3(4分)题图中左、右两杆的抗拉刚度分别是EA 和EA 20,则A 点的竖向位移为EAPa 22。
X
工程力学(1)综合练习及参考答案1
选择题
1 •按荷载作用时间的久暂可分为()。
A. 恒荷载与集中荷载 B .恒荷载与分布荷载
C.恒荷载与活荷载 D .分布荷载与集中荷载
2.() 约束反力用两个垂直分力表示
A.滚动铰支座与光滑面约束 C.固定铰支座与铰链约束 3.若刚体在二个力作用下处于平衡 A.大小相等 C.方向相反,作用在同一直线 线
4 .力系的合力在任一轴上的投影,等于()
A.力系中各力在同一轴上的投影的代数和
B. 力系中各力在任一轴上的投影的代数和
C. 力系中各力在同一轴上的投影的几何和
D.力系中某力在同一轴上的投影的代数和
5.物体在() 状态下的滑动摩擦系数称为最大静滑动摩擦
力。
A.静止 B .平衡
C.临界平衡 D .运动
6 .平面任意力系向一点简化的一般结果是()
A. 一个力 B . 一个力偶
C. 一个力和一个力偶
D. 一个力或一个力偶
7. 下列图示梁,() 是单跨静定简支梁。
X B.固定铰支座与滚动铰支座
D.光滑约束面与铰链约束
则此二个力必()。
B .大小相等,作用在同一直线
D.大小相等,方向相反,作用在同一直
A.
15 .图示杆件的矩形截面 bh 3
12 12
8•建筑力学中,自由度与约束的叙述下列()
是错误的。
A. —个刚片有三个自由度
B. —个链杆,相当于一个约束
C. 一个单铰,相当于二个约束
D. —个固端(刚结),相当于二个约束 9. 求解静定结构的反力与内力需要的条件是()。
A.平衡条件
B.变形条件
C.平衡条件和变形条件
D.平衡条件或变形条件
10. 当梁上某段没有荷载作用时,该段剪力图形为()
A.零
B.水平直线
C.向下斜线
D.向上斜线
11. 若使三铰拱的轴线形状为合理轴线则拱中各截面 ()。
A.只有轴力
B .只有弯矩 C.只有剪力 D.三种内力都有
12 .二杆结点无外力,如此二杆(), 则此二杆都是零杆
I .不共线 II .共线
III .互相垂直 A. I 、II
C. I 、III 13 .低碳钢的拉伸过程中, A.弹性阶段
C.强化阶段 14 .应力的单位为帕斯卡(
2 A. 1N/m
C. 1kN/m 2 B . II
D. II 、III
虎克定律在()范围内成立
B .屈服阶段 D.颈缩阶段
简称帕),1Pa ()。
2 B . 1N /cm D. 1kN / cm 2
》b »
C • bh:
D bh2
6 6
二、判断题
1 .链杆对它所约束的物体的约束反力必定沿着两铰链中心的连线作用在支座上。
()
2.固定铰支座的约束反力用垂直方向的两个分力表示。
()
3 .力的平移定理:作用在刚体上A点的力F能够等效地平移到此刚体上的任意一点B,但必须附加一个力偶,附加力偶的力偶矩等于原来的力F对新的作用点B的矩。
()
4 .平行四边形法则规定,作用在物体上同一点的两个力,其分力矢量的大
小和方向,由由二分力为邻边所组成的平行四边形的对角线来确定。
()
5 .平面汇交力系有两个独立的平衡方程,能够求解三个未知数。
()
6. 力偶没有合力,能用一个力来等效代换。
()
7. 在一般情况下,平面任意力系等效于一力和一力偶。
()
8. 平面任意力系的主矢为零,主矩不为零,力系简化为一合力偶。
该力偶的矩就是原力系相对于简化中心的主矩。
()
9 .最大静摩擦力的方向与运动趋势相同。
()
10 .静定结构与超静定结构在几何组成方面的主要区别是:静定结构是几何不变且无多余约束;超静定结构是几何不变且有多余约束。
()
11.几何组成分析规则规定:三个刚片用不在一直线的铰两两相连组成的体系是几何不变的。
()
12 .如果平衡体系的全部未知量的数目,大于体系的独立的平衡方程的数目,仅用静力学平衡方程不能求解全部未知量,这类结构称为超静定结构。
()
13 .当梁上某段有常量的分布荷载作用时,剪力图为斜直线,弯矩图为二次曲线。
()
14 .低碳钢的整个拉伸过程可分为四个阶段:弹性阶段、强化阶段、屈服阶
段与颈缩阶段。
()
15•抗拉强度极限远高于抗压强度极限,这是脆性材料的共同特点。
()
四、计算题
2•求下图所示外伸梁的支座反力,画出剪力图与弯矩图
解:
3•图示圆形截面简支梁,材料容许应力 5MPa ,受均布荷载q 5kN/m ,试 确定梁截面的最小直径d 。
(强度条件:max 器’W Z 甘)
参考答案
选择题
1 •对图示体系进行几何组成分析
解
:
D
题图2-4
1. C
2.C
3.D 4 . A 5 .C
6. C
7.A
8.D9 . A10 .B
11. A 12.C13.A14 . A15.D
判断题
1. ( X) 2 .(V) 3 .(V) 4 .(V) 5 . ( X)
6. ( X)7 .(V)8 .(V)9 .(X )10 . ( V)
11. ( V)12.(V)13 .(V)14.(X)15 . ( X)
三、计算题
1 .解:
分析:由内部铰结三角形,生长二元体得几何不变且无多余约束的大刚片。
大刚片与地面由三根不完全平行、也不相交于一点的链杆相联,故结构为几何不变且无多余约束。
2.解:
(1)求支座反力
由M A 0 得:Y C 4 100 2 20 2 5 0
Y C 100kN ()
由Q y 0得:Y A 100 20 2-100 40kN ()
(2)画剪力图和弯矩图
Q 图60k
3•解:
(1)求梁截面直径d
d 0.2732(m)
max ql 2
10 103(kN m) max
max
W Z
d 3
32 M max 32 104
6 3.14 5 10 0.0204(m 3)。