客户编码一览表
- 格式:doc
- 大小:54.00 KB
- 文档页数:1
电池产品编码规定新编 HEN system office room 【HEN16H-HENS2AHENS8Q8-HENH1688】1目的确保产品在领发、验收、请购、盘点、跟催、储存等运作中的准确性,规范产品编码管理。
2适用范围适用于公司所有产品的编码。
3定义产品编码表示:以字母、文字、符号、数字等组合起来代替产品品名、规格、类别及其它相关事项的一种管理工具。
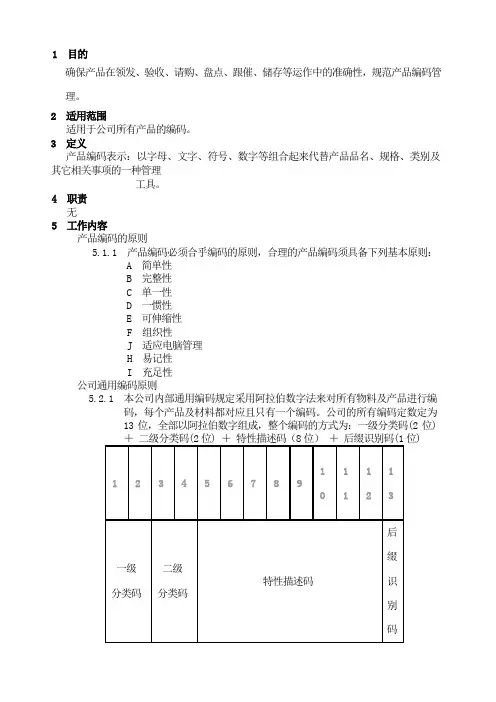
4职责无5工作内容产品编码的原则5.1.1 产品编码必须合乎编码的原则,合理的产品编码须具备下列基本原则:A简单性B完整性C单一性D一惯性E可伸缩性F组织性J适应电脑管理H易记性I充足性公司通用编码原则5.2.1本公司内部通用编码规定采用阿拉伯数字法来对所有物料及产品进行编码,每个产品及材料都对应且只有一个编码。
公司的所有编码定数定为13位,全部以阿拉伯数字组成,整个编码的方式为:一级分类码(2位)+二级分类码(25.2.2一级分类码用2位阿拉伯数字表示,具体如下:5.2.3二级分类码本公司所有物料的二级分类码均由两位阿拉伯数字以流水号的方式进行描述,如:01、02、03……具体如下:D特性描述码5.3.1本公司的特性描述码由第5、6、7、8、9、10、11、12位(共8位)数字组成,对物料(或产品)的特性进行描述。
5.3.2成品类产品的特性描述:本公司所指的成品主要是指直接向客户交付的产成品,如:电池、充电器、机壳、镜片、按键等,特性描述码主要由客户编码和流水号组成。
具5.3.3原材料的特性描述:本公司所指的原材料是指未直接用来生产组装的原物料(含供应商采购的原物料),如:电芯、电子类、塑胶件、五金类、胶纸材料类等,具体说明如下:5.3.5原材料的特性描述(续):5.3.6原材料的特性描述(续)5.3.7原材料的特性描述(续):5.3.8后缀识别码本公司所有产品(包括物料和产成品)的后缀识别码均由最后一位阿拉伯数字组成。
以流水号的方式进行编码,具体说明如下:67生成记录(表单)无8附录附录1:《客户编码一览表》附录2:《电芯供应商代码附录3:《电子类属性代码》附录4:《五金类属性代码》附录5:《包材类属性代码》附录6:《镜片类属性代码》附录7:《塑胶原料产地、品牌属性代码》附录8:《辅助材料类属性代码》附录9:《化工油漆类属性代码》附录10:《塑胶件素材颜色属性代码》附录11:《塑胶件部件名称代码》附录12:《塑胶件喷油颜色属性代码》附录1:客户编码一览表附录附录附录4:五金类属性代码附录5:包材类属性代码附录。
附件烟草商业企业卷烟零售客户分类标准一、前言在烟草商业企业实行统一的客户分类标准,有利于统一全国卷烟销售网络的服务模式和业务模式,加快全国网建整体推进、全面提升的步伐;有利于把握全国卷烟零售客户的结构状况,不断优化服务手段,深化客户关系管理,夯实网络终端基础;有利于加快网络标准化、信息化的进程,有效、准确、快速地响应市场需求,不断提高服务水平,增强卷烟销售网络的竞争实力。
实施零售客户分类,要坚持烟草专卖专营、优质服务的指导思想,按照统一、科学、实用的原则,搜集客户信息资源,选择关键维度,适当地划分客户群体。
二、零售客户基础信息客户基础信息是从不同层面、多视角反映客户状况的数据集合,是判断客户分类的依据。
主要来源于客户入网注册、公司服务人员搜集、客户分析和评价、客户交易记录等环节。
客户基础信息通过客户经理在《客户档案》中实施更新和维护,并由营销部检查信息维护的及时性、客观性和准确性。
《客户档案》中的信息要经过计算机信息系统数字化处理之后建立并提供使用。
表1所列客户信息为要求全国统一建立的基础信息。
各省、地市级烟草公司在执行此标准基础上,可以根据本地客户服务和市场管理的需要,适当增加客户信息的项目或指标,新增的项目或指标不得与全国统一执行的标准重复、冲突。
表1 客户基础信息表指标项数据项1) 识别信息01-01)店铺名称(文本)01-02)许可证号______01-03)经营者姓名(文本)01-04)客户编码______01-05)订货电话______2) 基本信息02-01)客户零售业态■食杂店■便利类■超市■商场■烟酒店■娱乐娱乐类■其他02-02)市场类型■城市■农村02-03)商圈类型■商业(集贸)区■工业区■学区■政务(商务)区■居民区(村)■娱乐(旅游)区■旅客中转区■其他02-04)是否连锁■连锁■非连锁02-05)连锁方式■总店■分店02-06)是否夜店■夜店■非夜店02-07)营业时间■ 12小时以下■ 12-16小时■ 16小时以上02-08)信息终端■P C■P O S■电话■无02-09)门头标识■连锁形象标识■单店形象标识■无标识3)经营水平03-01)经营规模■大■中■小03-02)进货数量______条03-03)进货金额______元03-04)进货均价______元/条03-05)经营品种数______个4)业务模式04-01)订货方式■电话■网上配货■家家e ■网络订货■手机短信■其他04-02)订货频次■1周2次■1周1次■10天1次■其他04-03)送货时间■次日送货■隔日送货■其他04-04)送货方式■直送■委托代送■定点取货■其他04-05)结算方式■传统结算方式■电子结算方式5)守法情况05-01)守法情况■合法■非法违规说明:1、“客户编码”指计算机软件为客户分配的系统编码。
附件烟草商业企业卷烟零售客户分类标准一、前言在烟草商业企业实行统一的客户分类标准,有利于统一全国卷烟销售网络的服务模式和业务模式,加快全国网建整体推进、全面提升的步伐;有利于把握全国卷烟零售客户的结构状况,不断优化服务手段,深化客户关系管理,夯实网络终端基础;有利于加快网络标准化、信息化的进程,有效、准确、快速地响应市场需求,不断提高服务水平,增强卷烟销售网络的竞争实力。
实施零售客户分类,要坚持烟草专卖专营、优质服务的指导思想,按照统一、科学、实用的原则,搜集客户信息资源,选择关键维度,适当地划分客户群体。
二、零售客户基础信息客户基础信息是从不同层面、多视角反映客户状况的数据集合,是判断客户分类的依据。
主要来源于客户入网注册、公司服务人员搜集、客户分析和评价、客户交易记录等环节。
客户基础信息通过客户经理在《客户档案》中实施更新和维护,并由营销部检查信息维护的及时性、客观性和准确性。
《客户档案》中的信息要经过计算机信息系统数字化处理之后建立并提供使用。
表1所列客户信息为要求全国统一建立的基础信息。
各省、地市级烟草公司在执行此标准基础上,可以根据本地客户服务和市场管理的需要,适当增加客户信息的项目或指标,新增的项目或指标不得与全国统一执行的标准重复、冲突。
表1 客户基础信息表指标项 数据项1) 识别信息 01-01)店铺名称(文本)01-02)许可证号______01-03)经营者姓名(文本)01-04)客户编码______01-05)订货电话______2) 基本信息 02-01)客户零售业态■ 食杂店 ■ 便利类 ■ 超市 ■ 商场 ■ 烟酒店 ■ 娱乐娱乐类 ■ 其他02-02)市场类型■ 城市 ■ 农村02-03)商圈类型■ 商业(集贸)区 ■ 工业区 ■ 学区 ■ 政务(商务)区 ■ 居民区(村) ■ 娱乐(旅游)区 ■ 旅客中转区 ■ 其他02-04)是否连锁■ 连锁 ■ 非连锁02-05)连锁方式■ 总店 ■ 分店02-06)是否夜店■ 夜店 ■ 非夜店02-07)营业时间■ 12小时以下 ■ 12-16小时 ■ 16小时以上02-08)信息终端■P C■P O S■电话■无02-09)门头标识■连锁形象标识■单店形象标识■无标识3) 经营水平 03-01)经营规模■ 大 ■ 中 ■ 小03-02)进货数量______条03-03)进货金额______元03-04)进货均价______元/条03-05)经营品种数______个4) 业务模式04-01) 订货方式■电话 ■网上配货■家家e ■网络订货■手机短信■其他04-02) 订货频次■1周2次■1周1次■10天1次■其他04-03)送货时间■次日送货■隔日送货■其他04-04)送货方式■直送■委托代送■定点取货■其他04-05) 结算方式■传统结算方式■电子结算方式5) 守法情况05-01) 守法情况 ■合法■非法违规说明:1、“客户编码”指计算机软件为客户分配的系统编码。
1 目的确保产品在领发、验收、请购、盘点、跟催、储存等运作中的准确性,规范产品编码管理。
2 适用范围适用于公司所有产品的编码。
3 定义产品编码表示:以字母、文字、符号、数字等组合起来代替产品品名、规格、类别及其它相关事项的一种管理工具。
4 职责无5 工作内容产品编码的原则5.1.1 产品编码必须合乎编码的原则,合理的产品编码须具备下列基本原则:A 简单性B 完整性C 单一性D 一惯性E 可伸缩性F 组织性J 适应电脑管理H 易记性I 充足性公司通用编码原则5.2.1 本公司内部通用编码规定采用阿拉伯数字法来对所有物料及产品进行编码,每个产品及材料都对应且只有一个编码。
公司的所有编码定数定为13位,全部以阿拉伯数字组成,整个编码的方式为:一级分类码(2位))5.2.2 一级分类码用2位阿拉伯数字表示,具体如下:5.2.3 二级分类码本公司所有物料的二级分类码均由两位阿拉伯数字以流水号的方式进行描述,如:01、02、03……具体如下:D特性描述码5.3.1 本公司的特性描述码由第5、6、7、8、9、10、11、12位(共8位)数字组成,对物料(或产品)的特性进行描述。
5.3.2 成品类产品的特性描述:本公司所指的成品主要是指直接向客户交付的产成品,如:电池、充电器、机壳、镜片、按键等,特性描述码主要由客户编码和流水号组成。
5.3.3 原材料的特性描述:本公司所指的原材料是指未直接用来生产组装的原物料(含供应商采购的原物料),如:电芯、电子类、塑胶件、五金类、胶纸材料类等,具体说明如下:5.3.5 原材料的特性描述(续):5.3.6 原材料的特性描述(续)5.3.7 原材料的特性描述(续):5.3.8 后缀识别码本公司所有产品(包括物料和产成品)的后缀识别码均由最后一位阿拉伯数字组成。
以流水号的方式进行编码,具体说明如下:67 生成记录(表单)无8 附录附录1:《客户编码一览表》附录2:《电芯供应商代码附录3:《电子类属性代码》附录4:《五金类属性代码》附录5:《包材类属性代码》附录6:《镜片类属性代码》附录7:《塑胶原料产地、品牌属性代码》附录8:《辅助材料类属性代码》附录9:《化工油漆类属性代码》附录10:《塑胶件素材颜色属性代码》附录11:《塑胶件部件名称代码》附录12:《塑胶件喷油颜色属性代码》附录1:客户编码一览表附录附录4:五金类属性代码附录5:包材类属性代码。
一、数据维护1、数据维护所用的表(1)、基本数据表UFSYSTEM表建立帐套UA_AccOUNT表操作员UA_USER 表操作员权限UA HOLDAUTH表会计日历UA_PERIOD表UFDATA.MDB编码方案GRADEDEF表AccINFORMA TION表数据据精度AccINFORMA TION表(包括各模块的选项)部门档案DEPARTMENT职员档案PERSON客户分类cUSTOMERcLASS客户档案cUSTOMER供应商分类VEMDORcLASS供应商档案VENDOR地区分类DISTRIcTcLASS存货分类INVENTORYcLASS存货档案INVENTORY科目表cODE凭证类别DSIGN(S)项目大类FITEM***外币设置汇率表EXcH币种表FOREIGNcURRENcY结处方式SETTLSSTYLE付款条件PAYcONDITION开户银行BANK仓库档案W AREHOUSE收发记录PR_STYLE采购类型PURcHASETYPE销售类型SULETYPE产品结构PRODNcTSTRUcTURE(S)成套件AccESSARIES费用项目EXPENSITEM成本对象cOSTOBJ发运方式SHIPPINGcHOIcE常用摘要GL_BDIGEST常用凭证GL_LFREA自定义项自定义项定义表USERDEF自定义项编码表USERDEFINE采购计划采购计划所用的数据表:采购周期(PP_Penod)存货档案(Inventory)产品结构Productstructure(s)生产计划(PP_MPSmain、PP_MPSdetail)相关需求(PP_RMRPmain、PP_RMRPdetail)独立需求(PP_IMRPmain、PP_IMRPdetail)。
计划周期(PP_Period)采购计划(PP_PPcmain、PP_PPcdetail)业务处理:采购周期(PP_Penod)、存货档案(Inventory)、产品结构(Productstructure(s))录入数据进行相对应的表中。
中国卷烟销售公司文件中烟销网[2008]52号关于进一步规范卷烟零售客户分类工作的通知各省级公司卷烟销售管理处(公司、部):根据《国务院关于统计上划分城乡规定的批复》(国函[2008]60号)文件精神,结合行业卷烟营销和网络建设工作需要,决定对中烟销网[2006]12号文件规定的卷烟零售客户分类标准进行修改和调整。
现将有关事项通知如下:一、卷烟零售客户分类方法1.基础信息主要包括识别信息、基本信息、经营水平、业务模式、守法情况等五个方面。
各级烟草公司在执行此标准时,可结合本地实际,适当增加指标项或数据项,新增的项目不得与本文件冲突。
表1 客户基础信息表指标项数据项1) 识别信息01-01)店铺名称(文本)01-02)许可证号______01-03)所有者姓名(文本)01-04)经营者姓名______01-05)客户编码______01-06)订货电话______2) 基本信息02-01)客户零售业态■食杂店■便利店■超市■商场■烟酒商店■娱乐服务类■其他02-02)市场类型■城镇■乡村02-03)商圈类型■商业(集贸)区■工业区■学区■政务(商务)区■居民区■娱乐(旅游)区■旅客中转区■其他02-04)是否连锁■连锁■非连锁02-05)连锁方式■总店■分店02-06)是否夜店■夜店■非夜店02-07)营业时间■ 12小时以下■ 12-16小时■ 16小时以上02-08)信息终端■P C■P O S■电话■无02-09)门头标识■连锁形象标识■单店形象标识■无标识3)经营水平03-01)经营规模■大■中■小03-02)进货数量______条03-03)进货金额______元03-04)进货均价______元/条03-05)经营品种数______个4)业务模式04-01)订货方式■电话订货■网上订货■终端机订货■其他04-02)订货频次■1周2次■1周1次■2周1次■其他04-03)送货时间■次日送货■隔日送货■其他04-04)送货方式■直送■委托代送■定点取货■其他04-05)结算方式■传统结算方式■电子结算方式5)守法情况05-01)守法情况■守法■非法违规说明:1.“客户编码”指计算机软件为客户分配的系统编码。
店铺及客户编码规则
1、所有编码由市场部统一编码,行政部审核通过。
2、编码由六位数组成,分别表示:
□□□□□□
属性大区城市序号
3、第一位属性代码表示销售终端的属性,目前共有6大属性。
1表示公司直营
2表示公司签约的加盟客户
3表示个人签约的加盟客户
4表示会员客户
6表示特卖
7 表示员购
8表示券购
9表示展厅
4、第二位大区代码表示终端所在的经营大区。
华东区1华北区2华南区3华中区4
东北区5西南区6西北区7
5、第三、四位办事处或客户所在城市代码表示终端所在大区的办事处或客户所在城市。
直营店
铺及会员客户的城市代码同办事处城市代码。
00 表示大区分公司;
99 表示直辖市;
88 表示同一大区第二个直辖市;
09 表示重点城市深圳、大连、青岛;
01-08 表示该大区的省会城市;
10-98 表示该大区的其它城市(县级市以上)(88除外)。
6、第五、六位序号代码表示该城市的店铺序号或会员客户。
00 表示大区分公司,或表示该城市的办事处,或客户编号;
99 表示代开票客户;
01-98 表示该城市的店铺,包括客户的店铺或会员客户自然排序号(会员客户无店铺编号);
双数表示专卖店;
单数表示商场专柜。
7、000000 表示虚拟网店
8、店铺命名规则:
公司合约名称+店铺路段+品牌
例:上海长江实业公司殷高路店
9、编码一览表
10、举例说明
上海有限公司。
精心整理1目的确保产品在领发、验收、请购、盘点、跟催、储存等运作中的准确性,规范产品编码管理。
2适用范围适用于公司所有产品的编码。
3定义产品编码表示:以字母、文字、符号、数字等组合起来代替产品品名、规格、类别及其它相关事项的一种管理工具。
4职责无5工作内容5.1产品编码的原则5.1.1 产品编码必须合乎编码的原则,合理的产品编码须具备下列基本原则:A简单性B完整性C单一性D一惯性E可伸缩性F组织性J适应电脑管理H易记性I充足性5.2公司通用编码原则5.2.1本公司内部通用编码规定采用阿拉伯数字法来对所有物料及产品进行编码,每个产品及材料都对应且只有一个编码。
公司的所有编码定数定为13位,全部以阿拉伯数字组成,整个编码的方式为:一级分类码(2位)+二级分类码(2位)+特性描述码(8位)+后缀识别码(1位)1 2 3 4 5 6 7 8 910 111213一级分类码二级分类码特性描述码后缀识别码5.2.2一级分类码用2位阿拉伯数字表示,具体如下:5.2.3二级分类码本公司所有物料的二级分类码均由两位阿拉伯数字以流水号的方式进行描述,如:01、02、03……具体如下: 一级类别 二级类别综合编号 一级代码 类别 二级代码 类别 10 电池 10 手机电池 1010 ………………...... ...... (30)电芯01铝壳 1201* 02 聚合物 1202* ...... ...... (32)电子类01 集成块IC 1301* 02电感 1302* 03 LED 1303* 04 稳压管 1304* 05二、三极管1305*一级分类 代码 一级分类 代码电池 10 半成品 20 电芯 30 组件 31 电子类 32 塑胶件 33 五金件 34 包装材料 35 塑胶料 36 化工 37 辅助材料 3806 电阻1307*07 线路板1308*08 保险丝1309*09 电容1310*10 连接线1311*………………一级类别二级类别综合编号一级代码类别二级代码类别33 塑胶件01 电池框1401*02 前盖1402*03 底盖1403*04 支架1404*05 配件1405* ………………34 五金件01 弹簧1501*02 碰片1502*03 接触片1503*04 螺母1504*05 弹线1505*06 螺丝1506*07 钢片1507*08 弹针1508*09 极片1509*10 母座1510* ………………35 包装材料01 商标1601*02 海绵1602*03 说明书类1603*04 礼盒类1604*05 侧板1605*06 胶盒1606*07 胶袋1607*08 纸箱1608*09 纸板1609*10 刀卡1610*11 围卡1611*12 发泡胶1612*13 中芯1613*14 纸箱(卷状)1614*(接下页 )一级类别二级类别综合编号一级代码类别二级代码类别16 包装材料15 合格证1615*16 胶垫1616*17 吸塑1617*18 平卡1618*19 纸箱(短册)1619*20 绒布1620* ………………36 塑胶原料01 PC 1701*02 PPO 1702*03 PPS 1703*04 POM 1704*05 PMMA 1705*06 ABS 1706*07 PBT 1707*(接下页 )一级类别二级类别综合编号一级代码类别二级代码类别37 化工油漆类01 水性油墨1801*02 油性油墨1802*03 底漆1803*04 面漆1804*05 溶剂1805*06 UV漆1806* ………………38 胶纸材料01 单面绝缘纸1901*02 双面绝缘纸1902*03普通双面绝缘纸1903*04 皱皮胶纸1904*05 PET贴纸1905*06 电池保护膜1906*07 透明胶纸1907*08 防水胶纸1908*09 高温胶190920 组件01 包装料组件2001*02 PCB组件2002* ………………D5.3特性描述码5.3.1本公司的特性描述码由第5、6、7、8、9、10、11、12位(共8位)数字组成,对物料(或产品)的特性进行描述。
•E100 Curcumin•E101 (i) Riboflavin (ii) Riboflavin-5'-phosphate•E102 Tartrazine•E104 Quinoline Yellow•E110 Sunset Yellow FCF, Orange Yellow S•E120 Cochineal, Carminic acid, Carmines•E122 Azorubine, Carmoisine•E123 Amaranth•E124 Ponceau 4R, Cochineal Red A•E127 Erythrosine•E128 Red 2G•E129 Allura Red AC•E131 Patent Blue V•E132 Indigotine, Indigo carmine•E133 Brilliant Blue FCF•E140 Chlorophylis and Chlorophyllins: (i) Chlorophylls (ii) Chlorophyllins•E141 Copper complexes of chlorophylls and chlorophyllins (i) Copper complexes of chlorophylls (ii) Copper complexes of chlorophyllins •E142 Greens S•E150a Plain caramel•E150b Caustic sulphite caramel•E150c Ammonia caramel•E150d Sulphite ammonia caramel•E151 Brilliant Black BN, Black PN•E153 Vegetable carbon•E154 Brown FK•E155 Brown HT•E160a Carotenes: (i) Mixed carotenes (ii) Beta-carotene•E160b Annatto, bixin, norbixin•E160c Paprika extract, capsanthin, capsorubin•E160d Lycopene•E160e Beta-apo-8'-carotenal (C 30)•E160f Ethyl ester of beta-apo-8'-carotenic acid (C 30)•E161b Lutein•E161g Canthaxanthin•E162 Beetroot Red, betanin•E163 Anthocyanins•E170 Calcium carbonates•E171 Titanium dioxide•E172 Iron oxides and hydroxides•E173 Aluminium•E174 Silver•E175 Gold•E180 Latolrubine BK•E200 Sorbic acid•E202 Potassium sorbate•E203 Calcium sorbate•E210 Benzoic acid•E211 Sodium benzoate•E212 Potassium benzoate•E213 Calcium benzoate•E214 Ethyl p-hydroxybenzoate•E215 Sodium ethyl p-hydroxybenzoate•E216 Propyl p-hydroxybenzoate•E217 Sodium propyl p-hydroxybenzoate•E218 Methyl p-hydroxybenzoate•E219 Sodium methyl p-hydroxybenzoate•E220 Sulphur dioxide•E221 Sodium sulphite•E222 Sodium hydrogen sulphite•E223 Sodium metabisulphite•E224 Potassium metabisulphite•E226 Calcium sulphite•E227 Calcium hydrogen sulphite•E228 Potassium hydrogen sulphite•E230 Biphenyl, diphenyl•E231 Orthophenyl phenol•E232 Sodium orthophenyl phenol•[E233 Thiabendazole] - Item deleted by Directive 98/72/EC•E234 Nisin•E235 Natamycin•E239 Hexamethylene tetramine•E242 Dimethyl dicarbonate•E249 Potassium nitrite•E250 Sodium nitrite•E251 Sodium nitrate•E252 Potassium nitrate•E260 Acetic acid•E261 Potassium acetate•E262 Sodium acetates (i) Sodium acetate (ii) Sodium hydrogen acetate (sodium diacetate)•E263 Calcium acetate•E270 Lactic acid•E280 Propionic acid•E281 Sodium propionate•E282 Calcium propionate•E283 Potassium propionate•E284 Boric acid•E285 Sodium tetraborate (borax)•E290 Carbon dioxide•E296 Malic acid•E297 Fumaric acid•E300 Ascorbic acid•E301 Sodium ascorbate•E302 Calcium ascorbate•E304 Fatty acid esters of ascorbic acid (i) Ascorbyl palmitate (ii) Ascorbyl stearate•E306 Tocopherol-rich extract•E307 Alpha-tocopherol•E308 Gamma-tocopherol•E309 Delta-tocopherol•E310 Propyl gallate•E311 Octyl gallate•E312 Dodecyl gallate•E315 Erythorbic acid•E316 Sodium erythorbate•E320 Butylated hydroxyanisole (BHA)•E321 Butylated hydroxytoluene (BHT)•E322 Lecithins•E325 Sodium lactate•E326 Potassium lactate•E327 Calcium lactate•E330 Citric acid•E331 Sodium citrates (i) Monosodium citrate (ii) Disodium citrate (iii) Trisodium citrate•E332 Potassium citrates (i) Monopotassium citrate (ii) Tripotassium citrate•E333 Calcium citrates (i) Monocalcium citrate (ii) Dicalcium citrate (iii) Tricalcium citrate•E334 Tartaric acid (L(+)-)•E335 Sodium tartrates (i) Monosodium tartrate (ii) Disodium tartrate•E336 Potassium tartrates (i) Monopotassium tartrate (ii) Dipotassium tartrate•E337 Sodium potassium tartrate•E338 Phosphoric acid•E339 Sodium phosphates (i) Monosodium phosphate (ii) Disodium phosphate (iii) Trisodium phosphate•E340 Potassium phosphates (i) Monopotassium phosphate (ii) Dipotassium phosphate (iii) Tripotassium phosphate•E341 Calcium phosphates (i) Monocalcium phosphate (ii) Dicalcium phosphate (iii) Tricalcium phosphate•E343 Magnesium phosphates (i) monomagnesium phosphate (ii) Dimagnesium phosphate [Under discussion and may be included in a future amendment to the Directive on miscellaneous additives]•E350 Sodium malates (i) Sodium malate (ii) Sodium hydrogen malate •E351 Potassium malate•E352 Calcium malates (i) Calcium malate (ii) Calcium hydrogen malate•E353 Metatartaric acid•E354 Calcium tartrate•E355 Adipic acid•E356 Sodium adipate•E357 Potassium adipate•E363 Succinic acid•E380 Triammonium citrate•E385 Calcium disodium ethylene diamine tetra-acetate (Calcium disodium EDTA)•E400 Alginic acid•E401 Sodium alginate•E402 Potassium alginate•E403 Ammonium alginate•E404 Calcium alginate•E405 Propan-1,2-diol alginate•E406 Agar•E407 Carrageenan•E407a Processed eucheuma seaweed [Added in December 1996 by Directive 96/83/EC]•E410 Locust bean gum•E412 Guar gum•E413 Tragacanth•E414 Acacia gum (gum arabic)•E415 Xanthan gum•E416 Karaya gum•E417 Tara gum•E418 Gellan gum•E420 Sorbitol (i) Sorbitol (ii) Sorbitol syrup•E421 Mannitol•E422 Glycerol•E425 Konjac (i) Konjac gum (ii) Konjac glucomannane[Added in October 1998 by Directive 98/72/EC]•E426 Soybean hemicellulose [Listed in proposed amendment in COM(2004)650 published October 2004]•E431 Polyoxyethylene (40) stearate•E432 Polyoxyethylene sorbitan monolaurate (polysorbate 20)•E433 Polyoxyethylene sorbitan monooleate (polysorbate 80)•E434 Polyoxyethylene sorbitan monopalmitate (polysorbate 40) •E435 Polyoxyethylene sorbitan monostearate (polysorbate 60) •E436 Polyoxyethylene sorbitan tristearate (polysorbate 65)•E440 Pectins (i) pectin (ii) amidated pectin•E442 Ammonium phosphatides•E444 Sucrose acetate isobutyrate•E445 Glycerol esters of wood rosins•E450 Diphosphates: (i) Disodium diphosphate (Disodium dihydrogen diphosphate, Disodium dihydrogen pyrophosphate, Sodium acidpyrophosphate, Disodium pyrophosphate); (ii) Trisodiumdiphosphate (Acid trisodium pyrophosphate, Trisodium monohydrogen diphosphate); (iii) Tetrasodium diphosphate (Tetrasodiumpyrophosphate, Sodium pyrophosphate); (iv) Dipotassiumdiphosphate (v) Tetrapotassium diphosphate (Potassiumpyrophosphate, Tetrapotassium pyrophosphate); (vi) Dicalcium diphosphate (Calcium pyrophosphate); (vii) Calcium dihydrogen diphosphate (Acid calcium pyrophosphate, Monocalcium dihydrogen pyrophosphate)•E451 Triphosphates: (i) Pentasodium triphosphate (pentasodium tripolyphosphate, sodium tripolyphosphate); (ii) Pentapotassium triphosphate (Pentapotassium tripolyphosphate, Potassiumtriphosphate, Potassium tripolyphosphate)•E452 Polyphosphates: (i) Sodium polyphosphates (Sodium hexametaphosphate, Sodium tetrapolyphosphate, Graham's salt, Sodium polyphosphates, glassy, Sodium polymetaphosphate, Sodium metaphosphate, Insoluble sodium metaphosphate, Maddrell's salt, Insoluble sodium polyphosphate, IMP); (ii) Potassiumpolyphosphates (Potassium metaphosphate, Potassiumpolymetaphosphate, Kurrol salt); (iii) Sodium calciumpolyphosphate (Sodium calcium polyphosphate, glassy); (iv) Calcium polyphophates (Calcium metaphosphate, Calcium polymetaphosphate)•E459 Beta-cyclodextrine [Added in October 1998 by Directive 98/72/EC]•E460 Cellulose (i) Microcrystalline cellulose (ii) Powdered cellulose•E461 Methyl cellulose•E462 Ethyl cellulose [Listed in proposed amendment in COM(2004)650 published October 2004]•E463 Hydroxypropyl cellulose•E464 Hydroxypropyl methyl cellulose•E465 Ethyl methyl cellulose•E466 Carboxy methyl cellulose, Sodium carboxy methyl cellulose•E467 Ethyl hydroxyethyl cellulose [Number had been allocated in a proposed amendment to Directive 95/2 circulated in August 1999. However, it was not accepted and further evaluation was requested]•E468 Crosslinked sodium carboxymethyl cellulose [Added in October 1998 by Directive 98/72/EC]•E469 Enzymically hydrolysed carboxy methyl cellulose[Added in October 1998 by Directive 98/72/EC]•E470a Sodium, potassium and calcium salts of fatty acids•E470b Magnesium salts of fatty acids•E471 Mono- and diglycerides of fatty acids•E472a Acetic acid esters of mono- and diglycerides of fatty acids •E472b Lactic acid esters of mono- and diglycerides of fatty acids •E472c Citric acid esters of mono- and diglycerides of fatty acids •E472d Tartaric acid esters of mono- and diglycerides of fatty acids •E472e Mono- and diacetyl tartaric acid esters of mono- and diglycerides of fatty acids•E472f Mixed acetic and tartaric acid esters of mono- and diglycerides of fatty acids•E473 Sucrose esters of fatty acids•E474 Sucroglycerides•E475 Polyglycerol esters of fatty acids•E476 Polyglycerol polyricinoleate•E477 Propane-1,2-diol esters of fatty acids•E479b Thermally oxidized soya bean oil interacted with mono- and diglycerides of fatty acids•E481 Sodium stearoyl-2-lactylate•E482 Calcium stearoyl-2-lactylate•E483 Stearyl tartrate•E491 Sorbitan monostearate•E492 Sorbitan tristearate•E493 Sorbitan monolaurate•E494 Sorbitan monooleate•E495 Sorbitan monopalmitate•E500 Sodium carbonates (i) Sodium carbonate (ii) Sodium hydrogen carbonate (iii) Sodium sesquicarbonate•E501 Potassium carbonates (i) Potassium carbonate (ii) Potassium hydrogen carbonate•E503 Ammonium carbonates (i) Ammonium carbonate (ii) Ammonium hydrogen carbonate•E504 Magnesium carbonates (i) Magnesium carbonate (ii) Magnesium hydroxide carbonate (syn. Magnesium hydrogen carbonate)•E507 Hydrochloric acid•E508 Potassium chloride•E509 Calcium chloride•E511 Magnesium chloride•E512 Stannous chloride•E513 Sulphuric acid•E514 Sodium sulphates (i) Sodium sulphate (ii) Sodium hydrogen sulphate•E515 Potassium sulphates (i) Potassium sulphate (ii) Potassium hydrogen sulphate•E516 Calcium sulphate•E517 Ammonium sulphate•E520 Aluminium sulphate•E521 Aluminium sodium sulphate•E522 Aluminium potassium sulphate•E523 Aluminium ammonium sulphate•E524 Sodium hydroxide•E525 Potassium hydroxide•E526 Calcium hydroxide•E527 Ammonium hydroxide•E528 Magnesium hydroxide•E529 Calcium oxide•E530 Magnesium oxide•E535 Sodium ferrocyanide•E536 Potassium ferrocyanide•E538 Calcium ferrocyanide•E541 Sodium aluminium phosphate, acidic•E551 Silicon dioxide•E552 Calcium silicate•E553a (i) Magnesium silicate (ii) Magnesium trisilicate•E553b Talc•E554 Sodium aluminium silicate•E555 Potassium aluminium silicate•E556 Calcium aluminium silicate•E558 Bentonite•E559 Aluminium silicate (Kaolin)•E570 Fatty acids•E574 Gluconic acid•E575 Glucono-delta-lactone•E576 Sodium gluconate•E577 Potassium gluconate•E578 Calcium gluconate•E579 Ferrous gluconate•E585 Ferrous lactate•E586 4-hexylresorcinol [Listed in proposed amendment in COM(2004)650 published October 2004]•E620 Glutamic acid•E621 Monosodium glutamate•E622 Monopotassium glutamate•E623 Calcium diglutamate•E624 Monoammonium glutamate•E625 Magnesium diglutamate•E626 Guanylic acid•E627 Disodium guanylate•E628 Dipotassium guanylate•E629 Calcium guanylate•E630 Inosinic acid•E631 Disodium inosinate•E632 Dipotassium inosinate•E633 Calcium inosinate•E634 Calcium 5'-ribonucleotides•E635 Disodium 5'-ribonucleotides•E640 Glycine and its sodium salt•E650 Zinc acetate[Added in February 2001 by Directive 2001/5/EC]•E900 Dimethyl polysiloxane•E901 Beeswax, white and yellow•E902 Candelillla wax•E903 Carnauba wax•E904 Shellac•E905 Microcrystalline wax [Added in October 1998 by Directive 98/72/EC]•E907 Hydrogenated poly-1-decene [Added in December 2003 by Directive 2003/114/EC]•E912 Montanic acid esters•E914 Oxidized polyethylene wax•E920 L-Cysteine [Added in October 1998 by Directive 98/72/EC]•E927b Carbamide•E938 Argon•E939 Helium•E941 Nitrogen•E942 Nitrous oxide•E943a Butane[Added in February 2001 by Directive 2001/5/EC]•E943b Isobutane [Added in February 2001 by Directive 2001/5/EC]•E944 Propane [Added in February 2001 by Directive 2001/5/EC]•E948 Oxygen•E949 Hydrogen [Added in February 2001 by Directive 2001/5/EC]•E950 Acesulfame K•E951 Aspartame•E952 Cyclamic acid and its Na and Ca salts•E953 Isomalt•E954 Saccharin and its Na, K and Ca salts•E955 Sucralose [Added in December 2003 by Directive 2003/115]•E957 Thaumatin•E959 NeohesperidineDC•E962 Salt of aspartame - acesulfame [Added in December 2003 by Directive 2003/115]•E965 Maltitol (i) Maltitol (ii) Maltitol syrup•E966 Lactitol•E967 Xylitol•E968 Erythritol [Listed in proposed amendment in COM(2004)650 published October 2004]•E999 Quilllaia extract•E1103 Invertase [Added in October 1998 by Directive 98/72/EC]•E1105 Lysozyme•E1200 Polydextrose•E1201 Polyvinylpyrrolidone•E1202 Polyvinylpolypyrrolidone•E1404 Oxidized starch•E1410 Monostarch phosphate•E1412 Distarch phosphate•E1413 Phosphated distarch phosphate•E1414 Acetylated distarch phosphate•E1420 Acetylated starch•E1422 Acetylated distarch adipate•E1440 Hydroxy propyl starch•E1442 Hydroxy propyl distarch phosphate•E1451 Acetylated oxidised starch[Added in October 1998 by Directive 98/72/EC]•E1450 Starch sodium octenyl succinate•E1505 Triethyl citrate•E1517 Glyceryl diacetate (diacetin)•E1518 Glyceryl triacetate (triacetin)•E1519 Benzyl alcohol•E1520 Propan-1,2-diol (propylene glycol)[Added in February 2001 by Directive 2001/5/EC]。
客户关系管理1客户管理客户管理主要是对客户的资料进行查询、修改及更换。
说明:1、在【新增客户资料】中新增客户资料。
2、在【新增入伙登记】主要是针对客户入伙和代缴的设置。
3、在【新增客户迁入】中确认房间,客户之间的关系及处理之前客户的欠费和预收的问题。
4、在【新增客户迁出】中取消房间,租户(或住户)之间的关系,迁出之后系统默认收费的对象为之前的业主。
5、在【客户资料一览表】里面对客户的资料进行查询、修改。
1.1操作流程1.1.1新增客户资料在系统主界面点击【客户关系管理】->【客户管理】->【新增客户资料】,如图:注:代“*”是必录项客户资料填写客户编号、客户名、客户类别、手机号等个人信息。
客户编号在同一个管理处下是不允许重复的,一般与房间代码保持一致。
如果新增客户资料保存时提示:“当前组织机构下已经存在代码为###的记录,保存失败。
”这种情况下我们可以在新增的客户编号后面加“-1”即可保存。
客户帐号如果客户提供银行帐号,在新增客户资料的客户帐号下面填写开户名称、开户银行、银行帐号、是否主帐号。
一个客户可以有多个银行帐号,但是只能有一个主帐号,银行扣款时是默认主帐号。
客户家庭成员填写与客户关系、名称、手机、性别等客户家庭成员资料。
客户基础资料在系统主界面点击【客户关系管理】->【客户管理】->【客户基础资料】,如图:1.新增客户成员主要是新增与客户有关系的家庭成员资料。
2.客户资料一览表客户资料一览表可以查看,新增,修改,删除客户资料,同时也可以进行缴款,新增预收单,预收核销,退款,发短信。
(客户资料一览表将作为功能点在后面的章节详细讲解)。
3.客户成员信息一览表客户成员信息一览表可以查看,新增,修改,删除客户成员资料。
4.客户更名单一览表客户更名单一览表可以查看,新增,修改,删除客户更名的记录。
新增更名记录审核之后会自动修改客户的名称。
主要是针对有些物业公司规定不能在客户资料一览表里面直接修改客户名的情况而设定的。
1.目的本办法的主要目的是对工装夹具的标识作出规定,以便检索、控制和可追溯;同时也有利于工装的存放以及查找。
2.试用范围适用于所用工装夹具/检具/辅具/专用模的统一编号。
.3.职责3.1工装夹具刀具图纸编制人员按此编码规则进行工装夹具刀具的编码。
3.2工装夹具刀具制造人员需了解此编码规则,并按此规则进行工装夹具刀具的标牌制作。
3.3工装夹具刀具的管理人员负责管理维护工装夹具刀具的编码。
4.工艺装备编号的构成:由1 客户(公司)代码+2 产品名称缩写+3 类代码+4 组代码+5 流水号(制件顺序数)五部分组成。
如:CK -TDXT -J4-01CK TDXT J 4 01流水号(制件顺序数)组代码类代码产品名称缩写(大写首字母)客户(公司)代码(大写首字母)注:第二部分【产品名称缩写】不能完全区分的,就用产【品名称缩写加图号组】成第二部分类代号用字母表示,参考表1 所示;组代号用数字,表示参考表2 所示例如:① CK—TDXT—J4—01表示:TD 箱体在铣床上第一道工序的夹具②WL—2094947—D2—02表示:用于加工威乐2094947(电机端盖),本公司自行设计的第二把铣刀③DH—C9TJ—C0—01表示:大华C9 托架切边模第一幅工装表1 工艺装备类的划分及代号类说明字母代号名称R 热加工用工装铸造、热压力加工、热处理、焊接、粉末冶金、非金属热加工用的工装C 冷压加工用工装板料冲压、冷镦、冷挤、拉丝等冷压加工用的工装D 刀具(用于切削加工)金属切削机床用刀具,包括光整加工用工具和电加工用工具F 辅具用于连接机床和刀具的各种工具5. 相关记录6、修改记录。
1目的确保产品在领发、验收、请购、盘点、跟催、储存等运作中的准确性,规范产品编码管理。
2适用范围适用于公司所有产品的编码。
3定义产品编码表示:以字母、文字、符号、数字等组合起来代替产品品名、规格、类别及其它相关事项的一种管理工具。
4职责无5工作内容5.1产品编码的原则5.1.1 产品编码必须合乎编码的原则,合理的产品编码须具备下列基本原则:A简单性B完整性C单一性D一惯性E可伸缩性F组织性J适应电脑管理H易记性I充足性5.2公司通用编码原则5.2.1本公司内部通用编码规定采用阿拉伯数字法来对所有物料及产品进行编码,每个产品及材料都对应且只有一个编码。
公司的所有编码定数定为13位,全部以阿拉伯数字组成,整个编码的方式为:一级分类码(2位)+二级分类码(2位)+特性描述码(8位)+后缀识别码(1位)1 2 3 4 5 6 7 8 9 10 11 12 13一级分类码二级分类码特性描述码后缀识别码5.2.2一级分类码用2位阿拉伯数字表示,具体如下:一级分类代码一级分类代码电池10半成品20电芯30组件31电子类32塑胶件33五金件34包装材料35塑胶料36化工37辅助材料385.2.3二级分类码本公司所有物料的二级分类码均由两位阿拉伯数字以流水号的方式进行描述,如:01、02、03……具体如下:一级类别二级类别综合编号 一级代码 类别二级代码 类别 10 电池10 手机电池 1010 ………………...... ...... (30)电芯01铝壳 1201* 02 聚合物 1202* ...... ...... (32)电子类01 集成块IC 1301* 02 电感 1302* 03 LED 1303* 04 稳压管 1304* 05二、三极管 1305* 06 电阻 1307* 07 线路板 1308* 08 保险丝 1309* 09 电容 1310* 10 连接线 1311* ……………… 一级类别二级类别综合编号 一级代码类别二级代码类别 33塑胶件01 电池框 1401* 02前盖 1402* 03 底盖 1403* 04 支架 1404* 05 配件 1405* ...... ...... (34)五金件01 弹簧 1501* 02 碰片 1502* 03 接触片 1503* 04螺母 1504* 05 弹线 1505* 06 螺丝 1506* 07 钢片 1507* 08 弹针 1508* 09极片1509*10 母座1510* ………………35 包装材料01 商标1601*02 海绵1602*03 说明书类1603*04 礼盒类1604*05 侧板1605*06 胶盒1606*07 胶袋1607*08 纸箱1608*09 纸板1609*10 刀卡1610*11 围卡1611*12 发泡胶1612*13 中芯1613*14 纸箱(卷状)1614* (接下页 )一级类别二级类别综合编号一级代码类别二级代码类别16 包装材料15 合格证1615*16 胶垫1616*17 吸塑1617*18 平卡1618*19 纸箱(短册)1619*20 绒布1620* ………………36 塑胶原料01 PC 1701*02 PPO 1702*03 PPS 1703*04 POM 1704*05 PMMA 1705*06 ABS 1706*07 PBT 1707*(接下页 )一级类别二级类别综合编号一级代码类别二级代码类别37 化工油漆类01 水性油墨1801*02 油性油墨1802*03 底漆1803*04 面漆1804*05 溶剂1805*06 UV漆1806* ………………38 胶纸材料01 单面绝缘纸1901*02 双面绝缘纸1902*03 普通双面绝缘纸1903*04 皱皮胶纸1904*05 PET贴纸1905*06 电池保护膜1906*07 透明胶纸1907*08 防水胶纸1908*09 高温胶190920 组件01 包装料组件2001*02 PCB组件2002* ………………D5.3特性描述码5.3.1本公司的特性描述码由第5、6、7、8、9、10、11、12位(共8位)数字组成,对物料(或产品)的特性进行描述。
信息联系处理单药品质量档案表文件修订申请表文件销毁审批记录质量事故报告处理记录质量分析记录药品拒收报告单质量管理制度执行情况检查考核记录表编号:QR—010问题改进和措施跟踪记录编号:QR 011说明:本表一式三份,由实施部门实施后反馈到下达改进任务部门和分管领导各一份,自留一份。
内部质量管理体系审核报告(可另附纸叙述)不符合报告GSP自查评审表职工登记表编号:QR—020编号:QR—021 填表日期:健康档案登记表编号:QR—023强制检定计量器具检定记录卡编号:QR—026 制卡日期年月日制卡人:供货方一览表合格供货方档案首营企业审批表首营品种审批表编号:QR—030电话订货记录(代合同)编号:QR—033 年月日照,质量标准,生产批文。
所供药品包装、标签、说明书符合有关规定,药品应附产品合格证,包装符合运输要求,如遇有假药、劣药供方承担一切法律责任。
药品拆零登记表编号:QR—039购进退出通知单经办人:药品停售通知单编号:QR—043年第号通用名称规格剂型产品批号有效期生产日期生产企业经手人复核人其它停售原因签名:年月日药品解除停售通知单编号:QR—044年第号如下药品质量复查结果合格,撤消年第号“药品停售通知单”,请恢复正常出库及销售使用,特此告知。
通用名称规格剂型产品批号有效期生产日期生产企业经手人复核人其它签名:年月日不合格药品报损审批表编号:QR—046 报告时间:年月日说明:本表应附拟报损品种清单不合格药品销毁记录注:本表应附销毁品种清单。
记录人:药品质量复查报告单销后退回通知单经办人:药品养护档案表编号:QR—055 建档日期:中药饮片质量检查记录养护设备检修维护记录编号:QR—058药品储存温湿度记录表编号:QR—059 库区表号时间:年月药品陈列环境温湿度记录表编号:QR—060 库区表号时间:年月效期药品催销表报告人签字:年月日质量部门:业务部门经理注:1.此报告单由仓库保管员填写2.此报告单自填报日起保存2年3.此报告单一式四份,仓库、质量、业务、主管经理各一份。