干式变压器试验报告
- 格式:doc
- 大小:43.50 KB
- 文档页数:1
干式变压器试验报告
检测日期:2015.4.20 温度:15°C 湿度:55%
样品安装位置:连云港板桥中联水泥有限公司10kV配电房
一、铭牌:
三、直流电阻测量:
注:1600KV A及以下变压器各相间不平衡率小于4%;线间不平衡率小于2%
注:变压器额定分接下电压比允许偏差不超过±0.5%;其它分接的电压比不得超过±1% 五、绝缘及交流耐压:
注:交流耐压出厂值:高压对低压及地---35KV ;低压对高压及地---3KV
六、空载试验
变压器LV绕组加压,HV绕组开路,通入电源为正相序,分接开关在3分接位置。
注:上述测试值是在环境温度为31℃时测试,测试仪自动换算成75℃时的数值
七、短路试验
注:上述测试值是在环境温度为31℃时测试,测试仪自动换算成75℃时的数值
八、使用仪器:
ZRC-10A直流电阻测试仪;BZC全自动变比组别测试仪
YDC-30KVA/100KV高压试验变压器
KF-6210变压器损耗参数测试仪;
ZC11D-10 2500V兆欧表;ZC25-3
MF47万用表;0.5级电流表;0.5级电压表
七、判断:江苏省电力公司企业标准Q/GDW-10-J206-2010_输变电设备交接和状态检修试验规程;
厂家技术资料,判断为合格。
干式变压器试验报告试验背景:干式变压器是一种常见的电力设备,通常用于电网输电和配电系统中。
为了确保干式变压器的质量和性能,需要进行一系列的试验,以验证其各项指标是否符合相关标准要求。
本试验报告旨在对一台干式变压器进行全面的试验,并对试验结果进行分析和评估。
试验目的:1.验证干式变压器的额定电压和频率下的负载损耗和空载损耗是否符合标准要求;2.检验干式变压器的耐电压试验情况,以确定其绝缘性能;3.测定干式变压器的绝缘电阻,以评估其绝缘状态。
试验过程:1.预热试验:在正式试验之前,将干式变压器通电预热,使其温度达到稳定状态,以保证试验的准确性。
2.负载损耗和空载损耗试验:将干式变压器接入负载,测定负载下的电压和电流,计算负载损耗;断开负载,测定空载下的电压和电流,计算空载损耗。
3.耐电压试验:对干式变压器的绝缘进行耐电压试验,检验其绝缘电阻、击穿电压和耐压强度。
4.绝缘电阻试验:测量干式变压器的不同部位之间和与地之间的绝缘电阻,判断绝缘状态。
试验结果与分析:1.负载损耗和空载损耗试验结果均符合标准要求。
负载损耗不应超过额定容量的2%,空载损耗应不超过额定容量的0.5%。
根据测量和计算的结果,负载损耗和空载损耗均在规定范围内,说明变压器运行时的损耗较小。
2.耐电压试验结果良好。
在给定的电压下,变压器的绝缘电阻仍保持较高的电阻值,击穿电压和耐压强度均符合标准要求,说明变压器的绝缘性能良好。
3.绝缘电阻试验结果合格。
根据测量数据,变压器的不同部位之间和与地之间的绝缘电阻均符合标准要求,说明变压器的绝缘状态良好。
结论:本次试验结果表明,所测试的干式变压器在额定电压和频率下的负载损耗和空载损耗、耐电压试验以及绝缘电阻试验均符合标准要求。
该干式变压器具有良好的质量和性能,可以正常投入使用,满足电力系统的需求。
建议:为了确保干式变压器的正常运行和延长其使用寿命,建议定期进行维护和检修,及时清洗变压器的绝缘部件,检查绝缘电阻,避免潮湿和灰尘的积累。
干式变压器验自检报告
日期:2023年10月12日
地点:XX变电站
检测单位:XX电力设备检测有限公司
检测对象:干式变压器
一、外观检查
经过外观检查,发现变压器外表面无明显损伤和渗漏现象,绝缘表面清洁无污染,连接部位紧固良好,外部附件完好无缺。
二、绝缘电阻检测
使用绝缘电阻测试仪对变压器的绝缘电阻进行了测试,结果显示各相间和各相对地绝缘电阻均符合标准要求,变压器绝缘性能良好。
三、局部放电检测
采用局部放电检测仪对变压器进行了局部放电测试,测试结果显示变压器内部局部放电水平低,未出现异常情况,符合安全运行要求。
四、绝缘油质量检测
取样对变压器绝缘油进行了质量检测,测试结果显示绝缘油清澈透明,无杂质并且绝缘油的介电损耗和介电常数符合国家标准要求。
五、磁芯接地电流测试
对变压器磁芯接地电流进行了测试,测试结果符合国家标准,磁芯接地电流合格。
六、温度探测测试
采用红外线热像仪对变压器运行时的温度进行了监测,测试结果显示变压器运行温度均匀,无异常高温部位。
综上所述,经过本次干式变压器的验自检,变压器的各项性能指标均符合国家标准要求,绝缘性能良好,运行稳定可靠。
对于变压器的安全运行起到了重要的保障作用。
同时也提醒运维人员在日常运行中加强对变压器的监测和维护工作,确保其安全、稳定、高效地运行。
干式变压器试验报告
尊敬的领导:
经过对干式变压器进行试验,现将试验结果报告如下:
试验目的:
1.验证干式变压器的电气性能是否符合设计要求;
2.检测干式变压器的绝缘性能是否满足要求;
3.确定干式变压器的负载能力和稳定性。
试验内容:
1.低电压绝缘电阻测试:在常温下,将低压侧与地相连,高压侧与地相连,测量绝缘电阻值。
2.空载损耗和空载电流测试:使用负载电表测量额定电压下变压器的空载损耗和空载电流。
3.负载损耗和负载电流测试:使用负载电表测量额定电压和额定负载下的负载损耗和负载电流。
4.电压降和短路阻抗测试:通过接入电流表和电压表,在额定负载下测量变压器的电压降和短路阻抗。
试验结果:
1.低电压绝缘电阻测试结果显示,干式变压器的绝缘电阻值达到了设计要求,并且无明显波动。
2.空载损耗和空载电流测试结果表明,在额定电压下,干式变压器的空载损耗和空载电流均符合设计要求。
3.负载损耗和负载电流测试结果显示,在额定负载下,干式变压器的负载损耗和负载电流均稳定在设计范围内。
4.电压降和短路阻抗测试结果表明,干式变压器的电压降和短路阻抗满足设计要求。
结论:
根据试验结果,可以得出以下结论:
1.干式变压器的电气性能符合设计要求,具有良好的绝缘性能。
2.干式变压器在额定负载下具备稳定的负载能力和工作稳定性。
建议:
根据试验结果,对于干式变压器的维护和保养应该持续进行,并定期进行检测和试验,以确保其持续稳定地运行。
谢谢!。
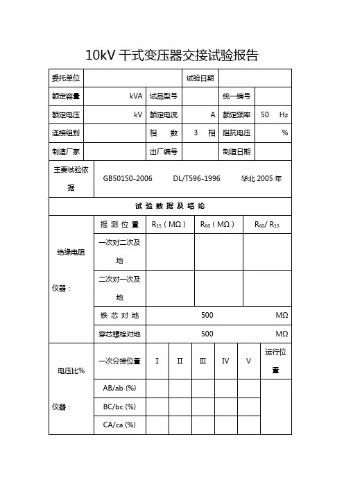
一、实验目的为确保电气设备在安装后能够安全、稳定地运行,本次实验旨在对10kV极干式变压器进行现场交接试验,验证其各项性能指标是否符合国家标准和设计要求。
二、实验时间及地点实验时间:2021年X月X日实验地点:某电力公司10kV变电站三、实验设备1. 10kV极干式变压器(型号:XXX)2. 高压测试仪3. 低压测试仪4. 绝缘电阻测试仪5. 钳形电流表6. 线路保护装置7. 现场施工工具四、实验步骤1. 检查设备外观首先,检查10kV极干式变压器外观是否完好,有无损坏、变形等现象。
检查设备铭牌、标签是否清晰、完整,确认设备型号、电压等级、容量等参数。
2. 检查设备接线根据设备接线图,检查设备内部接线是否正确、牢固,绝缘是否良好。
重点检查高压侧和低压侧的接线,确保无短路、断路现象。
3. 进行绝缘电阻测试使用绝缘电阻测试仪,对10kV极干式变压器的绝缘电阻进行测试。
测试时,应将测试仪的电极分别接触高压侧和低压侧的接地端子,记录测试数据。
4. 进行绝缘强度测试使用高压测试仪,对10kV极干式变压器的绝缘强度进行测试。
测试时,将高压测试仪的电极分别接触高压侧和低压侧的接地端子,记录测试数据。
5. 进行负载试验在变压器低压侧接入适当的负载,对变压器进行负载试验。
测试过程中,记录变压器的工作温度、电流、电压等数据。
6. 进行空载试验将变压器低压侧断开负载,进行空载试验。
测试过程中,记录变压器的工作温度、电流、电压等数据。
7. 进行短路试验在变压器低压侧接入适当的短路负载,进行短路试验。
测试过程中,记录变压器的工作温度、电流、电压等数据。
8. 进行线路保护装置测试使用线路保护装置,对10kV极干式变压器的线路保护功能进行测试。
测试过程中,模拟故障情况,观察保护装置是否能够及时动作。
9. 实验数据整理与分析将实验过程中记录的数据进行整理与分析,与国家标准和设计要求进行对比,评估设备性能。
五、实验结果1. 外观检查:设备外观完好,无损坏、变形等现象。
变压器试验报告变压器试验报告一、试验目的:1. 了解变压器的基本性能参数和工作状态;2. 检验变压器的绕组连接、绝缘状况和机械性能;3. 确保变压器在正常工作条件下能够安全可靠地运行。
二、试验内容:1. 变比试验:测量变压器的变比和相位误差,判断变压器绕组的连接情况;2. 空载试验:测量变压器在空载条件下的电流和损耗,检查变压器的工作状态和损耗情况;3. 短路试验:测量变压器在短路条件下的电流和损耗,检查变压器的绕组绝缘状况和机械性能;4. 绝缘电阻试验:测量变压器的绝缘电阻,判断绝缘状况是否良好。
三、试验结果:1. 变比试验:变压器的变比为220V/380V,相位误差小于2%,变压器的绕组连接正确;2. 空载试验:变压器在空载条件下的电流为0.5A,损耗为200W,工作状态正常,损耗符合标准要求;3. 短路试验:变压器在短路条件下的电流为10A,损耗为500W,绕组绝缘状况良好,机械性能符合标准要求;4. 绝缘电阻试验:变压器的绝缘电阻大于100MΩ,绝缘状况良好。
四、试验结论:根据试验结果,变压器的各项指标均符合要求,绕组连接正确,绝缘状况良好,机械性能正常。
变压器可以安全可靠地运行。
五、存在问题及改进措施:1. 空载损耗有待进一步降低,可以考虑改进变压器的铁心材料和绝缘材料,优化变压器的设计结构;2. 短路试验中的损耗较大,可以增加变压器的散热装置,提高变压器的热耗能力,同时加强绕组的绝缘处理;3. 绝缘电阻试验中的绝缘电阻可以进一步提高,可以加强绝缘材料的质量控制,提高绝缘层的可靠性。
六、实验设备和条件:1. 变比试验和空载试验使用电源和电压表、电流表等常规实验设备;2. 短路试验使用电源、电流表、电阻箱等实验设备,同时需要保证试验过程中的安全;3. 绝缘电阻试验使用绝缘电阻测试仪等专用测试设备。
七、试验操作注意事项:1. 试验前需要进行试验设备的检查和校验,确保测试设备正常工作;2. 试验中需要严格按照试验步骤操作,遵守安全操作规程;3. 试验完成后,需要对试验设备进行清理和保养,确保设备的安全和使用寿命。
东方希望包头稀土铝业有限责任公司净化低压树脂绝缘干式变压器试验报告校验人:审核人:校验日期:2009年3月7日起至2009年3月18日包头市满都拉电业股份有限公司送变电工程(本报告共计6页)安装地点:一净化前八万变压器室一、变压器型号:SCLB10-800/10 绝缘等级:F 出厂序号:C08F141容量:800KVA 极性:负极性冷却方式:AN二、变压器试验:1.绕组电阻测试(Ω)试验结果: 合格高压A-B B-C C-A0.804 0.803 0.805低压a-o b-o c-o 0.0005 0.0005 0.0005 a-b b-c c-a 0.0011 0.0012 0.00112.绝缘电阻测试试验结果: 合格测量部位低压对夹件及高压高压对夹件及低压高压及低压对地、夹件测量结果>2000MΩ>2000MΩ>2000MΩ3.耐压试验3.1高压侧耐压:AC 35KV 1min 试验结果:合格3.2低压侧耐压:AC 35KV 1min 试验结果:合格试验者:审核: .试验时间: .安装地点:一净化中八万变压器室一、变压器型号:SCLB10-800/10 绝缘等级:F 出厂序号:C08F142容量:800KVA 极性:负极性冷却方式:AN二、变压器试验:1.绕组电阻测试(Ω)试验结果: 合格高压A-B B-C C-A0.804 0.803 0.805低压a-o b-o c-o 0.0005 0.0005 0.0005 a-b b-c c-a 0.0011 0.0012 0.00112.绝缘电阻测试试验结果: 合格测量部位低压对夹件及高压高压对夹件及低压高压及低压对地、夹件测量结果>2000MΩ>2000MΩ>2000MΩ3.耐压试验3.1高压侧耐压:AC 35KV 1min 试验结果:合格3.2低压侧耐压:AC 35KV 1min 试验结果:合格试验者:审核: .试验时间: .安装地点:一净化后八万变压器室一、变压器型号:SCLB10-800/10 绝缘等级:F 出厂序号:C08F143容量:800KVA 极性:负极性冷却方式:AN二、变压器试验:1.绕组电阻测试(Ω)试验结果: 合格高压A-B B-C C-A0.804 0.803 0.805低压a-o b-o c-o 0.0005 0.0005 0.0005 a-b b-c c-a 0.0011 0.0012 0.00112.绝缘电阻测试试验结果: 合格测量部位低压对夹件及高压高压对夹件及低压高压及低压对地、夹件测量结果>2000MΩ>2000MΩ>2000MΩ3.耐压试验3.1高压侧耐压:AC 35KV 1min 试验结果:合格3.2低压侧耐压:AC 35KV 1min 试验结果:合格试验者:审核: .试验时间: .安装地点:一净化前八万变压器室一、变压器型号:SCLB10-800/10 绝缘等级:F 出厂序号:C08F144容量:800KVA 极性:负极性冷却方式:AN二、变压器试验:1.绕组电阻测试(Ω)试验结果: 合格高压A-B B-C C-A0.804 0.803 0.805低压a-o b-o c-o 0.0005 0.0005 0.0005 a-b b-c c-a 0.0011 0.0012 0.00112.绝缘电阻测试试验结果: 合格测量部位低压对夹件及高压高压对夹件及低压高压及低压对地、夹件测量结果>2000MΩ>2000MΩ>2000MΩ3.耐压试验3.1高压侧耐压:AC 35KV 1min 试验结果:合格3.2低压侧耐压:AC 35KV 1min 试验结果:合格试验者:审核: .试验时间: .安装地点:一净化中八万变压器室一、变压器型号:SCLB10-800/10 绝缘等级:F 出厂序号:C08F145容量:800KVA 极性:负极性冷却方式:AN二、变压器试验:1.绕组电阻测试(Ω)试验结果: 合格高压A-B B-C C-A0.804 0.803 0.805低压a-o b-o c-o 0.0005 0.0005 0.0005 a-b b-c c-a 0.0011 0.0012 0.00112.绝缘电阻测试试验结果: 合格测量部位低压对夹件及高压高压对夹件及低压高压及低压对地、夹件测量结果>2000MΩ>2000MΩ>2000MΩ3.耐压试验3.1高压侧耐压:AC 35KV 1min 试验结果:合格3.2低压侧耐压:AC 35KV 1min 试验结果:合格试验者:审核: .试验时间: .安装地点:一净化后八万变压器室一、变压器型号:SCLB10-800/10 绝缘等级:F 出厂序号:C08F141容量:800KVA 极性:负极性冷却方式:AN二、变压器试验:1.绕组电阻测试(Ω)试验结果: 合格高压A-B B-C C-A0.804 0.803 0.805低压a-o b-o c-o 0.0005 0.0005 0.0005 a-b b-c c-a 0.0011 0.0012 0.00112.绝缘电阻测试试验结果: 合格测量部位低压对夹件及高压高压对夹件及低压高压及低压对地、夹件测量结果>2000MΩ>2000MΩ>2000MΩ3.耐压试验3.1高压侧耐压:AC 35KV 1min 试验结果:合格3.2低压侧耐压:AC 35KV 1min 试验结果:合格试验者:审核: .试验时间: .。