主动柔性防护网工程施工技术方案
- 格式:docx
- 大小:40.27 KB
- 文档页数:8
路堑主动柔性防护网工程施工技术方案编制:审核:批准:编制时间:二零一七年七月目录一、编制依据-------------------------1二、工程概况-------------------------1三、管理人员、设备配置--------------------4四、施工进度安排-----------------------5五、主动柔性网防护施工--------------------51、工艺原理-----------------------52、施工准备-----------------------63、施工工艺步骤及流程图-----------------84、工艺步骤说明---------------------9六、质量标准及检验方法-------------------13七、质量保证措施----------------------13八、安全保证措施----------------------14九、环境保护保证措施--------------------16十、附件--------------------------15一、编制依据1、《公路路基施工技术规范》(JTG F10-2006;2、《公路工程质量检验评定标准》(JTG F80/1-2004);3、《公路工程施工安全技术规程》(JTG F80/1-2004);4、《路基防护工程一般设计图(主动柔性防护系统二)》;5、本公司在路基边坡主动柔性防护系统施工方面的经验。
二、工程概况本分部路线全长7.5公里,起点位于贺州市昭平县城西白鸠村(联润拌合厂站附近),起点桩号K47+000;终点位于昭平县昭平镇闽发红砖厂附近,终点桩号K54+500,与昭平至蒙山高速公路起点相接,设置昭平互通与省道S207二级公路连接。
全线采用双向四车道高速公路,设计速度为100公里/小时,路基宽26米。
根据现场的实际勘察,边坡地层岩性主要由泥盆系莲花山组基岩组成。
主动防护网施工方案本工程采用护脚墙和主动柔性防护网支护,其中护脚墙高度为3.0m,基础埋深为1.0m,挡土墙宽度为0.5m,挡土墙坡度根据边坡实际情况确定,采用原槽浇注C15素混凝土。
主动柔性防护网的高度也根据边坡实际高度确定,柔性钢绳网系统锚杆采用直径为22mm的螺纹钢,长度在4至8m之间,以满足锚固长度为准。
一)主动防护网施工方法施工流程:测量定位及工作面放线→搭设施工脚手架→测量精确放线确定锚索孔→钻孔→注浆并插入锚杆→安装纵横向支撑绳→铺挂格栅网→铺挂铺设钢绳网并缝合格栅网。
1、测量放线为满足施工需要和规范要求,必须对导线点进行核实和加密。
所有导线资料必须经测量专业监理工程师复核认可后方可用于施工。
2、人工清理坡面浮土及浮石、搭设施工脚手架为保证施工安全,为后续工作创造条件,应先用人工清理坡面上的浮土及浮石,然后搭设施工脚手架。
脚手架的结构必须稳固。
3、在每一孔位处凿一深度不小于锚杆外露环套长度的凹孔,一般口径为20cm,深20cm。
4、按设计深度钻凿锚杆孔并清孔,孔深应比设计锚杆长度长5cm-10cm以上,锚孔直径70mm。
当受凿岩设备限制时,可以将构成每根锚杆的两股钢绳分别锚入两个锚孔内,形成人字形锚杆,两股钢绳间夹角为15°≈30°,以达到同样的锚固效果。
当局部孔位处应底层松散或破碎不能成孔时,采用断面尺寸不小于0.4×0.4的C15砼基础置换成不能成孔的岩土段。
5、注浆并插入锚杆,采用标号不低于M10的水泥浆,宜用灰砂比1:1~1:1.2、水灰比0.45~0.5的水泥砂浆或水灰比0.45~0.5的纯水泥砂浆,水泥宜采用42.5R普通硅酸盐水泥,优先选用粒径不大于3mm的中细砂,确保浆液饱满。
在进行下一道工序前注浆养护期不少于3天。
6、安装纵横支撑绳,张拉紧后两段各用二至四个(支撑长度小于15m时用二个,大于30m时用四个,其间用三个)绳卡与锚杆外露环套固定连接。
主动柔性防护网专项技术安全施工方案1.引言2.施工前准备2.1安全培训:施工人员应接受相关安全培训,了解主动柔性防护网的使用方法、注意事项以及应对突发情况的应急措施。
2.2材料准备:检查主动柔性防护网的质量,确保无损坏、老化现象,并准备所需的材料和工具。
材料应符合相关安全标准。
3.施工过程3.1安全区域划定:在施工区域周围划定安全区域,设置明显的警示标志,并保持安全区域的通畅,确保没有人员闯入施工区域。
3.2设备安装:根据工地或建筑的实际情况,选择合适的设备安装位置,并保证设备的稳固性和可靠性,防止设备在施工过程中造成意外伤害。
3.3主动柔性防护网的安装:按照供应商提供的安装说明,进行主动柔性防护网的安装。
在安装过程中,要做好固定,确保主动柔性防护网的牢固性。
3.4安全测试:在安装完成后,对主动柔性防护网进行安全测试。
测试包括网面质量检查、抗拉强度测试、断裂测试等,以保证主动柔性防护网的质量符合要求。
4.安全措施4.1人员防护:施工人员应穿戴安全帽、安全鞋等个人防护设备,并在施工现场严格遵守安全规定,保持安全意识,避免发生意外伤害。
4.2工具设备防护:对使用的工具设备进行定期检查,确保其正常工作和使用。
在使用过程中,要注意工具设备的安全操作,并进行维护保养。
4.3作业区域控制:将施工区域划定清晰,并设置围栏、警示标志等措施,以控制人员的进入和离开,避免人员闯入危险区域。
5.施工后工作5.1检测和维护:定期对主动柔性防护网进行安全检测和维护,发现问题及时修复或更换,确保主动柔性防护网的功能正常。
5.2施工记录和总结:对施工过程进行记录和总结,包括材料使用情况、施工人员的工作记录、设备维护记录等,为后续类似工程提供参考。
总结:通过完善的技术安全施工方案,可以确保主动柔性防护网在施工过程中的安全性和可靠性,防止意外伤害的发生。
同时,还需注重施工后的维护工作,以保证主动柔性防护网长效使用。
在施工过程中,严格遵守安全规定和操作流程,提高工作人员的安全意识,确保施工安全顺利进行。
柔性防护网施工方案柔性防护网主要用于工地、农田、道路、河流等场所的围护和安全防护工程。
其特点是安全、可靠、美观、经济、环保等。
下面是柔性防护网的施工方案。
一、准备工作1. 确定施工目标和要求:包括围护范围、围护高度、网孔大小等。
2. 测量确定尺寸:根据施工目标和要求,进行现场测量,确定柔性防护网的尺寸和长度。
3. 准备材料和工具:根据施工需要,准备好柔性防护网、固定钉、固定线、凿子、一字锤等工具和材料。
二、施工步骤1. 固定柔性防护网的起点:在围护范围的起点处,使用凿子和一字锤,将固定钉固定到地面上,确保固定牢固。
2. 拉直柔性防护网:从起点处开始,将柔性防护网拉直,并用固定钉固定在地面上,确保拉直。
3. 固定柔性防护网的末端:在围护范围的末端处,同样使用凿子和一字锤,将固定钉固定到地面上,确保固定牢固,并将柔性防护网的末端用固定线固定到固定钉上。
4. 安装扣件:根据需要,可以在柔性防护网的连接处安装扣件,增加连接牢固度。
5. 检查和修整:完成柔性防护网的安装后,进行检查,确保网面平整、无松动部分,并对有松动或不牢固的地方进行修整和加固。
6. 清理工作现场:完成施工后,进行清理工作,将施工现场的垃圾和废料进行清理,确保施工现场整洁。
三、注意事项1. 在挖掘施工时,要注意避免损坏地下管道和电缆,以免给工程造成不必要的损失。
2. 施工时要注意施工人员的安全,确保安全措施得当,避免发生意外事故。
3. 在固定柔性防护网时,要确保固定钉固定牢固,以免柔性防护网松动或脱落。
4. 在修整和加固松动部分时,要及时处理,以免影响柔性防护网的效果和使用寿命。
柔性防护网的施工方案主要包括准备工作、施工步骤和注意事项等。
只有合理规划和认真施工,才能确保柔性防护网的安全和稳定性,在工地、农田、道路、河流等场所发挥良好的防护作用。
边坡主动柔性防护网施工工法一、引言边坡主动柔性防护网是一种在边坡工程中常用的防护措施。
它采用柔性材料构成的防护结构,以抵抗边坡的滑坡、塌方等不稳定行为,保护边坡的稳定和安全。
本文将介绍边坡主动柔性防护网的施工工法。
二、材料准备1. 高强度柔性防护网:选择抗拉强度高、耐久性好的柔性防护网,一般采用聚酯纤维材料制成。
2. 钢丝绳:采用强度较高的钢丝绳,用于固定柔性防护网于边坡上。
3. 打击锚:用于固定钢丝绳和网墙。
三、施工步骤1. 边坡准备:首先,需要对待施工的边坡进行清理和修整,确保边坡表面平整、无障碍物。
同时,对边坡进行稳定性分析,确定所需防护网的尺寸和设置位置。
2. 布设钢丝绳:根据设计要求,将钢丝绳固定在边坡上,形成钢丝网的主要框架。
将钢丝绳设置成合适的水平、垂直方向,在边坡上开挖锚孔并通过打击锚将钢丝绳固定。
3. 安装柔性防护网:根据设计要求,将柔性防护网沿着钢丝绳的方向进行拉伸,确保网墙的紧密性和平整度。
使用特殊的连接件将柔性防护网与钢丝绳连接起来,以增强系统的稳定性。
4. 固定边坡防护网:采用打击锚将柔性防护网固定在边坡上,增加整个防护系统的牢固性和稳定性。
打击锚应均匀排布于钢丝绳上,并且需要确保打击锚的深度符合设计要求。
5. 后处理工作:进行边坡防护网的整体检查和调整,确保柔性防护网的拉力合适,并且无松动现象。
根据需要,可以采用植被覆盖或其他措施美化边坡。
四、施工注意事项1. 施工前应仔细查看设计图纸和施工说明,确保施工符合设计要求。
2. 施工过程中需要严格控制柔性防护网的张力,以保证其使用寿命和防护效果。
3. 施工完毕后应及时进行验收,确保边坡防护网的质量和稳定性。
4. 施工过程中应注意安全,严禁高空作业和超负荷作业。
五、结论边坡主动柔性防护网作为一种常用的防护措施,为边坡工程提供了有效的保护。
通过正确施工工法,可以保证柔性防护网的稳定性和持久性。
在边坡工程中应充分考虑边坡防护网的选择和施工,以确保边坡的安全和稳定。
柔性主动防护网施工方案1. 引言在进行工程建设过程中,为了保障施工人员的安全和减少意外事故的发生,柔性主动防护网是必不可少的一种安全设施。
通过合理的施工方案和操作流程,可以确保柔性主动防护网的正确安装和使用,提高施工现场的安全性。
本文将介绍柔性主动防护网施工方案及其相关要点。
2. 施工准备在开始柔性主动防护网的施工前,需要做好以下准备工作: - 确定施工区域:根据工程要求和安全需求,确定需要安装柔性主动防护网的区域。
- 材料准备:准备足够数量的柔性主动防护网,根据施工现场的实际情况选择合适的网格尺寸和材质。
- 设备准备:准备梯子、扣具、绳索等辅助设备,确保施工所需的设备完备。
3. 施工步骤3.1 安装支撑杆1.在施工现场根据确定的安装区域,使用橡胶锤将支撑杆固定在地面上。
2.根据需要,安装多根支撑杆,并确保它们的垂直度。
3.2 安装主体网格1.将主体网格沿着支撑杆铺设并紧固,确保网格紧密贴合并固定在支撑杆上。
2.根据实际情况,可以在支撑杆之间添加横向连接杆,增强网格的稳定性。
3.3 安装辅助配件1.根据需要,在主体网格上方安装扣具和绳索,用于固定和加固柔性主动防护网。
2.根据实际情况,可以在网格的四角处加装保护套管,增强网格的抗拉强度。
3.4 检查和调整1.完成柔性主动防护网的安装后,进行检查,确保所有支撑杆、网格和配件都安装正确牢固。
2.如有需要,进行必要的调整,使柔性主动防护网在施工现场起到最佳的安全保护效果。
4. 施工注意事项•在施工过程中,施工人员必须佩戴符合要求的个人防护装备,如安全帽、防护手套等。
•严禁在柔性主动防护网上进行攀爬或停留。
•定期检查柔性主动防护网的安装状态,如发现问题及时修复或更换。
5. 施工结束在柔性主动防护网的施工完成后,施工人员需做好相关记录,包括施工日期、施工人员名单、施工安全情况等。
同时,对柔性主动防护网进行验收,确保安装符合相关标准和要求。
6. 总结柔性主动防护网作为一种重要的施工安全设施,在工程建设中起着至关重要的作用。
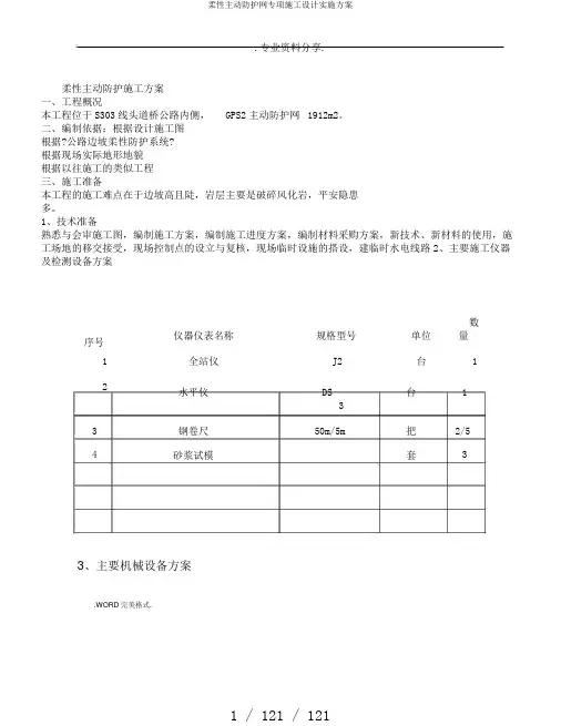
.专业资料分享.柔性主动防护施工方案一、工程概况本工程位于S303线头道桥公路内侧,GPS2主动防护网1912m2。
二、编制依据:根据设计施工图根据?公路边坡柔性防护系统?根据现场实际地形地貌根据以往施工的类似工程三、施工准备本工程的施工难点在于边坡高且陡,岩层主要是破碎风化岩,平安隐患多。
1、技术准备熟悉与会审施工图,编制施工方案,编制施工进度方案,编制材料采购方案,新技术、新材料的使用,施工场地的移交接受,现场控制点的设立与复核,现场临时设施的搭设,建临时水电线路2、主要施工仪器及检测设备方案序号仪器仪表名称规格型号单位数量1全站仪J2台12水平仪DS台133钢卷尺50m/5m把2/5 4砂浆试模套33、主要机械设备方案.WORD完美格式..专业资料分享.机械装备名称砂浆搅拌机空压机钻机水泵注浆机手推车钢管型号产地JZ-250/重庆3英格索兰17mYG-80/天水3D系列/上海JZB-2/河南Ο42功率吨购置位单位时间容积2021.3台52021.17m3台82021.台52021.台42021.台3KW32021.辆3新旧程度数量备注〔%〕2902904100210021005100满足.WORD完美格式..专业资料分享.4、劳动力方案序号工种最大方案工作内容1汽车司机3开工程车2普工10清理坡面、基座开挖、材料转运等3脚手架工10现场脚手架搭设、维护4钻机操作工12锚杆孔成孔5注浆工8锚杆注浆6机械操作4搅拌机、空压机等机械操作维护7机电维修工2施工用电搭设、施工机械日常维修8测量工2试验、测量放线及控制观测9试验工2各种原材料、成品、半成品取样10平安护卫2负责道路畅通和现场平安维护11挂网工20铺设防护网四、SNS柔性边坡防护网施工工艺1、主动防护系统说明纵横交错的Ο12纵向支撑绳和Ο16横向支撑绳与4×4m正方形模式布置的锚杆相联结并进行预张拉,支撑绳构成的每个4×4m网格内铺设一张D0/08/300/4×4m型钢绳网,每张钢丝绳网与四周支撑绳间用缝合绳缝合连结并拉紧,该预张拉工艺能使系统对坡面施以一定的法向预紧压力,从而提高表层岩土体的稳定性,尽可能地阻止崩塌落石的发生,并将小局部落石限制在一定的空间内运动,同时,在钢绳网下铺设型格栅网,以阻止小尺寸岩块的塌落。
柔性主动防护网施工方案柔性主动防护网是一种用于防止坡面边坡、岩石边坡和高边坡滑坡的工程技术措施,它通过借鉴植物化物理特性和工程措施,使边坡和施工地点表面形成多层结构,达到抵御滑坡作用的目的。
柔性主动防护网可以有效地控制水土流失,确保施工区域的安全稳定。
1.地质勘察:在开始施工之前,应进行详细的地质勘察,确定施工区域的地质情况,包括坡度、岩性、土质等。
根据勘察结果确定施工方案。
2.预处理:在施工前,对施工区域进行预处理。
首先清理施工区域,清除杂物和植物;然后对地表进行修整,确保边坡表面平整,并清理坡面积水;最后,进行地表加固,可以采用灌浆、喷涂等方法,强化地表的稳定性。
3.栅格网施工:栅格网是柔性主动防护网的关键组成部分,它可以将边坡支撑起来,并防止土壤流失。
栅格网可以采用高强度聚乙烯或聚丙烯等材料制成,具有良好的柔性和抗拉强度。
在施工时,首先确定栅格网的规格和尺寸,然后将栅格网展开到预定位置,并用钢钉或螺丝固定在地表上。
栅格网的安装应保持严格的平直度和紧密度,同时需要根据边坡的不同部位进行适当的加固,如栅格网的双倍交叉或增加固定点。
4.植被恢复:完成功能主动防护网的施工后,应进行植被恢复,以加强边坡的稳定性。
在植被恢复时,首先对边坡进行表面覆盖,可以使用草皮、植物毯等材料;然后进行植物种植,选择适应当地气候和土壤条件的植物进行种植;最后对植被进行养护,定期修剪和浇水,促进植物的生长。
5.定期维护:完成柔性主动防护网施工后,还需要定期进行维护工作,包括巡视、清理、修复等。
定期巡视可以及时发现边坡变形、破损等问题,加以修复;清理可以清除堆积在栅格网上的杂物和植物,保持栅格网的通透性;修复可以对损坏或老化的栅格网进行更换,以确保施工区域的安全稳定。
通过以上的柔性主动防护网施工方案,可以有效地控制边坡的滑坡风险,保护施工区域的安全稳定。
为了提高施工质量和效率,施工方案中的每个环节都需要认真执行,并严格按照规范要求进行操作。
柔性主动防护网专项施工方案一、工程概况二、施工准备工作1.安全准备要做好本工程的安全措施,施工前应制定详细的安全生产方案,并严格执行安全操作规程。
施工人员必须穿戴好相关的个人防护装备,并参加相关的安全培训。
2.材料准备准备足够数量的柔性主动防护网材料。
材料必须符合相关标准,具有足够的抗拉强度和耐候性。
3.设备准备准备好适当的施工机具和设备,如铺装机、抛物线机、绳索以及各种用于固定的螺栓和锁扣。
4.确定施工方案根据建筑物的实际情况,设计合理的柔性主动防护网安装方案,包括固定点的确定、张拉力的计算等。
三、施工步骤1.安装预埋件根据设计要求,在建筑物上预留好预埋件。
预埋件应设于边缘各跨的伸出端部,预埋件间距应控制在一定范围内,以保证防护网的安装均匀性和稳定性。
2.件式安装将柔性主动防护网的每个件逐个插入预埋件中,并通过螺栓和锁扣固定好。
安装时要注意各个件之间的间距要恰到好处,不得出现距离过大或过小的情况。
3.线缆张拉完成柔性主动防护网的件式安装后,需要用绳索进行张拉,以保证安装的稳定性和紧密度。
张拉时要根据设计要求施加适当的张力,不能过松或过紧。
4.系网固定完成线缆张拉后,要注意将柔性主动防护网与建筑物的相关部件进行固定,以保证整个系统的稳定性。
可以采用螺栓和锁扣进行固定,固定位置应符合设计要求。
5.系统验收完成安装后,要对整个柔性主动防护网系统进行验收。
验收内容包括件式安装的稳定性、线缆张拉的紧密度、固定点的合理性等等。
如果发现问题,要及时修复,直到达到设计要求。
四、施工注意事项1.做好施工现场的安全防护工作,保证施工人员的人身安全。
2.施工过程中严格按照设计要求进行施工,不得随意更改。
3.施工人员必须熟练掌握安装工艺和操作规程,确保施工质量。
4.施工过程中要注意与建筑物的其他部位进行协调和配合。
5.施工完成后,要对安装的柔性主动防护网进行定期检查和维护,确保其正常使用。
六、工期与质量控制该工程的工期为XX天。
柔性主动防护网施工工法柔性主动防护网施工工法一、前言柔性主动防护网施工工法是一种应用于道路、桥梁、隧道等工程项目中的防护工法,它通过柔性网结构来吸收和分散冲击力,从而保护工程结构的安全稳定。
本文将介绍柔性主动防护网施工工法的特点、适应范围、工艺原理、施工工艺、劳动组织、机具设备、质量控制、安全措施、经济技术分析以及工程实例。
二、工法特点柔性主动防护网施工工法具有以下特点:1. 结构简单:柔性主动防护网由高强度的合成纤维材料制成,结构简单,并且具有良好的可塑性,能够适应各种复杂的地形和施工需求。
2. 高强度和柔韧性:柔性主动防护网具有高强度和柔韧性,能够有效吸收和分散冲击力,保护工程结构的安全稳定。
3. 抗腐蚀和耐候性好:柔性主动防护网采用特殊的材料制成,具有良好的抗腐蚀和耐候性能,能够在恶劣的环境条件下长期使用。
4. 施工周期短:柔性主动防护网施工工法简单快捷,施工周期相对较短,适用于追求工期紧凑的工程项目。
三、适应范围柔性主动防护网施工工法适用于下列项目:1. 道路工程:桥梁、高架、隧道、高速公路等。
2. 水利工程:水库、堤岸、航道等。
3. 港口工程:码头、港湾防护等。
4.矿山工程:矿山坡面、堆场等。
5. 建筑工程:楼体外墙、室外空中走廊等。
6. 其他工程:沿海防护、地质灾害处置等。
四、工艺原理柔性主动防护网的工艺原理是通过柔性网结构吸收和分散冲击力,保护工程结构的安全稳定。
具体工艺原理如下:1. 网材制备:选用高强度的合成纤维材料制成柔性网材,具有良好的抗拉强度和柔韧性。
2. 网格固定:将柔性网材固定在预埋的锚杆或钢管梁上,采用专用连接件进行牢固锁定。
3. 标定力值:根据设计要求,调整柔性主动防护网张拉力,确保其吸收和分散冲击力的能力。
4. 定期检测:施工后定期进行检测,以确保柔性主动防护网的性能和安全。
五、施工工艺柔性主动防护网施工工艺包括以下阶段:1. 基础处理:对施工基础进行清理、处理和加固,以保证后续施工的稳定可靠。
柔性主动防护施工方案一、工程概况本工程位于S303线头道桥公路内侧,GPS2主动防护网1912m2。
二、编制依据:根据设计施工图根据《公路边坡柔性防护系统》根据现场实际地形地貌根据以往施工的类似工程三、施工准备本工程的施工难点在于边坡高且陡,岩层主要是破碎风化岩,安全隐患多。
1、技术准备熟悉与会审施工图,编制施工方案,编制施工进度计划,编制材料采购计划,新技术、新材料的使用,施工场地的移交接受,现场控制点的设立与复核,现场临时设施的搭设,建临时水电线路2、主要施工仪器及检测设备计划四、SNS柔性边坡防护网施工工艺1、主动防护系统说明纵横交错的Ο12纵向支撑绳和Ο16横向支撑绳与4×4m正方形模式布置的锚杆相联结并进行预张拉, 支撑绳构成的每个4×4m网格内铺设一张D0/08/300/4×4m型钢绳网,每张钢丝绳网与四周支撑绳间用缝合绳缝合连结并拉紧,该预张拉工艺能使系统对坡面施以一定的法向预紧压力,从而提高表层岩土体的稳定性,尽可能地阻止崩塌落石的发生,并将小部分落石限制在一定的空间内运动,同时,在钢绳网下铺设S0/2.2/50型格栅网,以阻止小尺寸岩块的塌落。
2、清理坡面:人工对坡面防护区域的浮土及浮石进行清除;3 、放线测量确定锚杆孔位(根据地形条件,孔间距可有1.0m的调整量),并在每一孔位处凿一定深度不小于锚杆外露环套长度的凹坑,一般口径20cm,深20cm;4 、钻孔A、锚孔钻进:成孔匀速钻进,严格控制钻孔速度,以防止钻孔弯曲和变形,钻进达到设计深度后,不停钻,在停止进尺的情况下,稳钻1-2分钟;B、造孔精度要求a、孔径误差:造孔孔径大于90mm;b、孔深:锚孔设计深度大于5cm以上;c、当受凿岩设备限制时,构成每根锚杆的两股钢绳可分别锚入两个孔径不小于Ο35 mm的锚孔内,形成人字形锚杆,两股钢绳间夹角为15°~30°,以达到同样的锚固效果;5、钢绳锚杆制作A、钢绳锚杆验收:锚杆下料后,应清除表面浮锈污物,油污和泥土;B、在施工现场制作钢绳锚杆时,应根据进度做到随制随用,并注意防水、防污染。
柔性防护网施工方案
柔性防护网是一种用于保护施工现场安全的防护设施。
它可以防止坠落事故,减少施工风险,保护工人的生命安全。
下面是针对柔性防护网的施工方案。
第一步,确定施工范围。
根据具体的施工需求,确定柔性防护网的安装位置和范围。
一般来说,柔性防护网应该安装在工地的高空作业区域,防止物体坠落。
第二步,准备工具和材料。
在施工前,需要准备好安装柔性防护网所需的工具和材料,包括柔性防护网、扣件、钢丝绳等。
确保材料的质量,以保证施工过程的安全可靠。
第三步,安装支架。
在安装柔性防护网前,需要先安装支架。
根据具体情况选择合适的支架类型,比如钢管支架或者脚手架等。
确保支架的稳固牢固,能够承受柔性防护网的重量和外力。
第四步,安装柔性防护网。
将柔性防护网铺设在支架上,并利用扣件将其固定。
确保柔性防护网的张力均匀,没有松弛的地方,以防止物体穿过防护网的间隙。
第五步,做好标识。
在施工现场的柔性防护网上,要设置明显的标识,包括警示标识和安全提示标识等。
确保工人和其他人员能够清楚地识别柔性防护网的存在,避免发生意外。
第六步,定期检查。
在柔性防护网安装完成后,应定期进行检查和维护,确保其状态良好,能够继续发挥防护作用。
如有损
坏或者破损,应及时修复或更换。
柔性防护网施工方案的实施需要按照规范和要求进行操作,以确保施工质量和施工安全。
通过合理的施工方案和正确的操作,可以有效地保护施工现场的安全,降低施工风险,保证工人的生命安全。
SNS主动柔性防护网施工方案SNS主动柔性防护网(SNS Active Flexible Protection Net)是一种先进的土木工程技术,用于在山区和河道等地方进行防护和护坡工程。
这种柔性防护网可以有效地防止土坡的坍塌和河堤的冲刷,使得土地可以得到有效的保护和利用。
本文将介绍SNS主动柔性防护网的施工方案。
首先,在进行SNS主动柔性防护网的施工前,需要进行详细的工程测量和设计。
测量工作包括对施工地区的地形和地貌进行测量,确定施工地点的坡度和高度,以及计算所需的柔性防护网的具体尺寸和数量。
设计工作包括根据测量结果和工程要求,确定柔性防护网的网孔大小、材料和布置方式等。
其次,在施工现场进行土地准备工作。
这包括清理施工区域的杂草和垃圾,修剪杂乱的树木和灌木,清除表面的石头和均匀化土地。
如果施工地区有不平坦的地面,还需要进行地面平整工作,确保柔性防护网能够牢固地固定在土地上。
然后,进行柔性防护网的安装工作。
首先,将事先准备好的柔性防护网按照设计要求在施工现场展开。
展开网的过程中,要注意保持网的平整,避免出现扭曲和褶皱。
然后,用锚杆或钢管将网固定在土地上。
锚杆或钢管的选择应根据设计要求和施工地点的实际情况来确定。
在固定网的过程中,要保证每个固定点的力度均匀,确保网能够牢固地固定在土地上。
接下来,进行柔性防护网的连接和补强工作。
在连接工作中,需要使用特殊的连接件将不同的网片连接在一起,以形成一个整体的柔性防护网系统。
连接件的选择应根据设计要求和工程需要来确定。
同时,还需要使用钢丝绳或类似的材料对柔性防护网进行补强,以增强其抗拉强度和稳定性。
最后,对施工完成的柔性防护网进行检查和验收工作。
检查工作包括对柔性防护网的固定点、连接点和补强点进行检查,确保其牢固可靠。
验收工作包括对土地的护坡效果进行评估,是否达到了设计要求和工程要求。
总之,SNS主动柔性防护网的施工方案包括测量和设计、土地准备、安装、连接和补强、检查和验收等步骤。
路堑主动柔性防护网工程施工技术方案编制:审核:批准:编制时间:二零一七年七月目录一、编制依据-------------------------1二、工程概况-------------------------1三、治理人员、设备配置--------------------4四、施工进度安排-----------------------5五、主动柔性网防护施工--------------------51、工艺原理-----------------------52、施工打算-----------------------63、施工工艺步骤及流程图-----------------84、工艺步骤说明---------------------9六、质量标准及检验方法-------------------13七、质量保证措施----------------------13八、平安保证措施----------------------14九、环境保护保证措施--------------------16十、附件--------------------------15一、编制依据1、《公路路基施工技术标准》〔JTG F10-202X;2、《公路工程质量检验评定标准》〔JTG F80/1-202X〕;3、《公路工程施工平安技术规程》〔JTG F80/1-202X〕;4、《路基防护工程一般设计图〔主动柔性防护系统二〕》;5、本公司在路基边坡主动柔性防护系统施工方面的经验。
二、工程概况本分部路线全长7.5公里,起点位于X市昭平县城西白鸠村〔联润拌合厂站附近〕,起点桩号K47+000;终点位于昭平县昭平镇闽发红砖厂附近,终点桩号K54+500,与昭平至蒙山高速公路起点相接,设置昭平互通与省道S207二级公路连接。
全线采纳双向四车道高速公路,设计速度为100公里/小时,路基宽26米。
依据现场的实际勘察,边坡地层岩性主要由泥盆系莲花山组基岩组成。
主动防护网施工方案1.施工前期准备阶段:进行现场勘察和测量,确定施工方案和工序,准备施工所需材料和设备,建立施工现场安全管理制度。
2.安装钢丝绳锚杆:根据设计要求,在岩石边坡上钻孔,安装钢丝绳锚杆,并进行拉力测试,确保其牢固可靠。
3.安装纵横向支撑绳:在钢丝绳锚杆上安装纵横向支撑绳,通过拉紧固定在岩石上,形成稳定的支撑系统。
4.安装铁丝格栅网:将铁丝格栅网铺设在支撑绳上方,通过缝合绳将其与支撑绳连接,形成坡面覆盖。
5.安装钢丝绳网:在铁丝格栅网上方安装钢丝绳网,通过缝合绳将其与铁丝格栅网连接,增加坡面覆盖面积。
6.进行预张拉:通过缝合绳对柔性网进行预张拉,使其紧贴坡面,形成预应力,增强防护效果。
7.完善细节:根据实际情况进行细节处理,如加装防护带、修补网孔等,确保整个系统的完整性和可靠性。
该工程规模庞大,设计防护面积达到平方米,共计11处。
采用GPS2型SNS主动防护系统,施工现场地型复杂,包括岩石边坡和土夹石边坡,坡度陡峭,高度较高,岩体破碎,落石严重。
施工人员全在高坡作业,安全技术措施要求高,必须采取信息法施工技术。
施工现场布置较为困难,需要将各施工区剩余空地作为设备安装区域,生活设施设于施工区域以外。
施工用电和用水也需要特别安排。
施工前期准备阶段非常重要,需要进行现场勘察和测量,确定施工方案和工序,准备施工所需材料和设备,并建立施工现场安全管理制度。
在施工过程中,需要严格按照工艺和方法进行施工,确保系统的完整性和可靠性。
清除坡面防护区域内的浮土和浮石,以消除施工安全隐患。
使用洋铲、钢钎等工具进行清理或临时处理。
使用皮尺、钢尺等测量工具,按照锚杆纵横标准间距4.5m×4.5m(与网块尺寸为4m×4m钢丝绳对应)放线确定锚杆孔位。
为确保系统尽可能紧贴坡面,锚杆孔位尽量布置在天然低洼处。
如果需要增补锚杆以满足紧贴坡面的要求,则同时测量定位。
局部区域需要增补锚杆时,也需要进行测量。
本工程位于我国某高速公路边坡,主要目的是为了提高边坡的稳定性,防止山体滑坡、落石等自然灾害的发生,确保行车安全。
工程规模较大,涉及边坡面积约为15000平方米,共计12处防护区域。
二、施工方案1. 施工准备(1)施工人员:组织一支经验丰富的施工队伍,包括技术人员、施工人员、安全员等。
(2)施工材料:GPS2型SNS主动防护网、锚杆、钢筋、水泥、砂浆、支撑绳、缝合绳等。
(3)施工设备:钻机、注浆泵、紧线器、手动葫芦、切割机、砂轮机等。
2. 施工工艺(1)边坡清理:对边坡进行清理,清除坡面防护区域内威胁施工安全的浮土及浮石,对不利于施工安装和影响系统安装后正常功能发挥的局部地形(局部堆积体和凸起体等)进行适当修整。
(2)锚杆孔位确定:根据设计施工图,放线测量确定锚杆孔位。
在孔间距允许的调整量范围内,尽可能在低凹处选定锚杆孔位。
对非低凹处或不能满足系统安装后尽可能紧贴坡面的锚杆孔(一般连续悬空面积不得大于5m,否则宜增设长度)。
(3)钻孔及注浆:按设计深度钻孔并清孔,孔深应比设计锚杆长5cm以上,孔径不小于45mm。
采用标号不低于M20的水泥砂浆,宜用灰砂比1:1~1:1.2,水灰比0.45~0.50的水泥砂浆,水泥宜用425号普通硅酸盐水泥,优先选用粒径不大于3mm的中细砂,确保浆液饱满。
注浆养护不少于3天。
(4)安装支撑绳:采用-12的纵向钢丝绳和-16横向钢丝绳组成5.5m×5.5m正方形模式的支撑绳结构与锚杆相联结。
张拉紧后,两端各用两个绳卡与锚杆外露环套固定连接。
(5)铺设格栅网:从上向下铺挂格栅网,网与网重叠宽度不小于125px,两张格栅网间缝合用直径不小于1.2mm的铁丝扎结,格栅网与支撑绳间用1.2铁丝按1m 间距进行扎结。
(6)铺设钢绳网:从上向下铺设钢绳网,缝合绳为8钢绳,每张钢绳网均用一根长33.5m的缝合绳与四周支撑绳进行缝合并预张拉,缝合绳的两端各用两个绳卡进行固定连结。
主动柔性防护网工程施工技术方案
本文介绍了贺州至巴马高速公路钟山至昭平段四分部项目部的路堑主动柔性防护网工程施工技术方案。
文章首先列举了编制依据,包括《公路路基施工技术规范》、《公路工程质量检验评定标准》、《公路工程施工安全技术规程》、《路基防护工程一般设计图(主动柔性防护系统二)》以及本公司在路基边坡主动柔性防护系统施工方面的经验。
接下来,文章介绍了该项目部的工程概况,包括路线全长7.5公里,起点位于贺州市昭平县城西白鸠村,终点位于昭平县昭平镇闽发红砖厂附近,与昭平至蒙山高速公路起点相接,设置昭平互通与省道S207二级公路连接。
全线采用双向四车道高速公路,设计速度为100公里/小时,路基宽26米。
文章还介绍了该项目部的管理人员、设备配置以及施工进度安排。
接着,详细介绍了主动柔性网防护施工的工艺原理、施工准备、施工工艺步骤及流程图以及工艺步骤说明。
同时,文章也列举了质量标准及检验方法、质量保证措施、安全保证措施以及环境保护保证措施。
最后,文章附上了相关附件。
钢丝绳网和格栅网是主要构成柔性网的系统,通过钢丝绳锚杆或支撑绳固定在有潜在地质灾害的坡面上,以达到防护的目的。
主动柔性防护网的明显特征是采用系统锚杆固定,并根据柔性网的不同,分别通过支撑绳和缝合张拉(钢丝绳网和铁丝格栅)来对柔性网部分实现预张,从而对整个边坡形成连续支撑。
预张拉作业使系统尽可能紧贴坡面并形成了抑制局部岩土体移动或在发生局部位移或破坏后将其裹缚(滞留)原位附近的预应力,从而实现其主动防护(加固)功能。
主动柔性防护网系统能将局部集中荷载向四周均匀传递以充分发挥整个系统的防护能力,即局部受载,整体作用,从而使系统能承受较大的荷载并降低单根锚杆的锚固力要求。
施工原理图纸如下所示:
施工准备包括技术准备、生产准备和物资准备。
施工人员需要熟悉图纸、规范,并对施工现场、工地地质条件进行详细调查研究。
测量人员进行施工放样,并对现场人员进行技术交底工作。
现场施工所需的用电均来自花六大桥桥头变压器。
现场修筑临时施工通道,能够保证施工车辆行车安全。
施工所需的设备提前进场,并能满足施工要求。
现场施工的主要材料包
括支撑绳、纵向支撑绳直径为Φ12mm,横向支撑绳直径为
Φ16mm。
钢丝绳网、格栅网等。
具体的规格要求如下所示:
锚杆的直径为Φ16mm,钢丝绳网将采用Φ8钢丝绳编制,其
公称抗拉强度不小于1770MPa,最小断裂力不小于40KN。
钢
丝绳网由菱形网组成,其网孔边长为300mm,网块规格采用
4×4/2m。
施工所需材料进场前,必须经过试验及监理工程师
的抽检,只有抽检合格后,才能进场并用于施工。
施工步骤包括边坡清理、测量放样、钻钢丝绳锚杆孔、安装支撑绳、挂格栅网缝合、挂钢丝绳网缝合、格栅网与钢丝绳网缝合、张拉网。
施工工艺流程图如下所示:
在进行锚杆注浆时,需要确保锚杆完全放入锚孔内,并且锚杆环套外露长度不超过5cm。
如果长度超过5cm,就需要重新用锚杆钻凿,以确保锚杆安装到位。
现场注浆需要边捣固边灌注,以防止空气影响锚杆锚固质量。
注浆后,需要保证凝结时间不低于48小时,否则严禁进行下一道工序,并确保锚杆
不受外力作用。
在整个施工过程中,需要特别注意环套加工以及锚头封闭。
制作钢丝绳套环时,采用50cm长φ16钢丝绳弯曲成环形,连
接处用2个U型卡扣上牢。
在每一孔位处凿一定深度的凹坑,一般口径为20cm,深度为15cm。
将套环悬挂于锚杆尾部弯钩上。
锚杆外露套环顶端不能高出地表。
用C25混凝土封闭凹坑,套环大部露出混凝土,套环与锚杆弯钩连接处必须封闭于混凝土内。
在安装纵、横向支撑绳时,需要准确测量每根支撑绳两端锚杆间的距离,并在测得每根长度的基础上两端各增加1m。
从一端锚杆开始,将钢丝绳绳头穿过锚杆并弯曲,采用与钢丝绳直径相适应的绳卡固定一端,绳卡间距为5~10mm,固定
后绳端留长度不小于20cm的自由尾绳。
支撑绳长度L(m)
为10以下时,选用2个绳卡;10~30时,选用3个绳卡;30
以上时,选用4个绳卡。
支撑绳到达锚杆最后一端后,将绳尾穿过最后一根锚杆并弯曲,用拉紧力不小于5KN的紧绳器或
葫芦张紧,最后将尾端用绳卡采用与起始端相同的方式固定。
钢丝格栅必须位于系统底层并紧贴坡面,即支撑绳应在其下方,并沿支撑绳铺挂,每两格(即上下或左右)铺设两张钢丝格栅。
钢丝格栅网块间搭接宽度不小于10cm,用直径不小
于1.2mm的铁丝扎结。
缝合钢丝格栅网与支撑绳间用小
2.2mm扎丝扎结,扎结点间距不大于1m,铺设边界处钢丝格
栅网反向折叠宽度不小于20cm。
最后,在挂钢丝绳网缝合时,需要注意与之前的步骤相同,缝合点间距不大于1m,铺设边界处钢丝绳网反向折叠宽度不
小于20cm。
3.健全自检组织,加强质量领导。
班组进行自检后,质检
员负责监督各作业组的质量检查,形成自上而下的质量检查工作网,确保工程质量在施工全过程中始终处于受控状态。
4.严格质量管理,确保措施落实。
在质量管理过程中,严
格执行工程测量双检复核制度、质量事故报告制度、关键工序把关制度,努力规范质量管理工作制度化。
5.严格控制原材料质量。
进场的原材料和半成品必须经过“三检制”,即监理工程师、现场试验人员取样,经工地试验室检验并填写质量检验报告单,合格后才能使用。
6.实施标准化作业和规范施工程序。
严格按照设计图纸、
施工规范、规则和标准进行施工,并进行技术交底。
8.施工安全保证措施:
现场道路坚实、平整、畅通,危险地点悬挂《安全标志》规定的标牌,施工现场设置大幅安全宣传标语。
施工时必须佩戴安全帽、安全带,严禁酒后疲劳施工。
施工时必须采取安全绳、安全带等措施加强作业人员和坡面作业机具的保护。
严格按照机械操作程序施工,处理机械故障时,必须使设备断电、停风,向施工设备送电、送风前,应通知相关的施工人员。
施工前,应认真检查和处理主动防护网作业区的危石,施工机具应放置在安全地带。
在陡边坡上铺挂各类网时,在铺挂、缝合、固定前应用软绳或φ8钢绳悬挂固定,避免坠落。
张拉时必须各就各位,张拉前端禁止站人,以防发生意外事故。
张拉时用力均匀,不可盲目操作,听从主管人员的指挥。
9.环境保护措施:
控制噪音和污染:合理分布动力机械的工作场所,对噪音超标的机械设备采用消音器来降低噪音。
减少粉尘:钻眼可能产生粉尘的设备应挡板及棚布,作业场地应及时清扫、冲洗,运输道路要定时洒水防尘。
保护场地周围环境:不在工地围蔽外堆放材料、垃圾,严格按照批准的占地范围使用占地,施工现场内道路平整、顺畅,排水良好。
不向农田河道弃土,不将污水、油污、化工产品废料排入河道,污染水源。
在施工期间,我们要爱护环境、保护绿化和已有建筑物、路面,不损坏、不污染,完工时要彻底清场,恢复原有道路和设施,并将工地及周围环境清理整洁,做到工完、料清、场地洁净,以便一次顺利交付。
施工时要按照设计要求测定粉尘浓度。
进行钻孔和灌浆作业的人员,应该使用个人防尘、防护用具。
灌浆剩余的水泥浆不得随意丢弃。
在成品保护方面,钻孔结束和清孔完成后,应该将孔口暂时封堵,避免碎屑杂物进入孔内。
成孔后应尽快安装锚杆,并进行灌浆,以防止塌孔。
灌浆结束后,应该保护好锚杆,防止
外力使锚杆活动,影响锚杆与水泥的粘结力。
封孔注浆后,锚头部分应涂防腐剂,并按照设计进行封闭。
此外,我们还要注意环境保护。
分部经理、分部书记、分部总工程师、工程技术部、设备物资部、安全XXX和综合办公室等部门都要参与进来,各工区、作业队也要积极配合,共同做好环境保护工作。