钢筋桁架楼承板综合经济分析和比较
- 格式:docx
- 大小:82.09 KB
- 文档页数:4
钢筋桁架楼承板的应用浅析1、钢筋桁架楼承板推广前景⑴由于钢筋桁架楼承板实现了在工厂进行钢筋下料、定位成型,钢筋废料少,既节约了材料又有利于环保。
楼板在施工现场只需绑扎分布筋和连接筋,钢筋绑扎工作量可以减少60%~70%,提高整体施工速度。
⑵钢筋桁架楼承板是直接支撑在钢梁或者混凝土梁上,本身既是混凝土楼板的受力筋,也是楼板支撑架更是混凝土楼板的模板,省去了搭设支撑架和支模板的人工,在当前劳务用工紧缺的时代会更加得到青睐,并且也减少了人工费用,加快了施工进度,对降低经济成本和增加效率有很好的作用。
⑶改善了混凝土楼板的受力性能,混凝土板的自重完全有钢筋承担,不在混凝土内产生拉应力,使用阶段负弯矩区和正弯矩区混凝土拉应力显著降低,减小了裂缝宽度。
镀锌钢板的存在避免了楼板下部裂缝暴露,改善了楼板的使用性能和耐久性。
楼承板钢筋被混凝土包裹,具有可靠地耐火性能。
实验表明,楼板厚度为100mm厚(对应的钢筋桁架高度为70mm)时,耐火时限为1.68h,镀锌钢板无需防火保护。
⑷钢筋桁架楼承板下表面平整美观,无需型压板肋和波纹,镀锌板展开利用率达到96%,厚度仅需0.5mm,与普通压型钢板相比,减少了单位面积用钢量,节约了成本。
2、工程使用及推广情况概述宁夏国际会议中心是中阿经贸论坛永久性会址,也是宁夏具有重要国际影响力的会展建筑。
建设地点位于银川市金凤区北部,东临亲水大街,北接览山剧场,西靠阅海湖,工程开工日期为2012年10月10日,总建筑面积约77600平方米,地下二层,地上四层,局部设夹层,结构形式为框剪结构、钢结构,抗震设防烈度为八度,结构設计使用年限100年,工程使用钢筋楼承板面积约为15000㎡。
通过该工程成功应用钢筋桁架楼承板,不仅取得了良好的经济效益和社会效益,还引起了宁夏回族自治区主席及建设厅领导多次来工地视察楼承板的应用,并且建设厅还组织了总人数多达1300人的大型观摩会,为钢筋桁架楼承板的推广应用起到了积极的贡献作用。
楼板经济比较方—压线钢板与钢筋桁架楼承板一、前言楼板是构成楼房水平结构的组成部分,作为建筑物的承载面,承受着人员活动、家具、装饰以及其他装置的重量,是楼房的重要承载构件。
因此选择经济、安全、耐久、易施工的楼板构造方案十分重要。
钢结构楼板是近年来被广泛推广的一种新型楼板体系,其有以下特点:轻质、高层、耐震、可拆卸、柔韧性强等。
而在实际使用中,压线钢板和钢筋桁架楼承板作为两种较为常见的钢结构楼板,成为了人们选择时的主要考虑因素。
本文将从楼板构造方式、施工效率、安全可靠性、造价等四个方面对比分析压线钢板和钢筋桁架楼承板,探讨策略性选用经济、实用、符合建筑标准的楼板体系。
二、楼板构造方式压线钢板和钢筋桁架楼承板的本质区别在于构造方式。
压线钢板是由一些压线钢板和一些接合器组成的板,直接放在梁上进行安装,形成完整的楼面层;而钢筋桁架楼承板则是由桁架和钢筋混凝土楼板板面构成。
这种差别直接导致了两者的使用方法和生产效率的不同。
使用压线钢板时,只需要进行简单的切割、倾斜和连接即可进行安装,且在现场连接时可以直接采用螺栓连接法,避免在现场加工。
而对于钢筋桁架楼承板,需要组装钢构或钢筋混凝土板,并进行现场板面的浇注,因此需要填充各种物料进行现场加工,效率较低。
三、施工效率由于施工效率与楼板构造方式紧密相关,因此当建筑师决定选用何种楼板体系时,需要考虑其施工效率是否高效。
在使用压线钢板的情况下,可以进行快速高效的计划,使建筑施工时间进一步减少,从而大大提高了经济效益。
而使用钢筋桁架楼承板进行建筑施工时,由于需要跨度和梁跨度的设计,所以需要大量的现场加工,相比之下施工速度较慢。
四、安全可靠性在施工过程中,安全问题显然是一件非常重要的问题。
因此,建筑师需要考虑何种楼板体系具有更高的安全性和可靠性。
在使用压线钢板的情况下,由于中央隆起部分具有较高的强度,能够抵抗弯曲和变形,从而使整个楼板系统变得更加牢固。
而对于钢筋桁架楼承板,则需要使用大量螺栓将板面连接起来,而螺栓本身是容易松动和脱落的,因此需要更高的维修成本,可靠性较差。
钢筋桁架楼承板主要型号及价格钢筋桁架楼承板是新一代绿色建筑材料,它具有普通钢筋不能比拟的优势,下面一起跟小编来看下钢筋桁架楼承板的经济和技术优势。
1)钢筋桁架楼承板施工速度快钢筋桁架楼承板是桁架跟楼承板的结合体。
它直接支承在钢梁或混凝土梁上,本身既是混凝土楼板的受力钢筋,也是施工脚手架更是混凝土楼板的模板,节省了搭设脚手架和支模板的时间。
钢筋桁架楼承板大大地提高了工人在高空建筑中绑扎钢筋的速度,实现了在工厂钢筋下料,定位成型和定尺,钢筋废料少,有利于环保,楼板的施工现场只需布置横向分布筋和连接筋,钢筋绑扎工作量可减60~70%,提高整体施工速度。
钢筋桁架楼承板直接支承在楼层梁上,其桁架合理的受力模式,为多工种作业提供了宽敞的安全工作平台,浇筑混凝土及其它工种均可多层立体施工,楼板可多层同时浇筑,可充分发挥商品混凝土的优势,大大缩短了工期,尤其对规模较大的高层,超高层建筑具有明显的工期优势。
2)钢筋桁架楼承板受力性能好楼板的自重完全由钢筋承受,不在混凝土内产生拉应力,使用阶段负弯矩区和正弯矩区混凝土拉应力显著降低,裂缝宽度减小,镀锌钢板的存在避免了楼板下面的暴露裂缝,改善了楼板的使用性能和耐久性。
采用钢筋桁架楼承板后可根据需要将楼板设计成双向板,等同于传统的现浇钢筋混凝土双向配筋楼板,而压型钢板组合楼板是难以实现双向板的,采用双向板不仅减小楼板结构层厚度,降低结构自重,增大跨度和开间,而且更加经济合理。
钢筋完全被混凝土包裹,具有可靠的耐火性能,与传统现浇楼板等同。
试验结果表明,楼板厚度为100mm厚(对应的钢筋桁架高度为70mm)时,耐火时限为1.68小时,镀锌钢板无须防火保护。
钢筋桁架楼承板钢筋桁架楼承板采用镀锌钢板,具有防腐蚀功能,但在使用阶段不考虑镀锌钢板的作用,无需防腐处理。
相对于压型钢板组合楼板,钢筋桁架楼层板具有更优越防腐蚀性能。
楼板整体钢度大,振动小,隔声性能好,楼板下表面平整,易于建筑装修。
综合经济分析和比较:(一)、直接经济成本比较1、钢筋桁架楼承板方案:方案设计:选用TD3-70(100厚楼板),施工阶段无支撑跨度为3.2m。
现场钢筋配置约4.3Kg/m2。
●以下节点为100mm厚楼板配筋方案:楼板价格分析:楼承板价格+混凝土费用+现场钢筋+临时支撑=115+30+23.65=168.65(元/m2)2、普通压型钢承板方案:方案设计:选用2W型压型钢板,肋高51mm,钢板厚度为0.9mm,楼板厚度为115mm,现场无支撑跨度为 2.9m,所以现场需在跨中设置一道临时支撑。
现场钢筋配置约9.5 Kg/m2。
●以下节点为115mm厚普通钢承板配筋方案:普通压型钢承板价格分析:钢承板价格+混凝土费用+现场钢筋+临时支撑+堵头配件=75+27+52.25+15+10=179.25(元/m2)3、闭口型钢承板方案:方案设计:选用BD-40(0.9mm)闭口型钢承板,现场无支撑跨度为2.3m,所以现场需在跨中设置一道临时支撑。
现场钢筋配置约7.025Kg/m2。
闭口型钢承板价格分析:钢承板价格+混凝土费用+现场钢筋+临时支撑=95+30+38.64+15=178.64(元/m2)4、现浇板方案:方案设计:现浇板,施工阶段需设木模支撑,现场钢筋配置5.053Kg/m2楼板价格分析:(1)工日比较分析:采用钢筋桁架楼承板在施工速度上比采用现浇板有较大的提高,主要体现在现场钢筋的施工和支撑的施工速度上,现按100㎡的楼板面积,即:1.临时支撑:根据经验,一道临时支撑1工日/100㎡,满堂脚手架6.55工日/100㎡;2.螺纹钢制安:根据定额,按4.91工日/T计算;3.压型钢板安装:根据经验,按照1工日/100㎡计算。
4.木模板制安:根据定额,按照20工日/100㎡计算。
●按100㎡计算,若采用钢筋桁架楼承板,将比采用现浇板节省28工日/100㎡。
如按楼板总面积10000㎡计算,每层上56个工人施工,比采用现浇板模板费用+脚手架费用+混凝土费用+现场钢筋+工期费用=65+30+27.8+72.2=195.00(元/m2)(三)、综合经济成本比较分析:。
钢筋桁架楼承板(自承式楼承板)较常用楼承板优点:1.能轻松地完成双向板施工及使用,而普通的压型板下皮垂直于肋方向钢筋无法部。
2.在钢结构倒装法施工中,梁间距3米以上,普通的压型板基本上就的加设临时支撑;钢筋桁架模板经简单处理,最大无支撑间距可达5米以上。
3.钢筋桁架模板铺设时临时固定简便,加少了风对施工的影响。
4.钢筋桁架模板钢筋基本上都经处理,提高了钢筋利用率。
5.在桁架模板上临时开洞,基本无需加固,而且机电线、管加设方便。
钢筋桁架楼承板较常用楼承板缺点:1.钢筋桁架模板价格较高,接近普通的压型板的2倍。
2.它的施工铺设较普通压型板难得多,钢筋绑扎也比较困难。
3.钢筋桁架模板无相关的国家、行业规范,不是专门的设计单位,在设计过程中很少考虑;普通的压型板有较为成熟的规范,能普遍的被设计单位接受。
4雨季施工.桁架模板钢筋会有锈蚀,钢筋除锈工作量不小。
5.施工过程中进行模板上运输,普通的压型板经简单处理,就能进行方便运输。
无论钢筋桁架模板还是普通的压型板支设都比较方便,无论是做临时模板还是承重结构(普通的压型板专指闭口板)都无需喷涂防火涂料。
钢筋桁架楼承板概述钢筋桁架楼承板是将楼板中的钢筋在工厂采用进口设备加工成钢筋桁架,并将钢筋桁架与镀锌钢板在工厂焊接成一体的组合模板。
该模板系统是将混凝土楼板中的钢筋与施工模板组合为一体,组成一个在施工阶段能够承受湿混凝土自重及施工荷载的承重构件,并且该构件在施工阶段可作为钢梁的侧向支撑使用。
在使用阶段,钢筋桁架与混凝土共同工作,承受使用荷载。
钢筋桁架楼承板上、下弦钢筋采用成盘供应的热轧带肋钢筋HRB400或冷轧带肋钢筋CRB550级;腹杆采用成盘供应的冷轧光圆钢筋;底模采用镀锌钢板,厚度常用为0.5mm,双面镀锌量不小于120g/m2。
作为第三代钢楼承板,除具有前两代钢楼承板及现浇板的各种优点外,还具有技术领先、施工快捷,抗震、防火、防腐性能好,质量稳定、安全可靠,板底平整、美观环保,选材经济、综合造价低、板型丰富等优点。
《钢筋桁架楼承板与其他类型楼承板技术比较与造价分析》钢筋桁架楼承板与其他类型楼承板-----技术比较与造价分析一.产品介绍:钢筋桁架楼承板是将楼板中的钢筋在工厂加工成钢筋桁架,并将钢筋桁架与镀锌压型钢板焊接成一体的组合模板。
在其上面浇注混凝土,形成钢筋桁架混凝土楼板。
作为第三代钢筋桁架楼承板,除了具有前两代刚楼承板及现浇混凝土板的各种优点外,还具有技术领先,施工快捷,抗震、防火、防腐性能好,质量稳定、安全可靠,板底平整,选材经济、综合造价低、板型丰富等优点。
二.产品的优特点:1. 综合造价经济(1)组合楼板桁架受力模式合理,选材和用量精密,最大程度避免了原材的非必要性浪费,满足大跨度的屋面及楼盖板承载要求,从而达到最大程度的节约资源。
(2) 桁架楼板均为在工厂预制成型并分组,水平运输到施工现场后,工人只需按编号进行搭梁并组合铺设即可,与现浇混凝土板和压型钢板相比,节省了大量的人工现场绑扎钢筋的步骤。
现场作业量大幅降低,从而节约人工资源。
(3)与传统楼承板相比,剔除了导致材料成本提高的元素,改变了楼承板在施工阶段的受力模式,减少了客户后期维护的费用。
(4)底模不参与使用阶段的受力,无需考虑防火.防腐问题节约一定的维护费用。
2. 便捷安装缩短工期(1)大幅度降低了现场的安装、绑扎、焊接的工作量,并可多层多面同时铺设。
(2)桁架受力模式合理,可满足大跨度铺设,大大的减少了施工临时支撑,节约时间。
(3)所有模板均为预制,对工期上的应急和缩短要求都可以给予最大化的支持。
3.设计技术先进(1)从设计上分析,钢筋桁架楼承板的设计科学合理,钢筋桁架均匀分布在底模板上,受力均匀。
因钢筋桁架为三角梁设计,净空高度比压型钢板和现浇混凝土楼板提高20%,为后期的配筋,布线等配套施工提供了最大的空间和方便。
(2)从应用角度分析,钢筋桁架楼层板早于多年前便在欧洲美洲建筑市场被广泛应用。
再配合当今最先进的钢结构主体框架结构设计,衔接完美。
钢筋桁架楼承板在建筑领域中的应用浅析1概述随着国民经济的发展和人民生活水平的逐步提高,人们对居住和工作场所的要求也不断提高。
许多国家的经验证明,它是经济发展和社会进步的必然趋势。
建筑业的进步不仅要求建筑物的质量、功能要完善,而且要求其美观且无害人体健康等。
这就要求发展多功能和高效的新型建材及制品,只有这样才能适应社会进步的要求。
使用新型建筑材料及制品,可以显著改善建筑物的功能,增加建筑物的使用面积,提高抗震能力,便于机械化施工和提高施工效率,而且同等情况下可以降低建筑造价。
钢筋桁架楼承板是将楼板中的钢筋在工厂加工成钢筋桁架,并将钢筋桁架与镀锌压型钢板焊接成一体的组合模板。
在施工阶段,钢筋桁架楼承板可承受施工荷载,直接铺设到梁上,进行简单的钢筋工程便可浇筑混凝土。
由于完全替代了模板功能,减少了模板架设和拆卸工程,大大提高了楼板施工效率。
由于钢筋桁架楼承板具有经济、便捷、安全、可靠的特点,可广泛用于多层厂房,多层、高层、超高层钢结构楼宇、各种不规则楼面、混凝土结构、高速铁路等结构和建筑领域。
2钢筋桁架楼承板组成钢筋桁架是由三根拉直的钢筋按三角形布置,通过两根通长波浪形弯曲的腹杆钢筋电阻点焊连接成型。
如腹杆钢筋的下折角不侧向弯曲,称为直角桁架;如腹杆钢筋的下折角有侧向弯曲,称为弯角桁架。
L型钢封边板应用于楼板边、洞口边,起包边作用。
2.1材料参数:上、下弦钢筋:采用三级热扎盘螺纹钢筋HRB400级或冷轧带肋钢筋CRB550级;腹杆钢筋:采用冷轧光面钢筋;底模钢板:根据用途不同,可采用镀锌钢板或冷轧钢板,常用厚度为0.4~0.5mm,双面镀锌量120g/m2;钢封边板:采用1.5~3mm的镀锌钢板或普通钢板。
2.2产品尺寸参数钢筋桁架楼承板底模双折边设计有效增强板边强度,运输和施工边缘不易弯曲变形;保证产品边缘平直,底模扣接更容易;提高底模搭接密实度,有效防止漏浆。
4钢筋桁架楼承板在各类型结构应用中的优势4.1高层、超高层结构:高层和超高层建筑不仅对结构质量有十分严格的要求,而且对工期和现场安全有特别要求。
楼承钢板楼承板和钢筋桁架楼承板分析楼承板(钢承板,建筑压型钢板)是采用镀锌钢板经辊压冷弯成型,其截面成V型、U型、梯形或类似这几种形状的波形,主要用作永久性模板,也可被选为其他用途。
叫法组合楼板,楼承板,钢承板,压型钢板,楼层板,钢楼承板,组合楼层板,镀锌钢承板,镀锌楼层板,镀锌楼承板,组合楼承板,组合楼板,楼面钢承板,建筑压型钢板,组合楼板等,又分为:开口楼承板,全闭口型楼承板,燕尾式楼承板(也叫缩口型楼承板)等主要特点1:适应主体钢构造快速施工的要求,能够在短时间内提供坚决的作业平台,并可采用多个楼层铺设压型钢板,分层浇筑混凝土板的流水施工。
2:在使用阶段楼承板作为混凝土楼板的受拉钢筋,也提高了楼板的刚度,节省了钢筋和混凝土的用量。
3:压型板表面压纹使楼承板与混凝土之间产生最大的结合力,使二者形成整体,配以加劲肋,使楼承板系统具有高强承载力。
4:在悬臂条件下,楼承板仅作为永久性模板。
悬挑的长度可根据楼承板的截面特性来定。
为了防止悬挑板的开裂,需在支座处依构造工程师的设计配上负筋。
5:本公司楼承板已通过国家固定灭火系统及耐火构件质量检测中心的耐火极限检测,作为组合楼承板无需防火喷涂,因此大大降低了工程造价。
产品应用产品广泛用于电厂、电力设备公司、汽车展厅、钢构造厂房、水泥库房、钢构造办公室、机场候机楼、火车站、体育场馆、音乐厅、大剧院、大型超市、物流中心、奥运场馆体育场馆等钢构造建筑。
产品测试a、动态加载测试,合格的楼承板需经过若干组动态加载测试,得出复合板的剪切-粘结系数,试验出该楼承板与混凝土结合能力,得出其在大跨度上承受的设计荷载。
b、耐火测试,利用3组楼板在耐火实验室做了1.5小时、2小时及3小时的加载耐火测试,同时测量楼板内的温度分布,试验出该楼承板是否到达隔热要求,在耐火阶段的正弯矩抵抗能力如何。
楼承板的构造与使用方法楼承板型材厚0.8mm、1.0mm、1.2mm宽688mm~940mm,高51mm~76mm.工程楼面楼承板与钢筋混凝土构造共同作用,系复合构造。
楼层板的经济效益和社会效益
摘要:连环筋工钢筋桁架楼承板,其有很高的经济效益和社会效益
经济效益:
钢筋桁架楼承板与传统现浇楼板相比,同等设计条件下,楼板的直接造价(包括模板费用、现场钢筋费、混凝土费用、支撑费用)用平均高出约10~20元 /m2;从楼板的综合造价分析,由于现场绑扎工作量减少60%~70%,可大幅度缩短工期,减少人工消耗、机械消耗,从而减少项目的总体造价;由于无需脚手架及底模支撑,建筑物可以多层同时施工与交叉作业,可极大提高施工效率。
钢筋桁架楼承板综合经济效益十分明显。
钢筋桁架楼承板与其他压型钢板相比,除了同样具有无支撑、施工速度快的优点,其无支撑跨度更大,可减少次梁的布置;比普通压型钢板—混凝土组合楼板的厚度减少约20~50mm, 混凝土用量减少,室内净高增加;钢筋桁架楼承板无需考虑防火及防腐的问题,从而减少了防腐、防火措施的费用。
采用钢筋桁架楼承板比其他压型钢板在综合造价上也是具有较大优势。
社会效益:
由于钢筋桁架模板采用自动化加工设备与制造工艺,实现了标准化、工厂化大规模生产,具有焊接质量稳定、钢筋分布均匀及产品尺寸精确等优势;采用机械化、工业化安装,改善了工人施工条件,有效确保施工质量。
钢筋桁架模板的防腐和防火性能基本等同于现浇楼板,无需防腐和防火处理,且底部钢板在住宅钢结构等无需吊顶的建筑中可采用不镀锌冷轧钢板,并可拆卸回收,降低了成本,有利于环保,还达到了客户的观感需求。
与传统现浇楼板相比,钢筋桁架楼承板替代了大量的木模板、钢管脚手架支撑,减少了对环境资源的浪费。
满足了国家对建筑节能、节材及环保等可持续的新要求。
可见在未来的国家建设中楼层板将发挥其积极的作用,连环筋工也会用高质量的产品回报社会。
超高层项目楼板方案技术与经济比较[摘要]以无锡国金中心项目为例,介绍了楼板不同方案的技术与经济比较。
[关键词]超高层项目;楼层板;钢筋桁架组合楼板;技术与经济比较中图分类号:tu756.4+4文献标识码: a 文章编号:江苏省无锡市国金中心总承包工程位于无锡市南长区,工程主楼为一幢t1塔楼,67层,建筑高度339m,由办公、酒店、避难区及设备用房等组成。
t1塔楼包括下部的55层办公楼以及上部的12层酒店客房,其中办公楼的标准层层高为4.3m,酒店客房的标准层层高为4.1m。
总用地面积为29159.2 m2,总建筑面积为235587 m2,其中地上188982 m2,地下46605 m2。
是集商贸、超高层写字楼及超高层酒店等各种功能于一体的建筑综合体;结构形式采用:框架+核心筒+钢臂。
一、设计方案:1、设计条件:该项目设计条件:次梁间距为3.0米,楼板厚度为120mm,楼承板使用面积约为12.5万平米。
楼板附加恒荷载取1.9kn/㎡,活荷载取3.5kn/㎡。
2、钢筋桁架组合楼板:根据以上条件,楼承板选用td3-90,配筋示意见下图,垂直于钢筋桁架方向板底布置通长钢筋8@200(hpb235级),板面在支座处布置负弯矩钢筋;楼承板断开处加少量连接钢筋。
施工阶段无需加设临时支撑,计算可得钢筋用量约为:3.65kg/m2。
3、闭口板:闭口板配筋如下图所示;闭口板选用0.75厚和0.91厚的压型钢板,替代部分板底受力钢筋,配筋示意见下图,施工阶段需加设临时支撑。
计算可得钢筋用量为:5.43kg/m2。
二、造价分析:综合造价分析分为直接经济成本分析和间接经济成本分析,其中间接经济成本主要是由于工期的延长而产生。
2.1直接经济成本分析:钢筋桁架楼承板直接经济成本分析:均价165元/㎡闭口板直接经济成本分析:均价180元/㎡注:栓钉和混凝土用量两种楼板一致,故此处不列出比较。
综合以上对钢筋桁架楼承板和现浇板的直接费用分析可得:采用钢筋桁架楼承板将比采用闭口板直接经济成本降低:180-165=15元/㎡;本项目中,采用钢筋桁架楼承板,楼板厚度可以做到110mm,采用楼承板型号td3-80,施工阶段不加临时支撑,结构的整体自重和楼板的综合造价都将可以大大降低,如采用110mm厚楼板,配筋截面如下:楼板综合造价:均价161元/㎡楼板造价还可降低约4元/m2,总造价节省50万元。
目录引言 (2)第一章工程简介 (3)第二章钢筋桁架楼承板综合分析 (4)第三章外框钢筋桁架楼承板方案可行性对比分析 (10)第四章可行性分析结论及建议 (19)附件:钢筋桁架楼承板方案费用测算 (20)引言:随着科学技术的进步,建筑工程的快速发展,钢结构在超高建筑工程中的运用已高度成熟,伴随其产生的衍生产品——钢筋桁架楼承板也得到了广泛的应用,尤其是在超高钢结构工程中的应用更为广泛,其产品性能及产生的经济效果也得到高度的认可。
本报告书是针对xx地金融区起步区xx地块工程主楼外框原设计普通混凝土楼板方案与钢筋桁架楼板方案进行可行性分析,通过对技术、质量、安全、工期、经济效益五个方面综合对比分析,为业主决策提供参考及依据。
第一章工程简介第二章钢筋桁架楼承板综合分析2.1产品简介钢筋桁架楼承板是将楼板中的钢筋在工厂采用桁架设备加工成钢筋桁架,并将钢筋桁架与镀锌钢板在工厂焊接成一体的组合模板。
该模板系统是将混凝土楼板中的钢筋与施工模板组合为一体,组成一个在施工阶段能够承受混凝土自重及施工荷载的承重构件,并且该构件在施工阶段可作为钢梁的侧向支撑使用。
在使用阶段,钢筋桁架与混凝土共同工作,承受使用荷载。
在施工现场,可以将钢筋桁架楼承板直接铺设在钢梁上,然后进行简单的钢筋工程,便可浇筑混凝土。
底部镀锌压型钢板仅做模板用,不替代受力钢筋,故不需考虑防火喷涂及防腐维护的问题,并且,钢筋排列均匀,上下两层钢筋间距及混凝土保护层厚度能充分得到保证,为提高楼板施工质量创造了有利条件。
当浇筑混凝土形成楼板后,具有现浇板整体刚度大、抗震性能好、抗冲击性能好、防水性能好等众多优点。
2.2产品分析2.2.1实物照片钢筋桁架 --提供楼板施工阶段的刚度 --代替楼板使用阶段的受力钢筋 --设计遵循《钢结构设计规范》--钢筋直径可调,桁架高度可调,仅作施工阶段模板, 板型利用率为96%-- 钢筋桁架楼承板长度误差为±6mm ,高度误差为± 3mm ,间距误差为±10mm 。
概述钢筋桁架楼承板特点和优势南京汤山博物馆做为青奥会的重点工程,任务重、工期紧,质量严。
在钢结构深化设计阶段,针对楼板的选型,经过多次调研和讨论,最终确定为钢筋桁架楼承板。
它克服了传统压型钢板存在的楼板总厚度大、建筑物室内净高减少、楼板下表面不平整、钢筋绑扎繁琐、钢筋间距及混凝土保护层厚度难控制、防腐耐火等方面的不足。
實现了施工作业中平面及立体交叉施工,大大加快了工程进度。
钢筋桁架楼承板是一种模数化的楼板体系,其宽度和长度均可定制。
它是由钢筋加工成钢筋桁架,与双面镀锌薄钢板轧制成的底模组合,经点焊结合成一体,由工厂化生产的系列标准化产品。
正是基于此种构造,使其本身的具有明显的绿色建材优势。
主要从以下几个方面做简单的阐述:一、缩短工期①减少现场钢筋绑扎工作量。
与传统的楼承板比较,现场钢筋绑扎工作量可减少60~70%,提高整体施工速度。
②无需搭设脚手架,加快了施工进度。
③为各种工种提供多个工作平台,可立体施工。
二、节省资源及投资①底模利用率高。
经相关工程实践验证,待混凝土达到设计强度后,钢筋桁架楼承板的底模可以拆除,所以钢筋桁架楼承板可应用于不做吊顶的建筑(如住宅)。
底模拆除后对板底裸露的钢筋桁架腹筋需做防锈处理。
处理后楼板底部应进行抹灰工程。
②降低建筑层高,减轻结构自重。
在相同净空要求的情况下,与普通压型钢板的混凝土楼承板相比,建筑层高可降低30mm~50mm。
这一方面减少混凝土用量,节约成本,另一方面减轻了结构的永久荷载。
三、提高工程质量,改善楼板的使用性能①上下层钢筋保护层厚度得到保证。
钢筋间距排列均匀,位置固定,上层钢筋不会在浇筑混凝土过程中被踩下,上下层钢筋混凝土保护层厚度能保证符合设计要求。
②减小裂缝宽度,改善楼板使用性能。
与传统现浇钢筋混凝土楼板相比,钢筋桁架楼承板自重不在混凝土内产生拉应力,使用阶段负弯距区和下部混凝土的裂缝宽度减小,改善了楼板的使用性能。
③双向刚度相等,有利于建筑物抗震。
钢筋桁架楼承板可行性分析
钢筋桁架楼承板是一种常用于楼层结构的建筑构件,它具有一定的优势和特点。
在进行钢筋桁架楼承板的可行性分析时,主要需要考虑以下几个方面:
1. 承载能力:钢筋桁架楼承板的设计和选择应满足楼层结构的承载要求,其中包括静载荷和动力荷载的考虑。
需要确认承板的强度和刚度是否足够,以确保楼层的安全性和稳定性。
2. 施工难度:钢筋桁架楼承板的制作和安装较为复杂,需要进行焊接、切割等加工工艺,同时也需要进行现场的安装和调整。
因此,施工过程中需要考虑到钢筋桁架楼承板的加工和安装难度,以确保施工的顺利进行。
3. 成本考虑:钢筋桁架楼承板相对其他形式的楼层承载构件来说,可能会有一定的成本优势。
然而,制作和安装钢筋桁架楼承板也需耗费一定的成本,需要综合考虑其在项目中的总体成本效益。
4. 维护和使用:钢筋桁架楼承板的维护较为复杂,特别是针对涂层的保养和修复。
同时,承板制作需要充分考虑使用寿命,以确保其在长期使用过程中的稳定性和可靠性。
综上所述,应对钢筋桁架楼承板的可行性进行评估,综合考虑施工难度、成本效益和维护使用等方面的因素。
在选用钢筋桁架楼承板时,需要与相关专业领域的
工程师和技术人员进行充分的沟通和交流,以选择最适合项目需求的构件,并确保其达到相关标准和要求。
钢筋桁架楼承板价格引言钢筋桁架楼承板是一种常见的建筑材料,用于楼层的承载和支撑。
在建筑行业中,钢筋桁架楼承板被广泛应用于各类建筑项目,由于其优良的性能和稳定的结构,受到了广大建筑商和开发商的青睐。
然而,钢筋桁架楼承板价格的变动一直是业内关注的焦点。
本文将探讨钢筋桁架楼承板价格的相关因素和价格范围,以便为建筑行业相关从业者提供参考。
1. 钢筋桁架楼承板的特点钢筋桁架楼承板是一种由钢筋构成的网格结构,具有强度高、稳定性好、耐用性强等特点。
它的设计和制造经过严格的工艺和质量控制,确保了承板的质量和可靠性。
此外,钢筋桁架楼承板还具有重量轻、安装方便等优点,使得其成为建筑项目中的重要组成部分。
2. 影响钢筋桁架楼承板价格的因素(1)材料成本钢筋桁架楼承板的价格受到材料成本的直接影响。
主要材料包括钢筋和混凝土。
钢筋的价格与市场供求关系密切相关,受全球经济形势和钢铁市场波动的影响较大。
混凝土的价格受到水泥、砂石等原材料价格以及生产成本的影响。
(2)生产工艺和技术水平钢筋桁架楼承板的生产工艺和技术水平直接影响其生产成本和质量。
先进的生产工艺和技术能够提高生产效率、降低成本,并保证产品的质量稳定。
(3)市场竞争和供求关系钢筋桁架楼承板的价格也受到市场竞争和供求关系的影响。
市场竞争激烈时,供应商为了获得订单会适当降低价格,而供需不平衡时,价格可能会上涨。
(4)运输和安装成本钢筋桁架楼承板的运输和安装也会对价格产生一定的影响。
如果项目地点偏远或需要特殊的运输和安装方式,成本会相应增加。
3. 钢筋桁架楼承板价格的范围钢筋桁架楼承板的价格因地区和市场的差异而异。
一般来说,价格会在每平方米1000元至5000元之间浮动。
具体的价格还会受到上述因素的影响,在不同的地区和市场中可能存在较大的波动性。
4. 钢筋桁架楼承板价格的趋势根据市场调研和行业观察,过去几年钢筋桁架楼承板价格整体呈现上涨趋势。
原材料成本上升、劳动力成本增加、环保要求提高等因素都对价格产生了影响。
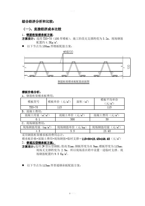
综合经济分析和比较:
(一)、直接经济成本比较
1、钢筋桁架楼承板方案:
方案设计:选用TD3-70(100厚楼板),施工阶段无支撑跨度为3.2m。
现场钢筋配置约4.3Kg/m2。
●以下节点为100mm厚楼板配筋方案:
楼板价格分析:
楼承板价格+混凝土费用+现场钢筋+临时支撑=115+30+23.65=168.65(元/m2)2、普通压型钢承板方案:
方案设计:选用2W型压型钢板,肋高51mm,钢板厚度为0.9mm,楼板厚度为115mm,现场无支撑跨度为2.9m,所以现场需在跨中设置一道临时
支撑。
现场钢筋配置约9.5 Kg/m2。
●以下节点为115mm厚普通钢承板配筋方案:
普通压型钢承板价格分析:
钢承板价格+混凝土费用+现场钢筋+临时支撑+堵头配件
=75+27+52.25+15+10=179.25(元/m2)
3、闭口型钢承板方案:
方案设计:选用BD-40(0.9mm)闭口型钢承板,现场无支撑跨度为2.3m,所以现场需在跨中设置一道临时支撑。
现场钢筋配置约7.025Kg/m2。
闭口型钢承板价格分析:
钢承板价格+混凝土费用+现场钢筋+临时支撑
=95+30+38.64+15=178.64(元/m2)
4、现浇板方案:
方案设计:现浇板,施工阶段需设木模支撑,现场钢筋配置5.053Kg/m2
楼板价格分析:
(1)工日比较分析:
采用钢筋桁架楼承板在施工速度上比采用现浇板有较大的提高,主要体现在现场钢筋的施工和支撑的施工速度上,现按100㎡的楼板面积,即:
1.临时支撑:根据经验,一道临时支撑1工日/100㎡,满堂脚手架6.55
工日/100㎡;
2.螺纹钢制安:根据定额,按4.91工日/T计算;
3.压型钢板安装:根据经验,按照1工日/100㎡计算。
4.木模板制安:根据定额,按照20工日/100㎡计算。
●按100㎡计算,若采用钢筋桁架楼承板,将比采用现浇板节省28工日/100
㎡。
如按楼板总面积10000㎡计算,每层上56个工人施工,比采用现浇板
模板费用+脚手架费用+混凝土费用+现场钢筋+工期费用=65+30+27.8+72.2=195.00(元/m2)
(三)、综合经济成本比较分析:。