RS232转网口接线顺序
- 格式:doc
- 大小:9.00 KB
- 文档页数:1
RS232和RS485接线的正确原理图RS-232是串行数据接口标准,最初都是由电子工业协会(EIA)制订并发布的,RS-232在1962年发布,命名为EIA-232-E,作为工业标准,以保证不同厂家产品之间的兼容。
RS-422由RS-232发展而来,它是为弥补RS-232之不足而提出的。
为改进RS-232通信距离短、速率低的缺点,RS-422定义了一种平衡通信接口,将传输速率提高到10Mb/s,传输距离延长到4000英尺(速率低于100kb/s时),并允许在一条平衡总线上连接最多10个接收器。
RS-422是一种单机发送、多机接收的单向、平衡传输规范,被命名为TIA/EIA-422-A标准。
为扩展应用范围,EIA又于1983年在RS-422基础上制定了RS-485标准,增加了多点、双向通信能力,即允许多个发送器连接到同一条总线上,同时增加了发送器的驱动能力和冲突保护特性,扩展了总线共模范围,后命名为TIA/EIA-485-A标准。
由于EIA提出的建议标准都是以“RS”作为前缀,所以在通讯工业领域,仍然习惯将上述标准以RS作前缀称谓。
备注:以上是官方的专业描述,看不懂没有关系,大致有个印象就可以了,有兴趣的可以上网可以买一些专业书籍做深入研究,我再用通俗的语言补充描述一下。
RS232通讯的基础知识:RS232通讯又叫串口通讯方式。
是指计算机通过RS232国际标准协议用串口连接线和单台设备(控制器)进行通讯的方式。
通讯距离:9600波特率下建议在13米以内。
通讯速率(波特率Baud Rate):缺省常用的是9600 bps,常见的还有1200 2400 4800 19200 38400等。
波特率越大,传输速度越快,但稳定的传输距离越短,抗干扰能力越差。
备注:一般台式机会自带1-2个串口插座(公头(9针插头上带针的俗称公头,带针孔的俗称母头)),现在的笔记本一般不带串口插座,可以购买USB串口转换器,具体请参考怎样使用USB串口转换器?公头接线端子排序图母头接线端子排序图一般只用 2 3 5 号三根线。
RS232和RS485接线的正确原理图RS-232是串行数据接口标准,最初都是由电子工业协会(EIA)制订并发布的,RS-232在1962年发布,命名为EIA-232-E,作为工业标准,以保证不同厂家产品之间的兼容。
RS-422由RS-232发展而来,它是为弥补R S-232之不足而提出的。
为改进RS-232通信距离短、速率低的缺点,RS-422定义了一种平衡通信接口,将传输速率提高到10M b/s,传输距离延长到4000英尺(速率低于100kb/s时),并允许在一条平衡总线上连接最多10个接收器。
RS-422是一种单机发送、多机接收的单向、平衡传输规范,被命名为TI A/EIA-422-A标准。
为扩展应用范围,EIA又于1983年在RS-422基础上制定了RS-485标准,增加了多点、双向通信能力,即允许多个发送器连接到同一条总线上,同时增加了发送器的驱动能力和冲突保护特性,扩展了总线共模范围,后命名为TI A/EIA-485-A标准。
由于EIA提出的建议标准都是以“RS”作为前缀,所以在通讯工业领域,仍然习惯将上述标准以R S作前缀称谓。
备注:以上是官方的专业描述,看不懂没有关系,大致有个印象就可以了,有兴趣的可以上网可以买一些专业书籍做深入研究,我再用通俗的语言补充描述一下。
RS232通讯的基础知识:RS232通讯又叫串口通讯方式。
是指计算机通过RS232国际标准协议用串口连接线和单台设备(控制器)进行通讯的方式。
通讯距离:9600波特率下建议在13米以内。
通讯速率(波特率Baud Rate):缺省常用的是9600 bps,常见的还有1200 2400 4800 1920038400等。
波特率越大,传输速度越快,但稳定的传输距离越短,抗干扰能力越差。
rs232 串口接线,RS232 串口通信基本接线方法
目前较为常用的串口有9 针串口(DB9)和25 针串口(DB25),通信距离较近时(《12m),可以用电缆线直接连接标准RS232 端口(RS422,RS485 较远),若距离较远,需附加调制解调器(MODEM)。
最为简单且常用的是三线制接法,即地、接收数据和发送数据三脚相连,本文只涉及到最为基本的接法,且直接用RS232 相连,以回答前段网友的咨询。
rs232 串口接线基本方法
目前较为常用的串口有9 针串口(DB9)和25 针串口(DB25),通信距离较近时(《12m),可以用电缆线直接连接标准RS232 端口RS422,RS485 较远),若距离较远,需附加调制解调器(MODEM)。
最为简单且常用的是三线制接法,即地、接收数据和发送数据三脚相连,本文只涉及到最为基本的接法,且直接用RS232 相连。
一、DB9 和DB25 的常用信号脚说明。
RS232接口在连接时,除了考虑其公母极性、连接针脚数等物理指标外,其内部结构中数据线与辅助线根据协议进行互连尤为重要。
在实际工作中,人们往往选用了对应的RS232接口卡,但是数据端接设备(DTE)和数据通信设备(DCE)还是不能连通,很多情况下原因是RS232连接器和连接线没有进行正确的配置。
如果需要连接不同类型的RS232连接器,可使用不同配置的适配器和电缆、或自己制作适配器和电缆。
RS232互连时其连接方式至关重要,购线网小编认为在了解连接方式后,根据其连接图,就可以选购和DIY制作符合需求的RS232适配器和连接线。
1、RS232直连连接器:在连接的两端为相同类型连接器时(例如DB9),此时要连接DTE和DCE,RS232电缆或连接器可直接连接对应的每一根导线,即引脚1到引脚1、引脚2到引脚2、依次对应直连,RS232电缆的接线也一一对应。
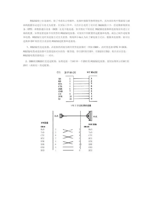
2、DB9到DB25针直连适配器:如果连接一个9针和一个25针的RS232连接器,使用如图所示的9针到25针(或相反)的适配器。
3、全握手连接(交互连接):DTE与DTE之间连接,允许硬件握手,常用于计算机之间的互连。
数据和握手信号输出连接到它们在另一台设备上的相应的输入。
4、循环回送连接:在一个循环回送连接中,握手信号输出循环回送给自身设备的相应输入,这在一台设备要求有握手信号而另一台不提供握手信号时很有用处。
如下图所示:数据线正常连接,但是握手信号输出循环回送到它们相应输入,RTS、CTS、DSR和CD连接到一起。
在这种方式下,无论什么时候只要DTE声明了RTS,会出现DCE声明CTS、DSR和CD。
一个变化是连接RTS和CTS,以及将DTR连接到DSR和CD。
但是,使用这种类型的连接如果接收设备不能跟上发送速度就会导致数据错误。
5、不使用硬件握手连接:3根导线连接。
连接交换RD和TD线,因此每个TD连接到对应的RD。
如下图所示:6、串行打印机连接:串行打印机通常配置成DTE数据终端设备,因此TD和RD必须连接到一台PC 机时进行交换。
RS232转ETHERCAT232转485转换器需要驱动吗RS232转ETHERCAT网关rs232转rs485接门详细接线图RS232转ETHERCAT网关rs485和modbus的关系RS232转ETHERCAT网关rs232和rs485接一样吗RS232转ETHERCAT连接ethercat通讯过程描述RS232转ETHERCAT连接ethercat网线接口定义RS485转ETHERCAT连接支持ethercat总线的PLCRS485转ETHERCAT网关rs485是什么意思RS485转ETHERCAT连接西门子支持ethercat吗RS485转ETHERCAT连接ethercat通讯协议详细解析RS485转ETHERCAT连接ethercat转换器RS485转ETHERCAT网关rs485和rs232区别总结RS485转ETHERCAT连接ethercat总线伺服如何控制我们将为大家介绍一款强大的设备——远创智控YC-ECT-RS485/232通讯网关。
这是一款自主研发的ETHERCAT从站功能的网关,它能够将ETHERCAT网络和RS485或RS232设备无缝连接。
这款网关在ETHERCAT总线和RS485或RS232总线中均能发挥主站或从站的作用。
它的最大特点就是解决了协议不兼容的问题,让不同协议设备间的数据传输变得更加高效和稳定。
1.2 技术参数1.2.1 ETHERCAT 技术参数网关做为ETHERCAT 网络的从站,可以连接倍福、欧姆龙、基恩士等厂家的PLC。
带2 个RJ45 以太网接口,支持100BASE-TX,MDI/MDIX 自检测,可以组成链式网络,支持环网冗余。
支持的最大PDO 长度,inputs 和outputs 各为256 字节。
Input 和output 的方向是主站方向,input 是主站输入,output 是主站输出。
1.2.2 RS485/RS232 技术参数RS485/RS232 波特率可以选择:300、600、1200、2400、4800、9600、19.2K、38.4K、57.6K、115.2K 等。
RS232串口接线图RS232是一种广泛应用于串行通信中的标准。
它定义了一种将数字信号转换为串行数据传输的方法,并规定了在串口之间进行数据通信时的物理连接。
接线图下面是RS232串口的接线图:___________ ___________| | | || DTE |------->| DCE ||___________| |___________|DTE DCEData Terminal Data Circuit-terminatingEquipment Equipment在上面的接线图中,DTE代表数据终端设备,DCE代表数据电路终端设备。
DTE可以是计算机、终端设备或数据通信设备,而DCE通常是调制解调器。
接线详解RS232串口使用了9个引脚进行数据传输,每个引脚的功能如下:•TD(Transmit Data):数据发送引脚,DTE通过该引脚将数据发送给DCE。
•RD(Receive Data):数据接收引脚,DTE通过该引脚接收DCE发送的数据。
•RTS(Request to Send):请求发送引脚,DTE通过该引脚告诉DCE 它准备好发送数据。
•CTS(Clear to Send):允许发送引脚,DCE通过该引脚告诉DTE它准备好接收数据。
•DTR(Data Terminal Ready):数据终端就绪引脚,DTE通过该引脚告诉DCE它准备好进行通信。
•DSR(Data Set Ready):数据集就绪引脚,DCE通过该引脚告诉DTE它准备好进行通信。
•SG(Signal Ground):信号地引脚,用于屏蔽引脚之间的电磁干扰。
•CD(Carrier Detect):载波检测引脚,DCE通过该引脚告诉DTE当前是否检测到了信号载波。
•RI(Ring Indicator):响铃指示引脚,DCE通过该引脚告诉DTE电话线上是否有来电。
根据以上信号引脚的功能,RS232串口的接线图可以表示如下: DTE DCE___________ ___________| | | || TD |------->| RD ||___________| |___________|Transmit Data Receive Data___________ ___________| | | || RD |<-------| TD ||___________| |___________|Receive Data Transmit Data___________ ___________| | | || RTS |------->| CTS ||___________| |___________|Request to Send Clear to Send___________ ___________| | | || CTS |<-------| RTS ||___________| |___________|Clear to Send Request to Send___________ ___________| | | || DTR |------->| DSR ||___________| |___________|Data Terminal Ready Data Set Ready___________ ___________| | | || DSR |<-------| DTR ||___________| |___________|Data Set Ready Data Terminal Ready___________ ___________| | | || SG |------->| SG ||___________| |___________|Signal Ground Signal Ground___________ ___________| | | || CD |<-------| CD ||___________| |___________|Carrier Detect Carrier Detect___________ ___________| | | || RI |<-------| RI ||___________| |___________|Ring Indicator Ring Indicator总结RS232串口是一种广泛应用于串行通信中的标准,它使用9个引脚进行数据传输,并定义了DTE和DCE之间的物理连接。
RS-232串口的线序9针----25针----名称----意义Pin1----Pin8----CD ----载波侦测(Carrier Detect)Pin2----Pin3----RXD----数据接受(Receive)Pin3----Pin2----TXD----数据发送(Transmit)Pin4----Pin20----DTR----数据段备妥(Data Terminal Ready)Pin5----Pin7----GND----地线Pin6----Pin6----DSR----数据备妥Pin7----Pin4----RTS----要求传送Pin8----Pin5----CTS----清除以传送(Clear To Send)Pin9----Pin22----RI----响铃侦测(Ring Indicator)这是完整接口,如果没有硬件握手,只要把RXD,TXD,GND这三个接好就可以用了。
RS-232数据通讯线Tx-----------------RxRx-----------------TxGND----------------GND接线方法2------------------33------------------25------------------5很简单,找对针脚定义即可。
发-收;收-发;地-地。
以下为详细内容用到的DB9定义:1载波检测(DCD) 、2接受数据(RXD) 、3发出数据(TXD)、4数据终端准备好(DTR) 、5信号地线(SG)、6数据准备好(DSR)、7请求发送(RTS) 、8清除发送(CTS)、9振铃指示(RI)用到的DB25定义:1未用、2发出数据(TXD)、3接受数据(RXD)、4请求发送(RTS)、5清除发送(CTS) 、6数据准备好(DSR) 、7信号地线(SG)、8载波检测(DCD)、9-19未用、20数据终端准备好(DTR)、21未用、22振铃指示(RI) 、23-25未用串行接口与外部设备之间的数据传送是按位进行的。
RS232串口通信基本接线方法目次:1.DB9和DB25的常用信号脚说明2.RS232C串口通信接线方法3.串口调试中要注意的几点目前较为常用的串口有9针串口(DB9)和25针串口(DB25),通信距离较近时(<12m),可以用电缆线直接连接标准R S232端口(RS422,RS485较远),若距离较远,需附加调制解调器(MODEM)。
最为简单且常用的是三线制接法,即地、接收数据和发送数据三脚相连,本文只涉及到最为基本的接法,且直接用RS232相连,以回答前段网友的咨询。
1.DB9和DB25的常用信号脚说明2.RS232C串口通信接线方法(三线制)首先,串口传输数据只要有接收数据针脚和发送针脚就能实现:同一个串口的接收脚和发送脚直接用线相连,两个串口相连或一个串口和多个串口相连·同一个串口的接收脚和发送脚直接用线相连对9针串口和25针串口,均是2与3直接相连;·两个不同串口(不论是同一台计算机的两个串口或分别是不同计算机的串口)上面表格是对微机标准串行口而言的,还有许多非标准设备,如接收GPS数据或电子罗盘数据,只要记住一个原则:接收数据针脚(或线)与发送数据针脚(或线)相连,彼些交叉,信号地对应相接,就能百战百胜。
3.串口调试中要注意的几点:·不同编码机制不能混接,如RS232C不能直接与R S422接口相连,市面上专门的各种转换器卖,必须通过转换器才能连接;·线路焊接要牢固,不然程序没问题,却因为接线问题误事;·串口调试时,准备一个好用的调试工具,如串口调试助手、串口精灵等,有事半功倍之效果;强烈建议不要带电插拨串口,插拨时至少有一端是断电的,否则串口易损坏。
-----------------------------目前较为常用的串口有9针串口(DB9)和25针串口(DB25),通信距离较近时(<12m),可以用电缆线直接连接标准R S232端口(RS422,RS485较远),若距离较远,需附加调制解调器(MODEM)。
RS232转网口的流控功能介绍1.RS232转网口的流控RS232转网口转换器ZLAN5103是支持RS232流控和网口流控的高性能转换器。
所谓流控即对数据流的速度进行控制,防止接收方缓冲区满的时候发送方继续发送数据引起数据的丢失。
RS232转网口中流控对于防止数据包丢失是相当重要的。
RS232和网口采用了不同的流控机制。
RS232的流控分为无流控、软件流控、硬件流控。
网口的流控一般采用TCP的窗口流控机制。
由于两种流控方式的不同,ZLAN5103在将RS232协议数据转换为网口协议数据的时候,也要进行流控方式的转换。
RS232的流控方式介绍如下:1.无流控:没有流控功能。
2.软件流控:软件流控也称之为XON/XOFF流控,使用控制字符XON、XOFF来实现。
在RS232数据通信过程中,如果发送方收到XOFF字符则停止发送数据,反之如果收到XON字符则重新开始发送数据。
XON一般定义为十六进制0x11,XOFF为十六进制0x13。
3.硬件流控:硬件流控又分为DSR/DTR流控和CTS/RTS流控。
硬件流控是通过硬件的高低电平来通知发送方,接收方的缓冲区是否快满了。
CTS/RTS流控时,RS232(DB9)的8引脚为RTS,7引脚为CTS。
DSR/DTR 流控时,RS232(DB9)的6引脚为DSR,4引脚为DTR。
网口流控方式:网口一般采用两种协议TCP协议和UDP协议。
其中UDP 协议是没有流控的,TCP协议采用窗口流控,即发送方知道接收方的接收缓冲区大小,发送方从而不会发送超过接收方接收能力的数据量,接收方也会定期告诉发送方窗口大小的变化。
ZLAN5103和ZLVircom相互配合实现RS232转网口的流控转化,例如当RS232给出硬件流控引脚高电平时(高电平表示开始流控),ZLAN5103的内嵌TCP/IP协议栈自动通知TCP窗口减少;反之当TCP窗口减少时ZLAN5103自动设置硬件流控引脚高为高电平。
常用连接线的制作1.网络通讯平行线的制作平行线用于网络产品与网络布线产品之间进行连接的标准568B连接线的通俗称呼。
在本产品上适合于计算机与 HUB、交换机的连接。
100BaseT连接双绞线,以100Mb/S的EIA/TIA 568B作为标准规格步骤 1:利用斜口错剪下所需要的双绞线长度,至少 0.6米,最多不超过 100米。
然后再利开,就可以得到较长的裸露线;带屏蔽的线只能再剥了(如图)棕右:蓝的位置,如图所示。
调整线序为以下顺序:左一:橙左二:蓝左三:绿左四:棕步骤5:小心的剥开每一对线,白色混线朝前。
因为我们是遵循EIA/TIA 568B的标准来制作接头,所以线对颜色是有一定顺序的(如图所示)。
需要特别注意的是,绿色条线应该跨越蓝色对线。
这里最容易犯错的地方就是将白绿线与绿线相邻放在一起,这样会造成串扰,使传输效率降低。
左起:白橙/橙/白绿/蓝/白蓝/绿/白棕/棕 ,常见的错误接法是将绿色线放到第4只脚的位置(如图所示)。
应该将绿色线放在第6只脚的位置才是正确的,因为在100BaseT网络中,第3只脚与第6只脚是同一对的,所以需要使用同一对残。
(见标准EIA/TIA 568B)左起:白橙/橙/白绿/蓝/白蓝/绿/白棕/棕步骤 6:将裸露出的双绞线用剪刀或斜口钳剪下只剩约 14mm的长度,之所以留下这个长度是接头,如右图接头的RJ45一以上线路制作完成后可以使用测线器进行测量。
2.网络通讯交叉线的制作制作方法和上面基本相同,只是在线序上不像568B,采用了1-3,2-6交换的方式,也就是一头使用568B制作,另外一头使用568A制作。
一端:白绿/绿/白橙/蓝/白蓝/橙/白棕/棕另一端:白橙/橙/白绿/蓝/白蓝/绿/白棕/棕-----3.12)的立场30~35米。
3)4)公头(针):泛指所有针式的接头。
母头(孔):泛指所有插槽式的接头。
所有接头的针脚有统一规定,在接头上都印好了的,连接时要注意查看。
RS232转pn网关rs232转网口需要如何设置RS232转pn网关rs232转网线RS232转pn网关rs232串门转网门接法RS232转pn网关rs232是什么接口RS232转pn网关RS232扫码枪接入到Profinet配置案例RS232转pn网关连接称重仪表RS232转pn网关连接锐码扫码枪RS232转pn网关PROFINET转RS232网关RS232转pn网关怎么设置RS232转pn网关rs232和rs485的区别RS232转pn网关rs232接门详细接线RS232转pn网关rs232转rs485接口详细接线图RS232转pn网关扫码枪连接plc程序RS232转pn网关扫码枪连接plc西门子RS232转pn网关扫码枪连接plc乱码怎么解决RS232转pn网关扫码枪连接电脑操作远创智控工业总线转换模块YC-RSPN-002(232转profinet)主要应用于不同总线协议的控制器、传感器、执行器之间的通讯领域。
可以应用于钢铁冶金、石油化工、汽车制造、轨道交通、水处理等行业。
远创智控YC-RSPN-002/001主要功能工业总线转换模块在PROFINET接口侧只能做从站,在通用串口侧可以读取数据发送给PROFINET主站,也可以把主站的数据发送给串口通信设备。
通用串口有两种接口形式,远创智控YC-RSPN-001串口为RS485接口,YC-RSPN-002串口为RS232接口。
有四种通信模式:“发-收-发-收”模式、“收-发-收-发”模式、“发-发”模式、“收-收”模式,见图1-1。
产品特点〉应用简单用户不用了解PROFIBUS技术细节,用户只需参考本手册及提供的应用实例,根据要求完成配置,不需要复杂编程,即可在短时间内实现与串口通信设备连接通信。
〉多种工作模式有四种通信模式:“发-收-发-收”模式、“收-发-收-发”模式、“发-发”模式、“收-收”模式。
〉强大的模块诊断模块附带USB接口,利用串口调试软件可以监测模块与PROFINET通信状态,和串口通信代码的发送和接收状态。
网线线序及网线转RS232——DB9线序网线制作有两种标准:568A和568B,网线两端都是同一标准即平行线,用于连接不同类型设备,例如:交换机和计算机之间的连接;两端是不同标准即交叉线,用于连接同类型设备,例如:两台计算机之间。
568A线序:绿白--绿--橙白--蓝--蓝白--橙--棕白--棕568B线序:橙白--橙--绿白--蓝--蓝白--绿--棕白--棕(即把568A的1和3、2和6对调即可)72--7572+1网管地址73+2交换机地址那么RS232--DB9公口2、3、5颜色分别对应蓝、蓝白、橙(水晶头一端568A)蓝--蓝白--绿(水晶头一端568B)母口2、3、5颜色分别对应蓝白、蓝、橙(水晶头一端568A)蓝白--蓝--绿(水晶头一端568B)交换机级联网线有2种接法:一、交叉线使用时分别连入2个交换机的“普通口” (此线也用于2台电脑直接连接)二、标准线一头接在交换机的“普通口” ,另一头接在另一交换机的“级连口”(此线也用于电脑到交换机的连接)-*-通常的“交换机”都有级连口。
上面标注“Up-link”或“X”(也有些型号除了“级连口”是空白的,其它全都画了“X”)建议是当“交换机”有级连口时,就都使用标准线。
因为“交换机--电脑”的连接使用同一种线,方便管理与维护实在无奈而使用“交叉线”连接时,注意不要和“交换机--电脑”用的标准线弄混-*-*-*-*-*-*-一、交叉线线的一端橙白橙绿白蓝蓝白绿棕白棕另一端绿白绿橙白蓝蓝白橙棕白棕-*-*-*-*-*-*-二、标准线线的两端都是橙白橙绿白蓝蓝白绿棕白棕CISCO交换机的一点配置笔记交换机工作在OSI 模型的第二层(数据链路层)作用:可以将原有的网络划分成多个段,能够扩展网络的传输距离并支持更多的网络节点。
划分网络段有效隔离广播,减少冲突。
交换机的每个端口是独立的冲突域中,所有的端口都是在同一个广播域中交换机的功能地址学习:最开始交换机的MAC表是空的,它是通过学习源地址来得到每个连接端口连接的设备的MAC地址。
RS-232串口的线序9针----25针----名称----意义Pin1----Pin8----CD ----载波侦测(Carrier Detect)Pin2----Pin3----RXD----数据接受(Receive)Pin3----Pin2----TXD----数据发送(Transmit)Pin4----Pin20----DTR----数据段备妥(Data Terminal Ready)Pin5----Pin7----GND----地线Pin6----Pin6----DSR----数据备妥Pin7----Pin4----RTS----要求传送Pin8----Pin5----CTS----清除以传送(Clear To Send)Pin9----Pin22----RI----响铃侦测(Ring Indicator)这是完整接口,如果没有硬件握手,只要把RXD,TXD,GND这三个接好就可以用了。
RS-232数据通讯线Tx-----------------RxRx-----------------TxGND----------------GND接线方法2------------------33------------------25------------------5很简单,找对针脚定义即可。
发-收;收-发;地-地。
以下为详细内容用到的DB9定义:1载波检测(DCD) 、2接受数据(RXD) 、3发出数据(TXD)、4数据终端准备好(DTR) 、5信号地线(SG)、6数据准备好(DSR)、7请求发送(RTS) 、8清除发送(CTS)、9振铃指示(RI)用到的DB25定义:1未用、2发出数据(TXD)、3接受数据(RXD)、4请求发送(RTS)、5清除发送(CTS) 、6数据准备好(DSR) 、7信号地线(SG)、8载波检测(DCD)、9-19未用、20数据终端准备好(DTR)、21未用、22振铃指示(RI) 、23-25未用串行接口与外部设备之间的数据传送是按位进行的。
R S232/RS485转换器使用说明书一、 产品简介HEXIN-III 型转换器之间的双向接口的转换器,应用于主控机之间,主控机与单片机或外设之间构成点到点,点到多点远程多机通信网络,实现多机应答通信通信,广泛地应用于工业自动化控制系统,一卡通、门禁系统、停车系统、自助银行系统、公共汽车收费系统、饭堂售饭系统、公司员工出勤管理系统、公路收费站系统等等。
HEXIN-III 型转器,能够将RS-232串行口的TXD 和RXD 信号转换成两衡半双工的RS-485信号。
无需外接电源,可直接从RS-232端口的3脚窃电,同时由7脚请求发送(RTS ),4脚数据终端准备好(DTR )给HEXIN-III 辅助供电,自动的流控使你不必重新设置,硬件与安装软件使用非常简单。
二、 性能参数1、 串口特性:接口兼容EIA/TIA 的RS-232C ,RS-485标准。
2、 电气接口:RS-232端DB9孔型边接口,RS-485端DB9针型连接器、配接线柱(五位接线)。
3、 工作方式:异步半双工。
4、 传输介质:普通线、双绞线或屏蔽线。
5、 传输速率:300~115-21BDS 。
6、 传输距离:5米(RS-232端)1.200米(RS-485端)。
7、 通信协议:透明。
8、 工作环境:-10℃到85℃相对湿度为5%到95%。
9、 信号:RS-232:TXD 、RXD 、RTS 、CTS 、DTR 、DSR 、DCD 、CND ;RS-485:Date+、Date-。
GND 三、接线和信号:RS232端(DB9母头) RS485(DB9M 公头)HEIN-III 转换器采用DB9型的母头连接口与RS232接口相连,另一端DB9的公头连接器与RS485接口相连。
RS232引脚定义RS485引用脚定义其工作电源有两种情况:直接从RS232端口向3脚供电,同时,由7(RTS )、4(DTR )脚给HEXIIN-III 型辅助供电,当RS232不能正常供电时,可由RS485端的DB9M6(+12V )和5脚(GND )供电。
1: RS-232C接口 25针转换为9针的接法25芯接口 9芯接口2————33————24————75————86————67————58————120————422————9RS-232C接口定义(9芯)针脚定义符号1 载波检测 DCD2 接收数据 RXD3 发送数据 TXD4 数据终端准备好 DTR5 信号地 SG6 数据准备好 DSR7 请求发送 RTS8 清除发送 CTS9 振铃提示 RIRS-232C接口定义(25芯)针脚定义符号1 频蔽地线2 发送数据 TXD3 接收数据 RXD4 请求发送 RTS5 允许发送 CTS6 数据准备好 DSR7 信号地 SG8 载波检测 DCD9 发送返回(+)10 未定义11 数据发送(-)12~17 未定义18 数据接收(+)19 未定义20 数据终端准备好 DTR21 未定义22 振铃 RI23~24 未定义25 接收返回(-)RS232接脚介绍名称全称说明FG Frame Ground 连到机器的接地线TXD Transmitted Data 数据输出线RXD Received Data 数据输入线RTS Request to Send 要求发送数据CTS Clear to Send 回应对方发送的RTS的发送许可,告诉对方可以发送DSR Data Set Ready 告知本机在待命状态DTR Data Terminal Ready 告知数据终端处于待命状态CD Carrier Detect 载波检出,用以确认是否收到Modem的载波SG Signal Ground 信号线的接地线(严格的说是信号线的零标准线)DB25, DB25/F, CN6DB9, DB9/F, CN3最简单连接简单连接完全连接。