数字电子时钟设计
- 格式:doc
- 大小:328.00 KB
- 文档页数:11
电子数字钟的设计与制作
设计和制作电子数字钟的步骤如下:
1. 确定需求:确定所要设计的电子数字钟的功能要求,如显示时间、日期、闹钟功能等。
2. 选取器件:选取合适的微控制器、显示屏、时钟芯片、按键等器件。
微控制器需要具备足够的处理能力和接口,以便于控制显示屏和处理输入信号。
3. 硬件设计:根据选取的器件,设计电路图和PCB布局。
包
括时钟电路、显示电路、按键电路、电源供电电路等。
4. 软件开发:编写嵌入式软件程序,实现时钟的各种功能。
包括处理时间的计算与显示、闹钟功能的设置与触发、用户界面的交互等。
5. 制作电路板:利用电子设计软件将电路图转化为PCB文件,并进行打样加工,制作出电路板。
6. 组装调试:根据设计好的布局,将所选取的器件焊接到电路板上。
完成后进行电路的检查、组装和连线等工作。
7. 软件烧录:通过编程器将软件程序烧录到微控制器中。
8. 调试测试:进行电源接入,对时钟的各个功能进行测试调试,确保其正常运行。
9. 外壳设计与制作:设计合适的外壳以保护电子数字钟,可以采用3D打印、注塑等方式制作外壳。
10. 最终装配与测试:将完整的电子数字钟进行装配,并进行
最后的测试以确保其功能正常。
《电子技术》课程设计报告-数字电子钟设计一、背景介绍数字电子钟是一个实时的计时器,它可以按照设定的时刻精确地表示时间。
它使用微处理器和时钟芯片来处理时间。
因此,它可以被视为一个微处理器系统,系统中含有存储器、计数器、报警功能等。
最新的电子时钟如石英钟使用特制石英晶片来制定时钟。
由于石英可以产生完美的电振动,因此可以更准确地检测时钟改变。
二、数字电子钟的设计原理1、时钟驱动电子时钟的操作需要一定的时间和精度,主要是依靠特殊的驱动器来实现的。
驱动器有石英、硅、力学和光学等多种。
其中石英芯片是电子时钟的核心部件并且最常用。
可以让电子时钟每秒产生32千分之一秒的精度。
2、晶振电路晶体振荡器电路是将电能转换成振荡信号和时钟信号的基础电路。
在电子时钟中,晶振电路可以将3.3V的DC电源转换成正弦波信号。
3、控制电路控制电路是接收电子时钟信号,并将其转换为可读取的数字信号的电路。
它通过检测当前的时钟值与它预设的标准值,来决定是否需要重新设定。
4、显示电路为了使时间显示准确,显示电路需要有一定的能力,它可以将控制电路经过变换后的数字转化为可视的数字或符号信号,比如LED。
我们首先使用PIC16F628A微控制器来控制数字电子钟,PIC16F628A是一款常用的单片机,在实现数字电子钟的最基本功能时天然的具有很多优势,即具有丰富的I/O口及高性能的CPU。
而在驱动这个数字电子时钟时,我们选择了普通的石英晶振,其工作电压为3.3V,频率为32.768kHz。
它的作用是将电源电压转换成正弦波信号,然后此信号可以被PIC单片机读取,从而实现全电子时钟功能。
在处理每秒钟走过的时间时,我们使用计数器根据晶振输入的时钟信号逐渐计数,而当计数器计数到一定值时,PIC单片机就知道一秒的时间已经过去,然后继续进行计算.最后,我们选用一个4位共阳极数码管来将这些数据转化为显示数字的动作,它从数据地址上读取数据,然后一次送到一位,就可以实时显示电子时钟的实时时间。
数字电子钟的设计数字电子钟的设计随着科技的不断发展,数字电子钟已经成为人们生活中不可或缺的一部分。
它不仅可以告诉我们时间,还可以让我们随时随地掌握时间。
本文将从数字电子钟的功能、设计要素和实现过程三个方面探讨数字电子钟的设计。
一、数字电子钟的功能数字电子钟最基本的功能是显示当前时间。
同时,数字电子钟还可以有多种附加功能,例如显示当前日期、闹钟定时、倒计时、秒表计时等等。
这些功能可以根据用户的需求进行扩展和定制。
数字电子钟还可以根据个人偏好设定显示模式。
比如,可以设定12小时还是24小时制显示,可以选择显示中文还是英文,可以选择不同的背景颜色和字体大小等等。
二、数字电子钟的设计要素数字电子钟的设计要素包括时钟芯片、数字显示器、主芯片、功率模块等多个组成部分。
下面我们来分别介绍一下。
1. 时钟芯片时钟芯片是数字电子钟的核心部件。
它可以提供高精度的时间信号,控制数字显示器显示时间。
常见的时钟芯片有DS1302和DS3231等。
其中,DS3231是一款高精度时钟芯片,可以达到非常高的精度要求。
2. 数字显示器数字显示器是数字电子钟最显著的部分。
常见的数字显示器有LED、LCD和OLED三种类型。
LED数字显示器是最常见的数字显示器,具有显著的视觉效果。
LCD数字显示器可以显示更多的信息,而且更加柔和。
OLED数字显示器颜色更加丰富,显示效果更加真实。
3. 主芯片主芯片是数字电子钟的中央处理器,负责控制各个组成部分间的通讯和协同。
常见的主芯片有STM32和ATMega328P等。
其中,STM32性能比较出色,可以满足高性能要求。
4. 功率模块数字电子钟的功率模块负责提供电源。
常见的功率模块有锂电池和AC/DC适配器两种。
锂电池电量长,使用方便,但是需要经常充电。
AC/DC适配器可以提供长期稳定的电源,但是需要连续供电。
三、数字电子钟的实现过程数字电子钟的实现过程需要进行硬件设计和软件开发两个步骤。
硬件设计包括电路设计和PCB设计两个方面。
电子设计自动化(EDA)—数字时钟LED数码管显示二、实验内容和实验目的1. 6个数码管动态扫描显示驱动2. 按键模式选择(时\分\秒)与闹钟(时\分)调整控制,3. 用硬件描述语言(或混合原理图)设计时、分、秒计数器模块、闹钟模块、按键控制状态机模块、动态扫描显示驱动模块、顶层模块。
要求使用实验箱左下角的6个动态数码管(DS6 A~DS1A)显示时、分、秒;要求模式按键和调整按键信号都取自经过防抖处理后的按键跳线插孔。
实验目的: 1)学会看硬件原理图, 2)掌握FPGA硬件开发的基本技能3)培养EDA综合分析、综合设计的能力三、实验步骤、实现方法(或设计思想)及实验结果主要设备: 1)PC机, 2)硬件实验箱, 3)Quartus II软件开发平台。
1.打开Quartus II , 连接实验箱上的相关硬件资源, 如下图1所示。
2.建立新文件, 选择文本类型或原理图类型。
3. 编写程序。
4.编译5. 仿真, 加载程序到芯片, 观察硬件输出结果(数码管显示)6.结果正确则完成。
若结果不正确, 则修改程序, 再编译, 直到正确。
模24计数器模块LIBRARY IEEE;USE IEEE.STD_LOGIC_1164.ALL;USE IEEE.STD_LOGIC_UNSIGNED.ALL;USE IEEE.STD_LOGIC_ARITH.ALL;ENTITY count24 ISPORT(clk,en:IN STD_LOGIC;cout:OUT STD_LOGIC;hh,hl:OUT STD_LOGIC_VECTOR(3 DOWNTO 0));END count24;ARCHITECTURE arc OF count24 ISSIGNAL a,b:STD_LOGIC_VECTOR(3 DOWNTO 0);BEGINPROCESS(clk,en)BEGINhh<=a;hl<=b;IF(clk'EVENT AND clk='1') THENIF(en='1') THENIF(a="0010" AND b="0011") THENa<="0000";b<="0000";ELSE IF(b="1001") THENa<=a+'1';b<="0000";ELSE b<=b+'1';END IF;END IF;IF(a="0010" AND b="0010") THENcout<='1';ELSE cout<='0';END IF;END IF;END IF;END PROCESS;END arc;模60计数器模块LIBRARY IEEE;USE IEEE.STD_LOGIC_1164.ALL;USE IEEE.STD_LOGIC_UNSIGNED.ALL;USE IEEE.STD_LOGIC_ARITH.ALL;ENTITY count60 ISPORT(clk,en:IN STD_LOGIC;cout:OUT STD_LOGIC;hh,hl:OUT STD_LOGIC_VECTOR(3 DOWNTO 0));END count60;ARCHITECTURE arc OF count60 ISSIGNAL a,b:STD_LOGIC_VECTOR(3 DOWNTO 0);SIGNAL sout:STD_LOGIC;BEGINPROCESS(clk)BEGINhh<=a; hl<=b;IF(clk'EVENT AND clk='1') THENIF(en='1') THENIF(a="0101" AND b="1001") THENa<="0000";b<="0000";ELSE IF(b="1001") THENa<=a+'1';b<="0000";ELSE b<=b+'1';END IF;END IF;END IF;END IF;END PROCESS;sout<='1' WHEN a="0101" AND b="1001" ELSE '0';cout<=sout AND en;END arc;4-7显示译码模块LIBRARY IEEE;USE IEEE.STD_LOGIC_1164.ALL;ENTITY segment4to7 ISPORT(s:IN STD_LOGIC_VECTOR(3 DOWNTO 0);a,b,c,d,e,f,g:OUT STD_LOGIC);END segment4to7;ARCHITECTURE arc OF segment4to7 IS SIGNAL y:STD_LOGIC_VECTOR(6 DOWNTO 0); BEGINa<= y(6);b<= y(5);c<= y(4);d<= y(3);e<= y(2); f<= y(1);g<= y(0);PROCESS(s)BEGINCASE s ISWHEN "0000"=>y<="1111110"; WHEN "0001"=>y<="0110000"; WHEN "0010"=>y<="1101101"; WHEN "0011"=>y<="1111001"; WHEN "0100"=>y<="0110011"; WHEN "0101"=>y<="1011011"; WHEN "0110"=>y<="1011111"; WHEN "0111"=>y<="1110000"; WHEN "1000"=>y<="1111111"; WHEN "1001"=>y<="1111011"; WHEN OTHERS=>y<="0000000"; END CASE;END PROCESS;END arc;带闹钟控制模块LIBRARY IEEE;USE IEEE.STD_LOGIC_1164.ALL;ENTITY mode_adjust_with_alarm ISPORT (adjust,mode,clk1hz: IN STD_LOGIC;clkh,enh,clkm,enm,clks,enha: OUT STD_LOGIC;clkh_a,clkm_a:OUT STD_LOGIC;mode_ss: OUT STD_LOGIC_VECTOR(2 DOWNTO 0));END mode_adjust_with_alarm;ARCHITECTURE arc OF mode_adjust_with_alarm ISTYPE mystate IS (s0,s1,s2,s3,s4,s5);SIGNAL c_state,next_state: mystate;BEGINPROCESS (c_state)BEGINCASE c_state ISWHEN s0=> next_state <= s1; clkh<=clk1hz; clkm<=clk1hz; clks<=clk1hz;enh<='0'; enm<='0'; enha<='0'; clkh_a<= '0'; clkm_a<= '0'; mode_ss <="000";WHEN s1=> next_state <= s2; clkh<=adjust; clkm<= '0'; clks<='0';enh<='1'; enm<='0';enha<='0'; clkh_a<= '0';clkm_a<= '0'; mode_ss <="001";WHEN s2=> next_state <= s3; clkh<= '0'; clkm<=adjust; clks <= '0';enh<='0';enm<='1';enha<='0'; clkh_a<= '0'; clkm_a<= '0'; mode_ss <="010";WHEN s3=> next_state <= s4; clkh<= '0'; clkm<= '0'; clks<=adjust;enh<='0'; enm<='0';enha<='0'; clkh_a<= '0'; clkm_a<= '0'; mode_ss <="011";WHEN s4=> next_state <= s5; clkh<= clk1hz; clkm<= clk1hz; clks<=clk1hz;enh<='0';enm<='0';enha<='1'; clkh_a<=adjust; clkm_a<= '0'; mode_ss <="100";WHEN s5=> next_state <= s0; clkh<= clk1hz; clkm<= clk1hz; clks<=clk1hz;enh<='0'; enm<='0'; enha<='0'; clkh_a<= '0'; clkm_a<=adjust; mode_ss <="101";END CASE;END PROCESS;PROCESS (mode)BEGINIF (mode'EVENT AND mode='1') THENc_state<=next_state ;END IF;END PROCESS;END arc;扫描模块LIBRARY IEEE;USE IEEE.STD_LOGIC_1164.ALL;USE IEEE.STD_LOGIC_UNSIGNED.ALL;ENTITY scan ISPORT(clk256hz:IN STD_LOGIC;ss:OUT STD_LOGIC_VECTOR(2 DOWNTO 0));END scan;ARCHITECTURE arc OF scan ISTYPE mystate IS (s0, s1,s2,s3,s4,s5);SIGNAL c_state,next_state: mystate;BEGINPROCESS ( c_state )BEGINCASE c_state ISWHEN s0=> next_state <=s1; ss<="010";WHEN s1=> next_state <=s2; ss<="011";WHEN s2=> next_state <=s3; ss<="100";WHEN s3=> next_state <=s4; ss<="101";WHEN s4=> next_state <=s5; ss<="110";WHEN s5=> next_state <=s0; ss<="111";END CASE;END PROCESS;PROCESS (clk256hz)BEGINIF (clk256hz'EVENT AND clk256hz='1') THENc_state<=next_state ;END IF;END PROCESS;END arc;复用模块LIBRARY IEEE;USE IEEE.STD_LOGIC_1164.ALL;ENTITY mux ISPORT(hh,hl,mh,ml,sh,sl,hha,hla,mha,mla:IN STD_LOGIC_VECTOR(3 DOWNTO 0);ss,mode_ss:IN STD_LOGIC_VECTOR(2 DOWNTO 0);y:OUT STD_LOGIC_VECTOR(3 DOWNTO 0);alarm:OUT STD_LOGIC);END mux;ARCHITECTURE arc OF mux ISSIGNAL a,hhtmp,hltmp,mhtmp,mltmp,shtmp,sltmp:STD_LOGIC_VECTOR(3 DOWNTO 0);BEGINPROCESS(mode_ss)BEGINCASE mode_ss ISWHEN "000"=>hhtmp<=hh; hltmp<=hl; mhtmp<=mh; mltmp<=ml; shtmp<=sh; sltmp<=sl;WHEN "001"=>hhtmp<=hh; hltmp<=hl; mhtmp<=mh; mltmp<=ml; shtmp<=sh; sltmp<=sl;WHEN "010"=>hhtmp<=hh; hltmp<=hl; mhtmp<=mh; mltmp<=ml; shtmp<=sh; sltmp<=sl;WHEN "011"=>hhtmp<=hh; hltmp<=hl; mhtmp<=mh; mltmp<=ml; shtmp<=sh; sltmp<=sl;WHEN "100"=> hhtmp<=hha; hltmp<=hla; mhtmp<=mha; mltmp<=mla; shtmp<=sh; sltmp<=sl;WHEN "101"=> hhtmp<=hha; hltmp<=hla; mhtmp<=mha; mltmp<=mla; shtmp<=sh; sltmp<=sl;WHEN OTHERS=>hhtmp<="0000";hltmp<="0000";mhtmp<="0000";mltmp<="0000";shtmp<="0000";sltmp<="0000"; END CASE;END PROCESS;PROCESS(ss)BEGINCASE ss ISWHEN "010"=> a <=hhtmp;WHEN "011"=> a <=hltmp;WHEN "100"=> a <=mhtmp;WHEN "101"=> a <=mltmp;WHEN "110"=> a <=shtmp;WHEN "111"=> a <=sltmp;WHEN OTHERS => a <="0000";END CASE;y<=a;END PROCESS;alarm<='1' WHEN ((hh=hha)AND(hl=hla)AND(mh=mha)AND(ml=mla)) ELSE '0';END arc;闪烁模块LIBRARY IEEE;USE IEEE.STD_LOGIC_1164.ALL;USE IEEE.STD_LOGIC_UNSIGNED.ALL;ENTITY blink_control ISPORT(ss,mode_ss:IN STD_LOGIC_VECTOR(2 DOWNTO 0);blink_en:OUT STD_LOGIC);END blink_control;ARCHITECTURE arc OF blink_control ISBEGINPROCESS (ss,mode_ss)BEGINIF(ss="010" AND mode_ss="001") THEN blink_en<='1';ELSIF(ss="011" AND mode_ss="001") THEN blink_en<='1';ELSIF(ss="100" AND mode_ss="010") THEN blink_en<='1';ELSIF(ss="101" AND mode_ss="010") THEN blink_en<='1';ELSIF(ss="110" AND mode_ss="011") THEN blink_en<='1';ELSIF(ss="111" AND mode_ss="011") THEN blink_en<='1';ELSIF(ss="010" AND mode_ss="100") THEN blink_en<='1';ELSIF(ss="011" AND mode_ss="100") THEN blink_en<='1';ELSIF(ss="100" AND mode_ss="101") THEN blink_en<='1';ELSIF(ss="101" AND mode_ss="101") THEN blink_en<='1';ELSE blink_en<='0';END IF;END PROCESS;END arc;Top文件LIBRARY IEEE;USE IEEE.STD_LOGIC_1164.ALL;USE IEEE.STD_LOGIC_UNSIGNED.ALL;ENTITY design3 ISPORT (mode,adjust,clk1hz,clk2hz,clk256hz,clk1khz:IN STD_LOGIC;alarm,a,b,c,d,e,f,g:OUT STD_LOGIC;ss:OUT STD_LOGIC_VECTOR(2 DOWNTO 0));END design3;ARCHITECTURE arc OF design3 ISCOMPONENT mode_adjust_with_alarm PORT (adjust,mode,clk1hz: IN STD_LOGIC;clkh,enh,clkm,enm,clks,enha: OUT STD_LOGIC;clkh_a,clkm_a:OUT STD_LOGIC;mode_ss: OUT STD_LOGIC_VECTOR(2 DOWNTO 0));END COMPONENT;COMPONENT scan PORT (clk256hz:IN STD_LOGIC;ss:OUT STD_LOGIC_VECTOR(2 DOWNTO 0));END COMPONENT;COMPONENT segment4to7 PORT (s: IN STD_LOGIC_VECTOR(3 DOWNTO 0);a,b,c,d,e,f,g: OUT STD_LOGIC);END COMPONENT;COMPONENT mux PORT(hh,hl,mh,ml,sh,sl,hha,hla,mha,mla:IN STD_LOGIC_VECTOR(3 DOWNTO 0);ss,mode_ss:IN STD_LOGIC_VECTOR(2 DOWNTO 0);y:OUT STD_LOGIC_VECTOR(3 DOWNTO 0);alarm:OUT STD_LOGIC);END COMPONENT;COMPONENT blink_control PORT(ss,mode_ss:IN STD_LOGIC_VECTOR(2 DOWNTO 0);blink_en:OUT STD_LOGIC);END COMPONENT;COMPONENT count24 PORT (clk,en:IN STD_LOGIC;cout:OUT STD_LOGIC;hh,hl:OUT STD_LOGIC_VECTOR(3 DOWNTO 0));END COMPONENT;COMPONENT count60 PORT (clk ,en:IN STD_LOGIC;cout:OUT STD_LOGIC;hh,hl:OUT STD_LOGIC_VECTOR(3 DOWNTO 0));END COMPONENT;SIGNALclkh,enh,clkm,enm,clks,clkh_a,clkm_a,coutm,couts,coutm_en,couts_en,cout,vcc,coutma_en,coutma,alarm1,bli nk_en,blink_tmp,enha: STD_LOGIC;SIGNAL mode_ss,ss1:STD_LOGIC_VECTOR(2 DOWNTO 0);SIGNAL hh,hl,mh,ml,sh,sl,hha,hla,mha,mla,y,i:STD_LOGIC_VECTOR(3 DOWNTO 0);BEGINvcc<='1';coutm_en <= enh OR coutm;couts_en <= enm OR couts;coutma_en<= enha OR coutma;blink_tmp<=blink_en and clk2hz;i(3)<=y(3) OR blink_tmp;i(2)<=y(2) OR blink_tmp;i(1)<=y(1) OR blink_tmp;i(0)<=y(0) OR blink_tmp;ss<=ss1;alarm<=alarm1 AND clk1khz;u1:mode_adjust_with_alarmPORT MAP( adjust,mode,clk1hz,clkh,enh,clkm,enm,clks,enha,clkh_a,clkm_a,mode_ss);u2:count24 PORT MAP(clkh,coutm_en,cout,hh,hl);u3:count60 PORT MAP(clkm,couts_en,coutm,mh,ml);u4:count60 PORT MAP(clks,vcc,couts,sh,sl);u5:count24 PORT MAP(clkh_a,coutma_en,cout,hha,hla);u6:count60 PORT MAP(clkm_a,vcc,coutma,mha,mla);u7:mux PORT MAP(hh,hl,mh,ml,sh,sl,hha,hla,mha,mla,ss1,mode_ss,y,alarm1);u8:scan PORT MAP(clk256hz,ss1);u9:blink_control PORT MAP(ss1,mode_ss,blink_en);u10:segment4to7 PORT MAP(i,a,b,c,d,e,f,g);END arc;实验结果:数字钟包括正常的时分秒计时, 实验箱左下角的6个动态数码管(DS6 A~DS1A)显示时、分、秒。
数字钟课程设计报告前言:随着科技的不断进步,数字化已经成为了各个领域的主流趋势。
数字技术也在教育领域得到广泛应用。
数字化教育为学生提供了更好的学习方式和体验,同时也给教育工作者带来了更多的创新空间。
本文将围绕数字化教育,探讨数字钟课程设计报告。
数字钟的设计:数字钟是一个数字化的学习工具,在各学科的教学中都得到了广泛应用。
数字钟的设计可以遵循以下步骤:1.确定教学目标:数字钟的设计必须遵循教学目标,以便为教师和学生提供最佳的学习体验,使教学更加生动有趣。
2.选择数字钟的类型:根据教学目标和特点,可以选择不同类型的数字钟,例如计时器、倒计时器、时间轴等。
3.选择数字钟的功能:数字钟的功能会影响到教学效果,因此需要根据教学目标和教学特性选择数字钟的功能。
4.美化数字钟的界面:美化数字钟的界面能够增加学生的学习兴趣,提高教学效果,从而实现教学目标。
数字钟的应用:数字钟是一种数字化教学工具,可以在各个学科的教学中得到广泛应用。
下面以数学为例,详细说明数字钟在数学教学中的应用。
数字钟可以用于教学观念的讲解。
在数学教学中,学习时间的观念非常重要。
使用数字钟可以帮助学生了解时间的本质,为学生认识到时间的重要性打下基础。
数字钟也可以用于学习数学运算。
例如,教师可以设置数字钟来进行加减乘除的计算,帮助学生提高计算速度和精确度。
数字钟还可以用于检查作业。
教师可以在数字钟上设置一个时间限制,让学生在规定时间内完成作业。
如果学生没有完成作业,数字钟将会提醒他们完成。
数字钟的优势:数字化教育工具的吸引力取决于它们的功能和灵活性。
数字钟虽然看起来简单,但它的实际用途非常重要。
它能够帮助教师更好地了解学生的学习情况,同时也能够更好地帮助学生提升学习效果。
数字钟优势如下:1、灵活性:数字钟可以根据教学需要进行设计和选择,可以在不同的学科中得到广泛应用。
2、互动性:数字钟可以与学生互动式地使用。
通过使用数字钟可以促进学生互动,提高学生的学习效果,帮助学生主动掌握学习内容。
电子技术课程设计报告设计题目:数字电子时钟班级:学生姓名:学号:指导老师:完成时间:一.设计题目:数字电子时钟二.设计目的:1.熟悉集成电路的引脚安排和各芯片的逻辑功能及使用方法;2.了解数字电子钟的组成及工作原理 ;3.熟悉数字电子钟的设计与制作;三、设计任务及要求用常用的数字芯片设计一个数字电子钟,具体要求如下:1、以24小时为一个计时周期;2、具有“时”、“分”、“秒”数字显示;3、数码管显示电路;4、具有校时功能;5、整点前10秒,数字钟会自动报时,以示提醒;6、用PROTEUS画出电路原理图并仿真验证;四、设计步骤:电路图可分解为:1.脉冲产生电路;2.计时电路;3.显示电路;4校时电路;5整点报时电路;1.脉冲电路是由一个555定时器构成的一秒脉冲,即频率为1HZ;电路图如下:2.计时电路即是计数电路,通过计数器集成芯片如:74LS192 、74LS161、74LS163等完成对秒脉冲的计数,考虑到计数的进制,本设计采用的是74LS192;秒钟个位计到9进10时,秒钟个位回0,秒钟十位进1,秒钟计到59,进60时,秒钟回00,分钟进1;分钟个位计到9进10时,分钟个位回0,分钟十位进1,分钟计到59,进60时,分钟回00,时钟进1;时钟个位记到9进10时,时钟个位回0,时钟十位进1,当时钟计数到23进24时,时钟回00.电路图如下:3.显示电路是完成各个计数器的计数结果的显示,由显示译码器和数码管组成,译码器选用的是4511七段显示译码器,LED数码管选用的是共阴极七段数码管,数码管要加限流电阻,本设计采用的是400欧姆的电阻;电路图如下:4.校时电路通过RS触发器及与非门和与门对时和分进行校准,电路图如下:5.整点报时电路即在时间出现整点的前几秒,数值时钟会自动提醒,本设计采用连续蜂鸣声;根据要求,电路应在整点前10秒开始整点报时,也就是每个小时的59分50秒开始报时,元器件有两个三输入一输出的与门,一个两输入一输出的与门,发生器件选择蜂鸣器;具体电路图如下:六.设计用到的元器件有:与非门74LS00,与门74LS08,74LS11,7段共阴极数码管,计数器芯片74LS192,555定时器,4511译码器,电阻,电容,二极管在电路开始工作时,对计数电路进行清零时会使用到,单刀双掷开关;设计电路图如报告夹纸;七.仿真测试:1.电路计时仿真电路开始计数时:计数从1秒到10秒的进位,从59秒到一分钟的进位,从1分到10分的进位,从59分到一小时的进位,从1小时到10小时的进位,从23小时到24小时的进位,然后重新开始由此循环,便完成了24小时循环计时功能,仿真结果如下:1. 7.2.8.3. 9.4. 10.5. 11.6. 12.13.2.电路报时仿真由电路图可知,U18:A和U18:B的6个输入引脚都为高电平时,蜂鸣器才会通电并发声,当计数器计数到59分50秒是,要求开始报时,而59分59秒时,还在报时,也就是说只需要检测分钟数和秒计数的十位,5的BCD码是4和1,9的BCD码是8和1,一共需要6个测端口,也就是上述的6个输入端口,开始报时时,报时电路状态如图:3.校时电路仿真正常计时校时U15:D和u15:C是一个选通电路,12角接的是秒的进位信号,9角接的是秒的脉冲信号,当SW1接到下引脚时,U15:D接通,u15:C关闭,进位信号通过,计数器的分技术正常计时;当SW1接到上引脚时,U15:D关闭,u15:C接通,校时的秒脉冲通过,便实现了分钟校时,时钟的校时与分钟校时大致相同;八.心得体会以及故障解决设计过程中遇到了一个问题,就是在校时电路开始工作时,校时的选择电路会给分钟和时钟的个位一个进位信号,也就是仿真开始时电路的分钟和时钟个位会有一个1;为了解决这个问题,我采用的是在电路开始工作时,同时给分钟和时钟的个位一个高电平的清零信号来解决,由于时钟的个位和十位的清零端是连在一起的,再加上分钟的个位,在校时小时的时候且当小时跳完24小时时,会给分钟的个位一个清零信号,这时在电路中加一个单向导通的二极管变解决了,具体加在那儿,请参考电路图;在设计过称中,我们也许遇到的问题不止一个两个,而我们要做的是通过努力去解决它;首先我们要具备丰富的基础知识,这是要在学习和实际生活中积累而成的;其次,我们还有身边的朋友同学老师可以请教,俗话说:三人行,必有我师;最后,我们还有网络,当今是个信息时代,网络承载信息的传递,而且信息量非常大,所以我们也可以适当的利用网络资源;通过这次对数字钟的设计与制作,让我了解了设计电路的步骤,也让我了解了关于数字钟的原理与设计理念,要设计一个电路总要先用仿真,仿真成功之后才实际接线;但是仿真是在一个比较好的状态下工作,而电路在实际工作中需要考虑到一些驱动和限流电阻等等,因为,再实际接线中有着各种各样的条件制约和干扰;而且,在仿真中无法成功的电路接法,在实际中因为芯片本身的特性而能够成功;所以,在设计时应考虑两者的差异,从中找出最适合的设计方法;这次学习让我对各种电路都有了大概的了解,所以说,坐而言不如立而行,对于这些电路还是应该自己动手实际操作才会有深刻理解,才能在实际生活和工作中应用起来;。
单片机数字电子钟课程设计一、课程目标知识目标:1. 学生能理解单片机的基础知识,掌握数字电子时钟的原理和工作流程。
2. 学生能描述单片机编程的基本步骤,特别是与计时相关的指令和程序设计方法。
3. 学生能够解释数字电子钟各部分功能,如时钟电路、显示电路等,并了解它们之间的协作关系。
技能目标:1. 学生能够运用所学的单片机知识,设计并实现一个简单的数字电子钟程序。
2. 学生通过动手实践,提高焊接和电路排错的能力,能够组装和调试电子钟电路。
3. 学生能够利用仿真软件对电子钟程序进行测试和优化,培养问题解决和程序调试技巧。
情感态度价值观目标:1. 培养学生对电子制作的兴趣,激发创新意识和探索精神。
2. 通过团队协作完成项目,增强学生的合作意识和沟通能力。
3. 学生在课程学习过程中,能够体验到知识与实践相结合的成就感,培养科学、严谨的学习态度。
分析课程性质、学生特点和教学要求:本课程设计针对高中年级学生,假设他们已具备基础物理知识和一定的编程能力。
课程性质为实践性强的综合设计课,旨在通过单片机数字电子钟的制作,巩固学生的电子技术知识与技能。
课程目标设定时考虑了学生的年龄特点和认知水平,注重理论与实践的结合,鼓励学生动手操作和探究学习,旨在提高学生的综合技术应用能力。
通过具体的学习成果分解,本课程旨在让学生不仅学习到知识,而且能够将知识应用到实际问题的解决中,充分体现课程的实用性和创新性。
二、教学内容1. 单片机基础知识回顾:重点复习单片机的内部结构、工作原理及编程基础,关联教材第二章内容。
2. 数字电子时钟原理:讲解时钟电路、计数器、振荡器等组成部分,对应教材第四章第二节。
- 时钟电路的构成与工作原理- 计数器的作用及其编程方法- 振荡器的种类及其在电子时钟中的应用3. 单片机编程设计:结合教材第三章,介绍编写电子时钟程序所需的指令和编程技巧。
- 基本计时指令的使用- 程序流程图的绘制- 中断处理在电子时钟中的应用4. 电路设计与制作:依据教材第五章,指导学生进行电子时钟的电路设计和组装。
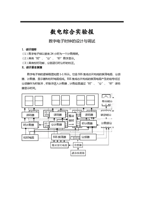
译码器 译码器 译码器时计数器校时电路分频器555振荡器分计数器秒计数器整点报时电路显示部分驱动部分计数部分3.计数、译码、显示电路同理可得到二十四进制计数器,如图1-4所示译码电路可先用BCD-锁存器/七段译码/驱动器74LS47,它可以直接驱动共阳数码管显示器。
译码显示电路如图1-5所示4.校时电路校时电路的作用是当计数器刚接通电源或走时出现误差时,进行时间的校准。
校准电路如图1-6所示。
分为时校准、分校准、秒校准。
5.整点报时电路电路图如1-7所示。
此电路每当“分”计数器和“秒”计数器计到59分50秒时便会自动驱动蜂鸣器,发出报警声,报警时间为10秒。
3、实验心得经过一周的努力,终于完成了该电子时钟的课程设计。
经过这段时间的课程设计,我学到了许多东西,对课本上的内容的理解加深了印象,同时也学会了一种学习的态度。
理论要联系实践,当然实践也离不开理论,由于对课本的内容还不是很熟悉,所以在做这个课程设计前,我先把课本的重点知识复习了一遍,时序逻辑电路、组合逻辑电路等,然后就是到图书馆查找相应的资料,抱着好几本书就在那里认真地查,查的过程中也看到了很多关于CMOS芯片的应用实例。
理论上的知识搞定了,接下来就是开始设计了。
Mutisim这个软件的仿真,给我的印象是简洁实用,很多电路都能在上面先进行仿真,不过我这个题目的核心芯片在仿真上面,出现了一些问题,一些管脚的位置和实际的不一样,仿真调试不成功,于是我就想到,按照理论来讲这是没有错的,为了验证清除,我先将电路进行分模块调试,把每一部分都仔细检查了一遍,最终发现了与仿真的不同,接线是一样的,不过在真实的接线中可行,在仿真中却不行,最大一个不同之处就在于校时模块,虽然仿真是那种接法可行,不过在实际接线中我采用了另外一种接法。
这次课程设计也再次让我看到理论与实践的差别和联系,理论固然重要,然而我们要在实践中发现错误,并解决错误,也提高了自己的动手能力和实际解决问题的能力。
基于单片机的电子时钟的设计与实现电子时钟是一种使用微处理器或单片机作为主控制器的数字时钟。
它不仅能够显示当前时间,还可以具备其他附加功能,如闹钟、日历、温度显示等。
一、设计目标设计一个基于单片机的电子时钟,实现以下功能:1.显示时间:小时、分钟和秒钟的显示,采用7段LED数码管来显示。
2.闹钟功能:设置闹钟时间,到达设定的时间时会发出提示音。
3.日历功能:显示日期、星期和月份。
4.温度显示:通过温度传感器获取当前环境温度,并显示在LED数码管上。
5.键盘输入和控制:通过外部键盘进行时间、日期、闹钟、温度等参数的设置和调整。
二、硬件设计1.单片机选择:选择一款适合的单片机作为主控制器,应具备足够的输入/输出引脚、中断和定时器等功能,如STC89C522.时钟电路:使用晶振为单片机提供稳定的时钟源。
3.7段LED数码管:选择合适的尺寸和颜色的数码管,用于显示小时、分钟和秒钟。
4.温度传感器:选择一款适合的温度传感器,如DS18B20,用于获取环境温度。
5.喇叭:用于发出闹钟提示音。
6.外部键盘:选择一款适合的键盘,用于设置和调整时间、日期、闹钟等参数。
三、软件设计1.初始化:设置单片机定时器、外部中断和其他必要的配置。
2.时间显示:通过定时器中断,更新时间,并将小时、分钟和秒钟分别显示在相应的LED数码管上。
3.闹钟功能:设置闹钟时间,定时器中断检测当前时间是否与闹钟时间一致,若一致则触发警报。
4.日历功能:使用定时器中断,更新日期、星期和月份,并将其显示在LED数码管上。
5.温度显示:通过定时器中断,读取温度传感器的数据,并将温度显示在LED数码管上。
6.键盘输入和控制:通过外部中断,读取键盘输入,并根据输入进行相应的操作,如设置时间、闹钟、日期等。
7.警报控制:根据设置的闹钟时间,触发警报功能,同时根据用户的设置进行控制。
四、测试与调试完成软件设计后,进行系统测试与调试,包括验证显示时间、日期、温度等功能的准确性,以及闹钟和警报功能的触发与控制。
eda课程设计 数字时钟一、课程目标知识目标:1. 学生能理解数字时钟的基本概念和原理,掌握数字时钟的组成、功能及使用方法。
2. 学生能够运用所学知识,分析并设计简单的数字时钟电路。
3. 学生了解EDA(电子设计自动化)软件在数字时钟设计中的应用。
技能目标:1. 学生能够运用EDA软件完成数字时钟电路的绘制、仿真和调试。
2. 学生能够运用逻辑电路知识,设计并实现数字时钟的基本功能,如时、分、秒显示。
3. 学生能够通过团队合作,解决数字时钟设计过程中遇到的问题。
情感态度价值观目标:1. 学生培养对电子设计技术的兴趣,提高创新意识和动手能力。
2. 学生在学习过程中,养成积极思考、主动探究的良好习惯。
3. 学生通过团队合作,培养沟通协作能力和集体荣誉感。
课程性质:本课程为实践性课程,以学生动手实践为主,注重培养学生的实际操作能力和创新能力。
学生特点:本课程面向初中生,学生对电子技术有一定了解,具备基本的逻辑思维能力,但实际操作能力有待提高。
教学要求:教师应结合学生特点,采用任务驱动法、分组合作法等教学方法,引导学生主动参与,确保课程目标的实现。
同时,注重过程评价和成果评价,全面评估学生的学习成果。
二、教学内容本章节教学内容依据课程目标,紧密结合教材,确保科学性和系统性。
具体内容包括:1. 数字时钟基础知识:介绍数字时钟的原理、组成及功能,对应教材第3章“数字电路基础”。
- 时钟信号产生- 计数器原理- 显示技术2. EDA软件应用:学习EDA软件的使用方法,绘制数字时钟电路图,对应教材第5章“EDA技术及其应用”。
- EDA软件操作- 电路图绘制- 电路仿真与调试3. 数字时钟电路设计:运用逻辑电路知识,设计数字时钟电路,对应教材第4章“组合逻辑电路”。
- 逻辑门电路- 时钟分频器设计- 计数器设计- 显示控制电路4. 数字时钟制作与调试:分组合作,动手实践,完成数字时钟的制作与调试,对应教材第6章“数字电路实践”。
数字电子钟课程设计报告数字电子钟课程设计报告一、选题背景数字电子钟是一种普及程度很高的电子产品,其在日常生活中的重要性不言而喻。
在学习数字电路的过程中,数字电子钟是一个非常典型的应用案例,可以帮助学生更好地理解数字电路的原理和应用。
二、课程设计目标本课程设计的主要目标是:1. 学生能够掌握数字电子钟的基本原理和电路结构2. 学生能够自主设计并构建数字电子钟电路3. 学生能够理解数字电子钟在实际生活中的应用,并且能够从中感受到数字电路技术的魅力三、课程设计内容1. 理论学习本课程将首先讲解数字电子钟的基本原理和电路结构,包括时钟芯片的选用、时钟电路的设计、数字显示电路的设计等方面。
通过理论学习,学生可以对数字电子钟的工作原理和电路结构有一个全面的了解。
2. 实验设计接下来,本课程将进行实验设计,学生将分小组独立完成数字电子钟的设计和构建。
实验设计的过程中,学生需要针对不同的实验条件和实验要求,自行设计和调整电路结构,并通过实验验证电路的正确性和稳定性。
3. 总结与展示在实验完成后,学生将汇报课程设计成果,并且进行总结和反思。
学生需要重点总结电路设计过程中遇到的问题和解决方法,以及从实践中收获到的重要体验。
通过总结和反思,学生能够更加深入地理解电路设计和数字电路技术的重要性,并且在今后的学习和实践中能够更好地运用数字电路技术。
四、课程设计要点在本课程设计的过程中,需要重点关注以下要点:1. 实验设计过程中,要求学生充分考虑电路的实用性和稳定性,保证设计方案的可行性;2. 实验完成后,学生需将电路仿真结果量化分析和实验结果验收结合进行总结,分析总结即造福于以后自己的项目和竞赛等;3. 在课程过程中,老师需要及时对学生进行指导和鼓励,引导学生积极探索和创新,激发学生的学习兴趣和创造力;4. 课程设计要求学生具备一定的电子技术基础,具体的要求可以根据学生的实际情况制定。
五、课程实施方案课程设计分为三个阶段:理论学习阶段、实验设计阶段和总结与展示阶段。
eda课程设计数字时钟设计一、教学目标本课程旨在通过数字时钟设计项目,让学生掌握EDA(电子设计自动化)工具的基本使用,理解数字电路的设计原理,培养学生的动手实践能力和创新能力。
具体目标如下:1.知识目标:•掌握数字电路的基本概念和设计方法。
•学习常用的EDA工具,如Multisim、Proteus等,并能够运用它们进行数字电路的设计和仿真。
•了解时钟信号的产生和应用,理解RTC(实时时钟)的工作原理。
2.技能目标:•能够运用EDA工具设计简单的数字时钟电路。
•能够进行电路仿真,调试并优化设计。
•学会阅读和理解电子电路图,培养良好的电子工程实践能力。
3.情感态度价值观目标:•培养学生对电子科技的兴趣,增强其科技意识。
•培养学生团队协作精神和自主学习能力。
•培养学生解决问题的能力,增强其面对挑战的信心。
二、教学内容本课程的教学内容主要包括数字电路基础、EDA工具的使用、数字时钟设计原理和RTC的应用。
具体安排如下:1.数字电路基础:•数字逻辑门电路•组合逻辑电路•时序逻辑电路2.EDA工具的使用:•Multisim和Proteus的基本操作•数字电路图的绘制和仿真3.数字时钟设计原理:•常见的时钟信号生成电路•数字时钟电路的设计方法4.RTC的应用:•RTC的工作原理•RTC在数字时钟中的应用三、教学方法为了提高教学效果,本课程将采用多种教学方法相结合的方式,包括:1.讲授法:用于讲解数字电路基础和EDA工具的使用方法。
2.案例分析法:通过分析具体的数字时钟设计案例,让学生理解数字时钟的设计过程。
3.实验法:让学生动手实践,使用EDA工具进行数字时钟的设计和仿真。
四、教学资源为了支持教学,我们将准备以下教学资源:1.教材:选用《数字电路与EDA技术》作为主要教材。
2.参考书:提供《EDA技术教程》等参考书籍,供学生课后自主学习。
3.多媒体资料:制作课件和教学视频,用于课堂讲解和课后复习。
4.实验设备:提供计算机、EDA工具软件、电路仿真实验板等,供学生进行实验和实践。
目录一、引言 (2)二、方案论证选择 (3)2.1设计要求 (3)1.基本要求 (3)2.发挥部分 (3)2.2系统框图 (3)分钟+调整 (3)秒钟 (3)时钟+调整 (3)秒表 (3)闹钟功能 (3)定时报闹 (3)万年历功能 (3)三、电路仿真与设计 (4)3.1核心芯片及芯片管脚图 (4)3.2时、分计数电路模块设计 (4)3.3切换电路模块设计 (5)3.4调整电路模块设计 (6)(1)方案一:利用74125的三态。
(6)(2)方案二:利用74162的置数端(LOAD),置数调整。
(7)3.5整点报时电路模块设计 (8)3.6秒表电路模块设计 (9)3.6定时报闹电路模块设计 (11)3.7万年历电路模块设计 (12)四、遇到的问题.......................................................................... 错误!未定义书签。
五、心得体会.............................................................................. 错误!未定义书签。
一、引言电子钟亦称数显钟(数字显示钟),是一种用数字电路技术实现时、分、秒计时的装置,与机械时钟相比,直观性为其主要显著特点,且因非机械驱动,具有更长的使用寿命,相较石英钟的石英机芯驱动,更具准确性。
电子钟已成为人们日常生活中必不可少的必需品,广泛用于个人家庭以及车站、码头、剧院、办公室等公共场所,给人们的生活、学习、工作、娱乐带来极大地方便。
相对于其他时钟类型,它的特点可归结为“两强一弱”:比机械钟强在观时显著,比石英钟强在走时准确,但是它的弱点为显时较为单调。
数字钟的核心即数字电子技术课程中有关时序逻辑电路、组合逻辑电路的内容。
这些也是我们学电子的学生应该掌握的最基本知识。
通过这次试验,不仅可以加深我对数字电子技术课程的理解,也可以提高自己的动手能力以及实际问题中解决问题的能力,培养对数字电子技术的兴趣。
数字电子时钟课程设计背景一、课程目标知识目标:1. 让学生掌握数字电子时钟的基本原理,包括时钟芯片的工作原理、显示原理等。
2. 让学生了解数字电子时钟的各个部分功能,如时、分、秒显示,闹钟功能等。
3. 使学生能够运用所学知识,设计并搭建一个简单的数字电子时钟。
技能目标:1. 培养学生动手操作能力,学会使用万用表、电烙铁等工具进行电路搭建。
2. 培养学生的问题分析能力,能够通过查阅资料、小组讨论等方式解决数字电子时钟制作过程中遇到的问题。
3. 提高学生的团队协作能力,学会在小组合作中发挥各自优势,共同完成项目任务。
情感态度价值观目标:1. 培养学生对电子技术的兴趣,激发他们探索科学技术的热情。
2. 培养学生严谨、细致的学习态度,养成认真观察、耐心调试的好习惯。
3. 增强学生的环保意识,教育他们珍惜资源,爱护电子设备。
本课程针对初中年级学生,结合电子技术学科特点,注重理论与实践相结合,旨在提高学生的动手能力、问题解决能力和团队协作能力。
通过本课程的学习,使学生能够将所学知识应用于实际项目中,培养他们热爱科学、探索未知的兴趣。
同时,注重情感态度价值观的培养,为学生树立正确的价值观,为他们的全面发展奠定基础。
二、教学内容1. 数字电子时钟原理:介绍时钟芯片的工作原理,晶体振荡器、分频器、计数器等基本组成部分的功能,以及数字显示原理。
教材章节:《电子技术基础》第四章第三节2. 数字电子时钟设计:讲解数字电子时钟的电路设计,包括时钟芯片的选择、显示器件的连接、电源电路等。
教材章节:《电子技术基础》第四章第四节3. 电路搭建与调试:指导学生使用万用表、电烙铁等工具,搭建数字电子时钟电路,并进行调试。
教材章节:《电子技术基础》第四章实验部分4. 闹钟功能扩展:介绍如何为数字电子时钟增加闹钟功能,包括闹钟电路的设计与实现。
教材章节:《电子技术基础》第四章第五节5. 项目实践:组织学生进行小组合作,共同完成一个具有时、分、秒显示及闹钟功能的数字电子时钟设计与制作。
数字电子技术全套案例数字电子技术是现代电子工程的重要组成部分,应用广泛,包括数字逻辑电路设计、数字信号处理、数字通信等方面。
本文将介绍几个数字电子技术的案例,通过这些案例,我们可以更好地理解和应用数字电子技术。
案例一:数字时钟设计数字时钟是我们日常生活中常见的产品,它利用数字电子技术实现时间的显示和计时功能。
我们以一个简单的小时制数字时钟为例进行设计。
时钟采用七段数码管显示,每个数码管由多个发光二极管组成。
通过控制发光二极管的通断,可以显示不同的数字和符号。
我们可以使用计数器、时钟发生器和数码管驱动器等数字电子元件来实现数字时钟的计时、显示和控制功能。
案例二:数字音频处理数字音频处理是数字电子技术在音频领域的应用。
以音频录制和音频放大为例,我们可以利用数字电子技术实现信号的采集、处理和播放。
在音频录制方面,可以使用模数转换器将模拟音频信号转换为数字信号,并通过数字信号处理算法进行降噪、均衡和压缩等处理。
在音频放大方面,可以使用数模转换器将数字信号转换为模拟信号,并通过功率放大器对音频信号进行放大。
通过数字音频处理,可以实现高质量的音频采集和放大,提升音频的清晰度和还原度。
案例三:数字电视传输数字电视传输是数字电子技术在广播领域的应用。
传统的模拟电视信号存在传输质量差、抗干扰能力弱等问题,而数字电视信号具有传输质量高、抗干扰能力强等优点。
数字电视传输包括信号的编码、调制和解调等过程。
编码过程将音视频信号转换为数字信号,并采用压缩算法减小信号的体积。
调制过程将数字信号调制为载波信号,经过传输后进行解调,恢复为数字信号,并进行解码和解压缩处理。
通过数字电视传输,可以提供更清晰、更稳定的电视画面和声音。
案例四:数字逻辑电路设计数字逻辑电路设计是数字电子技术中的基础内容。
数字逻辑电路由多个逻辑门和触发器等元件组成,用于实现不同的逻辑功能。
以加法器为例,我们可以使用逻辑门和触发器来实现二进制数的加法运算。
通过将多个逻辑门和触发器进行组合和连接,可以实现更复杂的逻辑功能,如多位数的加法、减法、乘法和除法等。
用单片机制作数字电子时钟电路一、材料准备。
制作数字电子时钟电路需要准备一些材料,主要包括单片机、数码管、晶振、按键、电阻、电容、电源等。
其中,单片机是整个电路的核心部件,它负责控制数码管的显示和处理时间等功能;数码管用于显示时间;晶振用于提供时钟信号;按键用于调整时间和设置闹钟等功能;电阻和电容用于稳压和滤波;电源用于为整个电路提供电力。
二、电路设计。
数字电子时钟的电路设计主要包括单片机控制部分和数码管显示部分。
单片机控制部分负责处理时间和控制数码管的显示,而数码管显示部分负责将单片机处理的时间信息显示出来。
1. 单片机控制部分。
单片机控制部分主要包括单片机、晶振、按键、电源等。
其中,单片机是整个控制部分的核心,它负责处理时间信息和控制数码管的显示。
晶振用于提供时钟信号,按键用于调整时间和设置闹钟等功能,电源用于为单片机提供电力。
2. 数码管显示部分。
数码管显示部分主要包括数码管、电阻、电源等。
数码管用于显示时间信息,电阻用于限流,电源用于为数码管提供电力。
三、电路连接。
电路连接是制作数字电子时钟电路的关键步骤,它决定了整个电路的工作状态和稳定性。
在进行电路连接时,需要根据电路设计将各个部件连接到单片机上,并且需要注意连接的顺序和方式,以确保整个电路能够正常工作。
1. 单片机控制部分连接。
单片机控制部分的连接主要包括单片机、晶振、按键、电源等。
其中,单片机需要连接到晶振以提供时钟信号,连接到按键以接收用户输入,连接到电源以获得电力。
2. 数码管显示部分连接。
数码管显示部分的连接主要包括数码管、电阻、电源等。
其中,数码管需要连接到单片机以接收显示信息,连接到电阻以限流,连接到电源以获得电力。
四、程序设计。
程序设计是制作数字电子时钟电路的另一个关键步骤,它决定了单片机控制部分的工作方式和功能。
在进行程序设计时,需要根据电路设计编写相应的程序,并且需要注意程序的逻辑和效率,以确保整个电路能够正常工作。
电子技术课程设计
数字电子时钟的设计
摘要:
设计一个周期为24小时,显示满刻度为23时59分59秒,具有校时功能和报时功能的电子钟。
本系统的设计电路由时钟译码显示电路模块、脉冲逻辑电路模块、时钟脉冲模块、整电报时模块、校时模
块等部分组成。
计数器采用异步双十进制计数器74LS90,发生器使用石英振荡器,分频器4060CD及双D触发器74LS74D,整电报时电路用门电路及扬声器构成。
一、设计的任务与要求
电子技术课程设计的主要任务是通过解决一,两个实际问题,巩固和加深在“模拟电子技术基础”和“数字电子技术基础”课程中所学的理论知识和实验技能,基本掌握常用电子电路的一般设计方法,提高电子电路的设计和实验能力,为以后从事生产和科研工作打下一定的基础。
电子技术课程设计的主要内容包括理论设计、仿真实验、安装与调试及写出设计总结报告。
衡量课程设计完成好坏的标准是:理论设计正确无误;产品工作稳定可靠,能达到所需要的性能指标。
本次课程设计的题目是“多功能数字电子钟电路设计”。
要求学生运用数字电路,模拟电路等课程所学知识完成一个实际电子器件设计。
二、设计目的
1、让学生掌握组合逻辑电路、时序逻辑电路及数字逻辑电路系统
的设计、安装、测试方法;
2、进一步巩固所学的理论知识,提高运用所学知识分析和解决实
际问题的能力;
3、提高电路布局﹑布线及检查和排除故障的能力;
4、培养书写综合实验报告的能力。
三、原理方框图如下
1、图中晶体振荡电路由石英32.768KHZ及集成芯。
2、图中分频器4060BD芯片及D触发器构成分频器。
3、计数器由二——五——十73LS90芯片构成。
4、图中DCD_HEX显示器用七段数码显示器且本身带有译码器。
5、图中校时电路和报时电路用门电路构成。
四、单元电路的设计和元器件的选择
1、十进制计数电路的设计
74LS90集成芯片是二—五—十进制计数器,所以将INB与QA 相连;R0(1)、R0(2)、R9(1)、R9(2)接地(低电平);INA
作为脉冲输入;QA、QB、QC、QD作为输出就可构成十进制计数器。
接线如下图所示。
2、六进制电路的设计
74LS90集成芯片是异步清零二—五—十进制计数器。
所以采用反馈清零法将INB接QA;QB接R0(1);QC接R0(2);R9(1)、R9(2)接地(低电平);INA作为脉冲输入;QA、QB、QC、QD作为输出就可构成六进制计数器。
接线图如下图所示。
3、二十四进制计数电路的设计
74LS90集成芯片是二—五—十BCD码进制计数器。
用反馈清零法构成:个位“4”对应“0100”,十位“2”对应“0010”,所以将U14的QC接U15的INA进行级联,U15的QB接U15、US14的R0(2)、R0(1),U14的QC接U15、U14的R0(1)、R0(2)。
接线图如上图所示。
4、六十进制计数电路的设计
六十进制计数器的个位是十进制,十位是六进制。
所以用两片74LS90集成芯片分别接成十进制和六进制计数器,将十进制计数器的QC接六进制的INA即可构成六十进制计数器。
接线图如下图所示。
5、时间计数电路的设计
用6片74LS90构成的两个六十进制和二十四进制计数器。
将秒位六十计数器十位的QD接分位六十计数器个位的INA,分位六十计数器十位的QD接时位二十四计数器个位的INA即可构成时间计数电
路。
显示器接各计数器的输出QD、QC、QB、QA;输出QA、QB、QC、QD、QE、QF、QG接七段数码显示器的a、b、c、d、e、f、g。
接线图如上图所示。
6、时钟电路的设计
用石英R145-32.768KHZ构成振荡器如下图所示。
时间计数电路需要秒脉冲信号,分频电路采用4060BD-14分频,所以振荡器输出为2Hz,再由双位D触发器分频得1hz的脉冲波。
接线图如下图所示。
7、校时电路的设计
当开关闭合时,分或者时自动校准。
8、整点报时电路的设计
四输入与门集成芯片U36A-AND4的上两脚接分十位计数器的QA、QC;下两脚接分个位计数器的QA、QD;U37A-AND4的中间两脚接秒的十位QA、QC,最下端的脚接秒个位QA,U30A上端接高于U29A下端的电频,U30与U32Z之间接秒的个位QD。
这样就会在59分51、53、55、57、59秒的时候U29:输出高电平,蜂鸣器发声。
接线图如下图所示。
五、系统电路总图及原理
数字电子钟的电路总图如下图所示。
用石英R145-32.768KHZ构成振荡器构成的振荡电路、分频器、计数器、译码器、显示器、校时电路和报时电路组成。
用石英R145-32.768KHZ构成振荡器构成的振荡电路产生的信号经过分频器作为秒脉冲,秒脉冲送入计数器,计数结果通过“时”、“分”、“秒”译码器显示时间。
校时电路是用与非门构成的组合逻辑电路,在对时个位校时时不影响分和秒的正常计数;在对分个位校时时不影响时和秒的正常计数。
报时电路是由四输入与非门和二输入与非门构成的组合逻辑电路,当计时到59分51、53、55、57、59秒时,蜂鸣器都发声报时,59秒时最响。
六、经验体会
虽然我们学习了模电和数电,对电子技术有了一些初步了解,但
那都是一些理论的东西。
通过这次数字电子钟的课程设计,我们才把理论和实践相结合。
从中对我们学到的知识有了进一步的理解。
为期一周的课程设计使我更进一步地熟悉了集成芯片的结构及掌握了各芯片的工作原理和其具体使用方法,也锻炼了自己独立思考问题的能力和通过查看资料来解决问题的习惯。
虽然这只是一次简单的课程设计,但通过这次课程设计我们了解到课程设计的一般步骤和设计中应该注意的问题。
设计本身并不是有很重要的意义,而是同学们对待问题时的态度和处理事情的能力。
设计中最重要的是设计的思想,设计的过程和设计电路中的每一个环节,电路中各个部分的功能是如何实现的。
同时对普通计数器如何构成n进制计数器有了更深刻的了解和掌握,对自我的实践操作能力也有了很高的提升。
另外,在接线时一定要小心,培养了我们小心谨慎的处理事情的习惯;在布线方面一定要清晰、横平竖直、勿交叉等等。
本次课程设计,通过绘制电路原理图,我们对Proteus软件有了更进一步的了解和使用更加熟练。
在实物接线过程中会出现一些这样那样的问题,我们得耐心用万用表查线,使得我们养成耐心的习惯。
总之,这次数字电子钟的课程设计让我受益匪浅,对我以后的学习和工作有很大帮助。
参考文献
电子技术基础数字部分(第五版)康华光主编高等教育出版社
基于Multisim10的电子仿真实验与设计王连英主编北京邮电大学出版社
电子技术实验指导王愉节贵州科技出版社
附录1
附录2
1、主要元器件的选择
(1)七段DCD-HEX数码显示器六个;
(2)74LS90计数器6个;
(3)石英R145-32.768KHZ一个;
(4)4060BD芯片一片;
(5)双位D触发器一片;
(6)电阻15MR一个、20R一个、15R两个;(7)电容10pf一个
(8)开关两个、蜂鸣器一个、直流电源四个。