multisim仿真教程 正弦波脉宽调制(SPWM)逆变电路
- 格式:ppt
- 大小:218.50 KB
- 文档页数:33
multisim仿真教程正弦波脉宽调制(SPWM)逆变电路multisim仿真教程11.8正弦脉宽调制( SPWM)逆变电路multisim仿真教程11.8.1正弦脉宽调制(SPWM)逆变电路工作原理1. SPWM控制的基本原理图11.8.1(a)示出正弦彼的正半周波形,并将其划分为N等份,这样就可把正弦半波看成由N个彼此相连的脉冲所组成的波形。
这些脉冲的宽度相等,都等于π / N,但幅值不等,且脉冲顶部是曲线,各脉冲的幅值按正弦规律变化。
multisim仿真教程如果将每一等份的正弦曲线与横轴所包围的面积用一个与此面积相等的等高矩形脉冲代替,就得到图11.8.1(b)所示的脉冲序列。
这样,由N个等幅而不等宽的矩形脉冲所组成的波形与正弦波的正半周等效,正弦波的负半周也可用相同的方法来等效。
multisim仿真教程SPWM(Sine Pulse Width Modulation正弦波脉宽调制)的控制思想,就是利用逆变器的开关元件,由控制线路按一定的规律控制开关元件的通断,从而在逆变器的输出端获得一组等幅、等距而不等宽的脉冲序列。
其脉宽基本上按正弦分布,以此脉冲列来等效正弦电压波。
multisim仿真教程图11.8.1 SPWM控制的基本原理multisim仿真教程SPWM正弦波脉宽调制的特点是输出脉冲列是不等宽的,宽度按正弦规律变化,故输出电压的波形接近正弦波。
SPWM是采用一个正弦波与三角波相交的方案确定各分段矩形脉冲的宽度。
通常采用等腰三角波作为载波,因为等腰三角波上下宽度与高度成线性关系且左右对称。
multisim仿真教程当它与正弦波的调制信号波相交时,所得到的就是SPWM波形。
如在交点时刻控制电路中开关器件的通断,就可以得到宽度正比于信号波幅值的脉冲。
这正好符合SPWM控制的要求。
multisim仿真教程2. 单极性PWM控制方式一个电压型单相桥式逆变电路如图11.8.2所示,采用电力晶体管作为开关器件。
第13章Multisim模拟电路仿真本章Multisim10电路仿真软件,讲解使用Multisim进行模拟电路仿真的基本方法。
目录1。
Multisim软件入门2。
二极管电路3. 基本放大电路4. 差分放大电路5. 负反馈放大电路6. 集成运放信号运算和处理电路7。
互补对称(OCL)功率放大电路8. 信号产生和转换电路9. 可调式三端集成直流稳压电源电路13.1 Multisim用户界面及基本操作13.1.1 Multisim用户界面在众多的EDA仿真软件中,Multisim软件界面友好、功能强大、易学易用,受到电类设计开发人员的青睐。
Multisim用软件方法虚拟电子元器件及仪器仪表,将元器件和仪器集合为一体,是原理图设计、电路测试的虚拟仿真软件。
Multisim来源于加拿大图像交互技术公司(Interactive Image Technologies,简称IIT公司)推出的以Windows为基础的仿真工具,原名EWB。
IIT公司于1988年推出一个用于电子电路仿真和设计的EDA工具软件Electronics Work Bench(电子工作台,简称EWB),以界面形象直观、操作方便、分析功能强大、易学易用而得到迅速推广使用。
1996年IIT推出了EWB5。
0版本,在EWB5.x版本之后,从EWB6.0版本开始,IIT对EWB进行了较大变动,名称改为Multisim(多功能仿真软件)。
IIT后被美国国家仪器(NI,National Instruments)公司收购,软件更名为NI Multisim,Multisim 经历了多个版本的升级,已经有Multisim2001、 Multisim7、 Multisim8、Multisim9 、Multisim10等版本,9版本之后增加了单片机和LabVIEW虚拟仪器的仿真和应用。
下面以Multisim10为例介绍其基本操作.图13。
1-1是Multisim10的用户界面,包括菜单栏、标准工具栏、主工具栏、虚拟仪器工具栏、元器件工具栏、仿真按钮、状态栏、电路图编辑区等组成部分。
基于Matlab/Simulink 的三相SPWM 逆变器的建模与仿真姓 名:** (班级:**)【摘要】随着电力电子技术,计算机技术,自动控制技术的迅速发展,PWM 技术得到了迅速发展,SPWM 正弦脉宽调制法这项技术的特点是原理简单,通用性强,具有开关频率固定,控制和调节性能好,能消除谐波使输出电压只含有固定频率的高次谐波分量,设计简单等一系列有点,是一种比较好的波形改善法。
它的出现为中小型逆变器的发展起了重要的推动作用。
SPWM 技术成为目前应用最为广泛的逆变用PWM 技术。
因此,研究SPWM 逆变器的基本工作原理和作用特性意义十分重大。
本文主要通过对三相SPWM 逆变器的Matlab/Simulink 建模与仿真,研究逆变电路的输入输出及其特性,以及一些参数的选择设置方法。
Simulink 是MATLAB 中的一种可视化仿真工具,是一种基于MATLAB 的框图设计环境,是实现动态系统建模、仿真和分析的一个软件包,被广泛应用于线性系统、非线性系统、数字控制及数字信号处理的建模和仿真中。
关键词:SPWM 三相逆变器 Mmatlab/Simulink 建模与仿真 1.三相电压型桥式逆变电路该电路采用双极性控制方式,U 、V 和W 三相的PWM 控制通常公用一个三角载波c u ,三相的调制信号rU u 、rV u 和rW u 一次相差120°。
U 、V 和W 各相功率开关器件的控制规律相同,现以U 相为例来说明。
当rU u >c u 时,给上桥臂1V 以导通信号,给下桥臂4V 以关断信号,则U 相相对于直流电源假想中点'N 的输出电压2/'d UN U u =。
当rU u <c u 时,给4V 以导通信号,给1V 以关断信号,则2/-'d UN U u =。
1V 和4V 的驱动信号始终是互补的。
当给1V (4V )加导通信号时,可能是1V (4V )导通,也可能是二极管1D V (4D V )续流导通,这要由阻感负载中电流的方向来决定。
正弦脉宽调制(SPWM)控制2010-09-18 ylw527+关注献花(4)为了使变压变频器输出交流电压的波形近似为正弦波,使电动机的输出转矩平稳,从而获得优秀的工作性能,现代通用变压变频器中的逆变器都是由全控型电力电子开关器件构成,采用脉宽调制(pulse width modulation, 简称pwm ) 控制的,只有在全控器件尚未能及的特大容量时才采用晶闸管变频器。
应用最早而且作为pwm控制基础的是正弦脉宽调制(sinusoidal pulse width modulation, 简称spwm)。
图3-1与正弦波等效的等宽不等幅矩形脉冲波序列3.1正弦脉宽调制原理一个连续函数是可以用无限多个离散函数逼近或替代的,因而可以设想用多个不同幅值的矩形脉冲波来替代正弦波,如图3-1所示。
图中,在一个正弦半波上分割出多个等宽不等幅的波形(假设分出的波形数目n=12),如果每一个矩形波的面积都与相应时间段内正弦波的面积相等,则这一系列矩形波的合成面积就等于正弦波的面积,也即有等效的作用。
为了提高等效的精度,矩形波的个数越多越好,显然,矩形波的数目受到开关器件允许开关频率的限制。
在通用变频器采用的交-直-交变频装置中,前级整流器是不可控的,给逆变器供电的是直流电源,其幅值恒定。
从这点出发,设想把上述一系列等宽不等幅的矩形波用一系列等幅不等宽的矩形脉冲波来替代(见图3-2),只要每个脉冲波的面积都相等,也应该能实现与正弦波等效的功能,称作正弦脉宽调制(spwm)波形。
例如,把正弦半波分作n等分(在图3-2中,n=9),把每一等分的正弦曲线与横轴所包围的面积都用一个与此面积相等的矩形脉冲来代替,矩形脉冲的幅值不变,各脉冲的中点与正弦波每一等分的中点相重合,这样就形成spwm波形。
同样,正弦波的负半周也可用相同的方法与一系列负脉冲波等效。
这种正弦波正、负半周分别用正、负脉冲等效的spwm波形称作单极式spwm。
第二节正弦波脉宽调制SPWM控制法1(2(1 正弦波脉宽调制SPWM逆变器结构典型的交流-直流,交流逆变器的结构如图2-1-3所示。
图2-1-3: 变压变频器主电路结构图图2-1-3中,单相交流或三相交流供电经非控全波整流,变成单极性直流电压;该直流电压经有源或无源功率因素校正电路PFC(Power Factor Correct)得到直流母线电压 Udc,某些情况下功率因素校正电路可以省略。
逆变器的核心电路是由六个功率开关器件Q1-Q6构成的三相逆变桥,每个桥有上下两个桥臂;上桥臂上端接直流母线电压正端(DC+),下桥臂下端接直流母线参考端(DC-);对于交流异步电机的驱动,为防止直通,上、下桥臂通常设置为互补工作方式:上桥臂导通时,下桥臂截止;下桥臂导通时,上桥臂截止。
三桥臂中间输出接至负载:三相感应电机的UVW输入端。
功率开关器件Q1-Q6可以是晶闸管GTO,双极性功率晶体管BJT,金属氧化膜功率场效应管MOSFET,绝缘栅型双极性功率晶体管IGBT。
IGBT具有开关速度快、承载电流大、耐压高、管耗小等特点,在电源逆变器中得到最为广泛的应用。
对于感性负载(电机),为了保护IGBT,常需加续流二极管D1-D6,用以在开关管关断时形成电流回路。
IGBT通常已与续流二极管封装在一起。
电容C用于能量缓冲,可保持直流母线电压Udc相对稳定。
为了在电机的UVW端线上输入三相平衡的交流电,通常做法是依一定规则用PWM信号PWM1L-PWM3H去控制逆变器的六个开关管的开关状态。
所谓的正弦波SPWM(Sinusoidally PWM)技术,就是用正弦波去调制PWM信号的脉宽,即:功率管的输出为一系列等幅不等宽的矩形脉冲波形,其宽度依正弦波规律变化;对交流输出波形的幅度对称性及相位要求不是非常苛刻的应用来说,PWM 信号的频率通常保持不变。
这种控制策略也叫异步控制法,即载波信号的频率独立于调制波频率。
见图2-1-4。
单相正弦波脉宽调制(SPWM)逆变电路实验结果(1)控制信号的观测①观察正弦调制波信号U r的波形,测试其频率可调范围;U r频率最小时波形图,由图可知最小频率小于10HzU r频率最大波形图,由图可知最大频率等于62Hz②观察三角载波U c的波形,测试其频率,由图可知最大频率等于178.9Hz③改变正弦调制波信号U r的频率,再测量三角载波U c的频率改变正弦调制波信号U r的频率三角载波U c的频率是同步变化④比较“PWM+”,“PWM-”和“SPWM1”,“SPWM2”的区别PWM+”,“PWM-的区别:同一相上下两管驱动信号之间无死区SPWM1”,“SPWM2的区别:同一相上下两管驱动信号之间死区延迟时间是30ms(2)带电阻及电阻电感性负载①输出接灯泡负载,然后将主电路接通由控制屏左下侧的直流电源(通过调节单相交流自藕调压器,使整流后输出直流电压保持为200V)接入主电路,由小到大调节正弦调制波U r 的频率,观测负载电压的波形,记录其波形参数(幅值、频率)。
U O(V) 82.2 82.4 82.5 波形F(Hz) 13.56 28.23 29.59 U O(V) 82 82 82波形F(Hz) 34.63 42.73 55.81U O(V) 82 82 82波形②接入DJK06给定及实验器件和DJK02上的100mH电感串联组成的电阻电感性负载,然后将主电路接通由DJK09提供的直流电源,由小到大调节正弦调制波信号U r的频率观测负载电压的波形,记录其波形参数(幅值、频率)。
F(Hz) 17.67 20.53 22.67U O(V) 83 83 83波形U O(V) 83 83 83 波形F(Hz) 49.61 53.78 161.15 U O(V) 83 83 83波形。
正弦脉宽调制(SPWM)控制2010-09-18 ylw527 + 关注献花 (4)为了使变压变频器输出交流电压的波形近似为正弦波,使电动机的输出转矩平稳,从而获得优秀的工作性能,现代通用变压变频器中的逆变器都是由全控型电力电子开关器件构成,采用脉宽调制(pulse width modulation, 简称pwm ) 控制的,只有在全控器件尚未能及的特大容量时才采用晶闸管变频器。
应用最早而且作为pwm 控制基础的是正弦脉宽调制(sinusoidal pulse width modulation, 简称 spwm)。
图3-1 与正弦波等效的等宽不等幅矩形脉冲波序列3.1正弦脉宽调制原理一个连续函数是可以用无限多个离散函数逼近或替代的,因而可以设想用多个不同幅值的矩形脉冲波来替代正弦波,如图3-1 所示。
图中,在一个正弦半波上分割出多个等宽不等幅的波形(假设分出的波形数目n=12),如果每一个矩形波的面积都与相应时间段内正弦波的面积相等,则这一系列矩形波的合成面积就等于正弦波的面积,也即有等效的作用。
为了提高等效的精度,矩形波的个数越多越好,显然,矩形波的数目受到开关器件允许开关频率的限制。
在通用变频器采用的交-直-交变频装置中,前级整流器是不可控的,给逆变器供电的是直流电源,其幅值恒定。
从这点出发,设想把上述一系列等宽不等幅的矩形波用一系列等幅不等宽的矩形脉冲波来替代(见图3-2),只要每个脉冲波的面积都相等,也应该能实现与正弦波等效的功能,称作正弦脉宽调制(spwm)波形。
例如,把正弦半波分作n 等分(在图 3-2 中,n=9),把每一等分的正弦曲线与横轴所包围的面积都用一个与此面积相等的矩形脉冲来代替,矩形脉冲的幅值不变,各脉冲的中点与正弦波每一等分的中点相重合,这样就形成spwm 波形。
同样,正弦波的负半周也可用相同的方法与一系列负脉冲波等效。
这种正弦波正、负半周分别用正、负脉冲等效的spwm 波形称作单极式 spwm。
SPWM工作原理及建模SPWM是一种调制技术,全称为Sinusoidal Pulse Width Modulation,即正弦脉宽调制。
它是一种用来控制逆变器输出波形的技术,适用于交流调压调速控制、电力供应的可控制直流源等领域。
SPWM的工作原理是将待控频率的正弦波与一个高频三角波进行比较,并通过调整脉冲的宽度来实现对输出波形的控制。
SPWM的工作原理基于以下几个关键步骤:1.生成三角波:使用一个可调的频率高于待控频率的三角波发生器来生成高频三角波。
这个高频三角波用来与待控频率的正弦波进行比较。
2.生成正弦波:通过一个正弦波发生器生成待控频率的正弦波。
3.比较器:将生成的正弦波与高频三角波进行比较。
比较器的输出信号形成了SPWM信号。
4.比较结果:比较器根据正弦波的幅值与三角波的幅值之间的比较关系,分析出幅度大小,进而得到高电平时间与低电平时间的比值。
5.控制输出:利用比较结果调整输出脉冲的宽度,控制逆变器的开关管的开关时间,从而实现对输出波形的控制。
通过以上步骤,SPWM可以将高频三角波与待控频率的正弦波进行比较,并通过调整脉冲的宽度来控制输出波形。
比较结果会根据正弦波的幅值与三角波的幅值之间的比较关系,将高频三角波的低电平和高电平时间比例反映到输出波形上,从而实现对输出波形的调节控制。
SPWM的建模可以用数学公式来描述。
设待控频率的正弦波为x(t),高频三角波为y(t),输出波形为z(t)。
则SPWM的控制方法可以表示为:z(t)=f(x(t),y(t))其中,f是一个函数,它描述了如何根据输入的正弦波信号和高频三角波信号来得到输出波形信号。
具体参数与函数形式由SPWM的具体实现决定。
一般而言,这个函数会通过比较正弦波信号和三角波信号的幅值来决定输出波形的脉冲宽度,从而控制输出波形的形状。
总结起来,SPWM是一种通过比较三角波和正弦波来控制输出波形的技术。
它的工作原理是通过调整脉冲的宽度来实现对输出波形的控制。
SPWM逆变电路原理SPWM(Sinusoidal Pulse Width Modulation)逆变电路是一种电力电子装置,用于将直流电源转换为交流电源。
它通过对一个固定频率的脉冲宽度进行调制,控制输出电压的幅值和频率。
下面将介绍SPWM逆变电路的工作原理。
在工作过程中,直流电源为整个逆变电路提供稳定的直流电压。
滤波电容用于平滑输入电压,保证逆变器的稳定工作。
桥式逆变器是SPWM逆变电路的核心部分,它主要由四个开关管、四个二极管和一个中性线组成。
四个开关管通过交替开启和关闭的方式,将直流电源的正负极性与输出端口的正负极性反向连接,从而实现电源的逆变。
四个二极管作为反向传导管,防止逆变电压的回流。
控制电路是SPWM逆变电路的重要部分,它主要由比较器、三角波发生器和逻辑控制电路组成。
比较器用于将三角波信号和参考信号进行比较,从而产生PWM信号。
三角波发生器根据设定的频率产生一个固定频率的三角波信号作为参考信号。
逻辑控制电路用于根据PWM信号控制开关管的开启和关闭。
1.三角波发生器产生一个与设定频率相等的三角波信号。
2.将三角波信号与需要逆变的正弦波信号进行比较。
如果三角波信号的幅度小于正弦波信号,就打开开关管;如果三角波信号的幅度大于正弦波信号,就关闭开关管。
3.通过调整三角波发生器的频率和幅度,可以控制开关管的开启和关闭时间,从而调整输出的脉冲宽度。
4.在开关管关闭的过程中,二极管向电感器提供通电路径,从而实现电源能量的释放。
5.将PWM信号经过滤波电路,得到一个近似正弦波的交流输出电压。
通过这种方式,SPWM逆变电路可以实现将直流电源转换为交流电源,并且具有较高的电压和频率控制精度,可以广泛应用于交流电机控制、UPS电源等领域。
总结起来,SPWM逆变电路通过调制脉冲宽度,控制开关管的开启和关闭时间,实现对输出电压的控制。
与其他逆变电路相比,它具有输出电压控制精度高、输出波形质量好等优点,因此被广泛应用于各种交流电源领域。
实验九 单相正弦波脉宽调制(SPWM )逆变一.实验目的1.熟悉单相交直交变频电路原理及电路组成2.熟悉ICL8038的功能。
3.掌握SPWM 波产生的基理。
4.分析交直交变频电路在不同负载时的工作情况和波形,并研究工作频率对电路工作波形的影响。
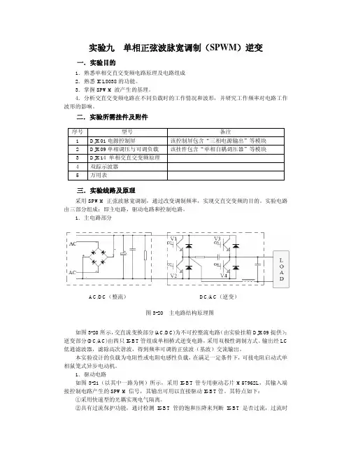
二.实验所需挂件及附件 序号型号 备注 1DJK01电源控制屏 该控制屏包含“三相电源输出”等模块 2DJK09单相调压与可调负载 该挂件包含“单相自耦调压器”等模块 3DJK14 单相交直交变频原理 4双踪示波器 5 万用表三.实验线路及原理采用SPWM 正弦波脉宽调制,通过改变调制频率,实现交直交变频的目的。
实验电路由三部分组成:即主电路,驱动电路和控制电路。
1.主电路部分如图3-20所示,交直流变换部分(AC/DC)为不可控整流电路(由实验挂箱DJK09提供); 逆变部分(DC/AC)由四只IGBT 管组成单相桥式逆变电路,采用双极性调制方式。
输出经LC 低通滤波器,滤除高次谐波,得到频率可调的正弦波(基波)交流输出。
本实验设计的负载为电阻性或电阻电感性负载,在满足一定条件下,可接电阻启动式单相鼠笼式异步电动机。
1.驱动电路如图3-21(以其中一路为例)所示,采用IGBT 管专用驱动芯片M57962L ,其输入端接控制电路产生的SPWM 信号,其输出可用以直接驱动IGBT 管。
其特点如下: ①采用快速型的光耦实现电气隔离。
②具有过流保护功能,通讨检测IGBT 管的饱和压降来判断IGBT 是否过流,过流时AC/DC (整流) DC/AC (逆变)图3-20 主电路结构原理图IGBT 管CE 结之间的饱和压降升到某一定值,使8脚输出低电平,在光耦TLP521的输出端OC1呈现高电平,经过流保护电路(见图3-22),使4013的输出Q 端呈现低电平,送控制电路,起到了封锁保护作用。
3.控制电路控制电路如图3-23所示,它是由两片集成函数信号发生器ICL8038为核心组成,其中一片8038产生正弦调制波U r ,另一片用以产生三角载波U c ,将此两路信号经比较电路LM311异步调制后,产生一系列等幅,不等宽的矩形波U m ,即SPWM 波。
单相正弦波PWM逆变电路仿真报告1. 仿真目的:通过对单相SPWM逆变电路不同控制方式的仿真研究,进一步理解SPWM 控制信号的产生原理,单极性、双极性控制方式的原理及不同、载波比与调制深度不同对逆变电路输出波形的影响等。
2. 仿真原理:2.1 单相桥式逆变电路图1 所示为单相桥式逆变电路的框图,设负载为阻感负载。
在桥式逆变电路中,桥臂的上下两个开关器件轮流导通,即工作时V1 和V2 通断状态互补,V3 和V4 的通断状态互补。
下面将就单极性及双极性两种不同的控制方法进行分析。
图1 单相桥式PWM逆变电路2.2 不同控制方式原理2.2.1 单极性控制方式调制信号u r为正弦波,载波u c在u r的正半周为正极性的三角波,在u r的负半周为负极性的三角波。
在u r的正半周,V1保持通态,V2保持断态,在u r>u c 时使V4导通,V3关断,u0=U d; 在u r<u c时使V3导通,V4关断,u0=0; 在u r 的负半周,V1保持断态,V2保持通态,在u r<u c时使V3导通,V4关断,u0=-U d; 在u r>u c时使V4导通,V3关断,u0=0。
这样就得到了SPWM波形u0。
图2 单极性PWM控制波形2.2.2 双极性控制方式采用双极性方式时,在u r的半个周期内,三角波不再是单极性的,而是有正有负,所得的PWM波也是有正有负。
在u r的一个周期内,输出的PWM波只有两种电平,而不像单极性控制时还有零电平。
在u r的正负半周,对各开关器件的控制规律相同。
即u r>u c时,给V1和V4导通信号,给V2和V3以关断信号,如i0>0,则V1和V4通,如i0<0,则VD1和VD4通,不管哪种情况都是输出电压u0=U d。
u r<u c时,给V2和V3导通信号,给V1和V4以关断信号,这时如i0<0,则V2和V3通,如i0>0,则VD2和VD3通,不管哪种情况都是输出电压u0=-U d。
基于Matlab/Simulink 的三相SPWM 逆变器的建模与仿真姓 名:** (班级:**)【摘要】随着电力电子技术,计算机技术,自动控制技术的迅速发展,PWM 技术得到了迅速发展,SPWM 正弦脉宽调制法这项技术的特点是原理简单,通用性强,具有开关频率固定,控制和调节性能好,能消除谐波使输出电压只含有固定频率的高次谐波分量,设计简单等一系列有点,是一种比较好的波形改善法。
它的出现为中小型逆变器的发展起了重要的推动作用。
SPWM 技术成为目前应用最为广泛的逆变用PWM 技术。
因此,研究SPWM 逆变器的基本工作原理和作用特性意义十分重大。
本文主要通过对三相SPWM 逆变器的Matlab/Simulink 建模与仿真,研究逆变电路的输入输出及其特性,以及一些参数的选择设置方法。
Simulink 是MATLAB 中的一种可视化仿真工具,是一种基于MATLAB 的框图设计环境,是实现动态系统建模、仿真和分析的一个软件包,被广泛应用于线性系统、非线性系统、数字控制及数字信号处理的建模和仿真中。
关键词:SPWM 三相逆变器 Mmatlab/Simulink 建模与仿真 1.三相电压型桥式逆变电路该电路采用双极性控制方式,U 、V 和W 三相的PWM 控制通常公用一个三角载波c u ,三相的调制信号rU u 、rV u 和rW u 一次相差120°。
U 、V 和W 各相功率开关器件的控制规律相同,现以U 相为例来说明。
当rU u >c u 时,给上桥臂1V 以导通信号,给下桥臂4V 以关断信号,则U 相相对于直流电源假想中点'N 的输出电压2/'d UN U u =。
当rU u <c u 时,给4V 以导通信号,给1V 以关断信号,则2/-'d UN U u =。
1V 和4V 的驱动信号始终是互补的。
当给1V (4V )加导通信号时,可能是1V (4V )导通,也可能是二极管1D V (4D V )续流导通,这要由阻感负载中电流的方向来决定。
正弦脉冲宽度调制的原理正弦脉冲宽度调制(Sinusoidal Pulse Width Modulation,简称SPWM),是一种常用的调制技术,常用于电力电子领域中的逆变器和变频器等设备中。
该调制技术通过改变正弦波的脉冲宽度来实现对输出信号的调制,以达到控制输出电压和频率的目的。
SPWM的原理是利用一个基准正弦波信号和一个三角波信号进行比较,根据比较的结果来控制开关器件的开关时间,从而控制输出信号的脉冲宽度。
具体来说,当基准正弦波信号的幅值大于三角波信号时,开关器件关闭,输出信号的脉冲宽度为0;当基准正弦波信号的幅值小于三角波信号时,开关器件打开,输出信号的脉冲宽度为最大值。
通过不断调整三角波信号的频率和幅值,可以实现对输出信号的频率和幅值的调节。
SPWM技术具有以下几个特点:1. 高精度:SPWM技术可以实现对输出信号的精确控制,输出波形更加接近理想的正弦波。
这对于一些对输出波形质量要求较高的应用场合非常重要。
2. 低谐波含量:相比其他调制技术,SPWM技术可以有效降低输出信号的谐波含量,减少对其他设备的干扰。
这对于一些需要保持电网质量的应用场合尤为重要。
3. 高效率:SPWM技术可以实现对开关器件的高效利用,提高系统的能量转换效率。
这对于一些功率要求较高、对能量利用效率要求较严格的应用场合非常重要。
4. 调节范围广:SPWM技术可以通过调节基准正弦波信号和三角波信号的频率和幅值,实现对输出信号频率和幅值的广范围调节。
这使得SPWM技术在不同应用场合下都具有很大的灵活性和适应性。
SPWM技术在电力电子领域中有着广泛的应用。
例如,在逆变器中,SPWM技术可以将直流电源转换为交流电源,用于驱动交流电机等设备;在变频器中,SPWM技术可以实现对电机转速的精确调节,从而满足不同负载要求;在电力调制器中,SPWM技术可以实现对电力的精确控制,提高电能的利用效率。
正弦脉冲宽度调制是一种常用的调制技术,通过改变正弦波的脉冲宽度来实现对输出信号的调制。
实验实训一三相正弦波脉宽调制(SPWM)变频原理实验一、实验目的1.掌握SPWM的基本原理和实现方法。
2.熟悉与SPWM控制有关的信号波形。
二、实验设备DJK01电源控制屏 1个DJK13三相异步电动机变频调速控制 1套示波器 1台三、实验线路及原理实验线路及原理可参看相关的教材。
四、实验步骤1.接通挂件电源,关闭电机开关,调制方式设定在SPWM方式(将控制部分S、V、P 的三个端子都悬空),然后开启电源开关。
2.点动“增速”按键,将频率设定在0.5HZ,用示波器在SPWM部分观测三相正弦波信号(在测试点“2、3、4”),观测三角载波信号(在测试点“5”),三相SPWM调制信号(在测试点“6、7、8”);再点动“转向”按键,改变转动方向,观测上述各信号的相位关系变化。
3.逐渐升高频率,直至到达50HZ处,重复以上的步骤。
4.将频率设置为0.5HZ~60HZ的范围内改变,在测试点“2、3、4”中观测正弦波信号的频率和幅值的关系。
五、实验注意事项实验中一定要先把电机的开关关闭。
六、实验报告及要求1.画出与SPWM调制有关信号波形,说明SPWM的基本原理。
2.分析在0.5HZ~50HZ范围内正弦波信号的幅值与频率的关系。
3.分析在50HZ~60HZ范围内正弦波信号的幅值与频率的关系。
4.写出本实验的心得与体会。
实验实训二变频器的面板操作及运行一、实验目的1.了解变频器的操作方法及显示特点。
2.了解并熟悉变频器的各种运行模式。
3.熟练掌握变频器运行方式的切换和参数的预置方法。
二、实验实训设备三菱FR-A540系列变频器 1台三、实验内容及步骤1.熟悉变频器的面板操作1)仔细阅读变频器的面板介绍,掌握在监视模式下(MON灯亮)显示Hz、A、V的方法,以及变频器的运行方式、PU运行(PU灯亮)、外部运行(EXT灯亮)之间的切换方法。
2)全部清除操作为了实验能顺利进行,在实验开始前要进行一次“全部清除”操作,步骤如下:①按下MODE键至运行模式,选择PU运行(PU灯亮)。