砖砌体检验批质量验收记录
- 格式:xls
- 大小:40.01 KB
- 文档页数:1
填充墙砌体工程检验批质量验收记录工程名称:墙砌体工程工程编号:xxxxxx工程地点:xxxxxx一、前期准备工作1.对砌体材料进行了检验,确保了砌体材料的质量符合设计要求。
2.对工程施工图进行了仔细的研究,了解了砌体工程的建筑要求和施工方法。
3.安排了合格的砌筑工人进行施工,并进行了技术交底,确保工人掌握合理的施工方法。
二、施工过程及验收情况1.土建施工开展前,对现场进行了检查,了解场地环境和施工条件,并进行了现场勘察。
2.对施工现场进行了布置,并设置了相应的安全警示标志,确保施工安全。
3.在砌筑过程中,对砌体进行了质量验收,包括砌体的强度、尺寸、水平度、垂直度等方面的检查。
4.检查了墙体的垂直度和水平度是否符合规范要求,采取了适当的措施进行调整和修复。
5.对砌体表面进行了检查,确保墙体表面平整、光滑,无明显的开裂和渗漏现象。
三、质量验收结果1.砌体强度符合设计要求,能够满足承重要求。
2.砌体尺寸、水平度和垂直度符合规范要求,达到了施工质量标准。
3.墙体表面平整、光滑,无明显的开裂和渗漏现象。
四、存在的问题及处理措施1.部分墙砌砖表面出现杂质和颜色不均匀的情况,影响了墙体表面的美观度。
解决方法:对有问题的砌砖进行更换,确保墙体表面整洁、均匀。
2.部分墙体的垂直度和水平度未能完全达到要求。
解决方法:对受影响的墙体进行重新砌筑,并重新进行垂直度和水平度的检验,确保达到规范要求。
五、质量整改情况1.对存在问题的砌砖进行了更换,确保墙体表面整洁、均匀。
2.对不符合要求的墙体进行了重新砌筑,并重新进行了垂直度和水平度的检验。
六、结论与建议1.经过质量验收,该墙砌体工程质量达到了设计要求和施工标准。
2.在今后的施工过程中,应加强对砌体材料和施工工艺的控制,提高施工质量。
3.在施工过程中,对墙体的垂直度和水平度要进行严格掌控,确保质量合格。
七、附件1.墙砌体的设计图纸。
2.墙砌体的施工记录表。
3.墙砌体砌筑的材料检验报告。
配筋砌体工程检验批质量验收记录工程名称:配筋砌体工程
工程地点:XX市XX区XX路XX号
施工单位:XX建设有限公司
检验日期:20XX年XX月XX日
检验人员: XXX
检验内容:
1. 砌块质量:对砌块进行了外观检查,符合以下要求:
a) 块体光滑,表面无裂纹,无明显的气孔
b) 重量一致,体积均匀
c) 砖型大小一致,铺垫平整,水平垂直度达到了设计要求
2. 水泥质量:对水泥进行了外观检查,符合以下要求:
a) 水泥颜色均匀,无明显的色差
b) 混凝土强度符合设计要求
c) 水泥的掺合物成分达标,符合国家标准
3. 钢筋质量:对钢筋进行了外观检查和拉力试验,符合以下要求:
a) 钢筋光滑,无明显的麻点、锈迹和变形
b) 拉力达到设计要求,能够满足施工需要
4. 砌体质量:对砌体进行了强度试验和外观检查,符合以下要求:
a) 砌体强度达到设计要求,能够满足使用要求
b) 砌体墙面平整,无明显的掉块、脱落和开裂
检验结论:配筋砌体工程通过质量验收,符合设计要求。
检验人员签字:XXX。
地面砖工程检验批质量验收记录项目名称:地面砖工程项目位置:XX区XX街道XX号检验项目:地面砖施工过程中的质量验收检验批次:第X批检验日期:20XX年X月X日检验人员:XX公司质检人员被检单位:XX施工队参与人员:项目经理、施工队长、施工工人等一、检验内容:1.地面砖材料的验收:包括瓷砖、砂浆、水泥等材料的验收情况。
2.砖砌体结构的验收:包括地面砖砌体的垂直度、水平度、排砖规范等验收情况。
3.砖缝处理的验收:包括地面砖砌体砖缝的宽度、砂浆填充等验收情况。
4.地面平整度的验收:包括地面铺设后的平整度验收情况,是否存在高低差等问题。
5.地面砖施工工艺流程的验收:包括砂床铺设、敲击、清扫等工艺流程的验收情况。
二、检验结果:1.地面砖材料的验收情况:瓷砖:规格符合设计要求,无明显破损、污染等问题。
砂浆:配比符合要求,无结块、夹杂物等问题。
水泥:符合标准要求,无明显杂质等问题。
2.砖砌体结构验收情况:砖砌体垂直度符合要求,误差范围在±5mm之内。
砖砌体水平度符合要求,误差范围在±3mm之内。
排砖规范符合设计要求,砖与砖之间平行且整齐。
3.砖缝处理验收情况:砖缝宽度符合设计要求,误差范围在±1mm之内。
砂浆填充紧密,无明显空鼓、开裂等问题。
4.地面平整度验收情况:地面铺设后平整度符合要求,误差范围在±3mm之内。
无明显高低差、起伏等问题。
5.地面砖施工工艺流程验收情况:砂床铺设均匀,无明显堆积和差异。
敲击声音均匀,无空鼓现象。
施工现场清扫及时,无砂浆污染。
三、存在问题及整改意见:1.部分瓷砖表面存在细微划痕,需要对这些瓷砖进行替换。
2.个别砖缝宽度超出规定范围,需重新填充砂浆进行修补。
3.检测到部分地面砖砌体垂直度不符合要求,需要进行调整和修复。
4.部分地面铺设后的平整度未达到要求,需要进行修整。
四、整改措施:1.对于存在的细微划痕的瓷砖,需更换为无划痕的瓷砖,并保持原有的颜色、质地一致。
砖砌体工程检验批质量验收记录
注:1.本表由施工项目专业质量检查员填写,监理工程师(建设单位项目技术负责人)组织项目专业质量(技术)负责人进行验收。
2.记录中定量项目填写数据,定性项目“符合规范要求”用"标注,结果和结论栏由本人签字。
砖砌体工程检验批质量验收记录
施工单位
监理工程师:
(建设单位项目专业技术负责人)
注:1.本表由施工项目专业质量检查员填写,监理工程师(建设单位项目技术负责人)组织项目专业质量(技术)负 责人进行验收。
检测评定结果
检查评定合格 项目专业质量检查员:
监理(建设) 单位验收结论
2.记录中定量项目填写数据,定性项目“符合规范要求”用"标注,结果和结论栏由本人签字。
砖砌体工程检验批质量验收记录
注:1.本表由施工项目专业质量检查员填写,监理工程师(建设单位项目技术负责人)组织项目专业质量(技术)负责人进行验收。
2.记录中定量项目填写数据,定性项目“符合规范要求”用"标注,结果和结论栏由本人签字。
砖砌体工程检验批质量验收记录
施工单位
检测评定结果
检查评定合格项目专业质量检查员:
注:1.本表由施工项目专业质量检查员填写,监理工程师(建设单位项目技术负责人)组织项目专业质量(技术)负责人进行验收。
2.记录中定量项目填写数据,定性项目“符合规范要求”用"标注,结果和结论栏由本人签字。
砖面层检验批质量验收记录砖面层检验批质量验收记录考虑到砖面层作为建造物外墙的重要部份,为了保证其质量达到国家相关标准和要求,进行砖面层检验批质量验收是必要的。
该文档旨在规范砖面层检验批质量验收记录的内容和流程,以确保施工工作的顺利进行和建造物的质量。
1. 项目信息1.1 项目名称:1.2 施工单位:1.3 监理单位:1.4 验收单位:1.5 日期:2. 施工前准备2.1 材料准备2.1.1 砖料质量检验报告2.1.2 砂浆质量检验报告2.1.3 砂浆配合比试验报告2.2 操作准备2.2.1 砖工资质证明2.2.2 砖工安全操作规程3. 砖墙垂直度检验3.1 使用垂直度仪测量墙体垂直度3.2 记录测量值,并判断是否符合标准要求4. 砖墙强度检验4.1 使用锤击法测量砖墙强度4.2 根据测量结果判断砖墙强度是否合格5. 砖墙尺寸检验5.1 使用尺子等工具测量砖墙尺寸5.2 记录测量值,并与设计要求进行对照6. 砖缝检验6.1 使用钢尺等工具测量砖缝宽度6.2 根据测量结果判断砖缝宽度是否符合要求7. 砖面层外观检验7.1 检查砖面层表面平整度和光洁度7.2 检查砖面层表面是否存在裂纹、空鼓等缺陷7.3 记录检查结果,并与设计要求进行对照8. 砖面层保护措施检验8.1 检查砖面层保护措施的实施情况8.2 记录检查结果,并与相关规定进行对照9. 砖面层验收结果9.1 确定砖面层的质量是否合格9.2 如存在质量问题,记录问题描述并提出整改意见10. 附件本文档所涉及附件如下:(根据实际情况填写)11. 法律名词及注释本文档所涉及的法律名词及注释:(根据实际情况填写)。
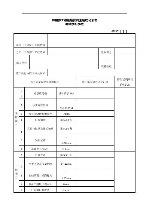
Q/CSG表5.9.1编号:单位(子单位)工程名称分部(子分部)工程名称分项工程名称验收部位施工单位项目经理分包单位分包项目经理施工执行标准(或规范)名称及编号施工质量检验及评定标准的规定施工单位自检记录监理(建设)单位验收记录主控项目1砖强度等级、规格和外加剂☆必须符合设计要求和现行有关标准的规定2砂浆品种、强度等级a☆必须符合设计要求和现行有关标准的规定3 斜槎留置☆砖砌体的转角处和交接应同时砌筑,严禁无可靠措施的内外墙分砌施工。
对不能同时砌筑而又必须留置的临时间断处应砌成斜槎,斜槎水平投影长度不小高度的2/34直槎拉结钢筋及接槎处理应符合设计要求和现行有关标准的规定5 水平灰缝砂浆饱满度灰缝横平竖直密实饱满,实心砌体水平灰缝饱满度必须达到80%以上6 基础防潮层应符合设计要求和现行有关标准的规定7轴线位移bmm≤10(8)8垂直度mm每层≤5(4)全高≤10m ≤10(8)>10m ≤20(15)Q/CSG表5.9.1(续)编号:施工质量检验及评定标准的规定施工单位自检记录监理(建设)单位验收记录一般项目1组砌方法c清水墙组砌正确,不应出现通缝,接槎密实、平直混水墙砌体上下错缝每间(处)4皮~6皮砖的通缝小于或等于3处,且不在同一面墙体上砌体接槎每个接槎部位水平灰缝厚度小于5mm或透亮缺陷不超过3个2水平灰缝厚度和竖缝宽度宜为10mm,但不应大于12mm,也不应小于8mm3基础顶面和楼面标高偏差dmm±15(10)4表面平整度mm清水墙、柱≤5(4)混水墙、柱、基础≤8(6)5门窗洞口高度、宽度偏差mm±5(4)6外墙上下窗偏移mm≤20(15)7水平灰缝平直度mm清水墙≤7(5)混水墙≤10(8)8清水墙游丁走缝mm≤20(15)9水平灰缝厚度偏差(10皮砖累计)mm±8(6)10预留洞中心位移mm≤10(8)截面内部尺寸偏差mm+10~0施工单位检查评定结果专业工长(施工员)施工班组长项目专业质量检查员:年月日监理(建设)单位验收结论专业监理工程师:(建设单位项目专业技术负责人) 年月日a指可按单位工程的同品种、同标号砂浆试块组数统一评定各分项工程砂浆强度。
Ⅰ相关试验:1、检测项目名称:蒸压加气砌块;代表批量:同品种、同规格、同等级的砌块,以10000块为一批,不足10000块亦为一批。
随机抽取50块砌块进行尺寸偏差、外观检验,从外观和尺寸偏差检验合格的砌块中,随机抽取6块砌块制作试件;取样方法及数量(实际数量根据当地试验室规定):从外观检查合格样品中截取18块100mm*100mm*100mm为1组试样。
制样方法:沿制品膨胀方向中心部分分上、中、下顺序锯取一组,“上”块上表面距离制品顶面30mm,“中”块在制品正中处,“下”块下表面离制品底面30mm。
制品高度不同,试件间隔略有不同。
;检测依据:蒸压加气混凝土砌块GB11968-2006》;2、砂浆如现场搅拌:(1)检测项目名称:砂/石;代表批量:按照同产地同规格分批验收,用大型工具(火车、汽车)运输的,以400m3或600t为一验收批;用小型工具(如马车)运输的,以200m3或300t为一验收批;;取样方法及数量:从料堆上取样时,取样部位应均匀分布。
取样前应先将取样部位表面铲除,然后由各部位抽取大致相等的砂8份,石子为16份,组成各自一组样品。
从皮带运输机上取样时,应在皮带运输机机尾的出料处用接料器定时抽取砂4份、石8份组成各自一组样品。
一般石子取40kg,砂子取20kg样品检验。
检测依据:《普通混凝土用砂、石质量及检验方法标准JGJ52-2006》;(2)检测项目名称:水泥;代表批量:按同一生产、同一等级、同一品种、同一批号且连续进场的水泥,袋装不超过200t 为一批,散装不超过500t为一批,每批抽样不少于一次。
取样方法及数量:袋装水泥:随机地从不少于20袋中各采取等量水泥,经混拌均匀后,再从中称取不少于12kg水泥作为检验试样。
散装水泥:随机地从不少于3个车灌中各采取等量水泥,经混拌均匀后,再从中称取不少于12kg水泥作为检验试样。
检测依据:依据《通用硅酸盐水泥》GB175-2007;(3)检测项目名称:Ma5.0水泥混合砂浆配合比;代表批量:根据强度等级和原材料水泥、砂、白灰膏的不同每种配比取一组取样方法及数量:取样数量大约:水泥25kg,砂子65kg,白灰膏3kg检测依据:《砂浆配合比设计规程JGJ98-2010》;3、砂浆如采用干混砌筑砂浆:检测项目名称:普通砌筑砂浆;代表批量:按同一生产厂家、同一品种、同一等级、同一批号且连续进场的干混砂浆,每500t 为一个检验批,不足500t时,应按一个检验批计,取样方法及数量:每批取样应随机进行,试样不应少于试验用量的8倍。
配筋砌体工程检验批质量验收记录
为了确保配筋砌体工程的质量,我们在工程施工过程中进行了多次的检验和验收。
以下是本次配筋砌体工程检验批的质量验收记录。
1. 检验批名称:配筋砌体工程
2. 检验批编号:20191001
3. 检验日期:2019年10月1日
4. 检验人员:张三、李四、王五
5. 检验内容:
(1)砖块的质量:检查了砖块的尺寸、表面平整度、砖体强度等指标,符合设计要求。
(2)砂浆的质量:检查了砂浆的配合比、拌合时间、拌合均匀度等指标,符合设计要求。
(3)钢筋的质量:检查了钢筋的直径、长度、弯曲度、表面质量等指标,符合设计要求。
(4)砌体的质量:检查了砌体的垂直度、水平度、墙体厚度、砌缝宽度等指标,符合设计要求。
6. 验收结果:
本次配筋砌体工程检验批的质量验收结果为合格。
经过检验和验收,我们认为该工程的质量符合设计要求,可以进入下一步施工。
7. 处理措施:
在检验和验收过程中,我们发现了一些小问题,如砌缝宽度不够均匀、砂浆拌合不够均匀等。
我们及时采取了相应的处理措施,如重新调整砂浆的配合比、重新砌缝等,确保了工程的质量。
8. 总结:
本次配筋砌体工程检验批的质量验收工作,充分体现了我们对工程质量的重视和严谨的态度。
通过检验和验收,我们发现了一些问题,并及时采取了相应的处理措施,确保了工程的质量。
我们将继续保持高度的工作热情和严谨的工作态度,为工程的顺利进行提供有力的保障。
砖砌体工程工程检验批质量验收记录表(GB 50203-2011)工程名称分项工程名称验收部位施工单位专业工长项目经理施工执行标准名称及编号GB 50203-2011分包单位分包项目经理施工班组长施工质量验收规范的规定施工单位检查评定记录监理(建设)单位验收记录主控项目1 砖和砂浆的强度等级必须符合设计要求。
2 砌体灰缝砂浆应密实饱满,砖墙水平灰缝的砂浆饱满度不得低于80%;砖柱水平灰缝和竖向灰缝饱满度不得低于90%。
3砖砌体的转角处和交接处应同时砌筑,严禁无可靠措施的内外墙分砌施工。
在抗震设防烈度为8度及8度以上地区,对不能同时砌筑而又必须留置的临时间断处应砌成斜槎,普通砖砌体斜槎水平投影长度不应小于高度的2/3,多孔砖砌体的斜槎长高比不应小于1/2。
斜槎高度不得超过一步脚手架的高度。
4非抗震设防及抗震设防烈度为6度、7度地区的临时间断处,当不能留斜槎时,除转角处外,可留直槎,但直槎必须做成凸槎,且应加设拉结钢筋,拉结钢筋应符合本规范规定。
一般项目1砖砌体组砌方法应正确,内外搭砌,上、下错缝。
清水墙、窗间墙无通缝;混水墙中不得有长度大于300mm的通缝,长度200mm~300mm的通缝每间不超过3处,且不得位于同一面墙体上。
砖柱不得采用包心砌法。
2 砖砌体的灰缝应横平·竖直,厚薄均匀,水平灰缝厚度及竖向灰缝宽度宜为l0mm,但不应小于8mm,也不应大于12mm。
允许偏差项目允许偏差(mm) 1 2 3 4 5 6 7 8 9 101 轴线位移102 基础、墙、柱顶面标高±153 垂直度每层 5全高≤10m 10>10m 204 表面平整度清水墙、柱 5混水墙、柱85水平灰缝平直度清水墙7混水墙106 门窗洞口高、宽(后塞口)±107 外墙上下窗口偏移208 清水墙游丁走缝20施工单位检查评定结果项目专业质量检查员:年月日监理(建设)单位验收结论监理工程师:(建设单位项目专业技术负责人)年月日混凝土小型空心砌块砌体工程检验批质量验收记录表(GB 50203-2011)工程名称分项工程名称验收部位施工单位专业工长项目经理施工执行标准名称及编号分包单位分包项目经理施工班组长施工质量验收规范的规定施工单位检查评定记录监理(建设)单位验收记录主控项目1 小砌块和芯柱混凝土、砌筑砂浆的强度等级必须符合设计要求。
注:1。
本表由施工项目专业质量检查员填写,监理工程师(建设单位项目技术负责人)组织项目专业质量(技术)负责人进行验收.
2。
记录中定量项目填写数据,定性项目“符合规范要求" 用√标注,结果和结论栏由本人签字。
注:1.本表由施工项目专业质量检查员填写,监理工程师(建设单位项目技术负责人)组织项目专业质量(技术)负责人进行验收。
2.记录中定量项目填写数据,定性项目“符合规范要求" 用√标注,结果和结论栏由本人签字。
砖砌体工程检验批质量验收记录
注:1.本表由施工项目专业质量检查员填写,监理工程师(建设单位项目技术负责人)组织项目专业质量(技术)负责人进行验收。
2。
记录中定量项目填写数据,定性项目“符合规范要求”用√标注,结果和结论栏由本人签字.
砖砌体工程检验批质量验收记录
注:1。
本表由施工项目专业质量检查员填写,监理工程师(建设单位项目技术负责人)组织项目专业质量(技术)负责人进
行验收。
2。
记录中定量项目填写数据,定性项目“符合规范要求”用√标注,结果和结论栏由本人签字。
监理(建设)单位
验收结论
专业监理工程师
(建设单位项目专业负责
人):
年 月 日
施工单位检查结果专业工长(施工员):
项目专业质量检查员:
年 月 日
11清水墙游丁走缝20mm/
10外墙上下窗口偏移20mm/
9门窗洞口高、宽(后塞口)±10mm/
混水墙10mm/
8水平灰缝平直
度
清水墙7mm/
混水墙柱8mm/
7
表面平
整度
清水墙柱5mm/
20mm/全高≤10m10mm/>10m
6墙面垂直
度
每层5mm/
5基础、墙、柱顶面标高±15mm/
4轴线位移10mm/
3竖向灰缝宽度8~12mm/
2水平灰缝厚度8~12mm/
一
般
项
目
1组砌方法5.3.1条/
6直槎拉结钢筋及接槎处理5.2.4条/
5斜槎留置5.2.3条/
4转角、交接处5.2.3条/
柱水平及竖向
灰缝
≥90%/
3
砂浆饱
满度
墙水平灰缝≥80%/
2砂浆强度等级必须符合设计要求设计要求M/
1砖强度等级必须符合设计要求设计要求MU/
施工依据验收依据
《砌体结构工程施工质量验收规范》
GB50203-2011
主
控
项
目
验收项目设计要求及规范规定最小/实际抽样数量检查记录检查结果
分包单位分包单位项目负责人检验批部位
砖砌体检验批质量
验收记录
分部(子分
部)
工程名称
主体结构/砌体结构分项工程名称砖砌体施工单位项目负责人检验批容量砖砌体检验批质量验收记录02020101001单位(子单位)
工程名称