笔记本电池充放电原理
- 格式:doc
- 大小:40.00 KB
- 文档页数:8
说明笔记本电池内有电池控制板。
它控制电池的充放电,还要承担电池状况的分析记录,并在电池温度过高或者电流过大时切断电路.起到保护电池的作用。
控制电路位于电芯和笔记本电脑主板之间,主要分为保护电路和电池能源管理电路(进行电池组与主机通讯及电池使用情况的管理)两部分。
bq2040电池能源管理集成电路可以用来精确记录独立电池组或安装状态电池的电量,它支持镍镉(NiCd)电池、镍氢(NiMH)电池、锂离子(Li-ion)电池的容量测量,bq2040采用电源系统管理Vei1.0(SMBus)协议,支持智能电池数据管理命令(SBData)和智能电池充电控制(SBData)功能,通过串行接口可以测试电池充电状态、剩余电量、放电剩余时间、电池材料等信息。
电池状态可用4位LED形象地来表示,通过内部计数器和温度传感器估算自放电程度,也通过放电周期来校准和更新电池实际容量,外接EEPROM内写有初始化程序,控制电池的管理工作。
2 引脚定义bq2040引脚排列如图1所示,引脚功能如下:Vcc:供电输入。
ESCL:串行存储器时钟端,用来在bq2040和外部非易失存储器间锁定数据传输。
ESDA:串行存储器数据和地址I/O端,双向传输,用来在bq2040和外部非易失存储器间传输数据和地址。
LED1~LFD4:LED显示输出端,每个输出都可以接一个LED,指示电池的状态。
VSS:接地端。
SR:检测电阻输入端,接检测电阻和电池负极,用SR引脚和VSS地间的电压降(VSR)说明电池的充放电活动情况。
VSR<VSS明电池放电,VSR>VSS说明电池充电。
DISP:显示控制输入,DISP高电平时LED显示无效;DISP悬空且充电电流大于100 mA时LED显示充电状态;DISP低电平时,LED显示有效。
SB:第二电池输入端。
通过高阻分压网络监测电池电压,电池电压状态存放在电压功能寄存器SBD(0x09)中,它用来监测满充电压和充电参数。
笔记本锂电池适当电流充放电一般文献和国家关于锂离子电池的标准上都说锂离子电池的充电电流应该在0.2C到1C 之间。
这是用电池容量表示的充电电流,比如你的电池是4AH的,那么0.2C的充电电流就是0.2X4=0.8A,也就是说充电电流应该在0.8到4A之间。
一般来说,充电电流在许可范围内越小越好,锂离子电池充电开始阶段应该是恒流充电,在我的IBM R31上,这个电流是2.8A左右,相当于0.7C,是充电电路自己控制的,无法自己设定。
这样的充电指标虽然没有超过标准规定,但确实比较大,特别是当电池使用一段时间容量下降之后,充电电流可能会超过1C。
现在笔记本充电时间长短也成了用户计较的指标了,厂家不得不把充电电流定得这么高。
所以第一步就是减小充电电流。
本人有朋友在实验室工作,各种设备一应俱全,就在他那里试验了一下。
先在电源输出口上串上一个电阻试试,结果电流是减小了,但是成了间歇充电,这可不是好事。
经过反复试验,4欧姆是一个比较理想的值,这时候充电电流是0.8A 左右,很稳定。
这只是流经机器电源接口的电流,电池上的充电电流估计会大一些,应该比0.2C稍大。
具体到不同机子上,这个值可能有所不同。
另外随着电池电压的上升,充电电流会有所减小,但是减小幅度很小,小于0.05A。
在这种充电状态下,充电电路似乎不起作用,电池指示灯也不亮。
等电池电压上升到12.6V之后,充电电路开始起作用,电池进入涓流充电状态,这时候是否串电阻已经无关紧要,充电电流是由充电电路控制了,最后充满后充电电路自动结束充电。
整个充电时间大约是5.5个小时,如果不用电阻,充电时间是3.5个小时左右。
锂离子电池非常娇贵,好的充电控制电路是必需的。
用这种充电方法,可以使充电电流减小,延长电池寿命,同时又利用了本本原来的充电电路控制充电,实现起来也比较简单,只需要买一只电源插头(就是从电源插到本本上的那种,最好买两个,后面提到的方法中还要用一个,要质量好的)和一只电阻就可以了,注意电阻的个头要大一点,毕竟上面有2W 左右的功耗,否则电阻会比较热,最好采用恒值电阻丝自己做一个,这种电阻丝的阻值和温度基本无关。
笔记本电池充放电原理(1) NB 电池:目前电池皆以锂电池(Li-Ion) 为主, 锂离子电池除了轻巧,电容量又大,而且也没有记忆特性。
当一颗电池被反覆的充到一特定的电量时,它会产生出一种化学记忆特性,日後任你再怎样充电,都没法超过那个特地的电量额度了,这就是电池的记忆性。
锂离子电池没有这种问题,但它唯一的缺点是怕冷。
而锂电池是以持续等电压方式来充电的, 我们以下图来加以说明锂电池的充电原理:在上图中, 横轴是充电时间, 纵轴为电压, 在充电过程中,电池的电压数缓缓的升高,到达一个顶点(在我们图上是 4.2 伏特) 然後保持恒定,一直以4.2v 来充电, 所以为定电压充电(固定在4.2v, 但并非所有锂电池都是固定在 4.2 v, 要看各厂商的规格), 同时,充电电流则是缓缓下降。
一旦电流低到一个设定的阈值(我们图上的例子是80 mA (毫安培)),充电器则自动停止充电, 这里的所设定的阀值, 也必须是各厂商而定.而锂电池有六个对外的接脚连接至Notebook,Pins:1. 接地(GND)2. TS (侦测电池插入)3. HDQ BUS (主要在存取电池的各项叁数)4. BAT_BC5. No connection6. 电池输入/ 输出电压(2) Gauge IC:Gauge IC 一般称为"电池管理晶片", 而华硕Notebook 常用的电池当中皆含有此Gauge IC, 以M2A 为例, 其电池中所包含的Gauge IC 就是采用美国Bechmar q 公司的锂电池管理晶片"BQ2050H". 而Gauge IC 中包含了电池容量暂存器,温度暂存器, 电池识别(ID) 暂存器, 电池状态暂存器, 锂电池充电状态暂存器, 放电计数暂存器, 这些暂存器中的值, 会因为使用的时间或使用不当而产生变化, 导致电池充不满, 或使用时间变短等情形, 而这些暂存器中的值是可以利用特殊的方式来更改的, 大家常听到的电池学习, 其实就是更改电池容量暂存器以及电池状态暂存器中的值, 将原本暂存器中错误或误差的值加以修正, 使电池的充电时间及充电容量能恢复正常.(3) Charge IC:Charge IC 顾名思义就是用来控制电池充电的IC, 华硕常用的Charge IC 为M B3877 系列, 但Charge IC 并无法单独工作, 必须搭配一颗可程式化的IC (如: PIC 16C54) 才能正常工作, 而此PIC 16C54 是一颗可程式化的IC, 里面记载着电池充电时所需要的数据, 例如: 要用多大的电压电流来充电, 必须符合哪些条件, 电池才会被充电, 电池充饱时要切断哪些电源以及电池的充电指示灯该如何变化(闪烁或改变颜色) 等等, 而这些"值" 或"条件" 都是RD 预先设定好的, 下图以A1B 的充电简易方块图为各位说明NOTEBOOK 的充电流程:在上图中, 只有AC_IN (外加电源) 有讯号进来时, 才会进行电池的充电动作,而Battery 中的Gauge IC 会告知MB3877(Charge IC) 目前的电池状态(例如: 是否需要充电, 电量多少等等), 而PIC16C54 亦会侦测目前是否符合充电的条件(例如: AC_IN 是否有讯号, Battery 是否有插好等等), 如果目前Battery 是符合需要充电的条件, 其充电过程如下:Step1:AC_IN 有讯号, 而且也已侦测到Battery in.Step 2: PIC 16C54 会发出CHG_EN 的讯号, 告知MB 3877 可以对Battery 进行充电.Step 3: 同时PIC 16C54 亦会控制CHG_LED 的状态(例如: 闪烁或以其他颜色显示)Step 4: 当Battery 充饱时, 会由MB3877 发出Full# 的讯号给PIC 16C54, 告知目前电池已充饱电.Step 5: 当PIC 16C54 收到full# 讯号时, 会断开充电电源, 停止充电, 同时亦会改变CHG_LED 的状态(改成充饱的灯号), 完成充电程序.笔记本电脑故障的分析处理程一、笔记本常见故障开机不亮-硬件判断1. 笔记本电脑主板BIOS出现故障会引起开机不亮2.笔记本电脑CPU出现故障笔记本液晶屏无反应,也是开机不亮的原因3.笔记本电脑信号输出端口出现故障会引起开机不亮4. 笔记本电脑主板显卡控制芯片出现故障会引起开机不亮。
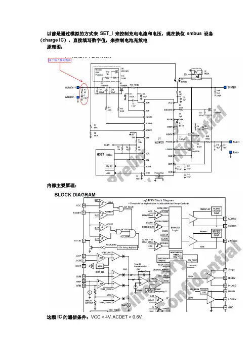
以前是通过模拟的方式来SET_I来控制充电电流和电压,现在换位smbus设备(charge IC),直接填写数字值,来控制电池充放电原理图:内部主要原理:这颗IC的通信条件:VCC > 4V, ACDET > 0.6V.EC 通过smbus以word的方式对其进行读写操作。
地址: 0x12Setting the Charge Current要设置充电电流,写一个16位ChargeCurrent()命令(0x14或0b00010100)使用的数据格式,表4中列出。
10MΩ的检测电阻时,Bq 24725提供了128mA到8.128A充电电流范围,64mA的阶梯调动。
发送ChargeCurrent()低于128毫安或高于8.128A将清除登记和终止充电。
上电复位后,充电电流为0。
我们建议差分滤波模式下的SRP和SRN 之间上0.1μF的电容,主要道路网和地面之间的0.1μF的电容器常见的过滤模式,和一个可选的0.1μF的共模SRP和地面之间的电容滤波。
同时,对SRP的电容应不低于0.1pF 的更高的意识,以正确的周期bycycle跨越SRP和SRN的电压根据电流和过电流检测。
SRP和SRN引脚用于检测与秩和比默认10MΩ的价值。
然而,其他电阻值也可使用。
对于一个较大的检测电阻,你就会得到更大的意义上的电压,调节精度高,但是,在更高的传导损失费。
如果电流感应电阻值过高,可能会触发过电流保护阈值由于电流纹波电压过高。
在这种情况下,无论是较高的电感值或更低的电流感应电阻值应该是用来限制电流涟波电压水平。
建议电流感应电阻值不超过20mΩ。
提供二次保护,bq24725 ILIM引脚上有那些用户可以设定所允许的最大充电电流。
内部充电电流限制是由ChargeCurrent之间()设置的电压,并在ILIM引脚电压较低的一个。
要禁用此功能,用户可以拉1.6V的ILIM以上,这是最大充电电流限制。
下面的公式显示了ILIM引脚电压应该在尊重添加到首选充电电流限制:0 - Not used.1 - Not used.2 - Not used.3 - Not used.4 - Not used.5 - Not used.6 Charge Current, DACICHG 0 0 = Adds 0mA of charger current.1 = Adds 64mA of charger current.7 Charge Current, DACICHG 1 0 = Adds 0mA of charger current.1 = Adds 128mA of charger current.8 Charge Current, DACICHG 2 0 = Adds 0mA of charger current.1 = Adds 256mA of charger current.9 Charge Current, DACICHG 3 0 = Adds 0mA of charger current.1 = Adds 512mA of charger current.10 Charge Current, DACICHG 4 0 = Adds 0mA of charger current.1 = Adds 1024mA of charger current.11 Charge Current, DACICHG 5 0 = Adds 0mA of charger current.1 = Adds 2048mA of charger current.12 Charge Current, DACICHG 6 0 = Adds 0mA of charger current.1 = Adds 4096mA of charger current.13 - Not used.14 - Not used.15 - Not used.- Setting the Charge Voltage设置输出电压充电调节,写一个16位ChargeVoltage()命令(0x15或0b00010101)使用的数据格式表5中列出。
锂离子电池标准充放电锂离子电池是一种高能量、长寿命的电池,广泛应用于手机、笔记本电脑、电动汽车等领域。
为了确保锂离子电池的安全和性能,充放电制度是至关重要的。
本文将介绍锂离子电池的标准充放电制度。
一、充放电原理锂离子电池充放电的原理是基于锂离子在正负极之间的迁移。
充电时,锂离子从正极迁移到负极;放电时,锂离子从负极迁移到正极。
这个过程伴随着能量的释放和储存。
二、标准充放电制度1.充电制度锂离子电池的充电制度通常分为快充和慢充两种。
快充一般采用大电流充电,可以在较短的时间内充满电池;慢充则采用较小的电流充电,需要较长的时间来充满电池。
对于快充,一般采用恒流充电方式,即在整个充电过程中保持电流恒定。
这种方式可以在短时间内充满电池,但可能会引起电池温度上升和电池老化的问题。
因此,快充时需要注意控制电流大小和充电时间,避免过充和电池损坏。
对于慢充,一般采用恒压充电方式,即在整个充电过程中保持电压恒定。
这种方式可以避免过充和电池老化的问题,但需要较长时间来充满电池。
2.放电制度锂离子电池的放电制度通常是根据实际需求来制定的。
对于一些需要长时间使用的设备,如笔记本电脑、电动汽车等,可以采用阶梯放电的方式,即逐渐降低放电电流,以延长电池寿命。
对于一些短时间使用的设备,如手机、平板电脑等,可以采用恒流放电的方式,即在整个放电过程中保持电流恒定。
在放电过程中,需要注意控制放电速率和放电时间。
过快的放电速率可能导致电池温度上升和电池老化的问题;而过长的放电时间可能会导致电池过度放电,影响电池性能和寿命。
因此,需要根据实际情况合理选择放电速率和放电时间。
三、标准充放电注意事项1.充电温度:锂离子电池充电时会产生热量,因此需要注意控制充电温度。
一般来说,充电温度不应超过60℃。
2.充电电压:锂离子电池充电电压应当稳定且符合标准。
如果电压过高可能会导致电池过充和损坏;如果电压过低可能会导致充电速度变慢或者无法充满。
3.放电控制:在放电过程中应当避免突然的大电流放电,以防止电池过热和寿命缩短。
充放电原理充放电原理是指在电池中,电荷通过化学反应的方式存储和释放能量的过程。
电池是我们生活中常见的能量存储装置,它在各种设备中发挥着至关重要的作用,比如手机、笔记本电脑、电动汽车等。
了解充放电原理对于我们正确使用和维护电池至关重要。
首先,让我们来看看充电的原理。
当电池充电时,外部电源会施加一个电压,使得电池内部的正负极发生化学反应。
充电时,正极会释放出电子,而负极则吸收这些电子。
这些电子会在外部电路中流动,从而完成电池的充电过程。
同时,化学反应会导致电池内部的化学物质发生变化,从而储存能量。
接着,我们来谈谈放电的原理。
当电池被连接到外部设备时,储存在电池中的能量会被释放出来。
在放电过程中,储存在电池中的化学能会被转化为电能,从而驱动设备的正常运行。
放电的过程与充电相反,化学物质会再次发生变化,释放出储存的能量,并将电子输送到外部电路中。
在电池的充放电过程中,有一些重要的参数需要我们关注。
首先是电压,电压是衡量电池电能储存状态的重要指标,通常以伏特(V)为单位。
其次是电流,电流则是衡量电池放电速率的指标,通常以安培(A)为单位。
最后是容量,电池的容量表示其可以存储的电能量大小,通常以安时(Ah)为单位。
除了这些基本参数之外,充放电过程中还存在一些效率损耗。
在充电过程中,由于化学反应的不完全和内部阻抗的存在,会导致能量损失。
而在放电过程中,电池的内部阻抗也会导致能量损失。
因此,我们在使用电池时,需要注意合理安排充放电周期,以及选择合适的充电器和放电设备,以减少能量损失,延长电池的使用寿命。
总的来说,充放电原理是电池工作的基本原理,了解这一原理有助于我们正确使用和维护电池。
通过合理安排充放电周期,选择合适的充电器和放电设备,我们可以最大限度地发挥电池的性能,延长其使用寿命,为我们的生活和工作提供持续稳定的能源支持。
希望通过本文的介绍,能让大家对充放电原理有更深入的了解,从而更好地利用电池这一重要的能源装置。
笔记本电池原理现代社会,我们经常使用笔记本电脑来满足各种工作和娱乐需求。
而作为笔记本电脑的重要组成部分之一,电池的原理是我们需要了解的。
本文将详细介绍笔记本电池的原理,让我们更好地理解和使用它。
一、电池的基本构成和分类1.基本构成笔记本电池包含三个主要部分:正极、负极和电解质。
正极和负极分别是电池的两个极性,由不同的物质组成。
电解质是中间的隔离剂,能够阻止正负极之间的直接接触,同时允许离子在两者之间传递。
2.分类根据电池的组成材料和工作原理,笔记本电池可分为多种类型,常见的有锂离子电池、镍氢电池和镍镉电池。
其中锂离子电池因其高能量密度和长寿命的特点得到了广泛的应用。
二、锂离子电池原理及其优势1.锂离子电池原理锂离子电池的正极材料是富锂材料(如三元材料LiCoO2),负极材料是石墨,电解质则是由锂盐和有机溶剂组成。
在充电时,锂离子从正极沿电解质移动到负极,反应式是:LiCoO2→Li1-xCoO2+xLi++xe^--xe^--→LiCoO2。
在放电时,反应过程相反,锂离子重新返回正极,提供电能。
2.优势锂离子电池具有很多优势。
首先,它们具有高能量密度,即单位质量或体积下储存的能量较大,这使得笔记本电池能够持续较长时间的使用。
其次,锂离子电池的自放电率较低,即即使在不使用过程中也能保持较低的能量损失。
此外,相比其他类型的电池,锂离子电池没有记忆效应,使用起来更加方便。
三、笔记本电池的充电原理1.直流充电直流充电是一种常见的充电方式。
通过连接电源逆向供电,即外部电源的正极连接到电池的负极,负极连接到正极。
这样,从外部电源流入的电流可反向推动离子沿着电解质从负极移动到正极,完成充电过程。
2.恒流充电和恒压充电恒流充电和恒压充电是常见于锂离子电池充电过程中的两种模式。
当电池电量较低时,采用恒流充电模式,即以恒定的电流充电,在保持充电电流不变的情况下,电池电压会逐渐增加。
当电池电量接近满电时,切换到恒压充电模式,即以恒定电压充电,由于电源电压相对稳定,电流会逐渐减小,直至电池充满。
锂离子电池结构及其工作原理详解锂系电池分为锂电池和锂离子电池。
手机和笔记本电脑使用的都是锂离子电池,通常人们俗称其为锂电池。
而真正的锂电池由于危险性大,很少应用于日常电子产品。
锂离子电池是一种充电电池,它主要依靠锂离子在正极和负极之间移动来工作。
在充放电过程中,Li+ 在两个电极之间往返嵌入和脱嵌:充电池时,Li+从正极脱嵌,经过电解质嵌入负极,负极处于富锂状态;放电时则相反。
一般采用含有锂元素的材料作为电极的电池,是现代高性能电池的代表。
锂离子电池的工作原理锂离子电池以碳素材料为负极,以含锂的化合物作正极,没有金属锂存在,只有锂离子,这就是锂离子电池。
锂离子电池是指以锂离子嵌入化合物为正极材料电池的总称。
锂离子电池的充放电过程,就是锂离子的嵌入和脱嵌过程。
在锂离子的嵌入和脱嵌过程中,同时伴随着与锂离子等当量电子的嵌入和脱嵌(习惯上正极用嵌入或脱嵌表示,而负极用插入或脱插表示)。
在充放电过程中,锂离子在正、负极之间往返嵌入/脱嵌和插入/脱插,被形象地称为“摇椅电池”。
当对电池进行充电时,电池的正极上有锂离子生成,生成的锂离子经过电解液运动到负极。
而作为负极的碳呈层状结构,它有很多微孔,达到负极的锂离子就嵌入到碳层的微孔中,嵌入的锂离子越多,充电容量越高。
同样,当对电池进行放电时(即我们使用电池的过程),嵌在负极碳层中的锂离子脱出,又运动回正极。
回正极的锂离子越多,放电容量越高。
一般锂电池充电电流设定在0.2C至1C之间,电流越大,充电越快,同时电池发热也越大。
而且,过大的电流充电,容量不够满,因为电池内部的电化学反应需要时间。
就跟倒啤酒一样,倒太快的话会产生泡沫,反而不满。
对电池来说,正常使用就是放电的过程。
锂电池放电需要注意几点:。
笔记本电池全面解析部分消费者买笔记本都是图一个便携。
其实,相对于台式机来说,笔记本除了携带方便之外,还有一个比较大的优势,就是使用了可充电电池,这样对于笔记本的使用环境就具有了很大的灵活性。
那么,在购买和使用笔记本的时候,我们应该了解哪些关于电池的知识呢?在下面店铺将为大家一一介绍。
笔记本主要配角笔记本的电池性能关系到笔记本的续航时间,这一点一般对于商务人士比较重要,他们经常需要拿着笔记本进行会议或商务洽谈等移动办公应用。
而对于一般消费者来说,平时大多是接通电源来使用笔记本,所以对于电池的选择以及保养就不那么关心了,以至于笔记本用了一段时间之后,电池的续航时间就大大降低,难以应对一些突发事件。
在这里笔者举一个不是很恰当的例子,笔记本和电池之间的关系,就像喜剧明星周星驰和他的配音演员石班瑜的关系,常常被人们所忽视,但又是其第一配角,不可或缺。
因此,消费者在选择购买和使用笔记本的时候,应该了解,并学会合理的使用及保养这个笔记本第一配件。
接下来,笔者就从几个重要方面来为大家介绍下关于笔记本电池的内容。
一、笔记本电池概述笔记本电脑最早配备的电池是镍镉电池,但这种电池具有“记忆效应”,每次充电前必须放电,使用起来很不方便,而且这种电池还有体积大、份量重、容量小、寿命短等缺点,所以已经被市场所抛弃了。
接着出现了镍氢电池,不过这种电池同样具有“记忆效应”,所以也逐渐被市场所淘汰。
目前,市场上主流的是锂离子电池和锂聚合物电池,其中锂离子电池具有体积小、重量轻、容量大、记忆效应低、充电时间短等优点,所以被商家大量使用。
而锂聚合物电池具有能量密度高、更小型化、超薄化、轻量化,以及高安全性和低成本等多种明显优势,是一种新型电池。
在笔记本的配置表中或者在购买笔记本的时候,用户都会看到或听到某一款笔记本配备的是几芯电池。
那么这个芯指的是什么?怎么分辨一款电池到底是几芯电池?芯指的就是电芯,锂离子电池是由外壳、电路板和电芯组成,一般人们所说的几芯电池就是指电池内电芯的数量。
笔记本电池健康度计算逻辑全文共四篇示例,供读者参考第一篇示例:随着笔记本电脑在日常生活中的普及,电池健康度成为了用户们关注的一个重要问题。
一部分用户在使用了一段时间之后会发现,原本续航时间长的笔记本电脑电池使用时间明显减少了,这时候就需要对电池的健康度进行评估。
本文将介绍一些关于笔记本电池健康度计算的逻辑和方法。
我们需要了解笔记本电池的工作原理。
笔记本电池在充电时,会存储电荷,当用户使用电脑时,电池会释放电荷供电。
随着电池循环充放电的次数增加,电池的化学反应会产生一些副作用,导致电池容量降低,从而影响续航时间。
为了评估笔记本电池的健康度,我们可以借助一些工具来进行测试。
最常用的方法是通过软件来检测电池的容量和健康度。
大多数笔记本电脑厂商都会提供自家品牌电池健康度检测工具,用户可以通过下载对应的软件来查看电池当前的健康度情况。
在Windows系统上,用户可以在设备管理器中找到电池选项,以查看电池的健康状况。
用户也可以通过一些第三方软件来测试电池的状态。
BatteryMon 是一款常用的电池监测软件,可以监控电池的健康度、电压、温度等情况。
用户可以通过这些软件来了解自己的电池状况,并作出相应的处理。
除了软件监测外,用户还可以通过一些手动方法来评估电池的健康度。
用户可以通过观察电池的外观来判断是否存在漏液、膨胀等情况。
用户还可以通过简单的测试来检测电池的续航时间和充电速度,从而了解电池的健康状况。
在评估电池健康度时,还需要考虑到一些因素。
使用环境和方式会影响电池的寿命。
如果用户经常在高温环境下使用笔记本电脑,那么电池的寿命会大大缩短。
用户充电时使用不当也会对电池健康度造成影响。
要想评估笔记本电池的健康度,需要结合软件监测和手动测试两种方法。
用户在日常使用笔记本电脑时,还需要注意一些使用细节,以延长电池的寿命。
希望本文的介绍能够帮助用户更好地了解和管理自己的笔记本电池,以确保电池的健康度和续航时间。
第二篇示例:笔记本电池健康度是指电池的使用寿命和性能状态的指标,是计算笔记本电池剩余容量与初始容量之比。
笔记本电池充电原理
笔记本电池充电原理:
1. 响应充电器插入:当充电器插入笔记本电脑时,电脑的电路会识别到充电器的输入,进而启动电池充电过程。
2. 直流转换:充电器会将交流电转换为直流电,并输出给笔记本电脑。
3. 控制电流和电压:充电器会控制输出的电流和电压,以保证电池得到适当的充电。
4. 充电管理芯片:笔记本电池内部有一个充电管理芯片,它会监测电池的充电状态并与电池管理软件进行通信。
该芯片还可以控制充电过程中的温度和电流,以保护电池的安全性。
5. 充电过程:电流从充电器流入电池,通过电池中的正极和负极之间的化学反应将电能转化成化学能,以储存起来。
6. 充满状态:当电池充满电时,充电器会停止输入电流,从而防止过充。
7. 循环充放电:一旦电池充满电后,电脑会通过充电管理芯片监测充电状态,并在电池电量降低到一定程度时再次进行充电,以保证电池的循环使用。
总结:笔记本电池充电原理基于充电器将交流电转换为适当的
直流电,并通过充电管理芯片来控制充电过程和监测电池状态。
电池将电能转化为化学能储存,并在电量降低时再次进行充电以实现循环使用。
笔记本电脑电池的构造和换电芯的原理1、笔记本电池的分类:按照电池介质可分为镍镉ni-cd、镍氢ni-mh、锂电li、锂离子li-ion以及最新的锂离子聚合物电池,现在笔记本最多使用的是锂离子电池。
2、笔记本电池的结构和容量排序:无论什么样的笔记本电池,都是由电芯+充电保护电路组成的,充电保护电路又是由防止过分充电的控制芯片和防止电池过热的过热保护器组成的。
一般笔记本电池都是10.8v、11.1v或者14.4v的。
如何分别里面的电池数量呢?恳请忘记,两节锂离子电池的电压都就是3.6v至3.7v,那么必须获得以上三种电压,须要先串联三或四个电芯,然后再由n组与这样串联的电芯共同组成电池组。
举个例子,你的电池标称10.8v/3600ma,那就可能是6芯或者9芯的,单节电芯容量为1800ma或者1200ma3、锂离子电池的充放电管制:为什么笔记本电池要内置充电保护电路?这是因为锂离子电池有一定的充电电压限制,一般3.6v的电池充电不能超过4.2v,否则就可能爆炸。
这就需要一个外在的设备监控充电电压,在即将到达临界值的时候停止充电同样,电芯也有放电限制,一般3.6v电池不能放电超过2.75v,否则就会导致电池失效,这就是我们常说的“过放电”。
4、锂离子电芯的型号:锂离子电池的信号是按照其外观尺寸规定的,一般笔记本使用的电芯有以下几种型号:18650、18500、17670、17650、103448、103450,以18650为例,该电芯直径18mm,长65mm,因此成为18650。
103448以及103450属于方块电池,ibm 240系列就使用该种电电池,宽长高分别为10mm、34mm、48mm。
一般来说笔记本电池都采用18650或17670电芯,主要是因为这两种电芯容量较大、体积较小,容易做成需要的电池形状。
5、什么就是再加电芯?换电芯就是将电池组中原来的电芯取出,更换其它电芯。
换电芯是被电池生产厂商严格禁止的行为,因为这具有很高的危险性。
以前是通过模拟的方式来SET_I来控制充电电流和电压,现在换位smbus设备(charge IC),直接填写数字值,来控制电池充放电原理图:内部主要原理:这颗IC的通信条件:VCC > 4V, ACDET > 0.6V.EC 通过smbus以word的方式对其进行读写操作。
地址: 0x12Setting the Charge Current要设置充电电流,写一个16位ChargeCurrent()命令(0x14或0b00010100)使用的数据格式,表4中列出。
10MΩ的检测电阻时,Bq 24725提供了128mA到8.128A充电电流范围,64mA的阶梯调动。
发送ChargeCurrent()低于128毫安或高于8.128A将清除登记和终止充电。
上电复位后,充电电流为0。
我们建议差分滤波模式下的SRP和SRN 之间上0.1μF的电容,主要道路网和地面之间的0.1μF的电容器常见的过滤模式,和一个可选的0.1μF的共模SRP和地面之间的电容滤波。
同时,对SRP的电容应不低于0.1pF 的更高的意识,以正确的周期bycycle跨越SRP和SRN的电压根据电流和过电流检测。
SRP和SRN引脚用于检测与秩和比默认10MΩ的价值。
然而,其他电阻值也可使用。
对于一个较大的检测电阻,你就会得到更大的意义上的电压,调节精度高,但是,在更高的传导损失费。
如果电流感应电阻值过高,可能会触发过电流保护阈值由于电流纹波电压过高。
在这种情况下,无论是较高的电感值或更低的电流感应电阻值应该是用来限制电流涟波电压水平。
建议电流感应电阻值不超过20mΩ。
提供二次保护,bq24725 ILIM引脚上有那些用户可以设定所允许的最大充电电流。
内部充电电流限制是由ChargeCurrent之间()设置的电压,并在ILIM引脚电压较低的一个。
要禁用此功能,用户可以拉1.6V的ILIM以上,这是最大充电电流限制。
下面的公式显示了ILIM引脚电压应该在尊重添加到首选充电电流限制:0 - Not used.1 - Not used.2 - Not used.3 - Not used.4 - Not used.5 - Not used.6 Charge Current, DACICHG 0 0 = Adds 0mA of charger current.1 = Adds 64mA of charger current.7 Charge Current, DACICHG 1 0 = Adds 0mA of charger current.1 = Adds 128mA of charger current.8 Charge Current, DACICHG 2 0 = Adds 0mA of charger current.1 = Adds 256mA of charger current.9 Charge Current, DACICHG 3 0 = Adds 0mA of charger current.1 = Adds 512mA of charger current.10 Charge Current, DACICHG 4 0 = Adds 0mA of charger current.1 = Adds 1024mA of charger current.11 Charge Current, DACICHG 5 0 = Adds 0mA of charger current.1 = Adds 2048mA of charger current.12 Charge Current, DACICHG 6 0 = Adds 0mA of charger current.1 = Adds 4096mA of charger current.13 - Not used.14 - Not used.15 - Not used.- Setting the Charge Voltage设置输出电压充电调节,写一个16位ChargeVoltage()命令(0x15或0b00010101)使用的数据格式表5中列出。
笔记本电池报告
随着科技的不断进步,笔记本电脑已经成为我们生活中不可或缺的一部分。
然而,随着时间的推移,电池寿命逐渐缩短成为了许多用户面临的问题。
本文将对笔记本电池的使用情况进行分析和报告,帮助用户更好地了解电池的使用和维护方法。
首先,让我们来了解一下笔记本电池的工作原理。
笔记本电池通常是由锂离子
电池构成的,其工作原理是通过锂离子在正负极之间的移动来释放能量。
而随着电池的充放电循环次数增加,锂离子电池的容量会逐渐下降,从而导致电池续航时间缩短。
其次,我们需要了解如何正确地使用笔记本电池以延长其寿命。
首先,避免过
度放电和充电,尽量保持电池在20%至80%的电量范围内使用。
其次,避免高温
环境下的长时间使用,因为高温会加速电池的老化。
另外,定期对电池进行完全充放电也是保持电池性能的有效方法。
除了正确使用外,正确的存储也是延长电池寿命的重要因素。
长时间不使用笔
记本电脑时,建议将电池存储在50%左右的电量状态,避免存储在满电或者低电
量状态下。
在选择充电器时,建议使用原厂充电器或者符合规格的第三方充电器,避免使
用不合适的充电器对电池造成损害。
最后,当电池寿命无法再延长时,及时更换电池也是非常重要的。
一般来说,
笔记本电池的寿命在300至500次充放电循环后会开始下降,当电池续航时间无法满足日常需求时,就需要考虑更换电池了。
总的来说,正确的使用和维护对于延长笔记本电池寿命至关重要。
通过本文的
报告,相信大家对于笔记本电池的使用和维护有了更深入的了解,希望能够帮助大家更好地保护电池,延长电池的使用寿命。
笔记本电池基础知识笔记本电池基础知识(1)目前笔记本电池常见的规格,常见的电压无外乎10.8V/11.1V、14.4V/14.8V 这四种,常见的容量无外乎3600mAh、4000 mAh、4400 mAh、6000 mAh 这几种。
这些规格到底意味着什么呢?从标称的规格我们可以得知什么内容?我们知道笔记本电池可以分成外壳、保护板(写有软件在里面)和电芯三大部分。
其中电芯是通过串联和并联组合在一起的,从笔记本电池的规格我们可以知道所采用的电芯规格指标和组合情况。
串联和并联目前大多数笔记本电池都是采用圆柱形电芯,通过串联和并联的方法组合而成。
串连的目的是为了提供更高的电压以便笔记本能够正常工作,并联的目的是为了提供更高的容量以便笔记本能够工作更长的时间。
因为到目前为止市场上还没有出现依靠单颗电芯就可以提供高于10V 同时容量又大于3000 mAh 的电芯,所以只能采用串联加上并联的办法来达到目的。
更高的电压大多数能够量产的圆柱形锂离子电芯的电压不是3.6V 就是3.7V(实验室里面也许有更高电压的电芯)。
因此:三颗串联(3S)电压就是10.8V(3.6V*3=10.8V)或者是11.1V(3.7V*3=11.1V);四颗串联(4S)电压就是14.4V(3.6V*4=14.4V)或者是14.8V(3.7V*4=14.8V)。
如下表所示:3.6V 3.7V3S 三串10.8V 11.1V4S 四串14.4V 14.8V两串(2S)从来没有出现过,因为无法提供足够的工作电压。
五串(5S)还没有出现,一方面是不需要这么高的电压,另一方面是串连的数量越多电芯一致性的问题就越难以解决。
更高的容量大多数能够量产的圆柱形锂离子电芯的单颗容量介于1800 mAh~2200 mAh 之间。
目前已经有2400 mAh 甚至更高的圆柱形电芯,不过也许是成本因素的考虑很少用在笔记本电池上面。
因此:如果两并(2P)容量应该在3600mAh(1800 mAh*2)~4400 mAh(2200 mAh*2)之间,如果三并(3P)容量应该在5400mAh(1800 mAh*3)~6600 mAh(2200 mAh*3)之间,如下表所示:1800mAh 1900mAh 2000mAh 2200mAh2P 两并3600Ah 3800Ah 4000Ah 4400Ah3P 三并5400Ah 5700Ah 6000Ah 6600Ah如何推算?以10.8V/3.6AH(3600mAh, 1A=1000mA)为例,从电压10.8V 我们可以知道一定是采用三颗3.6V 的电芯串联而成,从容量3.6AH 我们可以知道一定是采用两组容量为1800mAh 的电芯并联而成,因此这肯定是一个3*2=6 芯的电池组。
笔记本电池充电笔记本电池充电.txt永远像孩子一样好奇,像年轻人一样改变,像中年人一样耐心,像老年人一样睿智。
我的腰闪了,惹祸的不是青春,而是压力。
当女人不再痴缠,不再耍赖,不再喜怒无常,也就不再爱了。
新买回来的锂离子电池在初次使用时,要进行3次完全的充放电,即电池至少要完全充满一次电,再将电量放尽,重复三次后再使用。
以激活电池内部的化学物质,使电池内部的电化学反应进入最佳状态,在以后的使用中就可以随意地即充即用,但要保证一个月之内电池必须有一次完全的放电,这样的深度放电能激发电池的活化性能,对电池的使用寿命起着关键的作用。
如果超过3个月电池未使用,再次使用之前也应同新电池一样进行3次完全的充放电,以确保激活电池。
若采用镍氢电池,必须较好地掌控电池时间,应当特别注意不要频密地过度电池,否则可以延长电池的使用寿命。
此外,镍氢电池在电池前必须全然振动,在电池时也必须充份电池,且在正常采用前,也建议顺利完成3次全然的充放电。
大多数用户习惯在每次使用笔记本电脑时,都插接上交流电源供电,很少用电池给笔记本电脑供电。
其实应该每月至少用电池来供电一两次,将电池完全用光,再接上交流电一次性充满。
请记住这样一条,对于充电电池来说,将电量用完再充满,有益而无害,因为笔记本电脑使用的锂离子电池存在一定的惰性效应,长时间不使用会使锂离子失去活性,需要重新激活。
当笔记本电脑在室内使用交流电时最好将电池取出,以免使其经常处于充电状态。
充电时最好关上笔记本电脑,使电池能够完全充满电,不要在充电中途拔掉电源。
充电完毕,应该在30分钟后使用。
另外,由于电池中的电量很难用尽,大多数笔记本电脑又只有一块电池,因此,部分笔使电脑厂家研发了快速电池的功能,使用户在电量用尽后可以用最快的速度补足电能。
比如dell的笔记本电脑就具有expresscharge功能,可以在一小时内电池90%以上。
为什不是100%呢?因为根据锂电池的充放电特性,如果经常快速电池至100%,电池的寿命就告大延长,所以后面的10%可以由之前的快充任改成快充来缩短电池寿命。
笔记本电池充放电原理(1) NB 电池:目前电池皆以锂电池(Li-Ion) 为主, 锂离子电池除了轻巧,电容量又大,而且也没有记忆特性。
当一颗电池被反覆的充到一特定的电量时,它会产生出一种化学记忆特性,日後任你再怎样充电,都没法超过那个特地的电量额度了,这就是电池的记忆性。
锂离子电池没有这种问题,但它唯一的缺点是怕冷。
而锂电池是以持续等电压方式来充电的, 我们以下图来加以说明锂电池的充电原理:在上图中, 横轴是充电时间, 纵轴为电压, 在充电过程中,电池的电压数缓缓的升高,到达一个顶点(在我们图上是 4.2 伏特) 然後保持恒定,一直以4.2v 来充电, 所以为定电压充电(固定在4.2v, 但并非所有锂电池都是固定在 4.2 v, 要看各厂商的规格), 同时,充电电流则是缓缓下降。
一旦电流低到一个设定的阈值(我们图上的例子是80 mA (毫安培)),充电器则自动停止充电, 这里的所设定的阀值, 也必须是各厂商而定.而锂电池有六个对外的接脚连接至Notebook,Pins:1. 接地(GND)2. TS (侦测电池插入)3. HDQ BUS (主要在存取电池的各项叁数)4. BAT_BC5. No connection6. 电池输入/ 输出电压(2) Gauge IC:Gauge IC 一般称为"电池管理晶片", 而华硕Notebook 常用的电池当中皆含有此Gauge IC, 以M2A 为例, 其电池中所包含的Gauge IC 就是采用美国Bechmar q 公司的锂电池管理晶片"BQ2050H". 而Gauge IC 中包含了电池容量暂存器,温度暂存器, 电池识别(ID) 暂存器, 电池状态暂存器, 锂电池充电状态暂存器, 放电计数暂存器, 这些暂存器中的值, 会因为使用的时间或使用不当而产生变化, 导致电池充不满, 或使用时间变短等情形, 而这些暂存器中的值是可以利用特殊的方式来更改的, 大家常听到的电池学习, 其实就是更改电池容量暂存器以及电池状态暂存器中的值, 将原本暂存器中错误或误差的值加以修正, 使电池的充电时间及充电容量能恢复正常.(3) Charge IC:Charge IC 顾名思义就是用来控制电池充电的IC, 华硕常用的Charge IC 为M B3877 系列, 但Charge IC 并无法单独工作, 必须搭配一颗可程式化的IC (如: PIC 16C54) 才能正常工作, 而此PIC 16C54 是一颗可程式化的IC, 里面记载着电池充电时所需要的数据, 例如: 要用多大的电压电流来充电, 必须符合哪些条件, 电池才会被充电, 电池充饱时要切断哪些电源以及电池的充电指示灯该如何变化(闪烁或改变颜色) 等等, 而这些"值" 或"条件" 都是RD 预先设定好的, 下图以A1B 的充电简易方块图为各位说明NOTEBOOK 的充电流程:在上图中, 只有AC_IN (外加电源) 有讯号进来时, 才会进行电池的充电动作,而Battery 中的Gauge IC 会告知MB3877(Charge IC) 目前的电池状态(例如: 是否需要充电, 电量多少等等), 而PIC16C54 亦会侦测目前是否符合充电的条件(例如: AC_IN 是否有讯号, Battery 是否有插好等等), 如果目前Battery 是符合需要充电的条件, 其充电过程如下:Step1:AC_IN 有讯号, 而且也已侦测到Battery in.Step 2: PIC 16C54 会发出CHG_EN 的讯号, 告知MB 3877 可以对Battery 进行充电.Step 3: 同时PIC 16C54 亦会控制CHG_LED 的状态(例如: 闪烁或以其他颜色显示)Step 4: 当Battery 充饱时, 会由MB3877 发出Full# 的讯号给PIC 16C54, 告知目前电池已充饱电.Step 5: 当PIC 16C54 收到full# 讯号时, 会断开充电电源, 停止充电, 同时亦会改变CHG_LED 的状态(改成充饱的灯号), 完成充电程序.笔记本电脑故障的分析处理程一、笔记本常见故障开机不亮-硬件判断1. 笔记本电脑主板BIOS出现故障会引起开机不亮2.笔记本电脑CPU出现故障笔记本液晶屏无反应,也是开机不亮的原因3.笔记本电脑信号输出端口出现故障会引起开机不亮4. 笔记本电脑主板显卡控制芯片出现故障会引起开机不亮。
5.笔记本电脑显卡出现故障会引起开机不亮。
6. 笔记本电脑内存出现故障会引起开机不亮。
二、笔记本电池充不进电-硬件故障判断1.笔记本电脑电源适配器出现故障会引起电池充不进电2.笔记本电脑电池出现故障会引起电池充不进电3.笔记本电脑主板电源控制芯片出现故障会引起电池充不进电 3.笔记本电脑主板其它线路出现故障会引起电池充不进电。
三、笔记本不认外设-硬件故障判断1.笔记本电脑相关外设硬件出现故障会引起笔记本不认外设2.笔记本电脑BIOS出现故障设置出错会引起笔记本不认外设3.笔记本电脑主板外设相关接口出现故障会引起笔记本不认外设4.笔记本电脑主板出现故障也会引起笔记本不认外设没同时笔记本电脑不开机。
四、笔记本主板出现故障会引发如下现象特征1.笔记本电脑开机后不认笔记本硬盘2. 笔记本电脑开机后不认笔记本光驱3.笔记本电脑电池不充电4.笔记本电脑定时或不定时关机5.笔记本电脑键盘不灵6.笔记本电脑开机时有时会掉电7.笔记本电脑定时死机五、笔记本电源适配器引起的故障现象1.笔记本电脑开机不亮2.笔记本电脑间断性死机3.笔记本电源适配器发热4.笔记本电脑光驱读DVD或容易死机或掉电5.笔记本电脑运行大行程序容易死机或掉电,以上这些故障现象都与记本电源适配器相关。
六、笔记本死机造成死机的原因有多种,但多数是由于笔记本开机后内部温度高又不能及时散热而造成的七、笔记本屏暗造成屏暗故障的原因一般有几种,LCD的灯管、LCD屏线、LCD背光板损坏以及背光扳控制信号不良都会引起屏暗。
八、笔记本花屏花屏故障在实际维修中也比较常见。
花屏是指在LCD正常显示图象时出现不规则的条纹或斑点等图形。
如果故障严重的还会伴有死机的现象。
花屏一般是由于显卡的显示芯片本身损坏或芯片焊点虚接以及显存颗粒不良造成,也有少数故障是LCD本身损坏而造成的。
九、笔记本掉电掉电是指笔记本在使用过程中突然断电关机。
掉电在DELL机器中比较常见,多数是由于主板上的I/O芯片供电不稳造成的。
笔记本的散热不良也会出现掉电现象。
十、笔记本不认光驱、硬盘光驱和硬盘在笔记本中属于低速设备是由南桥管理的。
如果笔记本出现硬盘、光驱无法识别的现象,多数是因为南桥芯片内部的接口电路损坏造成的。
此故障在IBM的笔记本中较常见。
常见故障的判断1、开机检测不到光驱先检查一下光驱跳线跳正确与否;然后检查光驱IDE接口是否插接不良,如没有,可将其重新插好、插紧;最后,有可能是数据线损坏2、进出盒故障表现为不能进出盒或进出盒不顺畅,可能原因及排除方法是,进出盒仓电机插针接触不良或电机烧毁--可重插或更换;进出盒机械结构中的传动带(橡皮圈)松动打滑3、激光头故障故障现象表现为挑盘(有的盘能读,有的盘不能读)或者读盘能力差。
光驱使用时间长或常用它看VCD或听CD,激光头物镜变脏或老化。
★敬告大家千万不要使用市面上销售的一些低价劣质光头清洁盘,因为这些盘的刷毛太硬,反而会刮花物镜,并且还有可能引起静电危害,缩短光驱使用寿命。
★4、激光信号通路故障指的是激光头与电路板之间的连接线,是激光头与其他电路信息交换的通道。
此处产生故障较多。
5、主轴信号通路故障一般情况下,主轴电机与其驱动电路是合二为一的,称为主轴信号通路,此电路也由一条与激光信号通路连线一样的连接线连接,只不过股数不一样罢了。
由于它与激光头信息通路都是由伺服电路进行信息沟通的。
因而,在故障现象上有许多相似的地方,但由于激光头信息通路在进出盒时,其连接线易被拉折而损坏,所以在遇到相同故障现象时应先考虑激光头信息通路故障,再考虑主轴信号通路故障。
拆拆拆!笔记本电脑的结构深入分析电脑技术的应用为我们的生活和工作带来了巨大改变,使我们的生活学习工作有了质的转变。
普通的用户对电脑的了解一般停留在应用的阶段,都基于电脑基础之上做一些应用开发和科研。
我们对电脑内部的电路了解多少呢,目前介绍电脑内部电路的资料和书籍很少,对于笔记本电脑的介绍更是少之又少了。
下面我们就笔记本电脑电路原理结构图做一介绍。
如果希望对电路更深入的了解,请关注本书的网站1、笔记本电脑电路结构框图笔记本电脑的结构图所示,整体上分为五大部分。
(1)以cpu为核心连接了cpu的温度控制电路、cpu核心电压供给电路、cpu散热风扇控制电路。
(2)以内存控制器为核心连接了内存、显卡、cpu、i/o,起着承上启下的作用。
(3)以i/o控制器为核心分别连接了ide(光驱和硬盘)、usb、网卡、声卡、pci总线和扩展坞等器件的控制电路和接口电路。
(4)以lpc总线为核心分别连接了sio(超级输入输出控制器)和smc/kbc(系统管理控制器/键盘控制器)、fwh(固件集线器),而sio又包括了串口、并口、红外、软驱的控制电路。
smc/kbc又包括了键盘和鼠标的控制电路和系统管理控制器。
(5)电源供给电路和电池充电电路。
[1][2][3]下一页2、笔记本电脑主板单元电路综述2.1、下面我们就以支持迅驰的intel的855gm芯片组的整套电路结构做一个简单的介绍。
pentium m处理器cpu是计算机的大脑,是司令。
它管理和控制其他部件进行数据传输和处理。
pentium m处理器是intel专门为笔记本电脑设计的一款cpu,它以低频率、低电压和多种节能模式工作,达到了很高的节电水平和很好的性能。
它的一些特点如下:1、片内集成32kb一级缓存和1mb二级缓存;2、支持sse2指令集;3、支持增强的speedstep技术,可以调整核心电压和核心频率;4、400mhz的cpu总线频率。
pentium m引出cpu总线,也称前端总线,连接北桥芯片组。
其频率为400mhz,这其实是通过在100mhz时钟周期内采样四次实现的。
cpu总线信号使用agtl+逻辑,这是一种信号的电器特性,它可以改善信号的质量,并降低功耗。
2.2、i mv p-iv核心电压控制imvp-iv是为cpu提供核心供电的电路,由于pentium m核心电压可调(有32种),所以要有一个能精确调整电压的电路。
除此以外,cpu还有一些关于电源管理的信号,也由imvp-iv负责。
它帮助电脑实现了speedstep技术。