陕西省级文明工地现场复查评分表(2019版)
- 格式:docx
- 大小:69.53 KB
- 文档页数:21
陕西省省级文明工地验评标准各设区市建设规划局(建委)、杨凌示范区规划建设局,各有关单位、企业:为把创建文明工地活动与安全标准化建设相结合,全面提升我省文明工地整体水平,确保创建活动深入持久开展,我厅对原《》进行了修订,现予以颁发,并就有关事项通知如下:一、指导思想(一)指导思想:贯彻党的十七大精神,认真实践科学发展观,坚持以人为本,创建资源节约型、环境友好型、人与自然和谐的文明工地,广泛推动技术创新、节能环保和绿色建筑,全面提升文明工地的整体水平,促进我省建筑业可持续发展。
(二)工作目标:全省建筑施工现场安全达标合格率达到100%,从2011年起,力争实现年创建省级文明工地200个,市级文明工地个数占到当地在建工程总数的30%以上,确保创建一批标准化、规范化、科学化、信息化、工程质量优、科技含量高、环保节能突出、管理成效显著、安全文明氛围浓厚的省级文明工地。
(三)组织领导:创建文明工地活动工作由省厅全面负责,委托省建设工程质量安全监督总站具体负责创建省级文明工地活动的日常管理工作,不再设立创建文明工地领导小组。
每年年初,由省厅与各设区市建设行政主管部门签订目标责任书,确定各市当年创建省级文明工地的数量。
文明工地经验评符合省级标准的,由省厅发文命名,并颁发奖牌和证书。
二、总体要求创建文明工地活动是我省建筑业落实科学发展观的具体行动,是创建文明城市、实现社会文明的重要组成部分,是实施品牌战略、做大做强陕西建筑业的有效途径。
各级建设行政主管部门、质量安全监督机构、各建设、监理、总承包和分包单位应切实提高对创建工作重要性的认识,认真落实创建责任,努力提高创建水平。
(一)以安全为重点,以质量为核心,推动文明工地创建活动深入开展坚持以人为本,以安全为重点,以质量为核心,以科技创新为动力,是创建文明工地活动的核心,各级建设行政主管部门应持之以恒,常抓不懈,推动创建文明工地活动深入健康发展。
(二)依靠科技进步,突出节能环保,提升文明工地创建水平1、推广新技术。
陕西省住房和城乡建设厅关于加强省级文明工地管理工作的通知正文:---------------------------------------------------------------------------------------------------------------------------------------------------- 陕西省住房和城乡建设厅关于加强省级文明工地管理工作的通知陕建发〔2019〕1142号各设区市住房和城乡建设局、杨凌示范区住房和城乡建设局、西咸新区规划建设局、韩城市住房城乡建设局,神木市、府谷县住房城乡建设局:为全面提升全省建筑工程质量安全管理水平,推动建筑施工安全生产标准化和质量管理标准化工作,深化和丰富创建文明工地活动内涵,现就加强陕西省房屋建筑和市政基础设施工程文明工地(以下简称省级文明工地)管理工作通知如下:一、总体要求省级文明工地是我省房屋建筑和市政基础设施工程施工过程管理的最高荣誉,是评选省优工程长安杯奖的必要条件,评选工作在省住房和城乡建设厅的领导下组织实施,省厅设立评选委员会,在工程质量安全监管处设立评选委员会办公室负责具体工作。
省级文明工地由施工总承包企业自愿申报,各市建设行政主管部门初评推荐,省厅组织评选,每半年评选一次。
评选程序为:企业申报→工程所在地市级建设行政主管部门初评推荐→申报资料审查→工程项目现场复查→评选委员会评选→厅务会审议→发文表彰。
二、评选范围申报范围为符合基本建设程序的省行政区域内新建、扩建的房屋建筑工程和市政基础设施工程(城市轨道交通工程、城市地下综合管廊工程),申报规模应符合以下标准:(一)房屋建筑工程(1)西安市建筑面积为2万平方米以上;其他各地市级建筑面积1万平方米以上;各县建筑面积8000平方米以上(韩城市、神木市、府谷县);(2)1.5万座以上的体育场;2000座以上的体育馆;1500座以上的游泳馆;800座以上的影剧院;高度200米以上的电视发射塔;(3)建筑面积1000平方米以上的古建筑重建工程。
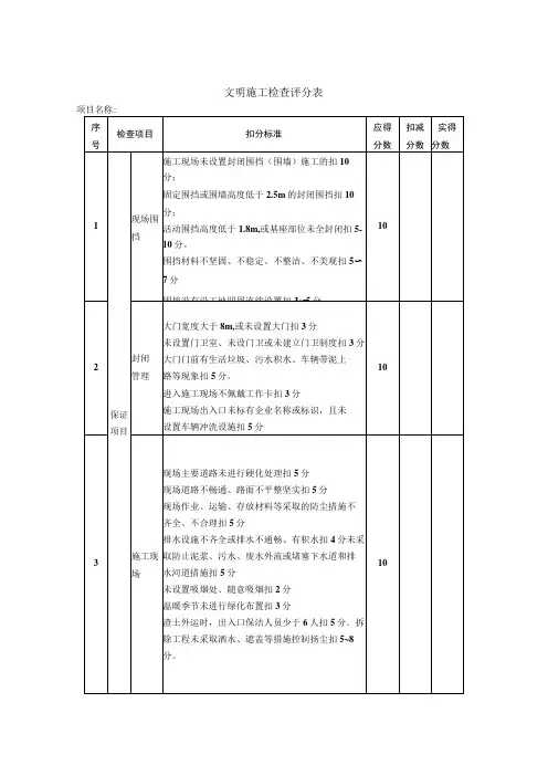
文明工地验评表第一部分施工现场管理与环境保护表1-1 验收项目检查时间:检查人:序号检查项目检查内容扣分标准应得分数扣分在对应序号中划√扣分合计实得分数备注不得分项8分项5分项2分项1 资质证件与施工组织设计1、资质证件2、施工组织设计3、上岗证件※⑴总、分包单位无资质或无安全生产许可证不得分,项目经理无资格证和安全考核合格证书不得分※⑵总承包企业将工程分包给不具有相应资质的不得分※⑶施工组织设计及专项方案未按规定审批审查签字、危险性较大工程专项方案未经论证的不得分⑷施工组织设计、专项方案不能指导施工的扣5分,未认真执行施工组织设计每项扣2分⑸施工员、质量员、资料员、安全员等每有1人缺上岗证的扣3分10⑴⑵⑶⑷⑷⑸2 围档1、冲洗设备2、工地围墙坚固稳定、整洁美观3、大门制作规范,坚固美观4、门卫制度健全、执行认真5、单位牌子清晰规范※⑴无冲洗设备不得分⑵冲洗设备达不到节水和环保要求扣8分⑶围墙高度不符合规定, 不坚固、不整洁、不连续、有沉陷裂缝各扣5分⑷大门未实行标准化、定型化扣5分,制作粗糙、不牢固、无企业标识各扣2分⑸门卫制度不健全, 门卫未履行职责,未建立登记各扣2分⑹单位牌子制作粗糙,不整洁各扣2分20 ⑴(2)(3)(4)⑷⑸⑹3 场容场貌1、现场道路硬化坚实平整2、排水系统畅通3、构件、材料、设施料分类堆放、整齐4、平面布局合理5、施工做到工完场清6、楼面堆料不超标※⑴现场主干道未硬化不得分,其它场地未绿化或固化扣5分⑵排水沟设置不合理扣5分,沟槽无硬化、不畅通各扣2分⑶构件、材料、设施料未做到分类堆放,水泥或其它有粉尘材料未封闭存放各扣5分⑷砂、石料场地未硬化,砂、石堆放未成方,钢材堆放未支垫扣5分⑸材料未挂品种、规格、产地等标牌各扣2分⑹施工未做到工完场清,材料堆放混乱、卫生差各扣5分,较差的扣2分⑺楼面、施工层集中堆放材料超标每处扣8分,楼面材料未归类合理放置扣5分,清理不及时扣2分20 ⑴⑺(1)⑵⑶⑷⑹⑺⑵⑸⑹⑺检查内容小计14 扣分项目小计18 扣分小计得分小计文明工地验评表第一部分施工现场管理与环境保护表1-2 验收项目检查时间:检查人:序号检查项目检查内容扣分标准应得分数扣分在对应序号中划√扣分合计实得分数备注不得分项8分项5分项2分项4 标牌标识与安全警示1、大门处“八牌二图”齐全整洁2、施工区域标志醒目3、危险区域禁令明显4、机械设备有操作规程牌5、临街、楼面有文明礼貌标语6、现场管理人员挂牌上岗⑴“八牌二图”不齐全、尺寸不统一、位置不当、不醒目、不整洁、设在围墙上各扣2分⑵进出口、临边、危险作业点缺警告、禁止、提示标牌各扣2分⑶未进行危险源辨识、无危险源公示牌、无职业危害公示栏各扣5分,在危险源处未设置安全警示标志扣2分⑷仓库、配电房、木工棚、危险品存放点、现场火源处缺少管理制度、禁令标志、隔离措施各扣2分⑸机械设备缺少操作规程和操作责任人牌、位置不合理、制作不规范各扣2分⑹未按要求设置文明礼貌用语标牌扣2分⑺施工作业、管理人员每有一人不挂牌上岗扣2分⑻防护栏杆、踢脚板等色标不清,不符合要求各扣2分15 ⑶⑴⑵⑶⑷⑸⑹⑺⑻按照JGJ146-2004建筑施工现场环境与卫生标准检查5 作业条件环境保护1、地面固定作业有工作棚2、机械设备有防雨棚3、环保有措施4、建筑垃圾定点堆放、及时清理⑴工作棚搭设未做到定型化、工具式扣8分,搭设高度、宽度、采光、通风等达不到要求,各扣2分⑵机械设备及三级箱无防雨措施每处扣2分⑶缺少环保措施、焚烧废弃物、无控制噪声、扬尘措施的各扣5分⑷、现场垃圾堆放地点不合理、无标志各扣8分⑸未设封闭式垃圾台、垃圾未按分类存放的扣5分⑹现场无饮用水供应点扣5分20⑴⑷⑶⑸⑹⑴⑵⑷同上6 防火防爆防毒1、易燃、易爆材料分类、分仓库存放2、消防措施到位3、受压容器处于安全状态4、生活用火安全5、工地有吸烟室6、防毒有措施⑴未设易燃、易爆材料库及材料未分类存放扣8分,库房建筑、位置不符合要求扣5分⑵消防器材不足、失效、位置不合理各扣2分⑶现场明火作业无动火证、无责任人及监护人各扣2分⑷氧气瓶、乙炔气瓶缺安全帽、防震圈、放置不正确、不稳固、安全距离不够,无防晒、防油措施各扣2分,操作人员未正确使用防护用品扣5分⑸生活用火有安全隐患每处扣2分⑹现场无吸烟室(点)、位置不合理、布点不足各扣2分⑺作业场地每有一人吸烟扣2分⑻有毒作业未采取通风及个人保护措施、有毒材料未建立保管、发放、使用管理制度各扣2分15 ⑴⑴⑷⑵⑶⑷⑸⑹⑺⑻同上检查内容小计16 扣分项目小计22 扣分小计实得分注:1、※符号为否决项目; 2、扣减分数不得大于该项应得分数;3、当一个项目有多处不合格,在对应序号√上按数划点,数点累计扣分。
陕西省文明工地验收标准陕西省文明工地验收标准陕建发[2010]105号各设区市建设规划局(建委)、杨凌示范区规划建设局,各有关单位、企业:为把创建文明工地活动与安全标准化建设相结合,全面提升我省文明工地整体水平,确保创建活动深入持久开展,我厅对原《省级文明工地验评标准》进行了修订,现予以颁发,并就有关事项通知如下:一、指导思想(一)指导思想:贯彻党的十七大精神,认真实践科学发展观,坚持以人为本,创建资源节约型、环境友好型、人与自然和谐的文明工地,广泛推动技术创新、节能环保和绿色建筑,全面提升文明工地的整体水平,促进我省建筑业可持续发展。
(二)工作目标:全省建筑施工现场安全达标合格率达到100%,从2011年起,力争实现年创建省级文明工地200个,市级文明工地个数占到当地在建工程总数的30%以上,确保创建一批标准化、规范化、科学化、信息化、工程质量优、科技含量高、环保节能突出、管理成效显著、安全文明氛围浓厚的省级文明工地。
(三)组织领导:创建文明工地活动工作由省厅全面负责,委托省建设工程质量安全监督总站具体负责创建省级文明工地活动的日常管理工作,不再设立创建文明工地领导小组。
每年年初,由省厅与各设区市建设行政主管部门签订目标责任书,确定各市当年创建省级文明工地的数量。
文明工地经验评符合省级标准的,由省厅发文命名,并颁发奖牌和证书。
二、总体要求创建文明工地活动是我省建筑业落实科学发展观的具体行动,是创建文明城市、实现社会文明的重要组成部分,是实施品牌战略、做大做强陕西建筑业的有效途径。
各级建设行政主管部门、质量安全监督机构、各建设、监理、总承包和分包单位应切实提高对创建工作重要性的认识,认真落实创建责任,努力提高创建水平。
(一)以安全为重点,以质量为核心,推动文明工地创建活动深入开展坚持以人为本,以安全为重点,以质量为核心,以科技创新为动力,是创建文明工地活动的核心,各级建设行政主管部门应持之以恒,常抓不懈,推动创建文明工地活动深入健康发展。
陕西省文明工地检查(验收)总表2、不在规定范围内积极选用预拌混凝土,采用微机计量各加1分;3、现场全部硬化,有水冲厕所各加0.5分;4、有一个分项检查(验收)表得零分,总表为不合格;5、1万平方米以下的工程,设一名项目经理,1万平方米以上的工程,设一正一副两名项目经理,3万平方米以上的工程,设一正两副三名项目经理。
第一部分施工现场管理规范表1-1验收项目检查时间:检查人:第一部分 施工现场管理规范 表1-2验收项目 检查时间: 检查人:3、扣减分数不得大于该项应得分数;4、当一个项目有多少不合格,在对应序号√上按数划点,数点累计扣分。
5、该表换算到总表得分=应得分该表实得分 20第二部分施工安全达标表2-1验收项目检查时间:检查人:第二部分 施工安全达标 表2-2验收项目 检查时间: 检查人:注:1、※符号为不得分项目;2、在一个项目中有不得分项或得分为零分的,本部分检查(验收)表不得分;3、扣减分数不得大于该项应得分数;4、当一个项目有多处不合格,在对应序号√上按数划点,数点累计扣分。
5、该表换算到总表得分=应得分该表实得分27第三部分工程质量创优表3-1单位工程名称检查时间:年月日检查人:第三部分工程质量创优表3-2单位工程名称检查时间:年月日检查人:第三部分工程质量创优表3-3单位工程名称检查时间:年月日检查人:①工程质量创优检查(验收)表换算到文明工地总表得分=27×综合得分除以应得分;②若有缺项,该项不得分,同时扣除该项应得分;在一个项目中有不得分或得分为零的,该工程不得评为省级文明工地。
③省级文明工地优质结构检查人员不得少于2~3人;④综合得分在70分以下,为不合格结构,应按照有关规定进行处理;70-85分为合格结构;85-87分为优良结构;达到优质结构的工程,方可申报省级文明工地,参加陕西省建设工程长安杯奖(省优质工程)评选活动。
第四部分办公生活设施整洁表4-1验收项目检查时间:检查人:陕西省文明工地检查(验收)表第四部分 办公生活设施整洁 表4-2验收项目 检查时间: 检查人:注:1、※符号为不得分项目;2、在一个项目中有不得分项或得分为零分的,本部分检查(验收)表不得分;3、扣减分数不得大于该项应得分数;4、当一个项目有多处不合格,在对应序号√上按数划点,数点累计扣分。
陕西省住房和城乡建设厅关于命名2019年第一批省级文明工地的通报
正文:
---------------------------------------------------------------------------------------------------------------------------------------------------- 陕西省住房和城乡建设厅关于命名2019年第一批省级文明工地的通报
陕建质发〔2019〕1016号
各设区市住房和城乡建设局,杨凌示范区住房和城乡规划建设局,韩城市住房和城乡建设局,神木市、府谷县住房和城乡建设局,有关企业:
为深入开展全省文明工地创建活动,强化施工项目管理,推动工程质量出精品,施工安全上水平,发挥文明工地的样板示范和引领作用,促进我省建筑工程质量安全水平,经验评审查,决定授予智慧新城三期工程3标段等167个工地为2019年度省级文明工地称号,并对创建文明工地的建筑施工企业颁发荣誉证书。
请获得省级文明工地的单位再接再厉,积极创新,进一步提高文明工地创建水平。
其他单位应以参建企业为榜样,积极参与创建活动,强化管理,努力拼搏,推动工程质量出精品,施工安全上水平,确保创建一批标准化、规范化、科学化、工程质量优、科技含量高、环保节能突出、管理成效显著、安全文明氛围浓厚的省级文明工地,提升我省工程质量安全水平。
附件:2019年第一批省级文明工地名单
陕西省住房和城乡建设厅
2019年3月25日
——结束——。
附件一陕西省文明工地(房建工程)备案表注:1、提供施工企业资质证书、安全生产许可证、建筑工程施工许可证、建筑工程安全生产备案书、人身意外伤害保险单、质量监督手续、建造师(项目经理)证书及安全生产考核合格证、安全员上岗证及安全生产考核合格证的复印件加盖企业公章,同本表一式三份,逐级上报至陕西省建设工程质量安全监督总站备案。
2、陕西省级文明工地在城市规划区内申报面积为西安市20000㎡以上(含),其它各市(区)城区内为10000㎡以上,各县(市、区)为6000㎡以上。
3、房屋建筑工程应在主体工程施工前、其他工程应工程开工后20个工作日内进行登记备案。
4、1万㎡以下的工程,设一名安全员,1~5万㎡的工程,设不少于两名安全员;5万㎡以上的工程(含5万㎡),设不少于三名安全员,且按专业配备。
5、创建文明工地计划和工程形象进度计划另附材料。
附件二陕西省文明工地(房建工程)验评总表验收时间:备案登记号:可设一正一副两名项目经理,3万㎡以上的工程,可设一正两副三名项目经理;③夏季职工宿舍有空调、冬季洗浴、有供暖、远程监控系统、节水型洗车机,使用安全标准化设施的,每项目各加1分,设有亲属探亲房、亲情电话、节能型灯具各加0.5分。
第一部分施工现场管理与环境保护表1-1 验收项目检查时间:检查人:第一部分 施工现场管理与环境保护 表1-2验收项目 检查时间: 检查人:注:1、※符号为否决项目; 2、扣减分数不得大于该项应得分数;3、当一个项目有多处不合格,在对应序号√上按数划点,数点累计扣分;4、该表换算到总表得分= 应得分该表实得分 20陕西省文明工地(房建工程)验评表第二部分施工安全达标表2-1 验收项目检查时间:检查人:陕西省文明工地(房建工程)验评表第二部分 施工安全达标 表2-2验收项目 检查时间: 检查人:注:1、※符号为否决项目; 2、扣减分数不得大于该项应得分数;3、当一个项目有多处不合格,在对应序号√上按数划点,数点累计扣分;4、该表换算到总表得分= 应得分该表实得分 27第三部分工程质量创优表-3-1验收项目检查时间:检查人:第三部分工程质量创优表3-2 验收项目检查时间:检查人:第三部分 工程质量创优 表3-3验收项目 检查时间: 检查人:注:1、※符号为否决项目; 2、扣减分数不得大于该项应得分数;3、当一个项目有多处不合格,在对应序号√上按数划点,数点累计扣分;4、综合得分87分(含87分)以上为优质结构,达到优质结构的工程方可申报省级文明工地;4、该表换算到总表得分= 应得分该表实得分 27陕西省文明工地(房建工程)验评表第四部分办公生活设施整洁表4-1 验收项目检查时间:检查人:第四部分 办公生活设施整洁 表4-2验收项目 检查时间: 检查人:注:1、※符号为否决项目;2、扣减分数不得大于该项应得分数3、当一个项目有多处不合格,在对应序号√上按数划点,数点累计扣分;4、该表换算到总表得分= 应得分该表实得分 16第五部分 营造良好文明氛围 表5验收项目 检查时间: 检查人:注:1、※符号为否决项目;2、扣减分数不得大于该项应得分数;3、当一个项目有多处不合格,在对应序号√上按数划点,数点累计扣分;4、该表换算到总表得分=应得分该表实得分 10。
附件一陕西省文明工地(房建工程)备案表伤害保险单、质量监督手续、建造师(项目经理)证书及安全生产考核合格证、安全员上岗证及安全生产考核合格证的复印件加盖企业公章,同本表一式三份,逐级上报至陕西省建设工程质量安全监督总站备案。
2、陕西省级文明工地在城市规划区内申报面积为西安市20000㎡以上(含),其它各市(区)城区内为10000㎡以上,各县(市、区)为6000㎡以上。
3、房屋建筑工程应在主体工程施工前、其他工程应工程开工后20个工作日内进行登记备案。
4、1万㎡以下的工程,设一名安全员,1~5万㎡的工程,设不少于两名安全员;5万㎡以上的工程(含5万㎡),设不少于三名安全员,且按专业配备。
5、创建文明工地计划和工程形象进度计划另附材料。
附件二陕西省文明工地(房建工程)验评总表验收时间:备案登记号:可设一正一副两名项目经理,3万㎡以上的工程,可设一正两副三名项目经理;③夏季职工宿舍有空调、冬季洗浴、有供暖、远程监控系统、节水型洗车机,使用安全标准化设施的,每项目各加1分,设有亲属探亲房、亲情电话、节能型灯具各加0.5分。
陕西省文明工地(房建工程)验评表第一部分施工现场管理与环境保护表1-1 验收项目检查时间:检查人:陕西省文明工地(房建工程)验评表第一部分施工现场管理与环境保护表1-2验收项目 检查时间: 检查人:注:1、※符号为否决项目; 2、扣减分数不得大于该项应得分数;3、当一个项目有多处不合格,在对应序号√上按数划点,数点累计扣分;4、该表换算到总表得分= 应得分该表实得分 20陕西省文明工地(房建工程)验评表第二部分施工安全达标表2-1 验收项目检查时间:检查人:陕西省文明工地(房建工程)验评表第二部分 施工安全达标 表2-2验收项目 检查时间: 检查人:注:1、※符号为否决项目; 2、扣减分数不得大于该项应得分数;3、当一个项目有多处不合格,在对应序号√上按数划点,数点累计扣分;4、该表换算到总表得分= 应得分该表实得分 27陕西省文明工地(房建工程)验评表第三部分工程质量创优表-3-1 验收项目检查时间:检查人:第三部分工程质量创优表3-2 验收项目检查时间:检查人:第三部分 工程质量创优 表3-3验收项目 检查时间: 检查人:注:1、※符号为否决项目; 2、扣减分数不得大于该项应得分数;3、当一个项目有多处不合格,在对应序号√上按数划点,数点累计扣分;4、综合得分87分(含87分)以上为优质结构,达到优质结构的工程方可申报省级文明工地;4、该表换算到总表得分= 应得分该表实得分 27第四部分办公生活设施整洁表4-1 验收项目检查时间:检查人:第四部分办公生活设施整洁表4-2 验收项目检查时间:检查人:注:1、※符号为否决项目;2、扣减分数不得大于该项应得分数3、当一个项目有多处不合格,在对应序号√上按数划点,数点累计扣分;4、该表换算到总表得分= 应得分该表实得分 16陕西省文明工地(房建工程)验评表第五部分 营造良好文明氛围 表5验收项目 检查时间: 检查人:注:1、※符号为否决项目;2、扣减分数不得大于该项应得分数;3、当一个项目有多处不合格,在对应序号√上按数划点,数点累计扣分;4、该表换算到总表得分=应得分该表实得分 10。