陕西省文明工地登记备案表
- 格式:doc
- 大小:538.00 KB
- 文档页数:29
附件一陕西省文明工地(房建工程)备案表注:1、提供施工企业资质证书、安全生产许可证、建筑工程施工许可证、建筑工程安全生产备案书、人身意外伤害保险单、质量监督手续、建造师(项目经理)证书及安全生产考核合格证、安全员上岗证及安全生产考核合格证的复印件加盖企业公章,同本表一式三份,逐级上报至陕西省建设工程质量安全监督总站备案。
2、陕西省级文明工地在城市规划区内申报面积为西安市20000㎡以上(含),其它各市(区)城区内为10000㎡以上,各县(市、区)为6000㎡以上。
3、房屋建筑工程应在主体工程施工前、其他工程应工程开工后20个工作日内进行登记备案。
4、1万㎡以下的工程,设一名安全员,1~5万㎡的工程,设不少于两名安全员;5万㎡以上的工程(含5万㎡),设不少于三名安全员,且按专业配备。
5、创建文明工地计划和工程形象进度计划另附材料。
附件二陕西省文明工地(房建工程)验评总表可设一正一副两名项目经理,3万㎡以上的工程,可设一正两副三名项目经理;③夏季职工宿舍有空调、冬季洗浴、有供暖、远程监控系统、节水型洗车机,使用安全标准化设施的,每项目各加1分,设有亲属探亲房、亲情电话、节能型灯具各加0.5分。
陕西省文明工地(房建工程)验评表第一部分施工现场管理与环境保护表1-1 验收项目检查时间:检查人:陕西省文明工地(房建工程)验评表第一部分 施工现场管理与环境保护 表1-2验收项目 检查时间: 检查人:注:1、※符号为否决项目; 2、扣减分数不得大于该项应得分数;3、当一个项目有多处不合格,在对应序号√上按数划点,数点累计扣分;4、该表换算到总表得分= 应得分该表实得分 20第二部分施工安全达标表2-1 验收项目检查时间:检查人:第二部分 施工安全达标 表2-2验收项目 检查时间: 检查人:注:1、※符号为否决项目; 2、扣减分数不得大于该项应得分数;3、当一个项目有多处不合格,在对应序号√上按数划点,数点累计扣分;4、该表换算到总表得分= 应得分该表实得分 27陕西省文明工地(房建工程)验评表第三部分工程质量创优表-3-1验收项目检查时间:检查人:陕西省文明工地(房建工程)验评表第三部分工程质量创优表3-2 验收项目检查时间:检查人:陕西省文明工地(房建工程)验评表第三部分工程质量创优表3-3验收项目检查时间:检查人:注:1、※符号为否决项目; 2、扣减分数不得大于该项应得分数;3、当一个项目有多处不合格,在对应序号√上按数划点,数点累计扣分;4、综合得分87分(含87分)以上为优质结构,达到优质结构的工程方可申报省级文明工地;4、该表换算到总表得分= 应得分该表实得分 27陕西省文明工地(房建工程)验评表第四部分 办公生活设施整洁 表4-1验收项目 检查时间: 检查人:第四部分 办公生活设施整洁 表4-2验收项目 检查时间: 检查人:注:1、※符号为否决项目;2、扣减分数不得大于该项应得分数3、当一个项目有多处不合格,在对应序号√上按数划点,数点累计扣分;4、该表换算到总表得分= 应得分该表实得分 16第五部分 营造良好文明氛围 表5验收项目 检查时间: 检查人:注:1、※符号为否决项目;2、扣减分数不得大于该项应得分数;3、当一个项目有多处不合格,在对应序号√上按数划点,数点累计扣分;4、该表换算到总表得分=应得分该表实得分 10。
陕西省文明工地(房建)备案资料三普东区15#、16#住宅楼
大秦建设集团有限责任公司
2014年2 月26 日
目录
1、陕西省文明工地登记备案表
2、施工企业资质证书
3、施工企业安全生产许可证
4、建筑工程生产许可证
5、人身意外伤害保险单
6、安全员上岗证
7、中标通知书
8、开工报告
9、安全文明施工措施费
10、质量监督手续
11、施工合同
12、创建文明工地计划书及措施
13、建筑工程安全生产备案书
14、“三类人员”安全生产考核合格证
15、建造师(项目经理)注册证书
16、施工图审查报告
陕西省文明工地备案申请表
附表一
致:西咸新区规划土地环保局
由我公司负责的三普东区15#、16#住宅楼工程,位于陕西省咸阳市咸肖公路三普东区院内,该工程建筑面积:44907.3㎡,工程建安总造价8591.6349万元。
我们以创建“省级文明工地”为目标,严格按照《陕西省文明工地评定办法》及《陕西省文明工地验评表》的内容要求组织创建活动。
现申请“陕西省文明工地”备案,望贵局给予批准!
申报企业意见:
申报企业盖章
年月日
证明
2013年8月9日向大秦建设集团有限责任公司三普石油工程公司项目部拨付安全文明施工费:¥2890426.78元。
特此证明。
中石化集团华北石油局三普石油工程公司
2014年2月26日。
陕西省文明工地(房建工程)验评总表
可设一正一副两名项目经理,3万㎡以上的工程,可设一正两副三名项目经理;③夏季职工宿舍有空调、冬季洗浴、有供暖、远程监控系统、节水型洗车机,使用安全标准化设施的,每项目各加1分,设有亲属探访亲房、亲情电话、节能型灯具各加0.5分。
注:
1、提供施工企业资质证书、安全生产许可证、建筑施工许可证、建筑工程安全生产备案书、人身意外伤害保险单、质量监督手续、建造师(项目经理)证书及安全生产考核合格证、安全员上岗证及安全生产考核合格证的复印件加盖企业公章同本表一式三份,逐级上报至陕西省建设工程质量安全监督总站备案。
2、陕西省文明工地在城市规划区内申报面积为西安市20000㎡以上(含),其他各市(区)为10000㎡以上,各县(市、区)为6000㎡以上。
3、房屋建筑工程应在主体施工前、其他工程应在工程开工后20个工作日内进行登记备案。
4、1万㎡以下的工程,设一名安全员,1~5万㎡的工程,设不少于两名安全员;5万㎡以上的工程(含5万㎡),设不少于三名安全员,且按专业配备。
5、创建文明工地计划和工程形象进度计划另附材料。
陕西省工程竣工验收备案表一、背景为加强工程质量管理,规范工程竣工验收备案工作,依据《中华人民共和国建筑法》的有关规定和工程建设管理的实际情况,制定本备案表,供工程建设单位使用。
二、适用范围本备案表适用于陕西省各类工程竣工验收备案。
三、备案内容1. 基本信息•工程名称:•工程地点:•建设单位:•设计单位:•建设规模:•投资估算:2. 工程概况•工程类型:•结构类型:•竣工日期:•工程质量等级:•施工单位:•监理单位:3. 重要技术指标•建筑面积:•建筑高度:•地基基础类型:•桥梁跨度:•隧道长度:4. 工程质量检测报告•规范要求:•结果:•备注:5. 工程竣工验收报告•竣工验收单位:•验收日期:•验收:•备注:6. 工程竣工图纸•是否符合规范:•保管位置:四、备案程序1. 提交备案材料建设单位应在工程竣工验收后20个工作日内,将以下材料报送至当地建设行政主管部门:•工程竣工验收备案表;•工程质量检测报告;•工程竣工验收报告;•工程竣工图纸。
2. 部门审核建设行政主管部门在收到备案材料后10个工作日内,对材料进行审核,如发现问题需及时通知建设单位进行整改。
3. 备案登记建设行政主管部门审核通过后,在10个工作日内对工程竣工备案表进行登记,并向建设单位颁发工程竣工验收备案证明。
五、附则本备案表实施后产生的工程竣工验收备案工作,均应采用本备案表。
对不符合本备案表要求的工程,建设行政主管部门不予备案。
001 陕西省施工安全文明工地配套资料001 第一部分施工现场管理规范化001 施工现场管理规范化002 一、围档001 封面002 目录003 门卫管理制度004 进出场人员登记表005 进出车辆登记表006 围档施工验收记录007 图像、照片资料粘贴单003 二、场容场貌001 封面002 场容场貌管理制度003 场容场貌施工要求004 场容场貌施工验收记录005 劳务公司(班组)落手清制度及责任 006 落手清罚款粘贴单004 三、标牌标识001 封面002 目录003 场容场貌管理制度004 标牌标识清单005 机械设备操作人员名单006 标识标牌平面布置图007 图像、照片资料粘贴单005 四、作业条件环境保护001 作业条件环境保护封面002 目录003 作业条件环境保护各项管理制度004 作业条件环保组织网络图005 护棚、通道搭设任务单006 护棚、通道搭设安全验收单007 作业条件环境保护检查记录表008 环保控制措施009 图像、照片资料粘贴单006 五、防火防爆防毒001 防火防爆防毒封面002 目录003 防火防爆防毒各项管理制度004 消防组织管理网络图005 易燃、易爆、有毒物品入库保管单006 易燃、易爆、有毒物品发放登记表007 易燃、易爆、有毒物品危险仓库验收记录表008 消防设施器材清单009 消防设施器材检查记录表010 消防设施器材合格证粘贴单011 动用明火审批表012 消防预控措施013 图像、照片资料粘贴单007 六、施工组织设计与管理1、项目管理人员登记表2、图像、照片资料粘贴单目录施工组织设计与管理002 第二部分施工安全达标001 施工安全达标封面002 一、安全管理001 安1 安全管理002 1、安全生产管理职责001 安1-1 安全生产管理职责002 目录003 安1-1-1 工程安全管理概况004 安1-1-1-1 施工现场安全标志消防平面布置图005 安1-1—1-2 施工现场危险源平面分布图006 安1—1—1-3 重大危险源周边环境基本情况表007 安1—1—1—4 安全管理组织机构图008 安1—1-1-5 安全管理人员资格登记表009 安1—1—2 项目各级安全生产责任制010 生产工人安全生产岗位责任制011 安1-1-2-1 安全生产责任制考核办法012 安1—1—2-2 安全责任制考核汇总表013 安1-1—2—3 项目经理安全生产责任制考核表014 安1-1-2—4 项目副经理安全生产责任制考核表015 安1—1—2—5 项目主任工程师(技术负责人)安全责任制考核表016 安1-1—2-6 安全员安全责任制考核表017 安1-1—2—7 兼职安全员安全责任制考核表018 安1—1-2-8 工长(施工员)安全责任制考核表019 安1—1—2-9 质量员安全责任制考核表020 安1-1—2—10 材料员安全责任制考核表021 安1-1-2-11 班组长安全责任制考核表003 2、安全管理体系文件001 安1—2 安全管理体系文件002 目录003 安1—2-1 安全施工方案自检汇总表004 安1—2-1—1 安全施工方案计算报审表005 安1-2-2 安全生产管理制度汇编006 安1-2—3 安全技术操作规程汇编007 安1-2-4 安全技术措施编制要求(参考)008 安1—2-5 建筑安装工程内部经济责任承包书009 安1—2—6 安全管理有效文件清单010 安1—2—7 安全措施费计划清单011 安1—2—7-1 安全防护用品进场验收登记表012 安1—2-7—2 安全防护用品使用管理记录表013 安1—2—7—3 安全防护用品质保资料粘贴单004 3、安全生产目标管理001 安1—3 安全生产目标管理002 目录003 安1-3—1 安全管理目标004 安1-3-2 目标分解系统图005 安1—3-3 安全责任目标考核制度006 安1—3-3—1 安全责任目标考核汇总表007 安1-3—3—2 项目(副)经理安全责任目标考核表008 安1-3—3-3 项目主任工程师(技术负责人)安全责任目标考核表009 安1-3-3—4 安全员安全责任目标考核表010 安1-3—3—5 工长(施工员)安全责任目标考核表011 安1—3-3-6 材料员安全责任目标考核表012 安1-3-3—7 质量员安全责任目标考核表013 安1-3-3-8 班组长安全责任目标考核表014 安1—3-4—1 安全生产目标责任书015 安1-3—4—2 安全生产目标责任书016 安1—3-4-3 安全生产目标责任书017 安1-3-4-4 安全生产目标责任书018 安1—3-4—5 安全生产目标责任书019 安1-3—4—6 安全生产目标责任书020 安1—3—4—7 安全生产目标责任书021 安1—3-4—8 安全生产目标责任书005 4、安全技术交底001 安1—4 安全技术交底002 目录003 安1—4-1 安全技术交底制度004 安1-4—2 安全技术交底记录表006 5、施工现场安全检查001 安1-5 施工现场安全检查002 目录003 安1—5-1 安全生产检查制度004 安1-5-2 定期安全生产检查记录表005 安1—5—3 安全隐患整改通知单006 安1-5-4 安全隐患整改报告单007 安1—5—5 上级检查整改单及报告单登记汇总表008 安1-5-6建筑施工安全检查评分汇总表009 安1-5—6-1安全管理检查评分表010 安1-5—6—2文明施工检查评分表011 安1-5—6-3落地式外脚手架检查评分表012 悬挑式脚手架检查评分表013 门型脚手架检查评分表014 挂脚手架检查评分表015 吊篮脚手架检查评分表016 附着式升降脚手架(整体提升架或爬架)检查评分表017 安1-5—6—4基坑支护安全检查评分表018 安1—5—6-5模板工程安全检查评分表019 安1-5-6—6 “三宝”、“四口”防护检查评分表020 安1-5—6-7施工用电检查评分表021 安1—5—6-8物料提升机(龙门架、井字架)检查评分表022 安1—5-6-9塔吊检查评分表023 安1—5—6-10起重吊装安全检查评分表024 外用电梯(人货两用电梯)检查评分表025 安1-5—6-11施工机具检查评分表026 与安全检查标准相关的规范、标准及规定007 6、安全教育和培训记录001 安1-6 安全教育和培训记录002 目录003 安1—6—1 安全教育制度004 安1—6-2 职工三级安全教育登记卡汇总表005 安1—6—2-1 职工三级安全教育登记卡006 安1-6—2—2 变换工种教育登记表007 安1—6—2—3 职工三级安全教育考试卷008 安1-6—3 安全教育培训计划009 安1—6-3—1 安全教育记录010 安1—6—3-2 安全教育人员签到表011 安1-6-3-3 安全教育图像照片粘贴单012 安1-6-4 班前安全活动记录013 安1-6-5 特种作业人员登记表014 安1-6—6 安全资格证管理登记表008 7、安全日记及危险源公示记录001 安1—7 安全日记及危险源公示记录002 目录003 安1-7—1 安全日记、危险源公示记录009 8、工伤事故处理001 安1—8 工伤事故处理002 目录003 安1—8-1 施工现场违章处理登记表004 安1—8-1—1 违章罚款通知单粘贴单005 安1—8—2 安全生产月报表006 安全生产月报表(附表)007 建设系统企业职工伤亡事故月报表008 建设系统企业职工伤亡事故月报表(附表)009 伤亡事故报表010 伤亡事故报表(附表)003 二、脚手架与平台001 目录002 安2-1 脚手架、平台施工方案003 安2—2 落地式外脚手架搭设验收单004 安2-3 悬挑式外脚手架搭设验收单005 安2—4 附着式升降脚手架(整体提升或爬架)搭设验收单 006 安2—5 吊蓝安全验收单007 安2—6 落地操作平台搭设验收单008 安2—7 悬挑式平台安装搭设验收单009 安2—8 脚手架及主要杆件拆除申请表010 安2-9 钢管、扣件、槽钢等主要材料质保资料粘贴单004 三、施工用电001 目录002 安3-1 临时用电施工组织设计(方案)003 安3—2 施工用电安全验收单004 安3—3 接地电阻测试记录表005 安3-4 电工巡视维修记录表006 安3-5 漏电保护器检测记录007 安3—6 电气产品质保资料粘贴单005 四、“三宝、四口、五临边”防护001 目录002 安4—1 基坑支护方案003 安4—2 “三宝、四口、五临边"防护安全施工方案004 安4—3 基坑支护安全验收单005 安4-4 “三宝、四口、五临边”防护安全验收单006 五、模板支撑施工荷载001 目录002 安5—1 模板施工方案003 安5—2 模板支撑体系验收单004 安5-3 模板拆除安全申请表007 六、塔吊及其它提升设备001 1、塔吊001 目录002 安6-1—6 塔机基础检验表003 安6-1-10 塔机安拆申请表004 安6—1—12 塔式起重机安装、拆卸安全、技术交底书005 安6-1-13 塔式起重机安装、拆卸过程记录006 安6—1—15 塔式起重机自检记录007 安6—1-20 塔式起重机安装验收单008 安6-1-21 塔吊司机交接班记录009 安6-1-22 塔吊维修保养记录010 安6-1-23 塔式起重机安装(拆卸)方案002 2、物料提升设备及外用电梯001 目录002 安6-2-6 物料提升机(外用电梯)基础检验表003 安6-2—10 物料提升机(外用电梯)安拆申请表004 安6-2-20 物料提升机(外用电梯)垂直度沉降观测记录表005 安6-2-21 物料提升机(外用电梯)司机交接班记录006 安6—2-22 物料提升机(外用电梯)维修保养记录007 安6—2—23 物料提升机(外用电梯)基础、安装拆除施工方案 003 3、起重吊装001 目录002 安6—3—1 起重吊装施工方案003 安6-3—2 起重吊装安全验收单004 安6-3—3 起重机械验收试吊记录表005 安6-3-4 起重机械作业试吊检验记录表008 七、中小型机械设备001 目录002 安7-1 中小型机械设备管理制度003 安7-2 钢筋机械安全验收单004 安7—3 电焊机安全验收单005 安7—4 圆盘锯安全验收单006 安7-5 平刨安全验收单007 安7-6 砼搅拌机安全验收单008 安7—7 砂浆机安全验收单009 安7-8 其它施工机具安全验收单010 安7-9 中小型机械设备质保资料粘贴单011 安7-10 机械设备维修、保养记录009 八、分包安全管理安8—1 分包安全管理制度安8—2 分包单位情况登记表安8-3 安全防护设施交接验收记录安8—4 总包对分包的进场安全总交底安8—5 工程安全管理协议(范本)目录003 第三部分工程质量创优001 一、质量管理001 质量管理封面002 目录003 质量管理目标责任和制度004 质量管理组织网络图005 技术负责人质量责任书006 质量员质量责任书007 施工员质量责任书008 材料员质量责任书009 班组长质量责任书010 质量罚款单粘贴单011 质量预控措施012 9—1质量预控措施(附表)002 二、计量管理001 计量管理封面002 目录003 计量管理各项制度004 计量人员岗位责任制005 监视和计量器具台帐006 计量器具合格证粘贴单003 三、施工文件001 施工文件封面002 检查内容提示004 四、质量特色001 质量特色封面002 目录003 质量体系认证书(附后)004 新技术使用情况表005 质量特色照片资料粘贴单004 第四部分办公生活设施整洁001 封面001 一、办公环境001 封面002 目录003 办公环境各项管理制度004 办公用品配备登记005 办公生活设施施工验收记录表006 活动房合格证、检验报告、生产厂家相关资料粘贴单 007 临建施工方案008 图像、照片资料粘贴单002 二、食堂001 封面002 食堂各项管理制度003 食堂人员工作职责004 食堂防中毒预防措施005 食堂熟菜留样记录表006 炊事机具合格证粘贴单007 食堂炊事员健康证粘贴单008 图像、照片资料粘贴单003 三、宿舍001 封面002 目录003 宿舍各项管理制度004 创建文明宿舍协议005 宿舍人员名单006 文明宿舍评分标准007 职工宿舍检查评比汇总表008 图像、照片资料粘贴单004 四、厕所001 封面002 目录003 厕所卫生管理制度004 图像、照片资料粘贴单005 五、卫生与急救001 封面002 目录003 卫生与急救各项管理制度004 工地急救小组管理组织网络图005 卫生急救预案006 就医协议007 常用药品发放及职工就医登记表 008 医务人员上岗证粘贴单009 图像、照片资料粘贴单006 六、生活环境001 封面002 目录003 生活环境各项管理制度004 生活卫生设施及包干区平面示意图 005 办公、生活区卫生检查记录006 图像、照片资料粘贴单005 第五部分营造良好文明氛围001 封面001 一、文明教育001 文明教育封面002 目录003 文明教育各项条约004 文明职工教育计划005 文明职工教育活动记录006 文明教育人员签到表007 文明教育图像照片粘贴单002 二、综合治理001 综合治理封面002 目录003 工地综合治理奖惩管理制度004 综合治理罚款单粘贴单005 综合治理管理月报表006 职工花名册007 社会治安综合治理协议书(范本) 008 消防协议009 环保协议书010 创文明工地协议书003 三、宣传娱乐001 宣传娱乐封面002 目录003 宣传娱乐各项管理制度004 宣传娱乐活动计划005 宣传娱乐活动记录006 黑板报宣传内容审批表007 图像、照片资料粘贴单004 四、班组建设001 班组建设封面002 目录003 文明班组竞赛活动制度004 创文明班组责任书005 班组文明竞赛计划006 班组竞赛活动评分标准007 班组竞赛活动评比汇总表008 班组竞赛活动评分表006 第六部分创卫管理部分001 创卫管理001 西安市创建国家卫生城市资料002 创卫资料目录003 创卫管理组织网络图004 创建国家卫生城市制度汇编005 卫生检查记录006 除“四害”检查记录表007 除“四害”计划表008 鼠饵投放记录表009 杀虫气雾剂喷洒记录表010 鼠饵投放平面示意图011 鼠饵等购买发票、三证粘贴单 012 炊事员健康证粘贴单013 食堂卫生许可证粘贴单014 图像、照片资料粘贴单015 除“四害”管理办法第一章007 陕西省文明工地检查(验收)体系001 一、省级文明工地验收申报表002 二、陕西省文明工地检查(验收)总表 003 三、西安市文明工地登记备案表。
编号:陕西省建设工程项目开工安全生产备案登记表工程名称:工程地址:登记企业:建设单位:监理单位:联系人:联系电话:填报日期:年月日陕西省建设工程质量安全监督总站印制1.建设单位在取得施工许可证后,由施工单位在开工十日内向当地建设工程质量安全监督机构进行填表登记(具体由项目部负责填写)。
2.质量安全监督机构在接到备案登记表后,应在封面盖备案登记专用章后,退回施工企业两份,工程竣工后,施工企业应向监督机构申请对该工程进行安全评价。
3.此表一式三份,盖备案登记专用章后生效。
质量监督机构、施工企业、建设单位各执一份。
《建筑法》中有关建设、设计、施工单位的责任内容一、建设单位第四十条建设单位应向建筑施工企业提供与施工现场相关的地下管线资料,建筑施工企业应当采取措施加以保护。
二、设计单位第三十七条建筑工程设计应当符合按照国家规定制定的建筑安全规程和技术规范,保证工程的安全性能。
三、施工企业第三十六条建筑工程安全生产管理必须坚持安全第一、预防为主的方针,建立健全安全生产的责任制度和群防群治制度。
第三十八条建筑施工企业在编制施工组织设计时,应当根据建筑工程的特点制定相应的安全技术措施;对专业性较强的工程项目,应当编制专项安全施工组织设计,并采取安全技术措施。
第三十九条建筑施工企业应当在施工现场采取维护安全、防范危险、预防火灾等措施;有条件的,应当对施工现场实行封闭管理。
施工现场对毗邻的建筑物、构筑物和特殊作业环境可能造成损害的,建筑施工企业应当采取安全防护措施。
第四十一条建筑施工企业应当遵守有关环境保护和安全生产的法律、法规的规定,采取控制和处理施工现场的各种粉尘、废气、废水、固体废物以及噪声、振动对环境的污染和危害的措施。
第四十四条建筑施工企业必须依法加强对建筑安全生产的管理,执行安全生产责任制度,采取有效措施,防止伤亡和其他安全生产事故的发生。
建筑施工企业的法定代表人对本企业的安全生产负责。
第四十五条施工现场安全由建筑施工企业负责。
文明工地申请材料1、文明工地登记备案表2、创建文明工地领导小组3、创建文明工地计划书4、人身保险团体保险单5、公司质量体系认证证书6、建设工程质量监督申报书7、建筑施工许可证8、施工企业文明施工目标管理承诺书陕建总公司房地产开发公司陕建十一公司1#、2#、3#住宅楼工程创建文明工地计划书由陕西省第一建筑工程公司二十项目部承建的陕建总公司房地产开发公司十一公司1#、2#、3#住宅楼工程,位于西安市大学南路边西街1号。
该工程由西安市建筑设计研究院设计,西安泾渭建设监理公司监理。
本工程由三个单体工程构成,均为六层砖混结构,建筑面积为11700m2,工程造价694万元。
该工程于2002年11月1日开工建设,计划竣工日期为2003年6月30日,工期270天。
现形象进度1#楼基础回填,2#、3#楼±0.000。
该工程的文明工地建设计划如下:本工程项目部树立“外占市场,内抓现场,以创建文明工地强化现场管理,保市场”的思想,使全体职工认识到现场是企业的窗口,是效益的源泉,施工过程中必须以现场管理为重心,推行创建文明工地活动,使管理职能落实到现场,管理人才流向现场,技术进步渗透到现场,企业后方服务到现场,保证施工质量、进度、安全生产,促进施工管理水平稳步提高。
一、文明工地目标是:重信誉、守合同让顾客满意,控过程、求改进以科技创新,建精品、至诚信保优质服务.创建市级文明工地,确保优质工程。
二、建立文明施工管理体系,认真落实创建文明工地的责任,发扬我公司在文明工地建设方面的经验,把工程创建文明工地活动推向更高水平,为此建立以项目经理为组长的创文明工地领导管理体系,项目部主任工程师为副组长,设文明工地办公室,行政科长任办公室主任,负责处理协调创建文明工地的日常事务工作。
文明施工管理体系如下:三、文明工地实施措施(一)施工现场管理规范1.工地现场四周砌砖围墙,墙外统一刷白色涂料,红色大字写工程名称和承建单位名称,醒目庄重,大门为两开钢大门,大门内设有门卫室,认真执行门卫制度。
陕西省文明工地验收标准-CAL-FENGHAI-(2020YEAR-YICAI)_JINGBIAN陕西省文明工地验收标准陕西省文明工地验收标准陕建发[2010]105号各设区市建设规划局(建委)、杨凌示范区规划建设局,各有关单位、企业:为把创建文明工地活动与安全标准化建设相结合,全面提升我省文明工地整体水平,确保创建活动深入持久开展,我厅对原《省级文明工地验评标准》进行了修订,现予以颁发,并就有关事项通知如下:一、指导思想(一)指导思想:贯彻党的十七大精神,认真实践科学发展观,坚持以人为本,创建资源节约型、环境友好型、人与自然和谐的文明工地,广泛推动技术创新、节能环保和绿色建筑,全面提升文明工地的整体水平,促进我省建筑业可持续发展。
(二)工作目标:全省建筑施工现场安全达标合格率达到100%,从2011年起,力争实现年创建省级文明工地200个,市级文明工地个数占到当地在建工程总数的30%以上,确保创建一批标准化、规范化、科学化、信息化、工程质量优、科技含量高、环保节能突出、管理成效显著、安全文明氛围浓厚的省级文明工地。
(三)组织领导:创建文明工地活动工作由省厅全面负责,委托省建设工程质量安全监督总站具体负责创建省级文明工地活动的日常管理工作,不再设立创建文明工地领导小组。
每年年初,由省厅与各设区市建设行政主管部门签订目标责任书,确定各市当年创建省级文明工地的数量。
文明工地经验评符合省级标准的,由省厅发文命名,并颁发奖牌和证书。
二、总体要求创建文明工地活动是我省建筑业落实科学发展观的具体行动,是创建文明城市、实现社会文明的重要组成部分,是实施品牌战略、做大做强陕西建筑业的有效途径。
各级建设行政主管部门、质量安全监督机构、各建设、监理、总承包和分包单位应切实提高对创建工作重要性的认识,认真落实创建责任,努力提高创建水平。
(一)以安全为重点,以质量为核心,推动文明工地创建活动深入开展坚持以人为本,以安全为重点,以质量为核心,以科技创新为动力,是创建文明工地活动的核心,各级建设行政主管部门应持之以恒,常抓不懈,推动创建文明工地活动深入健康发展。
陕西省文明工地备案资料目录一、《陕西省文明工地登记备案表》(陕西省文明工地备案要求,西安市城区内申报面积20000㎡以上;其它各设区市(区)城区内申报面积为10000㎡以上;各县(市)申报面积为6000㎡以上。
宝鸡市文明工地备案要求:房屋建筑工程建筑面积市级必须在2000平方米以上,省级必须在10000平方米以上,工业厂房不受面积限制。
工程规模未达到上述规定,但在创建文明工地标准化方面成绩特别突出的工程。
)二、《施工许可证》三、《中标通知书》四、《人身意外保险单》五、企业资质证书(副本)六、施工企业安全生产许可证(副本)七、工程项目的项目经理和安全员,资格证书、安全生产考核证书(1万平方米以下工程设一名项目经理,1-3万平方米的工程设一正一副两名项目经理;3万平方米以上的工程设一正两副三名项目经理;1万平方米以下的工程设不少于一名安全员,1-5万平方米的工程设不少于两安全员,5万平方米以上的工程设不少于三名安全员。
)八、《建设工程质量安全实施监督通知书》九、文明工地措施费的电子转账凭证十、特种设备备案登记及安全生产备案表十一、施工现场照片十二、创建文明工地计划书十三、绿色环保施工措施以上备案资料必须统一装订,申报市级文明工地报三份。
(申报省级文明工地需提供四份)文明工地验收需要提供的资料1.验收申请。
(建设单位、监理单位、施工单位三方签章)2.自检打分表。
(包括验评总表及文明工地五大部分评分表)3.特种设备使用登记证。
4.施工许可证或开工报告5.总、分包单位资格证书,安全考核合格证书6.经过审批审查签字的施工组织设计及专项方案,经过专家论证的危险性较大工程专项方案7.安全备案登记、人身意外保险单8.附着式脚手架的鉴定证书、推荐证、进陕登记9.模板支撑体系方案、经过论证的高支模方案10.工程质量创优目标、计划、措施11.施工图纸审查、盖章12.经过省总站备案的人工地基检测报告13.检测单位资质、检测合同和委托单14.施工过程中的沉降观测记录15.特种作业人员上岗证、炊事人员健康证。
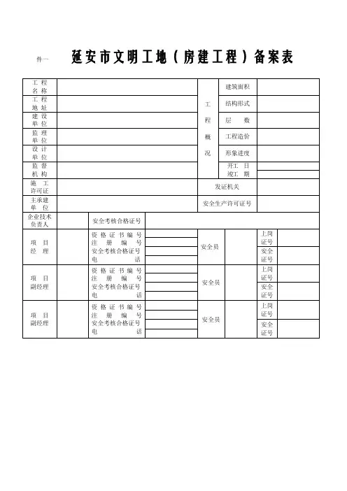
件一延安市文明工地(房建工程)备案表
注:1、提供建筑工程施工许可证、建筑工程安全生产备案书、人身意外伤害保险单、创建文明工地计划书、质量监督手续、建造师(项目经理)证书及安全生产考核合格证、安全员上岗证及安全生产考核合格证的复印件加盖企业公章,同本表一式三份,上报至延安市建设工程质量安全监督中心站备案
2、房屋建筑工程应在主体工程施工前、其他工程应工程开工后20个工作日内进行登记备案。
3、延安市文明工地申报面积为2000㎡以上(含)。
4、市直工程在市监督机构备案、县区工程在本辖区监督机构备案。
备案程序:
(一市区:企业申报→建设、监理单位签署意见→市站备案(二县(区:企业申报→建设、监理单位签署意见→县(区建设行政主管部门签署意见→市站备案
三、备案资料:
(一《陕西省文明工地登记备案表》
(二《施工许可证》(复印件
(三人身意外伤害保险单;(复印件
(四创建文明工地计划书
(五《工程质监委托书》复印件
(六现场照片(围档、大门、基坑防护、堆土处理等
(七推行“绿色环保施工”的措施
(八施工企业安全生产许可证副本。
(复印件
(九工程项目的项目经理和安全员,资格证书、安全生产考核证书。
(复印件
(十特种设备备案登记及安全生产备案表。
(复印件
其中第八、九条所需资料须盖公司企业法人章或公章。
以上资料必须统一装订,申报市级文明工地报一份(申报省级文明工地需提供四份,报市建设工程质量安全监督站统一备案。
陕西省文明工地验收标准陕西省文明工地验收标准陕建发[2010]105号各设区市建设规划局(建委)、杨凌示范区规划建设局,各有关单位、企业:为把创建文明工地活动与安全标准化建设相结合,全面提升我省文明工地整体水平,确保创建活动深入持久开展,我厅对原《省级文明工地验评标准》进行了修订,现予以颁发,并就有关事项通知如下:一、指导思想(一)指导思想:贯彻党的十七大精神,认真实践科学发展观,坚持以人为本,创建资源节约型、环境友好型、人与自然和谐的文明工地,广泛推动技术创新、节能环保和绿色建筑,全面提升文明工地的整体水平,促进我省建筑业可持续发展。
(二)工作目标:全省建筑施工现场安全达标合格率达到100%,从2011年起,力争实现年创建省级文明工地200个,市级文明工地个数占到当地在建工程总数的30%以上,确保创建一批标准化、规范化、科学化、信息化、工程质量优、科技含量高、环保节能突出、管理成效显著、安全文明氛围浓厚的省级文明工地。
(三)组织领导:创建文明工地活动工作由省厅全面负责,委托省建设工程质量安全监督总站具体负责创建省级文明工地活动的日常管理工作,不再设立创建文明工地领导小组。
每年年初,由省厅与各设区市建设行政主管部门签订目标责任书,确定各市当年创建省级文明工地的数量。
文明工地经验评符合省级标准的,由省厅发文命名,并颁发奖牌和证书。
二、总体要求创建文明工地活动是我省建筑业落实科学发展观的具体行动,是创建文明城市、实现社会文明的重要组成部分,是实施品牌战略、做大做强陕西建筑业的有效途径。
各级建设行政主管部门、质量安全监督机构、各建设、监理、总承包和分包单位应切实提高对创建工作重要性的认识,认真落实创建责任,努力提高创建水平。
(一)以安全为重点,以质量为核心,推动文明工地创建活动深入开展坚持以人为本,以安全为重点,以质量为核心,以科技创新为动力,是创建文明工地活动的核心,各级建设行政主管部门应持之以恒,常抓不懈,推动创建文明工地活动深入健康发展。
申报“省市级文明工地”需提交哪十个方面的资料?答:1、文明工地登记备案表;2、质量监督申报书;3、农民工业余学校相关资料证明;4、施工企业负责人、项目经理、安全员和监理公司负责人、监理人员安全生产培训的相关证明(市建发[2008]76号);5、施工许可证;6、安全生产许可证(复印件需盖公司章);7、项目经理、安全员资格证和三类人员安全考核证书(复印件需加盖公司章);8、职工意外伤害保险凭证;9、文明工地创建计划;10、现场图(照)片资料(包括大门、施工区、办公区、生活区等)。
申报“市级文明工地”的基本条件有哪八个方面?答:(一)工程项目符合法定建设程序,各项手续和相关资料齐全,有切实可行的创建安全文明工地方案及措施。
(二)工程规模达到以下要求:1、房屋建筑工程:市区单位工程建筑面积在5000平方米以上(含5000平方米),其余区县工程建筑面积在2000平方米以上(含2000平方米).2、不具备以上条件,但具有相当规范和良好社会效益的工程,如标志性、纪念性建筑物等。
(三)按照有关规定应当创建市优质工程的大中型公用建筑、政府投融资项目,必须按规定创建市级文明工地。
(四)市级文明工地由施工总承包企业申报,专业承包企业可与施工总承包企业联合申报,不得另行申报。
(五)申报工程项目为企业中标范围内的所有单位工程,不得将同一施工现场内的多个单位工程分割申报。
(六)市级文明工地的评选实行申报备案制,施工企业填写《西安市建筑工程创建文明工地申报备案表》,市管项目由施工企业向市建设工程安全监督站申报,区县、开发区内的项目,由施工企业向工程所在地建设行政主管部门申报,经审查通过并签署推荐意见,报送市站安全管理科审查备案。
安全管理科随时受理市级文明工地的申报。
附件一陕西省文明工地(房建工程)备案表书、人身意外伤害保险单、质量监督手续、建造师(项目经理)证书及安全生产考核合格证、安全员上岗证及安全生产考核合格证的复印件加盖企业公章,同本表一式三份,逐级上报至陕西省建设工程质量安全监督总站备案。
2、陕西省级文明工地在城市规划区内申报面积为西安市20000m²以上(含),其它各市(区)城区内为10000 m²以上,各县(市、区)为6000 m²以上。
3、房屋建筑工程应在主体工程施工前、其它工程应工程开工后20个工作日内进行登记备案。
4、1万m²以下的工程,设一名安全员,1~5万m²的工程,设不少于两名安全员:5万m²以上的工程(含5万m²)。
设不少于三名安全员,且按专业配备。
5、创建文明工地计划和工程形象进度计划另附材料。
陕西省文明工地申报资料目录一、陕西省文明工地(房建工程)备案表(需盖施工单位、监理单位、建设单位、地区质监站的公章,需盖市级文明工地备案、省文明工地备案专用章);二、建筑工程施工许可证(正本和副本)三、建设工程质量监督申报书(内有填报说明,按填报说明填报)(需加盖建设单位、施工单位、地区质监站公章),内含:1、工程情况2、呈报资料3、建设单位(业主)管理人员登记表4、施工单位管理人员登记表5、监理单位管理人员登记表6、设计单位各设计工程人员登记表7、勘察单位各勘察人员登记表8、检测单位各检测人员登记表9、建设单位填写建设工程质量监督申报时,应提交下列有关资料: 1)规划许可证(规划审批总平面图复印件); 2)施工、监理中标通知书; 3)施工、监理合同及其单位资质证书(复印件); 4)施工图设计文件审查意见; 5)其他规定需要的文件资料。
10、申报质量安全监督备案时,该工程实际形象进度说明。
11、此项由质检站填写。
四、西安市建筑工地农民工业余学校基本情况备案表;五、建筑业企业资质证书(副本)应包括:1、资质证书首页2、承包工程范围3、企业变更栏4、企业资质年检记录5、公司安全生产许可证6、企业负责人、企业技术负责人证书六、施工单位所报的人员资质证书、七、监理单位所报的人员资质证书八、团体人身保险险单九、西安市建设工程项目开工安全生产备案登记表(安全备案)1、本工程使用外包工情况和采取的管理措施应填无2、本工程安全生产目标应填死亡事故为零,一般工伤事故频率控制在千分之23、本工程穿件文明工地目标应填创建市级文明工地,创建省级文明工地十、创建文明工地计划书。
编号:陕西省建设工程项目幵工安全生产备案登记表工程名称:____________________________________工程地址:____________________________________登记企业:____________________________________建设单位:____________________________________监理单位:____________________________________联系人:_______________ 联系电话: ____________填报日期:___________ 年月日陕西省建设工程质量安全监督总站印制1.建设单位在取得施工许可证后,由施工单位在幵工十日内向当地建设工程质量安全监督机构进行填表登记(具体由项目部负责填写)。
2. 质量安全监督机构在接到备案登记表后,应在封面盖备案登记专用章后,退回施工企业两份,工程竣工后,施工企业应向监督机构申请对该工程进行安全评价。
3. 此表一式三份,盖备案登记专用章后生效。
质量监督机构、施工企业、建设单位各执一份。
《建筑法》中有关建设、设计、施工单位的责任内容一、建设单位第四十条建设单位应向建筑施工企业提供与施工现场相关的地下管线资料,建筑施工企业应当米取措施加以保护。
二、设计单位第三十七条建筑工程设计应当符合按照国家规定制定的建筑安全规程和技术规范,保证工程的安全性能。
三、施工企业第三十六条建筑工程必须坚持安全第一、预防为主的方针,建立健全安全生产的责任制度和群防群治制度。
第三十八条建筑施工企业在编制时,应当根据建筑工程的特点制定相应的;对专业性较强的工程项目,应当编制专项安全施工组织设计,并采取安全技术措施。
第三十九条建筑施工企业应当在施工现场采取维护安全、防范危险、预防火灾等措施;有条件的,应当对施工现场实行封闭管理。
施工现场对毗邻的建筑物、构筑物和特殊作业环境可能造成损害的,建筑施工企业应当采取安全防护措施。
附件一陕西省文明工地(房建工程)备案表备案时间:备案登记号:工程名称工程概况建筑面积工程地址结构形式建设单位层数监理单位工程造价设计单位形象进度监督机构开工日期竣工日期施工许可证发证机关主承建单位安全生产许可证号企业技术负责人安全考核合格证号项目经理资格证书编号注册编号安全考核合格证电话安全员上岗证号安全证号项目副经理资格证书编号注册编号安全考核合格证电话安全员上岗证号安全证号项目副经理资格证书编号注册编号安全考核合格证号电话安全员上岗证号安全证号施工企业意见:施工企业盖章年月日监理单位意见:监理单位盖章年月日建设单位意见:建设单位盖章年月日市(区)质量安全监督机构意见:公章年月日市(区)建设行政主管部门公章年月日陕西省建设工程质量安全监督总站备案专用章年月日注:1、提供施工企业资质证书、安全生产许可证、建筑工程施工许可证、建筑工程安全生产备案书、人身意外伤害保险单、质量监督手续、建造师(项目经理)证书及安全生产考核合格证、安全员上岗证及安全生产考核合格证的复印件加盖企业公章,同本表一式三份,逐级上报至陕西省建设工程质量安全监督总站备案。
2、陕西省级文明工地在城市规划区内申报面积为西安市20000㎡以上(含),其它各市(区)城区内为10000㎡以上,各县(市、区)为6000㎡以上。
3、房屋建筑工程应在主体工程施工前、其他工程应工程开工后20个工作日内进行登记备案。
4、1万m2以下的工程,设一名安全员,1~5万㎡的工程,设不少于两名安全员;5万㎡以上的工程(含5万㎡),设不少于三名安全员,且按专业配备。
5、创建文明工地计划和工程形象进度计划另附材料。
附件二陕西省文明工地(房建工程)验评总表验收时间:备案登记号:工程名称工程概况建筑面积工程地址结构形式建设单位层数监理单位工程造价设计单位形象进度监督机构开工日期竣工日期施工许可证发证机关主承建单位安全生产许可证号企业技术负责人安全考核合格证号项目经理资格证书编号注册编号安全考核合格证号安全员上岗证号安全电话证号项目副经理资格证书编号注册编号安全考核合格证电话安全员上岗证号安全证号项目副经理资格证书编号注册编号安全考核合格证号电话安全员上岗证号安全证号施工企业意见:施工企业盖章年月日监理单位意见:监理单位盖章年月日建设单位意见:建设单位盖章年月日备注:①凡带※符号为否决项目,不得参评文明工地;②1万㎡以下的工程,设一名项目经理,1~3万㎡的工程,可设一正一副两名项目经理,3万㎡以上的工程,可设一正两副三名项目经理;③夏季职工宿舍有空调、冬季洗浴、有供暖、远程监控系统、节水型洗车机,使用安全标准化设施的,每项目各加1分,设有亲属探亲房、亲情电话、节能型灯具各加0.5分。
陕西省文明工地(房建工程)验评表第一部分施工现场管理与环境保护表1-1验收项目检查时间:检查人:序号检查项目检查内容扣分标准应得分数扣分在对应序号中划√扣分合计实得分数备注不得分项8分项5分项2分项1 资质证件与施工组织设计1、施工许可证2、资质证件3、施工组织设计4、上岗证件※⑴无施工许可证或开工报告不得分※⑵总、分包单位无资质或无安全生产许可证不得分,项目经理无资格证和安全考核合格证书不得分※⑶总承包企业将工程分包给不具有相应资质的不得分※⑷施工组织设计及专项方案未按规定审批审查签字、危险性较大工程专项方案未经论证的不得分⑸施工组织设计、专项方案不能指导施工的扣5分,未认真执行施工组织设计每项扣2分⑹施工员、质量员、资料员、安全员等每有1人缺上岗证的扣2分10⑴⑵⑶⑷⑸⑸⑹2 围档1、冲洗设备2、工地围墙坚固稳定、整洁美观3、大门制作规范,坚固美观4、门卫制度健全、执行认真5、单位牌子清晰规范※⑴无冲洗设备不得分⑵冲洗设备达不到节水和环保要求扣8分⑶围墙高度不符合规定, 不坚固、不整洁、不连续、有沉陷裂缝各扣5分⑷大门未实行标准化、定型化扣5分,制作粗糙、不牢固、无企业标识各扣2分⑸门卫制度不健全, 门卫未履行职责,未建立登记各扣2分⑹单位牌子制作粗糙,不整洁各扣2分20 ⑴(2)(3)(4)⑷⑸⑹3 场容场貌1、现场道路硬化坚实平整2、排水系统畅通3、构件、材料、设施料分类堆放、整齐4、平面布局合理5、施工做到工完场清6、楼面堆料不超标※⑴现场主干道未硬化不得分,其它场地未绿化或固化扣5分⑵排水沟设置不合理扣5分,沟槽无硬化、不畅通各扣2分⑶构件、材料、设施料未做到分类堆放,水泥或其它有粉尘材料未封闭存放各扣5分⑷砂、石料场地未硬化,砂、石堆放未成方,钢材堆放未支垫扣5分⑸材料未挂品种、规格、产地等标牌各扣2分⑹施工未做到工完场清,材料堆放混乱、卫生差各扣5分,较差的扣2分⑺楼面、施工层集中堆放材料超标每处扣8分,楼面材料未归类合理放置扣5分,清理不及时扣2分⑻未划分吊装区域扣5分20 ⑴⑺(1)⑵⑶⑷⑹⑺⑻⑵⑸⑹⑺检查内容小计15 扣分项目小计20 扣分小计得分小计陕西省文明工地(房建工程)验评表第一部分施工现场管理与环境保护表1-2 验收项目检查时间:检查人:序号检查项目检查内容扣分标准应得分数扣分在对应序号中划√扣分合计实得分数备注不得分项8分项5分项2分项4 标牌标识与安全警示1、大门处“六牌一图”齐全整洁2、施工区域标志醒目3、危险区域禁令明显4、机械设备有操作规程牌5、临街、楼面有文明礼貌标语6、现场管理人员挂牌上岗⑴“六牌一图”不齐全、尺寸不统一、位置不当、不醒目、不整洁、设在围墙上各扣2分⑵进出口、临边、危险作业点缺警告、禁止、提示标牌各扣2分⑶未进行危险源辨识、无危险源公示牌、无职业危害公示栏各扣5分,在危险源处未设置安全警示标志扣2分⑷仓库、配电房、木工棚、危险品存放点、现场火源处缺少管理制度、禁令标志、隔离措施各扣2分⑸机械设备缺少操作规程和操作责任人牌、位置不合理、制作不规范各扣2分⑹未按要求设置文明礼貌用语标牌扣2分⑺施工作业、管理人员每有一人不挂牌上岗扣2分⑻防护栏杆、踢脚板等色标不清,不符合要求各扣2分15 ⑶⑴⑵⑶⑷⑸⑹⑺⑻按照JGJ146-2004建筑施工现场环境与卫生标准检查5 作业条件环境保护 1、地面固定作业有工作棚2、机械设备有防雨棚3、环保有措施4、建筑垃圾定点堆放、及时清理 ⑴工作棚搭设未做到定型化、工具式扣8分, 搭设高度、宽度、采光、通风等达不到要求,各扣2分⑵机械设备无防雨棚每处扣2分 ⑶缺少环保措施、焚烧废弃物、无控制噪声、扬尘措施的各扣5分⑷垃圾清运单位无资质扣5分,在建工程楼层垃圾未采用容器或管道清运扣5分、现场垃圾堆放地点不合理、无标志各扣2分⑸未设封闭式垃圾台、垃圾未按分类存放的扣5分⑹现场无饮用水供应点扣5分20⑴⑶⑷⑸⑹⑴⑵⑷同上6 防火 防爆 防毒 1、易燃、易爆材料分类、分仓库存放2、消防措施到位3、受压容器处于安全状态4、生活用火安全5、工地有吸烟室6、防毒有措施⑴未设易燃、易爆材料库及材料未分类存放扣8分,库房建筑、位置不符合要求扣5分⑵消防器材不足、失效、位置不合理各扣2分⑶现场明火作业无动火证、无责任人及监护人各扣2分 ⑷氧气瓶、乙炔气瓶缺安全帽、防震圈、放置不正确、不稳固、安全距离不够,无防晒、防油措施各扣2分,操作人员未正确使用防护用品扣5分 ⑸生活用火有安全隐患每处扣2分 ⑹现场无吸烟室(点)、位置不合理、布点不足各扣2分⑺作业场地每有一人吸烟扣2分⑻有毒作业未采取通风及个人保护措施、有毒材料未建立保管、发放、使用管理制度各扣2分 15⑴⑴⑷⑵⑶⑷⑸⑹⑺⑻同上检查内容小计16扣分项目小计22扣分小计实得分注:1、※符号为否决项目; 2、扣减分数不得大于该项应得分数;3、当一个项目有多处不合格,在对应序号√上按数划点,数点累计扣分;4、该表换算到总表得分= 应得分该表实得分 20第二部分施工安全达标表2-1 验收项目检查时间:检查人:序号检查项目检查内容扣分标准应得分数扣分在对应序号中划√扣分合计实得分数备注不得分项8分项5分项2分项1 安全管理1、安全备案2、安全保证体系有效发挥作用3、安全责任制落实4、安全技术措施全面落实5、安全检查,安全教育、工程分部、分项安全交底制度认真执行6、特种作业岗位持证上岗7、事故预控措施有针对性,落实有效※⑴未办理安全备案登记,未办理人身意外伤害保险不得分⑵项目部未组建安全领导小组,未按规定配备安全员扣8分⑶未认真执行安全生产责任制、未进行安全生产目标责任考核扣5分⑷安全技术措施针对性不强扣5分,未认真执行扣2分⑸安全检查,安全教育、安全交底每缺一项扣5分,执行不认真每项扣2分⑹特种作业人员每有一人缺证或证件过期扣2分⑺未编制事故预控措施扣5分,未认真执行扣2分18 ⑴⑵⑶⑷⑸⑺⑷⑸⑹⑺按照JGJ59-99表3.0.2检查2 脚手架与平台1、脚手架搭设形式满足施工要求2、材质符合质量要求3、搭设质量达到规范规定要求4、设计、计算、检查、验收符合规范要求5、转料平台符合规范要求(各类脚手架检查验收标准分别按对应规范标准)※⑴附着式升降脚手架无鉴定证书、推荐证、进陕登记不得分;悬挑架超高(4层15米)、转料平台未用型钢制作、未使用小孔网封闭不得分⑵附着式升降脚手架在安装、提升、下降阶段无检查、验收资料扣8分⑶脚手架钢管、扣件等材质不符合要求每项扣5分⑷各类脚手架搭设方案不能指导施工的每项扣5分,未认真执行扣2分⑸脚手架立杆、大横杆、小横杆、扫地杆、连墙杆、杆件接头、剪刀撑设置、脚手板铺设,悬挑脚手架型钢设置不规范,卡环、木楔固定不牢固,斜拉钢丝绳绳卡数量不够、方向不正确每项每处扣2分⑹转料平台同架体连接扣5分,无限载标识、超载堆放或吊运不及时每项扣2分⑺脚手架未搭设首层、隔离层、作业层、临街处、通道口防护不严密各扣5分,有挑头板、防护棚搭设不规范每处扣2分⑻转料平台、脚手架使用前未经验收扣5分,参与验收人员未签字每人/次扣2分⑼脚手架体与建筑结构连墙件设置不符合规范要求,每处扣5分18 ⑴⑵⑶⑷⑹⑺⑻⑼⑷⑸⑹⑺⑻整体提升脚手架按照建设部标准进行检查3 施工用电1、采用TN-S系统配电,做到三级配电二级保护2、配电室建筑符合要求3、线路架设、埋设符合标准4、开关箱、电器元件质量符合标准,安装有序、位置正确5、漏电保护器参数按规定配置6、用电管理责任落实7、照明符合安全要求8、防雷装置符合规程※⑴外电线路距离建筑物(外架)达不到安全距离、无防护措施不得分⑵未采用TN-S系统、未做到三级配电二级保护各扣8分;未使用透明塑壳电器元件扣5分。
⑶配电室建筑、设置位置不合理、达不到安全要求各扣5分,总配电箱、分配电箱、开关箱设置不合理扣2分⑷线路架设高度、相序排列、间距、电线材质不符合要求每处扣2分⑸线路埋设无图纸、质量不符合要求扣5分⑹电焊机无二次过载降压保护的扣5分⑺电箱无防雨、防尘措施、橡皮线无过路保护每项扣2分⑻配电箱的质量、安装、接线、进出保护、连接等不符合规定扣2分⑼漏电保护器开关失灵,配置不合理各扣2分⑽无用电管理制度、配电平面图、电器配置图、系统图、检测记录、工作巡查记录各扣2分⑾建筑物内照明、金属容器内作业未使用安全电压、节能灯、照明灯具金属外壳未做接零保护各扣2分⑿熔断器、闸具、参数与设备容量不匹配、开关箱设插座各扣2分⒀橡皮电缆线外加PE线的扣5分⒁防雷接地装置达不到要求的扣2分15 ⑴⑵⑵⑶⑸⑹⒀⑶⑷⑺⑻⑼⑽⑾⑿⒁按照JGJ46-2005施工现场临时用电安全技术规范检查检查内容小计20 扣分项目小计29 扣分小计得分小计第二部分 施工安全达标 表2-2验收项目 检查时间: 检查人: 序号 检查项目检查内容 扣分标准应得分数扣分在对应序号中划√ 扣分合计 实得分数备注不得分项8分项5分项2分项4 “三宝与四口”防护 1、安全帽、安全带、安全网、密目网符合质量标准、证件齐全 2、防护用品使用符合要求3、孔、洞口、临边防护符合要求※⑴施工层临边无防护栏杆、无安全网、无满铺脚手板不得分⑵楼梯口、电梯井口、预留洞口、坑、井口、通道口、阳台、屋面、楼层等处临边防护未使用标准化、定型化、工具式防护设施的每处各扣8分⑶发现安全帽、安全带、安全网、密目网质量不合格的各扣5分⑷安全网、密目网准入手续不符合要求扣5分⑸每有一人不戴安全帽或佩戴不规范、未按规定使用安全带各扣2分⑹安全网、密目网有破损孔洞或污染严重、防护挂设不符合要求每处扣2分⑺通道防护棚搭设不符合规范规定扣5分18⑴(2)⑶⑷ ⑹⑸按照JGJ80-91建筑施工高处作业安全技术规范检查 5 模板支撑施工荷载 1、模板支撑符合安全质量要求2、施工层、架子、平台等处堆放荷载不超过规定 ※⑴模板支撑体系无方案、高支模方案未经论证⑵未按施工方案实施扣5分⑶模板支撑体系纵、横向水平杆不连续,无扫地杆无垫板、立杆(柱)接头没错开、采用搭接、支撑下部垫砖每处扣2分⑷模板支撑体系无验收扣5分⑸模板支撑体系与外架有连接、上部平台处集中堆放物料超标扣5分8⑴⑵⑷⑸⑶按照JGJ 162-2008建筑施工模板安全技术规范6 起重提升设备 1、起重设备必须符合现行国标、行业标准,非淘汰型号2、设备技术性能达到要求3、设备安装完后有验收有管理 4、设备安全防护齐全、有效※⑴使用淘汰型设备、建筑物高度达到八层或25米时未安装施工升降机不得分,⑵未制定安拆方案或存在重大隐患各扣8分 ⑶起重设备附着连接有隐患扣5分⑷设备无准用证、特种设备制造许可证、出厂合格证、检验检测合格证、安装后自检报告每项扣2分⑸设备安装、拆除、顶升无交底每项扣2分 ⑹施工电梯安全防坠器未定期校验、无楼层呼叫器各扣5分⑺设备基础无荷载计算扣5分,排水不畅扣2分⑻物料提升机传动系统不合理,钢丝绳拖地或与障碍物接触,导向轮用开口滑轮,每项扣2分⑼滑轮、钢丝绳、吊钩不符合要求每项扣5分⑽提升机超高、断绳、停靠、信号装置每一项不符合要求扣2分⑾缆风绳材质、地锚设置、绳卡接头每一项不合格扣2分⑿提升设备架体四周防护不严,同脚手架连接、无地面进料口防护棚、安全门不达标,每项扣5分15⑴⑵⑶⑺⑽⒀⑷⑸⑺⑻⑼⑾⑿按照JGJ 60-2008施工现场机械设备检查技术规程7 中小型机械设备1、设备管理2、设备进场验收3、安全防护装置齐全有效4、维修、保养、运转正常⑴机械设备无管理人员或管理人员无证,设备台帐不全,扣5分⑵缺少进场验收、设置地点不合理每台扣2分⑶传动防护、保险装置、保护零线连接,每有一处缺少或不符合规定扣2分⑷保养、维修、运转不符合规定每台扣2分 8⑴⑵⑶⑷同上检查内容小计 13扣分项目小计29扣分小计实得分注:1、※符号为否决项目; 2、扣减分数不得大于该项应得分数;3、当一个项目有多处不合格,在对应序号√上按数划点,数点累计扣分;4、该表换算到总表得分= 应得分该表实得分 27第三部分工程质量创优表-3-1验收项目检查时间:检查人:序号检查项目检查内容扣分标准应得分数扣分在对应序号中划√扣分合计实得分数备注不得分项2分项1分项1 质量管理1、工程质量创优目标、计划及措施2、施工组织设计的编制、审核、批准及重要分部(分项)工程的施工方案3、项目质量保证体系和质量控制措施及质量管理制度※⑴无工程质量创优目标、计划、措施※⑵未进行施工图审查⑶质量保证体系,质量管理制度不健全扣2分⑷重要分部(分项)工程无专项施工方案扣1分⑸质量管理制度不落实扣1分⑹质量控制措施执行不认真扣1分10⑴⑵⑶⑷⑸⑹2 计量管理1、 8层以上及10000㎡以上的工程砼拌置应用微机计量,8层以下及10000㎡以下应用电子磅秤计量;砌筑砂浆拌置应用电子磅秤计量2、检测、计量器具的校验3、计量设备安放位置应正确,应有专人操作并做好记录4、计量设备台帐应齐全、完整、有效5、施工现场建立标准养护室※⑴未按要求使用计量设备或计量设备失准※⑵混凝土、砂浆搅拌未进行计量⑶计量设备安放位置不合理扣1分⑷计量设备未校验扣1分⑸未设专人计量的扣1分⑹计量记录不齐全扣1分⑺现场未建立标养室扣2分,标养室不符合要求扣1分10⑴⑵⑺⑶⑷⑸⑹⑺3 地基与基础工程质量1、地基及基础工程的施工质量记录2、桩基工程的施工记录及检测报告3、灰土垫层的施工记录及检测报告4、筏板基础施工记录※⑴无人工地基检测报告或人工地基检测报告未经省总站备案⑵未提供预制桩合格证及相关资料(钢材、水泥复试及混凝土强度)扣2分⑶原材复试资料不全扣1分⑷筏板基础施工质量记录不全扣1分⑸灰土地基缺施工资料扣2分⑹问题坑处理无施工记录扣1分⑺基础四周未设排水措施扣1分⑻人工地基检测不合格经加固处理扣2分10 ⑴⑵⑸⑶⑷⑹⑺⑻检查内容小计12 扣分项目小计21 扣分小计得分小计第三部分工程质量创优表3-2 验收项目检查时间:检查人:序号检查项目检查内容扣分标准应得分数扣分在对应序号中划√扣分合计实得分数备注不得分项2分项1分项4 主体结构工程质量模板工程1、支模体系的设计及计算2、模板工程施工质量钢筋工程1、钢筋、焊条、焊剂、套筒原材质量2、钢筋制作、绑扎、定位措施3、钢筋的品种、规格、数量、间距、尺寸及锚固长度4、钢筋保护层厚度5、浇筑混凝土时钢筋的保护混凝土工程1、梁、柱、板、墙节点上下接槎处施工缝留置2、混凝土楼板、楼梯、踏步及洞口预留3、混凝土的搅拌、浇筑、养护及试件留置4、混凝土预制构建安装质量5、混凝土季节性施工措施6、钢结构构建制作、安装7、混凝土结构后锚固连接质量砌体工程1、砌筑方法及皮数杆设置2、砌筑砂浆灰缝厚度及饱满度3、预留拉接筋的规格、数量、长度、间距4、轻质隔墙的安装、质量※⑴主要原材料及构(配)件不合格※⑵混凝土工程有超标准裂缝※⑶无支模体系设计、计算※⑷钢筋规格、数量不满足设计要求;混凝土、砌筑砂浆强度不合格,未留同条件试块⑸模板表面不平,拼缝不严,口角不顺扣2分⑹模板支撑体系未按设计和规范要求施工扣2分⑺模板未刷脱模剂,或刷废机油,杂物清理不干净扣1分⑻阳台隔板单面支模,抹压成型扣1分⑼钢筋位置、间距、尺寸不准扣1分⑽钢筋绑扎不规范扣1分⑾钢筋搭接长度,锚固长度不符合规范要求的扣2分⑿钢筋无定位措施,保护层厚度超规范扣2分⒀混凝土振捣不实,有蜂窝麻面,孔洞扣1分,施工缝留置不合理扣2分⒁梁、柱、墙有胀模、缩径、烂根扣1分,截面尺寸误差超标扣2分⒂楼面不平,楼梯踏步高低差大扣1分⒃混凝土标养或同条件试块留置、养护不规范扣2分⒄门、窗、预留洞口几何尺寸误差超标扣2分;⒅构件安装未坐浆,底面不平,不稳扣1分⒆砌体灰缝不平直,不饱满,有通缝、透亮扣1分,不同砌块混砌扣2分⒇砌体与混凝土圈梁、构造柱接合处不平,不清晰扣1分(21)木砖制作、预制砼块质量差,预埋位置不准,未防腐扣1分(22)大马牙槎留置,预埋拉接筋不符合要求扣2分(23)填充墙下面未砌三皮普通砖,斜压砖未割45°角未用三角混凝土块填塞扣1分(24)多水房间未设置混凝土翻边扣2分(25)300㎜以上洞口未设混凝土过梁扣2分;过梁搁置长度不够扣1分(26)后锚固件锚孔的位置、直径、孔深不符合设计要求扣2分(27)锚栓及后植筋的位置、尺寸、拉拔力检测不符合要求扣2分(28)采用已淘汰或限制使用的建筑材料扣2分(29)钢结构制作、安装、涂层不规范扣2分35⑴⑵⑶⑷⑸⑹⑾⑿⒀⒁⒃⒄⒆(22)(24)(25)(26)(27)(28)(29))⑺⑻⑼⑽⒀⒁⒂⒅⒆⒇(21)(23)(25)检查内容小计16 扣分项目小计29 扣分小计得分小计陕西省文明工地(房建工程)验评表第三部分工程质量创优表3-3 验收项目检查时间:检查人:序号检查项目检查内容扣分标准应得分数扣分在对应序号中划√扣分合计实得分数备注不得分项2分项1分项5 水电管道预留预埋1、配电箱(盒)安装2、电气导管预埋3、水暖管道穿墙、板、梁预留洞4、穿墙套管安装5、穿越变形缝柔性连接接头设置※⑴金属厚壁电气导管采用对焊连接⑵电气导管丝口连接未作跨接接地扣2分⑶电气导管未按规定进行内外防腐扣1分⑷电气导管未进墙1.5㎝,进箱盒大于5㎜扣1分⑸管道穿墙、板未设套管扣2分,套管不符合规范要求扣1分⑹预埋管未采用机械开槽扣1分⑺管道穿越地下室外墙未作防水套管扣2分⑻穿越变形缝未设柔性接头扣1分10 ⑴⑵⑸⑺⑶⑷⑸⑹⑻6 检测管理1、检测单位资质2、检测合同及委托单3、相关检测项目检测方案的编制、审核、批准4、检测报告※⑴委托单位未与检测单位签订检测合同※⑵检测结论不合格报告未按要求进行处理⑶检测单位无资质或超出资质范围进行检测扣2分⑷由施工单位进行委托的扣1分⑸委托单位填写不规范扣1分⑹委托单位将一项检测项目拆分委托多家检测单位扣2分⑺检测报告中反应工程信息量不全扣1分⑻检测报告反映检测参数不全扣1分10(1)(2)(3)(5)(6)(4)(5)(7)(8)7 工程技术资料1、资料收集是否同步、齐全,分类整编真实可信2、原材合格证及复试报告是否齐全、真实、有效3、验槽、基础、主体工程验收记录是否签字、盖章齐全4、见证取样制度执行情况5、建筑物沉降观测记录6、工程技术人员资格证,操作人员上岗证是否齐全有效※⑴钢结构工程未按规定进行探伤※⑵施工过程中未进行沉降观测记录⑶资料收集滞后,未按规定分类,签字盖章不齐扣1分⑷原材质合格证未注明使用工程名称,未加盖供货单位章,未按批号复试扣1分⑸钢筋焊接、机械连接未按批量进行复试扣1分⑹混凝土台帐及施工日志、记录不全扣1分,商品砼保证资料不全扣2分⑺无水泥28天强度报告扣1分,安定性未检测扣2分⑻无同条件试块或冬期混凝土施工测温记录扣2分,记录不符合要求的扣1分⑼沉降观测记录不规范,无阶段评估报告扣2分⑽主要测量仪器未校验扣1分⑾质检员、试验员、资料员等无证上岗扣2分⑿无结构检测(保护层厚度测试)扣2分⒀无后植筋拉拔检测报告或代表批量不符合规范要求扣2分⒁执行见证取样制度不认真扣2分⒂分部分项工程质量评定和实体差距较大扣1分,分部(子分部)验收资料不全扣2分15⑴⑵⑹⑺⑻⑼⑾⑿⒀⒁⒂⑶⑷⑸⑹⑺⑻⑽⒂检查内容小计11 扣分项目小计23 扣分小计实得分注:1、※符号为否决项目; 2、扣减分数不得大于该项应得分数;3、当一个项目有多处不合格,在对应序号√上按数划点,数点累计扣分;4、综合得分87分(含87分)以上为优质结构,达到优质结构的工程方可申报省级文明工地;4、该表换算到总表得。