烟花爆竹批发企业安全风险隐患排查表
- 格式:doc
- 大小:23.50 KB
- 文档页数:2
烟花爆竹生产企业隐患治理排(检)查表排(检)查日期:年月日企业基本情况企业名称法人代表生产地址企业类型联系人联系电话安全生产许可证编号取证日期有效期限许可范围排(检)查主要内容要素序号排(检)查项目排(检)查情况描述和判断排(检)查人合法性1许可证、营业执照等是否在有效期限内2 证照地址与生产地址是否一致3许可证主要负责人与营业证照及实际控制人是否一致4 是否存在超许可品种范围生产安 5 安全评价报告是否在有效期内全评价6评价、审查及检查的整改意见是否完成整改7 评价总图布置是否与现状一致厂区总平面布置8生产厂房、储存仓库、燃放试验场的内外部安全距离、厂房布局、建筑结构、生产工艺布置、安全疏散条件、消防设施以及防爆、防雷、防静电等安全设施是否符合《烟花爆竹工厂设计安全规范》(GB50161)的要求9危险品生产区与办公区(生活区)、有火源区与禁火区、生产车间与仓库(中转库或收发室)、危险工序与普通工序是否分离10工房、仓库之间间距是否符合要求作业场所11工房、仓库定牌情况是否与评价报告一致12工房、仓库危险等级标识是否清晰安全条件13工房之间防爆土堆是否符合规范要求14是否存在擅自改变工房用途的情况15 工房内是否存在超定员数情况16原材料仓库、工房、半成品及成品仓库是否存在超量存放或混放情况17原材料、工房、半成品及成品仓库周边防火措施落实情况18A级工房是否设有安全防护屏障19 A2级工房是否单人单栋使用20A3级工房是否单人单间使用,并每栋同时作业人员的数量不超过2人21C级工房人均使用面积是否大于22晒场地面是否平整,支架是否牢固23晾晒物料总量、均匀程度等是否符合安全要求安全设备设施设施24防雷防静电检测是否在检测合格有效期限内25员工工作时间防静电服装发放及穿戴情况26企业内外部安全警示标志标识是否清晰、醒目27规定场所温湿度计配备及定期检查记录情况28消防器材配备和设置是否符合要求29 消防器材是否有效安全生产培训教30企业主要负责人、安全管理人员是否持证上岗31八个带药岗位作业人员是否经市级安全监管局培训考核合格并持证上岗32特种设备作业人员是否做到持证上岗育33企业员工日常安全培训教育开展情况、考核记录是否齐全34 反“三违”教育开展情况责任制及安全经济35年度内安全生产责任制是否落实,内部是否逐级签订安全生产责任书36 安全生产风险抵押金缴纳情况37 年度内工伤保险是否参加38安全投入是否符合生产要求企业安39事故应急救援预案是否有针对性修订,应急演练的针对性情况,演练记录是否完整、真实全管理40 安全检查制度、安全教育培训制度、重大危险源监控制度、隐患排查整改制度、安全生产责任制度、隐患整改制度、安全生产奖惩制度、危险物品领用和保管制度等各项安全生产管理制度修订、执行情况41岗位作业安全规程和操作规程制定、教育和执行情况42高温季节、大雷暴雨等特殊气象条件停产制度执行情况43是否存在违规使用氯酸钾生产烟花爆竹产品44对不同性质的化学品是否严格实行分类存放45黑火药流向登记和使用情况记录是否完整排(检)查综合性描述和意见现场排(检)存在的主要问题排(检)负责人:整改(处理)意见整改指令文书编号:排(检)查人员组成姓名单位职务(称)联系电话注:各级安全监管局和企业可根据实际情况修订排(检)查表。
附录1
烟花爆竹生产企业安全检查表
评分简介
(1)安全检查表每个条款评分方法按重要程度分为三类:
1)“关键控制条款”,特别危险单元、重大事故隐患、内外部安全距离的相关条款等为关键控制条款;目标分值为7分。
判分规则为:分为两档,不符合得“0”分,完全符合要求得“7”分;关键控制条款为否决项。
2)“重要控制条款”,目标分值为5分,判分规则为:完全不符合得“0”分,完全符合要求得“5”分,视偏离情况在分之间取值。
3)“一般控制条款”,目标分值为3分,判分规则为:完全不符合得“0”分,完全符合要求得“3”分,视偏离情况在1-2”分之间取值。
(2)检查表的得分率计算方法如下:
Σ各项实际得分每个检查表得分率=
E各项目标分值
×100%
(3)当被检查单位有多条生产线时,以各生产线的最低得分率为生产过程的最终得分率;
(4)参照危化函(2007)28号文的要求,考评结果分为一级安全、二级安全和安全三个级别。
安全级别与得分率的关系如下:
(5)检查结果小于65%时为不合格等级。
(6)每个检查表的现场检查人员不应少于三人(其中,必须有一位行业内的专家,一位为安全生产方面的专家)。
1生产企业
2.2其他库房
采用三轮车,严禁用畜力车、翻斗车和各种挂斗车运输。
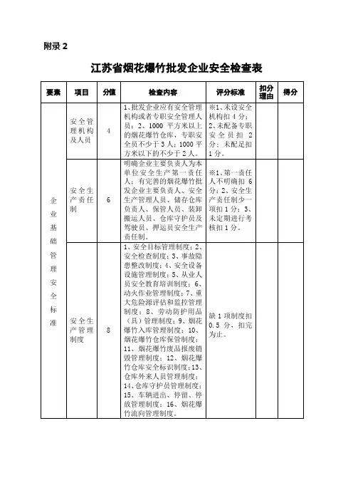
烟花爆竹批发企业安全检查表要素项目检查内容1、批发企业应有安全管理机构或者专职安全管理人员;2、1000安全管理机平方米以上的烟花爆竹仓库,专职安全员不少于3人;1000平构及人员方米以下的不少于2人。
企明确企业主要负责人为本单位安全生产第一责任人;有完善的业安全生产责烟花爆竹批发企业主要负责人、安全生产管理人员、储存仓库基任制负责人、保管人员、装卸搬运人员、仓库守护员及驾驶员、押运员安全生产责任制。
础管 1、安全目标管理制度;2、安全检查制度;3、事故隐患整改制度;4、安全设备设施管理制度;5、从业人员安全教育培训制理度;6、动火作业管理制度;7、重大危险源评估和监控管理制安安全生产管度;8、劳动防护用品(具)管理制度;9、烟花爆竹入库管理理制度制度;10、烟花爆竹仓库保管制度;11、烟花爆竹废品报废销全毁管理制度;12、烟花爆竹仓库安全标识制度;13、仓库外来标人员管理制度;14、仓库守护员管理制度;15、车辆进出、停留、停放管理制度;16、烟花爆竹流向管理制度。
准安全生产操有完善的监控设备操作规程;产品保管养护操作规程;商品验作规程收操作规程;测温、测湿操作规程;搬运、装卸操作规程。
1、主要负责人、分管负责人、安全生产管理人员的安全生产知识和管理能力应当经考核合格;2、保管员、仓库守护员应当接从业人员培受烟花爆竹专业技术培训,并经考核合格取得资格证书;3、运训及资格输、驾驶、燃放、押运人员等特种作业人员必须按照国家有关企规定经专门的安全作业培训考核,取得特种作业操作资格证业书;4、所有从业人员必须持证上岗。
基础工伤保险应当依法参加工伤保险,为从业人员缴纳工伤保险费。
管1、建立危险源识别、管理制度;2、对重大危险源予以登记、理危险源管理备案管理。
安全标应急救援预1、制订事故应急救援预案;2、建立应急救援组织并明确责任;准案 3、配备应急救援器材和设备;4、定期演练,每年不少于一次。
风险抵押金按规定缴纳风险抵押金。