【深基坑 精】支撑配筋计算书
- 格式:docx
- 大小:58.93 KB
- 文档页数:27
主要结构件计算一、冠梁及腰梁主筋配筋计算冠梁水平向弯矩标准值查计算书,取跨中弯矩最大值,配筋较小时,水平向配筋按截面8‰左右确定。
冠梁配筋依据《混凝土结构设计规范》(GB50010-2002)。
依据《湖北省深基坑工程技术规定》(DB42/159-2004),弯矩设计值M设=1.35×M标。
节点处另增加牛腿加强筋,承担水平面内弯矩集中荷载引起的弯矩。
二、支撑主筋配筋计算支撑配筋依据《混凝土结构设计规范》(GB50010-2002)。
考虑自重和附加荷载,依据《湖北省深基坑工程技术规定》(DB42/159-2004),支撑杆件按压弯杆件进行计算,支撑平面内外的弯矩取自重弯矩标准值和安装偏心矩e产生的弯矩之和,弯矩标准值计算式:M标=qL2/10+N标e/1000 , 杆件弯矩设计值M设=1.35×M标,其中跨度取支撑间距的最大值,附加荷载取2kN/m。
三、支撑轴力验算根据《湖北省深基坑工程技术规定》(DB42/159-2004),支撑轴力设计值:N设=1.35×1×1.2N标,考虑了内力分布不均匀及温度影响,选取计算的轴力图的最大值作为轴力标准值取值。
根据《混凝土结构设计规范》7.3.1之规定,正截面受压承载力需要满足N≤0.9ψ(f c A+f'y A's)(纵向配筋率大于3%时,A改为A-A's)。
其验算结果见表G3。
表G3 内支撑受压承载力计算表(C30)又根据《混凝土结构设计规范》7.4.1之规定,正截面受拉承载力需要满足N≤f y A s+f py A p,为方便对比,轴力受拉可承受标准值=支撑抗拉承载力/1.62,各支撑截面及冠(腰)梁受拉受拉承载力验算如表所示。
表G4 内支撑受拉承载力验算表(C30)表G5 冠(腰)梁受拉承载力验算表(C30)注:钢筋受压承载力钢筋数量按表G2配筋数据选取,同时考虑侧面配筋。
四、剪力配筋验算1、冠梁及腰梁剪力配筋验算冠梁及腰梁剪力计算值取自内支撑计算书。
目录一.工程概况 (2)二.工程地质条件 (2)三.支护方案的确定 (2)四.土压力计算 (2)1 .计算方法 (3)2 .土压力计算 (4)五.结构内力计算 (5)1. 弯矩计算 (5)2. 各个支点反力计算 (6)六.支护桩设计 (7)1.桩长计算 (7)2.桩截面配筋 (7)3.构造配筋 (9)4.冠梁设计 (9)七土层锚索及腰梁设计 (9)1.锚索设计原则 (9)2.锚索计算 (9)3.腰梁设计 (13)八基坑稳定性验算 (14)1.基坑的整体性稳定性验算 (14)2.抗隆起验算 (14)一.工程概况拟建的钦州市妇幼保健医院住院大楼,项目地址位于钦州市安州大道与南珠东大街交叉路口东南侧。
整个项目总用地净面积12702.98m2,使用面积11411.73m2,地上总建筑面积49273.94m2,地下总建筑面积7857.64m2,总建筑基底面积3815.92m2。
该项目为1栋楼高22~23F的住院大楼,下设两层地下室,详细尺寸及布局见“总平面图”和“建筑物和勘探点平面位置图”。
未进入设计条件,拟建建筑的荷载、上部结构及室内整平标高均未知、基础类型待定。
受业主委托,由本院对拟建场地进行岩土工程详细勘察工作二.工程地质条件1.带“*”号者为经验值;2.Φuu、Cuu为不固结不排水剪指标;E0为变形模量。
3.其余参数详见“物理力学指标统计表”(表4)。
三.支护方案的确定钦州市妇幼保健医院住院大楼深基坑4——4’断面的支护,结合现场工程地质条件、临近地面地下环境条件、基坑开挖深度等综合确定采钻孔灌注桩+土层锚索的支护形式。
四.土压力计算1.计算方法 按库伦理论计算主动与被动土压力强度,其公()2a i i a P q h K γ=+-∑()PP i i p K c K h q P 2++=∑γ式中:a P p P ——库伦主动与被动土压力强度,kP a ;q —— 地面均匀荷载,kP a ;i γ—— 第i 层土的重度,3kN /m ;i h —— 第i 层土的厚度,m ;a K 、p K ——库伦主动与被动土压力系数;c 、φ—— 计算点土的抗剪强度指标,kP a 、() 。
xxxxx 房地产开发有限公司xxxxx 住宅楼及沿街商业、地下车库基坑支护工程设 计 计 算 书院 长审 核审 定总 工校 核设 计项目负责xxxx 基础工程有限公司 xxxx 年xx 月xx 日本基坑支护设计计算主要依据建筑基坑支护技术规程(JGJ120-2012)的有关规定,同时考虑其他有关规范和规程。
基坑开挖深度6.10~7.30m 。
周边环境条件一般,地质条件较好。
基坑支护设计参考xxxx 深基坑x 版,分别对1-1~6-6等6个支护剖面的安全稳定系数进行计算。
各剖面计算勘察钻孔的选取如表1。
各剖面设计计算勘察钻孔的选取 表1设计计算的物理力学参数详见表2。
设计计算的各土层的物理力学参数 表2各剖面支护段的安全稳定系数计算结果见附件,各计算的安全系数均能满足《规程》要求。
1-1剖面---------------------------------------------------------------------- [ 支护方案 ]---------------------------------------------------------------------- 排桩支护---------------------------------------------------------------------- [ 基本信息 ]---------------------------------------------------------------------- [ 放坡信息 ]---------------------------------------------------------------------- [ 超载信息 ]---------------------------------------------------------------------- [ 附加水平力信息 ]---------------------------------------------------------------------- [ 土层信息 ]---------------------------------------------------------------------- [ 土层参数 ]---------------------------------------------------------------------- [ 支锚信息 ]---------------------------------------------------------------------- [ 土压力模型及系数调整 ]---------------------------------------------------------------------- 弹性法土压力模型: 经典法土压力模型:---------------------------------------------------------------------- [ 工况信息 ]-------------------------------------------------------------------------------------------------------------------------------------------- [ 设计结果 ]-------------------------------------------------------------------------------------------------------------------------------------------- [ 结构计算 ]---------------------------------------------------------------------- 各工况:内力位移包络图:地表沉降图:---------------------------------------------------------------------- [ 冠梁选筋结果 ]-------------------------------------------------------------------------------------------------------------------------------------------- [ 环梁选筋结果 ]-------------------------------------------------------------------------------------------------------------------------------------------- [ 截面计算 ]----------------------------------------------------------------------钢筋类型对应关系:d-HPB300,D-HRB335,E-HRB400,F-RRB400,G-HRB500,P-HRBF335,Q-HRBF400,R-HRBF500---------------------------------------------------------------------- [ 锚杆计算 ]----------------------------------------------------------------------[ 锚杆自由段长度计算简图]---------------------------------------------------------------------- [ 整体稳定验算 ]----------------------------------------------------------------------计算方法:Bishop 法 应力状态:有效应力法条分法中的土条宽度: 0.40m滑裂面数据整体稳定安全系数 K s = 2.012 圆弧半径(m) R = 17.612 圆心坐标X(m) X = -0.481 圆心坐标Y(m) Y = 10.398---------------------------------------------------------------------- [ 抗倾覆稳定性验算 ]---------------------------------------------------------------------- 抗倾覆安全系数:p , 对于内支撑支点力由内支撑抗压力 决定;对于锚杆或锚索,支点力为锚杆或锚索的锚固力和抗拉力的较小值。
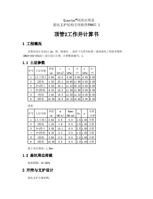
同济启明星深基坑支挡结构设计计算软件FRWS 8.2工程名称:1-1一、工程概况基坑设计深度15.8m, 基坑安全等级为一级。
1.土层参数(26#)续表地下水位埋深:9.5m。
2.荷载工作荷载邻近荷载3.放坡4.挡土墙挡墙类型: 灌注桩;嵌入深度: 5.2m;混凝土等级: C30;桩径: 0.8m;桩间距: 1.6m;截水帷幕嵌入深度: 4.75m截水帷幕桩径: 0.85m截水帷幕搭接长度: 0.25m截水帷幕排数: 15.支撑和锚杆2018设0806.工况工况示意图工况信息表二、计算依据采用《北京市建筑基坑支护技术规程DB11/489-2016》进行设计计算。
并且1.整体稳定验算采用总应力法三、变形内力1.各工况变形内力7.开挖到15.8m 2.变形内力包络图四、整体稳定验算圆心(-6.32,-9.5),半径13.53m,滑动力51.4kN/m,抗滑力43.8kN/m圆心(-2.75,0),半径25.33m,滑动力1285.4kN/m,抗滑力7244.1kN/m圆心(-3.01,0),半径25.3m,滑动力2313.3kN/m,抗滑力6437.3kN/m圆心(-3.29,0),半径25.54m,滑动力3045kN/m,抗滑力5997.4kN/m圆心(-3.42,0),半径26.02m,滑动力3550.6kN/m,抗滑力5884.3kN/m 五、配筋M=1.25×1.1×Mk, V=1.25×1.1×Vk。
1.灌注桩0~19m六、锚杆承载力验算Rk/Nk应达到: 1.8;七、地表沉降计算方法: 同济抛物线模式1.各工况地表沉降7.开挖到15.8m八、渗透稳定性验算1.流土稳定性验算′应达到1.6同济启明星深基坑支挡结构设计计算软件FRWS 8.2工程名称:1a-1a一、工程概况基坑设计深度19.25m, 基坑安全等级为一级。
1.土层参数(26#)续表地下水位埋深:9.5m。
----------------------------------------------------------------------设计项目:----------------------------------------------------------------------[ 设计简图 ]----------------------------------------------------------------------[ 设计条件 ]----------------------------------------------------------------------[ 基本参数 ]所依据的规程或方法:《建筑基坑支护技术规程》JGJ 120-2012基坑深度: 6.500(m)基坑内地下水深度: 8.000(m)基坑外地下水深度: 8.000(m)支护结构重要性系数: 1.000土钉荷载分项系数: 1.250土钉抗拔安全系数: 1.600整体滑动稳定安全系数: 1.300土钉墙底面支锚轴向拉力经验系数ηb: 1.000[ 坡线参数 ]坡线段数 1序号水平投影(m) 竖向投影(m) 倾角(°)1 1.950 6.500 73.3[ 土层参数 ]土层层数 4层号土类名称层厚重度浮重度粘聚力内摩擦角与锚固体摩阻力与土钉摩阻力水土(m) (kN/m^3) (kN/m^3) (kPa) (度) (kPa) (kPa)1 杂填土 1.600 18.5 --- 10.0 15.0 40.0 40.0 ---2 粘性土 2.100 19.0 --- 22.5 12.6 60.0 60.0 ---3 细砂 1.400 19.5 --- 3.0 28.0 65.0 65.0 ---4 细砂 6.700 19.7 9.7 2.0 30.0 70.0 70.0 分算[ 超载参数 ]超载数 1序号超载类型超载值(kN/m) 作用深度(m) 作用宽度(m) 距坑边线距离(m) 形式长度(m)1 满布均布 20.000[ 土钉参数 ]土钉道数 3序号水平间距(m) 垂直间距(m) 入射角度(度) 钻孔直径(mm)1 1.500 1.600 15.0 1102 1.500 1.600 15.0 1503 1.500 1.600 15.0 150[ 花管参数 ]基坑内侧花管排数 0基坑外侧花管排数 0[ 锚杆参数 ]锚杆道数 2序号水平间距(m) 竖向间距(m) 入射角度(度) 锚固体直径(mm) 锚杆长度(m) 锚杆锚固长度(m) 抗拉力(kN)1 1.500 3.200 15.0 150 15.000 10.000 150.02 1.500 1.600 15.0 150 15.000 10.000 150.0[ 坑内土不加固 ]施工过程中抗拔承载力满足系数: 1.000施工过程中整体稳定满足系数: 1.000[ 整体稳定设计条件 ]考虑地下水作用的计算方法:总应力法圆弧滑动坡底截止深度(m): 0.000(m)圆弧滑动坡底滑面步长(m): 1.000(m)----------------------------------------------------------------------[ 设计结果 ]----------------------------------------------------------------------[ 抗拔承载力设计结果 ]工况开挖深度破裂角支锚号设计长度最大长度(工况) 拉力标准值 Kt×Nkj (m) (度) (m) (m) Nkj(kN) (kN)1 2.100 43.9 02 3.700 43.5 1土钉 3.592 3.592( 2) 30.0 47.93 3.700 43.5 1土钉 2.123 3.592( 2) 10.9 17.5 2土钉 1.382 1.382( 3) 19.0 30.4 4 5.300 45.7 1土钉 2.864 3.592( 2) 10.5 16.8 2土钉 5.153 5.153( 4) 75.2 120.3 5 5.300 45.7 1土钉 2.864 3.592( 2) 10.5 16.8 2土钉 2.666 5.153( 4) 27.6 44.1 3土钉 2.650 2.650( 5) 47.6 76.2 6 6.500 46.8 1土钉 3.385 3.592( 2) 10.3 16.4 2土钉 3.170 5.153( 4) 27.0 43.2 3土钉 5.666 5.666( 6) 97.9 156.6[ 整体稳定设计结果 ]工况号安全系数圆心坐标x(m) 圆心坐标y(m) 半径(m) 支锚号支锚长度1 1.062 -1.278 10.385 6.1352 1.327 -4.629 12.725 11.3321 4.5923 2.690 -4.629 12.725 11.3321 4.5922 5.1534 1.638 -8.815 12.284 14.3881 4.5922 5.1535 2.998 -8.815 12.284 14.3881 4.5922 5.1533 5.6666 2.041 -11.767 14.225 18.4611 4.5922 5.1533 5.666[ 土钉选筋计算结果 ]钢筋类型对应关系:d-HPB300,D-HRB335,E-HRB400,F-RRB400,G-HRB500,P-HRBF335,Q-HRBF400,R-HRBF500土钉号土钉拉力(抗拉) 土钉拉力(稳定) 计算钢筋面积配筋配筋面积1 37.5 74.7 207.5 1E18 254.52 94.0 174.2 483.8 1E25 490.93 122.3 217.2 603.5 1E28 615.8[ 喷射混凝土面层计算 ][ 计算参数 ]厚度: 100(mm)混凝土强度等级: C20配筋计算as: 15(mm)水平配筋: d8@200竖向配筋: d8@200配筋计算as: 15荷载分项系数: 1.200[ 计算结果 ]编号深度范围荷载值(kPa) 轴向 M(kN.m) As(mm^2) 实配As(mm^2)1 0.00~ 1.60 6.6 x 0.627 200.0(构造) 251.3y 0.541 200.0(构造) 251.32 1.60~ 3.20 7.2 x 0.682 200.0(构造) 251.3y 0.588 200.0(构造) 251.33 3.20~ 4.80 33.8 x 3.201 200.0(构造) 251.3y 2.761 200.0(构造) 251.34 4.80~ 6.50 48.7 x 5.188 235.2 251.3y 3.889 200.0(构造) 251.3-------------------------------------------------------------------- [ 抗隆起验算 ]1) 从支护底部开始,逐层验算抗隆起稳定性,结果如下:_支护底部,验算抗隆起:__Ks = 1.681 > 1.6, 抗隆起稳定性满足。
1 下穿隧道(含地下环廊预留通道及地铁车站预留通道)基坑xx路延伸线下穿隧道工程始于三堡船闸以北,止于xx二桥以北,全长约1235m。
现状地面较为平整,地形起伏不大,基坑开挖深度为0.7~12.1m,局部泵房位置为14.7m,基坑宽度约为21~32m,随隧道结构变化而变化。
四堡A地块地下环廊xx路预留两个出入口通道与道路桩号0+920处下穿xx路延伸线主线隧道,基坑开挖深度约为0.5~12.6m;四堡A地块地下环廊运河东路预留两个出入口通道与道路桩号1+030处下穿xx路延伸线主线隧道,基坑开挖深度约为13.9~16.3m;地铁9号线三堡站预留人行通道与道路桩号1+132处下穿xx路延伸线主线隧道,基坑挖深约为16.7m。
根据场地条件以及结构分段情况,基坑设计范围可分成四段:①主线隧道与A地块地道xx路方向出入口邻近段基坑(0+800~0+927)、②主线隧道与地铁9号线车站预留通道及A地块地道运河东路方向出入口邻近段基坑(1+002~1+145)、③主线隧道下穿浙赣铁路及沪杭甬高速公路xx二桥段基坑(1+877~1+990)、④其它标准段主线隧道段基坑。
其中第③段主线隧道下穿浙赣铁路及沪杭甬高速公路段属涉铁工程,已明确由铁四院设计,故不包含在本次基坑围护设计范围中。
本隧道范围内场地为钱塘江淤积平原,地势平坦,自然标高为6~8m,基坑开挖深度为0.5~17.1m,根据浙江省《建筑基坑工程技术规程》中“软土地区基坑开挖深度大于8m”的条件,基坑安全等级为一级,基坑重要性系数γ0=1.1,基坑开挖深度在5m~8m之间,基坑安全等级为二级,基坑重要性系数γ0=1.0,基坑开挖深度小于5m,基坑安全等级为三级,基坑重要性系数γ0=0.9。
针对不同分段基坑周边环境,及工程地质条件,各段基坑围护形式选用如下:1) 主线隧道与A地块地道xx路方向出入口邻近段基坑(0+800~0+927)该区段主线隧道基坑开挖深度0.7~6.3m,A地块地道基坑开挖深度0.5~12.6m,根据地质条件和场地条件,场地环境空旷,适宜采用较简单的支护方式以节省工程造价,故该区段考虑SMW工法桩支护开挖,工法桩采用Φ850三轴水泥搅拌桩,内插700×300×13×24H型钢,桩顶做钢筋混凝土冠梁,第一道支撑采用800×800mm钢筋混凝土支撑,下设Φ609钢管支撑。
支撑体系计算书(1)冠梁1(GL1)配筋计算一、设计要求:结构安全等级: 二级混凝土强度等级: C30钢筋等级: HRB400冠梁最大弯矩设计值M=935(kN-m)矩形截面宽度b=900.0(mm)矩形截面高度h=700.0(mm)钢筋合力点至截面近边的距离a=35.0(mm)二、计算参数:根据设计要求查规范得:◇重要性系数γ0=1.0◇混凝土C30的参数为:系数α1=1.00系数β1=0.80混凝土轴心抗压强度设计值fc=17.5(N/mm2)混凝土轴心抗拉强度设计值ft=1.75(N/mm2)正截面混凝土极限压应变εcu=0.00330◇钢筋HRB400的参数为:普通钢筋抗拉强度设计值fy=380(N/mm2)普通钢筋弹性模量Es=2.0(×100000N/mm2)◇钢筋HPB300的参数为:普通钢筋抗拉强度设计值fy=170(N/mm2)三、冠梁纵向钢筋配筋计算:◇截面有效高度:h0=h-a=865.0(mm)◇相对受压区高度计算:ξb=β1/(1+fy/Es/εcu)=0.5077ξ=1-√ ̄[1-2×γ0×M/(α1×fc×b×h0×h0)]=0.110ξ≤ξb◇钢筋截面面积计算:As=α1×fc×b×h0×ξ/fy=2844(mm2)◇配筋率验算:规范要求最小配筋率ρmin=取大者(0.2%,45×ft/fy%)=0.21(%)As≥ρmin×b×h=1896(mm2)Φ22HBR400钢筋8根,As=3041mm2,满足要求。
四、受剪承载力配筋计算:◇截面有效高度:h0=h -a =765.0(mm )V ≤h s A f bh f svyvt cv +0α .冠梁最大剪力V=519KN箍筋在支撑梁交接处配Φ8四肢箍筋,间距加密至100mmh s A f bh f svyvt cv +0α=(0.7×1.43×700×865+270×(201.2/100)×865)/900=678.6KN ≥V箍筋配筋Φ8间距200mm ,支撑交接处两侧2m 加密至100mm 满足要求。
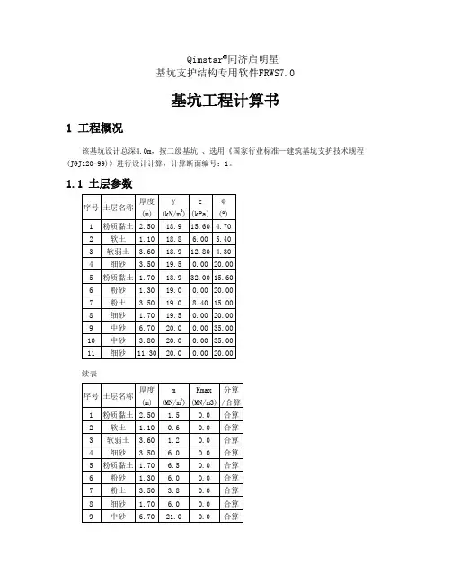
Qimstar同济启明星基坑支护结构专用软件FRWS7.0基坑工程计算书1 工程概况该基坑设计总深4.0m,按二级基坑、选用《国家行业标准—建筑基坑支护技术规程(JGJ120-99)》进行设计计算,计算断面编号:1。
1.1 土层参数续表地下水位埋深:0.50m。
1.2 基坑周边荷载地面超载:0.0kPa邻近荷载:邻近荷载的作用方式:一。
2 开挖与支护设计基坑支护方案如图:基坑工程基坑支护方案图2.1 挡墙设计·挡墙类型:钻孔灌注桩;·嵌入深度:11.0m;·露出长度:0.000m;·桩径:1200mm;·桩间距:1500mm;·混凝土等级:C30;·止水帷幕厚度:1.000m;·止水帷幕嵌入深度:11.000m2.2 工况顺序该基坑的施工工况顺序如下图所示:3 计算原理描述3.1 围护墙主动侧土压力计算3.1.1 朗肯主动土压力深度 z 处第i层土的主动土压力强度的标准值e ak,i按下列公式计算:采用水土合算或计算点在水位以上时:(小于0取0)采用水土分算且计算点在水位以下时:(小于0取0)对于矩形土压力模式,自重部分须扣除坑内土的自重(对水位以下的分算土层,扣除有效自重;坑内水位取坑底位置,天然水位在坑底以下就取天然水位)。
式中:γj─第j层土的天然重度;γw─水的重度,取10kN/m3;Δh j─第j层土的厚度;h wa,i─地下水位;c i、c i'─第i层土的内聚力、有效内聚力;φi、φi'─第i层土的内摩擦角、有效内摩擦角;q─超载。
3.1.2 经验土压力3.1.3 邻近荷载的影响k,i邻近荷载对土压力的影响有两种思路,一种是按照一定方式增加墙体范围内土体的自重,方式一、二、三和第五种中的地表邻近荷载按照第一种思路增加土体自重,增加的土体自重为阴影部分:第一种方式按照45°扩散到与墙背相交的断面,扩散后的荷载大小按照总荷载相等的原则计算,然后镜像到墙背。
杆件配筋计算一、支撑梁配筋计算1、主梁:L-1(b×h=800×1000)配筋计算设计值:N=3998×1.35×1.2=6477KN(DB42/159-2004第6.7.8条)砼:C35钢筋: HRB335(Φ)HPB235(φ)计算长度:17.6m弯矩:M1=775KN·m(自重产生的附加弯矩)M2=0.01N=65KN·m(安装偏心产生的附加弯矩)压弯构件N=6477KNM=840KN·m计算配筋:上下纵筋:As=2632mm2左右纵筋:As’=1600mm2箍筋:Asv=941 mm2/m实配钢筋:上下纵筋:9Φ25(4415mm2)>As(满足要求)左右纵筋:4Φ22(1520mm2)分配As=2010>As’(满足要求)箍筋:φ8@200四肢箍(1005mm2/m)>Asv(满足要求)2、次梁:L-2(b×h=700×900)配筋计算设计值:N=3066×1.35×1.2=4967KN(DB42/159-2004第6.7.8条)砼:C35钢筋: HRB335(Φ)HPB235(φ)计算长度:17.2m弯矩:M1=583KN·m(自重产生的附加弯矩)M2=0.01N=50KN·m(安装偏心产生的附加弯矩)压弯构件N=4967KNM=633KN·m计算配筋:上下纵筋:As=2718mm2左右纵筋:As’=1260mm2箍筋:Asv=840mm2/m实配钢筋:上下纵筋:8Φ25(3925mm2)>As(满足要求)左右纵筋:3Φ22(1139mm2)分配As=1754>As’(满足要求)箍筋:φ8@200四肢箍(1005mm2/m)>Asv(满足要求)3、连梁:L-3(b×h=600×800)配筋计算设计值:N=1801×1.35×1.2=2918KN砼:C35钢筋: HRB335(Φ)HPB235(φ)计算长度:12.7m弯矩:M1=242KN·m(自重产生的附加弯矩)M2=0.01N=30KN·m(安装偏心产生的附加弯矩)压弯构件N=2918KNM=272KN·m计算配筋:上下纵筋:As=960mm2左右纵筋:As’=960mm2箍筋:Asv=738mm2/m实配钢筋:上下纵筋:7Φ22(2659mm2)>As(满足要求)左右纵筋:2Φ22(759mm2)>As’(满足要求)箍筋:φ8@200四肢箍(1005mm2/m)>Asv(满足要求)二、围檩配筋计算1、WL1、WL1’配筋计算截面:b×h=1000×1400砼:C35钢筋:HRB335(Φ)HPB235(φ)受弯构件设计值:M=2140KN·mV=2060KN①正截面受弯承载力计算:计算配筋:As=5419 mm2实配钢筋:12Φ25(5887mm2)>As(满足要求)②斜截面受剪承载力计算:计算配筋:Asv=1562mm2/m,ρsv=0.16% < ρsvmin=0.18% 按构造配筋Av/s=1794mm2/m实配钢筋:φ10@150四肢箍(1884mm2/m)>Asv(满足要求)③按构造配置腰筋计算构造As=b×hw×0.1%=1365mm2实配钢筋:4Φ22(1519mm2)>As(满足要求)2、WL2配筋计算截面:b×h=1000×1000砼:C35钢筋:HRB335(Φ)HPB235(φ)受弯构件设计值:M=1000KN·mV=641KN①正截面受弯承载力计算:计算配筋:As=2978 mm2实配钢筋:10Φ25(4906mm2)>As(满足要求)②斜截面受剪承载力计算:计算配筋:Asv/s=-1656.20mm2/m ρsv=-0.17% < ρsvmin=0.18% 按构造配筋Av/s=1794mm2/m实配钢筋:φ10@150四肢箍(1884mm2/m)>Asv(满足要求)③按构造配置腰筋计算构造As=b×hw×0.1%=965mm2实配钢筋:6Φ22(2279mm2)>As(满足要求)。
4砼截面配筋及钢构件截面验算4.1结构内力设计值截面弯矩设计值M截面剪力设计值Q式中:M——截面弯矩设计值(kN·m);Q——截面剪力设计值(kN);M0——截面弯矩计算值(kN·m);Q0——截面剪力计算值(kN);γF——荷载分项系数,规范取1.25,由用户交互;γ0——建筑基坑侧壁重要性系数;对应基坑安全等级一、二、三级分别取1.1、1.0、0.9;由用户交互;ζ、ξ1——分别为弯矩、剪力折减系数,由用户交互。
注意:截面计算的内力取值与工况无关。
无论结构计算中是否开挖到最后工况,系统始终取最后工况下的包络图中最大内力值作为配筋内力。
4.2排桩配筋计算4.2.1 规范依据依据《混凝土结构设计规范》GB 50010-2010附录E 及《建筑基坑支护技术规程》(JGJ 120-2012)附录A。
4.2.2 配筋计算4.2.2.1 圆桩纵筋配筋4.2.2.1.a 均匀配筋式中:M——截面弯矩设计值(kN·m);N——截面轴力设计值(kN),以受压为正,注意:仅双排桩可选择是否考虑轴力,“不考虑轴力”时N=0;A——圆形截面面积(mm2);A s——全部纵向钢筋截面面积(mm2);r——圆形截面的半径(m);r s——纵向钢筋重心所在圆周的半径(m);αt——纵向受拉钢筋截面面积与全部纵向钢筋截面面积的比值;αt=1.25-2×α,当α>0.625时,取αt=0;α——对应于受压区混凝土截面面积的圆心角(rad)与2π的比值;α1——受压区混凝土矩形应力图的应力值与混凝土轴心抗压强度设计值的比值;当混凝土强度等级不超过C50时,α1取为1.0,当混凝土强度等级为C80时,α1取为0.94,其间按线性内插法确定;f c——混凝土轴心抗压强度设计值(N/mm2);f y——普通钢筋抗拉强度设计值(N/mm2)。
注意:1. 当纵筋级别为HRB400、RRB400时,ρmin=0.5%;2. 当混凝土强度等级为C60及以上时,ρmin=0.7%;3. 计算配筋面积为全截面纵筋配筋;4. 用户交互选筋级别时,钢筋的计算面积按下式计算:式中:A s1——程序按桩配筋计算界面交互的钢筋级别(对应强度为f y1)自动选筋结果;A s2——根据桩选筋界面用户交互的钢筋级别(对应的钢筋强度为f y2)计算的选筋结果。
钢筋砼支撑、钢立柱计算一、支撑计算 1、支撑轴力及变形计算结果见附图。
2、支撑配筋计算:支撑承受自重及施工荷载作用下的弯矩和水平土压力作用下的轴向压力,为压弯构件。
考虑支撑截面尺寸时,一般保证支撑截面的素砼受压承载力(不考虑配筋作用)远大于支撑所受的轴压力。
按压弯计算时的配筋要比只考虑弯矩作用时的配筋小,考虑到实际工作状态下支撑轴力的大小是不断变化的,故按只考虑弯矩作用时配筋,偏安全。
支撑为端部固支的多跨梁,以下按单跨简支梁计算配筋,偏安全。
(1)主撑S1,一般跨度10~13.5m ,最大跨度15m : ①构件自重:21(250.70.75)15369.18k m M =⨯⨯⨯⨯=N ⋅最大弯矩:1(250.70.75)1598.42V k m =⨯⨯⨯⨯=N ⋅最大剪力:②施工荷载(按每延米1kN 考虑):2111528.18k m M =⨯⨯=N ⋅ 11157.52V k =⨯⨯=N③设计值:弯矩 1.2369.1 1.428.1482.3k m M =⨯+⨯=N ⋅剪力 1.298.4 1.47.5128.6V k =⨯+⨯=N 支撑砼C30,700×750(h ),上下对称配筋,Ш级钢筋 As=1970mm 200.7501128.6t f bh k V k =N >=N 构造配箍即可。
取6根直径20(1884mm 2,为计算配筋的95.6%>95%,满足要求),Ø8@200四肢箍。
S1最大轴力为5548KN ,跨度10m 。
稳定性满足:)(9.0sy c A f A f N ''+≤ϕ2.147.0/10/b l 0==0.91ϕ=0.9()0.90.91(14.37007503605024)7630c y s f A f A kN ϕ''+=⨯⨯⨯⨯+⨯=>轴力N=5548 kN ,满足受压承载力稳定性。
(2)次撑S2,一般跨度8~12m ,最大跨度15.3m : ①构件自重:m k ⋅N =⨯⨯⨯⨯=M 2563.15)7.05.025(812最大弯矩:m k V ⋅N =⨯⨯⨯⨯=673.15)7.05.025(21最大剪力:②施工荷载(按每延米1kN 考虑):m k ⋅N =⨯⨯=M 3.293.1518121115.37.72V k =⨯⨯=N③设计值:弯矩 1.2256 1.429.3348.2k m M =⨯+⨯=N ⋅剪力 1.267 1.47.791.2V k =⨯+⨯=N支撑砼C30,500×700(h ),上下对称配筋,Ш级钢筋As=1535mm 200.7335.3133.1t f bh k V k =N >=N 构造配箍即可。
基坑和管沟支撑计算书计算依据:1、《建筑基坑支护技术规程》JGJ120—20122、《建筑施工计算手册》江正荣编著3、《实用土木工程手册》第三版杨文渊编著4、《施工现场设施安全设计计算手册》谢建民编著5、《地基与基础》第三版本工程基坑(槽)的土质为天然湿土,地下水很少,采用连续垂直铺设挡板基坑土壁。
挡板铺设的挡土板、背楞、横撑杆的强度及稳定性按以下方法计算.一、参数信息1、基本参数基坑和管沟支撑【垂直】2、土层参数序号土名称土厚度h(m)坑壁土的重度γ(kN/m3) 坑壁土的内摩擦角φ(°)黏聚力c(kpa)饱和土重度γsat(kN/m3)1 填土 1 18 18 8 202 粘性土3。
5 20 25 6 21二、主动土压力强度计算K a1=tan2(45°- φ1/2)= tan2(45—18/2)=0.528;K a2=tan2(45°- φ2/2)= tan2(45—25/2)=0.406;第1层土:0—1mH1’=[∑γ0h0]/γ1=0/18=0mP ak1上 =γ1H1’K a1-2c1K a10.5=18×0×0。
528-2×8×0。
5280。
5=-11.626kN/m2P ak1下 =γ1(h i+H1')K a1-2c1K a10。
5=18×(1+0)×0。
528-2×8×0.5280。
5=-2.122kN/m2 第2层土:1-4.5mH2'=[∑γ1h1]/γ2=18/20=0。
9mP ak2上 =γ2H2’K a2—2c2K a20。
5=20×0.9×0.406-2×6×0.4060.5=—0。
338kN/m2P ak2下=γ2(h i+H2’)K a2—2c2K a20.5=20×(3.5+0。
9)×0。
矩形截面偏心受压构件正截面受拉承载力计算
1、支撑类型:SGL1
2、杆件编号:7
3、已知计算数据
混凝土强度等级C30,f c=14.3N/mm2
受拉钢筋为HRB335级,f y=300N/mm2,受压钢筋为HRB335级
f'y=300N/mm2,弯矩设计值:M=1693*1.35=2285kN.m,轴向压力设计值:N=8775*1.35*1.2=14215kN
截面:矩形:b=800mm,h=3900mm,面积:3120000mm2,构件计算长度l0=11000mm
αs=35mm,αs'=35mm,ξb=0.55mm
4、求初始偏心距e i即e i=e0+e a:
e0=M/N=2285000000.00/14215000.00=160.75mm
取e a=130.00mm
依据《混凝土结构设计规范》GB 50010-2002 第7.3.3条P50
e i=160.75+130.00=290.75mm
5、计算偏心距增大系数:η:
依据《混凝土结构设计规范》GB 50010-2002 第7.3.10条P58 ξ1=0.5f c A/N=0.5×14.30×3120000.00/14215000.00=1.57>1,故:ξ1=1.00
由于l0/h=2.82<15故取ξ2=1.00
1
=1.08
6、判断大,小偏心受压
N b=α1f c bh0ξb
=1.00×14.30×800.00×3865.00×0.550
=24318580.00N≥N=14215000.00N 故,按大偏心计算7、求纵向钢筋面积A S和A S'
依据《混凝土结构设计规范》GB 50010-2002 第7.3.4条P50 x=N/(α1f c b)=14215000.00/(1.00×14.30×800.00)=1243mm≥2αS'=70mm
依据《混凝土结构设计规范》GB 50010-2002 第7.3.4条P50 e=ηe i+0.5h-αs=1.08×290.75+0.5×3900.00-35.00=2227.71mm
=[14215000.00×2227.71-1.00×14.30×800×1243×(3865-0.5×1243)]/[300.00×(3865-35)]
=-12569.66mm2<ρmin bh=6240.00mm2故取
A s=6184.00mm2
受压钢筋选用:13Φ25(A s=6382mm2)。
受拉钢筋选用:13Φ25(A s'=6382mm2)。
1
旗开得胜
矩形截面偏心受压构件正截面受拉承载力计算
1、支撑类型:SGL2
2、杆件编号:65
3、已知计算数据
混凝土强度等级C30,f c=14.3N/mm2
1
受拉钢筋为HRB335级,f y=300N/mm2,受压钢筋为HRB335级
f'y=300N/mm2,弯矩设计值:M=1246*1.35=1682kN.m,轴向压力设计值:N=3215*1.35*1.2=5208kN
截面:矩形:b=800mm,h=3700mm,面积:296000mm2,构件计算长度l0=11000mm
αs=35mm,αs'=35mm,ξb=0.55mm
4、求初始偏心距e i即e i=e0+e a:
e0=M/N=1682000000.00/5208000.00=322.96mm
取e a=123.33mm
依据《混凝土结构设计规范》GB 50010-2002 第7.3.3条P50
e i=322.96+123.33=446.30mm
5、计算偏心距增大系数:η:
依据《混凝土结构设计规范》GB 50010-2002 第7.3.10条P58
ξ1=0.5f c A/N=0.5×14.30×2960000.00/5208000.00=4.06>1,故:ξ1=1.00 由于l0/h=2.97<15故取ξ2=1.00
=1.05
6、判断大,小偏心受压
N b=α1f c bh0ξb
=1.00×14.30×800.00×3665.00×0.550
=23060180.00N≥N=5208000.00N 故,按大偏心计算
1
7、求纵向钢筋面积A S和A S'
依据《混凝土结构设计规范》GB 50010-2002 第7.3.4条P50 x=N/(α1f c b)=5208000.00/(1.00×14.30×800.00)=455mm≥2α
S'=70mm
依据《混凝土结构设计规范》GB 50010-2002 第7.3.4条P50 e=ηe i+0.5h-αs=1.05×446.30+0.5×3700.00-35.00=2284.44mm
=[5208000.00×2284.44-1.00×14.30×800×455×(3665-0.5×455)]/[300.00×(3665-35)]
=-5513.79mm2<ρmin bh=5920.00mm2故取
A s=5864.00mm2
受压钢筋选用:19Φ20 (A s=5970mm2)。
受拉钢筋选用:19Φ20(A s'=5970mm2)。
1。