消防安全责任人员情况登记表
- 格式:doc
- 大小:44.50 KB
- 文档页数:1
档案目录01、单位基本概况表1-1建筑情况表1-202、单位总平面布置图03、单位建筑审核、验收及开业前消防安全检查情况登记04、消防管理组织机构各级消防安全责任人表5-1专、兼职防火人员名单表5-2专职或义务消防队员名单表5-3专职或义务消防队装备配备情况表5-406、建筑物及消防设施器材登记民用建筑概况表6-2工业建筑概况表6-4表6-5表6-6装置概况表6-7室外消防给水表6-8疏散用楼梯表6-9室内消火栓系统表6-10自动喷水灭火系统表6-11气体灭火表6-12泡沫系统表6-13火灾自动报警系统表6-14表6-15表6-16表6-17灭火器档案表6-18疏散指示标志表6-19应急照明表6-20避难层(间)表6-2106、消防安全制度登记表6表后附目录中的各类通知文件、制度、职责、规程等内容(电子档参见制度汇编文件夹)07、重点工种人员登记表表808、重点部位表8-1表8-29、出租房屋场地消防安全情况登记表910、易燃易爆物品管理登记表1011、燃气、电气设备检测记录表1112、灭火应急疏散预案档案说明1、消防安全重点单位应当按照灭火和应急疏散预案,至少每半年进行一次演练,并结合实际,不断完善预案;2、消防演练时,应当设置明显标识并事先告知演练范围内的人员。
灭火、应急疏散预案和演练记录表12-1表12-213、消防安全培训档案消防安全培训记录表1313、其他重大消防事项档案。
重点单位消防档案单位××××建档时间2012年×月×日建档人××目录概况登记消防安全责任人、管理人及专兼职管理人员登记表室外消防水源、道路、防火重点部位三标图注:应用不同颜色标明消防水源(蓝色)、道路(绿色)、防火重点部位(红色)。
志愿消防队人员登记郑州市第七人民医院消防安全组织机构配置图内部消防安全管理制度登记表制度一、全体职工必须加强安全防范意识,执行医院制订的各项安全管理制度,协同保安部认真做好各项消防安全工作。
二、各岗位人员必须监守岗位,发生事故或发现可疑情况应迅速进行处理并上报相关部门,并负责保护好现场。
三、各岗位值班人员除设备安全运行外,必须对所属机房范围进行安全检查;各级人员必须定期对所属范围进行安全检查,如发现不安全因素,及时进行整改。
四、维修工作中使用易燃材料时,应特别小心。
各班组不得存放易燃油料1Kg(1公斤)以上。
五、需要动火作业时,要办妥动火作业证后方可施工,施工前尽可能排除易燃物品,施工后认真检查,确认现场无火种后方可离开。
六、不得随意挪动医院内的消防设施,发现消防设施损坏或泄漏应及时通知保卫部和工程部进行维修和更换。
七、发现火警及时报告,尽力和消防队员一道扑灭火灾。
一旦医院内发生火灾,工程部的首要任务是保证供水、供电;保证消防用水、正压风机、排烟风机的正常运行,并组织人员对重要设备进行保护和疏散。
火警、火灾事故调查处理制度一、为了保证医院的各项安全,在配合公安消防机构调查火灾的同时,为火灾事故的发生后能妥善处理、划清责任,特制定本制度。
二、发生火灾事故的部门必须端正态度,实事求是,查清火灾的原因,并吸取教训。
三、火场调查人员要详细勘察现场,找当事人谈话,了解当时的情况,将引起火灾的原因查清,并作好记录。
四、查清事故原因后要做到(三不放过)1、火灾原因查不清不放过。
2、当事人得不到处理不放过。
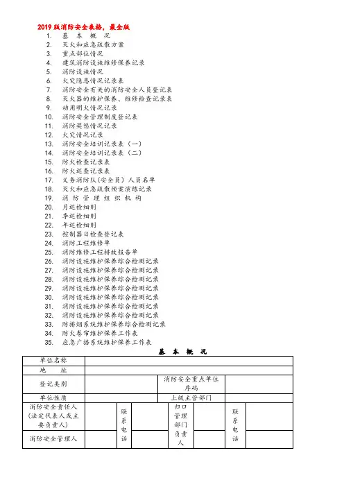
2019版消防安全表格,最全版1.基本概况2.灭火和应急疏散方案3.重点部位情况4.建筑消防设施维修保养记录5.消防设施情况6.火灾隐患情况记录表7.消防安全有关的消防安全人员登记表8.灭火器的维护保养、维修检查记录表9.动用明火情况记录10.消防安全管理制度登记表11.消防奖惩情况记录12.火灾情况记录13.消防安全培训记录表(一)14.消防安全培训记录表(二)15.防火检查记录表16.防火巡查记录表17.义务消防队(安全员)人员名单18.灭火和应急疏散预案演练记录19.消防管理组织机构20.月巡检细则21.季巡检细则22.年巡检细则23.控制器日检查登记表24.消防工程维修单25.消防维修工程排故报告单26.消防设施维护保养综合检测记录27.消防设施维护保养综合检测记录28.消防设施维护保养综合检测记录29.消防设施维护保养综合检测记录30.消防设施维护保养综合检测记录31.消防设施维护保养综合检测记录32.消防设施维护保养综合检测记录33.防排烟系统维护保养综合检测记录34.防火卷帘维护保养工作表35.应急广播系统维护保养工作表栏目和内容。
灭火和应急疏散方案月巡检细则季巡检细则年巡检细则控制器日检查登记表巡检员:甲方值班员:第页共页消防工程维修单消防维修工程排故报告单单位名称:编号:消防设施维护保养综合检测记录消防设施维护保养综合检测记录系统名称:火灾自动报警系统共3页第2页消防设施维护保养综合检测记录系统名称:火灾自动报警系统共3页第3页消防设施维护保养综合检测记录系统名称:自动喷水灭火系统共2页第1页消防设施维护保养综合检测记录系统名称:自动喷水灭火系统共2页第2页消防设施维护保养综合检测记录系统名称:气体灭火系统共2页第1页防火卷帘维护保养工作表工程名称:应急广播系统维护保养工作表工程名称:维护装置部位:日期:年月日备注:有问题的器件单独填列表格说明:1、所列设备,原则上每月由保养公司、甲方、双方联合进行检测。
2019版消防安全表格,最全版1.基本概况2.灭火和应急疏散方案3.重点部位情况4.建筑消防设施维修保养记录5.消防设施情况6.火灾隐患情况记录表7.消防安全有关的消防安全人员登记表8.灭火器的维护保养、维修检查记录表9.动用明火情况记录10.消防安全管理制度登记表11.消防奖惩情况记录12.火灾情况记录13.消防安全培训记录表(一)14.消防安全培训记录表(二)15.防火检查记录表16.防火巡查记录表17.义务消防队(安全员)人员名单18.灭火和应急疏散预案演练记录19.消防管理组织机构20.月巡检细则21.季巡检细则22.年巡检细则23.控制器日检查登记表24.消防工程维修单25.消防维修工程排故报告单26.消防设施维护保养综合检测记录27.消防设施维护保养综合检测记录28.消防设施维护保养综合检测记录29.消防设施维护保养综合检测记录30.消防设施维护保养综合检测记录31.消防设施维护保养综合检测记录32.消防设施维护保养综合检测记录33.防排烟系统维护保养综合检测记录34.防火卷帘维护保养工作表35.应急广播系统维护保养工作表栏目和内容。
灭火和应急疏散方案消防设施情况消防安全有关的工作人员登记表消防安全管理制度登记表火灾情况记录消防安全培训记录表(一)消防安全培训记录表(二)义务消防队(安全员)人员名单灭火和应急疏散预案演练记录月巡检细则季巡检细则年巡检细则控制器日检查登记表巡检员:甲方值班员:第页共页消防工程维修单消防维修工程排故报告单单位名称:编号:消防设施维护保养综合检测记录消防设施维护保养综合检测记录消防设施维护保养综合检测记录系统名称:火灾自动报警系统共3页第3页消防设施维护保养综合检测记录防火卷帘维护保养工作表工程名称:注:有问题的器件单独填列表格应急广播系统维护保养工作表工程名称:维护装置部位:日期:年月日备注:有问题的器件单独填列表格说明:1、所列设备,原则上每月由保养公司、甲方、双方联合进行检测。
(单位)消防安全档案目录第一部分:单位消防安全基本情况第二部分:常见的消防安全管理制度和操作规程第三部分:灭火和应急疏散第一部分单位消防安全基本信息档案卷内目录单位平面布置图公众聚集场所内部平面图基本概况登记表公众聚集场所基本情况易燃易爆化学危险品单位(部位)基本情况(一)易燃易爆化学危险品单位(部位)基本情况(二)建筑(装修)工程消防设计防火审核情况登记表建筑(装修)工程消防竣工验收情况登记表消防安全检查情况登记表义务消防组织记表单位(场所)防火基本情况登记表灭火和应急疏散预案(一)第页出租房屋场地情况登记消防安全管理制度登记表职工安全教育、培训登记消防设施、灭火器材登记表固定生产生活用火登记易燃易爆化学危险品使用情况登记表本表所指的易燃易爆化学危险物品系指设在建筑物内及毗邻部位的燃油燃气锅炉、地下(半地下)油罐、液化气罐(瓶)、化学实验试剂、变压器油、油漆、酒精等物品。
燃油、燃气及电气设备、压力容器检测记录仓储情况固定灭火设施运行情况及维护保养记录注:对按照国家有关规定定期对自动消防设施进行全面检查测试的,应出具检测报告,存档备查。
每次检查、维护都应做好记录。
防火重点部位情况单位及单位重点部位概貌照片火灾隐患及整改情况记录历年消防监督检查一览表历次火灾登记表灭火及应急疏散演练情况记录注:应将演练的时间、地点、内容、参加部门及人员等情况记录清楚。
内容以打(复)印件提供,不得粘贴第二部分常见消防安全管理制度和操作规程一、消防安全教育培训制度二、防火巡查、检查制度三、安全疏散设施管理制度四、消防值班制度五、消防器材管理使用制度六、火灾隐患整改制度七、用火用电安全管理制度八、义务消防队管理制度九、灭火和应急疏散预案演练制度十、燃气、电气设备检查和管理制度十一、消防安全奖惩规定消防安全教育培训制度一、为增强员工消防安全意识,提高对火灾自防自救能力,单位将定期组织职工学习消防法规和各种消防安全管理制度,普及消防知识。
消防档案完整版 Prepared on 22 November 2020重点单位消防档案单位××××建档时间2012年×月×日建档人××目录概况登记消防安全责任人、管理人及专兼职管理人员登记表室外消防水源、道路、防火重点部位三标图注:应用不同颜色标明消防水源(蓝色)、道路(绿色)、防火重点部位(红色)。
志愿消防队人员登记郑州市第七人民医院消防安全组织机构配置图内部消防安全管理制度登记表制度一、全体职工必须加强安全防范意识,执行医院制订的各项安全管理制度,协同保安部认真做好各项消防安全工作。
二、各岗位人员必须监守岗位,发生事故或发现可疑情况应迅速进行处理并上报相关部门,并负责保护好现场。
三、各岗位值班人员除设备安全运行外,必须对所属机房范围进行安全检查;各级人员必须定期对所属范围进行安全检查,如发现不安全因素,及时进行整改。
四、维修工作中使用易燃材料时,应特别小心。
各班组不得存放易燃油料1Kg(1公斤)以上。
五、需要动火作业时,要办妥动火作业证后方可施工,施工前尽可能排除易燃物品,施工后认真检查,确认现场无火种后方可离开。
六、不得随意挪动医院内的消防设施,发现消防设施损坏或泄漏应及时通知保卫部和工程部进行维修和更换。
七、发现火警及时报告,尽力和消防队员一道扑灭火灾。
一旦医院内发生火灾,工程部的首要任务是保证供水、供电;保证消防用水、正压风机、排烟风机的正常运行,并组织人员对重要设备进行保护和疏散。
火警、火灾事故调查处理制度一、为了保证医院的各项安全,在配合公安消防机构调查火灾的同时,为火灾事故的发生后能妥善处理、划清责任,特制定本制度。
二、发生火灾事故的部门必须端正态度,实事求是,查清火灾的原因,并吸取教训。
三、火场调查人员要详细勘察现场,找当事人谈话,了解当时的情况,将引起火灾的原因查清,并作好记录。
四、查清事故原因后要做到(三不放过)1、火灾原因查不清不放过。
---------------------------------------------------------------最新资料推荐------------------------------------------------------消防档案全套表格消防安全重点单位信息系统相关表格单位基本情况单位名称单位地址成立时间电话传真单位邮编法人代表或主要E—mail联系电话负责人所属地区派出所固定资产额(万元)职工人数(人)建筑)(m?)管辖单位总建筑面积(m?)上级主管单位营业时最大人数(人)占地总面积(所在燃气类型经济所有制1/ 13消防安全责任人、消防安全管理人备案登记表消防安全责任人姓名性别职务籍贯接管时间参加消防培训情况年龄民族文化程度一寸彩照工作简历消防安全管理人姓名性别职务籍贯接管时间参加消防培训情况年龄民族文化程度一寸彩照工作简历单位意见消防安全责任人签名:年月日(盖章)注:1、消防安全责任人是指法人单位的法定代表人或者非法人单位的主要负责人; 2、消防安全管理人是指受消防安全责任人委托组织管理消防工作的责任人;---------------------------------------------------------------最新资料推荐------------------------------------------------------ 消防安全重点单位信息系统相关表格消防组织及人员登记表单位:姓名年龄性别民族文化程度政治面貌职务电话照片照片照片照片照片照片照片照片3/ 13消防安全重点单位信息系统相关表格建筑物及消防设施名称类型---------------------------------------------------------------最新资料推荐------------------------------------------------------ 消防安全重点单位信息系统相关表格消防装备情况装备名称型号装备数量购置时间5/ 13消防安全重点单位信息系统相关表格重点工种人员情况性姓名别龄年身份证号所在部门所从事工作是否受过消防培训培训时间领证时间证号---------------------------------------------------------------最新资料推荐------------------------------------------------------ 消防安全重点单位信息系统相关表格灭火和应急疏散预案单位部门灭火行动组通讯联系组组织机构疏散引导组安全防护救护组报警和接警处置程序应急疏散的组织程序和措施扑救初期火灾的程序通讯联络、安全防护救护的程序和措施7/ 13所需材料 1、法人及消防责任人的身份证复印件、消防培训合格上岗证 2、单位内部消防应急预案、灭火和疏散预案(由该单位提供) 3、建筑工程消防设计的审核意见书(消防大队) 4、建筑工程消防验收的意见书(消防大队) 5、消防安全检查意见书(消防大队) 6、单位营业执照及相关手续、 7、方位图、平面图 8、消防安全责任承诺书(单位与派出所签订)一年一次 9、消防监督检查(最少一个季度一次)---------------------------------------------------------------最新资料推荐------------------------------------------------------ 消防救援队伍人员花名册序姓名号 1 2 3 4 5 6 7 8 9 10 别别性族出生年月政治面貌专业特长所在单位办公室手机联系电话9/ 13消防安全责任承诺书(使用单位消防安全责任人)本人做为行以下职责:一、贯彻执行消防法规,保障单位消防安全符合规定,掌握本单位的消防安全情况;二、将消防工作与本单位的生产、科研、经营、管理等活动统筹安排,批准实施年度消防工作计划;三、为本单位的消防安全提供必要的经费和组织保障;四、确定逐级消防安全责任,批准实施消防安全制度和保障消防安全的操作规程;五、组织防火检查,督促落实火灾隐患整改,及时处理涉及消防安全的重大问题;六、根据消防法规的规定建立专职消防队、义务消防队;七、组织制定符合本单位实际的灭火和应急疏散预案,并实施演练,发生火灾时,组织单位人员实施自救活动。
附件L消防安全各类登记表特变电工XXXX公司灭火器检查记录表(表一)特变电工XXXX公司消火栓检查记录表(表二)特变电工每日防火巡查记录表(表三)公司(部门、车间):12XXX公司消防控制室值班记录表2、对发现的问题应及时处理,当场不能处置的要填报《建筑消防设施故障维修记录表》,将处理记录表序号填入“故障及处理情况”栏。
建筑消防设施巡查记录表(表五):注:2、检查人员对检查结果在检查情况记录栏进行详细如实记录.3、检查完好的在要求栏内打J ,存在问题的在要求栏内打X .4、检查时发现的问题立即向本部门消防管理人上报,及时进行整改。
5、年终将检查记录表收集装订,归档备查。
6、日常检查由车间、部门专(兼)职安全员检查填写,消防主管部门抽检考核,检查记录表不得污染、不得破损。
建筑消防设施定期检查记录表(表六)注1:运行情况正常的打“ J”,存在问题或故隙的打“X”;注2:对发现的问题应及时处理,当场不能处置的要填报《建筑消防设施故障处理记录》; 注3:本表为样表,单位可根据建筑消防设施实际情况制表。
建筑消防设施故障维修记录表(表七):2、“故障维修情况”中因维修故障需要停用系统的由单位消防安全责任人在“是否停用系统”栏签字;停用系统超过24小时的,单位消防安全责任人在“是否报消防部门备案”及“安全保护措施”栏如实填写;其他信息由维护人员(单位)如实填写:3、“故障排除情况”由单位消防安全管理人在确认故障排除后如实填写并签字;4、本表为样表,单位可根据建筑消防设施实际情况制表。
火灾隐患整改通知单(表八)火灾隐患整改通知单特变电工XXX公司年月Always Reliable 全球信赖安全生产十项注意事项:一、工作前穿戴好规定的劳动防护品,检查设备及作业场地,做到安全可靠。
二、不违章作业,并监督制止他人违章作业。
1第一联 安环部留存第二联由被检杏.部门存档,隐患整改完毕,项目公司负责人签批以纸介版回复三、不准擅自开动别人操作的机械,电器开关设备。
单位基本情况登记本单位名称____________建档时间____________消防安全基本情况档案目录消防安全重点单位告知书________________________:根据《中华人民共和国消防法》、公安部《机关、团体、企业、事业单位消防安全管理规定》,你单位被确定为_______区消防安全重点单位。
你单位要严格按照相关法律法规规定做好本单位消防安全工作,认真履行消防安全职责。
一、明确各级、各岗位消防安全责任人及其取责,制定本单位的消防安全制度、消防安全操作规程、灭火和应急疏散预案。
定期组织开展灭火和应急疏散演练,进行消防工作检査考核,保证各项规章制度落实。
明确承担消防安全管理工作的机构和消防安全管理人并报知当地消防救援机构,组织实施本单位消防安全管理。
消防安全管理人应当经过消防培训。
二、保证防火检査巡査、消防设施器材维护保养、建筑消防设施检测、火灾隐患整改、专职或志愿消防队和微型消防站建设等消防工作所需资金的投入。
生产经营单位安全费用应当保证适当比例用于消防工作。
三、按照相关标准配备消防设施、器材,设置消防安全标志,定期检验维修,对建筑消防设施每年至少进行一次全面检测,确保完好有效,检测报告应当完整准确,存档备査。
设有消防控制室的,实行24小时值班制度,每班不少于2人,并持证上岗。
四、保障疏散通道、安全出口、消防车通道畅通,保证防火防烟分区、防火间距符合消防技术标准。
人员密集场所的门窗不得设置影响逃生和灭火救援的障碍物。
保证建筑构件、建筑材料和室内装修装饰材料等符合消防技术标准。
五、定期开展防火检查,实行每日防火巡査,及时消除火灾隐患。
六、根据需要建立专职或志愿消防队、微型消防站,加强队伍建设,定期组织训练演练,加强消防装备配备和灭火药剂储备,建立与消防队联勤联动机制,积极参与消防安全区域联防联控,提高扑救初起火灾能力和自防自救能力。
七、建立消防档案,确定消防安全重点部位,设置防火标志,实行严格管理。