职工住房公积金转移通知书
- 格式:doc
- 大小:42.00 KB
- 文档页数:1
住房公积金转移接收函范本住房公积金转移接收函范本通用12篇你必须看他们每个人都是你的兄弟,你的父亲——因为就真理说,是的,他们比兄弟父母还要亲切些,他们是你的同志。
下面给大家分享住房公积金转移接收函范本,欢迎阅读!住房公积金转移接收函范本【篇1】兹有某某同志(身份证号:_______)现为我公司员工,敬请贵单位配合,将该同志的个人住房公积金账户转移至我公司,以便我公司为其继续进行缴存。
附公积金转移账户信息如下:单位名称:广州_____有限公司单位登记号:____开户银行:__联系人:李先生电话:___广州______有限公司20__年十二月七日住房公积金转移接收函范本【篇2】同志已在_______住房公积金管理中心办理了账户设立手续,其工作单位为___公司,单位住房公积金帐号为职工住房公积金帐号为。
请按国家住房公积金政策规定为其办理住房公积金转移手续。
请按一下信息办理转移:收款人:____住房公积金管理中心银行帐号:开户银行:20__年8月5日住房公积金转移接收函范本【篇3】市住房公积金管理中心:兹有某某同志调入我市,已在我中心开立住房公积金账户,同意将该同志在贵中心的住房公积金缴存余额转入我中心。
转入地住房公积金中心名称:酒泉市住房公积金管理中心转入地住房公积金银行开户账号:转入地住房公积金开户银行:中国建设银行酒泉市分行营业室请附:1、《住房公积金异地转移申请书》2、缴存人转出地缴存住房公积金凭证复印件20__年__月住房公积金转移接收函范本【篇4】__公司:我司已录用先生/女士(身份证号码:)为我司员工,请将其住房公积金转入我司住房公积金账户,详细信息:开户名:(自己公司的名称)开户行:开户行名称帐号:开户行账号望予接洽为感!__公司年月日住房公积金转移接收函范本【篇5】兹有谋面同志(身份证号:____)现为我公司员工,敬请贵单位配合,将该同志的个人住房公积金账户转移至我公司,以便我公司为其继续进行缴存。
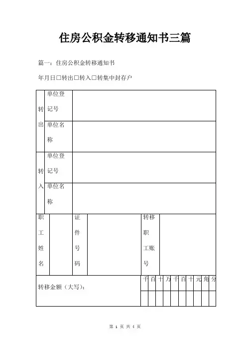
住房公积金转移通知书三篇篇一:住房公积金转移通知书年月日□转出□转入□转集中封存户转出单位登记号单位名称转入单位登记号单位名称职工姓名证件号码转移职工账号转移金额(大写):千百十万千百十元角分转入外省市(转入不同公积金管理中心):单位须核实是转往外省市的公积金管理中心还是转往受托银行或单位,据实填写:收款单位名称收款账号收款银行名称单位盖章(公章):单位财务主管签名(盖章):复核:制表:注备:根据转入或转出的具体情况,在转出、转入和转集中封存户前的□中相应选择。
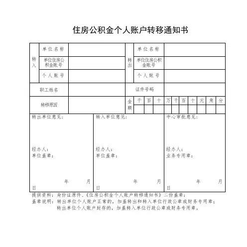
篇二:职工住房公积金转移通知书转入单位名称(名称)转出单位名称(名称)代码代码缴存银行缴存银行职工名称:职工代码:月应缴额元转移金额(大写)十万千百十元角分该职工身份证号码为该通知书经无锡市住房公积金管理中心盖章后生效。
缴存至年月份止,该职工为正常封存状态从年月份起由转入单位汇缴经办人:年月日篇三:住房公积金转移通知书填报日期:年月日转出单位编号转入单位编号单位名称单位名称职工帐号职工姓名身份证号码转移原因转移金额(大写)百十万千百拾元角分该职工缴交住房公积金至年月,从年月起由转入单位汇缴。
经办人:转出单位盖章该职工从年月起由本单位汇缴,月缴存额元。
经办人:转入单位盖章经办人:管理中心盖章说明:⒈本表一式四联,转出单位、转入单位、管理中心、职工本人各一联。
⒉填写本表时须同时填写变更清册。
篇一:住房公积金转移接收函(模板)住房公积金转移接收函住房公积金管理中心(调出地):兹有缴存人,身份证号码,现在本市工作,单位住房公积金缴存账号,个人账号为。
请贵中心协助办理住房公积金转移手续,将该缴存人个人住房公积金账户余额及当期利息转入以下账户:收款单位:账号:开户银行:注:请在转账凭证上注明该职工的姓名和个人账号联系电话:住房公积金管理中心(调入地)(盖章)年月日住房公积金接收函xx市住房公积金管理中心现有我司员工xxx身份证号码xxxxxx于2010年5月在xx住房公积金管理中心开户并缴交住房公积金请将其原住房公积金转入其账户请协助办理。
单位账户:个人账户:开户银行:xx银行福州市房地产交易中心分理处xx公司2011年5月23日xx市住房公积金外市转入接收函年月日注:本表一式两联,由转入中心出具。
第一联转出中心据此办理转移,第二联转入中心留存。
篇二:公积金转移接收函住房公积金转移接收函xxx公司:兹有缴存人xxx ,身份证号码xxx,现入我司工作,需将其在贵公司缴纳的住房公积金转入我公司账户下,请协助办理住房公积金转移手续。
转入单位:xxx账号:xxx开户银行:xxx公司名称(盖章)年月日篇三:住房公积金转移接收函住房公积金转移接收函xxxxxx公司:兹有缴存人 xx ,身份证号码 xxxxxxxxxxxxxxxxxxx ,现入我司工作,需将其在贵公司缴纳的住房公积金转入我公司账户下,请协助办理住房公积金转移手续。
转入单位:xxxxxx公司账号:xxxx-xxxxxxxxxxx开户银行:xx银行江苏省分行营业部江苏筑典园景观工程设计有限公司2015年7月1日篇四:住房公积金转移接收函sample住房公积金转移接收函:我单位已录用某某同志(身份证号码:000000000000)为我单位员工,请将其住房公积金转入我单位住房公积金账户,详细信息:开户名:某某公司(现单位)开户行:某某银行某某支行账号:123456望予接洽为感!某某公司(现单位)某某年某月某日篇五:公积金转移接收函公积金转移接收函******市住房公积金管理中心:职工姓名:****** 身份证号:*********单位账号:*** 个人账号:户名:账号:开户行:同意将该职工公积金转入以下账户: ****住房公积金管理中心(盖章) ****篇六:住房公积金接收函住房公积金接收函我公司已经录用,身份证号为我公司员工,请贵公司将其住房公积金转入我公司住房公积金账户,我公司住房公积金账户详情信息如下:开户名:开户行:账号:望予接洽为感!年月日篇七:公积金转移接收函住房公积金转移接收函兹有缴存人,身份证号码,现入我司工作,需将其在贵公司缴纳的住房公积金转入我公司账户下,请协助办理住房公积金转移手续。
公积金转移的接收函尊敬的XXX(接收方名字):您好!首先感谢您对我们公司员工的关心和支持。
根据我们之前的沟通,XXX(转移方名字)将转移其缴存的公积金到您所在的单位,以便更好地管理和利用这笔资金。
我们明白,公积金作为一种重要的福利和保障机制,对每个员工都具有重要意义。
因此,我们将全力配合并确保转移过程的顺利进行,以保障您的合法权益。
在此,我们正式向您提交公积金转移的接收函,以下是相关事项的具体说明:一、转移方信息姓名:XXX身份证号码:XXX原缴存单位名称:XXX原缴存单位账号:XXX原缴存地点:XXX二、接收方信息单位名称:XXX单位账号:XXX接收地点:XXX三、转移资金金额转移方公积金账户余额:XXX元(大写)转移资金总额:XXX元(大写)四、转移过程1.转移方已与原缴存单位解除公积金缴存关系,并办理了转移手续;2.转移方将其公积金从原缴存单位账户中转移至接收方账户;3.接收方将按照相关规定和程序,接收并管理转移方的公积金资金;4.接收方需向转移方提供相应的公积金业务支持和服务。
五、双方责任与权益1.转移方责任:转移方应按照相关规定,提供真实准确的个人信息,并积极参与和配合转移过程,确保转移步骤的顺利进行;2.接收方责任:接收方应按照相关规定和程序,接收并管理转移方的公积金,并提供相应业务支持和服务;3.双方权益:转移方有权要求接收方按照相关规定对其公积金进行安全管理和合理使用;接收方有权要求转移方提供真实准确的个人信息,并配合接收方的公积金管理工作。
六、其他事项1.公积金转移发生后,转移方与接收方的公积金相关事宜将由接收方负责处理和解决;2.公积金转移后,接收方将与转移方建立正式的公积金管理关系,并履行相关义务;3.如在公积金转移过程中遇到任何问题或纠纷,双方应本着互信互谅的原则,通过友好协商解决;4.本函为电子版,具备完全的法律效力,双方可通过电子邮件传输进行确认和签署。
请您在收到函件后核实准确性,并于三个工作日内将接收函的签署版本返回给我们,以便我们尽快完成公积金的转移手续。
住房公积金转移接收函尊敬的领导/负责人:我是XXX公司的员工,现就住房公积金转移接收一事向贵单位提交申请,并附上相关材料,供贵单位审核。
根据工作需要,我将从原住房公积金缴存单位(以下简称“原单位”)转至XXX公司(以下简称“新单位”)工作,并在新单位继续缴存住房公积金。
特此请求贵单位进行转移接收。
为了方便贵单位的审核工作,我在此附上了以下材料:1. 原住房公积金账户相关资料:- 姓名- 身份证号码- 原单位名称- 原单位缴存比例- 原住房公积金账号2. 新单位相关资料:- 新单位名称- 新单位缴存比例- 新单位地址- 新单位联系方式3. 其他相关材料:- 原住房公积金账户近半年的缴存记录- 原住房公积金账户最近一次的余额证明请贵单位审核上述材料,并备注是否同意接收本人的住房公积金转移申请。
如果同意接收,还请贵单位及时办理相关手续,将原住房公积金转移至本人新单位的公积金账户中。
在此,我声明以上提供的材料均属实,并承担由此引发的一切责任。
如有任何需要补充的材料或其他需要,请随时与我联系。
我将尽快提供。
再次感谢贵单位对我的支持和协助。
我期待着顺利完成住房公积金的转移手续,并将继续为贵单位的发展做出积极贡献。
谢谢!此致敬礼XXX(您的姓名)联系电话:XXX住址:XXX住房公积金转移接收函(二)尊敬的XXX住房公积金管理中心:我是XXX公司的一名员工,受公司委派,特此致函与贵中心进行住房公积金转移接收的相关事宜。
我已于xxxx年xx月xx日加入了贵中心所在地XXX市的XXX公司,并希望将之前在XXX市的住房公积金账户转移至贵中心管理。
根据相关规定,我向贵中心提交如下所列的材料,以完成住房公积金转移接收手续:1. 住房公积金转移接收申请表一式两份;2. 个人身份证复印件(正反两面);3. 最近一个月内的工资条原件及复印件;4. 公司盖章的员工入职证明原件及复印件;5. 最近一个月内的缴存明细原件及复印件;6. 最近一个月内的社保缴纳证明原件及复印件。
住房公积金转移接收函范文
尊敬的XXX住房公积金管理中心:
我是XXX公司的一名员工,受公司委派,特此致函与贵中心进行住房公积金转移接收的相关事宜。
我已于xxxx年xx月xx日加入了贵中心所在地XXX市的XXX公司,并希望将之前在XXX市的住房公积金账户转移至贵中心管理。
根据相关规定,我向贵中心提交如下所列的材料,以完成住房公积金转移接收手续:
1. 住房公积金转移接收申请表一式两份;
2. 个人身份证复印件(正反两面);
3. 最近一个月内的工资条原件及复印件;
4. 公司盖章的员工入职证明原件及复印件;
5. 最近一个月内的缴存明细原件及复印件;
6. 最近一个月内的社保缴纳证明原件及复印件。
以上材料已经按照要求进行整理并一并寄送至贵中心,特此函告。
我了解,在住房公积金转移接收过程中,贵中心可能会进行相关调查与核实,以保障公积金账户的安全与合法性。
我将积极配合贵中心的工作,提供所需的材料和信息,确保住房公积金转移接收手续能够顺利进行。
同时,我了解在住房公积金转移接收过程中,可能会产生一定的时间延误。
我希望贵中心能尽快完成接收手续,并将转移后
的住房公积金账户信息及时告知我,以便我能及时进行查询和管理。
再次感谢贵中心对我住房公积金转移接收事项的关注与支持,期待得到贵中心的回复和指导。
祝工作顺利!
此致
敬礼
XXX
XXX公司员工
xxxx年xx月xx日。
公积金转入单位接收函尊敬的XX单位:您好!我是XXX,现任XXX公司的人力资源主管。
我写信是关于我公司员工XXX的公积金转入事宜。
根据最新的政策要求,我公司有员工申请将其现有的公积金转入到贵单位的公积金账户中。
我公司与贵单位之间已经建立了良好的合作关系,我们非常愿意将公积金的转入工作交由贵单位负责。
经过与我公司员工XXX的沟通,他表示希望将其现有的公积金转入到贵单位的公积金账户中,并请求我公司协助办理相关手续。
我们非常重视员工的公积金权益,也十分尊重其个人选择。
经过与XXX的详细沟通了解,我们了解到他对贵单位的工作环境和待遇非常满意,因此希望能够将公积金转入到贵单位,以便更好地管理和使用公积金。
为了确保转入手续的顺利进行,我公司已经为XXX办理了相关的手续,并将向贵单位提供以下证明文件:1. 公积金转入申请表:此表格将详细记录XXX的个人信息、公积金账户信息及转入目标单位的信息等内容。
2. 公积金缴存证明:该证明将证明XXX在我公司任职期间的公积金缴存情况,包括个人和公司的缴存比例、缴存时间等。
3. 当前公积金账户截图:为了方便贵单位核对信息,我们已经提供了XXX当前公积金账户的截图。
希望贵单位能尽快审核上述证明文件,并完成公积金的转入手续。
一旦转入手续完成,我公司将及时通知XXX,并将贵单位变更为其个人公积金账户的缴存单位。
在此,我代表我公司对贵单位的支持和协助表示衷心的感谢。
我们相信,贵单位作为一个负责任的缴存单位,一定会妥善管理好XXX 的公积金,确保其权益得到保障。
如有任何与此相关的问题,请随时与我联系。
希望我们的合作能够取得圆满的结果,并希望我公司和贵单位能在未来的合作中继续保持友好、互相支持的关系。
祝贵单位工作顺利,万事如意!再次感谢贵单位的支持与合作!此致敬礼XXXXXX公司人力资源主管公积金转入单位接收函(二)尊敬的XX先生/女士:您好!感谢您选择将您的公积金转入我公司,并信任我们管理您的公积金资金。
填报说明:
1、本表一式四份,管理中心留存两份,转出单位、转入单位各一份入帐。
2、本表中缴存银行为单位缴纳住房公积金的管理中心的开户银行。
如某单位在宁波市住房公积金管理中心缴纳住房公积金,则缴交银行应为宁波建行城建支行。
3、单位开具转移单,应正确填写转出、转入单位的名称和帐号。
4、如是外地转移,还需填写外地住房公积金管理中心的开户银行。
5、本表所指单位帐号为单位公积金帐号。
转移金额由营业厅工作人员核查后,提供给单位经办人填写。
6、本表所指转移金额为职工公积金帐户余额。
公积金转移接收函
公积金转移接收函模板
xx市住房公积金管理中心
现有我司员工XXX身份证号码XXXXXX于2017年5月在xx住房公积金管理中心开户并缴交住房公积金请将其原住房公积金转入其账户请协助办理。
单位账户:
个人账户:
开户银行:xx银行福州市房地产交易中心分理处
XX公司
2011年5月23日
公积金转移接收函(共8篇)2017-04-02 10:38 | #2楼
xx-x公司:
兹有缴存人xx-x ,身份证号码xx-x,现入我司工作,需将其在贵公司缴纳的住房公积金转入我公司账户下,请协助办理住房公积金转移手续。
转入单位:xx-x
账号:xx-x
开户银行:xx-x
公司名称(盖章)
年月日。
职工个人住房公积金账户
异地转移联系函
住房公积金管理中心:
兹有本市(调出单位 )职工
身份证号码,现本人要求将个人住房公积金账户余额转入你中心(调入单位 )。
请贵中心协助提供该单位在你中心的以下开户信息,以便及时准确划转。
请贵中心予以支持配合。
收款单位全称:
开户银行:
银行账号:
单位公积金账号:
调出中心盖章(业务章)调入中心盖章(业务章)年月日年月日
本人在舟山市住房公积金管理中心的账户信息属实,并委托贵中心将本人公积金余额转账至该账户。
申请人(签字):
年月日。
公积金转入单位接收函尊敬的XX单位:您好!我是XXX,现任XXX公司的人力资源主管。
我写信是关于我公司员工XXX的公积金转入事宜。
根据最新的政策要求,我公司有员工申请将其现有的公积金转入到贵单位的公积金账户中。
我公司与贵单位之间已经建立了良好的合作关系,我们非常愿意将公积金的转入工作交由贵单位负责。
经过与我公司员工XXX的沟通,他表示希望将其现有的公积金转入到贵单位的公积金账户中,并请求我公司协助办理相关手续。
我们非常重视员工的公积金权益,也十分尊重其个人选择。
经过与XXX的详细沟通了解,我们了解到他对贵单位的工作环境和待遇非常满意,因此希望能够将公积金转入到贵单位,以便更好地管理和使用公积金。
为了确保转入手续的顺利进行,我公司已经为XXX办理了相关的手续,并将向贵单位提供以下证明文件:1. 公积金转入申请表:此表格将详细记录XXX的个人信息、公积金账户信息及转入目标单位的信息等内容。
2. 公积金缴存证明:该证明将证明XXX在我公司任职期间的公积金缴存情况,包括个人和公司的缴存比例、缴存时间等。
3. 当前公积金账户截图:为了方便贵单位核对信息,我们已经提供了XXX当前公积金账户的截图。
希望贵单位能尽快审核上述证明文件,并完成公积金的转入手续。
一旦转入手续完成,我公司将及时通知XXX,并将贵单位变更为其个人公积金账户的缴存单位。
在此,我代表我公司对贵单位的支持和协助表示衷心的感谢。
我们相信,贵单位作为一个负责任的缴存单位,一定会妥善管理好XXX 的公积金,确保其权益得到保障。
如有任何与此相关的问题,请随时与我联系。
希望我们的合作能够取得圆满的结果,并希望我公司和贵单位能在未来的合作中继续保持友好、互相支持的关系。
祝贵单位工作顺利,万事如意!再次感谢贵单位的支持与合作!此致敬礼XXXXXX公司人力资源主管公积金转入单位接收函(二)尊敬的XX银行:我们是XX企业,经过审议决定将公司员工的公积金从现有银行户头转入贵行,特此函告。