工程力学—考试题库及答案
- 格式:doc
- 大小:1.65 MB
- 文档页数:82
可编辑修改精选全文完整版工程力学专业知识考试试题一、判断题1、力使物体的运动状态发生变化的效应称力的外效应。
对√错2、凡是处于平衡状态的物体,相对于地球都是静止的。
对错√3、同一平面内作用线汇交于一点的三个力一定平衡。
对错√4、工人手推小推车前进时,手与小车之间只存在手对车的作用力。
对错√5、在一个物体的受力图上,不但应画出全部外力,而且也应画出与之相联系的其他物体。
对错√6、共线力系是平面汇交力系的特殊情形,但汇交点不能确定。
对√7、力系在平面内任意一坐标轴上的投影的代数和为零,则该力系一定是平衡力系。
对错√8、力矩和力偶都是描述物体转动效果的物理量,力矩和力偶的含义性质完全相同。
对错√9、同时改变力偶中力的大小和力偶臂的长短,而不改变力偶的转向,力偶对物体的作用效果就一定不会改变。
对错√10、力在垂直于坐标轴上的投影的绝对值与该力的正交分力大小一定相等。
对错√11、作用与物体上的力,其作用线可在物体上任意平行移动,其作用效果不变。
对错√12、各力作用线相互平行的力系,都是平面平行力系。
对错√13、坐标轴的取向不影响最终计算结果,故列平衡方程时选择坐标轴指向无实际意义。
对√14、平面一般力系的平衡方程可用于求解各种平面力系的平衡问题。
对√错15、轴力是因外力而产生的,故轴力就是外力。
对错√16、正应力是指垂直于杆件横截面的应力,正应力又可分为正值正应力和负值正应力。
对√错17、杆件受拉伸时,其线应变为负值。
对错√18、当杆件受拉伸时,绝对变形为负值。
对错√19、构件的工作应力可以和极限应力相等。
对错√20、设计构件时,需在节省材料的前提下尽量满足安全工作的要求。
对√错21、力矩和力偶都是描述受力物体转动效果的物理量;力矩和力偶的含义和性质完全相同。
对错√22、力的可传性对于变形体仍然适用。
对错√23、轴力是因外力而产生的,故轴力就是外力。
对错√24、受力情况及尺寸相同的两根轴,一根是钢轴,一根是铜轴,它们的强度相同。
工程力学试题及答案一、选择题(每题4分,共20分)(abc ) 1.工程设计中工程力学主要包含以下内容:A 分析作用在构件上的力,分清已知力和未知力。
B 选择合适的研究对象,建立已知力和未知力的关系。
C 应用平衡条件和平衡方程,确定全部未知力D 确定研究对象,取分离体(a )2下列说法中不正确的是:A 力使物体绕矩心逆时针旋转为负B 平面汇交力系的合力对平面内任一点的力矩等于力系中各力对同一点的力矩的代数和C 力偶不能与一个力等效也不能与一个力平衡D 力偶对其作用平面内任一点的矩恒等于力偶矩,而与矩心无关(ab )3平面汇交力系向汇交点以外的一点简化,其结果可能是:A 一个力B 一个力和一个力偶C 一个合力偶D 一个力矩(abcd )4.杆件变形的基本形式:A 拉伸与压缩B 剪切C 扭转D 平面弯曲(ad )5.低碳钢材料由于冷作硬化,会使()提高:A 比例极限B 塑性C 强度极限D 屈服极限二.填空题(每空1.5分,共36分)6 .工程中遇得到的物体,大部分是非自由体,那些限制或阻碍非自由体运动的物体称为—约束―。
7 .由链条、带、钢丝绳等构成的约束称为柔体约束,这种约束的特点:只能承受—拉力 不能承受— 压力,约束力的方向沿—柔体约束拉紧 的方向。
8 .力矩是使物体产生—转动—效应的度量,其单kN*M ,用符号_______________ m__表示,力矩有正 负之分,—逆时针—旋转为正。
9 .平面一般力系的平衡方程的基本形式:_E Fix = 0 E F iy= 0Z M O (F ) = 0、、 i =1 i =1 i =110 .根据工程力学的要求,对变形固体作了三种假设,其内容是:连续性假设、―均匀 性假设、—各向同性假设。
11 .拉压杆的轴向拉伸与压缩变形,其轴力的正号规定是: —弹性阶段 轴力指向截面外部为正 12 .塑性材料在拉伸试验的过程中,其。
一£曲线可分为四个阶段,即:―弹性阶段屈服阶段强化阶 段局部变形阶段13 .构件在工作过程中要承受剪切的作用,其剪切强度条件—T Max = F Q < t] .14 .扭转是轴的主要变形形式,轴上的扭矩可以用截面法来求得,扭矩的符号规定为:.四指指向扭 矩的转向,若大拇指指向截面的外部,则扭矩为正 ________________________________________________ 。
《工程力学》考试复习题库(含答案)一、选择题1. 工程力学是研究()A. 材料力学性能B. 力的作用和物体运动规律C. 结构的计算和分析D. 机器的设计与制造答案:B2. 在静力学中,力的作用效果取决于()A. 力的大小B. 力的方向C. 力的作用点D. A、B、C均正确答案:D3. 平面汇交力系的平衡条件是()A. 力的代数和为零B. 力矩的代数和为零C. 力的投影和为零D. 力的投影和为零且力矩的代数和为零答案:D4. 拉伸或压缩时,杆件横截面上的正应力等于()A. 拉力或压力B. 拉力或压力除以横截面面积C. 拉力或压力乘以横截面面积D. 拉力或压力除以杆件长度答案:B5. 材料在屈服阶段之前,正应力和应变的关系符合()A. 胡克定律B. 比例极限C. 屈服强度D. 断裂强度答案:A二、填空题1. 工程力学中的基本单位有()、()、()。
答案:米、千克、秒2. 二力平衡条件是:作用在同一个物体上的两个力,必须()、()、()。
答案:大小相等、方向相反、作用在同一直线上3. 材料的弹性模量表示材料在弹性范围内抵抗()的能力。
答案:变形4. 在剪切力作用下,杆件横截面沿剪切面发生的变形称为()。
答案:剪切变形5. 梁的挠度是指梁在受力后产生的()方向的位移。
答案:垂直三、判断题1. 力偶的作用效果只与力偶矩大小有关,与力偶作用点位置无关。
()答案:正确2. 在拉伸或压缩过程中,杆件的横截面面积始终保持不变。
()答案:正确3. 材料的屈服强度越高,其抗断裂能力越强。
()答案:错误4. 在受弯构件中,中性轴是弯矩等于零的轴线。
()答案:错误5. 梁的挠度曲线是梁的轴线在受力后的实际位置。
()答案:正确四、计算题1. 一根直径为10mm的圆形杆,受到轴向拉力1000N的作用。
求杆件的伸长量。
答案:杆件的伸长量约为0.005mm。
2. 一根简支梁,受到均布载荷q=2kN/m的作用,跨度l=4m。
求梁的最大挠度。
工程力学考试题及答案第一部分:选择题(共40分,每题2分,共20小题)1.以下哪个是工程力学的基本概念?A.质量B.速度C.功率D.电流答案:A 质量2.以下哪个是工程力学的单位?A.米B.牛顿C.度D.秒答案:B 牛顿3.下列哪个是牛顿第一定律?A.质体静止B.速度恒定C.加速度不断变化D.物体受到力时才会运动答案:B 速度恒定4.物体所受的外力大小等于物体运动状态发生改变时的惯性力,这是牛顿的哪个定律?A.一定律B.二定律C.三定律D.四定律答案:B 二定律5.哪个是工程力学中动力学的研究对象?A.平衡结构B.静力学C.运动结构D.变形结构答案:C 运动结构第二部分:填空题(共30分,每空2分,共15空)1.牛顿的第一定律也叫_______定律。
答案:惯性定律2.________是测量物体运动速度的物理量。
答案:速度3.牛顿的第三定律也叫________定律。
答案:作用与反作用定律4._______是测量物体运动加速度的物理量。
答案:加速度5._______是测量物体质量大小的物理量。
答案:质量第三部分:简答题(共30分,每题10分,共3题)1.简述牛顿的三大定律。
答案:牛顿的第一定律是运动物体保持匀速直线运动或静止状态,直至受到外力的作用;牛顿的第二定律是物体所受的合力等于物体质量乘以加速度;牛顿的第三定律是每个作用力都有一个等大相反方向的反作用力。
2.什么是动力学学?答案:动力学是力及物体的相互作用,研究物体的运动状态和运动规律。
3.简述质量和重力的区别。
答案:质量是物体所拥有的物质量大小;重力是地球对物体的吸引力,是一种力的作用。
以上就是工程力学考试题及答案,希望可以帮助大家更好地理解和掌握工程力学知识。
祝大家考试顺利!。
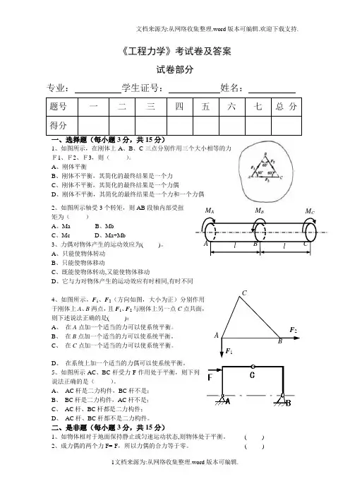
《工程力学》考试卷及答案试卷部分专业: 学生证号: 姓名:题号 一二三四五六七 总 分得分一、选择题(每小题3分,共15分)1、如图所示,在刚体上A 、B 、C 三点分别作用三个大小相等的力F1、F2、F3,则( )。
A 、刚体平衡B 、刚体不平衡,其简化的最终结果是一个力C 、刚体不平衡,其简化的最终结果是一个力偶D 、刚体不平衡,其简化的最终结果是一个力和一个力偶 2、如图所示轴受3个转矩,则AB 段轴内部受扭矩为( )A 、MaB 、MbC 、McD 、Ma+Mb3、力偶对物体产生的运动效应为( )。
A 、只能使物体转动B 、只能使物体移动C 、既能使物体转动,又能使物体移动D 、它与力对物体产生的运动效应有时相同,有时不同4、如图所示,F 1、F 2(方向如图,大小为正)分别作用于刚体上A 、B 两点,且F 1、F 2与刚体上另一点C 点共面,则下述说法正确的是( ):A 、 在A 点加一个适当的力可以使系统平衡。
B 、 在B 点加一个适当的力可以使系统平衡。
C 、 在C 点加一个适当的力可以使系统平衡。
D 、 在系统上加一个适当的力偶可以使系统平衡。
5、如图所示AC 、BC 杆受力F 作用处于平衡,则下列说法正确的是( )。
A 、 AC 杆是二力构件,BC 杆不是;B 、 BC 杆是二力构件,AC 杆不是; C 、 AC 杆、BC 杆都是二力构件;D 、 AC 杆、BC 杆都不是二力构件。
二、是非题(每小题3分,共15分)1、如物体相对于地面保持静止或匀速运动状态,则物体处于平衡。
( )2、成力偶的两个力F=-F ,所以力偶的合力等于零。
( )M A M BM CA BCllF 1 FF 2 A BC3、静力学公理中,二力平衡公理和加减平衡力系公理适用于刚体。
( )4、杆件的基本变形有四种:轴向拉伸或压缩、剪切、挤压和弯曲。
( )5、作用在同一物体上的两个力,使物体处于平衡的必要和充分条件是:这两个力大小相等、方向相反、沿同一条直线。
《工程力学》考试卷及答案试卷部分专业:学生证号:姓名:1、如图所示,在刚体上A 、B 、C 三点分别作用三个大小相等的力F1、F2、F3,则()。
A 、刚体平衡B 、刚体不平衡,其简化的最终结果是一个力C 、刚体不平衡,其简化的最终结果是一个力偶D 、刚体不平衡,其简化的最终结果是一个力和一个力偶 2、如图所示轴受3个转矩,则AB 段轴内部受扭矩为() A 、MaB 、Mb C 、McD 、Ma+Mb3、力偶对物体产生的运动效应为()。
A 、只能使物体转动 B 、只能使物体移动C 、既能使物体转动,又能使物体移动D 、它与力对物体产生的运动效应有时相同,有时不同4、如图所示,F 1、F 2(方向如图,大小为正)分别作用于刚体上A 、B 两点,且F 1、F 2与刚体上另一点C 点共面,则下述说法正确的是():A 、在A 点加一个适当的力可以使系统平衡。
B 、在B 点加一个适当的力可以使系统平衡。
C 、在C 点加一个适当的力可以使系统平衡。
D 、在系统上加一个适当的力偶可以使系统平衡。
5、如图所示AC 、BC 杆受力F 作用处于平衡,则下列说法正确的是()。
A 、AC 杆是二力构件,BC 杆不是;B 、BC 杆是二力构件,AC 杆不是; C 、AC 杆、BC 杆都是二力构件;D 、AC 杆、BC 杆都不是二力构件。
二、是非题(每小题3分,共15分)M A M BM C1、如物体相对于地面保持静止或匀速运动状态,则物体处于平衡。
()2、成力偶的两个力F=-F ,所以力偶的合力等于零。
()3、静力学公理中,二力平衡公理和加减平衡力系公理适用于刚体。
()4、杆件的基本变形有四种:轴向拉伸或压缩、剪切、挤压和弯曲。
()5、作用在同一物体上的两个力,使物体处于平衡的必要和充分条件是:这两个力大小相等、方向相反、沿同一条直线。
()三、填空题(每个空2分,共30分)1、力对物体的作用效果一般分为效应和效应。
工程力学试题及答案一、选择题(每题2分,共20分)1. 在工程力学中,下列哪个选项不是力的基本性质?A. 可加性B. 可逆性C. 可传递性D. 可测量性答案:B2. 静摩擦力的大小与下列哪个因素有关?A. 物体的质量B. 物体的面积C. 物体的接触面粗糙程度D. 物体的运动状态答案:C3. 以下哪个不是材料力学中的基本概念?A. 应力B. 应变C. 弹性模量D. 动量守恒答案:D4. 根据胡克定律,弹簧的伸长量与作用力成正比,这个比例常数被称为:A. 弹性系数B. 摩擦系数C. 惯性系数D. 刚度系数答案:A5. 力的平行四边形法则适用于:A. 静力分析B. 动力分析C. 材料力学D. 流体力学答案:A6. 以下哪种情况下,物体的转动惯量会发生变化?A. 物体的质量增加B. 物体的质量分布改变C. 物体的形状改变D. 物体的转动速度增加答案:B7. 材料的屈服强度是指:A. 材料开始发生永久变形的应力B. 材料的弹性极限C. 材料的断裂强度D. 材料的疲劳强度答案:A8. 根据能量守恒定律,以下哪种情况是正确的?A. 一个物体的动能可以完全转化为势能B. 一个物体的势能可以完全转化为动能C. 一个物体的动能和势能之和是恒定的D. 一个物体的动能和势能之和随时间变化答案:C9. 材料的疲劳破坏是由于:A. 材料的老化B. 材料的腐蚀C. 材料在交变应力作用下的反复变形D. 材料的过载答案:C10. 以下哪种情况下,物体的稳定性最好?A. 重心低,支撑面大B. 重心高,支撑面小C. 重心低,支撑面小D. 重心高,支撑面大答案:A二、填空题(每空1分,共10分)1. 牛顿第二定律表明,物体的加速度与作用力成正比,与物体的质量成________。
答案:反比2. 材料的弹性模量是描述材料_______的物理量。
答案:刚性3. 静摩擦力的大小通常不超过最大静摩擦力,其大小与正压力成正比的是_______。
答案:动摩擦力4. 根据牛顿第三定律,作用力和反作用力大小相等,方向_______。
工程力学考试题及答案一、单项选择题(每题2分,共20分)1. 根据牛顿第三定律,作用力和反作用力的大小关系是:A. 相等B. 不相等C. 无法确定D. 有时相等有时不相等答案:A2. 材料在受到拉伸应力时,其内部的分子间距离会:A. 增加B. 减少C. 保持不变D. 先增加后减少答案:A3. 以下哪种材料属于脆性材料?A. 橡胶B. 玻璃C. 木材D. 铝答案:B4. 在静水压力下,液体内部任意一点的压力大小与该点的:A. 深度成正比B. 深度成反比C. 深度无关D. 密度成正比答案:A5. 梁在受到弯曲载荷时,其最大弯矩通常出现在:A. 梁的中点B. 梁的两端C. 梁的支点D. 梁的任意位置答案:C6. 以下哪种情况下,结构的稳定性最好?A. 细长比大B. 细长比小C. 细长比中等D. 无法确定答案:B7. 材料的弹性模量E与泊松比μ之间的关系是:A. E和μ成正比B. E和μ成反比C. E和μ无关D. E和μ成非线性关系答案:C8. 根据能量守恒定律,以下哪种情况下系统的能量不会守恒?A. 系统内部无摩擦B. 系统内部有摩擦C. 系统外部无作用力D. 系统外部有作用力答案:B9. 梁在纯弯矩作用下,其横截面上的正应力分布规律是:A. 线性分布B. 抛物线分布C. 指数分布D. 对数分布答案:A10. 材料的屈服强度是指材料在受到何种应力时开始发生塑性变形的应力值:A. 压缩应力B. 拉伸应力C. 剪切应力D. 任何应力答案:B二、计算题(每题10分,共40分)1. 一矩形截面梁,宽b=100mm,高h=200mm,材料的弹性模量E=200GPa,泊松比μ=0.3,受到一弯矩M=1000N·m,求梁的最大正应力。
2. 一圆柱形压力容器,内径D=500mm,壁厚t=10mm,内压p=5MPa,材料的弹性模量E=200GPa,泊松比μ=0.3,求容器的周向应力和轴向应力。
3. 一悬臂梁,自由端受到一集中载荷P=1000N,梁的弹性模量E=200GPa,截面积A=500mm²,求自由端的挠度。
工程力学考试题及答案一、单项选择题(每题2分,共20分)1. 工程力学中,下列哪一项不是力学的基本概念?A. 力B. 位移C. 速度D. 功答案:C2. 在静力学中,物体处于平衡状态的必要条件是:A. 合力为零B. 合力矩为零C. 合力和合力矩都为零D. 只有合力为零答案:C3. 材料力学中,下列哪一项不是基本假设?A. 均匀性假设B. 连续性假设C. 各向异性假设D. 小变形假设答案:C4. 梁在弯曲时,下列哪一项是正确的?A. 梁上任意截面的弯矩相等B. 梁上任意截面的剪力相等C. 梁上任意截面的弯矩和剪力都相等D. 梁上任意截面的弯矩和剪力都不相等答案:D5. 在拉伸和压缩实验中,下列哪一项不是材料的基本力学性能?A. 弹性模量B. 屈服强度C. 疲劳强度D. 抗拉强度答案:C6. 材料力学中,下列哪一项不是应力集中的影响因素?A. 几何形状B. 材料性质C. 加载方式D. 温度变化答案:D7. 在扭转实验中,圆轴的扭转角与下列哪一项无关?A. 扭矩B. 材料的剪切模量C. 轴的极惯性矩D. 轴的长度答案:D8. 材料力学中,下列哪一项不是梁的弯曲变形的基本形式?A. 纯弯曲B. 偏心弯曲C. 剪切弯曲D. 复合弯曲答案:C9. 在受压构件中,下列哪一项不是影响稳定性的因素?A. 截面形状B. 材料性质C. 长度D. 温度答案:D10. 材料力学中,下列哪一项不是疲劳破坏的特点?A. 循环加载B. 低应力水平C. 局部应力集中D. 无明显塑性变形答案:D二、填空题(每题2分,共20分)1. 牛顿第二定律表明,物体的加速度与作用在其上的合力成正比,与物体的质量成反比,其数学表达式为:_______。
答案:F=ma2. 材料力学中的应力定义为:单位面积上的_______。
答案:力3. 梁的挠度是指梁在受载后的_______。
答案:垂直位移4. 材料的弹性模量是描述材料_______的物理量。
答案:弹性变形5. 材料力学中,梁的剪力图是表示梁上任意截面处_______的图形。
《工程力学》题库单选题(二)及答案1、拉伸过程中杆件表面出现滑移线,是因为()。
A、 45度方向切应力最大B、 30度方向切应力最大C、横截面正应力最大D、纵向截面切应力最大正确答案: A2、弯曲变形内力有剪力和弯矩,F作用处剪力图不变,弯矩图发生()。
A、突变B、转折C、不变正确答案: B3、以上四步是轴类零件未知力的求解步骤,其中拆画平面受力图这步坚持()原则。
A、相互平行的力放在一个平面受力图中B、矩放在一个平面受力图中C、只要是同一作用面的力和矩就放在同一个平面受力图中正确答案: C4、图中跷跷板受力发生()变形。
A、旋转B、扭转C、弯曲D、拉伸正确答案: C5、如图所示,猎人非法猎猴,用两根轻绳将猴子悬于空中,猴子处于静止状态,以下说法正确的是()。
A、猴子受到三个力作用B、绳拉猴子的力和猴子拉绳的力相互平衡C、地球对猴子有引力,猴子对地球没有引力D、人将绳子拉得越紧,猴子受到的合力越大正确答案: A6、下列曲柄滑块机构中,先画()的受力图。
A、 AO杆B、 AB杆C、滑块正确答案: B7、物体作匀速运动时合力()。
A、不一定为零B、一定为零C、一定不为零D、不确定正确答案: A8、图中哪个力对O点的力矩为正?()A、B、正确答案: A9、梁发生平面弯曲时,其横截面绕()旋转。
A、梁的轴线B、中性轴C、截面的对称轴D、截面的上(或下)边缘正确答案: B10、剪切变形受力特点是构件受到的两个力,大小相等,方向相反,作用线()。
A、平行B、垂直C、平行,而且相距很近。
正确答案: C11、图中A点受到的力系是()。
A、空间汇交力系B、空间平行力系C、空间任意力系正确答案: A12、()弯曲变形内力有剪力和弯矩,上图简支梁中3-3截面弯矩和()截面相同。
A、 1-1B、 2-2C、 3-3D、 4-4正确答案: B13、光滑墙角处于平衡状态的小球受到()个光滑面约束。
A、 1B、 2正确答案: A14、车刀车削工件时车刀发生(())。
工程力学课程试题库及参考答案一、判断题:1.力对点之矩与矩心位置有关,而力偶矩则与矩心位置无关。
[ ]2.轴向拉压时无论杆件产生多大的变形,正应力与正应变成正比。
[ ]3.纯弯曲的梁,横截面上只有剪力,没有弯矩。
[ ]4.弯曲正应力在横截面上是均匀分布的。
[ ]5.集中力所在截面上,剪力图在该位置有突变,且突变的大小等于该集中力。
[ ]6.构件只要具有足够的强度,就可以安全、可靠的工作。
[ ]7.施加载荷使低碳钢试件超过屈服阶段后再卸载,材料的比例极限将会提高。
[ ]8.在集中力偶所在截面上,剪力图在该位置有突变。
[ ]9.小柔度杆应按强度问题处理。
[ ] 10.应用平面任意力系的二矩式方程解平衡问题时,两矩心位置均可任意选择,无任何限制。
[ ] 11.纯弯曲梁横截面上任一点,既有正应力也有剪应力。
[ ] 12.最大切应力作用面上无正应力。
[ ] 13.平面平行力系有3个独立的平衡方程。
[ ] 14.低碳钢试件在拉断时的应力为其强度极限。
[ ] 15.若在一段梁上作用着均布载荷,则该段梁的弯矩图为倾斜直线。
[ ] 16.仅靠静力学平衡方程,无法求得静不定问题中的全部未知量。
[ ] 17.无论杆件产生多大的变形,胡克定律都成立。
[ ] 18.在集中力所在截面上,弯矩图将出现突变。
[ ]二、单项选择题:1.图1所示杆件受力,1-1、2-2、3-3截面上轴力分别是 [ ]图1A.0,4F ,3FB.-4F ,4F ,3FC.0,F ,0D.0,4F ,3F2.图2所示板和铆钉为同一材料,已知bs []2[]στ=。
为充分提高材料利用率,则铆钉的直径应该是[ ]图2A.2d δ=B.4d δ=C.4d δπ=D.8d δπ=3.光滑支承面对物体的约束力作用于接触点,其方向沿接触面的公法线 [ ]A.指向受力物体,为压力B.指向受力物体,为拉力C.背离受力物体,为压力D.背离受力物体,为拉力4.一等直拉杆在两端承受轴向拉力作用,若其一半为钢,另一半为铝,则两段的 [ ] A.应力相同,变形相同 B.应力相同,变形不同 C.应力不同,变形相同 D.应力不同,变形不同5.铸铁试件扭转破坏是 [ ] A.沿横截面拉断 B.沿45o 螺旋面拉断 C.沿横截面剪断 D.沿45o 螺旋面剪断6.图2跨度为l 的简支梁,整个梁承受均布载荷q 时,梁中点挠度是45384Cql w EI,图示简支梁跨中挠度是[ ]图2A.45768ql EIB.45192ql EIC.451536ql EID.45384ql EI7.塑性材料冷作硬化后,材料的力学性能变化的是 [ ] A.比例极限提高,弹性模量降低 B.比例极限提高,塑性降低 C.比例极限不变,弹性模量不变 D.比例极限不变,塑性不变8.铸铁试件轴向拉伸破坏是 [ ] A.沿横截面拉断 B.沿45o 斜截面拉断 C.沿横截面剪断 D.沿45o 斜截面剪断9.各向同性假设认为,材料沿各个方向具有相同的 [ ] A.外力 B.变形 C.位移 D.力学性质10.材料不同的两根受扭圆轴,其直径和长度均相同,在扭矩相同的情况下,它们的最大切应力和相对扭转角之间的关系正确的是 [ ] A.最大切应力相等,相对扭转角相等 B.最大切应力相等,相对扭转角不相等C.最大切应力不相等,相对扭转角相等D.最大切应力不相等,相对扭转角不相等11.低碳钢试件扭转破坏是 [ ] A.沿横截面拉断 B.沿45o 螺旋面拉断 C.沿横截面剪断 D.沿45o 螺旋面剪断12.整根承受均布载荷的简支梁,在跨度中间处 [ ]A.剪力最大,弯矩等于零B.剪力等于零,弯矩也等于零C.剪力等于零,弯矩为最大D.剪力最大,弯矩也最大三、填空题:1.圆轴扭转时,横截面上各点的切应力与其到圆心的距离成比。
道路桥梁专业《工程力学》星级课程建设工程力学试题库答案力学与结构课程组目录题型题量和分值 (3)一、填空题 (3)二、选择题 (7)三、判断题 (18)四、绘图题 (22)五、计算题 (39)题型题量和分值一、填空题(共10空,每空1分,共10分)二、选择题(共10题,每题2分,共20分)三、判断题(共10题,每题1分,共10分)四、绘图题(共2题,共20分)五、计算题(共4题,每题10分,共40分)一、填空题(1~16题为第1章内容;17~26题为第2章内容;27题为第3章内容;28~39题为第4章内容;40~52题为第5章内容;53~56题为第6章内容;57~58题为第7章内容;59题为影响线内容。
)第1章1、力的三要素是__大小__、__方向__、__作用点__,所以力是矢量。
2、对物体作用效果相同的利息,称为等效力系。
3、如果一个力和一个力系等效,则该力为此力系的合力。
4、两个物体间相互作用的力,总是大小相等、方向相反、沿同一直线,分别作用在两个物体上。
5、物体在一个力系作用下处于平衡状态,则称这个力系为平衡力系。
6、在外力的作用下形状和大小都不发生变化的物体称为刚体。
7、合力在任一轴上的投影等于各分力在同一轴上投影的代数和。
8、一般规定,力F使物体绕矩心O点逆时针转动时为正,反之为负。
9、合力对平面上任一点的矩等于各分力对同一点的矩的代数和。
10、力偶对物体只产生转动效应,而不产生移动效应。
11、物体受到的力可以分为两类,一类是使物体运动或有运动趋势的力,称为主动力,另一类是周围物体限制物体运动的力,称为约束力。
12、作用在刚体上的力沿着作用线移动时,不改变其作用效应。
13、变形体在外力作用下会产生两种性质的变形,一种是当外力撤除时,变形也会随之消失,这种变形称为弹性变形;另一种是当外力撤除后,变形不能全部消失而残留部分变形,这部分变形,称为塑性变形。
14、约束力的作用方向总是与约束所能限制的运动方向相反。
《工程力学》考试50题和答案一. 单选题1. 压杆可分为几个个类型()。
A. 1B. 2C. 3D. 4参考答案:C2.在题3中,若杆AB为直径d=10mm的圆杆,F=20kN,AB杆横截面上的应力是()。
A.132PaB.134PaC.144PaD.111Pa参考答案:A3. 利用解析法求解平面共点力系的平衡问题时,所能列写出的独立的平衡方程数目为()。
A. 1B. 2C. 3D. 4参考答案:B2. 判断题4. 压杆从直线平衡构形到弯曲平衡构形的转变过程,称为“屈曲”。
由于屈曲,压杆产生的侧向位移,称为屈曲位移。
A. 错误B. 正确参考答案:B5. 力偶可在其作用面内任意搬移,而不改变它对刚体的作用效应。
A. 错误B. 正确参考答案:B6. 当作用于轴上的外力偶多于两个时,为了表示各横截面上扭矩沿轴线变化的情况,在图中以横轴表示横截面的位置,纵轴表示相应截面上的扭矩,这种图线称为扭矩图。
A. 错误B. 正确参考答案:B7. 当外力作用点位于截面形心附近的一个区域内时,就可以保证中性轴不穿过横截面,横截面上无压应力(或拉应力),此区域称为截面核心。
A. 错误B. 正确参考答案:B8. 变形区横断面的变形,变形区的应力和应变状态在切向和径向是完全相同的,仅在宽度方向有所不同。
A. 错误B. 正确参考答案:B9. 梁某截面上的剪力和弯矩如图所示,根据剪力和弯矩的正负号规定,该剪力的符号为—,弯矩的符号为+。
A. 错误B. 正确参考答案:A10.1A. 错误B. 正确参考答案:B11. 平衡是指惯性参照系内,物体受到几个力的作用,仍保持静止状态,或匀速直线运动状态,或绕轴匀速转动的状态,叫做物体处于平衡状态,简称物体的“平衡”。
B. 正确参考答案:B12. 圆轴扭转的平面假设:圆轴扭转变形前原为平面的横截面,变形后仍保持为平面,形状和大小不变,半径仍保持为直线;且相邻两截面间的距离不变。
A. 错误B. 正确参考答案:B13. 通常情况下,梁的内力包括剪力和弯矩,平面刚架的内力包括剪力弯矩和轴力。
工程力学考试题及答案一、单项选择题(每题2分,共20分)1. 以下哪项是工程力学中研究的主要对象?A. 材料B. 结构C. 力D. 以上都是答案:D2. 静力学中,平衡状态是指物体所受的合力为:A. 非零B. 零C. 任意值D. 不可确定答案:B3. 材料力学中,弹性模量是描述材料的哪种性质?A. 强度B. 硬度C. 弹性D. 塑性答案:C4. 根据牛顿第三定律,作用力和反作用力的大小关系是:A. 相等B. 不相等C. 相反D. 无法确定答案:A5. 在梁的弯曲问题中,梁的弯曲刚度与以下哪项无关?A. 梁的截面形状B. 梁的长度C. 梁的材料D. 梁的截面尺寸答案:B6. 应力集中是指在材料的哪些部位应力会显著增大?A. 光滑表面B. 无缺陷区域C. 几何突变处D. 均匀受力区域答案:C7. 动载荷是指:A. 静止不动的载荷B. 随时间变化的载荷C. 随空间变化的载荷D. 均匀分布的载荷答案:B8. 能量守恒定律在工程力学中的应用主要体现在:A. 热力学B. 动力学C. 静力学D. 流体力学答案:B9. 以下哪种材料可以认为是理想弹性体?A. 橡胶B. 钢铁C. 玻璃D. 木材答案:B10. 塑性变形是指材料在外力作用下发生变形后,去掉外力后:A. 不能恢复原状B. 完全恢复原状C. 部分恢复原状D. 无法确定答案:A二、填空题(每空1分,共20分)1. 物体在受到三个力的作用下,若这三个力的合力为零,则物体处于______状态。
答案:平衡2. 材料力学中,梁的挠度是指梁在受力后与______之间的最大垂直距离。
答案:原始直线3. 材料在拉伸过程中,其应力与应变的关系曲线称为______曲线。
答案:应力-应变4. 根据胡克定律,弹簧的变形量与施加在其上的力成正比,其比例系数称为______。
答案:弹簧常数5. 在材料力学中,材料的屈服强度是指材料在______状态下的最大应力。
答案:塑性变形6. 动载荷引起的振动通常需要考虑______效应。
工程力学课程试题库及参考答案试题一:选择题1. 下列哪个选项不是力的基本性质?A. 力是物体间相互作用的体现B. 力是矢量C. 力不能离开物体单独存在D. 力的大小可以无限大答案:D2. 在静力学中,下列哪个条件是物体平衡的必要和充分条件?A. 力的合力为零B. 力矩的合力为零C. 力的合力为零,且力矩的合力为零D. 力的合力不为零,力矩的合力为零答案:C3. 下列哪个力系是平面力系?A. 空间力系B. 静力力系C. 汇聚力系D. 平面汇聚力系答案:D试题二:填空题1. 在工程力学中,力的单位是______,符号为______。
答案:牛顿,N2. 物体在力的作用下发生形变,这种形变称为______。
答案:弹性形变3. 在平面力系中,力矩的合力等于______。
答案:零试题三:判断题1. 力的平行四边形法则表明,两个力的合力等于这两个力的矢量和。
()答案:正确2. 在空间力系中,力的合力一定等于零。
()答案:错误3. 拉伸试验中,当拉力达到最大值时,试件一定会断裂。
()答案:错误试题四:计算题1. 已知一物体质量为10kg,在水平方向受到两个力的作用,分别为20N和30N,且两个力的作用线与水平方向的夹角分别为30°和60°。
求物体的合力及合力方向。
答案:合力约为45.8N,合力方向约为39.8°。
2. 一简支梁受到均布载荷的作用,载荷大小为20N/m,梁长2m,求梁的中点处的弯矩。
答案:40N·m3. 一圆形截面轴受到扭矩的作用,扭矩大小为100N·m,轴的直径为20mm,求轴的扭转应力。
答案:约为39.8MPa二、工程力学课程参考答案1. 选择题参考答案:(1)D(2)C(3)D2. 填空题参考答案:(1)牛顿,N(2)弹性形变(3)零3. 判断题参考答案:(1)正确(2)错误(3)错误4. 计算题参考答案:(1)合力约为45.8N,合力方向约为39.8°。
工程力学试题及答案(全)一、选择题(每题2分,共20分)1. 在静力学中,力的基本要素包括以下哪几项?A. 力的大小B. 力的方向C. 力的作用点D. 力的作用时间答案:ABC2. 下列关于约束反力的说法,正确的是:A. 约束反力总是与物体运动方向相反B. 约束反力总是与物体受到的主动力相等C. 约束反力总是垂直于约束面D. 约束反力的大小和方向与物体的运动状态有关答案:C3. 在平面汇交力系中,力的投影是指:A. 力在坐标轴上的分量B. 力在坐标平面上的投影长度C. 力在物体表面上的投影长度D. 力在坐标系中的位置答案:B4. 平面力偶的作用效果取决于以下哪个因素?A. 力偶的大小B. 力偶的方向C. 力偶的作用点D. 力偶的转向答案:A5. 下列关于功的说法,正确的是:A. 功是力与物体位移的乘积B. 功是力与物体位移在同一方向上的投影的乘积C. 功是力与物体位移的乘积再乘以2D. 功是力与物体位移的乘积再除以2答案:B二、填空题(每题3分,共30分)6. 在静力学中,力的单位是______,符号为______。
答案:牛顿,N7. 二力平衡的条件是:作用在同一物体上的两个力,大小______,方向______,作用线______。
答案:相等,相反,共线8. 力矩的符号是______,力矩的单位是______。
答案:M,N·m9. 平面汇交力系平衡的充要条件是:各力在x轴上的投影之和______,各力在y轴上的投影之和______,各力对任意点的力矩之和______。
答案:等于零,等于零,等于零10. 功的计算公式是______,符号为______。
答案:W = F·S,W三、判断题(每题2分,共20分)11. 力偶的作用效果与力偶的大小、方向和作用点有关。
()答案:错误12. 在平面力偶系中,力偶的转向改变,其作用效果不变。
()答案:正确13. 功的正负取决于力与位移的方向关系,当力与位移同向时,功为正。
如图所示的三根压杆,横截面面积及材料各不相同,但它们的()相同。
收藏A.相当长度B.柔度C.临界压力D.长度因数正确答案: A第一强度理论是指()收藏A.最大切应力理论B.最大拉应力理论C.畸变能密度理论最大伸长线理论回答错误!正确答案: B对于抗拉强度明显低于抗压强度的材料所做成的受弯构件,其合理的截面形式应使:()收藏A.中性轴与受拉及受压边缘等距离;B.中性轴平分横截面面积。
C.中性轴偏于截面受压一侧;D.中性轴偏于截面受拉一侧;回答错误!正确答案: D图示交变应力的循环特征r、平均应力σm、应力幅度σa分别为()。
收藏A.-10、20、10;B.C.30、10、20;D.回答错误!正确答案: D两根受扭圆轴的直径和长度均相同,但材料不同,在扭矩相同的情况下,它们的最大切应力和扭转角之间的关系()收藏A.B.C.D.回答错误!正确答案: B材料和柔度都相等的两根压杆()收藏A.临界应力和压力都一定相等B.临界应力一定相等,临界压力不一定相等C.临界应力和压力都不一定相等D.临界应力不一定相等,临界压力一定相等回答错误!正确答案: B大小相等的四个力,作用在同一平面上且力的作用线交于一点c,试比较四个力对平面上点o的力矩,哪个力对点o的矩最大()。
收藏A.力P4B.力P2C.力P1D.力P3回答错误!正确答案: B在研究拉伸与压缩应力应变时我们把杆件单位长度的绝对变形称为( )收藏A.正应力B.应力C.线应变D.变形回答错误!正确答案: C梁拟用图示两种方式搁置,则两种情况下的最大弯曲正应力之比为()。
收藏A.1/64B.1/16C.16D.1/4回答错误!正确答案: D图示结构,用积分法计算AB梁的位移时,梁的边界条件为( )收藏A.y A=0 y B=0y A≠0 y B≠0C.y A=0 y B≠0D.y A≠0 y B=0回答错误!正确答案: A图示跨度为l的简支梁,整个梁承受均布载荷q时,梁中点挠度是,图示简支梁跨中挠度是()收藏A.B.C.D.回答错误!正确答案: C圆轴的应力公式τρ=Tρ/I p是,“平面假设”起的作用有下列四种答案:A.“平面假设”给出了横截面上内力与应力的关系;B.“平面假设”是建立剪应力互等定理的基础。
C.“平面假设”使物理方程得到简化;D.“平面假设”给出了圆轴扭转时的变形规律;回答错误!正确答案: D若将受扭实心圆轴的直径增加一倍,则其刚度是原来的()收藏A.8倍;B.2倍;C.4倍;D.16倍。
回答错误!正确答案: D图示悬臂梁,其梁截面转角关系为( )收藏从A到B各截面的转角均相等B.θA=0,θB=θmaxC.D.θA=θB=0回答错误!正确答案: B图示微元体的最大剪应力τmax为多大?( )收藏A.τmax=0B.τmax=200MPaC.τmax=100MPaD.τmax=50MPa回答错误!正确答案: C下列各物体受力图正确的是( ).各接触面均为光滑面.收藏A.B.C.D.回答错误!正确答案: D图示悬臂梁AB,梁长l,受集中力P和线性分布力q作用,则固定端A处的约束力、约束力偶的大小应为( )。
收藏A.B.C.D.回答错误!正确答案: D刚体A在外力作用下保持平衡,以下哪种说法是错误的?()收藏A.刚体A在大小相等、方向相反且沿同一直线作用的两个外力作用下必平衡B.刚体A在两个力偶矩大小相等且转向相反的力偶作用下比平衡C.刚体A在交汇于一点且力三角形封闭的三个外力作用下必平衡D.刚体A在作用力与反作用力作用下必平衡回答错误!正确答案: D合力与分力之间的关系,正确的说法是()收藏A.合力不一定比分力大B.两个分力夹角越小合力越小C.合力一定比分力大D.两个分力夹角(锐角)越大合力越大回答错误!正确答案: A实心圆轴受扭,若将轴的直径减小一半,则圆轴的扭转角是原来的多少倍:()收藏A.16倍B.2倍C.8倍D.4倍回答错误!正确答案: A当水平梁上某横截面的弯矩为负值时,则该横截面上正应力的正确分布图是()收藏A.CB.AC.DD.B回答错误!正确答案: B图示平面桁架,则杆AB和杆AC的内力S1、S2应为( )。
收藏A.B.C.D.回答错误!正确答案: C第二强度理论是指()收藏A.最大切应力理论B.畸变能密度理论C.最大伸长线理论D.最大拉应力理论回答错误!正确答案: C在交变应力中,对称循环的循环特性r是()收藏A.1B.0.5C.-1D.回答错误!正确答案: C阶梯圆轴的最大切应力发生在()收藏A.不能确定。
B.单位长度扭转角最大的截面;C.扭矩最大的截面;D.直径最小的截面;回答错误!正确答案: A纯弯曲情况下,弯矩与曲率的关系式为()收藏A.B.C.D.回答错误!正确答案: A如图所示两端铰支压杆的截面为矩形。
当其失稳时,()收藏A.B.C.D.回答错误!正确答案: A如图所示四杆均为圆截面直杆,杆长相同,且均为轴向加载,关于四者分叉载荷的大小,有四种解答,试判断哪一种是正确的(其中弹簧的刚度较大)。
()收藏A.B.C.D.回答错误!正确答案: C矩形截面梁受力如图所示,该梁的变形为:()收藏A.平面弯曲与扭转的组合;B.斜弯曲;C.斜弯曲与扭转的组合。
D.平面弯曲;回答错误!正确答案: B某简支梁AB受载荷如图所示,现分别用R A、R B表示支座A、B处的约束反力,则它们的关系为( )。
收藏A.R A>R BB.无法比较C.R A<R BD.R A=R B回答错误!正确答案: D图示构架由三个构件AC、BC、DF组成。
A、B分别为铰链支座和辊轴支座,C、E、F均为圆柱铰链。
在水平杆的D端作用主动力P,则由三力平衡定理可确定A、C、E、F处约束力的作用线位置。
C 处绞链约束力R C的方位应为( )。
收藏A.R C平行PB.R C沿CEC.R C沿CFD.R C垂直P回答错误!正确答案: C图示构架,在铅直杆的D端受水平力P作用,物块重Q,杆、轮和绳重不计。
C、O处均为圆柱铰链,A、B为铰链支座。
已知P=Q=1k N,则A处水平约束力为( )。
收藏A.1kN,向左B.0.5kN,向左C.3kN,向左D.2kN,向左回答错误!正确答案: C平面平行力系的独立平衡方程数目一般有()个收藏A.一B.四C.三D.二回答错误!正确答案: D受水平冲击的钢架如图所示,欲求C点的铅垂位移,则动荷系数表达式中的静位移Δst应是()收藏A.截面B的转角B.B点的水平位移C.C点的水平位移D.C点的铅垂位移回答错误!正确答案: B当机械零件出现疲劳断裂时,应按()准则计算收藏A.寿命B.强度C.振动稳定性D.刚度回答错误!正确答案: B在下列有关压杆临界应力的结论中,()是正确的。
收藏A.中长杆的σ1j值与杆的材料无关B.短粗杆的σ1j值与杆的柔度无关C.中长杆的σ1j值与杆的柔度无关D.细长杆的σ1j值与杆的材料无关回答错误!正确答案: C对钢制圆轴作扭转校核时,发现强度和刚度均比规定的要求低了2 0%,若安全因数不变,改用屈服极限提高了30%的钢材,则圆轴的()收藏A.强度、刚度均足够B.强度、刚度均不够C.强度足够,刚度不够D.强度不够,刚度足够回答错误!正确答案: C图示应力状态,用第三强度理论校核时,其相当应力为:()收藏A.B.D.回答错误!正确答案: B提高钢制细长压杆承载能力有如下方法,试判断哪一种是最正确的()收藏A.增加惯性矩,减小杆长B.采用高强度钢C.增加横截面面积,减小杆长D.减小杆长,减小长度系数,使压杆沿横截面两形心主轴方向的长细比相等回答错误!正确答案: D矩形截面梁受弯曲变形,如果梁横截面的高度增加一倍时,则梁内的最大正应力为原来的多少倍?梁的最大挠度为原来的多少倍?()收藏A.正应力和挠度均为1/4倍;B.无法确定正应力为1/4倍,挠度为1/8倍;D.正应力为1/2倍,挠度为1/4倍;回答错误!正确答案: C为了合理的利用钢材,在梁的弯曲问题中,在同样面积情况下,以下四种截面形状钢梁,使用哪种较为合理( )收藏A.(d)B.(b)C.(c)D.(a)回答错误!正确答案: B下列关于平面弯曲正应力公式的应用范围的说法,哪种是正确的:()收藏A.细长梁、弹性范围内加载;B.细长梁、载荷加在对称面或主轴平面内。
C.弹性范围内加载、载荷加在对称面或主轴平面内;D.细长梁、弹性范围内加载、载荷加在对称面或主轴平面内;回答错误!正确答案: D如图所示a、b、c、d四桁架的几何尺寸、圆杆的横截面直径、材料、加力点及加力方向均相同。
关于四桁架所能承受的最大外力F pmax有如下四种结论,试判断哪一种是正确的()收藏A.B.C.D.回答错误!正确答案: B长方形截面细长压杆,b/h=1/2;如果将b改为h后仍为细长杆,临界力F cr是原来的()倍。
收藏A.2倍B.4倍C.8倍D.16倍回答错误!正确答案: C关于钢制细长压杆承受轴向压力达到临界载荷之后,还能不能继续承载有如下四种答案,试判断哪一种是正确的()收藏A.能。
因为压杆一直到折断时为止都有承载能力B.不能。
因为超过临界载荷后,变形不再是弹性的C.不能。
因为载荷达到临界值是屈服位移将无限制地增加D.能。
只要横截面上的最大正应力不超过比例极限回答错误!正确答案: D压杆稳定的欧拉公式适用的范围以下四种情况哪种是错误的( )收藏A.λ≥λ1B.屈服极限范围内C.弹性范围内D.细长杆回答错误!正确答案: B在图示的圆轴中,AB段的相对扭转角和BC段的相对扭转角的关系是( )。
收藏A.B.C.D.回答错误!正确答案: A建立圆周的扭转应力公式τρ=Mρρ/Iρ时需考虑下列因素中的哪几个?答:()(1)扭矩M T与剪应力τρ的关系M T=∫AτρρdA(2)变形的几何关系(即变形协调条件)(3)剪切虎克定律(4)极惯性矩的关系式I T=∫Aρ2dA收藏A.(1)B.全部C.(1)(2)D.(1)(2)(3)回答错误!正确答案: D图示平面桁架,则杆AB的内力应为( )。
收藏A.B.C.D.回答错误!正确答案: D柔性体约束的约束反力,其作用线沿柔索的中心线()收藏A.其指向也可能是指向被约束物体B.其指向在标示时有的情况可以任意假设C.其指向在标示时可以先任意假设D.其指向必定是背离被约束物体回答错误!正确答案: D图示ABCD为一均质等厚薄板,重Q=200N,角A用球铰链支承,角B用蝶铰链与墙连接,再用绳索CE拉住使板保持在水平位置,则绳索拉力T和铰链B的约束力X B、Z B应分别为( )。
收藏A.200N,0N,0NB.300N,0N,50NC.100N,0N,100ND.400N,0N,0N回答错误!正确答案: A(a),(b)二根简支梁E、I、W均同,同样的重物Q从h高度自由落下冲击梁,两根梁的动应力σd与动荷系数K d的比较应为( )收藏A.B.C.D.回答错误!正确答案: A三轮汽车转向架圆轴有一盲孔(图a),受弯曲交变应力作用,经常发生疲劳断裂后将盲孔改为通孔(图b),提高了疲劳强度。