电气施工设计说明
- 格式:doc
- 大小:140.50 KB
- 文档页数:10
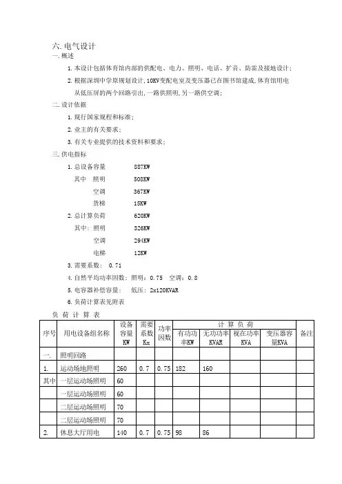
六.电气设计一.概述1.本设计包括体育馆内部的供配电、电力、照明、电话、扩音、防雷及接地设计;2.根据深圳中学原规划设计,10KV变配电室及变压器已在图书馆建成,体育馆用电从低压屏的两个回路引出,一路供照明,另一路供空调;二.设计依据1.现行国家规程和标准;2.业主的有关要求;3.有关专业提供的技术资料和要求;三.供电指标1.总设备容量 887KW其中照明 508KW空调 367KW货梯 15KW2.总计算负荷 620KW其中: 照明 326KW空调 294KW电梯 12KW3.需要系数: 0.714.自然平均功率因数: 照明:0.75 空调:0.85.电容器补偿容量: 低压: 2x120KVAR6.负荷计算表见附表1.根据<<民用建筑电气设计规范>>JGJ/T的有关规定及<<建筑设计防火规范>>GBJ16-87,本建筑物一般用电负荷及消防用电负荷等级均按三级考虑;2.配电室设于地下一层的设备房内;3.用电负荷,分别采用放射式和树干式供电,消防设备采用两回路供电,末端自动切换;低压系统图见电初-02;变配电所平面布置图见电初-03;五.电气设备选型1.380/220V配电装置选用GCK型低压配电屏,柜内主断路器选用F型,分断路器选用S型,插入式安装;均带有长延时过电流,短路短延时与短路瞬时保护;六.无功功率补偿与计量1.采用低压就地补偿,在低压配电室内设有低压静电电容器屏在图书馆的低压配电屏内还设有电容器补偿,就地补偿容量共为240KVAR;2.采用低压计量,在图书馆内的低压配电屏已设置了计量;七.电力、照明1.由低压配电屏引至各用电点的供电分别采用放射式与树干式供电方式,由配电屏放射引出回路供给运动场馆照明配电箱及一般照明配电箱;2.冷水机组、冷冻水泵组、冷却水泵组、冷却塔风机由低压配电屏以放射式线路馈电,冷水机组的起动,控制设备由机组配套供给;冷水机组、冷冻水泵、冷却水泵、冷却塔风机之间实行联动控制;3.消火栓泵、稳压泵、事故照明配电箱均为双电源供电;4.各主要场所照度标准如下摘自剧场建筑设计规范JGJ57-88:5.观众厅、观众厅出口、疏散楼梯间、水泵房、变配电室设事故照明,采用蓄电池供电,供电时间大于20min;6.泛光照明由低压配电屏供电,在设备房进线管理与控制;八.线路敷设1.电力、照明配电线路视不同情况可分别采用ZR-BV、ZR-VV、BV、VV等电线、电缆,按不同情况,分别敷设在桥架或穿焊接钢管敷设;2.运动场管照明与观众厅照明由专业公司负责设计,本设计考虑其线路的通道;九.扩音系统1.系统功能设计应满足体育比赛和文艺演出的使用要求,达到多功能厅堂一级扩音水平,声压级最大101.8dB,最小84dB,不均匀度7.8dB;2.系统设计参照TOA产品,主要设备包括16路调音台、功放、声场处理器、反馈抑制器、移频器、效果器、监听功放、无线话筒、CD机、双卡座、号角扬声器、木音箱、监听音箱等;3.主机设备安装在灯光音响室,扬声器安装在场地正中上方网架下,主席台、场地等处设话筒;4.线路采取穿金属管暗装;5.本系统施工设计应由专业公司负责;十. 电话通信系统由学校教学主楼方向引来10对电话线,经一层分线箱,穿管暗敷引至体育组办公室、教学房、多媒体教室、贵宾休息室、灯光音响室、计分计时室,共7个电话插座;十一.防雷与接地本影剧院属三类防雷建筑物;1.防雷引下线利用柱内或墙内二根主钢筋DN>16其根数不少于二根,间距不大于20m;本建筑屋面为金属网架,屋面的金属网架均需与防雷接地系统相连;2.接地装置利用建筑物的钢筋混凝土桩基和底板内的钢筋作为自然接地体;为此,桩基与底板钢筋之间,底板与作为引下线的钢筋之间的连接,必须采用焊接,以形成良好的电气通路;3.本工程采用TN-C-S制接地系统,从变压器室引四芯电缆到本建筑物,其中的PEN线在入户处重复接点形成工作中性线N与安全保护线PE,以后二者不得混淆;所有用电设备在正常情况下不带电的金属外壳和设备接地专用端子都与PE线相连接;4.防雷接地、变压器中性点接地以及其他需要接地的设备,共用接地装置接地电阻不得大于4Ω,当不能满足要求时,应增加人工接地极;十.主要设备材料表。
电气施工设计说明一、工程概况:本工程位于(省市)(区)(路)。
总建筑面积约m2.地下层,主要为,地上层,主要为等。
本工程属于类(办公)建筑。
建筑主体高度m,裙房高度m。
结构形式为。
基础形式为。
人防工程为级,平战结合。
建筑类别为类,防火保护对象分级为级。
二、设计依据2。
1 相关专业提供给本专业的工程设计资料。
2。
2 各市政主管部门对初步设计的审批意见。
2.3 甲方提供的设计任务书及设计要求。
2。
4 国家现行的主要规范、规程及相关行业标准:《民用建筑电气设计规范》JGJ/T16-2008;《10KV及以下变电所设计规范》GB50053—94;《供配电系统设计规范》GB50052-2009;《低压配电设计规范》GB50054—95;《通用用电设备配电设计规范》GB50055—93;《电力工程电缆设计规范》GB50217—1994《建筑物防雷设计规范》GB50057—94(2000年版);《建筑物电子信息系统防雷技术规范》GB50343-2004《建筑设计防火规范》GB50016—2006;《高层民用建筑没计防火规范》GB50045-95(2005年版)《建筑照明设计标准》GB50034-2004;《汽车库、修车库、停车场设计防火规范》GB50067-97《火灾自动报警系统设计规范》GB50116-98《电子信息系统机房设计规范》GB50174-2008其它相关的规范、规程、规定等。
三、设计范围3。
1 变配电系统3。
2 照明配电系统3.3 动力用电设备的供电系统3.4 防雷接地系统3。
5 建筑设备监控系统3。
6 火灾自动报警及联动控制系统3。
7 公共广播系统3。
8 综合安保监控系统3.9 电气节能、环保措施四、变配电系统4.1 负荷分级本工程为一级负荷用户,其用电设备按其性质分为:1)一级负荷设备安装容量共计:1500KW,含下列系统及设备用电:一级负荷:消防设备,应急照明,安防、通信网络,潜污泵,客梯,主要办公室,会议室,总值班室,档案室及主要通道照明,楼宇自控系统用电.2) 二级负荷:设备安装容量共计:1450KW,主要为其他普通照明、办公用电。
建筑电气施工图设计说明一、设计依据1.建筑概况本工程位于____(省市)____(区)____(路)。
总建筑面积约____。
地下____层,主要为____,地上___层,主要为____。
本工程属于___类(办公)建筑。
建筑主体高度___m,裙房高度___。
构造形式为___。
根底形式为___。
建筑类别为___类,防火保护对象分级为___级。
2.关专业提供应本专业的工程设计资料。
3.各市政主管部门对初步设计的审批意见。
4.甲方提供的设计任务书及设计要求。
5.国家现行的主要标准、规程及相关行业标准:"建筑照明设计标准"GB50034—2004:"高层民用建筑设计防火标准"GB50045—95(2005年版);"供配电系统设计标准"GB50052—2009:"10kV及以下变电所设计标准"GB50053—94:"低压配电设计标准"GB50054—2011:"建筑物防雷设计标准"GB50057—2010:"民用建筑电气设计标准"JGJ16—2008等。
二、设计范围1.本工程设计包括建立红线内的内容:10/0.4kV变、配电系统、电力配电系统、照明建筑物防雷、接地系统及平安。
2.与其他专业设计的分工〔1〕室外照明系统.由专业厂家设计,本设计仅预留电源。
〔2〕报告厅、多功能厅等的调光照明系统,本设计仅预留电源容量。
〔3〕有特殊设备的场所(例如洗衣机房、厨房等),本设计仅预留配电箱并注明用电量。
〔4〕有特殊装修要求的场所,由室内装修设计负责进展照明平面的设计。
本设计将电源引至配电箱.预留并在平面图上注明装修照明容量。
〔5〕电源分界点为地下一屋高压配电室电源进线柜内进线开关的进线端。
高压电缆分界小室属城市供电部门负责设计,高压分界小室内设备由供电局选型。
本设计提供此线路进入本工程建立红线范围内的路径、高压分界小室位置。
电气施工图设计说明一、建筑概况本工程位于(),()路与()路交叉口()。
建筑面积(m2)。
地下()层,要紧为车库、各种机房、库房,地上()层,要紧为办公室、餐厅、会议室等,属于()类建筑。
建筑主体高度(M),裙房高度(M)。
结构形式为(),基础为(),楼板厚(mm),垫层厚(mm)。
二、设计依据1.各市政主管部门对初步设计的审批意见;2.甲方设计任务书及设计要求;3.《民用建筑电气设计规范》JGJ/T16-92;4.《10KV及以下变电所设计规范》GB50053-94;5.《供配电系统设计规范》GB50052-95;6.《低压配电设计规范》GB50054-957.《建筑物防雷设计规范》GB50057-94;(2000年版)8.《高层民用建筑设计防火规范》GB50045-95;(2001年版)9.《人民防空地下室设计规范》GB50038-94;10.其它有关国家及地点的现行规范,规范;11.各专业提供的设计资料;三、设计范畴本设计包括红线内的以下内容:1.高、低压配电系统;2.电力配电系统;3.照明配电系统;4.楼宇自控系统;5.防雷及接地系统;6.人防工程;7.室外照明系统(与专业厂家配合);8.报告厅,演播室,多功能厅等的调兴照明系统(与专业厂家配合);9.有工艺设备的场所(例如:厨房、电梯等),设计仅预留配电箱;10.依照甲方()文,本工程设计时,公共场所及所有办公室的强电设备均只做预留,强电将电源引至配电箱,预留装修照明仅先期估算照明容量,待以后由室内装修设计负责进行配电盘及平面的二次设计,以防止重复投资。
11.本工程电源分界点在高压进线柜处。
四、供电设计1.本工程负荷等级为()级。
2.本工程从()及()引来两路10kv高压电源,每路均能承担本工程全部负荷。
两路高压电源同时工作,互为备用。
3.10kv高压电源引至设在本工程()层的分界室。
变配电所设在地下()层。
高压为单母线分段运行,手动联络,高压断路器为真空断路器,直流操作()AH,继电爱护为定时限过流及速断爱护。
强电部分一.建筑概况本工程属于_______ 类(办公)建筑。
总建筑面积 ____ m2,地下层,主要为_____________________ , 地上 ______ 层,主要为__________ 等。
建筑主体高度 ______ m,裙房高度m。
结构形式为__________ 。
基础形式为 _____ 。
______ 为人防工程,人防工程为_______ 级,平战结合;防护分类等级:________ 类,防火等级 ______ 级;二.设计依据1. 甲方提供的设计任务书及设计要求;2. 国家及地方的现行规定、规范及标准(略)。
3. 相关专业提供给的工程设计资料;4. 各市政主管部门对初步设计的审批意见;三.设计范围1. 本工程设计包括红线内的以下电气系统:10/0.4kV变配电系统;电力配电系统;照明系统;建筑物防雷、接地系统及安全措施;2. 与其它专业设计的分工:室外照明、立面照明系统,由专业厂家设计,本设计仅预留电源;报告厅、多功能厅等的调光照明系统,本设计仅预留电源容量;有特殊设备的场所(例如:电梯机房等),本设计仅预留配电箱并注明用电量;有特殊装修要求的场所,由室内装修设计负责进行照明平面的设计。
本设计将电源引至配电箱,预留装修照明容量。
电源分界点为地下一层高压配电室电源进线柜内进线开关的进线端。
高压分界小室属城市供电部门负责设计,高压分界小室内设备由供电局选型。
本设计提供此线路进入本工程设红线范围内的路径、高压分界小室位置。
四.10/0.4kV变配电系统1 .负荷分类及容量:本工程负荷等级为:一级负荷:_____________________________ 等;二级负荷:_____________________________ 等;三级负荷:其他电力负荷及一般照明。
负荷容量:安装负荷:_____________ k W ;计算负荷:____________kW ;无功功率:____________kvar;2•供电电源:本工程从区域变电站不同母线段,分别引来一路10kV专线电源,每路均能承担本工程全部负荷,两路10kV电源同时工作,互为备用,两路10kV电缆从建筑物西侧穿管埋地引入设在地下一层电缆分界室。
重庆暹钭实业集团有限公司电气设计说明书建设单位提供的电气设计要求和其它相关专业技术规范。
一、设计依据:《民用建筑电气设计规范》行业标准 JGJ 16-2008 《建筑照明设计标准》国家标准 GB50034-2004 《供配电系统设计规范》国家标准 GB50052-95《建筑物防雷设计规范》国家标准 GB50057-94 《低压配电设计规范》国家标准 GB50054-95《建筑物电子信息系统防雷设计规范》GB50343-2004《智能建筑设计标准》 GB/T50314-2006;《建筑设计防火规范》国家标准 GB50016-2006 《有线电视系统工程技术规范》 GB50200-94《综合布线系统工程设计规范》 GB50311-2007等二设计内容:供配电系统、电气照明、综合布线、有线电视、建筑物防雷与接地等。
三、配电系统:电源及电压:本工程采用高压电源进户,从乌牙山降压站直接引入10KV电源,进线电缆从原一期高压电源随行的预埋管道进入二期主变配电室。
配电方式:配电系统采用环氧树脂干式电力变压器降压,(三相五线制TNS系统)供电方式,电压(0.4KV)。
公共走道疏散应急照明采用自带应急电池的急照明灯具且应满足国标《消防应急灯具》GB17945-2000的要求。
四、配线:1、C/D/E栋均采用主干和支干线路(负荷按设计规范计算确定电缆横截面)。
1.1、商业部分各层供电均采用独立主干线,电井需按各层所需计费单位设置电表位置和总出二级配电柜的安放位置(计量装置选用智能电表计费)。
(看各层负荷大小,有可能采用密集母线槽供电)1.2、电影院采用独立主干线,低压一级出线柜应有独立计量装置。
办公楼和酒店均采用独立主干支线方式供电。
(看各层负荷大小,有可能采用密集母线槽供电)1.5、大十字一、二期广场在室外找合适位置设计一个二级配电箱供广场活动用电(最低负荷不能少于50KW)。
1.6、除住宅楼外,其余主电源到各层电井为止。
电气设计施工说明一、项目简介:本项目建筑工程的电气设计施工工作。
总建筑面积为xxxx平方米,共分为xxxx层。
本施工说明的目标是明确电气设计施工的具体要求,确保工程质量和工期进度。
二、施工范围:1.电气系统的总体设计,包括照明、动力、空调、消防、安防等方面;2.电气设备的选型、布置和安装;3.电力供电、配电系统的建设;4.控制系统的设计和安装;5.电气线路及配线管的敷设及施工;6.电气设备的调试和验收;7.电气系统的运行维护。
三、施工流程:1.前期准备:-确定项目要求,并依据相关标准和规范进行设计;-制定施工计划,明确工程进度;-准备所需材料和设备。
2.设计阶段:-根据项目要求和施工计划进行电气系统的设计,包括线路布置、负荷计算、配电系统等;-编制电气系统图纸和工程报告,经专业审核后开始施工。
3.施工阶段:-按照施工图纸进行电缆敷设和线路连接;-安装电气设备,包括开关箱、电能表、照明设备等;-进行配电系统的搭建和调试;-完成控制系统的安装和调试;-进行电气线路的绝缘测试和保护装置的调试。
4.完工阶段:-进行电气设备的验收,并填写相关验收报告;-进行电气系统的功能测试,确保正常运行;-整理相关施工资料和技术文件,进行归档。
四、质量控制:1.严格按照国家和地方规范进行设计和施工;2.进行材料和设备的质量检验,确保产品合格;3.设置专职监理人员进行现场监督,对施工质量进行把关;4.进行必要的质量测试和调试,确保电气系统的安全可靠。
五、施工安全:1.参考施工现场的相关安全规定,确保施工过程中的人员安全;2.严格遵守电气设备的安装要求和操作规程,防止电气事故发生;3.采取必要的防护措施,确保现场施工的安全。
六、成本控制:1.合理选用材料和设备,确保质量的同时尽量降低成本;2.提前制定施工计划,合理安排人力和设备的使用,提高施工效率;3.定期开展成本核算,及时发现和解决成本超支的问题。
七、工期安排:1.制定详细的施工计划,明确每个施工阶段的工期要求;2.合理安排人力和设备,确保施工进度的顺利进行;3.随时调整施工计划,应对工程变更和意外情况。
10kV变电站工程电气一次部分施工图设计说明书1 工程概述1.1 设计依据1.1.1 《设计任务委托书》。
1.1.2 用户提供设计资料。
1.1.3 天津市电力公司有关文件及国家规程、规范:《供配电系统设计规范》 GB 50052-2009;《20kV及以下变电所设计规范》 GB 50053-2013;《低压配电设计规范》GB 50054-2011;《3~110kV高压配电装置设计规范》GB50060-2008;《并联电容器装置设计规范》 GB 50227-2017;《交流电气装置的过电压保护和绝缘配合设计规范》 GB/T 50064-2014;《交流电气装置的接地设计规范》 GB 50065-2011;《电力工程电缆设计标准》GB 50217-2018;《电力装置电测量仪表装置设计规范》 GB/T50063-2017;《电力装置的继电保护和自动装置设计规范》 GB/T 50062-2008;《继电保护和安全自动装置技术规程》 GB/T 14285-2006;《火力发电厂、变电站二次接线设计技术规程》 DL/T 5136-2012;《火力发电厂与变电站设计防火规范》 GB50229-2006;《地区电网调度自动化设计技术规程》 DL5002-2005;《建筑物防雷设计规范》GB 50057-2010;《国家电网公司电力系统无功补偿配置技术原则》;天津市电力公司,2018年10月,《天津电网规划设计技术原则》;《天津市10kV及以下配电网建设与改造技术原则》;《天津市电力公司10kV及以下配电网工程典型设计》2017年版;以上规范版本以最新版为准。
1.2 工程概况1.2.1 工程概述建1座10kV变电站,变电站为食堂及附属用房电力设施提供电源供电,建筑耐火等级为二级。
设计使用年限为50年,抗震设防烈度为8度。
1.2.2 建设规模本期工程为北校区地块内新建10kV变电站一座,变电站主要为本工程新建食堂单体建筑供电,位于食堂建筑首层东北角(与建筑物合建),装机容量为:2500kVA(2x1250kVA),双电源供电,电压等级为10/0.4kV。
电气设计说明一、强电部分(一)工程概况略(二)设计依据1、《建筑设计防火规范》 GB50016-2014(2018版)2、《民用建筑电气设计标准》 GB51348-20193、《建筑照明设计标准》 GB50034-20134、《建筑物防雷设计规范》 GB50057-20105、《供配电系统设计规范》 GB50052-20096、《火灾自动报警系统设计规范》 GB50116-20137、《20KV及以下变电所设计规范》 GB50053-20138、《民用闭路监视电视系统工程技术规范》 GB50198-20119、《建筑物电子信息系统防雷技术规范》 GB50343-201210、《综合布线系统工程设计规范》 GB50311-2014(三)供配电设计1、负荷等级:消防水泵、防烟排烟设施、火灾自动报警、漏电火灾报警系统、自动灭火系统、应急照明、疏散指示标志和电动的防火门、窗、卷帘门、等消防用电、地下车库变频给水泵、弱电机房、客梯及排水泵等为二级负荷。
其余负荷为三级负荷。
2、供电电源及电压:(1)设置开关站和两处变电所①本工程一期厂区内,需要引自市政高压开关站1路10KV电源和本厂区1路10KV电源,设置1个总开关站于一期1#楼。
②在一期1#楼设置1个10/0.38KV专用变电所, 供其地块的培训中心、专家楼、食堂以及公共配套等用电;③变压器之间低压侧联络方式:低压配电系统采用各变压器单母线分段的运行方式,中间设联络开关,正常情况下变压器分列运行,因一台变压器由故停运时,经负荷调整后,联络开关手动合闸,各母线段的进线主开关与联络开关之间,设有防止变压器并列运行的联锁机构,任何情况下相关两段母线的三个开关之间,只能有两个开关处于闭合状态。
④功率因数补偿方式:在变配电室低压侧设功率因数集中自动补偿装置,低压补偿电容器选用干式全膜金属化电容器,电容器组采用自动循环投切方式,要求补偿后高压侧功率因数不小于0.92。
建筑电气总设计施工说明一.设计依据1.建筑概况:本建筑位于。
总建筑面积㎡,地上层,主要为宿舍,活动室等。
本建筑总高度m,主体部分采用混凝土框架结构体系。
本建筑物奈何等级为级。
2.相关专业提供的工程设计资料:3.甲方提供的设计任务书及设计要求;4.中华人民共和国现行主要标准及法规:《供配电系统设计规范》GB50052—2009 《低压配电设计规范》GB50054-2011《建筑照明设计标准》GB50034—2004 《建筑设计防火规范》GB50016—2006《剩余电量动作保护装置安装与运行》GB13955-2005 《建筑物防雷设计规范》GB50057-2010《火灾自动报警系统设计规范》GB50116—2007 《通用用电设备配电设计规范》GB50055—2011《民用建筑电气设计规范》JGJ16-2008 《建筑电气工程施工质量验收规范》GB50303-2002其他有关国家及地方的现行规程、规范及标准。
5.本图图例采用《电气简图用图形符号》GB/T4728和国家监造标准设计图集《建筑电气工程设计常用图形和文字符号》09DX001。
二、设计规范1、本工程设计包括以下电气系统:220/380V配电系统;照明系统,建筑物防雷、接地系统及安全措施;消火栓按钮报警系统。
2、其他专业设计的分工:1)有特殊装修要求的场所,由装修设计负责进行照明平面的设计.本设计奖电源引至配电箱,预留装修照明容量。
2)有不清楚设备的场所,本设计仅预留配电箱并注明电量。
三、220/380V配电系统1.低压配电系统采用220/380V放射式与树干式相结合的方式,对于单台容量较大的负载或重要负荷采用放射式供电,对于照明及一般负荷采用树干式与放射式相结合的供电方式。
2.一级负荷:采用双电源供电并在末端互投.3.二级负荷:采用双电源供电,在末端互投(或在适当位置互投)。
应急照明采用灯具内附电池组单电源供电。
二级负荷设备如有应急照明,用电容量为18KW.4.三级负荷:采用单电源供电,三级符合设备。
设计说明一、工程概况建筑性质:住宅;建筑类型:一类高层;建筑总面积:2.33万m2;建筑层数:地下一层,地上二十一层;建筑总高度:98.8m;结构类型:剪力墙。
二、设计依据1、《民用建筑电气设计规范》 JGJ16-2008;2、《住宅设计规范》 GB50096-2011;3、《建筑照明设计标准》 GB50034-2013;4、《高层民用建筑设计防火规范》 GB50045-95(2001年版);5、《建筑物防雷设计规范》 GB50057-2011;6、《有线电视系统工程技术规范》 GB50200-94;7、建设单位提出的设计要求;8、本工程建筑、结构、暖通、动力、给排水专业提供的设计资料。
三、设计范围1、电力、照明系统(不包括二次装修部分内容);2、防雷、接地及安全系统;3、火灾自动报警及联动控制系统;4、有线电视系统;5、电话系统;6、可视对讲系统。
四、低压配电系统1、负荷分级消防一级负荷:消防电梯排污泵,消防电梯,正压风机、排烟风机、补风风机、事故风机,消火栓泵、喷淋泵、稳压泵,消防控制室设备等用电设备和备用照明及疏散指示等用电设备。
非消防一级负荷:走道照明、值班照明,安防系统用电,普通排污泵、生活水泵用电,弱电机房客梯用电,障碍照明用电。
其余为三级负荷。
2、负荷容量设备容量:2471.2kW;五、电力、照明系统1、配电系统(1)本建筑电力进线电压等级为10kV,在负一层变配电室设置10kV分配系统。
并在负一层变配电室设置两台SCB10-10/0.4kV-800kVA干式变压器,接地系统为TN-S,采用单母线方式运行。
(2)低压配电系统详见低压配电干线系统图。
(3)在负一层备用发电机房设备一台备用200kW柴油发电机组。
一级负荷备用电源引自柴油发电机组,消防设备两路电源在末端配电箱处自动切换。
2、照明(1)照度标准:公共走道50LX,楼梯间30LX,电梯厅75LX,门厅100LX。
(2)照明分支线路,每回路均单独设置中性线,不得共用。
电气设计通用说明1.施工时请遵照国家有关规范、规定,具体作法请参照相关国家标准图集以及《建筑电气安装工程图集》,等电位联结安装02D501-2、建筑物防雷设施安装99D501-1、接地装置安装03D501-4 等。
2.低压配电接地系统采用TN-S。
(图中注明者除外)在PE线的材质与相线相同的前提下,当相线的截面S≤16mm2 PE 时≥S 线的截面应16<S<;当相线的截面35mm2 时,PE线的截面应;当相线的截面≥16mm2时,PE 线的截面应>35mm2 ,若≥S/2线采用单芯绝缘导线,当有机械性的保护时,最小截面不小于2.5mm2 ;反之其最小截面不应小于4 mm2。
3.采用接地故障保护时,在建筑物内应进行总等电位联结。
具体作法参见标准图集02D501-2 《等电位联结安装》。
4.每套住宅设置能同时断开相线和中性线的电源总断路器,每套住宅的空调电源插座、电源插座与照明分路设置,其中电源插座回路设置漏电保护,其动作电流为30mA,每幢住宅的总电源进线断路器具有漏电保护功能,其漏电动作电流500mA,动作时间延长至0.5S,住户总电源断路器漏电动作电流100mA,动作时间延长至0.3S(注明者除外)。
5.线路敷设要求(1)别墅,办公楼等一般采用穿管暗敷设,但某些简单建筑(如宿舍)或因建设单位要求也可采用线槽或穿管明敷。
导线和电缆均采用铜芯并且电力分支回路截面≥2.5mm2 ,塑料管或线槽板均采用难燃材料。
(2)不同电压等级、不同回路的线路不应穿于同一管内,同一路径无防干扰要求的线路可敷设于同一槽内,但同一回路的所有相线和N 线应在同一外壳内。
弱电、强电、消防线路应分开槽(管)敷设。
消防设备的配电回路当明敷时应穿在涂有防火材料的金属管或封闭金属线槽内。
(3)电缆穿管保护时,保护管内径不小于电缆外径的1.5倍;线路没有弯头时,长度不超过50m,有一个弯头时,长度不超过25m,有两个弯头时,加设分线箱。
电气施工设计说明1 设计依据1.1 建筑概况本工程位于(省市) (区)(路)。
总建筑面积约m2。
地下层,主要为,地上层,主要为等。
本工程属于类(办公)建筑。
建筑主体高度m,裙房高度m。
结构形式为。
基础形式为。
人防工程为级,平战结合。
建筑类别为类,防火保护对象分级为级。
1.2 相关专业提供给本专业的工程设计资料。
1.3 各市政主管部门对初步设计的审批意见。
1.4 甲方提供的设计任务书及设计要求。
1.5 国家现行的主要规范、规程及相关行业标准:《建筑照明设计标准》GB50034-2004;《高层民用建筑设计防火规范》GB50045-95(2005年版);《供配电系统设计规范》GB50052-95;《10kV及以下变电所设计规范》GB50053-94;《低压配电设计规范》GB50054-95;《建筑物防雷设计规范》GB50057-94(2000年版);《汽车库、修车库、停车场设计防火规范》GB50067-97;《民用建筑电气设计规范》JGJ16-2008等。
2 设计范围2.1 本工程设计包括建设红线内的内容:10/0.4kV变、配电系统、电力配电系统、照明系统、建筑物防雷、接地系统及安全、人防工程、电气节能和环保。
2.2 与其他专业设计的分工2.2.1 室外照明系统,由专业厂家设计,本设计仅预留电源。
2.2.2 报告厅、多功能厅等的调光照明系统,本设计仅预留电源容量。
2.2.3 有特殊设备的场所(例如电梯机房、洗衣机房、厨房等),本设计仅预留配电箱并注明用电量。
2.2.4 有特殊装修要求的场所,由室内装修设计负责进行照明平面的设计。
本设计将电源引至配电箱,预留并在平面图上注明装修照明容量。
2.2.5 电源分界点为地下一层高压配电室电源进线柜内进线开关的进线端。
高压电缆分界小室属城市供电部门负责设计,高压电缆分界小室内设备由供电局选型。
本设计提供此线路进入本工程建设红线范围内的路径、高压电缆分界小室位置。
3 10/0.4kV变配电系统3.1 负荷分类及容量一级负荷:等;二级负荷:等;三级负荷:其他电力负荷及一般照明。
3.1.2 各级负荷容量一级负荷:kW;二级负荷:kW;三级负荷:kW。
3.2 供电电源3.2.1 本工程从及变电站(或同一变电站不同母线段),分别引来一路10kV (非)专线电源,每路均能承担本工程二级以上全部负荷,两路10kV电源同时工作,互为备用,两路10kV 电缆从建筑物西侧穿管埋地引入设在地下一层的高压分界小室。
3.2.2 进户高压电缆规格、型号由供电部门确定。
3.3 自备电源3.3.1 本工程选用一台柴油发电机组,功率为kW,作为自备电源。
3.3.2 当二路市电停电或同一变配电所两台变压器同时故障时,从低压进线配电柜进线开关前端取柴油发电机的延时启动信号NHKVV-nx2.5 至柴油发电机房,信号延时0~10s(可调)自动启动柴油发电机组,柴油发电机组s内达到额定转速、电压、频率后,投入额定负载运行。
3.3.3 当市电恢复30~60s(可调)后,由A TS 自动恢复市电供电,柴油发电机组经冷却延时后,自动停机。
3.4 高、低压供电系统结线型式及运行方式3.4.1 高压为单母线分段运行方式,中间设联络开关,平时两路电源同时分列运行,互为备用,当一路电源故障时,通过手/自动操作联络开关,由另一路电源负担二级以上全部负荷。
高压主进开关与联络开关之间设电气联锁,任何情况下只能有两个开关处在闭合状态。
3.4.2 低压为单母线分段运行,联络开关设自投自复/自投不自复/手动转换开关。
自投时应自动断开非保证负荷,以保证变压器正常工作。
低压主进开关与联络开关之间设电气联锁,任何情况下只能有两个开关处在闭合状态。
3.5 变配电所3.5.1 本工程在地下层设座变配电室。
3.5.2 本工程设备安装容量为:Pe= kW(不含消防设备)。
其中:照明kW,电力kW,空调kW。
Pj= kW, Qj= kVar,Sj= kV A。
消防设备kW。
3.5.3 选用台kV A户内型干式变压器。
接线为D,Yn11。
Uk= %。
每台变压器负荷率约为:%。
3.6 10kV继电保护10kV继电保护方式及信号装置的设置:进线设过流、速断、零序保护;联络设过流、速断保护;出线设过流、速断、零序保护;变压器设置高温报警、超高温跳闸保护。
3.7 计量本工程根据供电部门要求高压设光总表,低压设力子表。
3.8 功率因数补偿在变配电室低压侧设功率因数集中自动补偿装置,电容器组采用自动循环投切方式,要求补偿后的功率因数不小于。
并要求荧光灯、气体放电灯单灯就地补偿,使其功率因数不小于。
3.9 谐波治理由于谐波分布的多变性和谐波工程计算的复杂性,变电所设计时预留滤波设备平面安装位置,待系统正式运行后对谐波进行实测和分析,根据实际情况采取相应有效的谐波治理措施。
变频等设备谐波含量超出标准者,就地设谐波吸收装置。
3.10 操作和信号电源3.10.1 10kV配电设备采用中置式开关柜。
在10kV出线开关柜内装设真空断路器。
真空断路器选用弹簧储能(电磁)操作机构。
3.10.2 操作电源采用(220V、110V)免维护铅酸电池柜65Ah作为直流操作、继电保护及信号电源。
3.11 低压断路器(运行、极限)分断能力1600kV A干式变压器,Uk= %,低压断路器要求运行分断能力:kA及以上。
1600kV A干式变压器,Uk= %,低压断路器要求运行分断能力:kA及以上。
3.12 低压保护装置低压主进、联络断路器设过载长延时、短路短延时和瞬时保护脱扣器,其他低压断路器设过载长延时、短路瞬时脱扣器,部分回路设(分励)脱扣器,这些回路既可以在自动互投时,卸载部分负荷,防止变压器过载,又可以在火灾时,切断火灾场所相关非消防设备电源。
4 电力配电系统4.1 低压配电系统采用~220/380V放射式与树干式相结合的方式,对于单台容量较大的负荷或重要负荷采用放射式供电;对于照明及一般负荷采用树干式与放射式相结合的供电方式。
一级负荷:消防负荷采用双电源供电并在末端互投。
二级负荷:采用双电源供电,在适当位置互投。
三级负荷:采用单电源供电。
4.2 标准层采用方式供电,较为分散的负荷采用方式供电。
4.3 本工程小于kW的电动机采用全压启动方式;kW及以上电动机采用启动方式。
4.4 电力设备控制方式4.4.1 污水泵采用液位传感器就地控制,水位超高报警、水位显示及泵故障由BA系统完成。
4.4.2 冷冻机、冷冻泵、冷却泵、冷却塔、空调机、新风机、排风机、送风机等采用DDC 及手动控制。
4.4.3 消防专用设备:消火栓泵、喷淋泵、消防系统稳压泵、排烟风机、加压送风机等不进入BA系统。
消防专用设备的过载保护只报警,不跳闸。
消火栓泵、自动喷洒泵等消防用水泵设自动巡检装置。
4.4.4 排风兼排烟风机,进风兼补风风机:平时由DDC系统控制,火灾时由消防控制室控制,消防控制室具有控制优先权。
用于消防时,设备的过载保护只报警,不跳闸。
5 照明系统5.1 照明要求5.1.1 光源:有装修要求的场所视装修要求商定,一般场所为荧光灯、金属卤化物灯或其他节能型灯具。
光源显色指数Ra≥,色温应在K~ K之间。
线采用NHBV-3x2.5mm SC15外,其他均为ZRBV-3x2.5mm SC15,所有插座回路(2.2m以上空调插座除外)、电开水器回路、室外照明灯具低于2.4m的回路均设剩余电流断路器保护。
5.1.4 荧光灯灯管为节能型(T5、T8)灯管,光通量为lm以上,电感式节能镇流器加电容补偿使cos%%c≥0.90。
5.1.5 装饰用灯具需与装修设计及甲方商定,功能性灯具如:荧光灯、出口标志灯、疏散指示类需有国家主管部门的检测报告,达到设计要求的方可投入使用,并应满足功率密度值要求。
5.2 应急照明5.2.1 等的照明100%为应急照明;等的照明50%为应急照明;其他公共场所应急照明一般按正常照明的10%~15%设置。
5.2.2 在大空间用房、走廊、楼梯间及其前室、消防电梯间及其前室、主要出入口等场所设置疏散照明。
5.2.3 等公共场所、娱乐设施场所,其疏散通道上设置蓄光型疏散导流标志。
5.2.4 出口标志灯、疏散指示灯、疏散楼梯、走道应急照明灯采用供电应急照明系统,其他场所应急照明采用双电源末端互投供电,除避难层应急照明持续供电时间大于60min外,其他场所应急照明持续供电时间应大于30min。
应满足《消防应急灯具》GB17945的相关要求。
5.2.5 应急照明平时采用就地控制或由建筑设备自动监控系统统一管理,火灾时由消防控制室自动控制点亮全部应急照明灯。
5.3 照明安装5.3.1 除注明外,变配电室灯具管吊式安装,距地m。
5.3.2 其他有吊顶的场所,选用嵌入式格栅荧光灯,反射器为雾面合金铝贴膜。
5.3.3 无吊顶场所选用控照式(或盒式)荧光灯,链吊式安装,距地m。
5.3.4 地下车库为管吊,距地m。
5.3.5 壁灯距地m。
灯具形式由甲方确定。
5.3.6 地下室深、广照灯,管吊安装,距地m。
5.3.7 无障碍厕位底距地0.5m设求助按钮,门外处底距地2.5m设求助音响装置。
5.4 室外照明5.4.1 室外立面照明、庭院照明由专业厂家设计,设计院配合。
5.4.2 室外照明的控制纳入建筑设备监控系统统一管理。
5.4.3 航空障碍物照明:根据《民用机场飞行区技术标准》要求,本工程分别在45m、90m 及屋顶四角位置设置航空障碍标志灯,航空障碍标志灯的控制纳入建筑设备监控系统统一管理,并根据室外光照及时间自动控制。
5.5 照明控制5.5.1 等处的照明采用就地设置照明开关控制;5.5.2 等照明要求较高的场所根据要求采用智能照明控制系统;5.5.3 等公共场所的照明采用照明配电箱就地控制并纳入建筑设备监控系统统一管理;5.5.4 等处的应急照明为长明灯。
6 设备选择及安装6.1 变压器按干式变压器设计,设强制风冷系统及温度监测及报警装置。
接线为D,Yn11,保护罩由厂家配套供货,防护等级不低于IP20。
6.2 高压配电柜按开关柜设计;直流屏按高频开关并配免维护铅酸电池组成套柜设计,信号屏与之配套。
6.3 低压配电柜按型设计,固定柜,落地式安装。
6.4 柴油发电机组为风冷型,其进、出风及基础以为设计依据参数。
机组为应急自启动型,应急启动电源切换装置及相关设备由厂家成套供货。
6.5 各层照明配电箱,除竖井、防火分区隔墙上明装外,其他均为暗装(剪力墙上除外);安装高度为底边距地1.5m。
应急照明箱、消防设备配电箱箱体应有明显标志,并做防火处理。
6.6 动力箱、控制箱除竖井、机房、车库、防火分区隔墙上明装外,其他均为暗装,箱体高度:600mm以下,底边距地1.5m;600mm~800mm高,底边距地1.2m;800mm~1000mm 高,底边距地1.0m;1000mm~1200mm高,底边距地0.8m;1200mm以上,为落地式安装,下设300mm基础。