电力机车电机期末考试
- 格式:doc
- 大小:19.50 KB
- 文档页数:2
呼和浩特职业学院《电力机车机械部分》期末考试理论试题(A)标准答案及评分细则铁道学院学院(部) 2012 ~20 13 学年度第二学期年级专业: 12电气化一、填空题(2分×15)1.机械能、机车;2.工业用电力机车、大功率干线用电力机车;3. 分配均匀、牵引力;4.门联锁阀、保护电空阀;5.受电弓、高压断路器;6.轮缘、踏面;7.变压器室顶盖、辅助室顶盖;8.构架、轴箱;9.架悬式、体悬式;10.开锁、全开;11. 转向架、牵引缓冲装置;12. 整流硅机组、PFC电容柜;13.轴重转移、黏着牵引力;14.轴箱、转向架构架15.车体、转向架。
二、选择题(2分×10)1.C2.C3.B4.B5.B6.A7.A8.B9.A 10.A三、判断题(2分×10)1. 对2.错3.对4.错5.对6.对7.对8.错9.对 10.对四、简答题(5分×4)1.答:(1)传递重力。
(2)传递纵向力和横向力。
(3)改善机车的动力学性能。
(4)保证机车的灵活性和稳定性。
(5)缓和钢轨对机车的冲击和振动,改善部件的工作可靠性和乘务员的舒适度。
(5分)2.答:转向架一般是由构架、轮对、轴箱、轴箱悬挂装置、牵引电机及其悬挂装置、齿轮传动、基础制动装置、手制动装置、附属装置、砂箱装置等组成。
(写对5个及以上得5分,不全或有错均得0分)3.答:钢轨对机车的垂向冲击作用力传递:钢轨——轮对——轴箱——轴箱圆簧——构架——支承装置(旁承)——车体(5分)4.答:特点:风压大,风力集中,适应于较远距离通风,(1分)出风体积大(1分);但转速低,效率低。
(1分)SS4改机车单节共用2台离心式风机,用于前后转向架牵引电机等设备的通风(2分)五、论述题(10分×1)答:车顶设备包括:1—受电弓、2—主断路器、3—金属氧化物避雷器、4—高压电流互感器、5—高压电压互感器、6—高压连接器(6分)2—机车总开关和总保护;6—实现两节机车的电路重联。
电力机车考试题电力机车是通过受电弓从______获取电能的。
电力机车的牵引电动机通过______将电能转化为机械能。
驾驶室里的司机可以通过操纵台控制电力机车的______和速度。
电力机车的优点是什么?与内燃机车相比有何不同?如果你是一名电力机车司机,如何保证行车安全?电力机车只能在有接触网的线路上运行。
()电力机车的功率是恒定的,不受电阻影响。
()当电力机车的受电弓磨损时,可以涂点润滑油解决问题。
()电力机车是一种比内燃机车更环保的运输工具。
()以上就是电力机车考试题,希望对大家有所帮助。
如果大家想了解更多关于电力机车的信息,可以查阅相关书籍或咨询专业人士。
随着电力牵引技术的发展,交流传动系统在电力机车设计中的应用越来越广泛。
HD3电力机车作为新一代的动车组,其交流传动系统的设计对于整车的性能、效率和稳定性具有至关重要的影响。
本文将对HD3电力机车的交流传动系统设计进行详细的研究和分析。
HD3电力机车的交流传动系统主要由牵引变流器和牵引电机组成。
牵引变流器包括网侧变流器和负载侧变流器,分别连接到电网和电机。
网侧变流器接受高压电网的输入,并将其转换为较低的直流电压;负载侧变流器则将直流电压转换为三相交流电压,以驱动牵引电机。
网侧变流器的主要功能是接受电网的输入,并通过整流和滤波,将高压交流电转换为直流电。
其设计需要考虑的主要因素包括功率因数、谐波含量和直流电压控制。
通过选择合适的整流器和滤波器,以及设计相应的控制策略,可以有效地实现这些目标。
负载侧变流器的任务是将网侧变流器输出的直流电转换为三相交流电,以驱动牵引电机。
其设计需要考虑到电机的控制策略,包括转矩控制、速度控制和电流控制等。
还需要考虑负载侧变流器的热设计和电磁设计,以确保其在各种工况下的稳定运行。
高效率:交流传动系统具有较高的能量转换效率,能够减少能源的浪费。
高性能:通过精确的电机控制策略,交流传动系统可以实现更高的牵引力和速度控制精度。
机车电工期末考试题及答案一、选择题(每题2分,共20分)1. 机车电工在进行电气设备维护时,首先应做的是:A. 直接进行设备检查B. 切断电源C. 记录设备状态D. 询问设备使用情况答案:B2. 机车电气系统中,用于控制电流方向的设备是:A. 变压器B. 断路器C. 继电器D. 整流器答案:D3. 以下哪个不是机车电工的职责?A. 维护电气设备B. 检查电气线路C. 驾驶机车D. 修理电气故障答案:C4. 在机车电气系统中,过载保护通常使用的是:A. 熔断器B. 断路器C. 继电器D. 接触器答案:A5. 机车电工在进行电气设备维修时,必须遵守的原则是:A. 节约成本B. 安全第一C. 快速维修D. 技术优先答案:B...(此处省略其他选择题,以保持题目的完整性)二、判断题(每题1分,共10分)1. 机车电工在进行高压电气设备操作时,不需要穿戴绝缘手套。
(错误)2. 机车电气系统中,所有电气设备都应有明确的标识和操作说明。
(正确)3. 机车电工在维修时,可以不按照操作规程进行工作。
(错误)4. 机车电工在发现电气设备异常时,应立即切断电源并报告。
(正确)5. 机车电工不需要定期对电气设备进行维护和检查。
(错误)...(此处省略其他判断题)三、简答题(每题10分,共30分)1. 请简述机车电工在进行电气设备检修时的基本步骤。
答案要点:- 切断电源- 检查设备状态- 记录故障现象- 进行故障诊断- 执行维修操作- 测试设备功能- 恢复设备运行- 记录维修过程2. 描述机车电工在遇到电气火灾时的正确应对措施。
答案要点:- 立即切断电源- 使用灭火器扑灭初期火灾- 通知消防部门- 疏散人员- 保护现场3. 解释什么是电气接地,并说明机车电工在接地工作中的注意事项。
答案要点:- 电气接地是将电气设备或系统的一部分连接到地面,以防止电气故障时的电压升高。
- 注意事项包括确保接地线连接牢固、接地电阻符合标准、定期检查接地系统等。
电力机车期末考试题及答案一、选择题(每题2分,共20分)1. 电力机车的牵引力主要来源于:A. 内燃机B. 电动机C. 蒸汽机D. 风力机答案:B2. 电力机车的供电方式通常是:A. 柴油发电机B. 太阳能C. 交流电D. 蓄电池答案:C3. 下列哪项不是电力机车的优点?A. 噪音小B. 污染少C. 维护成本高D. 运行效率高答案:C4. 电力机车的牵引电机通常使用的是:A. 直流电机B. 交流电机C. 步进电机D. 伺服电机答案:B5. 电力机车的制动系统一般采用:A. 机械制动B. 电磁制动C. 液压制动D. 空气制动答案:B6. 电力机车运行时,车顶的受电弓与:A. 钢轨接触B. 接触网接触C. 地面接触D. 空气接触答案:B7. 电力机车的牵引控制系统通常包括:A. 牵引电机和制动系统B. 牵引电机和传动系统C. 制动系统和传动系统D. 牵引电机、传动系统和制动系统答案:D8. 电力机车的牵引力控制主要通过调节:A. 电压B. 电流C. 频率D. 电阻答案:A9. 电力机车在运行中,若发生紧急情况,应首先采取的措施是:A. 紧急制动B. 停车检查C. 通知调度D. 继续运行答案:A10. 电力机车的运行速度通常由:A. 司机手动控制B. 自动控制系统控制C. 轨道信号控制D. 车辆重量控制答案:B二、填空题(每空2分,共20分)11. 电力机车的牵引力是由________产生的。
答案:电动机12. 电力机车在运行中,通过________与接触网连接来获取电能。
答案:受电弓13. 电力机车的制动方式包括________制动和机械制动。
答案:电磁14. 电力机车的牵引控制系统可以实时调节________和电流,以控制牵引力。
答案:电压15. 电力机车的运行速度和牵引力可以通过________系统进行精确控制。
答案:自动控制16. 电力机车的维护成本相对较________。
答案:低17. 电力机车的运行效率高,主要得益于其________效率高。
《电力机车电机》课程复习资料一、填空题:1.将机械能转换为直流电能的电机称为;将直流电能转换为机械能的电机称为。
2.直流电机由静止的和旋转的两大部分组成。
3.直流电机具有可逆性,既可作使用,也可作使用。
4.直流电机的励磁方式可分为、、、四类。
5.机车上采用串励牵引电动机存在的缺点主要为:(1)个别传动时,;(2)电气制动时,需要将励磁绕组改接为。
6.调节电动机转速的方法有三种,即:、、。
7.电枢元件从电枢绕组一条支路经过电刷进入电枢绕组另一条支路,该元件中电流从一个方向变换到另一个方向的过程,称为。
8.改变电动机转向的方法有两种:一是,二是。
若同时改变磁通方向及电枢电流的方向,则直流电动机转向。
9.脉流牵引电动机的主磁极由和两部分组成。
10.脉流牵引电动机的换向极由和两部分组成。
11.换向回路电阻主要是决定于的接触电阻。
12.磁桥的作用是,避免由于整体机座对交变磁通的涡流作用。
13.脉流牵引电动机转子由、、和等部件组成。
14.牵引电动机的传动方式通常可分为和两种。
15.牵引电动机的机座一般都采用导磁性能和机械性能良好的制成。
16.电压互感器在使用时副边不许。
17.变压器负载运行就是指的状态。
18.变压器铁心既作为变压器的,又作为变压器的。
19.变压器的电压变化率与它的负载大小成比。
20.变压器的铁心都采用。
21.变压器运行时铁心中的基本上不变。
22.环火时牵引电动机处于运行状态。
23.三相异步电动机常用的降压起动方法有降压起动、降压起动、降压起动、降压起动。
24.单相异步电动机起动转矩。
25.三相异步电动机由和两个基本部分组成。
26.三相异步电动机机座一般采用制成。
27.当转差率s为负值时,三相异步电机作运行。
28.三相异步电动机的调速方法有、和三种。
29.异步电动机的转子由、及组成。
30.按照转子型式,异步电机可分为转子和转子两大类。
31.三相异步电动机反转的方法是将。
32.异步劈相机自行起动。
复习题:一、填空题1、直流发电机转子的功用是产生()、电磁转矩,从而使能量转换。
2、直流他励发电机的励磁绕组与电枢绕组(),励磁电流另一个独立的电源供给。
3、直流电机既可作为发电机工作,也可作为电动机工作。
这称之为直流电机的()。
4、直流电机的刷架、刷盒的功用是使固定的电刷与旋转的换向器保持(),使外电路与电枢连接起来。
5、变压器是根据()原理制成的一种能把交流电从一个电压值转换为另一个不同电压值的静止电器。
6、机车牵引电机在电阻制动时作为()运行。
7、三相交流电机的定子绕组联接方法有()和三角形接法两种。
8、感应电动势的方向用()确定。
9.主断路器传动气缸的作用为:接收( )或启动阀传来的压缩空气,驱动其活塞动作,以完成隔离开关的开断或闭和。
10.机车通风机分为( )和轴流式通风机两大类。
11.电空阀按其作用原理可分为开式和( )电空阀。
12.电空阀是一种借助于( )的作用来控制压缩空气管路的接通或阻断,以实现气路转换的三通阀门。
13.当受电弓升起时,其( )与接触网的接触导线发生接触,从而将电流引入机车。
14.主变压器的作用是将接触网上取得的高压电变换为具有多种电压等级的( )。
15.电力机车通常采用改变牵引电动机( )电流的方向的方法改变牵引电动机的旋转方向。
16.交流互感器是按照( )原理来工作的一种测量设备。
17.电空接触器是以电磁阀控制、用( )传动的接触器。
18.控制电器能够自动或非自动地控制电机的起动、调速、( )及换向的电器称为控制电器。
19.按传动方式电器可分为手动电器和( )电器。
20.牵引电器的基本结构是由( )、感测机械、保护机械三部分组成。
21.万能转换开关具有( )、电气联锁或电源控制等用途。
22.电磁接触器是用( )来驱动衔铁,进而带动触头闭合或断开,以控制电路。
23.平波电抗器是改善牵引电动机的换向,就是要减少( )的脉动。
24.接触器触头按用途分为主触头和( )。
机车电机复习题及参考答案一、填空题1. 直流电机具有可逆性,既可作使用,也可作使用。
2.当直流发电机电刷两端获得直流电势后,若接上负载,载流导体在磁场中产生的电磁转矩与电枢旋转的方向,故称为阻转矩。
3.直流电动机具有,和等特点。
4.直流电机定子主要由、、和等组成。
5.直流电机的励磁方式可分为、、、四类。
6.调节电动机转速的方法有三种,即:、、。
7.电枢元件从电枢绕组一条支路经过电刷进入电枢绕组另一条支路,该元件中电流从一个方向变换到另一个方向的过程,称为。
8.产生火花通常归纳为、和三个方面的原因。
9.机车上采用串励牵引电动机存在的缺点主要为:(1)个别传动时,;(2)电气制动时,需要将励磁绕组改接为。
10.改变电动机转向的方法有两种:一是,二是。
若同时改变磁通方向及电枢电流的方向,则直流电动机转向。
11. 在发电机里电磁转矩是转矩;在电动机里电磁转矩是转矩。
12.牵引电动机的传动方式通常可分为和两种。
13.牵引电动机工作的主要特点:、、、、。
14.正常的换向器表面薄膜应当是色的,在手电光照之下,换向极应满足以下要求:(1),2)换向极绕组必须与电枢绕组,(3)换向极磁路处于状态。
15.换向回路电阻主要是决定于的接触电阻。
16.磁桥的作用是,避免由于整体机座对交变磁通的涡流作用。
17、三相异步电动机根据转子结构的不同,分为和两大类。
18、直流电动机的感应电动势Ea=19、异步电动机可以通过改变定子绕组的极对数、改变和改变进行调速。
20、机车的牵引力的大小与牵引电动机的转矩成,与动轮直径成。
21、劈相机的作用是。
22、为了扩大调速范围,常将直流牵引电动机的几种调速方法配合使用。
如电力机车和内燃机车,常采用和。
23、直流电机换向过程中产生火花的原因主要有:、和化学原因。
24、根据励磁方式的不同,电机分为他励、串励、并励和复励几种类型,直流牵引电动机和脉流牵引电动机通常采用励磁方式。
25、直流电机是和相互转换的旋转电机之一。
机车电工复习题一、填空题1、中间继电器284KE作用是不论机车在电网下还是使用库内电源,都能使机车获得_220_V电源。
型电力机车控制电源柜主要产生稳定的直流110V控制电源,供2、SS4B机车低压控制电路使用,同时还提供直流48V、24V、15V电源,分别供机车自动信号装置、两端司机室仪表照明使用。
3、若劈相机1故障,则将242QS打到“2”位,此时,劈相机1被切除,劈相机2代替劈相机1工作。
型电力机车采用两台劈相机,劈相机启动继电器283AK监测着14、SS4BMG的全部启动过程,并控制起动电阻回路的开断。
型电力机车在电网下,235QS倒向运行位,若机车库内时,235Q5、SS4BS“库用”位,以便使用库内电源。
6、SS型电力机车当次边出现短路,经次边电流互感器――微机柜过流4B保护环节,使主断路器4QF动作,实现保护,其整定值为3000±5%A。
型电力机车取消了传统的电机电流过流继电器,电机的过流信号7、SS4B由直流电流(传感器)经微机柜发出,而进行卸载或跳主断,牵引电机过流保护整定值为1300±5%_A。
型电力机车控制电路的保护控制是指保护与主电路、辅助电路有8、SS4B关的执行控制,其保护结果有两种:一种是跳主断;另一种是跳接触器型电力机车能在静止状态下检查加馈制动系统是否正常,机车静止9、SS4B时,系统仍能给出50A的加馈制动电流,此时励磁电流达到最大值930A。
型电力机车主电路保护包括:短路、过流、过电压以及主接地保10、SS4B护等四个方面。
型电力机车采用了加馈电阻制动电路,主要优点是能够获得较11、SS4B好的制动特性,特别是低速制动特性。
型电力机车主接地继电器位于主变流装置上下桥的中点,使整流12、SS4B装置对地电位降低,改善硅元件工作条件。
13、直流电动机的起动方法有直接起动、降压起动和电枢电路串变阻器起动三种.14、ZD114牵引电机电枢绕组是产生感应电动势和电磁转矩,实现能量转换的重要部件之一。
呼和浩特职业学院《电力机车机械部分》
实作期末考试试题(A )
铁道 学院(部)2010~2011 学年度第二学期
年级专业: 10电气化 姓名: 学号:
注意:考试时间60分钟。
一、转向架的组成及作用(20分)
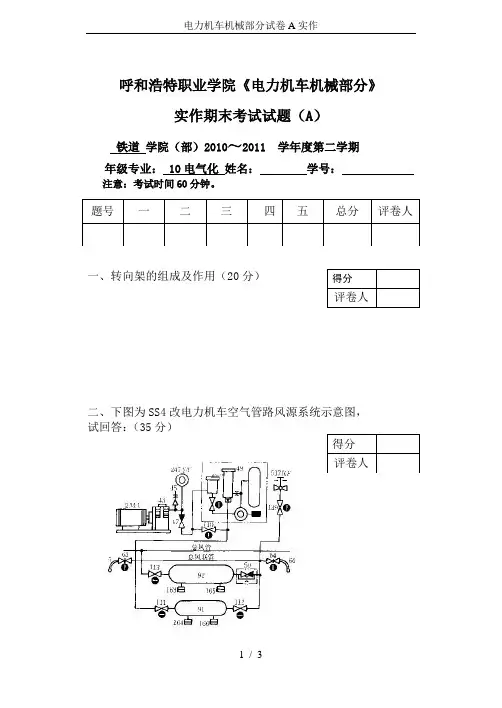
二、下图为SS4改电力机车空气管路风源系统示意图, 试回答:(35分)
1.写出风源系统的压缩空气通路(15分)
2.写出图中45、247YV、49、50、517KF的名称(10分)
3.若517KF故障,如何切除?此时如何操纵43保证总风缸的压力?(5分)
4.在什么情况下,可短接110塞门?(5分)
三、试述机车轮对的检查项目及要求(15分)
四、简述油压减振器的拉伸过程(10分)
五、试述车钩的检查项目及要求(20分)。
电力机车电机试题说明:阴影标出部分为删除题目一、填空题1.直流电机具有可逆性,将机械能转换为直流电能的电机称为发电机;将直流电能转换为机械能的电机称为电动机。
2.根据电磁感应定律,每根导体产生的感应电动势为。
3.当直流发电机电刷两端获得直流电动势后,若接上负载,载流导体在磁场中产生的电磁转矩与电枢旋转的方向,故称为阻转矩。
4.直流电动机外接一直流电源,根据电磁力定律,载流导体受到的电磁力的作用,其大小为。
5.在直流电动机中,电刷两端加的是,在电刷和换向器的作用下,线圈内部流过的是。
6.在直流电动机中,旋转的线圈中将感应产生电动势e,其方向与线圈中电流方向,故称为反电动势。
7.直流电机由静止的和旋转的两大部分组成。
8.直流电机定子的作用是和。
9.直流电机主磁极由和两部分组成,整个主磁极用固定在机座内壁。
10.换向极装在之间,用来改善。
11.电刷装置的作用是通过电别与换向器表面的滑动接触,把转动的电枢绕组与相连,一般由、、、等部分组成12.直流电机的转子的作用是。
13.为了减小涡流和磁滞损耗的影响,电枢铁芯通常用叠压而成。
14. 直流电机的励磁方式是指直流电机和的连接方式。
15.直流电机的励磁方式可分为、、、四类。
16.并励是指相并联。
且绕组匝数,导线。
17.他励是指。
18.串励是指相串联,且串励绕组匝数,导线。
19.空载时电机的气隙磁场完全由所产生。
20.电机负载运行时,电枢磁场对主极磁场的影响称为。
21.感应电动势的大小,仅和的大小有关,而和的分布无关。
22.导体的平均电动势为。
23.电枢表面周长。
24.对于给定的电机,、、均为定值,所以,Ce是一个。
25.电机的感应电动势为。
26.电磁力在电枢轴上产生的称电磁转矩,电磁转矩T =。
27.电机转矩常数Cr是个。
28.发电机电枢回路的电动势平衡方程式为。
29.电动机电枢回路的电动势平衡方程式为。
30.铜损耗是由电机的各种绕组中流过电流而产生的损耗,铜耗随负载而变化,又称为。
密 封 线 内 不 要 答 题 密 封 线 内 不 要 答 题专业_____班级_____学号_____序号__姓名_______《电力机车电机》试卷XXXX ~XXXX 学年 第 X 学期一、填空题(每空1分,共20分)1.一台直流电机既可以作为发电机也可以作为电动机运行,直流电机具有_____ 。
2.将_____能转换为直流_____能的电机称为直流发电机。
*3.定子主要有_____ 、 _____ 、换向极和电刷装置等组成。
4.将直流_____能转换为_____能的电机称为直流电动机。
5.电枢绕组中最具代表性应用最广泛的是_____绕组和_____绕组。
6.电机的空载磁场包括_____磁通和_____磁通。
7.直流电机空载时电枢气隙磁通密度产生的波形是_____。
8.牵引电动机的传动方式分为_____传动和_____传动。
*9.由电机制造厂按照国家技术标准要求,对电机全部_____和_____的数值以及运行方式所做的规定,叫做电机的定额。
10.变压器铁芯按结构分为_____ 和_____ 。
11.变压器的主要是由_____和_____两部分组成。
二、判断题(每题2分,共20分)1.直流电机由静止的部分定子和旋转的部分转子两大部分构成。
( )2.电枢绕组中最具代表性应用最广泛的的是复叠绕组。
( )3.直流电机的机械损耗只有铁损耗。
( )4.他励牵引电机的励磁方式具有较强的软特性。
( )5.电力机车采用串励方式的励磁电机更合适。
( )6.元件中电压的方向改变的过渡过程称为换向过程。
( ) *7.改善直流牵引电动机换向的方法包括设置换向极、减小电抗电势、增加换向回路的电阻。
( )*8. ZDll5型牵引电动机是SS8型电力机车的主电动机,采用抱轴式悬挂,是带补偿绕组的4极、串励、脉流牵引电动机。
( )9.变压器利用电磁感应原理进行电压变换。
( )10.平波电抗器是并接在牵引电动机回路中的电感装置,可用来减少整流电流的脉动,改善牵引电机的换向条件。
中南大学网络教育课程考试复习题及参考答案电力机车电机(专科)一、填空题:1.将机械能转换为直流电能的电机称为;将直流电能转换为机械能的电机称为。
2.直流电机由静止的和旋转的两大部分组成。
3.直流电机具有可逆性,既可作使用,也可作使用。
4.直流电机的励磁方式可分为、、、四类。
5.机车上采用串励牵引电动机存在的缺点主要为:(1)个别传动时,;(2)电气制动时,需要将励磁绕组改接为。
6.调节电动机转速的方法有三种,即:、、。
7.电枢元件从电枢绕组一条支路经过电刷进入电枢绕组另一条支路,该元件中电流从一个方向变换到另一个方向的过程,称为。
8.改变电动机转向的方法有两种:一是,二是。
若同时改变磁通方向及电枢电流的方向,则直流电动机转向。
9.脉流牵引电动机的主磁极由和两部分组成。
10.脉流牵引电动机的换向极由和两部分组成。
11.换向回路电阻主要是决定于的接触电阻。
12.磁桥的作用是,避免由于整体机座对交变磁通的涡流作用。
13.脉流牵引电动机转子由、、和等部件组成。
14.牵引电动机的传动方式通常可分为和两种。
15.牵引电动机的机座一般都采用导磁性能和机械性能良好的制成。
16.电压互感器在使用时副边不许。
17.变压器负载运行就是指的状态。
18.变压器铁心既作为变压器的,又作为变压器的。
19.变压器的电压变化率与它的负载大小成比。
20.变压器的铁心都采用。
21.变压器运行时铁心中的基本上不变。
22.环火时牵引电动机处于运行状态。
23.三相异步电动机常用的降压起动方法有降压起动、降压起动、降压起动、降压起动。
24.单相异步电动机起动转矩。
25.三相异步电动机由和两个基本部分组成。
26.三相异步电动机机座一般采用制成。
27.当转差率s为负值时,三相异步电机作运行。
28.三相异步电动机的调速方法有、和三种。
29.异步电动机的转子由、及组成。
30.按照转子型式,异步电机可分为转子和转子两大类。
31.三相异步电动机反转的方法是将。
电机B一、填空题(1’×20=20分)1、直流电机具有可逆性,既可作使用,也可作使用。
2、个别传动有两种悬挂方式,分别为、。
3、为限制启动电流,通常采用的两种启动方法是或。
4、ZDl05型脉流牵引电动机有三个磁场削弱级,分别为70%、和。
5、金属氧化膜,由和的混合物组成。
6、牵引电动机的换向元件中.除有直流电动势外,由于脉动电源中交流分量的作用,还将引起另外交流电动势。
7、环火是牵引电动机最严重的故障。
8、牵引电动机的换向片采用由电解铜经冷拉成型的制成。
9、ZDll5型牵引电动机的额定功率(持续制)、额定电压。
10、变压器的绕组一般分为和。
11、级距是指一个磁级所占有的距离。
二、判断题(在括号内填写对、错号,2×10=20分)1、将直流电能机转换为械能的电机称为直流电动机。
( )2、串励发电机端电压随负载变化不大。
( )3、铁耗Pfe和机械损耗PΩ为变值损耗,用K表示。
( )4、串励牵引电动机的功率利用较好。
()5、降压启动的优点是在启动过程中无电阻损耗,并可达到平稳升速。
( )6、采用磁场削弱,能发挥牵引电动机的全功率。
( )7、换向极绕组必须与电枢绕组串联。
( )8、非磁性(黄铜或不锈钢板)换向极线圈托架,对漏磁通起屏蔽作用。
( )9、ZD105型牵引电动机的极对数是6。
()10、采用出线装置,以便使带电的导线与接地的油箱绝缘。
()三、选择题(5×4=20分)1、绕组的温升采用( )测定。
A.感应法B.电阻法C.正反转发电机法2、中修时,ZDl05型牵引电动机轴承自由间隙为( )。
A.1~2 mm;B.0.135~0.22 mm C.0.0l~0.02 mm。
3、级距是指()一个磁级所占有定子圆周的距离。
A、交流绕组;B、各绕组;C、直流绕组;4、ZD105型脉流牵引电动机的额定功率和额定电压分别是()。
A、800KW、1020V;B、800KW、1100V;C、800KW、1120V;5、改善换向的目的在于消除( ) 。
《电传动系统》课程班期末考试卷(A卷)一、填空(每空1分,共30分)1.SS8 型电力机车,主断路器故障分断有以下9种情况:和紧急制动。
2.电力机车磁场削弱的方法有:和改变励磁绕组的电流两种方法。
用改变励磁绕组的电流进行磁削的方法有:和。
3.常开联锁、常闭联锁是指在电器的未通电,电器处于状态时的联锁位置而言,若其联锁接点是打开的即为,若其联锁接点是闭合的即为。
4.电力机车按供电电流制――传动型式不同可分为:的直直型电力机车;的交直型电力机车;交流供电――变流环节――三相异步电动机的;的交交型电力机车。
5.他励电阻制动控制方式有三种,即、6.电力机车电气制动方式有和。
7.电力机车常见电气联锁有和经济电阻电路。
8.SS8 型机车110V稳压电源具有的特点,输出电压稳定为V。
二、判断题(每题2分,共5题,计10分)(请在每小题后括号内打"√"或"X")1.SS8 型电力机车劈相机正常起动完成后,21KA、13KT均失电。
()2.单相半控整流电路移相范围为0—π。
()3.SS8 型电力机车运行中,一旦出现一台牵引电机故障,不能维持运行时,均采用对应的QS故障隔离开关拉向故障位隔离。
()4.在某电器工作线圈的电路中串联的该电器本身的常开联锁称为自持联锁。
()5.SS8 型电力机车风速控制用11KT控制预备环节。
()三、名词解释(每题5分,共2题,计10分)1.迂回电路2.串联联锁四、简答题(每题10分、共2题,共20分)1.电力机车低压试验的目的是什么?2.SS8 型电力机车预备中间继电器25KA线圈得电必须具备的条件是什么?五、问答题(每题15分,共2题,共30分)1.说明SS8 型电力机车劈相机正常起动的控制过程。
2.画图说明主电路接地保护装置的原理。
《电传动系统》班期末考试卷(A 卷答案)一、填空(每空1分,共30分)1.SS8 型电力机车,主断路器故障分断有以下9种情况:原边过流、次边过流、牵引电机过载、牵引电机小齿轮弛缓、辅助系统过流、主电路接地、辅助电路接地、网压欠压和紧急制动。
2.电力机车磁场削弱的方法有:改变励磁绕组匝数和改变励磁绕组的电流两种方法。
用改变励磁绕组的电流进行磁削的方法有:电阻分路法和晶闸管分路法。
3.常开联锁、常闭联锁是指在电器的工作线圈未通电,电器处于释放状态时的联锁位置而言,若其联锁接点是打开的即为常开联锁,若其联锁接点是闭合的即为常闭联锁。
4.电力机车按供电电流制――传动型式不同可分为:――直流供电直流牵引电动机的直直型电力机车;――交流供电直(脉)牵引电动机的交直型电力机车;交流供电――变流环节――三相异步电动机的交直交型电力机车;交流――――供电变频环节三相同步电动机的交交型电力机车。
5.他励电阻制动控制方式有三种,即恒磁通控制、恒电流控制、恒速控制。
6.电力机车电气制动方式有电阻制动和再生制动。
7.电力机车常见电气联锁有串联联锁、并联联锁、自持联锁、延时联锁和经济电阻电路。
8.SS8 型机车110V 稳压电源具有恒压、限流的特点,输出电压稳定为(1105.5)V。
二、判断题(每题2分,共5题,计10分)(请在每小题后括号内打"√"或"X")1.SS8 型电力机车劈相机正常起动完成后,21KA、13KT均失电。
(X)2.单相半控整流电路移相范围为0—π。
(√)3.SS8 型电力机车运行中,一旦出现一台牵引电机故障,不能维持运行时,均采用对应的QS故障隔离开关拉向故障位隔离。
(X)4.在某电器工作线圈的电路中串联的该电器本身的常开联锁称为自持联锁。
(X)5.SS8 型电力机车风速控制用11KT控制预备环节。
(√)三、名词解释(每题5分,共2题,计10分)1.迂回电路某一电器或支路在某一时刻本不应该有电,但却通过其他支路“串电”到该支路,这种串电电路称为迂回电路。
电力机车电机期末考试考试前.绝密电力机车电机期末考试湖南铁路科技职业技术学院一;填空题1:直流电机由定子和转子两部分组成的2:牵引电动机的传动方式分为个别传动和组合传动。
3:环火是指正负电刷之间被强烈的电弧所短路。
4:ZD115型牵引电动机采用架承式悬挂。
5:脉流牵引电动机的主磁场是用来产生主磁场的。
6:绕组一般分为高压绕组和低压绕组。
7:变压器油是从石油中提炼出来的优质矿物油。
8:异步电动机按定子相数分为三相、单相和两相异步电动机3类。
9:三相异步电动机的制动方法有机械制动和电气制动。
10:电力机车的辅助电路系统是采用单相交流转变为三相交流供异步电动机工作的方式。
二:填空题1:我国规定交流电的额定频率为(A)Hz。
A.50HzB.10HZ C . 25HZ D.30HZ2:下列哪种材料不能导电?(D)A 导线B 梯形铜排C 电碳制品D 云母带3:电压互感器副边的额定电压一般为(100 )V..A50V B. 100V C. 200V D .250V4:下列哪项不是按绕组的结构形式来分的(D)。
A 链式绕组B 同心式绕组C 交叉式绕组D 单双层混合绕组5:(C)是组成变压器绕组的基本单元。
A铁芯 B 器身绝缘 C 绕组 D 引线6:下列哪种绕组不是同心绕组的几种形式(B)A 圆筒式B 交迭式C 螺旋式D 连续式7:励磁电流一般为额定电流的(A )A 5%B 10%C 15%D 30%8:下列哪项不是产生火花的原因?( D)A 电磁B 机械C 化学D 磨损9:(A)用来传送和分配电能,是所有变压器中用途最广的一种变压器。
A 电力变压器B 仪用变压器C 自耦变压器D 专用变压器10:下列不属于三相异步电动机的调速方法(A)A 变压调速B 变极调速C 变转差率调速D 变频调速三:判断题1:直流电机是直流发动机和直流电动机的总称(√)2:励磁功率仅占电机额定功率的1%~3%。
(√)3:他励点到家的特点是励磁绕组由单独电源供电。
考试前.绝密
电力机车电机期末考试
湖南铁路科技职业技术学院
一;填空题
1:直流电机由定子和转子两部分组成的
2:牵引电动机的传动方式分为个别传动和组合传动。
3:环火是指正负电刷之间被强烈的电弧所短路。
4:ZD115型牵引电动机采用架承式悬挂。
5:脉流牵引电动机的主磁场是用来产生主磁场的。
6:绕组一般分为高压绕组和低压绕组。
7:变压器油是从石油中提炼出来的优质矿物油。
8:异步电动机按定子相数分为三相、单相和两相异步电动机3类。
9:三相异步电动机的制动方法有机械制动和电气制动。
10:电力机车的辅助电路系统是采用单相交流转变为三相交流供异步电动机工作的方式。
二:填空题
1:我国规定交流电的额定频率为(A)Hz。
A.50Hz
B.10HZ C . 25HZ D.30HZ
2:下列哪种材料不能导电?(D)
A 导线
B 梯形铜排
C 电碳制品
D 云母带
3:电压互感器副边的额定电压一般为(100 )V..
A50V B. 100V C. 200V D .250V
4:下列哪项不是按绕组的结构形式来分的(D)。
A 链式绕组
B 同心式绕组
C 交叉式绕组
D 单双层混合绕组
5:(C)是组成变压器绕组的基本单元。
A铁芯 B 器身绝缘 C 绕组 D 引线
6:下列哪种绕组不是同心绕组的几种形式(B)
A 圆筒式
B 交迭式
C 螺旋式
D 连续式
7:励磁电流一般为额定电流的(A )
A 5%
B 10%
C 15%
D 30%
8:下列哪项不是产生火花的原因?( D)
A 电磁
B 机械
C 化学
D 磨损
9:(A)用来传送和分配电能,是所有变压器中用途最广的一种变压器。
A 电力变压器
B 仪用变压器
C 自耦变压器
D 专用变压器
10:下列不属于三相异步电动机的调速方法(A)
A 变压调速
B 变极调速
C 变转差率调速
D 变频调速
三:判断题
1:直流电机是直流发动机和直流电动机的总称(√)
2:励磁功率仅占电机额定功率的1%~3%。
(√)
3:他励点到家的特点是励磁绕组由单独电源供电。
(√))
4:牵引电动机负载的性质是来连续的。
(X)
5:电机内部的热量是靠传导、对流、辐射作用散发出去的。
(√)
6::牵引电动机的磁极线圈常靠采用硬扁铜线制成。
(X)
7:吸湿器安装于储油柜与大气中。
(√))
8:运行中变压器油的耐压值不低于20Kv。
(X)
9:平波电抗器绕组采用连续式,每个绕组匝数为136匝(√)
10异步电动机中随着转子转速上升,转差减少,转子切割旋转磁场的相对速度就增大。
(X) 三:简答题
1:自励发动机的建压条件有哪些?
答:(1):电机中剩下磁。
(2):励磁绕组与电枢绕组连接正确。
(3):磁场电阻小于建压临界电阻。
2:消除电磁火花主要有哪些方法?
答:(1)设置换向级
(2):减小电抗电动势。
(3):增大换向回路的电阻。
3:牵引电动机的定额分为哪几种?
答:(1):连续定额(2 ):小时定额
(3):断续定额(4):等效定额
4:主变压器有哪些特点?
答:(1)绕组多(2):电压波动范围大(3) 负载大
四:问答题
1:什么是抱轴事悬挂?
答:抱轴事悬挂是指牵引电动机一侧通过滑动轴承抱在机车动轮轴上;
另一侧通过弹性缓冲装置挂在机车转向架的横梁上。
2:异步电动机是如何分类的?
答:(1):按定子相数可分三相、单相和两相。
(2):按转子形式可分鼠笼型转子和绕线型转子。
(3)按机壳不同可分开启式、防护式和封闭式。