明龙骨吊顶工程检验批质量验收记录表
- 格式:doc
- 大小:223.50 KB
- 文档页数:1
WORD 格式可以编辑
专业资料整理 龙骨吊顶工程检验批质量验收记录表
鲁JJ-190
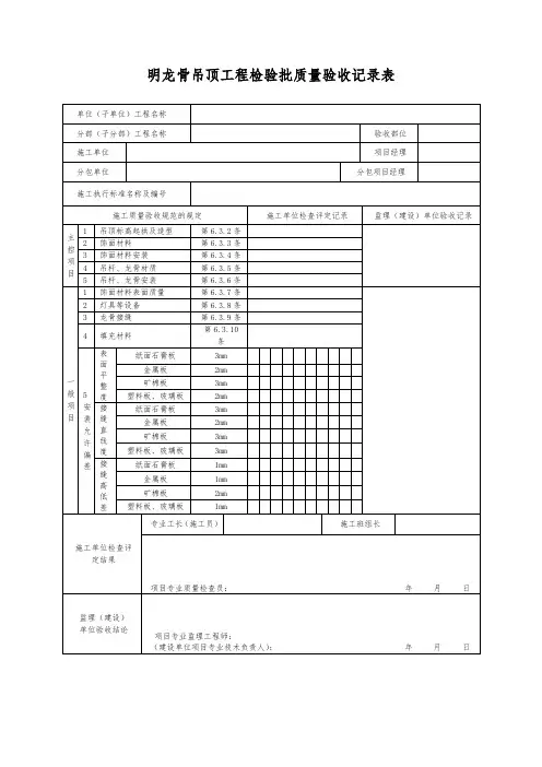
单位(子单位)工程名称滨州市人民医院原外科病房楼装修工程
分部(子分部)工程名称装饰装修验收部位一层1-14轴室内吊顶
施工单位山东天元装饰工程有限公司项目经理张宝泉
分包单位/分包项目经理/
施工执行标准名称及编号建筑装饰装修工程质量验收规范(GB50210-2001) GB50210-2001
《建筑装饰装修工程质量验收规范》的规定 施工单位检查评定记录 监理(建设)单
位验收记录
1标高、尺寸、起拱、造型要求6.2.2条√
2饰面材料要求6.2.3条√主
控 项
3安装牢固6.2.4条√ 同意验收
目
4吊杆、龙骨要求6.2.5条√
5石膏板接缝要求6.2.6条√
1表面质量6.2.7条√
2饰面板上的设备安装6.2.8条√
3吊杆、龙骨要求6.2.9条√
一 般
4吸声材料要求6.2.10条√ 同意验收 允许偏差(mm) 项
目 项次项目 纸面石 膏板 金属板
矿棉 板 木板、塑 料板格栅 12345678910 (1)表面平整度32222312123212
5
(2)接缝直线度31.5332132123123
(3)接缝高低差111.511011101101
专业工长(施工员)施工班组长施工单位
检查评定结果
项目专业质量检查员:2014年月日
监理(建设)单位
专业监理工程师:
验收结论
(建设单位项目专业技术负责人):2014年月日
山东省建设工程质量监督总站监制。
1234512345明龙骨吊顶工程检验批质量验收记录表
GB50210-2001
单位(子单位)工程名称
分部(子分部)工程名称
施工单位
分包单位
施工执行标准名称及编号
施工单位检查评定结果
灯具等设备龙骨接缝填充材料允许偏差吊杆、龙骨材质吊杆、龙骨安装饰面材料表面质量施工质量验收规范的规定
主 控 项 目一 般
项
目第6.3.2条吊顶标高起拱及造型饰面材料饰面材料安装第6.3.7条第6.3.8条第6.3.9条第6.3.3条第6.3.4条第6.3.5条第6.3.6条
专业工长(施工员)
项目专业质量检查员:第6.3.10条第6.3.11条
施工单位检查评定记录验收部位项目经理施工
分包项目经理
监理(建设)单位验收结论
专业监理工程师
(建设单位项目专业技术负责人):
录验收部位
项目经理
施工班组长
目经理
030402
年 月 日
监理(建设)单位验收记录
年 月 日。
板块面层明龙骨吊顶检验批质量验收记录日期:XXXX年XX月XX日一、验收目的本次验收旨在检查板块面层明龙骨吊顶施工是否符合相关规范要求,确保施工质量达到设计要求,并做出相应的质量评估。
二、验收范围三、验收依据1.《建筑室内装饰及装修工程质量验收规范》2.《建筑装饰装修工程施工及验收规范》3.设计施工图纸4.工程施工合同四、验收人员1.建设单位代表:XXX2.监理单位代表:XXX3.施工单位代表:XXX五、验收内容1.材料验收1.1验收明细:1.1.1丙纶板:检查板材表面是否平整,有无裂缝、破损等缺陷。
1.1.2吊顶龙骨:检查制作工艺是否合理,接口是否牢固。
1.1.3胶木板:检查板材是否光滑平整,有无变形、枣裂等现象。
1.2验收结论:1.2.1丙纶板:经过检查,无质量问题,合格。
1.2.2吊顶龙骨:经过检查,制作工艺合理,接口牢固,合格。
1.2.3胶木板:经过检查,板材光滑平整,无变形、枣裂等问题,合格。
2.设计及施工图纸验收2.1验收明细:2.1.1检查设计图纸与实际施工情况是否一致。
2.1.2检查图纸中明龙骨位置、间距是否符合要求。
2.2验收结论:2.2.1设计图纸与实际施工相符,合格。
2.2.2明龙骨位置、间距符合要求,合格。
3.施工工艺验收3.1验收明细:3.1.1检查明龙骨安装是否牢固,位置是否准确。
3.1.2检查板块面层安装是否平整,无明显偏差、开裂等问题。
3.1.3检查吊顶线、固定件、橡胶带等是否正确安装。
3.2验收结论:3.2.1明龙骨安装牢固,位置准确,合格。
3.2.2板块面层安装平整,无明显偏差、开裂等问题,合格。
3.2.3吊顶线、固定件、橡胶带等正确安装,合格。
六、验收结论根据以上验收内容和结果,本次板块面层明龙骨吊顶施工经检验合格,符合相关规范要求,工程质量通过验收。
七、不合格处理经验收发现问题:1.问题描述:吊顶板材出现明显开裂现象。
2.处理意见:要求施工单位进行整改,并重新进行验收。
T087明(暗)龙骨吊顶检验批质量验收记录一、本表适用于轻钢龙骨、铝合金龙骨、木龙骨等为骨架,以石膏板、金属板|矿棉板、塑料板或格栅等为饰面材料的暗(明)龙骨吊顶工程施工检验批质量验收。
二、本表由监理工程师(建设单位技术负责人)组织项目专业质量(技术)负责人等进行验收。
三、各分项t程检验批划分:同一品种的吊顶工程每50间(大面积房间和走廊按吊顶面积30m2为一间)应划分为一个检验批,不足50间也应划分为一个检验批。
四、检查数量划分:每个检验批应至少抽查10%,并不得少于3间,不足3间时应按全数检查。
五、主控项目检查方法:1、6、2、2条(6、3、2条)吊顶标高、尺寸、起拱和造型应符合设计要求:观察、尺量检查。
2、6、2、3(6、3、3)饰面材料的材质、品种、规格、图案和颜色应符合设计要求:观察、检查产品合格证书、性能检测报告、进场验收记录和复验报告。
3、6、2、4(6、3、4)暗龙骨吊顶工程的吊杆、龙骨和饰面材料的安装必须牢固:观察、手扳检查、检查隐蔽工程验收记录和施工记录。
4、6、2、5(6、3、5)吊杆、龙骨的材质、规格、安装间距及连接方式应符合设计要求;金属吊杆、龙骨应经过表面防腐处理;木吊杆、龙骨应进行防腐处理、防火处理:观察、尺量检查、检查产品合格证书、性能检测报告、进场验收记录和隐蔽工程验收记录。
5、6、2、6条(6、3、6条):观察、(手扳检查、检查隐蔽工程验收记录和施工记录)。
六、一般项目检查方法:1、6、2、7(6、3、7)饰面材料表面应洁净、色泽土致、不得有翘曲、裂缝及缺损;压条应平直、宽窄一致:观察、尺量检查。
2、6、2、8(6、3、8)金属吊杆、龙骨的接缝应均匀一致,角缝应吻合,表面应平整、无翘曲、锤印;吊杆、龙骨应顺直、无劈裂、变形:隐蔽验收记录和施工记录。
3、6、2、9(6、3、9)吊顶内填充吸声材料的品种和铺设厚度应符合设计要求,并应有防散落措施:检查隐蔽验收记录和施工记录。