煤矿钢丝绳检查记录(1)
- 格式:doc
- 大小:46.50 KB
- 文档页数:3
煤矿绞车钢丝绳检查记录日期:XXXX年XX月XX日地点:XXXX煤矿1.检查项目:钢丝绳表面状况检查结果:钢丝绳表面无明显损伤,无杂物缠绕,光洁度良好。
2.检查项目:钢丝绳直径测量检查结果:钢丝绳直径为XXmm,符合设计要求。
3.检查项目:钢丝绳吊头状况检查结果:钢丝绳吊头完好,无明显损伤,连接牢固。
4.检查项目:钢丝绳内部断丝情况检查结果:钢丝绳内部无断丝,符合标准要求。
5.检查项目:钢丝绳拉力测试检查结果:钢丝绳拉力达到了设计要求,没有出现明显的变形。
6.检查项目:钢丝绳弯曲度测试检查结果:钢丝绳弯曲度符合标准要求,无明显的折断或错位现象。
7.检查项目:钢丝绳润滑情况检查结果:钢丝绳表面润滑良好,无干涩感,无明显锈蚀。
8.检查项目:钢丝绳防护装置检查检查结果:钢丝绳防护装置完好,无明显缺陷或损伤。
9.检查项目:钢丝绳使用情况记录检查结果:钢丝绳已使用XX个月,累计工作时长达到XX小时,无异常情况。
10.检查项目:钢丝绳标志检查检查结果:钢丝绳标志清晰可见,无磨损或褪色现象。
11.检查项目:钢丝绳固定情况检查检查结果:钢丝绳固定牢固,无松动或脱落现象。
12.检查项目:钢丝绳悬挂装置检查检查结果:钢丝绳悬挂装置运行正常,无明显损伤或变形。
13.检查项目:钢丝绳使用环境检查检查结果:钢丝绳使用环境无明显污染、腐蚀或高温等不利因素。
14.检查项目:煤矿绞车使用记录检查结果:煤矿绞车日常使用过程中无异常情况,未发生事故或故障。
15.检查项目:钢丝绳演练情况记录检查结果:钢丝绳在演练过程中正常运行,未出现异常情况。
以上为煤矿绞车钢丝绳检查记录,检查结果全部符合标准要求,未发现任何异常情况和损伤。
煤矿将继续加强对钢丝绳的日常检查和维护,确保其安全可靠运行。
煤矿钢丝绳检查工操作规程范本一、检查工作前准备1. 准备必要的个人防护装备,包括安全帽、防护眼镜、耳塞、防尘口罩等。
2. 检查钢丝绳检查工具的完好性,如照明设备、测量工具等。
3. 检查工作区域的安全情况,确保无危险因素存在。
4. 进行必要的技术交底,明确工作目标和要求。
二、检查钢丝绳外观1. 仔细观察钢丝绳外观,检查有无明显的裂纹、磨损、扭曲等情况。
2. 使用照明设备对钢丝绳进行充分照明,以确保检查结果准确。
3. 检查钢丝绳表面是否有异常的凹凸、腐蚀等情况。
4. 注意观察钢丝绳连接点的牢固性和蓄能环的完整性。
三、测量钢丝绳直径和长度1. 使用合适的测量工具,精准地测量钢丝绳的直径,记录测量结果。
2. 使用合适的测量工具,精准地测量钢丝绳的长度,记录测量结果。
3. 检查测量结果与钢丝绳规格是否符合要求,如不符合应及时通知有关部门。
四、检查钢丝绳损伤程度1. 使用放大镜等工具,仔细检查钢丝绳表面的损伤情况,如划痕、割伤、断丝等。
2. 检查钢丝绳中是否有纠绳、断纤、磨耗等情况。
3. 对于发现的任何损伤情况,应及时记录,并及时采取相应的修复措施。
五、检查钢丝绳连接情况1. 仔细检查钢丝绳连接处的连接环、卡铰、卡箍等连接件的紧固情况。
2. 检查连接件是否有松动、变形、磨损等情况,如发现应及时更换或修复。
3. 注意观察连接件是否与钢丝绳之间存在摩擦、磨损等情况。
六、检查钢丝绳使用条件1. 检查钢丝绳是否有油污、灰尘等附着物,如有应及时清理。
2. 检查钢丝绳是否在规定的工作负荷范围内使用,如有超负荷使用应予以纠正。
3. 检查钢丝绳使用过程中是否有异常摩擦、振动等情况,如有应及时调查原因。
七、检查记录和报告1. 在检查过程中及时记录每一个细节和发现的问题。
2. 将检查结果整理成报告,并在规定的时间内提交给上级领导和相关部门。
3. 对于发现的严重问题,应及时向上级领导和相关部门汇报,并协助处理。
八、工作结束后处理1. 对使用过的工具进行清洁和归位,确保下次使用时正常。
钢丝绳检查记录
标题:钢丝绳检查记录
引言概述:钢丝绳作为起重设备的重要部件,承担着重要的起重作用。
为了确保起重设备的安全运行,对钢丝绳进行定期检查是非常重要的。
本文将介绍钢丝绳检查记录的内容和重要性。
一、外观检查
1.1 确认钢丝绳表面是否有明显的磨损或变形。
1.2 检查钢丝绳是否有明显的断丝或断裂。
1.3 观察钢丝绳的表面是否有生锈或腐蚀现象。
二、直径测量
2.1 使用直径测量仪器测量钢丝绳的直径。
2.2 检查测量结果是否符合钢丝绳的规格要求。
2.3 如果直径偏差超出规定范围,需要及时更换钢丝绳。
三、拉力测试
3.1 使用拉力测试仪器对钢丝绳进行拉力测试。
3.2 确认拉力测试结果是否符合钢丝绳的额定拉力要求。
3.3 如果拉力不足或超过额定值,需要及时更换或调整钢丝绳。
四、弯曲检查
4.1 对钢丝绳进行弯曲检查,观察是否有明显的弯曲变形。
4.2 确认弯曲检查结果是否符合钢丝绳的规格要求。
4.3 如果发现弯曲变形严重,需要及时更换钢丝绳。
五、记录保存
5.1 将钢丝绳检查记录详细填写在检查表中。
5.2 记录包括钢丝绳的外观、直径测量结果、拉力测试结果、弯曲检查结果等。
5.3 检查记录需要保存在起重设备的档案中,以备日后查阅和参考。
结论:钢丝绳检查记录是确保起重设备安全运行的重要保障。
定期进行钢丝绳检查,记录检查结果并及时处理异常情况,可以有效预防起重事故的发生,保障工作场所的安全。
希望各单位能够重视钢丝绳检查工作,确保起重设备的安全运行。
煤矿培训钢丝绳检查记录背景和目的钢丝绳是煤矿作业中必不可少的设备,它承载着煤矿运输和提升重物的重任。
然而,由于长时间使用和外部环境的影响,钢丝绳容易出现各种质量问题,甚至会导致煤矿违章事故的发生。
因此,对钢丝绳进行定期检查和维护,是确保煤矿生产安全的一项重要措施。
本文档旨在记录煤矿培训班的钢丝绳检查记录,以便于煤矿相关人员进行参考和汇报。
检查人员及时间检查人员:张三、李四、王五检查时间:2021年9月1日下午2点检查内容与结果检查项目检查结果钢丝绳外观见表1钢丝绳弯曲度见表2钢丝绳捻度见表3钢丝绳超张量见表4注:表格中的数据均采用三级评定法,分为合格、可疑、不合格三种状态。
其中,“合格”表示符合要求,无明显质量问题;“可疑”表示可能存在质量问题,需要进一步确认或修复;“不合格”表示存在质量问题,需立即停用并进行修复。
表1 钢丝绳外观检查结果外观问题细节描述检查结果端头变形钢丝绳端头明显变形不合格腐蚀钢丝绳表面呈现腐蚀现象可疑损伤钢丝绳表面存在裂纹、磨损、划痕等损伤可疑油脂覆盖情况钢丝绳表面油脂覆盖情况合格表2 钢丝绳弯曲度检查结果弯曲度检查结果0.1D可疑0.2D合格0.3D不合格注:其中D为钢丝绳直径。
表3 钢丝绳捻度检查结果捻度检查结果S=10d可疑S=12d合格S=14d不合格注:其中d为钢丝绳直径,S为捻距。
表4 钢丝绳超张量检查结果超张量检查结果≤2%合格2%-4%可疑>4%不合格问题和建议根据上述检查结果,我们发现以下问题:1.部分钢丝绳存在端头变形和腐蚀等问题,需要及时修复或更换;2.钢丝绳弯曲度、捻度和超张量也存在不合格或可疑情况,需要进一步确认或修复。
基于以上问题,我们建议煤矿相关人员采取以下措施:1.对存在问题的钢丝绳进行立即停用、标注和报修;2.对未检测的钢丝绳进行全面检查和维护,确保其符合生产要求;3.加强钢丝绳使用和管理培训,提高煤矿生产安全意识。
总结本次钢丝绳检查旨在确保煤矿生产安全,对煤矿相关人员和维护人员有一定参考和借鉴作用。
绞车记录表 (2)提升设备安全设施检查(月检)记录簿 (3)提升设备安全设施检查(日检)记录簿 (4)提升设备安全设施检查(周检)记录簿 (5)绞车运行记录 (6)副井罐笼防坠器不脱钩实验记录 (7)副井罐笼防坠器脱钩实验记录 (8)绞车检修记录 (9)钢丝绳罐笼检修记录表 (10)风机 (11)措施井巡查记录 (12)措施井巡查记录 (13)井下停送电工作票 (14)使用中的防爆设备的防爆性能检查记录表 (15)欣源煤业双风机双电源自动切换记录 (16)漏电实验记录 (17)欣源煤业防爆电气入井合格证 (18)安吉欣源煤业井下割焊安全措施 (19)井下停送电工作票 (20)通讯故障记录表 (21)通讯检修及巡检记录表 (22)设备、电气整改通知单 (23)使用中的防爆设备的防爆性能(月)检记录表 (24)井下供电设备开关整定一览表 (25)井下主要电缆绝缘电阻(月)检测记录 (26)井下主要电气设备绝缘电阻检测记录 (27)古县安吉欣源煤业高压作业停送电操作票 (28)变电站倒闸操作票 (29)井下轨道安装台账 (30)绞车记录表山西古县安吉欣源煤业有限公司提升设备安全设施检查(月检)记录簿注:每月企业主要负责人组织检查一次,检查和处理结果都应留有记录山西古县安吉欣源煤业有限公司提升设备安全设施检查(日检)记录簿注:每天由专职人员检查一次,检查和处理结果都应留有记录山西古县安吉欣源煤业有限公司提升设备安全设施检查(周检)记录簿注:每周分管负责人组织检查一次,检查和处理结果都应留有记录山西古县安吉欣源煤业有限公司绞车运行记录副井罐笼防坠器不脱钩实验记录(一)实验步骤①用直径12毫米的钢丝绳一端固定于罐笼上。
②钢丝绳另一端固定于井口临时工字钢处。
③松开主绳2---3米。
④截断直径12毫米的钢丝绳,如果防坠器失效下滑时,有主绳做安全保护,确保安全。
⑤工作人员必须佩戴安全带,并由一人监护其工作。
(二)实验结果(三)人员机电科201年月日副井罐笼防坠器脱钩实验记录(一)实验步骤①将罐笼上提到井口上2m处。
钢丝绳检查管理办法范本一、检查管理目的和依据1. 目的:为确保钢丝绳的安全和可靠使用,防止事故的发生,保护人员财产安全。
2. 依据:国家相关法律法规、行业标准以及本单位的具体情况和要求。
二、管理责任和机构组织1. 管理责任:由本单位钢丝绳使用部门负责制定并落实钢丝绳检查管理办法。
2. 机构组织:设立钢丝绳检查管理小组,由具备相关技术和管理能力的人员组成,负责钢丝绳的定期检查和管理。
三、检查内容和周期1. 检查内容:(1) 钢丝绳外观检查:检查钢丝绳表面是否有断丝、变形、锈蚀等情况。
(2) 钢丝绳直径测量:使用合适的工具对钢丝绳的直径进行测量,判断其是否符合要求。
(3) 钢丝绳拉力测试:对钢丝绳进行拉力测试,判断其是否能承受预期的工作负荷。
(4) 钢丝绳绳眼检查:检查钢丝绳绳眼的固定情况和连接件是否牢固可靠。
(5) 钢丝绳标识检查:检查钢丝绳标识是否完整、清晰可辨认。
2. 检查周期:根据钢丝绳的使用情况和要求,制定相应的检查周期,一般不超过半年一次。
四、检查记录和处理1. 检查记录:对每次钢丝绳检查的结果进行详细记录,包括检查日期、检查内容、检查结果等。
2. 异常处理:对于检查中发现的异常情况,及时采取相应的处理措施,例如更换损坏的钢丝绳、修复断丝等。
3. 备用记录:对于已经达到使用寿命的钢丝绳,应做好备用记录,并及时进行更换维护。
五、检查报告和通知1. 检查报告:针对每次检查,应及时向相关单位和人员提交检查报告,包括检查内容、检查结果、异常处理情况等。
2. 通知:对于检查中发现的重大问题或安全隐患,应及时向本单位负责人和相关人员发出通知,并采取紧急措施确保安全。
六、培训和技术支持1. 培训:针对本单位的钢丝绳使用人员,应定期组织相关培训,提高其对钢丝绳的认识和使用技能。
2. 技术支持:对于钢丝绳的检查和管理问题,应及时向相关专业机构或厂家寻求技术支持,确保检查的准确性和有效性。
七、附则1. 本办法自颁布之日起生效,如需修改或补充,应经本单位负责人批准。
钢丝绳记录填写要求
本记录是绞车运行的重要记录,直接体现提升钢丝绳的运行状态,对绞车的安全运行有着重要意义。
一、记录人员:检修钳工
二、记录时间:根据《煤矿安全规程》规定,提升钢丝绳每天检查一次。
三、记录要求:
对应每根钢丝绳,填写钢丝绳直径测量数据及对应位置(不少于10处),检查要全面,填写检查点要包括连接装置附近等位置。
每次检查可以填写多页,记录每根钢丝绳每处最小直径、直径缩小率、捻距最大断丝数、断丝率、变形情况、锈蚀情况。
用游标卡尺等测量工具测量所需数据,不能填写估计数据。
1、对使用中的钢丝绳的日常检查应采取不大于0.3米/秒的验绳速度,用肉眼观察和手捋的方式进行。
2、验绳时禁止带手套或手拿棉丝,应用裸手直接触摸钢丝绳,前面的手作为探知是否有突出的断丝,以免伤手;后面的手触摸可能发生的断丝绳股的变形情况。
3、钢丝绳在运行中遭受到卡堵突然停车等猛烈拉力时,必须立即停车检查。
钢丝绳产生严重扭曲或变形时, 必须更换钢丝绳(遭受猛烈拉力的一段,其长度伸长0.5%以上时也必须更换钢丝绳)。
4、检查部位应以距离主钩头相应位置算起,应利用深度指示器或其它方便确定的起始标志,确定断丝、锈蚀或其它损伤的具体部位,并及时记录,对断丝的突出部位应立即剪下、修平。
5、记录要准确,填写字体要工整,不得涂改,不得撕页。
主斜井钢丝绳检查记录
负责人签字:。
测试报告样品名称钢丝绳型号规格6×19+NF-28样品编号GS20140037 公称对拉强度1770MPa用途提物捻法ZS生产厂家/ 出厂日期/ 出厂编号/ 收样日期2014年 4月 27日钢绳新旧旧绳测试日期2014年5 月3日测试组程云红张鑫报告编写张鑫测试依据MT717-1997《煤矿重要用途钢丝绳性能测定方法及判规则》测试地点贵州煤矿矿用安全产品检验中心钢丝绳力学实验室测试环境温度:14.7℃测试结果1.不合格钢丝绳的总断面积与试验钢丝绳的总断面积之比为0%;2.钢丝绳破断拉力总和497KN签发日期 2014年 5 月 6日测试周期建议下次测试时间: 2014年11月3日前备注批准:审核:主检:表1本次测试所用的主要仪器设备名称规格型号唯一性编号鉴定证书编号电子拉力试验机LD-50B-2 5-10-1 遵(29)Y20140137号线材扭转试验机TNS-EZ3 5-10-2 /机动弯折试验机WJJ-6B 5-10-3 /电子数显千分尺0-40mm 5-10-4 长(03)20140731号表2测试项目汇总测试项目钢丝直径(mm)标准要求测试值标准值(≧)低值限最大值最小值拉力(N) 1.8 4043 3638 4312 3840 弯曲(次/180°) 1.8 11 10 14 12表3测试结果统计与计算(1)低值和不合格钢丝数(根)项目拉力弯曲扭转重复总计不合格钢丝数0 0 0 0 0不合格钢丝总断面积(mm)0 钢丝总断面积(mm)289.95(2)计算项目标准要求计算值不合格钢丝断面积与钢丝总断面积之比不合格钢丝断面积与钢丝总断面积之比必须小于25%0%钢丝破断拉力总和(KN)≧461 497附加说明测试说明与建议1.本次测试结果仅对来样负责;2.请根据实际使用情况来自行计算安全系数,合格后方可使用;3.应安排专人《煤矿安全规程》进行巡检,并做好相应记录;4.严禁超载荷使用。
钢丝绳检查规定
1、提升钢丝绳必须每天检查一次,查绳时钢丝绳的速度应不超过米/秒;对易损坏和断丝或锈蚀较多的一段应停车详细检查,断丝的突出部分应在检查时剪下;检查后必须认真填写钢丝绳检查记录,异常情况要立即报告机电科负责人。
2、以下情况必须更换钢丝绳:
一个捻距内断丝断面积与钢丝绳总断面积之比达到以下数值是:升降物料10%(对6×7 -Φ28绳,一个捻距内断丝4根时);升降人员和升降物料5%(对6×7 -Φ28绳,一个捻距内断丝2根时);
钢丝绳直径减少量达到10%(对6×7 -Φ28绳,即直径达到Φ㎜时)。
3、钢丝绳在运行中遭受卡住或突然停车等猛烈拉力时,必须立即停车检查,发现下列情况之一者,必须将受力段剁掉或更换全绳:
钢丝绳产生严重扭曲或变形;
断丝数超过规定;
直径减小量超过规定;
遭受猛烈拉力的一段的长度伸长达到%以上。
4、钢丝绳的断丝数突然增加或伸长突然加快,应立即换绳。
5、钢丝绳锈蚀严重,或点蚀麻坑形成沟纹,或外层钢丝松动时,不论断丝数多少或绳径是否变化,均应立即换绳。
郑州市磴槽集团伊川县金窑煤矿
钢丝绳检查记录
( 井月份)
年月日~ 年月日。
煤矿绞车钢丝绳检查规范篇一:绞车钢丝绳检查基本规定绞车钢丝绳检查基本规定一、根据《煤矿安全规程》第404条规定,必须对现有绞车钢丝绳每日进行一次详细检查。
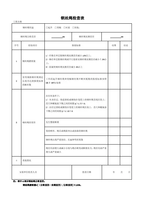
二、检查内容:1、钢丝绳:(1)断丝情况:提人的断丝数,每捻距不得超过5%,6股7丝绳,不得超过2丝,6股19丝,不得超过5丝;提物的每捻距不得10%。
6股7丝钢丝绳,不得超过4丝,6×19丝钢丝绳,不得超过11丝。
架空乘人装置的钢丝绳为6股19丝(表面镀锌、无油、右交互捻),其断丝数为每捻距不得超过25%,即28丝。
无极绳绞车钢丝绳为6股19丝,其断丝数为每捻距不得超过25%,即28丝。
(2)磨损情况:直径磨损缩小10%时,必须更换该钢丝绳。
直径为18.5毫米的钢丝绳不得低于16.65毫米;直径为21.5毫米钢丝绳不得低于19.35毫米;直径为30毫米的钢丝绳不得低于27毫米;直径为22.5毫米的钢丝绳不得低于120.25毫米。
直径为32毫米钢丝绳不得低于28.8毫米。
架空乘人装置的钢丝绳直径为21.5(表面镀锌、无油、右交互捻),磨损缩小不得低于19.35毫米。
(3)非正常磨损,如直径缩小突然加快,必须查明原因。
(4)锈蚀情况:出现严重锈蚀、点蚀、麻坑成片,松股、发黑等必须更换。
(5)滑头情况:a:插制滑头是否有抽股现象,有无砸、压、碰、刮伤。
b:灌制滑头肖轴使用是否正常。
c:保险绳使用情况参照大绳的标准。
(6)《绞车钢丝绳检查记录》要认真检查填写。
2、安全保护装置:严格按照《绞车安全装置试验记录》项目进行试验填写。
3、绞车检查项目:(1)闸瓦固定牢固,磨损至原厚度的1/3时,必须更换,2米绞车为8毫米;2米以上绞车为9毫米。
(2)闸间隙是否适当,不得大于2毫米。
(3)各肖轴是否缺件、缺油等,灵活否。
(4)油泵运转是否正常,油压是否符合规定。
(5)液压站各阀是否畅通;油量是否合适。
(6)滚筒排绳整齐否;调绳离合闭锁可靠否2(7)海眼螺丝紧固否。
钢丝绳检查记录上湾煤矿机电一队钢丝绳检查标准及方法一、标准要求:1、提升钢丝绳必须每天检查一次,对易损坏和断丝或锈蚀较多的一段应停车详细进行检查。
断丝的突出部分应在检查时剪下。
检查结果应记入钢丝绳检查记录薄。
2、各种股捻钢丝绳在一个捻距内断丝断面积,同钢丝绳总断丝面积之比达到下列规定时,必须更换:(1)升降人员或升降人员和物料用的钢丝绳为5%;(2)专为升降物料用的钢丝绳和兼作运人的钢丝绳为10%;3、以钢丝绳标称直径为准计算的直径减少量达到下列数值时,提升钢丝绳或制动钢丝绳为10%,必须更换。
钢丝绳直径的测量采用游标卡尺,测量方法是在吊着车的情况下,测量股与股间直径,水平和垂直各测量一次,取平均值。
4、钢丝绳在运行中遭受到卡罐、突然停车等猛烈拉力时,必须立即停车检查,发现有下列情况之一者,必须将受力段剁掉或更换全绳:(1)钢丝绳产生严重扭曲或变形(弯曲成锐角);(2)断丝超过上述第二条的规定;(3)直径减少值超过上述第三条的规定;(4)遭受猛烈拉力的一段,其长度伸长0.5%以上;在钢丝绳使用后期,断丝数突然增加或伸长突然加快(例如:连续3天出现显著伸长,或在某一捻距内每天都有断丝出现),必须立即更换。
5、钢丝绳的钢丝有变黑、锈皮、点蚀麻坑等损伤时,不得用作升降人员。
钢丝绳锈蚀严重,点蚀麻坑形成沟纹、外层钢丝松动时,不论断丝数或绳径变细多少,都必须立即更换。
6、锈蚀等级分类及处理方法钢丝绳的锈蚀等级可划分为:I级锈蚀—外观检查:钢丝绳变色,失去光泽,有轻微锈皮或细小的点蚀,抗拉强度损失在10%以下。
I级锈蚀的规定处理:可作升降人员用,但必须加强检查,记录锈蚀发展情况,并结合断丝、变细和使用时间等具体情况确定是否更换。
II级锈蚀—外观检查:钢丝表面锈皮较厚,出现点蚀麻坑,但尚未连成沟纹,抗拉强度损失10%-20%。
II级锈蚀的规定处理:升降人员的钢丝绳达到II级锈蚀时,必须立即更换;升降物料的钢丝绳达到II级锈蚀并发生断丝时,必须加强检查,如果断丝发展速度较快,应结合锈蚀因素确定是否更换。
煤矿钢丝绳检查制度、标准钢丝绳作为矿井提升设备的重要承载部件, 其安全性是对矿井系统的安全、经济运行具有重要作用, 因钢丝绳断绳引起的重大伤亡事故频繁发生, 给国家、煤矿造成不可估量的经济损失, 这是值得煤矿安全管理人员高度重视的问题。
正确使用和维护钢丝绳, 不仅关系到提升设备的安全, 还可以延长钢丝绳的使用寿命, 所以在使用和维护钢丝绳时, 一定要遵守《规程》中的规定。
一、钢丝绳检查制度1.钢丝绳检查要由专人负责检查。
检查人员由经过专门技术培训、考试合格、取得上岗证的人员担任。
2.检查人员每天都要对所用钢丝绳进行详细的检查, 并将检查结果按有关要求做好详细的记录。
3.检查的内容为:(1)对钢丝绳的外表作检查并进行分析, 检查其锈蚀情况、断丝情况以及扭曲弯度情况。
(2)用游标卡尺(宽钳口)对钢丝绳进行分段测量检查其直径。
4.钢丝绳所属部门领导每月至少要查看一次检查记录, 分管负责人每月至少要有2次查看记录;队长、技术员每周要查看一次记录, 查看记录的人要签字, 并填写检查日期。
5.钢丝绳在使用过程中如出现异常情况, 检查员要立即向部门主管人员汇报, 并立即停止使用绞车, 待有关人员确认可以使用后, 方可使用。
6.钢丝绳在使用过程中要严格按《煤矿安全规程》中的有关规定进行管理、使用和试验。
7、检查人员如不按有关规定进行检查的, 要追究其安全责任。
二、《煤矿安全规程》对钢丝绳定期检查的要求1.对提升钢丝绳的日检和对平衡钢丝绳等的周检, 都必须将检查结果记入钢丝绳检查记录簿, 并由检查人员签字。
记录的内容, 应包括断丝、锈蚀、直径缩小和其它损伤等情况。
2.检查钢丝绳时, 应利用深度指示器或其它标志确定断丝和其它损伤的部位。
3.对易损坏或腐蚀较重、断丝较多的部位和区段, 应停车检查。
4.对使用桃形环的连接装置, 每季度应将绳卡子打开进行检查, 并将钢丝绳串出0.5m。
5.检查钢丝绳时, 除了肉眼观察和用手捋摸外, 还可采用钢丝绳探伤仪。
煤矿在用钢丝绳检查管理规定
1.1本规定所辖钢丝绳是指副井提升机在用的提升钢丝绳。
1.2钢丝绳的使用单位要指定专职验绳工负责钢丝绳的检查工作,并建立专用的《钢丝绳日检记录本》。
1.3使用中的钢丝绳必须每日检查一次。
日检应包括下列内容:
1.3.1 检查断丝:检查断丝的根数和部位,捻距断丝情况
1.3.2 检查钢丝绳的磨损和直径变化情况
1.3.3 钢丝绳的润滑和锈蚀情况
1.3.4 绳头和绳卡的牢固程度等。
1.3.5 检查结束后,认真填写记录。
1.4提升钢丝绳必须坚持每半年一次的钢丝绳拉力实验,结果报机电供应部存档。
1.5各单位机电负责人每周参加验绳一次,并在记录本上签字。
1.6机电供应部主管技术人员每月与验绳工共同验绳一次,测量绳径和磨损锈蚀情况,验绳结束,双方在记录本上签字。
1.7机电供应部部长或分管副部长至少每月查阅一次钢丝绳检查记录本,查阅后签名。
8.1以上规定各单位必须认真执行。
每出现一次未执行情况,罚各单位机电负责人100元。
煤矿绞车钢丝绳检查记录1.检查钢丝绳的外观。
首先,要检查钢丝绳是否有明显的损伤,如断丝、扭曲、变形等。
如果有,应立即更换钢丝绳。
其次,要检查钢丝绳表面是否有铁锈、腐蚀等情况。
如果有,需要进行清理和保养,以防止绳索进一步损坏。
2.检查钢丝绳的直径和结构。
钢丝绳的直径和结构决定了它的承载能力。
因此,要定期测量钢丝绳的直径,以确保其符合规定的标准。
此外,还要检查钢丝绳的结构是否紧密,是否有装配不良等问题。
3.检查钢丝绳的拉力。
钢丝绳的拉力是其承载能力的重要指标。
定期使用专用仪器对钢丝绳进行拉力测试,以确保其在工作时能承受预期的重量和应力。
如果钢丝绳的拉力不足,就需要进行修理或更换。
4.检查钢丝绳的弯曲和扭转。
经常在工作中弯曲和扭转的钢丝绳容易磨损,从而影响其承载能力。
因此,要定期检查钢丝绳的弯曲和扭转情况,并采取相应的措施进行保养和修复。
5.检查钢丝绳的连接件。
绞车钢丝绳通常使用连接件与其他运输设备连接,如绞车、滑轮等。
因此,要定期检查这些连接件的状态,确定它们是否紧固、无锈蚀和磨损等情况。
必要时,需要进行修理或更换。
6.检查钢丝绳的润滑。
钢丝绳需要定期进行润滑,以减少摩擦和磨损。
用润滑剂涂抹钢丝绳表面,并确保其均匀分布和充分渗透。
如果发现有过量的润滑剂或润滑剂不足,应做相应调整。
7.记录检查情况。
对钢丝绳的检查和维护应有详细的记录。
记录中应包括检查日期、检查人员、检查项目、检查结果等,以便及时发现问题并采取相应的措施。
同时,还可以根据记录的情况,制定更加精确和有效的维护计划。
以上是关于煤矿绞车钢丝绳检查记录的一些内容,通过对钢丝绳进行定期检查和维护,可以保证其安全性和可靠性,提高煤矿生产的效率和质量,减少事故的发生。
因此,煤矿企业要高度重视钢丝绳的管理工作,并建立完善的检查记录制度。
**********************检修台账
钢丝绳检查记录
使用单位:
单位负责人:
年月
钢丝绳检查记录填写规范
一、钢丝绳要求每日检查并如实填写检查记录,各单位同一使用地点的各种钢丝绳,钢丝绳检查记录可以填写
在一个记录本上。
二、填写规范:①检查日期一栏内填写钢丝绳检查当日日期;②使用地点栏内填写钢丝绳的使用地点;③设
备型号及设备编号一栏内填写使用钢丝绳的设备及对应设备的编号;④钢丝绳规格一栏内填写钢丝绳规格的简写;⑤挂绳日期栏内填写钢丝绳悬挂的日期;⑥钢丝绳外观检查按照有无发黑、锈蚀、点蚀麻坑形成沟纹、外层钢丝松动、变形、露绳芯等情况如实填写;⑦实测绳径情况一栏内要求全绳检查,钩头处绳径必检,然后再检查至少6个点的绳径,当钢丝绳绳径缩小量达10%时,该钢丝绳必须立即更换;⑧全绳断丝根数一栏内填写钢丝绳总断丝根数,要求全绳检查,钩头处必检,然后再检查至少6个点的断丝数,当钢丝绳总断丝根数达到钢丝绳总根数的25%时,该钢丝绳必须立即更换;⑨一个捻距内断丝根数一栏内填写钢丝绳捻距内断丝根数,要求全绳检查,钩头处必检,然后再检查至少6个点的断丝数,发现断丝数达到钢丝绳总丝数的10%时,该钢丝绳必须立即更换。
三、⑥、⑦、⑧、⑨项分别根据《煤矿安全规程》第408条、第406、第402、第405。
钢丝绳检查记录
钢丝绳检查记录(填写范例)。
钢丝绳的试验与检查维护范文钢丝绳是一种常用的工业材料,在吊装、牵引、固定等方面具有广泛的应用。
为了保证钢丝绳的安全可靠运行,进行试验和定期检查维护是必不可少的。
本文将介绍钢丝绳试验与检查维护的主要内容,包括静荷载试验、破断试验、外观检查及润滑维护等方面。
首先,钢丝绳的试验是确保其强度和可靠性的重要手段之一。
静荷载试验是常见的试验方法,通过对钢丝绳进行逐级递增的荷载应力测试,以判断其承载能力。
试验过程中要注意保护人员安全,确保试验设备完好,荷载过程应缓慢、均匀进行,记录和监测钢丝绳的应变和变形情况,及时停止试验并评估结果。
此外,破断试验也是评估钢丝绳强度和品质的重要手段,可以通过施加极大荷载直至钢丝绳断裂,评估其最大承载能力和断裂特性。
破断试验需在合适的试验场地和设备下进行,并由专业人员操作,确保试验的准确性和安全性。
其次,外观检查是钢丝绳日常维护中的重要环节。
外观检查主要包括以下内容:检查钢丝绳表面是否有明显的划痕、腐蚀、变形等损伤,观察钢丝绳弯曲处是否有过度磨损或者断裂,检查吊钩、吊环、环绳等连接部件是否完好,主要检查点焊点是否松动或开裂,检查钢丝绳的尺寸是否满足要求。
检查时需仔细观察并记录异常情况,如发现异常情况应及时报修或更换。
另外,润滑维护也是钢丝绳维护中的重要环节。
润滑能够减少钢丝绳的摩擦和磨损,提高其使用寿命和工作效率。
润滑维护包括以下内容:首先,选用适合的润滑剂,根据环境条件和使用要求选择合适的润滑剂类型和品牌;其次,确定润滑剂的使用方法,包括喷涂、浸涂、涂抹等方式。
在润滑过程中要确保润滑剂均匀覆盖钢丝绳表面,避免润滑剂过量或者不足。
润滑维护的时机主要根据使用频率和使用环境而定,一般建议每隔一段时间进行润滑,并根据实际情况灵活调整。
总之,钢丝绳的试验与检查维护是确保其安全可靠运行的重要措施。
通过静荷载试验和破断试验,可以评估钢丝绳的承载能力和强度;通过外观检查,可以及时发现钢丝绳的损伤和异常情况;通过润滑维护,可以减少钢丝绳的磨损和摩擦。
**煤矿钢丝绳检查记录
钢丝绳检查规定
1、提升钢丝绳必须每天检查一次,查绳时钢丝绳的速度应不超过0.3米/秒;对易损坏和断丝或锈蚀较多的一段应停车详细检查,断丝的突出部分应在检查时剪下;检查后必须认真填写钢丝绳检查记录,异常情况要立即报告机电科负责人。
2、以下情况必须更换钢丝绳:
2.1一个捻距内断丝断面积与钢丝绳总断面积之比达到以下数值是:升降物料10%(对6×7 -Φ28绳,一个捻距内断丝4根时);升降人员和升降物料5%(对6×7 -Φ28绳,一个捻距内断丝2根时);
2.2钢丝绳直径减少量达到10%(对6×7 -Φ28绳,即直径达到Φ25.2㎜时)。
3、钢丝绳在运行中遭受卡住或突然停车等猛烈拉力时,必须立即停车检查,发现下列情况之一者,必须将受力段剁掉或更换全绳:
3.1钢丝绳产生严重扭曲或变形;
3.2断丝数超过规定;
3.3直径减小量超过规定;
3.4遭受猛烈拉力的一段的长度伸长达到0.5%以上。
4、钢丝绳的断丝数突然增加或伸长突然加快,应立即换绳。
5、钢丝绳锈蚀严重,或点蚀麻坑形成沟纹,或外层钢丝松动时,不论断丝数多少或绳径是否变化,均应立即换绳。
郑州市磴槽集团伊川县金窑煤矿
钢丝绳检查记录
( 井月份)
年月日~ 年月日。