安全防护罩标准
- 格式:docx
- 大小:15.98 KB
- 文档页数:1
安全护栏及防护罩标准 The manuscript was revised on the evening of 2021************公司 编号安全管理标准制订 年月日 安全护栏及防护罩标准1.目的:防止人员进入存在危险的场所、防止进入设备运动部分而受到伤害。
2.适用范围:本规范适用于公司人行通道、操作平台、升降口、地坑、屋顶等有跌落危险安全危害的场所;设备传动部位、危险部位防护和屏蔽。
3.权责:公司内工程施工或发外部门、设备设施发外部门负责确认符合本标准要求;使用部门对不符合要求防护设施应向责任部门提出改善要求;环安事务部门负责监督管理。
4.防护围栏规范:(如下图示)防护围栏的高度标准:围栏的种类 具体目的 高度的标准禁止进入的安全栏 防止与危险部分的接近和接触≥1200mm防止坠落的扶手 防止操作者从高处坠落。
≥1100mm区域划分栏 区域划分。
(属人、车通道)1000mm 左右 防止手从围栏间隙触摸设备的对策:①护栏与危险地方要距离750mm 以上;②围栏上装金属网;③危险部分要设置防护罩。
(符合其中之一)围栏的间隙:①纵向间隙在150mm 以内。
②围栏间以及围栏与固定物间隙150mm 以内。
③地面与围栏下面的间隙200mm 以下。
栏杆的全部构件采用性能不低于 Q235— 的钢材制造。
栏杆端部必须设置立杆或与建筑物牢固连接。
所有结构表面应光滑、无毛刺,安装后不应有歪斜、扭曲、变形及其他缺陷。
5. 防护罩规范:(如下图示)只要操作工可能触及到的活动部件,在防护罩没闭合前,活动部件就不能运转。
防护罩应具备足够的强度、硬度,一般用金属材料制作,在满足上述要求的前提下也可用其它的材料制作。
一般情况下,应采用固定式全封闭结构防护罩,可根据实际需要选择钢板防护罩或网状结构防护罩。
经常进行调节和维护的运动部件应采用联锁式防护罩,或采用开启式、可调式防护罩。
进行拆下防护罩作业前,须挂“有人作业,禁止合闸”停机牌,确保断电使设备停机,防止误操作。
《机械设备防护罩安全标准》《机械设备防护罩安全标准》是针对机械设备防护罩设计、制造、安装、使用等一系列行为的安全性标准。
该标准的制定旨在防止操作人员接触危险的运动部分,避免发生夹压、割伤等事故,保障员工的人身安全和企业的正常生产。
本文将从标准的背景、目的、范围、术语和定义、一般要求、设计和制造要求、安装和使用要求、监督和检查八个方面进行详细阐述。
一、标准的背景机械设备在生产过程中具有重要的作用,但同时也存在一定的安全隐患。
由于设备运行过程中,运动部分可能会产生夹压、割伤等事故,给操作人员带来极大的危害。
为了解决这一问题,制定了一套科学、合理的机械设备防护罩安全标准。
二、目的本标准的目的是为了规范机械设备防护罩的设计、制造、安装、使用等环节,确保防护罩能够有效地减少或避免操作人员在作业过程中受到伤害。
同时,提高企业的生产安全水平,保障员工的生命安全和企业的可持续发展。
三、范围本标准适用于各类机械设备防护罩的设计、制造、安装和使用,包括但不限于机床、液压设备、传动设备等。
不适用于手提式或移动式机械设备的防护罩设计。
四、术语和定义本标准采用以下术语和定义:1.机械设备:指在生产过程中需要运动的机械部件组成的机器,如机床、液压设备等。
2.防护罩:指安装在机械设备上,用于隔离危险运动部件的装置。
3.运动部件:指在机械设备中需要运动的部件,如转轴、滑块等。
4.安全距离:指防护罩与危险运动部件之间的最小距离。
五、一般要求1.防护罩的设计应符合安全标准,具备相应的安全性能,如耐压、耐冲击等。
2.防护罩的材料应选择无毒、无害、不易燃的材料,提高设备的安全性。
3.防护罩的结构应简单、紧凑,方便安装和维护。
4.防护罩的颜色应醒目,便于操作人员识别和注意。
5.防护罩的重量应合理,避免过重导致操作困难或过轻导致无法有效隔离危险。
六、设计和制造要求1.防护罩的设计应遵循机械设备的结构特点和使用要求,确保能够有效隔离危险运动部件。
防护罩安全标准(1)对各种机械的传动带、明齿轮、接近地面的联轴节、皮带轮、飞轮等易伤人体的部位都必须有完好的防护设施。
①皮带轮:安装皮带轮要注意松紧程度,装得太紧,致使皮带拉断,装得太松会影响机器正常转动。
对于皮带传动的防护有两种方法:一是用防护罩将皮带安全遮盖,二是使用栅档防护,使皮带在转动中避免人体与皮带轮的危险部位接触。
②齿轮:在齿轮传动中最危险处是齿轮啮合部位,以及齿轮的轮辐间的空隙处,为了避免齿轮传动所发生的危险必须装有防护罩,并要将齿轮全部遮盖封闭对齿轮传动、摩擦轮传动的防护都应根据其特点分别在啮合区域安装防护装置,有可能的应将齿轮装入全封闭的机座内。
而摩擦轮表面光滑,因此可不用整体式防护,而仅局部防护其接触部位即可。
③链传动:链传动的危险部位是在链条进入链轮之处,在距离地面2 m以内并露在机座以外的链条传动系统,均应装设防护罩。
④轴:所有凸出于轴面或是不平滑的附体,如:键、固定螺钉等,露头固定螺钉尤其有害,在生产中,有可能将人的衣服卷住,而发生伤害,因此必须安装防护轴套。
对于转动轴在离开地面高度2 m以内,除置于机器内部者外,其余露出部分必须全部加以遮盖,防护。
⑤联轴器:转动轴的联轴器所发生的危险基本与轴相类似,但其严重程度比轴更大,因表面光洁度比轴差。
安全的联轴器必须无凸出的不平整部分,螺栓头及螺母均应埋头在联轴器内,或者设计时将联轴器外径边缘大于螺栓紧固尺寸。
总之联轴器在转动中,有可能发生危险的部位,都必须有档板罩盖等防护措施。
(2)防护罩标准:①防护罩应尽量采用封闭结构,当现场需要采用网状结构时,其安全距离和网眼和开口宽度应符合下列要求:②为防止指尖误通过而造成伤害时,其开口宽度:直径及边长或椭圆形孔的短轴尺寸应小于6.5mm,安全距离应不小于35mm。
③为防止手指误通过而造成伤害时,其开口宽度:直径及边长或椭圆形孔的短轴尺寸应小于12.5mm,安全距离应不小于92mm④为防止手掌(不含第一掌指关节)误通过而造成伤害时,其开口宽度:直径及边长或椭圆形的短轴尺寸应小于20mm,安全距离应不小于135mm⑤为防止上肢误通过而造成伤害时,其开口宽度:直径及边长或椭圆形孔的短轴尺寸应小于47mm,安全距离应不小于460mm⑥为防止足尖误通过而造成伤害时,防护罩底部与地面(或站立台面)的间隙应小于76mm,安全距离应不小于150mm。
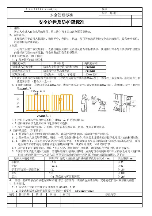
************公司 编号安全管理标准制订 年月日 安全护栏及防护罩标准1。
目的:防止人员进入存在危险的场所、防止进入设备运动部分而受到伤害.2。
适用范围:本规范适用于公司人行通道、操作平台、升降口、地坑、屋顶等有跌落危险安全危害的场所;设备传动部位、危险部位防护和屏蔽。
3.权责:公司内工程施工或发外部门、设备设施发外部门负责确认符合本标准要求;使用部门对不符合要求防护设施应向责任部门提出改善要求;环安事务部门负责监督管理。
4.防护围栏规范:(如下图示)4。
1 防护围栏的高度标准:围栏的种类 具体目的 高度的标准禁止进入的安全栏 防止与危险部分的接近和接触 ≥1200mm防止坠落的扶手 防止操作者从高处坠落. ≥1100mm区域划分栏 区域划分。
(属人、车通道) 1000mm 左右4.2 防止手从围栏间隙触摸设备的对策:①护栏与危险地方要距离750mm 以上;②围栏上装金属网;③危险部分要设置防护罩.(符合其中之一)4。
3 围栏的间隙:①纵向间隙在150mm 以内.②围栏间以及围栏与固定物间隙150mm 以内。
③地面与围栏下面的间隙200mm 以下。
4.4 栏杆的全部构件采用性能不低于 Q235—A 。
F 的钢材制造。
4.5 栏杆端部必须设置立杆或与建筑物牢固连接。
4.6 所有结构表面应光滑、无毛刺,安装后不应有歪斜、扭曲、变形及其他缺陷。
5. 防护罩规范:(如下图示)5。
1 只要操作工可能触及到的活动部件,在防护罩没闭合前,活动部件就不能运转。
5。
2 防护罩应具备足够的强度、硬度,一般用金属材料制作,在满足上述要求的前提下也可用其它的材料制作。
5。
3 一般情况下,应采用固定式全封闭结构防护罩,可根据实际需要选择钢板防护罩或网状结构防护罩。
经常进行调节和维护的运动部件应采用联锁式防护罩,或采用开启式、可调式防护罩.5.4 进行拆下防护罩作业前,须挂“有人作业,禁止合闸”停机牌,确保断电使设备停机,防止误操作.5。
机械设备防护罩安全要求GB 8196-1987国家标准局1 987-09-21批准1 988-05-01实施标准适用于工业生产中、为保护操作者人身安全而安装在机械设备上的各种防护罩。
本标准为防护罩的设计、制造、安装提供主要技术依据。
1名词1.1危险区域(hazardous location ) 人体进入后,可能引起致伤危险的空间区域。
1.2 防护罩的安全距离 (safety dista nee of guard ) 防护罩外缘与危险区域之间的直线距离。
防护罩结构和布局应设计合理,使人体不能直接进入危险区域。
防护罩应有足够的强度、刚度,一般应采用金属材料制造,在满足强度和刚度的条 也可用其他材料制造。
防护罩应尽量采用封闭结构,当现场需要采用网状结构时,其安全距离和网眼的开 为防止指尖误通过而造成伤害时,其开口宽度:直径及边长或椭圆形孔的短轴尺6.5mm 安全距离应不小于 35mm 为防止手指误通过而造成伤害时,其开口宽度:直径及边长或椭圆形孔的短轴尺 12.5mm,安全距离应不小于 92mm (见图1)。
图1a —网眼尺寸;b —安全距离为防止手掌(不含第一掌指关节)误通过而造成伤害时,其开口宽度:直径及边长 20mm 安全距离应不小于 135mm (见图2 )。
2技术要求2.12.2 件下, 2.3 口宽度应符合下列要求: 2.3.1 寸应小于 2.3.2 寸应小于2.3.3 或椭圆形孔的短轴尺寸应小于2.3.576mm 安全距离应不小于 150mm (见图4)。
2.3.4 寸应小于 为防止上肢误通过而造成伤害时,其开口宽度:直径及边长或椭圆形孔的短轴尺 47mm 安全距离应不小于 460mm (见图3)。
(或站立台面)的间隙应小于为防止足尖误通过而造成伤害时,防护罩底部与地面2.4一般情况下,应采用固定式防护罩,经常进行调节和维护的运动部件,应优先采用联锁式防护罩,条件不允许时,可采用开启式或可调式防护罩。
防护罩安全标准(1)对各种机械的传动带、明齿轮、接近地面的联轴节、皮带轮、飞轮等易伤人体的部位都必须有完好的防护设施。
①皮带轮:安装皮带轮要注意松紧程度,装得太紧,致使皮带拉断,装得太松会影响机器正常转动。
对于皮带传动的防护有两种方法:一是用防护罩将皮带安全遮盖,二是使用栅档防护,使皮带在转动中避免人体与皮带轮的危险部位接触。
②齿轮:在齿轮传动中最危险处是齿轮啮合部位,以及齿轮的轮辐间的空隙处,为了避免齿轮传动所发生的危险必须装有防护罩,并要将齿轮全部遮盖封闭对齿轮传动、摩擦轮传动的防护都应根据其特点分别在啮合区域安装防护装置,有可能的应将齿轮装入全封闭的机座内。
而摩擦轮表面光滑,因此可不用整体式防护,而仅局部防护其接触部位即可。
③链传动:链传动的危险部位是在链条进入链轮之处,在距离地面2 m以内并露在机座以外的链条传动系统,均应装设防护罩。
④轴:所有凸出于轴面或是不平滑的附体,如:键、固定螺钉等,露头固定螺钉尤其有害,在生产中,有可能将人的衣服卷住,而发生伤害,因此必须安装防护轴套。
对于转动轴在离开地面高度2 m以内,除置于机器内部者外,其余露出部分必须全部加以遮盖,防护。
⑤联轴器:转动轴的联轴器所发生的危险基本与轴相类似,但其严重程度比轴更大,因表面光洁度比轴差。
安全的联轴器必须无凸出的不平整部分,螺栓头及螺母均应埋头在联轴器内,或者设计时将联轴器外径边缘大于螺栓紧固尺寸。
总之联轴器在转动中,有可能发生危险的部位,都必须有档板罩盖等防护措施。
(2)防护罩标准:①防护罩应尽量采用封闭结构,当现场需要采用网状结构时,其安全距离和网眼和开口宽度应符合下列要求:②为防止指尖误通过而造成伤害时,其开口宽度:直径及边长或椭圆形孔的短轴尺寸应小于6.5mm,安全距离应不小于35mm。
③为防止手指误通过而造成伤害时,其开口宽度:直径及边长或椭圆形孔的短轴尺寸应小于12.5mm,安全距离应不小于92mm④为防止手掌(不含第一掌指关节)误通过而造成伤害时,其开口宽度:直径及边长或椭圆形的短轴尺寸应小于20mm,安全距离应不小于135mm⑤为防止上肢误通过而造成伤害时,其开口宽度:直径及边长或椭圆形孔的短轴尺寸应小于47mm,安全距离应不小于460mm⑥为防止足尖误通过而造成伤害时,防护罩底部与地面(或站立台面)的间隙应小于76mm,安全距离应不小于150mm。
************公司编号安全管理标准制订年月日安全护栏及防护罩标准(可以直接使用,可编辑优秀版资料,欢迎下载)安全护栏及防护罩标准1.目的:防止人员进入存在危险的场所、防止进入设备运动部分而受到伤害. 2.适用范围:本规范适用于公司人行通道、操作平台、升降口、地坑、屋顶等有跌落危险安全危害的场所;设备传动部位、危险部位防护和屏蔽。
3.权责:公司内工程施工或发外部门、设备设施发外部门负责确认符合本标准要求;使用部门对不符合要求防护设施应向责任部门提出改善要求;环安事务部门负责监督管理。
4。
防护围栏规范:(如下图示) 4.1防护围栏的高度标准: 围栏的种类 具体目的 高度的标准 禁止进入的安全栏 防止与危险部分的接近和接触 ≥1200mm 防止坠落的扶手 防止操作者从高处坠落。
≥1100mm 区域划分栏 区域划分。
(属人、车通道) 1000mm 左右4.2 防止手从围栏间隙触摸设备的对策:①护栏与危险地方要距离750mm 以上;②围栏上装金属网;③危险部分要设置防护罩。
(符合其中之一)4.3 围栏的间隙:①纵向间隙在150mm 以内。
②围栏间以及围栏与固定物间隙150mm 以内.③地面与围栏下面的间隙200mm 以下。
4.4栏杆的全部构件采用性能不低于 Q235—A 。
F 的钢材制造。
4.5栏杆端部必须设置立杆或与建筑物牢固连接。
4.6所有结构表面应光滑、无毛刺,安装后不应有歪斜、扭曲、变形及其他缺陷。
5. 防护罩规范:(如下图示)5。
1只要操作工可能触及到的活动部件,在防护罩没闭合前,活动部件就不能运转。
5.2 防护罩应具备足够的强度、硬度,一般用金属材料制作,在满足上述要求的前提下也可用其它的材料制作。
5.3 一般情况下,应采用固定式全封闭结构防护罩,可根据实际需要选择钢板防护罩或网状结构防护罩。
经常进行调节和维护的运动部件应采用联锁式防护罩,或采用开启式、可调式防护罩.5.4 进行拆下防护罩作业前,须挂“有人作业,禁止合闸"停机牌,确保断电使设备停机,防止误操作。
安全防护罩标准按照GB8196-2003《机械设备防护罩安全标准》要求,制定本标准:一、机械设备防护罩安装要求1、所有的轴端安装防护装置,转动机械的防护罩包括转动机械的全部外露转动部分的防护罩,含转动机械的联轴器、传动皮带、机械密封等处(或盘根)等所有转动部分;2、所有做旋转或振荡运动的杠杆、凸轮、传动装置或轴安装防护装置;3、所有的传送带安装防护栏(尤其要注意传送带下面)、头尾部滚筒的封闭装置;4、所有的皮带传动装置和链条传动装置安装防护装置;5、所有正常情况下能够伸手摸到运动部件安装防护装置或封闭;6、如果无法给这些设备安装有效的防护装置,应将它们封闭起来二、机械设备防护罩的安全要求1、防护罩结构和布局应设计合理,使人体不能直接进入危险区域。
2、防护罩应尽量采用封闭机构,当需要采用网状结构时,应符合下列要求:1)防止手指尖误通过造成伤害时,其开口宽度:直径及边长或椭圆形孔的短轴尺寸应小于6.5mm,安全距离不应小于35mm。
2)防止手指误通过造成伤害时,其开口宽度:直径及边长或椭圆形孔的短轴尺寸应小于12.5mm,安全距离不应小于92mm。
3)防止上肢误通过造成伤害时,其开口宽度:直径及边长或椭圆形孔的短轴尺寸应小于47mm,安全距离不应小于460mm。
4)防止足尖误通过造成伤害时,防护罩底部与地面(或站立平台)的间隙应小于76mm,安全距离不应小于150mm。
3、制作后的防护罩应双面刷涂黄色漆,于防护罩的顶部中间部位刷涂旋转方向(白色)箭头,箭头大小视防护罩的大小而定,箭头的长度小于0.5倍防护罩长度,箭头的宽度小于0.2倍防护罩宽度。
4、械设备防护罩,应采用固定式防护罩,经常进行调节和维护的运动部件,应优先采用联锁式防护罩,条件不允许时,可采用开启式或可调节式防护罩。
5、防护罩表面光滑无毛刺和尖锐棱角,严禁产生新的危险源。
组装前从每个零部件内部清除全部加工垃圾,如金属切削、填充物等,应从内外表面清除所有轧屑。
机械设备防护罩安全标准
机械设备防护罩安全标准
1. 引言:
机械设备防护罩是用来保护人员、设备和环境的,主要用于机
械设备的关键部分,以防止人员误碰、受伤或设备的损坏。
本文将
阐述机械设备防护罩的相关安全标准。
2. 安全标准:
2.1 制定标准
机械设备防护罩的制定应该参考当地的法律法规和行业标准,
包括国家标准、行业标准、企业标准以及国际标准。
同时,还应结
合现场条件、设备性质等情况,制定适宜的机械设备防护罩。
2.2 防护罩保护区域
机械设备防护罩应覆盖设备的所有危险区域,同时设备正常运
行时不会对防护罩造成损坏。
防护罩的开口处应该设定在不易被人
员碰触的地方,并且不得妨碍设备的正常运行。
2.3 防护罩材料及厚度
机械设备防护罩的材料应符合当地的标准及行业规范,如使用
金属材料应选用厚度符合要求的材料,及时更换损坏较大的防护罩。
同时还应根据现场工作环境、温度、湿度等情况调整材料的厚度。
2.4 防护罩的稳固性
机械设备防护罩应采用可靠的连接方式使其与设备紧密地连接在一起,以确保其稳定性。
如果防护罩不能固定在设备上,导致其晃动或空隙过大,将失去其保护作用。
2.5 防护罩的性能
机械设备防护罩不仅应能保护人员和设备,还应具有防水、防尘、防氧化等性能,以保证其长期使用寿命和稳定性。
3. 结论:
机械设备防护罩是用来保护人员、设备和环境的,保护范围应该覆盖危险区域,并采用合适的材料和厚度,稳固地与设备连接在一起,同时具有防水、防尘、防氧化等性能。
在制定时,应参考有关法律、标准和规定,根据实际情况确定具体的制定标准。
编号************企业制定年代日安全管理标准安全护栏及防备罩标准1.目的:防备人员进入存在危险的场所、防备进入设备运动部分而遇到损害。
2.合用范围:本规范合用于企业人行通道、操作平台、起落口、地坑、屋顶等有跌落危险安全危害的场所;设备传动部位、危险部位防备和障蔽。
3.权责:企业内工程施工或发外面门、设备设备发外面门负责确认切合本标准要求;使用部门对不切合要求防备设备应向责任部门提出改良要求;环安事务部门负责监察管理。
4.防备围栏规范: ( 以下列图示 )防备围栏的高度标准:围栏的种类详细目的高度的标准严禁进入的安全防备与危险部分的靠近≥1200mm栏和接触防备坠落的扶手防备操作者从高处坠≥1100mm落。
地区区分。
( 属人、车通1000mm左右地区区分栏道)防备手从围栏空隙触摸设备的对策:①护栏与危险地方要距离750mm以上;②围栏上装金属网;③危险部分要设置防备罩。
( 切合此中之一 )围栏的空隙:①纵向空隙在 150mm之内。
②围栏间以及围栏与固定物空隙150mm之内。
150mm 以③地面与围栏下边的空隙 200mm以下。
固定200mm之内栏杆的所有构件采纳性能不低于Q235—的钢材制造。
栏杆端部一定设置立杆或与建筑物坚固连结。
所有构造表面应圆滑、无毛刺,安装后不该有倾斜、歪曲、变形及其余缺点。
5.防备罩规范: ( 以下列图示 )只需操作工可能涉及到的活动零件,在防备罩没闭合前,活动零件就不可以运行。
防备罩应具备足够的强度、硬度,一般用金属资料制作,在知足上述要求的前提下也可用其余的资料制作。
一般状况下,应采纳固定式全关闭构造防备罩,可依据实质需要选择钢板防备罩或网状构造防备罩。
常常进行调理和保护的运动零件应采纳联锁式防备罩,或采纳开启式、可调式防备罩。
进行拆下防备罩作业前,须挂“有人作业,严禁合闸”停机牌,保证断电使设备停机,防备误操作。
防备罩应尽量采纳关闭构造;当现场需要采纳网状构造时,应知足对不一样网眼张口尺寸的安全距离(防备罩外缘与危险地区——人体进入后,可能惹起致伤危险的空间地区)间的直线距离的规定,见下表:网眼张口宽度(直径及边长或椭圆形孔短安全距离防备人体经过部位轴尺寸) mm mm 手指尖<≥35手指<≥92手掌(不含第一掌指<20≥135关节)上肢<47≥460足尖<76(罩底部与所站面空隙)≥1506.围栏、防备罩表面一定进行防腐涂装,本企业范围内一律用黄色油漆涂装;交统统道护栏可黄黑相间颜色。
安全防护罩标准按照 GB8196-2003《机械设备防护罩安全标准》要求,制定本标准:一、机械设备防护罩安装要求1、所有的轴端安装防护装置,转动机械的防护罩包括转动机械的全部外露转动部分的防护罩,含转动机械的联轴器、传动皮带、机械密封等处(或盘根)等所有转动部分;2、所有做旋转或振荡运动的杠杆、凸轮、传动装置或轴安装防护装置;3、所有的传送带安装防护栏(尤其要注意传送带下面)、头尾部滚筒的封闭装置;4、所有的皮带传动装置和链条传动装置安装防护装置;5、所有正常情况下能够伸手摸到运动部件安装防护装置或封闭;6、如果无法给这些设备安装有效的防护装置,应将它们封闭起来二、机械设备防护罩的安全要求1、防护罩结构和布局应设计合理,使人体不能直接进入危险区域。
2、防护罩应尽量采用封闭机构,当需要采用网状结构时,应符合下列要求:1)防止手指尖误通过造成伤害时,其开口宽度:直径及边长或椭圆形孔的短轴尺寸应小于6.5mm,安全距离不应小于35mm。
2)防止手指误通过造成伤害时,其开口宽度:直径及边长或椭圆形孔的短轴尺寸应小于12.5mm,安全距离不应小于92mm。
3)防止上肢误通过造成伤害时,其开口宽度:直径及边长或椭圆形孔的短轴尺寸应小于47mm,安全距离不应小于460mm。
4)防止足尖误通过造成伤害时,防护罩底部与地面(或站立平台)的间隙应小于76mm,安全距离不应小于150mm。
3、制作后的防护罩应双面刷涂黄色漆,于防护罩的顶部中间部位刷涂旋转方向(白色)箭头,箭头大小视防护罩的大小而定,箭头的长度小于0.5倍防护罩长度,箭头的宽度小于0.2倍防护罩宽度。
4、械设备防护罩,应采用固定式防护罩,经常进行调节和维护的运动部件,应优先采用联锁式防护罩,条件不允许时,可采用开启式或可调节式防护罩。
5、防护罩表面光滑无毛刺和尖锐棱角,严禁产生新的危险源。
组装前从每个零部件内部清除全部加工垃圾,如金属切削、填充物等,应从内外表面清除所有轧屑。
防护罩安全标准(1)对各种机械的传动带、明齿轮、接近地面的联轴节、皮带轮、飞轮等易伤人体的部位都必须有完好的防护设施。
①?皮带轮:安装皮带轮要注意松紧程度,装得太紧,致使皮带拉断,装得太松会影响机器正常转动。
对于皮带传动的防护有两种方法:一是用防护罩将皮带安全遮盖,二是使用栅档防护,使皮带在转动中避免人体与皮带轮的危险部位接触。
?②?齿轮:在齿轮传动中最危险处是齿轮啮合部位,?以及齿轮的轮辐间的空隙处,为了避免齿轮传动所发生的危险必须装有防护罩,并要将齿轮全部遮盖封闭对齿轮传动、摩擦轮传动的防护都应根据其特点分别在啮合区域安装防护装置,有可能的应将齿轮装入全封闭的机座内。
而摩擦轮表面光滑,因此可不用整体式防护,而仅局部防护其接触部位即可。
?③链传动:链传动的危险部位是在链条进入链轮之处,?在距离地面2 m 以内并露在机座以外的链条传动系统,均应装设防护罩。
?④?轴:所有凸出于轴面或是不平滑的附体,如:键、固定螺钉等,露头固定螺钉尤其有害,在生产中,有可能将人的衣服卷住,而发生伤害,?因此必须安装防护轴套。
对于转动轴在离开地面高度2 m以内,除置于机器内部者外,其余露出部分必须全部加以遮盖,防护。
?⑤?联轴器:转动轴的联轴器所发生的危险基本与轴相类似,但其严重程度比轴更大,因表面光洁度比轴差。
安全的联轴器必须无凸出的不平整部分,螺栓头及螺母均应埋头在联轴器内,或者设计时将联轴器外径边缘大于螺栓紧固尺寸。
总之联轴器在转动中,有可能发生危险的部位,?都必须有档板罩盖等防护措施。
?(2)防护罩标准:???? ①防护罩应尽量采用封闭结构,当现场需要采用网状结构时,其安全距离和网眼和开口宽度应符合下列要求:??????②为防止指尖误通过而造成伤害时,其开口宽度:直径及边长或椭圆形孔的短轴尺寸应小于6.5mm,安全距离应不小于35mm。
??③为防止手指误通过而造成伤害时,其开口宽度:直径及边长或椭圆形孔的短轴尺寸应小于12.5mm,安全距离应不小于92mm④为防止手掌(不含第一掌指关节)误通过而造成伤害时,其开口宽度:直径及边长或椭圆形的短轴尺寸应小于20mm,安全距离应不小于135mm⑤为防止上肢误通过而造成伤害时,其开口宽度:直径及边长或椭圆形孔的短轴尺寸应小于47mm,安全距离应不小于460mm⑥为防止足尖误通过而造成伤害时,防护罩底部与地面(或站立台面)的间隙应小于76mm,安全距离应不小于150mm。
安全防护罩标准
按照 GB8196-2003《机械设备防护罩安全标准》要求,制定本标准:
一、机械设备防护罩安装要求
1、所有的轴端安装防护装置,转动机械的防护罩包括转动机械的全部外露转动部分的防护罩,含转动机械的联轴器、传动皮带、机械密封等处(或盘根)等所有转动部分;
2、所有做旋转或振荡运动的杠杆、凸轮、传动装置或轴安装防护装置;
3、所有的传送带安装防护栏(尤其要注意传送带下面)、头尾部滚筒的封闭装置;
4、所有的皮带传动装置和链条传动装置安装防护装置;
5、所有正常情况下能够伸手摸到运动部件安装防护装置或封闭;
6、如果无法给这些设备安装有效的防护装置,应将它们封闭起来
二、机械设备防护罩的安全要求
1、防护罩结构和布局应设计合理,使人体不能直接进入危险区域。
2、防护罩应尽量采用封闭机构,当需要采用网状结构时,应符合下列要求:
1)防止手指尖误通过造成伤害时,其开口宽度:直径及边长或椭圆形孔的短轴尺寸应小于6.5mm,安全距离不应小于35mm。
2)防止手指误通过造成伤害时,其开口宽度:直径及边长或椭圆形孔的短轴尺寸应小于12.5mm,安全距离不应小于92mm。
3)防止上肢误通过造成伤害时,其开口宽度:直径及边长或椭圆形孔的短轴尺寸应小于47mm,安全距离不应小于460mm。
4)防止足尖误通过造成伤害时,防护罩底部与地面(或站立平台)的间隙应小于76mm,安全距离不应小于150mm。
3、制作后的防护罩应双面刷涂黄色漆,于防护罩的顶部中间部位刷涂旋转方向(白色)箭头,箭头大小视防护罩的大小而定,箭头的长度小于0.5倍防护罩长度,箭头的宽度小于0.2倍防护罩宽度。
4、械设备防护罩,应采用固定式防护罩,经常进行调节和维护的运动部件,应优先采用联锁式防护罩,条件不允许时,可采用开启式或可调节式防护罩。
5、防护罩表面光滑无毛刺和尖锐棱角,严禁产生新的危险源。
组装前从每个零部件内部清除全部加工垃圾,如金属切削、填充物等,应从内外表面清除所有轧屑。
6、防护罩设计不影响视线和正常操作,便于设备的检查和维修,便于运行人员的巡视检查。
三、整改要求:
各分厂严格按照标准进行整改,5天后将进行检查,对整改不力或不符合标准的分厂严厉问责,并每项处罚50元。
生产安环处。