设备编号管理规程
- 格式:doc
- 大小:49.00 KB
- 文档页数:2
1目的规范山语城设备管理,建立设备台帐、资料档案、统计分析,对设备进行有效控制,明确设备资产按规定的方法分类、编号。
2适用范围山语城各类设备的登记、编号和资料管理。
3 职责3.1管理处维修班各设备责任人负责本设施、设备各类资料的收集、分类整理、并对设施设备进行登记、编号和台帐、资料进行日常管理;3.2维修班长负责设施设备台帐的建立和日常管理,并监督和指导各设施设备责任人对设施设备的管理,确保各类设备资料的系统性、完整性和规范性;3.3管理处主任负责设施设备资料管理质量的日常督促、改进工作。
4实施程序4.1设施设备登记、分类及编号4.1.1管理处应及时收集各类公共设施设备,并登记在山语城《公共设施设备登记表》中;4.1.2施设备的分类:设备分类根据设备种类和使用功能进行分类,具体见4.1.4;4.1.3设施设备的编号方法:a、设施设备编号方法采用6位数字表示,前三位代表设备类型,后三位为顺序号,编码如下:b、编码示例:小区第一号变压器:101-001;小区第二号电梯:104-002。
4.1.4各设施设备责任人对所负责的设施设备制作相应的设备卡并对设施设备进行标识,设备卡需进行编号,设备卡编号示例:4.1.5如原设备责任人调离,维修班长应及时重新对其负责的设备分配责任人,并更换设备卡;4.1.6如设施设备需进行大中修、更新改造时,管理处应提前报技术室,并按《设施设备大中修、更新改造管理规程》执行;4.1.7管理处维修班由设备责任人对相应所管辖设施设备更新改造后的内容(改造、更新和启用时间、改造内容、故障情况、更换组件等)进行登记,形成设施设备台帐。
4.2工程资料归档分类4.2.1建筑物工程类资料的归档范围,包括山语城的各类竣工资料:图纸、建筑物使用功能改造及结构变更资料、房屋本体的维护资料(大、中修年度计划、预算、审批、执行、验收资料、记录)等;4.2.2公共设施、设备资料的归档范围,包括:开箱验收资料、说明书、质量保证书、合格证、安装验收及试验报告,设施设备维护资料(大、中修年度计划、预算、审批、执行、验收资料、记录)等。
编号:464442168.docx
桂林市XXXX科技有限责任公司质量管理文件
(1)每台在用设备、仪器仪表均需要进行统一编号。
(2)如设备附带有关键仪表,不仅要对设备进行编号,还要对其附带的关键仪表进行编号。
(3)一般设备购买回来,经验收合格后,即按本操作规程进行编号,拿入设备管理。
(4)公司规定编号形式为:公司代号(HK)+顺序号(3位阿拉伯数字)。
示例如下:
例如:公司冷库制冷机组-1,可对其编号为:HK001。
其附带有关键仪表:带探头温度控制仪表,可对该仪表编号为:HK002。
2、编号的管理
(1)编号一经编制不可随意更改,一般终身使用,直至该设备报废后,收回编号。
(2)当本规程进行修订后对编号规则做出了改动的,需按新编号规则重新编号。
(3)设备、仪器仪表的编号纳入设备管理信息内容。
3、编号的应用
(1)当一种设备、仪器仪表有很多个时,在使用时可采用:编号+名称方式以示区别:如相同的保温箱有几个,可采用:编号+保温箱的形式区别开来,如HK003保温箱、HK004保温箱等等。
第 1 页共1 页。
设备编码管理规程
1、目的Purpose
依据生产质量管理规范(GMP),制订设备编号管理规程,严格
设备管理,保证产品质量。
2、适用范围Scope
本规程适用于工艺设备、通用设备。
3、责任Responsibility
3.1起草本规程是设备部的责任。
3.2审核本规程是各车间主任的责任。
3.3批准本规程是总经理的责任。
3.4执行本规程是车间主任、设备员、操作人的责任。
4、程序和内容Procedure and content
4.1设备编码管理采用层次编码,按要求分为四个层次。
CN XX XX X
第一层级代码(创诺)
第二层级代码(部门代码)
第三层级代码(类别号)
第四层级代码(成套流水号)
4.1.1第一层级代码表示创诺生物科技有限公司
4.1.2第二层级代码表示公司内部部门设备的代码。
以部门名称的拼音字母的头字母来表示。
例如:发酵车间的设备:FJ.如出现相同字母,可取其他字母进行代替。
部门代码表
4.1.3第三层级代码:设备类别,例如:泵类,BBL,罐GGL,液位计,YWJ等
4.1.4第四层级代码:表示由主机和若干辅机组成的成套设备的组成单元流水号。
设备分类、编号管理规程设备分类、编号管理规程一、设备分类为了提高设备的管理水平,保证设备运营安全,规范设备管理工作,本公司特将设备划分为以下几类:1. 生产设备:指生产产品所必需的设备,包括生产线、机床、加工设备等。
2. 工具设备:指生产产品或维护和修理维护所使用的辅佑襄助设备,包括工具、夹具、测量仪器、试验设备等。
3. 办公设备:指办公场所所使用的设备,包括电脑、打印机、传真机、电话机等。
4. 公共设备:指不仅供内部使用,而且供客户使用的设备,包括电梯、灭火器、消防设备等。
5. 消耗性物资:指有肯定使用寿命,不能维护和修理使用的物品,如纸张、墨盒、笔等。
二、设备编号为了便利设备的管理,本公司对全部设备进行编号管理。
设备编号应基于设备功能、型号、生产日期等信息,力求输简洁明白,便于管理。
实在要求如下:1. 设备编号应在符合国家相关法律法规的前提下,清楚明白,避开混淆。
一般设备编号的构成形式如下:设备类型标志 + 机器编号 + 批次号。
例如,生产设备的编号为“PD(Production Devices)+三位数字+批次号”。
2. 托管公司应对每位用户的设备进行实在的编号,同时要求设备全部者对设备编号办理登记手续,为设备管理工作供给便利。
3. 设备编号应当写在资产卡片、设备保养记录单、设备维护记录单等相关文件上。
4. 对于紧要设备,托管公司应在设备上贴有设备编号,避开设备的遗失和混淆。
同时,贴有设备编号的标签应定期更换,防止标签的脱落和磨损。
5. 设备编号的设置应与设备的使用寿命相同,一般不应任意更改。
若需要更改,应在资产管理及设备保养记录上标明更改日期及原因。
三、设备管理1. 设备保养和维护托管公司应当订立相应的设备维护和修理计划,并负责设备的保养和维护工作。
定期保养:依照设备使用说明书的规定,对机器的润滑、修整及换件等工作进行维护。
定期检查:对于一些易损件和维护和修理项目,应每月进行一次检查。
定期清洗:对设备进行定期清洗,保持设备的干净和乾净。
设备仪器编号管理规程 1 共1 页
ABC有限责任公司-管理规程设备仪器编号管理规程
目的:建立设备分类编号的管理规程,使设备容易识别,便于管理。
适用范围:设备分类编号。
责任人:生产制造部、质量管理部、饮片车间。
内容:
1 为使规格不一、性能各异的设备能够容易识别,便于管理,按车间及职能科室对设备进行分类,用排序分类编号对设备进行编号。
2 设备的分类编号表现形式为:xx001-999,其中xx表示设备所在部门,后面三位数字表示设备所在部门序号。
2.1 编制原则
格式:拼音字母(xx)-设备序号
说明:拼音字母 YP.饮片车间 ZL.质量管理部
SC.生产制造部
2.2 仪器设备编号内容:例:YP-001标识在饮片车间的001号设备。
3 检验仪器编号程序:
3.1 仪器设备编号由生产制造部编制。
3.2 仪器设备的编号前提是:必须在设备开箱验收和安装运行合格后编号。
3.3 方法:所有检验仪器的部门拼音后加所在部门拼音。
后面加仪器编号xx-001.如片剂车间化验室的检测仪器可编成YPJC-001。
4 编号设备投入使用后进行分类编号,该编号的使用直至设备报废为止。
5 设备编号一旦给定,如需修改,必须通过设备科批准。
目的:明确设备分类及编号方法,以便于设备管理。
范围:适用于公司生产及为生产服务的所有设备。
职责:工程设备部对本规程的实施负责。
规程:1设备的分类:1.1按设备大类分类,本公司涉及到的设备大类及其代号如下:(1)起重运输设备,代号:2(2)专业生产设备,代号:4(3)动能发生设备,代号:6(4)电气设备,代号:7(5)锅炉,代号:8(6)其它动力设备,代号:91.2按管理对象进行分类,本公司的设备类别及其代号如下:(1)生产设备,代号:A指直接为生产服务,并直接影响产品质量及生产能力的设备。
(2)辅助生产设备,代号:B指企业生产过程中间接为生产服务,对生产过程及产品质量有间接的影响的设备。
(3)非生产设备,代号:C指企业中由行政、生活福利及基建等方面使用和保管的设备。
2设备编号管理:2.1编号原则:(1)一个编号只用一次,即不管被编号设备发生什么情况(如调出、报废等),该编号须作保留,不能用其它设备填充。
(2)设备的附件和附属设备不另单独编号。
(3)生产流水线设备按工艺属性分成若干单元,逐个编号,其连接部分(如传输带等)可附属就近单元。
(4)自动线设备按一条线为一台设备编号。
(5)同一规格型号设备有多台时,则依次给予同型设备序列号。
(6)每套设备在安装前由设备管理员给定编号,在验收移交后,经财务会计、工程设备部负责人、质保部负责人共同审定后生效。
(7)每套设备编号生效后必须在该设备明显处标示设备铭牌(见附件一),设备铭牌须注明设备名称、规格、型号、编号、固定资产号、责任人、出厂日期等。
出厂日期为该设备供应商标示的出厂日期。
设备固定资产编号由财务中心会计在验收移交后给定,编号方式为“A-╳╳╳╳”,A:代表使用部门,质量管理中心简称“质”,工程设备部简称“工”,物料管理部简称“物”,生产技术部简称“生”,人事行政中心简称“人”;“╳╳╳╳”为四位小写阿拉伯数字,表示该部门设备固定资产的顺序号,从0001开始。
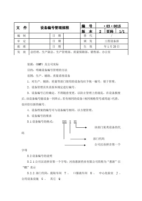
依据:《GMP 》及公司实际 目的:明确设备编号管理的方法 范围:生产、辅助、质量系统设备
1.对生产、辅助、质量等部门使用的设备均应予统一编号,便于管理。
2.设备管理员负责按本规定进行编号。
3.设备编号已经确定,不得随意变更,以防止管理上的混乱,在设备报废后,该设备编号随设备一同终止,若有相同的设备(相同规格型号或用途)代替,也应给以新的编号。
4.设备档案的编号可与设备编号相同,以方便管理。
5.设备编号的要求
5.1设备编号的格式:
该部门某类设备的代码
部门代码
公司汉语拼音第一个字母
5.2设备编号的说明
5.2.1公司汉语拼音第一个字母:河南惠新药业有限公司简称为“惠新”以“HX ”表示
5.2.2部门代码:提取车间 T 、 口服液车间 K 、 中心化验室 J 、 公用设备设施 G 、 其它 Q
5.2.3该部门某类设备的代码:该部门设备的类型分类,以“00、01、02、03、……”分别表示。
5.2.4该部门该系统内设备的台数以“-1、-2、-3┈”表示。
6.例:HXT001表示河南惠新制药业有限公司提取车间某设备的第一台。
设备编码规程1.目的:建立设备编码管理程序,规范车间设备编码的制作。
从而确保设备编码的规范使用。
2.范围:本标准适用于公司设备编码的管理。
3.职责:3.1.设备管理员:负责设备编码规程的编制。
3.2.车间工艺员:严格按照该SOP对设备进行编码,对制作好的标识落实粘贴。
4.内容:4.1.公司所有的设备都必须有编码,且各自的编号应是唯一的。
4.2.设备动力部负责公司设备编码规程的制定,使用部门根据规程对本部门的设备进行编号。
4.3.设备编码原则4.3.1.同一个编号只能用于同一地点和同一功能的设备,即该编号设备发生报废更新,升级等情况,该编号均不变,设备的具体变更信息在设备档案中做记载。
4.3.2.系统设备的附件和附属设备无需单独编码。
如需编码在设备编码后加设备类别代号和一位数字即可。
4.4.设备编码方法4.4.1.设备编码由三个单元组成:设备类别代码、设备所在区域代号、同类设备数量尾号组成。
4.4.2.设备类别代码和区域代号见表1和表2。
4.4.3.同类设备的数量尾号由两位数组成(01-99)。
4.4.4.设备编码图解如下:相同设备数量尾号(01-99)设备所在区域代号(见表2)设备类别代号(见表1)4.4.5.设备编码示例办公楼地屋顶的第1台水泵可编号为:P-A0-01一车间西区一层的第1台空压储罐可编号为:V-B2-01二车间北区一层的纯化水系统可编号为:F-C2-01二车间北区一层的纯化水系统配套原水泵可编号为:F-C2-01-P1二车间楼顶的第1台凉水塔可编号为:T-C0-01库房一层锅炉房的第1台锅炉可编号为:B-D1-015.附件(见下页)表1:设备类别代号注:具体设备的类别号可根据自己的设备灵活编制原则上不重复即可。
表2:区域代号。
XXXXXX生物技术有限公司
共1页,第1
页
1. 目的:建立设备的编号管理规程。
2. 范围:所有的设备。
3. 责任:综合部、质量管理部、生产部对本规程负责。
4. 内容:
4.1 由质量管理部QA担任编号工作。
4.2 编号人员经过编号培训,了解编号原则、含义,掌握编号方法,可对设备进行正确编号。
4.3 所有的设备均应给出一个编号,此编号独一无二、一经确立,绝不重现。
并定期增减。
4.4 编号原则:
4.4.1 不同的设备其编号不同。
4.4.2 编号应该是稳定的,每个设备有一个特别的识别码,不能因为设备的有无而随意更
改变换。
4.5 编号的编制规定及取意。
4.5.1 编号由6位阿拉伯数字组成:7xxxxxx。
4.5.2 编号第1位数字“7”为设备类编号识别码,后5位为设备序列编号。
如“700001”
为半自动打码机的设备编号。
4.5.3 相同设备相同型号时,在6位设备序列编号后加阿拉伯数字。
如“700001-1”和
“700001-2”代表有两台相同型号的加热打码机。
4.5.4 设备的操作规程文件编号与设备的档案编号也采用该设备编号。
1.目的:明确设备固定资产编号编制的原则及注意事项。
2.范围:适用于全公司设备固定资产编号编制工作。
3.责任:工程部
4.内容:
编制方法:
设备固定资产编号由设备固定资产大类编号、设备固定资产中类编号、设备固定资产小类编号、顺序号、部门代码五个层次9个数字一个字母组成。
设备固定资产大类编号、设备固定资产中类编号、设备固定资产小类编号见附表。
顺序号:为设备固定资产小类的序号。
车间或部门代码:用代表该名称拼音的前一位声母大写表示。
具体规定如下:
B:办公科室
C:综合车间
D:大容量注射剂车间
G:工程部
J:胶剂车间
T:提取车间
X:小容量注射剂车间
Y:研发部
Z:质量部
本规程要求每一台设备对应一个编号。
附:设备固定资产分类编码表
类别编码类别名称
01 房屋及构筑物
0101 建筑物
0102 构筑物
02 通用设备
0201 生产用设备
020101 金属切削机床
020102 锻压设备
020103 起重运输设备
020104 动力设备
020105 电器设备
020106 计量器具
020107 工业炉窑
020108 办公及生活设备
020109 其他通用设备
020111 原料药设备
020112 制剂设备
020113 中药专用设备
020114 包装机械设备
020115 医疗器械专用设备020116 药用玻璃专用设备020117 卫生材料专用设备0202 非生产设备
03 电子设备
0301 生产用电子设备
0302 非生产用电子设备。
药厂设备编号管理制度一、总则为了规范药厂设备的管理,提高设备使用效率和延长设备使用寿命,制定本管理制度。
二、管理范围本管理制度适用于药厂内所有设备的编号管理,包括设备的购置、调拨、维修等环节。
三、编号原则1. 设备编号应基于国家相关规定进行统一管理,避免重复、混淆。
2. 设备编号应由专门负责设备管理的部门进行统一规划和分配。
3. 设备编号应具有时效性和可追溯性,易于查找和管理设备。
四、编号规范1. 设备编号由阿拉伯数字、英文字母或特定符号组成,编号长度应符合实际情况。
2. 设备编号应包含设备类型、购置日期、购置来源等信息,便于识别和管理。
3. 设备编号应与设备名称进行对应,便于查找和使用。
五、编号管理1. 设备管理部门负责设备编号的规划、分配和管理,保证设备编号的唯一性和完整性。
2. 新购置设备应及时申请设备编号,并填写设备信息登记表,交由设备管理部门进行登记。
3. 调拨设备应填写设备调拨申请表,经设备管理部门审核后进行设备编号变更。
4. 维修设备应填写设备维修申请表并登记设备编号,维修完毕后应更新设备信息登记表。
六、设备标识1. 设备编号应标识在设备的显著位置,便于识别和管理。
2. 设备标识应保持清晰、稳固,避免脱落或磨损。
七、设备台账1. 设备管理部门应建立设备台账,对设备信息进行登记和更新。
2. 设备台账应包括设备编号、设备名称、购置日期、购置来源、设备型号、规格、厂家等信息。
3. 设备管理部门应定期审核设备台账,保证设备信息的准确性和完整性。
八、设备维护1. 设备管理部门应定期检查设备的标识和编号,保持设备信息的完整性和准确性。
2. 设备维修部门应及时更新设备信息登记表,保证设备维修记录的及时性和准确性。
3. 设备管理部门应定期组织设备维修人员进行设备维护和保养,延长设备使用寿命。
九、违规处理1. 对于未按规定进行设备编号管理的单位或个人,设备管理部门应责令整改并进行警告。
2. 对于严重违规情况,设备管理部门应报告上级主管部门进行处理。
设备编码管理规程文件生效日期:年月日1.目的建立规范的设备分类编码标准。
使设备分类编码有据可依.规范统一。
2。
适用范围本规程适用于本公司内用于办公、生产、公共系统及检验相关设备的分类和编号.3.责任设备工程部:负责组织本规程的起草、审核、修订、培训、执行及监督工作.文件管理员:负责本文件的保存、归档、复制、分发、变更、回收及销毁QA室主管:负责本文件的审核工作.生产技术部经理和质量管理部经理:负责本规程的审核工作。
生产副总和质量副总:负责本规程的批准工作.设备工程部人员:负责本规程的执行。
QA人员:负责监督本规程的执行。
4。
内容4.1编码原则4.1.1 设备的分类是设备管理的基础工作.统计、分析设备的构成情况和性能.可以更好地实行分级管理和重点维修.4。
1.2设备编码作为设备的唯一性.一经确定.不得更改。
一旦该设备报废、变卖和转出.该编号也随之作废。
4。
1.3设备编码主要体现设备所在部门(车间)、车间的房间号、设备类型编号和同型号设备的序号.4。
1。
4设备编码必须与设备一一对应。
设备编码由设备工程部统一编定.任何人不得擅自修改。
使用部门负责对本部门设备的标签进行核对、管理。
发现标签脱落应及时通知设备工程部.以保证设备编号与设备的唯一对应。
4.2编号方式4。
2.1设备编号是由四部分共十三位数字组成.第一部为设备使用部门(车间)代码.第二部分为设备所在车间的房间编号.第三部分为设备分类代码.第四部分为同类设备的数量。
其所带表的含义如下:4。
2。
1。
1第一部分为设备使用部门(车间)代码。
以两位阿拉伯数字表示.详见附件1:设备使用部门(车间)代码一览表.4。
2。
1.2第二部分为车间房间编号。
以三位阿拉伯数字表示。
(整个车间房间编号.不重复)详见车间房间编号图。
4。
2。
1.3第三部为设备分类代码。
以六位阿拉伯数字表示。
详见附件2:医药工业设备分类编号表.4.2.1.4第四部分为同类设备的数量。
以两位阿拉伯数字表示.如01、02……依此累加不重复。
计量设备编号管理制度一、总则为了规范计量设备的使用和管理,提高计量设备管理的科学性和有效性,制定本计量设备编号管理制度。
二、适用范围本制度适用于本单位所有的计量设备的管理、使用和维护。
三、编号原则与要求1.计量设备的编号应具备唯一性和连续性,以方便对计量设备进行追踪和管理。
2.编号应由计量设备管理人员或专门指定的人员进行编制,并及时记录在计量设备管理台账中。
3.编号应采用阿拉伯数字。
4.编号的前缀应代表计量设备所属的部门或科室,以便进行归类和管理。
四、编号的分配和管理1.计量设备管理人员负责根据实际需求进行计量设备编号的分配和管理。
2.新购入的计量设备应及时进行编号,并在计量设备管理台账中进行记录。
3.所有计量设备的编号和相关信息应妥善保存,并定期进行备份。
4.每位计量设备管理人员都应进行全面的计量设备台账核对,确保编号的准确性和完整性。
5.原则上不得改变计量设备的编号,如有特殊情况需要更改,必须经过相关部门的审批,并及时更新计量设备管理台账。
五、编号的用途1.编号用于实现计量设备的管理流程和信息系统的对接。
2.编号用于计量设备的维修、校准、检定等工作的追踪和记录。
3.编号用于计量设备的调拨、借用等过程的管理和跟踪。
4.编号用于计量设备的清查和盘点工作的进行。
六、责任和处罚对于未按照本制度要求进行计量设备编号的单位或个人,管理人员有权采取相应的纠正和处罚措施,包括口头警告、书面警告、通报批评等,严重者将追究相关责任。
七、附则1.本制度由计量设备管理人员负责解释和修订,并在相关部门进行公示和宣传。
2.本制度自颁布之日起执行。
机具编号管理制度规范一、总则为规范机具编号管理,确保机具使用管理的有效性和准确性,提高机具管理工作效率,根据《数字机具管理办法》,制定本规范。
二、适用范围本规范适用于所有使用机具的单位和个人。
三、机具编号的定义机具编号是唯一标识一个机具的编码,用于区分不同机具的标识,是机具管理、使用和维护的重要信息。
四、机具编号的组成机具编号由若干位字符组成,包括:1. 厂家代码:表示机具的制造厂家。
2. 产品代码:表示机具的产品型号。
3. 序列号:表示机具的生产序列号。
五、机具编号的管理责任1. 机具使用单位应当对机具编号管理工作承担责任,建立健全机具编号管理制度,确保机具编号的一致性和准确性。
2. 机具管理部门应当负责统一管理机具编号,制定机具编号管理规范,指导机具使用单位落实机具编号管理工作。
3. 机具使用人员应当严格按照规定使用机器,并维护机具编号的完整性和准确性。
六、机具编号的申请流程1. 机具使用单位在申请新机具时,应当向机具管理部门提出机具编号申请。
2. 机具管理部门收到申请后,审核申请材料,核对机具信息,生成新的机具编号。
3. 机具管理部门将新的机具编号通知机具使用单位,并在机具台账中记录机具相关信息。
七、机具编号的使用管理1. 机具使用单位应当在机具入库时,与机具管理部门核对机具编号,确保机具信息的准确性。
2. 机具使用单位应当在机具领用、维护、报废等过程中,按照机具编号管理制度规定进行操作,及时更新机具台账信息。
3. 机具管理部门应当建立机具编号索引表,管理机具编号信息,确保编号的唯一性和顺序性。
八、机具编号的变更管理1. 机具使用单位在发现机具编号有误时,应当立即向机具管理部门汇报,并按照规定流程进行机具编号的变更。
2. 机具管理部门应当对机具编号的变更进行审核并记录,并通知机具使用单位更新机具台账信息。
3. 机具使用单位应当在变更后及时更新相关机具信息,并确保机具编号的一致性和准确性。
九、机具编号的保密管理1. 机具编号是机具管理的重要信息,机具使用单位和管理部门应当严格保密,不得向外泄露。
1 目的与适用范围建立设备分类编号管理规程,对设备分类编号规范化管理。
本规程所指的设备范围系指属于固定资产的设备,非固定资产的设备也可参照执行。
管道分类编号也按本规程执行。
2 职责生产技术部、财务部、设备部门、生产车间对本规程的实施负责。
3 内容3.1 设备分类编号原则本规定按设备的安装使用位置和类型进行统一的编号。
3.2 设备分类编号方法3.2.1 分类编号采用层次编码为主的结构。
3.2.2 编号结构为三层,第一层为安装使用位置编号,第二层为设备类型编号,第三层为同型号规格的顺序编号。
3.2.3 编号为9位号码,第一层用两位英语字母加两位阿拉伯数字表示,第二层用三位阿拉伯数字表示,第三层用两位阿拉伯数字表示。
3.2.4 编号中的第一层从“SB01”开始,第二层从“001”开始,第三层编号从“01”开始,按升序排列,可以间断。
3.3 设备安装使用位置划分及编号3.3.1 本公司设备按安装使用位置共分为3大类。
3.3.2 属于公共设施的设备编号为“01”。
3.3.3 属于质量保证部的设备编号为“02”。
3.3.4 属于原料车间的设备编号为“03”。
3.4 设备类型编号见附表。
3.4.1 设备编号示例3.4.2 空气压缩机SB01 001 01第三层次、顺序编号:第一台空气压缩机第二层次、设备类型:空气压缩机第一层次、英语字母SB:设备安装使用位置03:原料车间3.5 计量器具的分类编号原则3.5.1 分类编号采用层次编码为主的结构。
3.5.2 编号结构为三层,第一层为安装使用位置编号,第二层为计量器具类型编号,第三层为同型号规格的顺序编号。
3.5.3 编号为10位号码,第一层用三位英语字母加两位阿拉伯数字表示,第二层用三位阿拉伯数字表示,第三层用两位阿拉伯数字表示。
3.5.4 编号中的第一层从“JLA(B、C)01”开始,第二层从“001”开始,第三层编号从“01”开始,按升序排列,可以间断。
3.6 计量器具安装使用位置划分及编号3.6.1 本公司计量器具按安装使用位置共分为4大类。
设备编号管理规程
1目的:
建立一个设备编号管理系统的标准操作规程,规范设备编号便于管理。
2范围:
公司设备编号的管理。
3 责任:
工程部对本规程的实施负责。
4 程序
5 概论
为了便于公司设备管理,有必要对公司所有设备进行编号管理,从而使每台设备都有一个固定的编号,通过这个编号可以找到有关该设备的档案及技术资料。
6 设备编号表示方法
6.1本公司的设备编号由一个大写英文字母(A、B、C、D)和八位阿拉伯数字组成。
第一位大写英文字母代表该设备在公司固定资产设备中的分类号;
第二至四位阿拉伯数字代表该设备在公司厂区的地理位置;
第五至六位阿拉伯数字代表该设备的分类号;
第七至八位阿拉伯数字代表该设备在其所属设备分类中的顺序。
6.2某台生产设备的编号方法
设备分类号
区号(地理位置)
固定资产分类号
6.3固定资产设备的分类由大写字母A、B、C、D表示;
A:价值在一万元以上或技术复杂程度较高的设备;
B:价值在伍仟元至一万元之间或技术复杂程度一般的设备;
C:价值在一仟至伍仟元之间及工器具、容器等。
D:价值在一仟元以下的设备。
6.4表示地理位置的设备区号由三位数字表示。
前两位为厂房编号,后一位为此厂房的车间编号。
6.5设备的分类由两位数字表示:
01:生产设备;
02:电器设备;
03:空调通风设备;
04:动力设备(空压、真空、冷冻及水处理等);
05:实验、化验设备;
06:运输设备;
07:通用机械设备;
08:泵类及电机设备;
09:衡器类;
10:计量设备(压力表、真空表、温度计等);
11:其他设备;
6.6设备的顺序号由三位数字表示:
设备顺序号由该设备在其所属类别中自然形成的顺序号。
6.7设备喷码
在车间设备上喷上其编码的后三位数字。