项目资料员安全生产责任制考核记录
- 格式:docx
- 大小:38.06 KB
- 文档页数:6
项目部资料员安全生产岗位责任制⑴根据《建筑施工安全检查标准》(JGJ59-99)和公司《项目管理手册》及《程序文件》的要求做好工地安全管理台帐。
⑵及时收集各类安全协议、合同、施工组织设计、安全技术措施、安全技术交底、安全教育、安全培训等资料并整理归档。
⑶及时收集采购的劳动防护用品和防护产品的合格证、准用证、许可证和质量保证书等资料并组织归档。
⑷经常深入施工现场,了解掌握工程的进度及安全设施的实际要求,并全过程做好记录,做到准确无误。
⑸经常会同监理、设计、建设单位,并与项目工程部的安全员、施工员和采购员等联系,及时收集和处理有关资料文本。
⑹技术资料、安全资料等,全部有系统地装订成册待竣工验收检查存档。
项目部资料员安全生产岗位责任制(2)一、岗位背景在项目部中,安全生产岗位起着重要的作用,负责管理和监督项目部的安全生产工作。
作为项目部的资料员,其工作范围涉及到项目部的各个环节,需要具备严谨的工作态度和责任感。
二、岗位职责1. 负责项目部安全生产资料的管理和归档工作,确保安全生产资料的完整性和准确性。
2. 负责项目部安全档案的编制和更新,包括安全生产规章制度、安全教育培训记录、事故隐患排查整改记录等。
3. 协助安全员进行安全培训和教育工作,组织员工参加安全生产培训和考试,确保员工具备相关安全知识。
4. 负责项目部安全生产数据的收集、整理和分析,及时上报安全生产工作情况,并提出相应的改进措施。
5. 负责组织安全生产会议和安全管理评审会议,记录会议内容和重要决定,并及时落实会议决议。
6. 参与项目部的安全检查和隐患排查工作,及时发现和整改安全隐患,确保项目部的安全生产工作达到要求。
7. 协助项目部制定安全生产年度计划和月度计划,监督计划的执行情况,并及时向上级汇报工作进展情况。
8. 组织并参与项目部的事故调查和处理工作,分析事故原因,并制定相应的防范措施,避免类似事故再次发生。
9. 负责项目部安全生产奖惩制度的执行,对安全工作突出的个人和团队进行表彰,对安全违规行为进行处罚。
项目经理安全生产责任考核表单位名称:重庆一品建设集团有被考核人:考核人:年月日年月日注:(1)每月进行安全责任考核;(2)考核在90分(含90分)以上为优;80分(含80分)以上为良;75分(含75分)以上为及格;分一下为部及技格。
术75.负责人安全生产责任考核表考核人:被考核人:年月日年月日注:(1)每月进行安全责任考核;(2)考核在90分(含90分)以上为优;80分(含80分)以上为良;75分(含75分)以上为及格;分一下为部及安格。
全75.工程师安全生产责任考核表考核人:被考核人:年月日年月日注:(1)每月进行安全责任考核;(2)考核在90分(含90分)以上为优;80分(含80分)以上为良;75分(含75分)以上为及格;75分一下为部及格。
安全员安全生产责任考核表考核人:被考核人:年月日年月日注:(1)每月进行安全责任考核;(2)考核在90分(含90分)以上为优;80分(含80分)以上为良;75分(含75分)以上为及格;75分一下为部及格。
材料员安全生产责任考核表考核人:被考核人:年月日年月日注:(1)每月进行安全责任考核;(2)考核在90分(含90分)以上为优;80分(含80分)以上为良;75分(含75分)以上为及格;75分一下为部及格。
造价员安全生产责任考核表考核人:被考核人:年月日年月日注:(1)每月进行安全责任考核;(2)考核在90分(含90分)以上为优;80分(含80分)以上为良;75分(含75分)以上为及格;75分一下为部及格。
资料员安全生产责任考核表考核人:被考核人:年月日年月日注:(1)每月进行安全责任考核;(2)考核在90分(含90分)以上为优;80分(含80分)以上为良;75分(含75分)以上为及格;75分一下为部及格。
质检员安全生产责任考核表考核人:被考核人:年月日年月日注:(1)每月进行安全责任考核;(2)考核在90分(含90分)以上为优;80分(含80分)以上为良;75分(含75分)以上为及格;75分一下为部及格。
资料员安全生产责任制资料员安全生产责任制1. 引言在建筑施工和其他行业中,安全生产是一项重要的工作。
为了保障员工的生命安全和健康,各个岗位都应承担相应的安全责任。
资料员作为施工现场的一员,也有着重要的安全生产责任。
本文将重点介绍资料员在安全生产中的责任制。
2. 资料员的职责资料员在施工现场的主要职责是负责管理和维护施工相关的文件和记录。
他们负责收集、整理、存档施工图纸、质量检测报告、施工安全记录等资料。
,资料员还需要与其他施工人员紧密合作,确保信息的及时传递和共享。
3. 资料员的安全生产责任资料员在安全生产中起到重要的桥梁作用,他们应当承担以下责任:- 安全规章制度的宣传和培训:资料员应当熟悉各项安全规章制度,并能够向其他员工进行宣传和培训,确保他们了解安全操作规程和注意事项。
- 安全生产记录的管理:资料员负责维护安全生产相关的记录和文件,包括事故报告、隐患整改记录、安全培训记录等。
他们需要及时收集和整理这些资料,并确保其准确无误地存档。
- 安全检查和隐患排查:资料员应积极参与安全检查和隐患排查工作,及时发现和报告潜在的安全问题,并协助相关部门制定整改措施。
- 事故应急响应和处理:在发生事故时,资料员应积极参与应急响应和处理工作。
他们需要提供相关的资料和记录,协助调查事故原因,并协调解决相关问题。
- 定期报告和沟通:资料员需要定期向相关部门报告安全生产情况,并与其他岗位进行沟通和协调,共同解决安全生产中的问题。
4. 资料员安全生产责任制的重要性资料员安全生产责任制的建立和执行对于保障施工现场的安全生产至关重要。
以下是资料员安全生产责任制的重要性的几点说明:- 增强安全意识:通过明确资料员的安全生产责任,可以提高他们对安全的重视和意识,使其时刻注意安全事项,减少安全事故的发生。
- 加强工作协调:明确资料员的安全生产责任,有助于加强各个岗位的协同工作,提高安全配合度,减少交叉作业和事故的发生。
- 提高整改效率:资料员负责收集和整理安全记录和文件,可以有效提高整改工作的效率。
项目名称:编号:
项目名称:编号:
财务部安全生产责任制考核记录
项目名称:编号:
经营部安全生产责任制考核记录
项目名称:编号:
材料部安全生产责任制考核记录
项目名称:编号:
安全员安全生产责任制考核记录
项目名称:编号:
项目名称:编号:
项目名称:编号:
资料员安全生产责任制考核记录
项目名称:编号:
施工班组安全生产责任制考核记录
项目名称:编号:
施工班组安全生产责任制考核记录
项目名称:编号:
施工班组安全生产责任制考核记录
项目名称:编号:
施工班组安全生产责任制考核记录
项目名称:编号:
施工班组安全生产责任制考核记录
项目名称:编号:
施工班组安全生产责任制考核记录
项目名称:编号:
施工班组安全生产责任制考核记录
项目名称:编号:
施工班组安全生产责任制考核记录
项目名称:编号:
施工班组安全生产责任制考核记录
项目名称:编号:。
生产部安全生产责任制考核记录一、前言安全生产是企业永恒的主题,也是生产部门的首要任务。
为了加强对生产部门安全生产责任制的监督和考核,确保安全生产责任制的有效落实,特开展了针对生产部门的安全生产责任制考核工作。
二、考核目标1.确保安全生产责任制的有效贯彻执行,各级负责人履行安全生产职责;2.提高生产部门的安全生产意识,增强安全意识和安全责任意识;3.完善生产部门的安全管理制度,提高应急处置能力;4.减少生产部门的安全事故及其造成的经济损失。
三、考核内容1.安全生产责任制的落实情况:包括各级负责人对安全生产工作的重视程度、安全生产目标制定和分解情况、安全生产责任书签订情况等;2.安全生产责任人的履职情况:包括安全生产责任人的履职情况、对下级安全生产责任人的管理情况、对安全事故的处理情况等;3.安全培训和教育情况:包括生产部门员工的安全培训情况、安全教育活动的开展情况等;4.安全管理制度的建立和执行情况:包括生产部门是否建立了相关的安全管理制度、制度的落实情况等;5.安全生产情况的监测和控制:包括生产部门对生产过程进行安全监测和控制的情况、安全隐患的排查和整改情况等;6.安全生产事故的处理和应急处置情况:包括生产部门对发生的安全事故进行的处理和分析情况、应急处置措施的完善程度等。
四、考核方法1.随机抽查:通过随机抽查生产部门的相关工作文件、安全管理制度等材料,对考核内容进行核实;2.现场检查:通过到生产部门现场进行实地考察,了解生产部门的安全管理措施和执行情况;3.调查问卷:向生产部门员工发放调查问卷,了解他们对安全生产工作的认知和满意度。
五、考核结果与评定根据考核内容和考核方法,对生产部门的安全生产责任制进行综合评定,并给予评分,评定结果分为优秀、良好、合格和不合格四个等级。
考核结果将作为生产部门聘任、晋升以及绩效考核的重要依据。
六、考核整改措施对于考核中发现的问题,生产部门应制定整改措施,并在规定的时间内整改完毕。
资料员安全生产责任制
《资料员安全生产责任制》
作为安全生产责任制的一部分,资料员扮演着重要的角色。
资料员负责整理、归档和保存安全生产相关的资料,确保安全生产记录的完整和准确。
因此,资料员必须严格遵守安全生产的相关规定,承担起自己的安全生产责任。
首先,资料员需要了解并掌握相关的安全生产法律法规,熟悉公司的安全生产制度和程序,并积极参与安全生产培训,保证对安全生产有全面的认识和了解。
同时,资料员需要根据公司的要求,对安全生产资料进行及时、准确地归档和保存,确保安全生产记录的完整性和可查询性。
其次,资料员需要积极配合安全生产管理部门的工作,提供必要的资料和信息支持,协助相关部门制定和实施安全生产措施。
在发现安全生产隐患或问题时,资料员应及时报告并配合相关部门处理,确保安全生产工作的顺利开展。
最后,资料员还需要对自己的工作进行定期的检查和改进,保证安全生产资料的准确性和可靠性。
在工作中要严格按照相关程序和规定进行操作,杜绝任何可能引发安全生产事故的行为,最大限度地保障安全生产的顺利进行。
总而言之,资料员在安全生产责任制中扮演着重要的角色,必须严格遵守相关规定,承担起自己的安全生产责任。
只有做好
资料员的安全生产工作,才能为公司的安全生产工作提供有力的支持,确保安全生产工作的顺利开展。
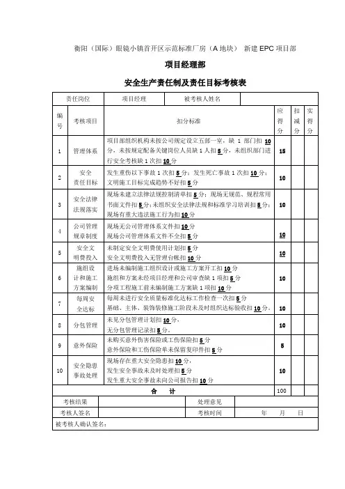
衡阳(国际)眼镜小镇首开区示范标准厂房(A地块)新建EPC项目部
项目经理部
安全生产责任制及责任目标考核表
衡阳(国际)眼镜小镇首开区示范标准厂房(A地块)新建EPC项目部
项目经理部
安全生产责任制及责任目标考核表
项目经理部
安全生产责任制及责任目标考核表
项目经理部
安全生产责任制及责任目标考核表
项目经理部
安全生产责任制及责任目标考核表
项目经理部
安全生产责任制及责任目标考核表
项目经理部
安全生产责任制及责任目标考核表
项目经理部
安全生产责任制及责任目标考核表
衡阳(国际)眼镜小镇首开区示范标准厂房(A地块)新建EPC项目部项目经理部关键岗位人员安全考核结果汇总表。
各级管理人员安全责任制考核办法安全生产责任制是企业安全生产各项规章制度的核心,严格考核是执行安全生产责任制的关键。
为了更好的贯彻执行“安全第一,预防为主”的安全生产方针,加强激励机制,调动广大员工的安全生产积极性,提高安全生产意识和安全生产责任感,促进项目部的施工安全管理,确保项目经理部安全生产管理目标的实现,达到责任明确,责任落实到人,考核到人,确保安全生产责任制落到实处,特制定项目部安全生产责任考核办法。
一、考核目的由项目经理对项目经理部各级管理人员的安全责任制进行考核,考核内容包括:项目部伤亡的控制指标、施工现场安全达标目标、文明施工目标及项目部各级管理人员的安全生产责任制执行情况。
三、考核对象项目部各级管理人员,即项目经理、项目副经理、技术负责人、项目工长、安全员、质检员、班组长、材料员、工人、设备员、预算员、施工员、资料员、取样员等人员。
二、考核办法1、公司对安全责任制实行逐级考核制度,公司接受上级考核,项目经接受公司考核,项目经理负责对本项目部管理人员进行考核,考核结果作为个人评选先进、个人立功,个人奖惩的重要依据之一。
2、采用评定表打分办法,应得分为100分,依据考核项目的完成情况和评分标准对项目部各管理人员进行打分;得分70分以下评为不合格,得分70分(含70分)至84分为合格,得分85分及以上评为优良等级。
3、项目经理部每季度对项目部各管理人员进行一次安全责任制的考核。
三、奖惩1、对考核成绩为优良等级的,项目部对其每次奖励人民币200元;考核成绩为合格的不奖不罚;对考核成绩不合格的罚款人民200元,如果连续三次安全责任制考核都达不到合格等级的项目管理人员,除经济处罚外还将对其实行下岗处理的措施。
2、安全生产责任制的考核奖惩均在考核月的工资中兑现。
广西城建建设集团2021年5月10日项目管理人员安全生产责任制考核记录汇总表工程名称:考核日期:年月日项目经理安全生产责任制考核记录工程名称:考核日期:年月日项目工长安全生产责任制考核记录工程名称:考核日期:年月日项目安全员安全生产责任制考核记录工程名称:考核日期:年月日项目质检员安全生产责任制考核记录工程名称:考核日期:年月日项目材料员安全生产责任制考核记录工程名称:考核日期:年月日项目班组长安全生产责任制考核记录工程名称:考核日期:年月日项目技术(员)负责人安全生产责任制考核记录工程名称:考核日期:年月日项目副经理安全生产责任制考核记录工程名称:考核日期:年月日项目机械管理员安全生产责任制考核记录工程名称:考核日期:年月日项目部安全生产责任制考核规定建立和健全以安全生产责任制为中心的各项安全管理制度,是保障安全生产的重要组织手段。
3月份安全生产责任制考核记录注:1、本考核记录作为公司对施工项目经理,项目内部对其管理人员、班组长进行安全文明责任、目标考核的依据。
2、考核结果得85分以上为优良;得70分以上为合格;不满70分为不合格;若其中一项不得分,考核汇总也为不合格。
3、每项最多扣减分数不大于该项标准分数。
4、考核优劣均应按公司相应规定进行奖励或处罚,并能提供凭证。
3月份安全生产责任制考核记录注:1、本考核记录作为公司对施工项目经理,项目内部对其管理人员、班组长进行安全文明责任、目标考核的依据。
2、考核结果得85分以上为优良;得70分以上为合格;不满70分为不合格;若其中一项不得分,考核汇总也为不合格。
3、每项最多扣减分数不大于该项标准分数。
4、考核优劣均应按公司相应规定进行奖励或处罚,并能提供凭证。
10月份安全生产责任制考核记录注:1、本考核记录作为公司对施工项目经理,项目内部对其管理人员、班组长进行安全文明责任、目标考核的依据。
2、考核结果得85分以上为优良;得70分以上为合格;不满70分为不合格;若其中一项不得分,考核汇总也为不合格。
3、每项最多扣减分数不大于该项标准分数。
4、考核优劣均应按公司相应规定进行奖励或处罚,并能提供凭证。
10月份安全生产责任制考核记录注:1、本考核记录作为公司对施工项目经理,项目内部对其管理人员、班组长进行安全文明责任、目标考核的依据。
2、考核结果得85分以上为优良;得70分以上为合格;不满70分为不合格;若其中一项不得分,考核汇总也为不合格。
3、每项最多扣减分数不大于该项标准分数。
4、考核优劣均应按公司相应规定进行奖励或处罚,并能提供凭证。
10月份安全生产责任制考核记录注:1、本考核记录作为公司对施工项目经理,项目内部对其管理人员、班组长进行安全文明责任、目标考核的依据。
2、考核结果得85分以上为优良;得70分以上为合格;不满70分为不合格;若其中一项不得分,考核汇总也为不合格。
3、每项最多扣减分数不大于该项标准分数。
资料员安全生产责任制考核记录姓名:考核日期:年月日序号考核项目扣分标准应得分扣减分实得分服从安排服从工作安排,努力完成工作任务,无故不服从领导的合理安排的扣5分。
5分1检验批、分项、子分部、分部等质量验收记录类资料未及时按工程进度要求编制工程施工技术资料(检验批、分项、子分部、分部等质量验收记录、验收报告、各种检查验收记录资料)的填写、会签、整理、报监、归档:验收记录未的扣5分15分2设计变更、图纸未及时收集整理施工过程中所有技术变更、洽商记录、会议纪要等资料并归档扣5分未及时对每日收到的管理文件、技术文件进行分类、登录、归档扣5分未及时协助有关隐蔽工程验收,竣工验收。
执行有关文件、图纸等收集、发放工作扣5分。
15分3施工(组织设计)方案未及时对方案进行报审的扣5分未及时督促施工方案编制收集的扣5分10分4与同事工作协调配合未指导质安员收集、整理资料扣5分未检查各位质安员整理的各类资料,督促其及时完成扣5分10分5单位往来函未及时收集、编制与各参建单位有关施工文函件资料扣5分。
5分6验收工作未参加重要分项、分部、子单位、单位工程的验收工作扣5分5分7安全资料未及时按照文明工地的要求整理齐全文明工地资料完善各项安全资料扣5分5分8竣工资料未及时汇总统计、装订竣工资料成册扣5分。
未及时将竣工资料、备案资料提交公司扣5分10分9取样送检材料、及各类检测未指导质安员材料取样、试块制作及送检并协调与检测中心关系工作扣5份。
未及时收集、领取有关试验、检测报告,统计报告结果值,检查是否有漏检漏送等扣5分10分10隐患整改回复对上级下发的隐患整改记录未及时回复扣5分5分11人员变更未作有项目管理人员变更的资料变更手续资料的扣5分5分1213考核项目合计100分考核结果处理意见被考核人签字考核人签字1。
资料员安全生产责任制一、背景介绍在建筑施工中,安全生产是一项非常重要的任务。
资料员作为施工当中不可或缺的一环,也需要承担安全生产的责任。
资料员安全生产责任制的实施,旨在提高施工现场的安全性,防止和减少工伤事故的发生。
二、责任分工资料员安全生产责任制主要包括以下方面的责任分工:1. 管理岗位的责任:资料员应理解安全管理要求,熟悉施工现场安全规章制度,协助工程施工管理者制定并完善安全管理制度,并监督其执行情况。
2. 文件管理的责任:资料员应确保施工现场的安全管理相关文件的有效管理和归档,包括事故预防、安全培训记录、工器具检验记录等。
3. 安全教育的责任:资料员应参与施工现场的安全教育工作,宣传安全知识和安全技能,提高工人的安全意识和安全素质。
4. 事故处理的责任:资料员应及时上报和记录事故信息,配合有关部门调查事故原因,并参与事故处理和应急预案的制定与实施。
5. 安全预警的责任:资料员应积极参与施工现场的安全隐患巡查,发现安全隐患应及时上报,并配合采取相应的措施,防止事故的发生。
三、安全工作措施为了确保资料员能够履行安全生产责任,需要采取以下安全工作措施:1. 建立健全安全教育培训制度,对资料员进行必要的安全培训,提高其安全意识和安全技能。
2. 严格落实施工现场的安全规章制度,加强对资料员的安全管理和监督。
3. 加强安全事故的预防工作,提前发现和消除安全隐患,减少事故的发生概率。
4. 建立安全检查和监测机制,对施工现场进行定期检查和评估,及时发现和解决安全问题。
5. 加强与其他岗位员工的沟通和协作,形成共同的安全责任意识。
四、安全奖惩机制为了保证资料员安全生产责任制的有效落实,还应建立相应的安全奖惩机制:1. 对履行安全责任的资料员进行表彰和奖励,激励其主动参与安全工作。
2. 对违反安全规章制度的资料员进行批评教育和必要的处罚,促使其改正错误,提高安全意识。
五、资料员作为施工现场中重要的管理岗位,必须充分认识和履行安全生产责任。
项目资料员安全生产岗位责任制项目资料员在安全生产岗位上的责任制包括以下几个方面:1. 遵守安全管理制度和规定,执行安全操作规程。
在工作中要严格按照安全管理制度和规定进行操作,确保安全操作,杜绝违反操作规程的行为。
2. 掌握和了解项目的安全生产情况。
要掌握项目的安全生产情况,包括项目的安全管理措施、安全生产状况、安全隐患等,及时上报项目相关部门,确保项目的安全生产。
3. 参与安全培训和教育。
项目资料员要参加项目组织的安全培训和教育活动,掌握安全生产的相关知识和技能,提高自身的安全意识和安全能力。
4. 发现和报告安全隐患。
项目资料员在工作中要积极发现项目存在的安全隐患,并及时向相关部门报告,协助项目组织进行隐患排查和整改,确保项目的安全生产。
5. 组织和参与安全检查。
项目资料员要组织和参与安全检查活动,对项目的安全生产进行全面检查,发现问题及时整改,确保项目的安全生产。
6. 参与事故调查与处理。
项目资料员要积极参与事故调查与处理工作,通过分析事故原因,总结经验教训,提出改进措施,预防类似事故再次发生。
7. 配合安全监督检查。
项目资料员要积极配合安全监督检查工作,提供相关的安全档案和资料,并配合相关部门进行安全监督检查。
8. 发现违规行为并报告。
项目资料员发现项目中存在的违规行为,包括违反安全生产制度和规定的行为,应及时向项目相关领导或安全管理部门报告。
9. 积极参与应急救援工作。
项目资料员在突发事件发生时,应积极参与应急救援工作,协助项目组织进行应急处置,保障人员安全。
10. 提出改进建议。
项目资料员应积极参与项目安全管理的改进工作,提出合理的改进建议,促进项目安全管理水平的提高。