铸造高级工试题B
- 格式:doc
- 大小:30.00 KB
- 文档页数:8
铸造工(高级)练习卷(B卷)一、判断题1.形状比较复杂的砂芯进行分割时,应使每块砂芯都有一个大的支持面,使填砂面积大,便于制芯和烘干。
( )√2.冒口应尽量放置在铸件最高最厚的部位,以提高冒口液柱重力而易进行补缩。
( )√3.一个冒口最好只补缩铸件的一个热节。
( )×4.根据冒口的有效补缩范围,能确定冒口的数量。
( )√5.凸肩补贴的模数应在铸件模数和冒口模数之间。
( )√6.碾轮式混砂机的碾轮的滚动力来自碾轮与造型材料相接触而产生的摩擦力,因此碾轮与造型材料属于滚动接触,这使得碾轮对造型材料只有碾压作用,没有搓研作用。
()×7.静态合箱机中装有同步机构,以保证合箱过程与输送机运行同步,相对静止。
( )×8.气动机械手抓取式压铁机有两个机械手,分别承担取、放压铁的工作。
( ) √9.顶冒口都是明冒口。
( )×10.壁厚均匀的板件铸造时不会产生翘曲变形。
( )×11.当铸造应力超过金属的抗拉强度时,则铸件产生冷裂。
( )√12.选择铸件浇注位置时,应尽量使合型、浇注及铸件冷却位置——致。
( )√13.干型铸造中,铸铁件的表面质量主要由涂料来保证,对原砂的要求不高。
( ) √14.顶注式浇注系统对铸型底部冲击力大,.容易造成砂眼铁豆,气孔,氧化夹渣等缺陷,也不利于冒口补缩。
( )×15.刮板制芯分为车板制芯和导向刮板制芯两种,其中导向刮板制芯应用广泛。
( )×16.于装配图中若干相同的零件组,如螺栓连接等,应全部画出。
( )×17.“扒皮法”车板造型是一种定位精度较低的车板造型法。
( )×18.中、小型铸钢件,可采用螺旋形钢屑或用铁丝弯成螺旋形做成内冷铁。
( )√19.铸件的筋、壁集中处一般不会产生裂状。
( )√20.内浇口正对外冷铁,铸件产生裂纹的可能性很大。
( )√二、单项选择题1.工艺补正量在铸件相应部位( ) 上增加的金属层厚度。
(do ( ) ( ) ()()()()()()()()()()()()15.15.计算工程量的依据是施工定额。
()16.16.当柱子各边纵向钢筋多于三根时,应设置复合箍筋。
()17.因为梁的弯矩跨中大,因此梁的箍筋配置也是跨中密而两端稀。
()18.预应力筋所用锚夹具,必须符合设计要求和施工规范及专门规定。
外观检查其数量:每批中抽取10%的锚具,但不少于10套。
()19.现浇板钢筋按有代表性的自然间抽查10%,板每间为1处,但不少于3处。
()20.承受动力作用的设备基础,一般应留施工缝。
()(二)选择题:(把正确答案的序号填在各题横线上,每题2分,共40分)1.梁柱受力钢筋保护层的允许偏差值为________。
A 10mmB 8mmC 5mmD 3mm2.在钢筋混凝土构件代号中,“DB”是表示________。
A 吊车梁B 吊车安全走道板C 槽行板D 墙板3.钢筋和混凝土这两种力学性质不同的材料在结构中能共同工作,其基本前提是________。
A 它们各自的强度B 它们各自的刚度C 外力方向一致D 它们之间的粘结力4.校验张拉设备用的试验机或测力计,其精度不低于________。
A 5%B 4%C 2%D 1%5.绑扎骨架中的________应在末端做弯钩。
A 受力钢筋B 变形钢筋C 焊接骨架中的光面钢筋D 绑扎骨架中的受压面钢筋6.电渣压力焊接头处钢筋轴线偏移不得大于________。
A 0.1d且不大于2mmB 0.2d且不大于2mmC 3mmD 1mm7.________是钢材冷加工的保证条件。
A 弹性极限B 延伸率C 标准强度D 弹性模量8.大模板墙体钢筋绑扎如果用3号钢筋时,受力筋端头必须加_______弯钩。
A 180oB 90oC 45oD 30o9.柱纵向受力钢筋直径d不宜小于________。
A 14mmB 12mmC 10mmD 8mm10.弯起钢筋中间部位弯折处的弯曲直径,不应小于钢筋直径_________倍。
职业技能鉴定题库试卷铸造工高级操作技能考核准备通知单(考场)试题Ⅰ、双进水叶轮离心铸造(4)考场准备:a) 考场应设在具有离心铸造生产能力的车间,车间设备、工装场地能满足生产需要。
b) 考场具有良好的安全保障措施,有安全道,安全消防设备,有完整牢靠的离心机保护罩。
试题Ⅱ、灰铸铁件砂芯退让性不良造成冷裂缺陷分析(1)考生每人一桌,考位统一编号,考生对号入座。
(2)考场内通风、照明条件良好,设施齐全。
职业技能鉴定题库试卷铸造工高级操作技能考核准备通知单(考生)姓名:准考证号:单位:试题Ⅰ、双进水叶轮离心铸造试题Ⅱ、灰铸铁件砂芯退让性不良造成冷裂缺陷分析钢笔或圆珠笔1支。
职业技能鉴定题库试卷铸造工高级操作技能考核评分记录表抽签号:总成绩表统分人:年月日职业技能鉴定题库试卷铸造工高级操作技能考核评分记录表抽签号:试题Ⅰ、双进水叶轮离心铸造评分人:年月日核分人:年月日职业技能鉴定题库试卷铸造工高级操作技能考核评分记录表抽签号:试题Ⅱ、灰铸铁件砂芯退让性不良造成冷裂缺陷分析评分人:年月日核分人:年月日职业技能鉴定题库试卷铸造工高级操作技能考核试卷抽签号:试题Ⅰ、双进水叶轮离心铸造(1)本题分值:100分(2)考核时间:180 min。
(3)具体考核要求:a) 熟悉离心机的结构和操作原理,能独立巡回检查、维护和操作离心机。
b) 了解离心机的工作原理,能够根据现有离心铸造模具,进行使用前的安装固定。
c) 能够按照离心铸造工艺要求,合理进行模具预热和涂料喷涂。
d) 能够根据合金种类合理选用离心铸件的各项生产工艺参数,如离心机的转速、浇铸温度、浇铸速度等。
e) 掌握合金定量与铸件内孔的相互关系,掌握铸件凝固和取出时间。
f) 铸件指定检验尺寸为86、φ70、φ230,尺寸按GB/T 6414—1999中CT10级要求验收。
h) 铸件表面有直径大于2.5 mm的缺陷时,进行扣分。
考件图样:(考试机构可修改和完善工艺)职业技能鉴定题库试卷铸造工高级操作技能考核试卷抽签号:试题Ⅱ、灰铸铁件砂芯退让性不良造成冷裂缺陷分析(1)本题分值:100分(2)考核时间:40 min。
铸造工高级理论试题及答案铸造工艺作为制造业中的重要组成部分,对于提高产品质量、降低生产成本具有重要意义。
为了检验铸造工的专业理论水平,以下是一套铸造工高级理论试题及答案,旨在帮助铸造工更好地掌握和应用铸造理论知识。
一、单项选择题1. 铸造合金的流动性主要取决于以下哪个因素?A. 合金种类B. 超声波C. 浇注温度D. 铸型材料答案:C2. 下列哪项不是铸造缺陷?A. 气孔B. 缩孔C. 夹杂D. 焊接答案:D3. 铸造过程中,型砂的水分含量对铸件质量有何影响?A. 无影响B. 影响铸件表面粗糙度C. 影响铸件尺寸精度D. 影响铸件的内部结构答案:C4. 金属型铸造与砂型铸造相比,其主要优点是什么?A. 成本低B. 精度高C. 易于大规模生产D. 材料利用率高答案:B5. 压力铸造与重力铸造的主要区别在于?A. 铸件材料B. 铸型材料C. 浇注方式D. 冷却速度答案:C二、判断题1. 铸造过程中,提高浇注温度可以提高铸件的表面质量。
(对/错)答案:对2. 所有铸造合金都可以通过改变成分来提高其流动性。
(对/错)答案:错3. 铸造缺陷的产生与铸造工艺无关,完全取决于材料本身。
(对/错)答案:错4. 金属型铸造适用于大批量生产。
(对/错)答案:对5. 铸造过程中,型砂的紧实度越高,铸件的尺寸精度越高。
(对/错)答案:错三、简答题1. 简述铸造工艺中“缩孔”和“缩松”的区别。
答案:缩孔是指铸件在凝固过程中,由于收缩而在铸件内部或表面形成的孔洞,通常呈现为宏观可见的圆形或椭圆形空洞。
而缩松则是铸件内部的微小孔洞,通常不可见,是由于铸件最后凝固部分的收缩未能得到充分的金属液补充而形成。
缩松通常通过超声检测或射线检测来发现。
2. 论述影响铸件冷却速度的因素。
答案:铸件的冷却速度受多种因素影响,主要包括:- 铸件材料:不同材料的热传导性能不同,影响冷却速度。
- 铸件壁厚:壁厚越大,热量传递到外部的难度越高,冷却速度越慢。
2022年铸造造型(芯)工(高级工)技能鉴定考试题库一下(填空、简答题)填空题1 ,力的三要素是力的()1 ()1(),称为力的三要素答案:大小I方向I作用点2,浇注系统的作用是将金属液合理而正确地引入()内,以得到优质的铸件。
答案:铸型3 .质量检验的指导思想为()| ()| ()|()即坚持质量第一,严格把关,要依靠群众同时也要服务于科研I生产及用户。
答案:一坚持I二把关I三依靠I四服务4 .常见非铁合金铝合金常用的浇注系统形式有:()I底注或中注I 0 I 0 o答案:压边浇口,I顶浇,I垂直缝隙式5 .秘密的等级有(),(),()。
答案:秘密,I机密,I绝密6 .()的合金不易产生热裂纹。
答案:逐层凝固7 .剖视图有三种,即()| ()1()。
答案:全剖视图I半剖视图I局部剖视图8,了解0,明确0,是尽职尽责的基础。
答案:岗位职责,|工作任务9 .经济合同是法人I其他经济组织I个体工商户I农村承包经营户之间为实现一定的()目的,明确相互权利I义务而订立的合同。
答案:经济10 .铸件凝固后,截面上各部分及晶粒内部出现化学成分不均匀的现象称为()。
答案:偏析11∙()是以电流通过导体所产生的焦耳热为热源的电炉,通过电热元件将电能转化为(),在炉内对金属进行()。
答案:电阻炉,|热能,|加热12 .湿砂型较少用于()的生产。
答案:铸钢件13 .为牢固树立节约意识,坚守节约这一道德规范,从业人员应努力做到:爱护公物|()|艰苦奋斗。
答案:节约资源14 .铸钢铸造性能差的原因主要是()I ()和()。
答案:熔点高,I流动性差,II收缩大15 .铸坯的纵裂属于()缺陷,夹杂属于内部缺陷,鼓肚属于形状缺陷。
答案:表面16 .我国关于清洁生产的法规为():。
答案:《清洁生产促进法》17 .劳动安全卫生管理制度对未成年工给予特殊的劳动保护,规定严禁一切企业招收未满0周岁的童工。
18 .劳动法是指调整(),()以及与之有密切联系的其他的法律法规的总称。
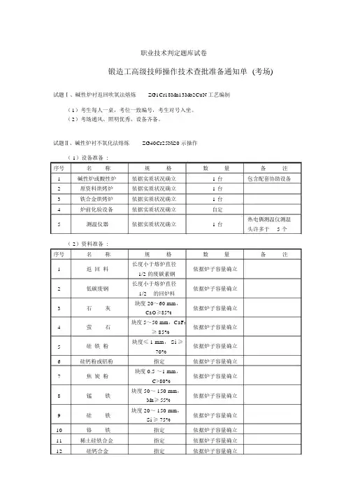
职业技术判定题库试卷锻造工高级技师操作技术查批准备通知单(考场)试题Ⅰ、碱性炉衬返回吹氧法熔炼ZG1Cr18Mn13Mo2CuN工艺编制(1)考生每人一桌,考位一致编号,考生对号入坐。
(2)考场通风、照明优秀,设备齐备。
试题Ⅱ、碱性炉衬不氧化法熔炼ZG40Cr25Ni20 示操作( 1)设备准备 :序号名称规格数量备注1碱性炉或酸性炉依据实质状况确立 1 台包含配套协助设备2原资料烘烤炉依据实质状况确立 1 台3铁合金烘烤炉依据实质状况确立 1 台4炉前化验设备依据实质状况确立自定5测温仪器依据实质状况确立 1 台热电偶测温仪测温头许多于 5 个( 2)资料准备 :序号名称规格数量备注1返回料长度小于熔炉直径依据炉子容量确立1/2 的废碳素钢2低碳废钢长度小于熔炉直径依据炉子容量确立1/2的回炉料3石灰块度 20~60 mm,依据炉子容量确立CaO≥85%4萤石块度 5~50 mm,CaF2依据炉子容量确立≥ 85%5硅铁粉块度≤ 1 mm, Si ≥依据炉子容量确立70%6硅钙粉或铝粉指定依据炉子容量确立7焦炭粉块度 0.5 ~1 mm,依据炉子容量确立C>80%8锰铁块度 50~ 150 mm,依据炉子容量确立Mn≥ 55%9硅铁块度 20~ 150 mm,依据炉子容量确立Si ≥ 75%10铬铁指定依据炉子容量确立11稀土硅铁合金指定依据炉子容量确立12硅钙合金指定依据炉子容量确立13铝Al ≥ 99.5%依据炉子容量确立( 3)工具、量具准备:序号名称规格数量备注1电子秤依据状况自定 1 台称炉料用2磅秤依据状况自定 1 台称合金用3铁锨自定 2 把大炉 3~5 把4样勺自定 2 把5铁耙自定 2 个6撬杠自定 1 根7大锤自定 1 把(4)考场准备 :a)考场面积应知足实质操作需要。
b)考前应付主要工装、工位一致编号,使工装与工位编号相对应。
c)考场一定有优秀的通风设备,照明优秀,安全设备齐备。
答案:√20.>小方坯铸机事故冷却水的水量应能保证铸机的一定压力供水15min以上。
( )答案:√21.>温坯清理的概念是清理时铸坯的温度大于50℃。
( )答案:×22.>为提高拉速及铸坯质量,连铸钢水过热度以偏低为好。
( )答案:√23.>为防止液压串油,连铸机液压油温越低越好。
( )答案:×为发挥冶炼设备的能力,保证连铸与炼钢匹配,连铸的能力应大于炼钢的能力10%~20%。
( ) 为保证轧材内部组织致密,具有良好的机械性能,不同产品要求不同的压缩比。
( )碳素结构钢按技术条件所分的A级钢是指保证化学成份但不保证机械性能的钢。
( )为保证结晶器的传热效果,其水缝中冷却水的流速应保持在3~5m/s为宜。
( )所有的钢种都可以采取连铸浇注。
( )所谓固相矫直是指铸坯进入矫直区业已全部凝固时进行的矫直。
( )适当降低过热度的浇注温度,可缩小铸坯中的柱状晶区,扩大等轴晶区。
( )事故冷却水的水量应不小于正常水量的1/5。
( )事故冷却水的冷却部位有结晶器冷却水和机械闭路水。
( )全面质量管理是一种全员共同参与、全过程控制的质量管理方法。
( )轻压下技术可以减少铸坯纵裂。
( )全面质量管理的五大要素是人、机、料、法、环。
( )普碳钢按技术条件所分的甲类钢是指保证化学成份,但不保证机械性能的钢。
( )内混式切割枪比外混式切割枪不易产生回火。
( )硫在钢中与锰形成MnS有利于切削加工。
( )菱变是方坯所特有形状缺陷。
( )连铸用的PLC及仪表必须使用稳压装置。
( )连铸坯鼓肚是造成铸坯严重中心偏析的重要原因。
( )42.>连铸坯硫印检验是利用放大镜观察铸坯中心硫偏析痕迹的方法。
( )答案:×43.>连铸坯低倍组织由表面细小等轴晶.柱状晶和中心粗大的等轴晶组成。
( )答案:√44.>连铸坯的柱状晶越发达,质量就越好。
中高级铸造工技能理论考试填空题1.在浇注温度和铸型工艺因素等条件正常的情况下,铸件愈简单,壁厚愈厚,则对金属液流动的阻力__越大_ __。
2.金属的性质对铸件的残余应力影响很大,金属的弹性模量越大,合金材料线收缩系数越大,合金的导热性能越差,铸件的残余应力也__越大_ __。
3.在铸型中固定砂芯的主要方法有:___芯头 ___和芯卡固定两种。
4.在选择砂箱造型的砂箱尺寸时,最主要考虑,箱带与砂箱四周的___吃砂量 __。
5.铸钢件,球墨铸铁件和高大灰铸铁件,在一般情况下采用__底注式 _浇注系统。
6.工艺出品率又叫铸件收得率或铸造回收率。
它是铸件毛重与模重比值的百分数。
7.活块造型是将有阻碍起模部分的砂型制成可以搬运的砂块,便于起模。
活砂是构成砂型的一部分,而不是。
8. 影响铸件尺寸精度的主要因素有工艺方案、工艺参数、_ 铸造工艺装备设计。
9.目前,修补铸件用得最广的方法是_ 焊补修补法。
10.模底板与砂箱之间用__ 定位销和定位套定位。
11.当铸件体积小表面积大时,合金温度降低越快,愈不容易浇满。
12.合金的流动性对铸件质量有重要影响,主要表现在能获得健全铸件,对铸件补缩有利。
13.金属液从浇入铸型冷却凝固至室温的整个过程中发生的体积和尺寸减小的现象称收缩。
14.从直浇道到内浇道的截面积逐渐扩大的浇注系统称开放式。
15.封闭式浇注系统,内浇道截面积小,它具有较好的挡渣能力。
16.水玻璃流态自硬砂的工艺要求使用_____连续____式混砂机,所有的原材料同时加入同时混制,混好的砂___立即灌型______。
17.铸铁件浇注系统的计算,首先应确定内浇道最小截面积,然后根据比例,确定其它部分截面积。
18.铸型浇注时,内浇道至外浇道液面的高度,与内浇道以上铸件高度之差,称为剩余压力头。
19.内浇道在铸件上的位置应符合铸件的凝固顺序或补缩方法。
20.难以锯割的冒口最好使用易割冒口。
21.冒口应尽量放在铸件模数较大位置较高的部位,以利于冒口液柱重力进行补缩。
铸造高级工技术技能评定理论考试题1. 铝电解生产过程中在电解槽阴极上产生的主要是(铝液),阳极上产生的主要是一氧化碳和二氧化碳。
2. 原铝中的非金属杂质主要有(氧化铝)、氟化盐、碳渣、炭化铝、氟化铝等。
3. 铝及铝合金铸锭的常用的过滤方法主要有溶剂过滤法、网状过滤法、微孔管过滤法、(陶瓷纤维挡板过滤法)。
4.静置就是利用熔体与夹杂物之间的比重差。
使夹杂物上浮或下沉,使熔体净化。
静置的效果与静置时间、熔体的黏度、(比重)及夹杂物的形状有关。
5. 生产铝合金扁(圆)锭的铸造机一般有的类型是辊式铸造机、(液压式铸造机)、丝杠式铸造机、钢丝绳传动式铸造机和链带式铸造机等5种6. 高镁铝合金铸锭时,溶体不允许用含(钠盐)的溶剂精练和覆盖。
7. 铝合金扁锭铸锭规格指铸锭横截面的几何尺寸和(铸锭长度)。
8.电磁搅拌器由(感应器)系统、冷却系统、电源系统等几部分组成。
9. 按照分公司重熔用铝锭铸造技术标准要求,重熔用铝锭的浇铸温度夏季应该控制在(690~700℃),冬季应该控制在710~720℃。
10.三气混合炉净化中的三气是(CL2)、N2、CO。
二、判断题(每题1分,共计10题,总分10分)1.严格来讲,工业纯铝是一种铝合金。
(√)2. 由于铝的外表面能够形成一层坚硬、致密的氧化膜,因此铝具有较好的耐腐蚀性能。
(√)3. 铝及铝合金熔铸作业过程中,配料过程是利用求平均数的计算方法。
(√)4. 在铝及铝合金熔铸生产过程中,采用垂直铸造的方法生产电工圆铝杆或板材。
(×)5. 水平铸造的主要特征是铸坯与结晶器之间沿水平方向作相对运动。
(√)6. 原铝从抬包转入铸造炉内可用虹吸管和人工倒包两种方式。
(√)7. 铝铸造过程中净化的目的是除渣、除气。
(√)8. 烘炉温度应该始终保持在800~850℃之间。
(×)9. 重熔铝锭铸锭过程中最重要的技术条件是浇铸速度。
(×)10. 热裂纹是在金属结晶完后冷却过程中形成的。
高级锻造工理论知识考试试卷注意事项:1.答卷前将装订线左边的项目填写清楚。
2.答卷必须用蓝色或黑色钢笔、圆珠笔,不许用铅笔或红笔 。
3.本份试卷共 5 道大题,满分 100 分,考试时间120 分钟。
一、填空题(请将正确答案填在横线空白处, 每空1分,共15题30分)1. 树立_____________、强化职业责任和提高____________是爱岗敬业的具体要求。
2.一种金属塑性的高低,不仅取决于它本身的__________和___________,还和变形的外部条件有很大关系。
3.如能使纤维的分布符合零件的________,则________所形成的纤维组织正是其一大优点,也是其他加工方法不可能获得的。
4.模膛尺寸精度应按锻中所要求的精度由________来决定,其表面粗糙度决定于坯料成型的方式和________,模膛表面粗糙度越好,对于成型和脱模越有利。
5.选择高速钢的锻造方法要根据零件的使用部位和工作要求,以及原材料内部质量情况来决定,常用的锻造方法有___________、___________轴向反复镦粗、径向十字锻造、综合锻造法及滚边锻造法等。
6.高锰无磁钢多用于锻造护环,该钢种属___________,在常温及半热(630o C 左右)状态下塑性高,其伸长率一般在___________以上。
7.镁合金___________、___________流动性差且粘度大。
8.叶轮锻件除了满足化学成分和力学性能的要求外,还应经过___________、酸洗、硫印、___________等检查。
9.温度对金属塑性的影响并非呈直线式关系变化,在某些材料的升温过程中,会出现________的现象,所有金属的加热温度接近熔点时,其塑性显著________。
10.超声波探伤是目前对大型锻件内部缺陷检查的主要方法,其优点是________、________。
11.金属组织决定于所含合金成分、主要元素的晶格类别和__________、形状及均匀性,以及所含__________的性质、数量分布等情况。
2013铸造工高级工理论知识考试试卷注意事项:1.答卷前将装订线左边的项目填写清楚。
2.答卷必须用蓝色或黑色钢笔、圆珠笔,不许用铅笔或红笔。
3.本份试卷共 5 道大题,满分 100 分,考试时间 90 分钟。
一、填空题(请将正确答案填在横线空白处,每空1分,共20分)1.砂芯设计的主要内容有确定砂芯的_________、_________、砂芯的_________等。
2.砂箱按其制作方法分为_________、_________、_________。
3.熔化铁水时,炉渣的粘度在很大程度上是由其_________决定的。
4.球墨铸铁按基体组织分为两类: ________球墨铸铁和________球墨铸铁。
5.模样在模底板上的固定一般要考虑__________、__________和固定三个问题。
6.根据砂芯在型腔中安放位置<相对于分型面而言>,芯头可分为________和________。
7.讲求信誉既是,也是的起码要求。
8.ZG230--450由浇注温度冷却到室温时收缩率ε是_________。
9.浇注时,如果渣上浮的速度小于直浇道内钢水向下运动的速度,即使不存在紊流,渣子也将_________。
10.钢在高温状态下的强度越高,钢的热裂倾向_________。
二、选择题(请将正确答案的代号填入括号内,每题2分,共10题20分)1.对来不及制模的急需配件,或结构简单的零件可不必制模样,采用( )。
A.挖砂造型B.假箱造型C.实物造型2.湿型铸造以( )类粘结剂为主。
A.黏土B.树脂C.植物油D.无机盐3.下列几项措施,( )不适用于解决铸件变形问题。
A.加放工艺补正量B.预留反变形量C.增大加工余量D.采用同时凝固4.内冷铁的形状( )。
A.通常是圆柱形B.与热节处型腔形状相近C.通常是球、团状5.树脂砂( )。
A.硬化速度慢,高温强度低 B.硬化速度快,高温强度高C.硬化速度慢,高温强度高 D.硬化速度快,高温强度低6.对于精度要求高的小型木模最好用( )。
铸造车间铸造工考试试题(高级)一,填空题:(0.5分/空计15分)1、铝是元素周期表上第3 周期ⅢA 族元素,原子序数为13 ,相对原子质量为26 ,铝的化学符号为。
2、原铝中的非金属杂质主要指氧化铝、氢3、20公斤铝锭重量误差为+-2公斤。
4、铝是一种轻金属,具有银白色的金属光泽。
5、原铝中的杂质可分为以下三类:第一类是金属元素,第二类是非金属固态夹杂物,第三类是气体,我们主要采用静置、熔剂、气体等净化方法。
6、净化用的熔剂选用熔点低;密度小;表面张力小;活性大对氧化渣有很强吸附能力的盐组成。
7、偏析可分为晶内偏析;逆偏析;重力偏析三种8、公学成分仲裁取样中从该批铝锭任一捆上、中、下部各取一块铝锭。
当铝锭散开分不清上中下时,则随机取样不小于三块。
9、铝与铝合金的过滤方法很多,常用的有过滤板、过滤布、气体10、原铝配料是原铝铸造过程中最重要的步骤,配料可分为两种,一种是固体配料,另一种是液体配料。
二、单项选择(每题1分共15分)1、混合炉在使用中应注意哪些事项()ABCDA)避免炉顶电阻元件上溅上铝液B)要及时抓清炉。
C)要避免混合炉作熔炉用。
D)避免剧烈打击出铝孔。
2、铸锭的偏析可分为()。
ABCA、晶内偏析B、重力偏析C、逆偏析D、搅拌不均3、HSE管理体系文件由()。
ABCDA、管理手册B、程序文件C、作业文件D、记录。
4、铸造工艺三要素是()。
ABDA 水压B铸造温度C铸造时间D铸造速度5、采用惰性气体净化原铝时,常使用的气体是()ABA 氮气B 氩气C 氯气D 氧气6、提高铝产品质量的目的是(D )A 节能降耗B 减少不合格品C 达到规定的技术标准D 满足用户口要求7、铝及铝合金熔炼所用的溶剂所用的主要原材料有()ACA氟化物B硫化物C氯化物D炭酸盐8、在(C )世纪末发明了冰晶石-氧化铝电解法。
A、17B、18C、19D、209、电解质的主要成分是( B )A、氧化铝B、冰晶石C、氟化钠D、苏打10.描述原子在晶体中排列的空间框架叫( C )A、晶胞B、晶粒C、晶格D、晶框11.不属于三气混合净化中的气体是( D )A、N2B、Cl2C、COD、CO212.电热式混合炉的加热元件一般采用()电阻线圈或扁带。
高级锻工考试试题(A卷)一、填空(每空2分共56分)1、一切物质都是由原子组成的。
根据原子在固体物质内部聚集状态的不同,可将固态物质分为晶体与非晶体两类。
2、两种或两种以上的金属元素或金属元素与非金属元素得到的具有金属特性的物质,称为合金3、热处理分为退火、正火、淬火、回火及表面热处理等五种工艺方法。
4、常用的表面热处理方法有表面淬火和化学热处理两种5、模锻成型中的常用工步有拔长、滚压、压肩、弯形、镦粗、压扁、预锻、终锻、切断等。
6、锻件质量检验的任务是:鉴定锻件的质量,分析和研究锻件产生缺陷的原因,制定预防措施。
7、锻造比是金属变形程度大小的指标,它关系到铸造粗大晶粒是否破碎和内部缺陷是否锻合,是保证锻件内部质量和满足性能要求的重要依据。
8、折叠产生的原因有:在拔长、滚压等制坯工步中锤击过猛、变形量太大,进给量小而压下量大也容易造成折叠。
9、锻造时一经发现纵向裂纹应立即清除,以免缺陷继续扩大。
10、对白点敏感性强的钢中,含氢量过高,锻后冷却或热处理工艺不恰当时,在锻件内部便会产生银白色或灰白色的裂纹,使锻件报废。
二、名词解释(每题5分共15分)1、退火:将工件加热到临界温度以上,保温一定时间,然后缓慢地冷却下来的热处理过程,叫退火。
2、淬火:将钢加热到一定的温度后,保温一定的时间,然后快速冷却下来,以获得马氏体组织的热处理工艺过程叫淬火。
3、炸裂:坯料在锻造前加热或锻后冷却、热处理后,表面或内部局部炸开而形成裂纹三、问答题(第1题9分2、3题各10分)1、退火的目的是什么?答:1)降低硬度,提高塑性,改善切削和压力加工性能。
2)细化晶粒,改善组织,为最终热处理作组织准备。
3)消除铸件、锻件、焊接件和机械加工件等的内应力,防止变形和开裂。
4)改善或消除钢在铸造、锻造、轧制或焊接过程中形成的某些组织缺陷。
2、淬火钢回火的目的是什么?常见的回火方法有哪几种?答:1)减少或消除淬火时产生的内应力,防止工件在使用中产生变形和开裂。
铸造高级工试卷考试用时90分钟满分100分姓名:部门:得分:一、选择题(每空1分总、共50分)1、工艺筋也称工艺肋。
他不是铸件的一部分,只是为了防止熔模、铸件产生()的一种工艺措施。
A 、裂纹和变形B、砂眼和气孔C、不影响铸件质量2、为了保证蜡模达到应有的尺寸精度,要求蜡料的收缩率越()越好。
A、大B、小C、不影响3、()是引导金属液进入型腔的垂直沟道,也是制壳操作中的支柱,多数情况下还兼起补缩冒口的作用。
A、内浇道B、横浇道C、直浇道4、注蜡时蜡料的温度过(),则流动性差,压出的熔模形状不完整,或尺寸不正确。
A、高B、低C、不影响蜡模质量5、从对型壳充填方面考虑,()位置应力求避免金属液直接冲击型芯、型壳中凸起及细薄部位,以防止金属飞溅和喷射而引起涡流、吸气和夹渣。
A、内浇道B、横浇道C、直浇道6、注蜡时,若()不足则熔模回产生缩陷、表面粗糙及压蜡不足。
A、充型时间B、保压时间C、压注压力D、起模时间7、清理型壳的方法主要有机械振动脱壳、电液清砂和高压水力清砂等。
对于中小薄壁件一般采用()A、机械振动脱壳B、电液清砂C、高压水力清砂8、形状复杂零件的毛坯,尤其是具有复杂内腔时,最适合采用()生产。
A.铸造B.锻造C.焊接D.热压9、铸造时冒口的主要作用是()A、增加局部冷却速度B、补偿热态金属,排气及集渣C、提高流动性10、消除铸件中残余应力的方法()。
A.同时凝固B.减缓冷却速度C.时效处理D.及时落砂11、下列合金流动性最好的是:()A、普通灰铸铁B、铸钢C、可锻铸铁12.像阀板这种大平面的铸件,为了防止铸件鼓包,结合制壳成本综合来看,选择()制壳工艺更好。
A、复合型B、全硅溶胶C、水玻璃D、以上都行13、灰口铸铁、可锻铸铁和球墨铸铁在力学性能上有较大差别,主要是因为它们()不同。
A.基体组织B.碳的存在形式C.石墨形态D.铸造性能14、特种铸造是指砂型铸造以外的其他铸造方法。
( )A、正确B、错误C、特种铸造仅指金属型铸造15.下边几种制壳工艺中,型壳高温强度最低的是()A、全硅溶胶B、复合型C、水玻璃—氯化铵D、水玻璃——结晶氯化铝16、熔模铸造中模料的热胀冷缩(),才能提蜡模的尺寸精度,也才能减少脱蜡时因模料膨胀引起的型壳胀裂现象A、大B、小C、不影响17、为便于脱蜡和模料回收,模料粘度要(),为得到清晰的熔模模料流动性应()。
铸造高级工考核试卷及答案铸造高级工考核试卷第一套试卷一、是非题(是画√、非画×,每题1.5分,共30分)1、合金的凝固温度范围越大,则流动阻力就越大。
()2、浇注系统结构越复杂,液态合金的流动性越好。
()3、可锻铸铁通常按定向凝固原则设置浇注系统。
()4、底注式浇注,铸件上下部分温度差比顶注式要小些。
()5、浇注温度固定后,提高钢液的含碳量,钢的液态收缩率减小。
()6、合金的固态收缩越大,则缩孔容积越大。
()7、T型梁挠曲变形的结果是厚的部分向内凹。
()8、有效结晶温度区间越大,产生热烈的倾向也越大。
()9、内冷铁应在砂型烘干前装入型腔中。
()10、铸件外壁、内壁和肋的厚度应依次递增。
()11、铸铁的最小铸出孔孔径较铸钢的大。
()12、模底板上与吊轴中心线平行的肋间距应适当增大。
()13、砂箱外凸边的作用是防止砂型塌落。
()14、铸件分型面以上的部分产生严重凹陷,这是跑火的特征。
()15、防止侵入性气孔产生的主要措施是减少砂型表面气体的压力。
()16、防止金属氧化物形成,能防止化学粘砂。
()17、荧光探伤可检验铸件表面极细的裂纹。
()18、一般铸钢件需进行正火电火+回火或退火等热处理。
()19、当ΣA内:ΣA横:ΣA直=1:1.32:1.2时,该浇注系统为封闭式浇注系统。
()20、大型钢锭模铸件采用反雨淋浇口,能使铁液平稳进入型腔。
()二、选择题(将正确答案的序号填入空格内;每题2分,共20分)1、测定铸造合金流动性最常用的试样是。
a.U形试样式b. 楔形试样c. 螺旋形试样2、球墨铸铁具有的特性。
a. 逐层凝固b. 中间凝固c. 糊状凝固3、冒口应安放在铸件的部位。
a.模数较小、位置较高b.模数较大、位置较高c.模数较小、位置较低4、床身类铸件因为结构刚性差,壁厚差异较大,容易产生。
a. 缩孔b. 变形c. 组织粗大5、同一个铸件的不同部位,选取的加工余量也不一样,要大一些。
a. 上面b. 底面c. 侧面6、是金属模样中应用得最多的一种材料。
铸造高级工试卷考试用时90分钟满分100分姓名:部门:得分:一、选择题(每空1分总、共50分)1、工艺筋也称工艺肋。
他不是铸件的一部分,只是为了防止熔模、铸件产生()的一种工艺措施。
A 、裂纹和变形B、砂眼和气孔C、不影响铸件质量2、为了保证蜡模达到应有的尺寸精度,要求蜡料的收缩率越()越好。
A、大B、小C、不影响3、()是引导金属液进入型腔的垂直沟道,也是制壳操作中的支柱,多数情况下还兼起补缩冒口的作用。
A、内浇道B、横浇道C、直浇道4、注蜡时蜡料的温度过(),则流动性差,压出的熔模形状不完整,或尺寸不正确。
A、高B、低C、不影响蜡模质量5、从对型壳充填方面考虑,()位置应力求避免金属液直接冲击型芯、型壳中凸起及细薄部位,以防止金属飞溅和喷射而引起涡流、吸气和夹渣。
A、内浇道B、横浇道C、直浇道6、注蜡时,若()不足则熔模回产生缩陷、表面粗糙及压蜡不足。
A、充型时间B、保压时间C、压注压力D、起模时间7、清理型壳的方法主要有机械振动脱壳、电液清砂和高压水力清砂等。
对于中小薄壁件一般采用()A、机械振动脱壳B、电液清砂C、高压水力清砂8、形状复杂零件的毛坯,尤其是具有复杂内腔时,最适合采用()生产。
A.铸造B.锻造C.焊接D.热压9、铸造时冒口的主要作用是()A、增加局部冷却速度B、补偿热态金属,排气及集渣C、提高流动性10、消除铸件中残余应力的方法()。
A.同时凝固B.减缓冷却速度C.时效处理D.及时落砂11、下列合金流动性最好的是:()A、普通灰铸铁B、铸钢C、可锻铸铁12.像阀板这种大平面的铸件,为了防止铸件鼓包,结合制壳成本综合来看,选择()制壳工艺更好。
A、复合型B、全硅溶胶C、水玻璃D、以上都行13、灰口铸铁、可锻铸铁和球墨铸铁在力学性能上有较大差别,主要是因为它们()不同。
A.基体组织B.碳的存在形式C.石墨形态D.铸造性能14、特种铸造是指砂型铸造以外的其他铸造方法。
( )A、正确B、错误C、特种铸造仅指金属型铸造15.下边几种制壳工艺中,型壳高温强度最低的是()A、全硅溶胶B、复合型C、水玻璃—氯化铵D、水玻璃——结晶氯化铝16、熔模铸造中模料的热胀冷缩(),才能提蜡模的尺寸精度,也才能减少脱蜡时因模料膨胀引起的型壳胀裂现象A、大B、小C、不影响17、为便于脱蜡和模料回收,模料粘度要(),为得到清晰的熔模模料流动性应()。
A、小、好 B 、大、差 C 、大、好18.型壳与高温液体金属接触时不发生相互化学作用的性能叫()A、热膨胀性B、高温下化学稳定性C、热稳定性D、强度19、以下不是熔炼工具的是()A、扒渣勺B、清炉钎子 C 、压勺20、横浇道的主要作用是()A、挡渣B、充型C、缓冲浇口杯下来的金属液21、为了消除铸造热应力,在铸造工艺上应保证()A、顺序(定向)凝固B、同时凝固C、内浇口开在厚壁处22、直浇口的主要作用是()A、形成压力头,补缩B、排气C、挡渣23、制造模样时,模样的尺寸应比零件大一个()A、铸件材料的收缩量B、机械加工余量C、铸件材料的收缩量+机械加工余量24、压蜡压注温度(),则流动性差,压出来的蜡模轮廓不清晰,形状不完整或尺寸不正确。
压注温度过高则蜡模收缩量大。
A、高B、低25、抛丸清理的清理效率主要取决于弹丸()和弹丸量。
A、抛射速度 B 、温度 C、大小26、铸钢件表面经常出现一层低碳层,这个铸钢件最可能的铸造工艺是:()A、砂型铸造B、压力铸造C、陶瓷铸造D、熔模铸造27、在铸件外表面或内腔有形状不规则的多余金属,称“跑火”,其形成的主要原因是()A、浇注时型腔有裂纹B、浇注时型腔变形C、型腔材料与铸件材料发生化学反应D、型腔尺寸不正确28、当铸件表面的型壳用机械清理法不能完全排除时,可用()彻底排除。
A、化学清理法B、再次用机械清理C、时效处理29、在型壳的结构上,如采用粒度较()的撒砂材料,可使型壳受热膨胀时的退让性增加。
A、粗B、细C、无影响30、熔模铸造的设备有哪些( )A、射蜡机,储蜡罐,脱蜡釜(也可热水脱蜡)B、砂箱C、射砂机、混砂机31、铸件中的缩孔与缩松对铸件质量的影响是()A.降低力学性能、气密性和物理化学性能B.降低零件稳定性C.降低零件使用寿命D.成为裂纹源,降低气密性32、铸钢牌号(如ZG270----500)中的两组数字分别代表该种材料的()。
A.弹性模量和屈服强度B.屈服强度和抗拉强度C.弹性模量和抗拉强度D.含碳量和抗拉强度33、下列是铸造特点的是()。
A.成本高B.适应性广C.精度高D铸件质量高34、将调成糊状的易容蜡料注入压型中制成蜡模的过程叫做()A.蜡模制造 B.组焊模组 C.溶失熔模35、硅溶胶型壳的干燥速度(),型壳湿强度(),制壳周期()。
A.慢低长B.快高短C.快低长36、铸件设计中,对于壁厚相差悬殊处,采取逐渐过渡圆角连接的原因是()简化工艺 B、外形美观 C、防止缺陷 D、节约金属37、铸件产生应力和变形的根本原因是()液态收缩 B、凝固收缩 C、固态收缩 D、任何阶段38、涂料中粉料重力沉降倾向的大小或涂料在静置一定时间后上下层致密性的差别程度,称为涂料的()致密性 B、悬浮性 C、均匀性 D、稳定性39、型壳脱蜡方法有多种,我公司现在用的是()A、热水法B、高压蒸汽法C、微波脱蜡法40、热膨胀系数(),对铸件的收缩影响小,减少因铸件浇注系统带来的拉裂现象。
A、小B、大C、不影响41为保证铸件质量,顺序凝固常用于()铸件生产中。
A.缩孔倾向大的合金B.吸气倾向大的合金C.流动性较差的合金D.裂纹倾向大的合金42、为了消除铸造热应力,在铸造工艺上应保证()A、顺序(定向)凝固B、同时凝固C、内浇口开在厚壁处43、直浇口的主要作用是()A、形成压力头,补缩B、排气C、挡渣44、制造模样时,模样的尺寸应比零件大一个()A、铸件材料的收缩量B、机械加工余量C、铸件材料的收缩量+机械加工余量45、金属液充满铸型型腔,获得轮廓清晰、形状准确铸件的能力叫()A、充型能力B、流动性C、成型性D、充满性46、熔模铸造主要应用于()A、精密复杂的中小铸件B、特大铸件C、所有铸件47、顺序凝固时是内应力大,变形(),易造成铸件裂纹缺陷。
A、大B、小C、不变48、热裂纹的形状特征:裂纹(),缝隙宽,形状曲折,缝内呈氧化色A、长 B 、短49、低合金钢中合金元素总含量()A 、≤5%B 、≤10%C 、≤25%50硅溶胶型壳在脱蜡后,型腔内存在残余蜡料、水分及其他发挥物,最容易造成铸件的缺陷是()A、砂眼B、气孔C、缩松D、缩孔二、判断题(每空1分总、共50分)1、制作水溶型芯或水溶模的特点是具有优良的水溶性、收缩小、强度大、刚硬而不易变形()2、抛丸清理是利用星铁与铸件之间的摩擦和轻微撞击来实现清理的。
3、型壳的高温变形是指型壳在脱蜡、焙烧、浇注时的变形()4、对大型缺陷,如蜂窝孔洞、大面积分散缩松,应该进行补焊。
( )5、钝化处理是将精铸件放入特定的化学处理溶液中成膜、沉淀或局部吸附,使铸件表面的局部活性点失去化学活性而成钝态的过程。
()6、熔模铸造工艺过程:制模-制模组-挂涂料—(干燥硬化)—撒砂-脱模-焙烧-浇注 ( )7、熔模铸造蜡基模料的种类:低温模料、中温模料、高温模料( )8、蜡基模料主要用矿物蜡和植物蜡配制而成,用得最广泛的蜡基模料系由(石蜡)和(硬脂酸)组成。
( )9、熔模铸造通常是在可熔模样的表面涂覆多层耐火材料,待其硬化干燥后,加热将其中模样熔去,而获得具有与模样形状相应空腔的型壳,再经过焙烧,然后在型壳温度很高情况下进行浇注,从而获得铸件的一种方法。
( )10、缩孔是铸件断面上出现的细小而分散的孔洞,有时需借助放大镜才能发现。
()11、热裂纹是指铸件上断面严重氧化、无金属光泽、外形不规则的裂纹。
()12、铸造合金从液态到凝固完毕的过程中产生的体积和尺寸减小的现象称为铸件收缩。
()13、铸件由表及里逐层凝固,缩孔倾向于集中而不是分散。
()14、当铸件整体冷至室温时温度均匀,热应力就会消失。
()15、收缩应力是临时应力。
()16、铸件允许补焊的面积和数量,应与客户达成协议,补焊后经验收合格者不应列入废品()17、冒口的凝固时间小于铸件被补缩部分的凝固时间。
()18、铸型的温度越高,液态金属与铸型的温差越低,充型能力越好。
()19铸件补焊通常在最终热处理之后进行()20、型壳性能的要求:强度、热源的稳定性、高温下的稳定性、透气性( )21、铸件的热应力与变形的规律,薄壁、细小部位、冷的慢、受拉应力( )22、影响合金流动性的因素:合金种类及合金成分;浇注温度;充型压力;铸型内流动阻力等。
( )23、为减少热节和热应力,应避免零件壁间的锐角连接。
()24、模组的焊接部分不得有尖角及毛刺,焊接处应平滑且具有足够强度,避免熔模脱落造成冲砂缺陷。
()影响型壳热稳定性的主要因素是型壳的热膨胀性以及浇注时液体金属与型壳的温差。
()25用水玻璃—石英砂制得的型壳,浇注高锰钢件比碳钢件更容易产生化学黏砂。
()26、有效的补缩距离与铸件结构、合金成分、凝固特性、冷却条件、对铸件的质量要求高低等多种因素有关,简称冒口补缩距离。
()27、液态金属在流动方向上所受压力越大,充型能力越强. ()28、熔模的尺寸偏差主要是模具造成的,与制模工艺无关()29、、浇注温度越高,液态金属的粘度越大()30、液态收缩和凝固收缩大的合金,易产生缩孔和缩松()熔模铸造铸件的变形主要是由于蜡模变形、型壳变形、清理铸件变形、热处理变形等因素造成()31、铸造生产特别适合于制造受力较大或受力复杂零件的毛坯。
()32、浇注温度愈高,液态收缩愈大,缩孔的体积也愈大( )33、熔模铸造所得铸件的尺寸精度高,而表面光洁度较低。
()34、冒口布置在加工面上,可节约铸件精整工时,零件外观好()35、型腔内只要有气体,就会在铁液中形成侵入性气孔。
()36、熔模铸造可铸出比其他任何精密铸造法都复杂的孔型和内腔,可铸直径1.0-1.5mm的小孔。
()37、熔模铸造直浇口是制壳操作中的支柱,并兼有冒口的作用,所以直浇口设计很重要()38、脱完蜡以后,全硅溶胶型壳轻轻一敲就碎了,但水玻璃型壳需要费很大的力气才能敲碎,说明水玻璃型壳的强度高于全硅溶胶型壳的强度。
()39、装料时炉料的大小视坩埚容量而定()40、熔化过程中出现炉料架桥现象,不用动等自动熔化()41、制壳的生产环境包括温度、湿度、风速、风量等()42、钢中碳、硅量增加,钢的流动性增加,磷量减少,也提高其流动性。
()43、设计铸件时,要求壁厚均匀,转角处采用圆角过渡。
()44、铸件结构设计原则在提高生产效率,降低成本的前提下,不考虑铸件质量。
()45、熔模铸造的脱蜡是将以制成的型壳,放入蒸汽或热水槽等加热容器中,将蜡模全部融化,得到空的型壳()46、制壳是精铸四大生产工序中对精铸质量影响最大的工序,其次才是焙烧、浇注、后处理及制蜡模。