钢的临界温度参考值第7版.doc
- 格式:doc
- 大小:959.39 KB
- 文档页数:19
常用钢的临界温度热加工及热处理工艺参数首先,临界温度是指材料在该温度下发生相变或发生重要晶体结构变化的温度。
在钢材的热加工和热处理过程中,临界温度起着至关重要的作用。
下面将以常见的碳素钢和合金钢为例,介绍它们的临界温度和热加工及热处理工艺参数。
1.碳素钢的临界温度:碳素钢是指含有较高碳含量的钢材,一般在0.15%到2.11%之间。
碳素钢的临界温度主要包括下列几个参数:1.1.直接下火山口温度:碳素钢加热到这个温度以上,组织将开始发生变形,晶界迁移,且硬度急剧下降。
具体数值根据碳含量和其他元素的影响而变化。
1.2.固溶温度:碳素钢加热到这个温度,固溶体内部的碳原子将溶解到铁中,并发生扩散。
固溶温度也叫做临界温度。
1.3.亚临界温度:碳素钢在这个温度区间内进行加热处理,可使残余应力消失,晶体再结晶,有利于提高材料的塑性和强度。
2.合金钢的临界温度:合金钢是指在碳素钢中加入其他合金元素(如铬、钼、镍等)以改变其性能的钢材。
合金钢的临界温度的参数与碳素钢类似,但因合金元素的加入而发生变化。
2.1.直接下火山口温度:合金钢由于合金元素的加入,可以提高材料的热稳定性,使得直接下火山口温度相对于碳素钢有所提高。
2.2.固溶温度:合金元素的加入会降低固溶温度,使得合金钢在较低温度下就可以发生固溶处理。
2.3.亚临界温度:合金钢的亚临界温度与碳素钢类似,但由于合金元素的不同,其变化规律也有所不同。
除了临界温度,钢材的热加工和热处理还需要考虑其他工艺参数,如加热速度、保温时间等。
加热速度越快,材料的晶粒大小越小,但同时会增加能量消耗和设备要求。
保温时间根据材料的要求和工艺的不同,可以在几分钟到几小时之间。
总结起来,常用钢的临界温度热加工及热处理工艺参数是根据具体材料的组织和性能要求来确定的。
这些参数的选择对于保证材料的质量、性能和使用寿命都是非常重要的。
因此,在钢材的热加工和热处理过程中,需要根据具体情况进行合理的选择和设计,以获得最佳的工艺效果。
钢的临界温度参考值(第7版)东北特殊钢集团整理2015年3月30日钢的临界温度参考值(第6版)单位:℃牌号Ac1Ac3Ar1Ar3Ms碳素结构钢08732890700854480 10730875680855 15735863685840450 20735855680865 25735840680824380 30732813677796380 35724802680774360 40724790680760340 45725770690720336 50725760690721300 55727774690755290 60727766690743265 65727752696730265 70730737695727240 75725740690727230 80725730690727230 85723737690695220 15Mn73586368584016Mn736850682835410 20Mn735854682835420 25Mn73583068080030Mn734812675796355 35Mn73080068077040Mn726790689768Y40Mn731807280 45Mn72677068976850Mn720760660320 60Mn727765689741280 65Mn726765689741270 70Mn723740680合金结构钢10Mn272083062071020Mn2725840610740400 30Mn2718804627721360 35Mn2713793630710325 40Mn2713766627704320 45Mn2711765626704320 50Mn2710760596680320 08Mn2Si73590530015Mn2SiCrMo725855380 45MnSiV735805642718295 18MnMoNb736850646756370 20MnMo730839685729380 30MnMo71581538MnMo72082045MnMo725790400 30Mn2MoWA720845330 35MnMoWV740390 45MnMoV727791240 18MnMoNb76385064675615MnNi70785820MnNiCu705805390 15MnNiMo71485420MnNiMo685845420 15MnTiRE734865615779390 09MnVRE640800730320 12MnV73486561577915MnV72085063578020MnV730853630750415 25Mn2V724839620710365 35Mn2V715770320 42Mn2V725770310 45Mn2V725770310 14MnMoV710~727880~908561~665763~80014MnVTiRE72588520SiMn73284027SiMn750880750355 35SiMn735795690330 40SiMn760815290 42SiMn740800645715330 44Mn2Si730810285 50SiMn710797636703305 27Si2Mn2Mo745820340 32Si2Mn2MoA(防弹钢)727891620774315 15SiMn3MoA680860327396290 15SiMn3MoWV(A)685830345415360 20SiMn2MoV727*877*640816330* 25SiMn2MoV727*866*640785319* 30SiMn2MoVA725845630725310 30Si2Mn2MoWV739798310 35SiMn2MoV73578030637SiMn2MoV729823314 37SiMn2MoWV720835350510290 40SiMn2MoWV722836290 42SiMnMoV755870295 35B73080269179140B73079069072745B725770690720280 50B(A)740790670719280 60B740745270 15MnB720847410 20Mn2B730853613736380 30Mn2B72678640MnB730780650700325 40MnBRE725805340 45MnB72778060MnB710740280 12MoVWBSiRE83594080488014MnMoVBRE75790070077320MnMoB74085069075030Mn2MoB73480030Mn2MoTiB(A)73381464069840MnMoB72480565273720MnTiB(RE)715843625795395 20Mn2TiB70887060570525MnTiBRE708810605705391 15MnVB730840635770430 20MnVB720840635770435 40MnVB73077463968140MnWB736800630695320 20SiMnVB72686669977922SiMnMoWTiB74486240CrB74177740CrMnB729785676350 18CrMnMoB74084020CrMnMoVB85067578040CrMnMoVBA73479222CrMnWMoTiB744862450513267 10CrNiMoVB72487612Cr2MoWVTiB820~845950~980730~740830~855420 12Cr3MoVSiTiB840958374 15CrMoVB75689618CrMn2MoBA74185432018Cr2Mn2MoB74184018Cr2Mn2MoTiB77086020Cr1Mo1VNbB82790979386225CrMnMoTiB765851653756403 30Cr2MnMoB72481515Cr76683870279920Cr765836702799390 30Cr775810670355 35Cr745795670360 38CrA740780693730350 30CrA1780865360 38CrA1760885675740360 40Cr743805693730355 45Cr745790660693355 50Cr735780660693250 60Cr74076045Cr3780820330 15CrMn750845690400 20CrMn765835700798360 40CrMn740775690350 50CrMn740785300 35CrMn2730775630680300 50CrMn2730760290 18CrMnNiMo730795490690380 20CrMnNiMo720800400 40CrMnNiMo390780290 30CrMnMoTiA755830350 35CrMnMoWV730820490320 30CrMn2MoNb765401305 35CrMn2MoNb725780320 20CrMnSi(A)75584069020Cr2Mn2SiMo(A)725835615700305 25CrMnSi(A)760880680305 30CrMnSi(A)760830670705360 35CrMnSi(A)775830700755330 40CrMnSiMoVA780830288 40CrMnSiNiMo695800330 45CrMnSi(A)790880295 50CrMnSiMo790815275 15CrMn2SiMoA732805389478360 14CrMnSiNi2MoA724805607690364 30CrMnSiNi2A(超高强钢)750~760805~830310~32018CrMnTi730820690365 20CrMnTi740825680730360 30CrMnTi76579066074040CrMnTi765820640680310 25CrMnV735820420 35CrSi755830715340 38CrSi763810680755330 40CrSi760815715325 16CrSiNi745*845*390* 30CrSiMo780860350 40CrSi2Ni2MoA748802290 16Mo735875~900610830420 20Mo726*845*420* 30Mo724*825*390* 12CrMo72088069579012Cr1Mo790900380 15CrMo745845695790435 20CrMo745840504746380 25CrMo750830665745365 30CrMo757807693763345 35CrMo755800695750320 38CrMo760780320 42CrMo730780690310 45CrMo730800310 50CrMo725760290 25Cr3Mo770835360 30Cr3MoA(渗碳、渗氮钢)765810335 38CrMoAlA(渗碳、渗氮钢)760885675740360 15CrMnMo71083062074020CrMnMo710830620740249 30CrMnMo730795385 40CrMnMo732774640246 20Cr2Mn2MoA761828655735310 30CrMnMoTiA755830350 30CrMnWMoNbV720825515355 12CrMoV79090077486512CrlMoV774~803882~914761~787830~895400 12CrlMo1V79593015CrMnMoVA770870674780376 17CrMo1V783~803885~922741~785811~83820Cr1Mo1VNbB82790979386220CrMoWV80093033020Cr3MoWVA820930690790330 24CrMoV79084068079025Cr2MoV770840690780340 25Cr2MolVA78087070079030Cr2MoV781833711747330 32Cr3MoVA(渗碳、氮钢)795835310 35CrMoVA755835600356 35Cr1Mo2V770895270 38Cr2Mo2VA(超高强钢)780850320 45CrMoV750830320 55CrMoV755790680715265 30Ni690810365 40Ni715770330 50Ni725755320 15NiMo725800650750330 10Ni2710820425 12Ni3685810450 25Ni3690760340 30Ni3670750310 35Ni3670750310 40Ni3665740310 60Ni465072010Ni561577513Ni5610765350 40Ni5650710360 50Ni5650240 15NiMo725800650750330 12CrNi71583067020CrNi720800680790410 40CrNi730770660702305 45CrNi725775680310 50CrNi725770680300 12CrNi2A732794671763395 12CrNi3A(渗碳、渗氮钢)710820660380 20CrNi3A700760500630340 30CrNi3A699780650320 37CrNi3A710770640280 18CrNi4A(渗碳、渗氮钢)705780570670360 20Cr2Ni2V720795390 12Cr2Ni4A(渗碳、渗氮钢)670780605675390 20Cr2Ni4A685775585630305 35Cr2Ni4A68576062164932040Cr2Ni4680750240 20CrNiMo725810396 30CrNiMo730775340 35CrNiMo730810340 40CrNiMoA720790680320 17CrNi2Mo69081030CrNi2Mo695785350 35CrNi2Mo695780310 40CrNi2Mo680775300 12CrNi3Mo710800385 16CrNi3MoA(渗碳、氮钢)695770320 25CrNi3MoAl740780290 30CrNi3Mo680770310 35CrNi3Mo705760310 12CrNi4Mo690790370 30CrNi4MoA700740325 35CrNi4Mo700750270 35Cr2NiMo730780320 30Cr2Ni2Mo740780350 35Cr2Ni2Mo750790355 12Cr2Ni3Mo69078535Cr2Ni3Mo730770395 12Cr2Ni4Mo660770370 18Cr2Ni4Mo700810370 20Cr2Ni4Mo715820390 35Cr2Ni4MoA(超高强钢)720765200 45CrNiMoVA720790650275 30CrNi2MoVA725780640320 25CrNi3MoV680800330 30CrNi3MoV740790320 35CrNi3MoV725780320 32CrNi2MoTiA(防弹钢)725774318 15CrV755870770435 20CrV766840704782435 30CrV765820355 40CrV755790700745340 45CrV740780746315 50CrVA752780688746300 35Cr2V760850310 35CrW750810370 18CrNiWA695800310 30CrNiWA720*800*350*30CrNi2WVA706*785*320* 18Cr2Ni4WA(渗碳、氮钢)695810350400310 25Cr2Ni4WA685770300290 35Cr2Ni4W660760300 16Co14Ni10Cr2MoE600800310~320 12WMoVSiRE835940804880380非调质钢LF10MnSiTi795862696LF10Mn2VTiB654840623714405 LF20Mn2V715845394 GF30Mn2SiV720798608702GF32Mn2SiV720798343 YF35V715800350 YF35MnV708798351 YF35MnVN735818639731296 F40MnV746796667755YF40MnV725800619714320 F40MnV(Ti)728815632694405 GF40SiMnVS735800345 F45V749800680747310 YF45V740797310 YF45MnV740790260碳素工具钢T7(A)725765700280 T8(A)730750700220 T8Mn(A)725690T9(A)730760700190 T10(A)730(800)700200 T11(A)730(810)700185 T12(A)730(820)700200 T13(A)730(830)700190 T10Mn2710(850)125合金工具钢SM1CrNi3(P6)720810600715409 1Ni3Mn2MoCuAl675821382517270 2Cr3Mo2NiVSi776851672Y20CrNi3MnMoAl(P21)740780290 3Cr2MoWVNi816833268 3Cr2MnNiMo715770280 3Cr2Mo(P20)770825640760335 3Cr3Mo3VNb825920734810355 3Cr3Mo3W2V8409227868393733Cr2W4V820840690400 3Cr2W8V(H21)820(925)773(838)380 3Cr3Mo3VNb825(920)734810355 4CrMnSiMoV792855660770290 4CrSi745860725290 4CrSiV765830725330 4CrMoVSi850910130 4CrW2Si(SKS41)780840735315 4CrW2VSi800875730275 4Cr3Mo2MnVB801874680759342 4Cr3Mo2MnVNbB789910263 4Cr3Mo2MnWV770320 4Cr3Mo2NiVNb770320 4Cr3Mo3SiV(H10)810910750360 4Cr3Mo3W2V850930735825400 4Cr3Mo3W4VTiNb8218807528504Cr4Mo2WVSi830910670750255 4Cr5MoSiV(H11)853912735810310 4Cr5MoSiVl(H13)860915775815340 4Cr5MoWSiV835920740825290 4Cr5Mo2MnVSi815893271 4Cr5W2VSi875915730840275 5SiMn7557906905SiMnMoV(S2)764788300 5Cr3MnSiMo1V(S7)792*835*254* 5Cr3W3MoSiVNb780920665725330 5CrMnSiMoV710760650215 5CrMnMo710760650680220 5CrNiMo(L6)730780680230 5CrNiMoV740815650730210 5CrNiMnMoVSCa695735305378220 5CrNiTi720770700230 5CrNiW730820205 5Cr2NiMoVSi750874625751243 5Cr4Mo3SiMnVAl837902277 5Cr4Mo2W2SiV810885700785290 5Cr4Mo2W5V836893744816250 5CrW2Si(S1)775860725295 6CrSi770830710250 6CrNiMnSiMoV705740580605174 6Cr4Mo3Ni2WV737822650180 6CrW2Si7758107252806Cr4W3Mo2VNb820730220 6Cr6W3MoVSi875(905)755790250 6W6Mo5Cr4V820730240 7MnSi2750775215 7CrSiMnMoV776834694732211 7Cr4W3Mo2VNb810~830740~760220 7Cr7Mo3V2Si(LD1)876(925)725(816)105 7Cr4W7MoV785184 8Cr2MnMoWVS7708206607108Cr3785830750770370 8CrV740*761*700215 9Mn2710(760)6259Mn2V(O2)736(765)652(690)180 9SiCr770(870)730160 9Cr2730(860)700270 9Cr2Mo755(850)190 9CrWMn750(900)710230 MnSi760(865)708245 MnCrWV(O1)750(780)655190 SiMnMo735(770)676(720) SiMnWVNb750(785)130 Cr745(900)700240 V730770700200 Cr06730(950)700(740)CrMn740(980)700245 CrMnSi730(930)700Cr2745(900)700240 Cr2Mn2SiWMoV770740640(605)190 Cr4W2MoV795(900)760142 Cr5MolV(A2)785(835)705(750)180 Cr8Mo2SiV(DC53)845(905)715(800)115 Cr12(SKD1)810(835)755(770)180 Cr12MoV(SKD11)830(855)750(785)230 Cr12Mo1V1(D2)810(875)750(695)190 Cr12Mo810(875)695230 Cr12MoW815255 Cr12V810760180 V730(770)700200 VTi740(760)670(680)250 W(F1)740(820)710W2745(950)720W3CrV770~805710~730CrW760(805)725CrW4760(790)CrW5760(790)700(730)CrWMn(SKD31)750(940)710255高速工具钢9Cr6W3Mo2V2795(820)220 Cr4W2MoV795(900)760142 Cr6WV815(845)625(775)150 Cr8MoWV3Si858907215 Cr12W815(865)715180 9W18Cr4V810(845)135 W18Cr4V(T1)810~860(865)726(753)150~200 W18Cr4VCo5(T4)820(875)130~190 W14Cr4VMnRE795(860)W12Cr4V4Mo835855770225 W12Mo3Cr4V3N830870765175 W12Mo3Cr4V3Co5Si835~860140 W10Cr4V4Co5820170 W10Mo4Cr4V3Al830~860(890)115 W9Cr4V2820(870)740(780)200 W9Mo3Cr4V830(875)195 CW9Mo3Cr4VN810(850)160 W9Mo3Cr4V3840(875)210 W9Mo3Cr4VAl850(890)220 W9Mo3Cr4VCo5810(845)195 W8Mo5Cr4VCo3N820116 W7Mo4Cr4V750(830)145 W6Mo5Cr4V2(M2)835(885)736(781)131 W6Mo5Cr4V2Co5823~852220 W6Mo5Cr4V2Al845(924)120 W6Mo5Cr4V3810~845140 W6Mo5Cr4V5SiNbAl830~860160 W6Mo5Cr4V2Co5836~877739~753220 W4Mo3Cr4VSi815(855)170 W3Mo2Cr4VSi815(865)140 W2Mo9Cr4V(M1)827195 W2Mo9Cr4V2(M7)810~820845~860210 W2Mo9Cr4VCo8(M42)830~855150弹簧钢30W4Cr2VA820840690400 50CrMn740785690300 50CrMnV73578768674529050CrVA752788688746300 67CrVA(TDSiCr)732772*228* 55CrMnVA750787686745275 55SiMnB740780648680240 55Si2Mn775840690300 55Si2MnB770825690745289 55SiMnMoV745815610690290 55SiMnMoVNb730770590685292 55SiMnVB75077567070055CrMnA750775250 55CrSi765*825*290* 60CrSiV(TDSiCrV)763*823*256* 60SiMn730790285 60SiMnMo700760264 60Si2MnA755810700770305 60Si2CrA76578070060Si2CrVA77078071060Si2Mo740790260 60CrMnA735*765*260* 60CrMnBA735*765*260* 60CrMnMoA700805655255 60CrMnSiVA745800270 65MnSiV755802675705255 65Si2MnWA76578070070Si2CrA756800220 70Si3Mn(A)780810700290轴承钢G20CrMo(AISI4118)750825680775380 G20CrNiMo(AISI8620)730830669770395 G20CrNi2Mo(AISI4320)725810630740380 G20Cr2Ni4685775585630305 G55SiMoVA765858687759304 G8Cr15752(824)684780240 GCr6735(860)700192 GCr9740(887)690721205 GCr9SiMn738(775)700724170 GCr15760(900)695707240 GCr15SiMn770(872)708200 GCr15SiMo750(785)695210 GCrSiWV765(810)692200 GMnMoV(RE)743(873)677(698)175 GSiMn(RE)745674150GSiMnV755(780)680(705)100 GSiMnVRE745(785)680(730)125 GSiMnMoV740(800)681(727)115 GSiMnMoVRE742(887)682(702)Cr4Mo4V(M50)726(840)720(778)130Cr14Mo4V(AISI618)875(925)745(800)不锈耐热钢1(12)Cr6Si2Mo8508907657900(06)Cr138009057808203701(12)Cr138208507008203402(20)Cr138208936717433203(30)Cr13800~8409507007422403(30)Cr13Si8302503(32)Cr13Mo8408907507904(40)Cr13800~85010007802706(60)Cr13Mo8259002103(31)Cr17Mo860985175*1Cr10Co6MoVNb7608153601(13)Cr11Ni2W2MoV735~785885~920279~3451Cr12Ni3Mo2V7158153051(14)Cr12Ni2WMoVNb7608102901(15)Cr12WMoV8208906707601(12)Cr13Ni2(414)7322741(14)Cr17Ni2(431)7271432(25)Cr13Ni27067803204(42)Cr9Si28659358058301904(40)Cr10Si2Mo9009708108702808(83)Cr20Si2Ni8409203059(95)Cr18810840740765170102Cr17Mo(9Cr18Mo)81576514511(108)Cr17(440C)815840740765145 (110)Cr14Mo4V875925745800注:1.钢的显微组织转变点A1、A3和A cm是在缓慢加热、缓慢冷却条件下测得的临界点,因同一牌号钢的化学成分不尽相同、加热和冷却速度也有差别,实测临界温度出现波动是正常的。
钢材允许使用温度范围对照表(2人评价)|1306人阅读|36次下载|举报文档钢材使用温度范围钢号钢材标准受压元件和主要受力构件的使用温度范围(℃)抗氧化温度上限(℃)钢板钢管锻件A3F GB3274(GB700) ——(1) 530 A3 GB3274(GB700) ——(2) 530 20R GB6654 ——≤475 —20g GB713 ——≤475 —10 GB711 (GB699) GB8163、GB9948 GB3087、GB6479 —≤475 530 20 GB711 (GB699) GB8163、GB9948 GB3087、GB6479 GB5310 JB755 本标准附录A ≤475 530 25 ——JB755 本标准附录A ≤475 530 35 ——JB755 本标准附录A ≤475 530 45 ——JB755 ≤475 530 16MnRC、15MnVRC GB6655 ≤400 —16Mn GB3274(GB1591)(3)—GB6479、GB8163 JB755 本标准附录A ≤475 —16MnR GB6654 —JB755 ≤475 —15MnVR GB6654 GB6479 —≤400 —15MnVNR GB6654 ——≤400 —18MNMoNbR GB6654 ——0~450(正火+回火);≤450调质—20MnMo ——JB755 本标准附录 A ≤500 —20MnMoNb ——JB755 本标准附录 A ≤450 —15MnMoV ——JB755 本标准附录 A ≤520 —32MnMoVB ——JB755 本标准附录 A 0~350 —35CrMo ——JB755 本标准附录A ≤540 —16Mo (4)(4)—≤520(5)—12CrMo (4)GB9948、—≤540 —GB5310 GB6479 15CrMo (4)GB9948、GB5310 GB6479 JB755 本标准附录A ≤560 —12Cr1MoV —GB5310 JB755 本标准附录A ≤580 —12Cr2Mo1 (4)GB9948、GB5310 GB6479 JB755 本标准附录A ≤580 600 1Cr5Mo GB1221 (4) GB9948 、GB6479 JB755 本标准附录 A ≤600 650 10MoWVNb —GB6479 —≤580 600 0Cr13 GB4237 (4) GB2270 JB755 本标准附录A 0~400 750 00Cr19Ni11 00Cr17Ni14Mo2 00Cr17Ni13Mo3 GB4237 GB2270 JB755 本标准附录 A ≤425 (3) —0Cr19Ni9 1Cr18Ni9Ti 0Cr18Ni11Ti 0Cr18Ni12Mo2Ti 0Cr18Ni12MO3Ti GB4237 GB2270 GB5310 JB755 本标准附录A、B ≤700 850 0CR23Ni13 GB4237 GB2270 —≤900 1100 0CR25Ni20 GB4237 ——≤900 1200 INCOLOY800 (4) (4) —≤850 1000 1Cr25Ni20 本标准附录B ≤900 1200 注:1、A3F钢板的使用限制如下:(1)不得用于介质为极度危害、高度危害或易爆的受压元件;(2)使用温度0~250℃;(3)设计压力≤0.6MPa;(4)容器容积≤10m3 ;(5)用于主要受压元件(壳体、成型封头),板厚≤12mm;用于法兰、法兰盖等,板厚≤16mm。
常用钢材使用温度范围注:1、A3F钢板的使用限制如下:(1)不得用于介质为极度危害、高度危害或易爆的受压元件;(2)使用温度0~250℃;(3)设计压力≤;(4)容器容积≤10m3;(5)用于主要受压元件(壳体、成型封头),板厚≤12mm;用于法兰、法兰盖等,板厚≤16mm。
2、A3钢板的的使用限制如下:(1)不得用于介质为极度危害、高度危害或液化石油气容器的受压元件;(2)容器容积≤10m3;(3)用于主要受压元件(壳体、成型封头):使用温度0~350℃;设计压力≤;板厚≤16mm;(4)用于法兰、法兰盖、管板及类似受压元件时:使用温度>-20~350℃;设计压力≤;P×Di≤2000 ( D为公称直径,mm;P为设计压力,MPa)。
当使用温度<0℃(但>-20℃)且板厚≥30mm时,应检验钢板的常温冲击功(纵向,V形夏比试样,一组三个试样的平均值)不低于27J。
3、16Mn钢板的的使用限制如下:(1)未附加检验或保证钢板常温冲击韧性要求的钢板不得用于压力容器主要受压元件;(2)用于法兰、法兰盖、管板及类似受压元件时使用限制同于A3钢;(3)经检验或复验,保证其常温冲击功(纵向,V形夏比试样,一组三个试样的平均值)不低于27J时,可用作压力容器主要受压元件,其使用限制如下:a、设计温度0~350℃;b、设计压力≤;c、板厚≤30mm。
4、16Mo、INCOLOY800尚无钢板、钢管标准,12CrMo、15CrMo、12Cr2Mo1、1Cr5Mo尚无钢板标准,设计选用可参照国外相应钢材标准。
5、16Mo长期使用温度超过475℃时应考虑石墨化倾向的影响,因此累计使用时间超过4年的受压元件应检查是否产生石墨化。
6、超低碳奥氏体不锈钢长期使用温度超过425℃,将导致碳化铬在晶界析出,而丧失抗晶界腐蚀能力。
7、公称含铬量≥13%的铁素体不锈钢钢板(复合板除外)不得用于设计压力≥,且壁厚>6mm的压力容器主要受压元件。
钢的临界温度参考值(第7版)东北特殊钢集团徐效谦整理钢的临界温度参考值(第6版) 单位:℃注:1.钢的显微组织转变点A1、A3和A cm是在缓慢加热、缓慢冷却条件下测得的临界点,因同一牌号钢的化学成分不尽相同、加热和冷却速度也有差别,实测临界温度出现波动是正常的。
实际生产中,钢的组织转变总有滞后现象,实现组织转变,加热温度要高于临界点,冷却温度要低于临界点。
通常把加热时的临界点表示为Ac1、Ac3和Ac cm,把冷却时的临界点表示为Ar1、Ar3和Ar cm。
另外,用M s和M f表示马氏体开始转变和转变终了温度。
2. *表示计算值,计算采用安德魯斯(K.W.Andrews)公式16A C1=723-10.7Mn%-16.9Ni%+29.1Si%+16.9Cr%+290As%+6.38W% (℃)A C3=910-203%C-15.2Ni%+44.7Si%+104V%+31.5Mo%+13.1W% (℃)M s=539-423C%-30.4Mn%-17.7Ni%-12.1Cr%-7.5Mo% (℃)3.按GB/T20878-2007规定,不锈耐热牌号表示方法变更如下:用牌号前()中的数字代替第1位数字,作为新牌号。
马氏体沉淀硬化不锈钢的临界点参考值(℃)半奥氏沉淀硬化不锈钢的临界点参考值(℃)超马氏体不锈钢的临界点参考值(℃)超临界机组用耐热钢的临界点参考值(℃)参考文献1《钢的过冷奥氏体转变曲线》第一图册,本溪钢铁公司第一炼钢厂、清华大学机械系金属材料教研组合编,1978(内部资料)。
2《合金钢钢种手册》第一册~第五册,冶金工业出版社,1983。
3《钢及热处理曲线手册》国防工业出版社,1986。
4《合金钢热处理手册》[苏]H.B 尔格尔,中国铁道出版社。
5《热处理工作者手册》[美]机械工业出版社。
6《钢的热处理原理》[美]G.克劳斯,冶金工业出版社。
7《结构钢手册》王洪明编,河北科学技术出版社,1985.8。
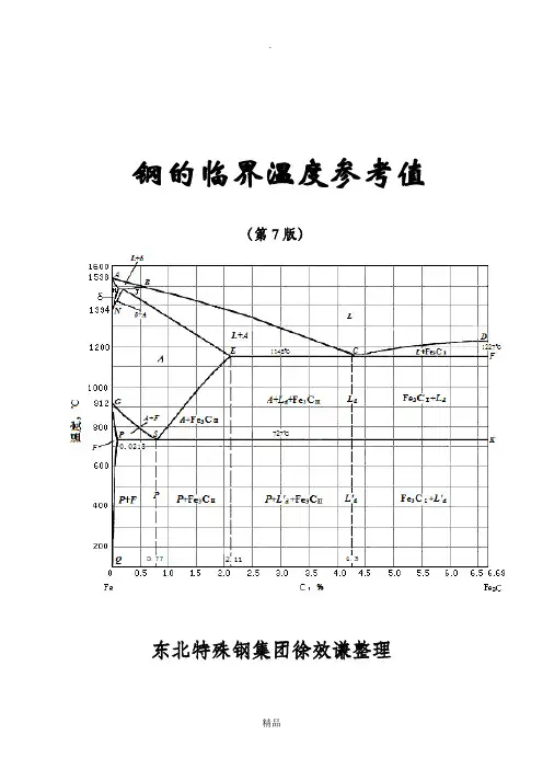
钢的临界温度从铁碳合金相图中知道,碳素钢在加热和冷却过程中,经过PSK(A1)线,发生珠光体向奥氏体的相互转变,经过GS(A3)线,发生铁素体向奥氏体的相互转变,经过ES(Acm)线,发生渗碳体向奥氏体的转变。
所以任一含碳量的碳素钢,其在缓慢加热和冷却过程中固态组织转变的临界点,就是依据A1、A3和Acm线确定。
共析钢仅有一个临界点A1,亚共析钢有两个临界点A1和A3点,过共析钢也有两个临界点A1和Acm点。
A1、A3和Acm均为平衡临界点,实际转变过程不可能在平衡临界点进行,为示区别,将加热转变点以C表示,冷却转变点以r表示。
开始转变AC1——加热时P A 温度开始转变Ar1——冷却时 A P 温度全部转变AC3——加热时 F A 终了温度开始析出Ar3——冷却时 A F 温度全部溶入ACcm——加热时Fe3CⅡ A 终了温度开始析出Arcm——冷却时 A Fe3CⅡ温度1.金相组织状态奥氏体--用A表示铁素体--用F表示渗碳体--用Fe3C表示珠光体、索氏体、屈氏体--分别用P、S、T表示,马氏体--用M表示贝氏体2.临界点:钢发生相变的温度A1-加热时珠光体向奥氏体转变Ac1,或冷却时奥氏体向珠光体转变Ar1A3-亚共析钢加热时,先共析铁素体完全溶入奥氏体的温度,Ac3,或冷却时先共析铁素体开始从奥氏体中析出的温度,Ar3Acm-过共析钢加热时,先共析渗碳体完全溶入奥氏体的温度,或冷却时先共析渗碳体开始从奥氏体中析出的温度3.退火:把钢加热到临界点(Ac1或Ac3)或再结晶温度以上,保温一定时间,然后缓慢冷却,使组织达到接近平衡状态。
4.热处理1).淬火:把钢加热到Ac3或Ac1以上30~50℃,保温后以大于临界冷却速度的速度快速5.冷却。
得到马氏体组织,使钢得到强化。
2).正火:把钢加热到Ac3或Acm以上30~50℃,保温后在空气中冷却,得到珠光体型组织的热处理工艺称为正火。
提高机械性能、细化晶粒、改善组织。
钢的临界温度参考值(第7版)钢的临界温度参考值(第7版)东北特殊钢集团整理2015年3⽉30⽇钢的临界温度参考值(第6版)单位:℃牌号Ac1Ac3Ar1Ar3Ms碳素结构钢08732890700854480 10730875680855 15735863685840450 20735855680865 25735840680824380 30732813677796380 35724802680774360 40724790680760340 45725770690720336 50725760690721300 55727774690755290 60727766690743265 65727752696730265 70730737695727240 75725740690727230 80725730690727230 85723737690695220 15Mn73586368584016Mn736850682835410 20Mn735854682835420 25Mn73583068080030Mn734812675796355 35Mn73080068077040Mn726790689768Y40Mn731807280 45Mn72677068976850Mn720760660320 60Mn727765689741280 65Mn726765689741270 70Mn723740680合⾦结构钢10Mn272083062071020Mn2725840610740400 30Mn2718804627721360 35Mn2713793630710325 40Mn271376662770432045Mn2711765626704320 50Mn2710760596680320 08Mn2Si73590530015Mn2SiCrMo725855380 45MnSiV735805642718295 18MnMoNb736850646756370 20MnMo73083968572938030MnMo71581538MnMo72082045MnMo725790400 30Mn2MoWA720845330 35MnMoWV740390 45MnMoV727791240 18MnMoNb76385064675615MnNi70785820MnNiCu705805390 15MnNiMo71485420MnNiMo685845420 15MnTiRE734865615779390 09MnVRE640800730320 12MnV73486561577915MnV72085063578020MnV730853630750415 25Mn2V724839620710365 35Mn2V715770320 42Mn2V725770310 45Mn2V72577031014MnMoV710~727880~908561~665763~80014MnVTiRE72588520SiMn73284027SiMn750880750355 35SiMn735795690330 40SiMn760815290 42SiMn740800645715330 44Mn2Si73081028550SiMn710797636703305 27Si2Mn2Mo745820340 32Si2Mn2MoA(防弹钢)72789162077431515SiMn3MoA680860327396290 15SiMn3MoWV(A)685830345415360 20SiMn2MoV727*877*640816330*25SiMn2MoV727*866*640785319* 30SiMn2MoVA725845630725310 30Si2Mn2MoWV739798310 35SiMn2MoV735780306 37SiMn2MoV729823314 37SiMn2MoWV720835350510290 40SiMn2MoWV722836290 42SiMnMoV75587029535B73080269179140B73079069072745B725770690720280 50B(A)740790670719280 60B740745270 15MnB720847410 20Mn2B73085361373638030Mn2B72678640MnB730780650700325 40MnBRE725805340 45MnB72778060MnB710740280 12MoVWBSiRE83594080488014MnMoVBRE75790070077320MnMoB74085069075030Mn2MoB73480030Mn2MoTiB(A)73381464069840MnMoB72480565273720MnTiB(RE)715843625795395 20Mn2TiB70887060570525MnTiBRE708810605705391 15MnVB730840635770430 20MnVB720840635770435 40MnVB73077463968140MnWB736800630695320 20SiMnVB72686669977922SiMnMoWTiB74486240CrB74177740CrMnB729785676350 18CrMnMoB74084020CrMnMoVB85067578040CrMnMoVBA73479222CrMnWMoTiB744862450513267 10CrNiMoVB72487612Cr2MoWVTiB820~845950~980730~740830~855420 12Cr3MoVSiTiB840958374 15CrMoVB75689618CrMn2MoBA74185432018Cr2Mn2MoB74184018Cr2Mn2MoTiB77086020Cr1Mo1VNbB82790979386225CrMnMoTiB765851653756403 30Cr2MnMoB72481515Cr76683870279920Cr765836702799390 30Cr775810670355 35Cr745795670360 38CrA740780693730350 30CrA178086536038CrA1760885675740360 40Cr743805693730355 45Cr745790660693355 50Cr735780660693250 60Cr74076045Cr3780820330 15CrMn750845690400 20CrMn765835700798360 40CrMn740775690350 50CrMn74078530035CrMn2730775630680300 50CrMn2730760290 18CrMnNiMo730795490690380 20CrMnNiMo72080040040CrMnNiMo390780290 30CrMnMoTiA755830350 35CrMnMoWV730820490320 30CrMn2MoNb76540130535CrMn2MoNb725780320 20CrMnSi(A)75584069020Cr2Mn2SiMo(A)725835615700305 25CrMnSi(A)760880680305 30CrMnSi(A)76083067070536035CrMnSi(A)775830700755330 40CrMnSiMoVA780830288 40CrMnSiNiMo695800330 45CrMnSi(A)79088029550CrMnSiMo790815275 15CrMn2SiMoA732805389478360 14CrMnSiNi2MoA724805607690364 30CrMnSiNi2A(超⾼强钢)750~760805~830310~32018CrMnTi730820690365 20CrMnTi740825680730360 30CrMnTi76579066074040CrMnTi765820640680310 25CrMnV735820420 35CrSi755830715340 38CrSi763810680755330 40CrSi760815715325 16CrSiNi745*845*390* 30CrSiMo780860350 40CrSi2Ni2MoA748802290 16Mo735875~90061083042020Mo726*845*420* 30Mo724*825*390* 12CrMo72088069579012Cr1Mo790900380 15CrMo745845695790435 20CrMo745840504746380 25CrMo75083066574536530CrMo757807693763345 35CrMo755800695750320 38CrMo760780320 42CrMo730780690310 45CrMo73080031050CrMo725760290 25Cr3Mo770835360 30Cr3MoA(渗碳、渗氮钢)765810335 38CrMoAlA(渗碳、渗氮钢)760885675740360 15CrMnMo71083062074020CrMnMo710830620740249 30CrMnMo730795385 40CrMnMo732774640246 20Cr2Mn2MoA76182865573531030CrMnMoTiA755830350 30CrMnWMoNbV720825515355 12CrMoV79090077486512CrlMoV774~803882~914761~787830~895400 12CrlMo1V79593015CrMnMoVA770870674780376 17CrMo1V783~803885~922741~785811~83820Cr1Mo1VNbB82790979386220CrMoWV80093033020Cr3MoWVA820930690790330 24CrMoV79084068079025Cr2MoV770840690780340 25Cr2MolVA78087070079030Cr2MoV781833711747330 32Cr3MoVA(渗碳、氮钢)795835310 35CrMoVA755835600356 35Cr1Mo2V77089527038Cr2Mo2VA(超⾼强钢)780850320 45CrMoV750830320 55CrMoV755790680715265 30Ni690810365 40Ni71577033050Ni725755320 15NiMo725800650750330 10Ni2710820425 12Ni3685810450 25Ni3690760340 30Ni367075031035Ni3670750310 40Ni3665740310 60Ni465072010Ni561577513Ni5610765350 40Ni5650710360 50Ni5650240 15NiMo725800650750330 12CrNi71583067020CrNi720800680790410 40CrNi730770660702305 45CrNi725775680310 50CrNi72577068030012CrNi2A732794671763395 12CrNi3A(渗碳、渗氮钢)710820660380 20CrNi3A70076050063034030CrNi3A699780650320 37CrNi3A710770640280 18CrNi4A(渗碳、渗氮钢)705780570670360 20Cr2Ni2V72079539012Cr2Ni4A(渗碳、渗氮钢)670780605675390 20Cr2Ni4A685775585630305 35Cr2Ni4A68576062164932040Cr2Ni4680750240 20CrNiMo725810396 30CrNiMo730775340 35CrNiMo730810340 40CrNiMoA72079068032017CrNi2Mo69081030CrNi2Mo695785350 35CrNi2Mo695780310 40CrNi2Mo680775300 12CrNi3Mo710800385 16CrNi3MoA(渗碳、氮钢)695770320 25CrNi3MoAl740780290 30CrNi3Mo680770310 35CrNi3Mo705760310 12CrNi4Mo69079037030CrNi4MoA700740325 35CrNi4Mo700750270 35Cr2NiMo730780320 30Cr2Ni2Mo740780350 35Cr2Ni2Mo750790355 12Cr2Ni3Mo69078535Cr2Ni3Mo730770395 12Cr2Ni4Mo660770370 18Cr2Ni4Mo700810370 20Cr2Ni4Mo715820390 35Cr2Ni4MoA(超⾼强钢)720765200 45CrNiMoVA720790650275 30CrNi2MoVA725780640320 25CrNi3MoV680800330 30CrNi3MoV740790320 35CrNi3MoV725780320 32CrNi2MoTiA(防弹钢)725774318 15CrV755870770435 20CrV76684070478243530CrV765820355 40CrV755790700745340 45CrV740780746315 50CrVA752780688746300 35Cr2V76085031035CrW750810370 18CrNiWA695800310 30CrNiWA720*800*350*30CrNi2WVA706*785*320* 18Cr2Ni4WA(渗碳、氮钢)695810350400310 25Cr2Ni4WA68577030029035Cr2Ni4W660760300 16Co14Ni10Cr2MoE600800310~320 12WMoVSiRE835940804880380⾮调质钢LF10MnSiTi795862696LF10Mn2VTiB654840623714405 LF20Mn2V715845394 GF30Mn2SiV720798608702GF32Mn2SiV720798343 YF35V715800350 YF35MnV708798351 YF35MnVN735818639731296 F40MnV746796667755 YF40MnV725800619714320 F40MnV(Ti)728815632694405 GF40SiMnVS735800345 F45V749800680747310YF45V740797310 YF45MnV740790260碳素⼯具钢T7(A)725765700280 T8(A)730750700220 T8Mn(A)725690T9(A)730760700190 T10(A)730(800)700200 T11(A)730(810)700185 T12(A)730(820)700200 T13(A)730(830)700190T10Mn2710(850)125合⾦⼯具钢SM1CrNi3(P6)720810600715409 1Ni3Mn2MoCuAl675821382517270 2Cr3Mo2NiVSi776851672Y20CrNi3MnMoAl(P21)740780290 3Cr2MoWVNi816833268 3Cr2MnNiMo715770280 3Cr2Mo(P20)7708256407603353Cr3Mo3VNb825920734810355 3Cr3Mo3W2V8409227868393733Cr2W4V820840690400 3Cr2W8V(H21)820(925)773(838)380 3Cr3Mo3VNb825(920)7348103554CrMnSiMoV792855660770290 4CrSi745860725290 4CrSiV765830725330 4CrMoVSi8509101304CrW2Si(SKS41)780840735315 4CrW2VSi800875730275 4Cr3Mo2MnVB8018746807593424Cr3Mo2MnVNbB789910263 4Cr3Mo2MnWV770320 4Cr3Mo2NiVNb770320 4Cr3Mo3SiV(H10)8109107503604Cr3Mo3W2V850930735825400 4Cr3Mo3W4VTiNb8218807528504Cr4Mo2WVSi830910670750255 4Cr5MoSiV(H11)853912735810310 4Cr5MoSiVl(H13)8609157758153404Cr5MoWSiV835920740825290 4Cr5Mo2MnVSi815893271 4Cr5W2VSi875915730840275 5SiMn7557906905SiMnMoV(S2)764788300 5Cr3MnSiMo1V(S7)792*835*254* 5Cr3W3MoSiVNb7809206657253305CrMnSiMoV710760650215 5CrMnMo710760650680220 5CrNiMo(L6)730780680230 5CrNiMoV7408156507302105CrNiMnMoVSCa695735305378220 5CrNiTi720770700230 5CrNiW730820205 5Cr2NiMoVSi7508746257512435Cr4Mo3SiMnVAl837902277 5Cr4Mo2W2SiV810885700785290 5Cr4Mo2W5V8368937448162505CrW2Si(S1)775860725295 6CrSi770830710250 6CrNiMnSiMoV705740580605174 6Cr4Mo3Ni2WV7378226501806CrW2Si7758107252806Cr4W3Mo2VNb820730220 6Cr6W3MoVSi875(905)755790250 6W6Mo5Cr4V820730240 7MnSi27507752157CrSiMnMoV776834694732211 7Cr4W3Mo2VNb810~830740~760220 7Cr7Mo3V2Si(LD1)876(925)725(816)1057Cr4W7MoV785184 8Cr2MnMoWVS7708206607108Cr3785830750770370 8CrV740*761*700215 9Mn2710(760)6259Mn2V(O2)736(765)652(690)180 9SiCr770(870)730160 9Cr2730(860)700270 9Cr2Mo755(850)1909CrWMn750(900)710230 MnSi760(865)708245 MnCrWV(O1)750(780)655190 SiMnMo735(770)676(720) SiMnWVNb750(785)130 Cr745(900)700240 V730770700200 Cr06730(950)700(740)CrMn740(980)700245 CrMnSi730(930)700Cr2745(900)700240 Cr2Mn2SiWMoV770740640(605)190 Cr4W2MoV795(900)760142 Cr5MolV(A2)785(835)705(750)180 Cr8Mo2SiV(DC53)845(905)715(800)115 Cr12(SKD1)810(835)755(770)180 Cr12MoV(SKD11)830(855)750(785)230Cr12Mo1V1(D2)810(875)750(695)190 Cr12Mo810(875)695230 Cr12MoW815255 Cr12V810760180 V730(770)700200 VTi740(760)670(680)250 W(F1)740(820)710W2745(950)720W3CrV770~805710~730CrW760(805)725CrW4760(790)CrW5760(790)700(730)CrWMn(SKD31)750(940)710255⾼速⼯具钢9Cr6W3Mo2V2795(820)220 Cr4W2MoV795(900)760142 Cr6WV815(845)625(775)150 Cr8MoWV3Si858907215Cr12W815(865)715180 9W18Cr4V810(845)135 W18Cr4V(T1)810~860(865)726(753)150~200W18Cr4VCo5(T4)820(875)130~190 W14Cr4VMnRE795(860)W12Cr4V4Mo835855770225 W12Mo3Cr4V3N830870765175 W12Mo3Cr4V3Co5Si835~860140 W10Cr4V4Co5820170 W10Mo4Cr4V3Al830~860(890)115 W9Cr4V2820(870)740(780)200 W9Mo3Cr4V830(875)195CW9Mo3Cr4VN810(850)160 W9Mo3Cr4V3840(875)210 W9Mo3Cr4VAl850(890)220W9Mo3Cr4VCo5810(845)195 W8Mo5Cr4VCo3N820116 W7Mo4Cr4V750(830)145W6Mo5Cr4V2(M2)835(885)736(781)131 W6Mo5Cr4V2Co5823~852220 W6Mo5Cr4V2Al845(924)120W6Mo5Cr4V3810~845140 W6Mo5Cr4V5SiNbAl830~860160 W6Mo5Cr4V2Co5836~877739~753220W4Mo3Cr4VSi815(855)170 W3Mo2Cr4VSi815(865)140 W2Mo9Cr4V(M1)827195 W2Mo9Cr4V2(M7)810~820845~860210 W2Mo9Cr4VCo8(M42)830~855150弹簧钢30W4Cr2VA820840690400 50CrMn740785690300 50CrMnV73578768674529050CrVA752788688746300 67CrVA(TDSiCr)732772*228* 55CrMnVA750787686745275 55SiMnB74078064868024055Si2Mn775840690300 55Si2MnB770825690745289 55SiMnMoV745815610690290 55SiMnMoVNb730770590685292 55SiMnVB75077567070055CrMnA750775250 55CrSi765*825*290* 60CrSiV(TDSiCrV)763*823*256* 60SiMn730790285 60SiMnMo70076026460Si2MnA755810700770305 60Si2CrA76578070060Si2CrVA77078071060Si2Mo740790260 60CrMnA735*765*260* 60CrMnBA735*765*260* 60CrMnMoA700805655255 60CrMnSiVA745800270 65MnSiV755802675705255 65Si2MnWA76578070070Si2CrA756800220 70Si3Mn(A)780810700290轴承钢G20CrMo(AISI4118)750825680775380 G20CrNiMo(AISI8620)730830669770395G20CrNi2Mo(AISI4320)725810630740380 G20Cr2Ni4685775585630305 G55SiMoVA765858687759304G8Cr15752(824)684780240 GCr6735(860)700192 GCr9740(887)690721205 GCr9SiMn738(775)700724170GCr15760(900)695707240 GCr15SiMn770(872)708200 GCr15SiMo750(785)695210 GCrSiWV765(810)692200 GMnMoV(RE)743(873)677(698)175 GSiMn(RE)745674150GSiMnV755(780)680(705)100 GSiMnVRE745(785)680(730)125 GSiMnMoV740(800)681(727)115GSiMnMoVRE742(887)682(702)Cr4Mo4V(M50)726(840)720(778)130Cr14Mo4V(AISI618)875(925)745(800)不锈耐热钢1(12)Cr6Si2Mo8508907657900(06)Cr138009057808203701(12)Cr138208507008203402(20)Cr138208936717433203(30)Cr13800~8409507007422403(30)Cr13Si8302503(32)Cr13Mo8408907507904(40)Cr13800~85010007802706(60)Cr13Mo8259002103(31)Cr17Mo860985175*1Cr10Co6MoVNb7608153601(13)Cr11Ni2W2MoV735~785885~920279~3451Cr12Ni3Mo2V7158153051(14)Cr12Ni2WMoVNb7608102901(15)Cr12WMoV8208906707601(12)Cr13Ni2(414)7322741(14)Cr17Ni2(431)7271432(25)Cr13Ni27067803204(42)Cr9Si28659358058301904(40)Cr10Si2Mo9009708108702808(83)Cr20Si2Ni8409203059(95)Cr18810840740765170102Cr17Mo(9Cr18Mo)81576514511(108)Cr17(440C)815840740765145 (110)Cr14Mo4V875925745800注:1.钢的显微组织转变点A1、A3和A cm是在缓慢加热、缓慢冷却条件下测得的临界点,因同⼀牌号钢的化学成分不尽相同、加热和冷却速度也有差别,实测临界温度出现波动是正常的。
钢的临界温度参考值(第7版)东北特殊钢集团徐效谦整理钢的临界温度参考值(第6版) 单位:℃注:1.钢的显微组织转变点A1、A3和A cm是在缓慢加热、缓慢冷却条件下测得的临界点,因同一牌号钢的化学成分不尽相同、加热和冷却速度也有差别,实测临界温度出现波动是正常的。
实际生产中,钢的组织转变总有滞后现象,实现组织转变,加热温度要高于临界点,冷却温度要低于临界点。
通常把加热时的临界点表示为Ac1、Ac3和Ac cm,把冷却时的临界点表示为Ar1、Ar3和Ar cm。
另外,用M s和M f表示马氏体开始转变和转变终了温度。
2. *表示计算值,计算采用安德魯斯()公式16A C1=723-%-%+%+%+290As%+% (℃)A C3=910-203%C-%+%+104V%+%+% (℃)M s=539-423C%-%-%-%-% (℃)3.按GB/T20878-2007规定,不锈耐热牌号表示方法变更如下:用牌号前()中的数字代替第1位数字,作为新牌号。
马氏体沉淀硬化不锈钢的临界点参考值(℃)半奥氏沉淀硬化不锈钢的临界点参考值(℃)超马氏体不锈钢的临界点参考值(℃)超临界机组用耐热钢的临界点参考值(℃)参考文献1《钢的过冷奥氏体转变曲线》第一图册,本溪钢铁公司第一炼钢厂、清华大学机械系金属材料教研组合编,1978(内部资料)。
2《合金钢钢种手册》第一册~第五册,冶金工业出版社,1983。
3《钢及热处理曲线手册》国防工业出版社,1986。
4《合金钢热处理手册》[苏] 尔格尔,中国铁道出版社。
5《热处理工作者手册》[美]机械工业出版社。
6《钢的热处理原理》[美]G.克劳斯,冶金工业出版社。
7《结构钢手册》王洪明编,河北科学技术出版社,。
8《微合金非调质钢》董成瑞等编,冶金工业出版社,9《轴承钢》钟顺思等编,冶金工业出版社,,第1版。
10《高速工具钢》邓玉昆等编,冶金工业出版社,11《模具钢》徐进等编,冶金工业出版社,12《中国航空材料手册》,中国标准出版社,,第2版。
实验七碳钢的热处理及硬度测定以及金相分析实验项目名称:碳钢的热处理及硬度测定、金相分析实验项目性质:综合实验所属课程名称:金属材料与热处理实验计划学时:4一、实验目的(1)熟悉碳钢的基本热处理(退火、正火、淬火及回火)工艺方法。
(2)了解含碳量、加热温度、冷却速度等因素与碳钢热处理后性能的关系。
(3)分析淬火及回火温度对钢性能的影响。
(4)学会洛氏硬度计的使用。
(5)学会采用不同的热处理工艺,将会得到不同的组织结构,从而使钢的性能发生变化。
二、实验内容和要求热处理是一种很重要的金属加工工艺方法,热处理的主要目的是改善钢材性能,提高工件使用寿命。
钢的热处理工艺特点是将钢加热到一定的温度,经一定时间的保温,然后以某种速度冷却下来,通过这样的工艺过程能使钢的性能发生改变。
热处理之所以能使钢的性能发生显著变化,主要是由于钢的内部组织发生了质的变化。
采用不同的热处理工艺过程,将会使钢得到不同的组织结构,从而获得所需要的性能。
普通热处理的基本操作有退火、正火、淬火及回火等。
热处理操作中,加热温度、保温时间和冷却方式是最重要的三个关键工序,也称热处理三要素。
正确选择这三种工艺参数,是热处理成功的基本保证。
Fe-FeC 相图和C-曲线是制定碳钢热处理工艺的重要依据。
1、加热温度(1)退火加热温度:完全退火加热温度,适用于亚共析钢,Ac+(30~50℃);3球化退火加热温度,适用于共析钢和过共析钢,Ac 1+(30~50℃)。
(2)正火加热温度:对亚共析钢是Ac 3+(30~50℃);过共析钢是Ac cm +(30~50℃),也就是加热到单相奥氏体区。
退火和正火的加热温度范围见图2-1所示。
(3)淬火加热温度:对亚共析钢是Ac 3+(30~50℃);对共析钢和过共析钢是Ac 1+(30~50℃),见图2-2。
钢的临界温度Ac 1、Ac 3及Ac cm ,在热处理手册或合金钢手册中均可查到。
再经计算可求出钢的热处理温度。
钢热处理临界温度钢的各种临界点搜集归纳,放在这里,与大家分享,希望对一些人有些帮助:临界温度钢加热和(或)冷却时,发生相转变的温度。
对合金钢而言,重要的有:(1)Ac1 钢加热时,开始形成奥氏体的温度。
(2)Ac3 亚共析钢加热时,所有铁素体都转变为奥氏体的温度。
(3)Ac4 低碳亚共析钢加热时,奥氏体开始转变为δ相的温度。
(4)Accm 过共析钢加热时,所有渗碳体和碳化物完全溶入奥氏体的温度。
(5)Arl 钢高温奥氏体化后冷却时,奥氏体分解为铁素体和珠光体的温度。
(6)Ar3 亚共析钢高温奥氏体化后冷却时,铁素体开始析出的温度。
(7)Ar4 钢在高温形成的δ相在冷却时,开始转变为奥氏体的温度。
(8)Arcm 过共析钢高温完全奥氏体化后冷却时,渗碳体或碳化物开始析出的温度。
(9)A1 也写做Ae1,是在平衡状态下,奥氏体、铁素体、渗碳体或碳化物共存的温度,也就是一般所说的下临界点。
(10)A3 也写做Ae3,是亚共析钢在平衡状态下,奥氏体和铁素体共存的最高温度,也就是说亚共析钢的上临界点。
(11)A4 也写做Ae4,是在平衡状态下,δ相和奥氏体共存的最低温度。
(12)Acm 也写做Aecm,是过共析钢在平衡状态下,奥氏体和渗碳体或碳化物共存的最高温度,也就是过共析钢的上临界点。
(13)Mb 马氏体爆发形成温度,以Mb表示(Mb≤ MS)。
当奥氏体过冷至MS点以下时,瞬间爆发式形成大量马氏体,并伴有响声,同时释放相变潜热,使温度回升。
(14)Md 马氏体机械强化稳定化临界温度。
(15)MF马氏体相变强化临界温度。
(16)Mf 有的文献以Mf表示奥氏体转变为马氏体的终了温度。
(17)MG 奥氏体发生热稳定化的一个临界温度。
(18)MS 钢奥氏体化后冷却时,其中奥氏体开始转变为马氏体的温度,符号中的“S”是“始”字汉语拼音第一个字母,也就是俄文书籍中的MH和英文书籍中的MS。
(19)MZ奥氏体转变为马氏体的终了温度,符号中的“Z”是“终”字的汉语拼音第一个字母,也就是俄文书籍中的MK和英文书籍中的Mf。