原材料明细账
- 格式:pptx
- 大小:466.57 KB
- 文档页数:18
原材料明细分类的核算形式原材料明细分类的核算形式原材料明细分类核算的财务组织通常有两种形式:第一种,“两套账”形式,其核算的工作量较大,而且重复;第二种,“一套账”形式,亦称“账卡合一”。
1)收到结算凭证的同时将材料验收入库;2)结算凭证先到、材料后入库;3)材料先验收入库、结算凭证后到。
原材料的处理一、本科目核算企业库存的各种材料,包括原料及主要材料、辅助材料、外购半成品、修理用备件、包装材料、燃料等的计划成本或实际成本。
收到来料加工装配业务的原料、零件等,应当设置备查簿进行登记。
二、本科目可按材料的保管地点、材料的类别、品种和规格等进行明细核算。
三、原材料的主要账务处理。
企业购入并已验收入库的材料,按计划成本或实际成本,借记本科目,按实际成本,贷记“材料采购”或“在途物资”科目,按计划成本与实际成本的差异,借记或贷记“材料成本差异”科目。
自制并已验收入库的材料,按计划成本或实际成本,借记本科目,按实际成本,贷记“生产成本”科目,按计划成本与实际成本的差异,借记或贷记“材料成本差异”科目。
委托外单位加工完成并已验收入库的材料,按计划成本或实际成本,借记本科目,按实际成本,贷记“委托加工物资”科目,按计划成本与实际成本的差异,借记或贷记“材料成本差异”科目。
生产经营领用材料,借记“生产成本”、“制造费用”、“销售费用”、“管理费用”等科目,贷记本科目。
出售材料结转成本,借记“其他业务成本”科目,贷记本科目。
发出委托外单位加工的材料,借记“委托加工物资”科目,贷记本科目。
采用计划成本进行材料日常核算的,发出材料还应结转材料成本差异,将发出材料的计划成本调整为实际成本。
采用实际成本进行材料日常核算的,发出材料的实际成本,可以采用先进先出法、加权平均法或个别认定法计算确定。
四、本科目期末借方余额,反映企业库存材料的计划成本或实际成本。
原材料计划成本核算法日常核算可以按实际成本计价核算,也可以按计划成本计价核算。
原材料科目借贷表示的含义一、原材料科目借贷表示原材料借方表示原材料增加,入库借:原材料贷:现金或银行贷方表示原材料减少出库。
结转时借:生产成本贷:原材料原材料属于资产类科目。
原材料科目核算企业库存的各种材料,包括原料及主要材料、辅助材料、外购半成品(外购件\修理用备件(备品备件)、包装材料、燃料等的计划成本或实际成本。
本科目期末借方余额,反映企业库存材料的计划成本或实际成本。
原材料明细账应按材料品种规格设置数量金额式明细账,若材料品种规格较多,为防止出现差错还应按仓库和类别设置原材料二级账,二级账只记收入、发出和结存的金额,不记数量。
原材料明细分类的核算形式原材料明细分类核算的财务组织通常有两种形式,第一种是“两套账"形式,其核算的工作量较大,而且重复记账;第二种是“一套账"形式,亦称"账卡合一"。
二、原材料入库会计分录1、货款已支付,发票账单已到,材料已验收入库:借:原材料应交税费——应交增值税(进项税额)贷:银行存款2、如果货款尚未支付,发票账单已到,材料已验收入库:借:原材料贷:应付账款3、如果货款尚未支付,发票账单未到,材料已验收入库:暂估入账:借:原材料贷:应付账款一暂估应付账款下月初用红字编制会计分录冲回:借:应付账款一暂估应付账款贷:原材料4、货款已经支付,发票账单已到,材料尚未验收入库:借:在途物资贷:银行存款材料收到,并验收入库:借:原材料贷:在途物资三、原材料的种类原材料的种类主要包括:1、原料及主要材料:指经过加工后,构成产品主要实体的各种原料及材料;2、辅助材料:指直接用于生产,并在生产中起辅助作用的,不构成产品主要实体的各种材料;3、外购半成品:指从外部购进需要企业进一步加工或装配的已加工的材料;4、修理用备件:指为修理企业的机器设备和运输工具所专用的各种物品;5、包装材料:指用于制造包装容器、包装装潢、包装印刷、包装运输等满足产品包装要求所使用的材料;6、燃料:指燃烧时能产生热能或光能动力的可燃物料。
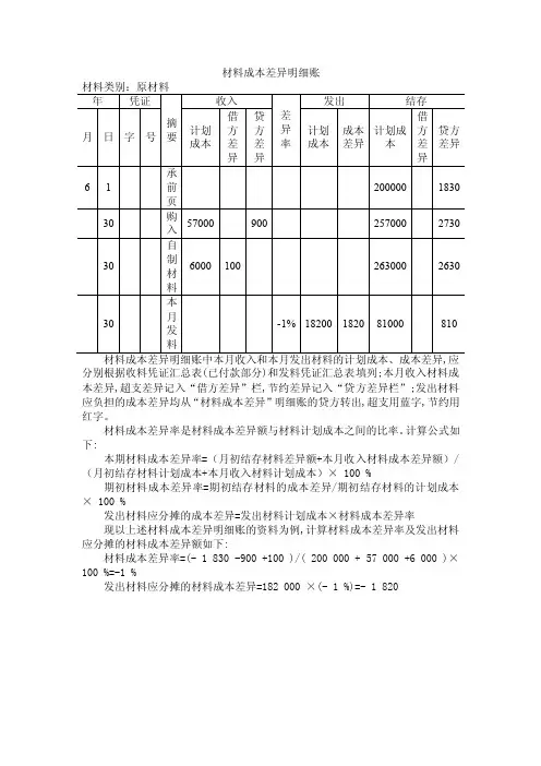
材料成本差异明细账
分别根据收料凭证汇总表(已付款部分)和发料凭证汇总表填列;本月收入材料成本差异,超支差异记入“借方差异”栏,节约差异记入“贷方差异栏”;发出材料应负担的成本差异均从“材料成本差异”明细账的贷方转出,超支用蓝字,节约用红字。
材料成本差异率是材料成本差异额与材料计划成本之间的比率。
计算公式如下:
本期材料成本差异率=(月初结存材料差异额+本月收入材料成本差异额)/(月初结存材料计划成本+本月收入材料计划成本)× 100 %
期初材料成本差异率=期初结存材料的成本差异/期初结存材料的计划成本× 100 %
发出材料应分摊的成本差异=发出材料计划成本×材料成本差异率
现以上述材料成本差异明细账的资料为例,计算材料成本差异率及发出材料应分摊的材料成本差异额如下:
材料成本差异率=(- 1 830 -900 +100 )/( 200 000 + 57 000 +6 000 )×100 %=-1 %
发出材料应分摊的材料成本差异=182 000 ×(- 1 %)=- 1 820。
要求:(本题19分)(1)编制会计分录。
(涉及明细科目的业务需列出明细科目)(2)登记给出的“原材料”总账及其所属的明细账。
①3月1日,向银行借入偿还期为3年的长期借款100 000元,款项已存入银行。
②3月5日,开出转账支票一张,用于向A公司支付前欠的购货款50 000元。
③3月10日,收到投资者作为资本投入的全新设备一台(无需安装),价值1 500 000元。
④3月15日,向A公司购买甲材料1 200千克,单价50元。
向B公司购买乙材料600千克,单价30元。
货物已验收入库,款项尚未支付。
⑤3月20日,生产产品领用甲材料1 000千克,单价50,领用乙材料500千克,单价30。
⑥3月21日,销售产品一批,获得销售收入300 000元,已存入银行。
⑦3月22日,用银行存款归还偿还期为9个月的短期借款150 000元。
⑧3月31日,结转本企业生产的完工产品一批,生产成本500 000元。
⑨3月31日,将本月份实现的销售收入2 000 000元结转本年利润。
总分类账户会计科目:原材料原材料明细分类账明细科目:甲材料数量单位:千克原材料明细分类账明细科目:乙材料数量单位:千克(三)某企业2006年9月上旬发生经济业务如下:1、向银行借入偿还期为一年的短期借款130 000元,款项已收存银行。
2、收回甲公司前欠的产品销售款80 000元。
3、收到投资者作为资本投入的专利技术一项,双方确认的价值为120 000元。
4、向乙公司购买材料98 000元,货物已验收入库,款项尚未支付。
(不考虑增值税)5、用银行存款缴纳应交所得税16 500元。
6、生产产品领用原材料112 000元。
7、用银行存款归还偿还期为9个月的短期借款150 000元。
8、经批准,用盈余公积100 000元转增资本。
要求:根据业务有关资料,编写会计分录及试算平衡表。
试算平衡表。
原材料明细账原材料明细账是一种会计账簿,用于记录和跟踪公司所持有的原材料的进货、使用和结余情况。
以下是一个包含700字的原材料明细账的例子:原材料明细账日期摘要借方金额贷方金额余额2022-01-01 期初余额- - -2022-01-05 购入原材料A 500 - 5002022-01-10 购入原材料B 300 - 8002022-01-15 购入原材料C 200 - 10002022-01-20 使用原材料A生产产品- 400 600 2022-01-25 购入原材料D 400 - 10002022-01-30 使用原材料B生产产品- 600 400 2022-02-01 购入原材料E 500 - 9002022-02-05 使用原材料C生产产品- 300 600 2022-02-10 购入原材料F 200 - 8002022-02-15 使用原材料D生产产品- 200 600 2022-02-20 购入原材料G 300 - 900注:金额单位为人民币(元)根据上述原材料明细账,可以清楚地看到公司在2022年1月份购入了原材料A、B和C,分别花费了500元、300元和200元。
随后,公司使用了原材料A和B分别生产了产品,并记录了相应的借方金额(材料使用成本)。
在1月底,公司又购入了原材料D,并使用了原材料C进行生产。
到了2022年2月,公司继续购入了原材料E和F,分别花费了500元和200元。
随后,公司使用了原材料C和D分别生产了产品,并记录了相应的借方金额。
最后,在2月底,公司又购入了原材料G。
通过原材料明细账,公司可以随时了解原材料的进货和使用情况,并计算原材料的结余。
这对于材料采购和库存管理非常重要,可以帮助公司合理规划材料采购和使用计划,避免材料短缺或过剩的情况发生,提高运营效率和降低成本。
同时,原材料明细账也为公司进行财务报表编制提供了重要的数据来源。
原材料明细账
原材料明细账,又称原材料日记账,是企业原材料核算系统的重要组成部分。
它是专门用来记录原材料在企业实际使用过程中的发生数据的,并实时记录各种原材料的购入、耗用和存货数量的。
原材料明细账需要全面、详细地记录每一笔原材料发生或使用的情况,它也是核算原材料成本所必需的记录。
一般原材料明细账内容包括:原材料发生日期、单据号码、存货名称、规格型号、计量单位、购入数量和金额、入库数量和金额、购入类别等。
耗用情况记录需要关联每一张耗用单据,详细记录耗用的开始时间、单据号码、领用人、领用部门、耗用数量等。
存货数量需要实时地记录在原材料明细账中,定期对各种原材料存货进行存货调整,以保证存货账务的准确性。
原材料明细账应严格遵循财务会计准则,精确登录每一笔原材料发生,设立核算项目的计量单位,记录准确的时间、单别、金额和数量等,正确地使用原材料数量流转表及库存料件日记账,计量精确,内容清晰,以保证原材料的实时及准确的核算记录。
登记总账及明细账实例【例】2008年1月1日,企业的“原材料”和“应付账款”总分类账户及其所属的明细分类账户的余额如下:(1)“原材料”总账账户为借方余额35000元,其所属明细账户结存情况为:①“甲材料”明细账户,结存2000千克,单位成本为l0元,金额计20000元;②“乙材料”明细账户,结存50吨,单位成本为300元,金额计15000元。
(2)“应付账款”总账账户为贷方余额10000元,其所属明细账户余额为:①“A工厂”明细账户,贷方余额6000元;②“B工厂”明细账户,贷方余额4000元。
【例】2008年1月份,企业发生的有关交易或事项及其会计处理如下:(1)1月9日,向A工厂购人甲材料500千克,单价10元,计5000元;向齐鲁工厂购入乙材料l00吨,单价300元,计30000元,甲、乙材料已验收入库,货款均尚未支付。
对发生的该交易或事项,企业应编制会计分录如下:借:原材料——甲材料5000——乙材料30000贷:应付账款——A工厂5000——B工厂30000(2)1月12日,向A工厂购入甲材料400千克,单价10元,计4000元;乙材料50吨,单价300元,计15000元,材料均已验收入库,货款尚未支付。
对发生的该交易或事项,企业应编制会计分录如下:借:原材料——甲材料4000——乙材料15000贷:应付账款——A工厂19000(3)1月20日,以银行存款偿付前欠A工厂的货款20000元,B工厂货款30000元。
对发生的该交易或事项,企业应编制会计分录如下:借:应付账款——A工厂20000——B工厂3000贷:银行存款50000(4)1月26日,生产车间为生产产品从仓库领用甲材料1000千克,金额为l0000元;领用乙材料100吨,金额为30000元。
对发生的该交易或事项,企业应编制会计分录如下:借:生产成本40000贷:原材料——甲材料10000——乙材料30000根据平行登记的要求,将上述交易或事项在“原材料”和“应付账款”总账账户及其所属的明细账户中进行登记。
原材料明细账怎么结账原材料明细账是企业在生产经营过程中非常重要的一项财务管理工作,它记录了企业购进的原材料的详细情况,包括购进时间、数量、金额等信息。
对于企业来说,如何正确地结账原材料明细账是非常重要的,下面我将介绍一下原材料明细账的结账方法。
首先,我们需要明确原材料明细账的作用。
原材料明细账是用来记录企业购进的原材料的详细情况的,包括原材料的名称、规格、数量、单价、金额等信息。
通过对原材料明细账的结账,可以及时了解企业的原材料库存情况,为企业的生产经营决策提供重要的依据。
其次,结账原材料明细账的方法是比较简单的。
首先,需要对原材料明细账进行核对,确保账目清晰准确。
然后,根据企业的实际情况,确定结账的时间点,一般可以选择月底或季末进行结账。
在结账时,需要将原材料明细账中的数据进行汇总统计,包括原材料的总数量、总金额等信息。
接着,将结账后的原材料明细账与实际库存进行比对,确保数据的准确性。
最后,将结账后的原材料明细账进行归档保存,以备日后查询和核对。
另外,结账原材料明细账时需要注意一些细节问题。
首先,要确保结账的数据准确无误,避免因为数据错误导致后续的管理决策出现偏差。
其次,结账后要做好相关的记录和备份工作,以便日后查询和核对。
同时,还需要做好结账后的反馈工作,及时向相关部门通报结账结果,以便他们能够及时了解企业的原材料库存情况。
总之,结账原材料明细账是企业财务管理工作中的重要环节,正确的结账方法可以为企业提供准确的原材料库存信息,为企业的生产经营决策提供重要的依据。
因此,企业在进行原材料明细账的结账时,需要严格按照规定的程序和要求进行操作,确保结账的准确性和及时性。