C7620型卡盘多刀半自动车床的主轴箱设计
- 格式:docx
- 大小:36.84 KB
- 文档页数:1
目录1、参数的表述2、体育设计3、传动件的估算和校核计算4、展开图的设计5、摘要一.参数制定1、确定公比φ。
已知Z = 12级(采用集中传输)nmax =1800 nmin=40Rn =φz-1所以算出来φ≈1.41。
2.确定电机功率n。
根据ф 320和ф 400车床的设计参数,采用插补方法:已知最大旋转直径为ф 360。
切割深度ap(t)为3.75毫米,进给速度f (s)为0.375毫米/转,切割速度V为95米/分钟。
计算:主(垂直)切削力:FZ = 1900ap0.75n=1900 X 3.75 X0.3750.75牛顿≈3414.4北纬切割功率:N切割= FZV/61200千瓦= 5.3千瓦主电机的估计功率:N= N cut/η total= N切割/0.8千瓦=5.3/0.8千瓦=6.6千瓦因为N的取值必须根据Y系列中国产电机的额定功率来选择,所以选择7.5 KW。
第二,体育运动的设计1.列出结构式12=2[3] 3[1] 2[6]因为:如果换向摩擦离合器安装在I轴上,为了减小轴向尺寸,第一个传动组的传动副数不宜多,2个为好。
在机床设计中,由于所需的R较大,最终展开组选择2比较合适。
由于I 轴装有摩擦离合器,结构上要求齿轮的根圆大于离合器的直径。
2.画出结构网络。
3.绘制速度图。
1)主电机的选择电动机功率n: 7.5kw电机速度nd:因为nmax =1800r/min,按N=7.5 KW,因为电机转速nd应接近或适宜于主轴的最大转速,以免采用过大的增速或过小的减速传动。
因此,电机初步确定为Y132m-4,电机转速为1440r/min。
2)恒速传动在变速传动系统中,采用定比传动,主要考虑传动、结构和性能的要求,以满足不同用户的要求。
为了减缓中间两个齿轮组的速度,减小齿轮箱的径向尺寸,在ⅰ-ⅱ轴之间增加了一对减速传动齿轮。
3)分配减速比。
① 12步减速:40 56 80 12 112 160 224 315 450630900 1250 1800(转/分钟)②确定ⅳ档和ⅴ档之间的最小减速传动比:由于齿轮的极限传动比限定为imax=1/4,为了提高主轴的稳定性,最后一个换挡的减速比为1/4。
《机械制造装备设计》模拟试题1参考答案一、选择(10分,每小题1分)1.采用“少品种、大批量”的做法,强调的是“规模效益”,这种制造模式被称为 [ A ]。
A. “传统模式”B. “精益生产”C. “敏捷制造”D. “精益—敏捷—柔性”2.利用工具电极与工件之间的放电现象从工件上去除微粒材料达到加工要求的机床,称为 [ C ]。
A. 电火花线切割机床B. 电解加工机床C. 电火花加工机床D. 电子束加工机床 3.利用一套标准元件和通用部件按加工要求组装而成的夹具,称为 [ A ]。
A. 组合夹具 B. 专用夹具 C. 成组夹具 D. 随行夹具4.使用要求相同的零部件按照现行的各种标准和规范进行设计和制造,称为 [ C ]。
A. 产品系列化B. 结构典型化C. 标准化D. 零部件通用化5.机床传动系统各末端执行件之间的运动协调性和均匀性精度,称为 [ C ]。
A. 几何精度 B. 运动精度 C. 传动精度 D. 定位精度 6.要求导轨导向性好,导轨面磨损时,动导轨会自动下沉,自动补偿磨损量,应选 [ B ]。
A. 矩形导轨 B. 三角形导轨 C. 燕尾形导轨 D. 圆柱形导轨 7.一个运动功能式为M XYZ O // 的四自由度搬运机器人是[ D ]。
A. 关节型机器人B. 求坐标型机器人C. 圆柱坐标型机器人D. 直角坐标型机器人 8.一个料斗同时向几台机床供料时,通常使用[ D ]。
A.上料器 B. 隔料器 C.减速器 D. 分路器 9.磨床进给量的单位为[ C ]。
A.毫米/每转B. 毫米/冲程C.毫米/分钟D. 转/分钟 10.机床主运动空转时由于传动件摩擦、搅油、空气阻力等原因使电动机消耗的一部分功率,称为[ C ]。
A.切削功率B. 机械摩擦损耗功率C.空载功率D. 额定功率 二、填空(20分,每小题1分)1.20世纪末,世界已进入_____知识_______经济时代。
2.加工后零件对理想尺寸、形状和位置的符合程度,称谓___加工精度______。
毕业论文与设计题目列表1、(XH745)卧式加工中心的分度工作台的设计2、两级圆柱齿轮减速器的设计3、 4层学生宿舍楼的设计4、 80T起闭机大齿轮工艺设计与制造的设计5、 BSG宽带砂光机的设计6、 C7620车床主传动及液压系统的设计7、 JL型锻压操作机底盘与运行机构的设计8、 JL型锻压操作机机身与手笔控制的设计9、 JL型锻压操作机液压系统的设计10、 LZ2型保健床的设计11、 SQL数据库酒店管理系统的设计12、 Vfp现在物流企业管理系统的设计13、 X5032型立式铣床的设计14、 X6132型万能卧式升降台铣床的设计15、 Z3040型摇臂钻床的设计16、办公自动化系统的设计17、半喂入式花生摘果机的设计(文本)18、泵叶轮注射模具的设计19、基于Ansys8.0的永磁直线电机的有限元分析及计算20、变频器控制原理图的设计21、宾馆客房管理系统22、并联式井下旋流分离装置的设计23、茶树修剪机的设计24、车备胎支架设计与制造25、车用柴油机总体及曲柄连杆机构的设计26、成绩管理系统27、齿轮套注塑模具及注塑模腔三维造型CAD CAM28、冲压模论文29、大豆螺杆挤压膨化试验装置总体设计30、带式输送机减速器的设计31、单立柱巷道堆垛机的设计32、冰箱、洗衣机修理翻转架的设计33、电火花切割机床的设计34、电机转速与温升检测装置的设计35、动力差速式转向机构的设计36、多功能切菜机的设计37、多房间温度、湿度检测系统的设计38、二级减速器的设计39、复摆颚式破碎机的设计40、某油缸设计图纸41、高温火焰电视监测系统的设计42、工业机械手的设计43、关节型机器人腕部结构设计44、关节型机器人腰部结构设计45、锅炉燃烧系统控制和汽包水位控制46、海工码头工字钢数控切割设备的设计47、护罩注塑模具及注塑模腔三维造型CAD CAM48、回转式固液分离机及螺旋输送机的设计49、活塞连杆组件装配自动输送线的设计(总体机械结构设计与压销机设计)50、机场行李输送系统自动控制设计51、基于PLC的工业机械手的设计52、基于PSOC的无刷直流电机智能控制系统的开发53、基于单片机机床插补控制模块的程序设计54、基于单片机的自动给水系统的设计55、基于虚拟仪器的震动信号采集与分析系统论文56、加工工件的自动装卸装置57、计算机与电子电路类毕业论文58、通用雕刻机的设计59、建筑用垂直运输机的设计60、精密智能测硫仪的设计61、卷扬机的设计62、考勤系统63、一级减速器的设计64、快速成型机的设计65、葵花脱粒机的设计66、螺旋输送机设计67、码垛机器人机械部分的设计68、棉花采集机械手的设计69、诺基亚6600手机前盖注塑模具设计与动画演示70、爬管式切割装置结构设计71、散料输送皮带机设计72、单段锤式破碎机的设计73、企业数据信息系统的设计74、 8T内河港口门座起重机(中)机械部分二维设计75、气顶式太空电梯的设计76、气压冲击夯实机实体建模与仿真77、汽车U型螺栓拆装机的设计78、汽车行驶信息监控系统的设计79、汽车自动清洗系统的设计80、球轴承内圈超精研磨机的设计81、全封闭输送机的设计82、全路面起重机的设计83、人事管理系统84、深水作业光缆切割机的设计85、十字路口交通灯控制系统的设计86、实现主轴分级无级变速的车床主传动系统的设计87、手机外壳注塑模计算机辅助设计与制造88、垂直循环式机械立体车库的设计89、数控车床六角刀架设计90、数字时钟91、双立柱堆垛机的设计92、水泥刨花板下涂膜机的设计93、四柱万能液压机整体设计94、四自由度搬运机器人的设计95、图书管理系统96、挖掘机工作过程仿真97、万能升降台铣床的设计98、网上选课系统(文本)99、往复裁板锯的设计100、物料包装线模型码垛机设计(堆垛机)101、物料包装线模型码垛推动机构的设计102、物料传送系统的设计103、物资管理系统104、箱体零件的工艺规程及夹具设计105、小型提升机的设计106、行星齿轮的注塑模具设计及其模腔三维造型CAD 107、悬臂液压升降横移立体车库的设计108、旋风式选粉机的设计109、学生学籍管理系统110、烟厂车间温度湿度自动监测系统111、液压冲击夯实机实体建模与仿真112、液压顶升机整体设计113、液压缸的设计114、自行式野外高空作业升降平台的设计115、液压绞车设计116、液压拉力器设计117、液压驱动式轿车维修升降机设计118、液压升降横移立体车库119、液压同步模板滑移装置设计120、医院管理系统121、油压钻杆矫直机设计122、油压冲孔机设计123、游泳镜盒注塑模具设计124、振筛机传动齿轮设计125、中小型线材压轧机的设计126、中型活体水产品运输装箱设计127、轴承立体仓库机械系统的设计128、猪鬃长度分选机(顺根机构)129、装载机举升机构优化设计130、自动化立体仓库的设计131、自动切肉机的设计132、自动取料机械手的设计133、自动上下料机械手的设计134、 4110发动机飞轮壳前端面钻模夹具设计135、 CA6140拨叉系列课程设计136、换热器的设计137、电子公文传输管理系统138、图书馆在线系统(包含文档)139、液压式测力装置140、货车驱动桥毕业设计143、110柴油机飞轮壳机械加工工艺规程及工装设备设计144、微型果蔬保鲜库控制系统设计145、中草药有效提取机组掏渣器设计146、中草药有效成分提取机组控制系统设计147、中草药有效提取机组掏渣器设计147、摩擦式离合器试验台的设计148、汽车制动系统实验台设计149、汽车ABS制动系统实验台控制系统设计150、纸筒卷管机的设计151、汽车ABS制动系统实验台结构设计152、纸罐筒体切割机的设计153、五自由度装卸工件机器人(图)154、泵改造毕业设计155、物料搬运机器人设计156、离合器设计157、台式钻床的自动化改造及进给系统设计158、[经济型数控车床横向伺服单元]设计159、缸体零件上端面铣加工夹具160、飞锯机的设计161、“包装机对切部件”设计162、20 5t桥式起重机的电气控制线路163、G41J-6型阀体双面钻24孔专机上的专用夹具设计164、RYA真空乳化机控制电路设计165、WY型滚动轴承压装机设计166、XKA5032AC数控立式升降台铣床自动换刀装置(刀库式)设计167、岸桥前大梁的工艺过程和工艺过程168、拨叉加工自动线设计169、城市污水处理用旋滤器室内试验装置170、除霜机的设计171、粗镗活塞销孔专用机床及夹具设计172、电池板铝边框冲孔模的设计173、定位支座数控加工夹具设计174、多层次金属密封蝶阀设计175、二级电液比例节流阀设计176、封闭板成形模及冲压工艺设计177、钢筋弯曲机设计及其运动过程虚拟178、高档不锈钢保温杯过滤盘落料拉深模具设计179、三自由度工业机器人设计180、集装箱起重机侧立柱制作检验和质量控制181、滑轨的外框挂钩模具的设计与制造182、基于90915-10001滤清器的模具设计183、胶带输送机—散料输送184、连杆体的机械加工工艺规程的编制185、溜板工艺极其挂架式双引导镗床夹具186、螺杆压缩机系统装置设计187、某大型水压机的驱动系统和控制系统188、某机型铰链座制造与工艺夹具189、三级减速器毕业设计190、普通钻床改造为多轴钻床191、气缸盖螺钉孔加工专机192、全自动制袋机的设计193、数控车床电动刀架194、塑料传动支架模具设计195、塑料拉手注塑模具设计196、拖拉机拨叉铣削专机197、自动弯管机装置及其电器设计198、小汽车维修用液压升举装置199、车轮快速拆装机设计200、龙门式举升机设计201、小型非开挖装置设计202、LFB—1500电脑控制型塑料注射成型机203、LFB—1500型塑料注射成型机液压系统的设计204、液压系统设计205、岸边集装箱起重机的结构设计与PLC控制206、升降电梯驱动系统设计207、自动扶梯驱动机及其PLC控制系统设计208、送料机械手设计及Solidworks运动仿真209、2层5位升降横移立体车库设计210、2层20位升降横移立体车库设计211、3层10位升降横移立体车库及其PLC系统设计212、4轮转向系统设计213、4位俯仰式简易式立体车库的设计214、6X3200剪板机设计图纸215、10吨桥式起重机小车总体方案选择分析及运行机构设计216、40T-26m岸桥起重机前大梁图217、16t电动葫芦门式起重机计算书218、50_10t通用桥式起重机设计219、400型水溶膜流研成型机设计220、500型茶树重修剪机的设计221、900×1200简单摆动鄂式破碎机设计书222、3120滚齿机设计图(整套)223、3536岸桥起重机总图224、6500ATV工程车设计225、掩护式液压支架设计226、B型双模轮胎硫化机机械手的设计227、C6132普通车床的数控改造228、CK6140数控卧式车床及控制系统的设计229、CQ6123车床的数控化改造设计230、JX316 掩护式液压支架设计231、KFC-04地下工程服务车设计232、MQS2736球磨机设计233、PE1200X1500破碎机全套图纸234、QY40型液压起重机液压系统设计计算说明书235、U型材轧机的设计236、VVVF垂直电梯轿箱系统设计237、WY120挖掘机图纸238、X62W型升降台铣床结构设计239、XK5040数控立式铣床及控制系统设计240、Y32-315液压机液压系统(汽车的)241、φ900螺旋滤水机图纸242、半流体物装置设计(护肤霜定量包装)243、翻车机图纸244、边双链型刮板输送机结构设计245、变速箱上盖钻孔组合机床--图246、采煤机设计247、差速器壳的加工工艺设计248、柴油机P型喷油器设计249、车床主轴箱箱体左侧8-M8螺纹攻丝机设计250、车床主轴箱总装配图251、车用柴油机缸体缸盖及配气机构设计252、车用柴油机燃油润滑冷却及起动系统设计253、冲击压路机毕业设计图纸254、创意组合机械系统搭接综合实验台的总体设计255、垂直升降式立体车库设计256、单托棍全封闭带式输送机的设计257、地下铲运机传动系统的结构设计258、电动执行机构减速器的设计259、垂直升降电梯生产图260、多功能柔性转子实验台261、发动机翻转架设计262、福田车备胎支架设计与制造的毕业设计263、复合肥配料生产线的PLC控制264、复合化肥混合比例装置及PLC控制系统设计265、盖子零件注射模设计266、工业型煤成型机设计267、公路运输成本费用分析与定价原理(文本)268、辊板式泡罩包装机图纸269、滚子直动从动件平面凸轮CAD系统设计270、货用升降机设计271、机床主传动设计(钻床)272、机床主轴箱的设计Z=16273、机箱壳体用PROENGINEER软件辅助实现数控加工方案设计274、基于逆向工程和快速成型的手机外形快速设计275、加工中心侧铣头结构设计276、减温减压阀ProEngineer三维结构设计及有限元结构分析277、剪叉式物流液压升降台的设计278、矫直机设计279、轿车5+1变速器设计280、经济型数控螺杆铣床的改制281、开卷机设计282、立式精锻机自动上料机械手机械结构设计283、连杆平行度测量仪设计284、两斜辊立式紧凑型矫直机设计(棒材)285、铝活塞铸造毛坯搬运机械手设计286、履带机器人设计287、螺旋榨油机设计288、门座式起重机毕业设计289、米袋码垛机械手设计290、扭转式糖果包装机设计291、普通CA6140车床的经济型数控改造292、起重机10吨小车设计293、汽车变速器设计294、汽车曲柄连杆机构毕业设计295、汽车驱动桥设计296、球面蜗杆加工专用数控机床及控制系统设计297、全自动定量包装机298、山地旋耕机传动系设计图299、数控十字工作台300、手机外壳注塑模计算机辅助设计与制造(SW)301、双立柱堆垛机的设计302、双梁桥式起重机设计303、送料机械手设计304、塑料注射模具毕业设计(盖板注塑模设计)305、挖掘机毕业设计图纸306、物料包装线模型码垛推动机构设计307、铣床的数控X-Y工作台设计308、球蘑机毕业设计309、心型台灯注塑模设计310、新型连续式洗米机311、镗磨缸机毕业设计312、压力机与垫板间的夹紧机构313、药品装盒机的设计314、液压板料折弯机设计315、液压上料机械手设计316、溢流型球磨机结构设计317、玉米脱粒机设计318、榛子破壳机的设计319、振动筛式花生收获机的设计320、注射器盖注塑模毕业设计321、注塑模具毕业设计论文(闹钟后盖实例) 322、自动化立体仓库与双立柱堆垛机的设计323、自动哨子生产机设计324、2YAH1548型圆振动筛毕业设计325、300X400数控激光切割机设计326、PCF2018单段锤式破碎机设计327、带式输送机设计328、单级蜗轮蜗杆减速器设计329、攻丝机三维模型设计330、欠驱动多指手抓取力分析及仿真设计331、三坐标上胶机机械结构设计332、试卷分拣机设计333、数控车床XY工作台与控制系统设计334、水平刮板输送机设计335、瓦楞纸冲裁成型机设计。
学院毕业设计(论文毕业设计(论文)CA7620 液压多刀半自动车床主传动箱设计The Design of CA7620 Hydraulic Multi-toolAutomatic Lathe Main Drive学生姓名学院名称专业名称指导教师I摘要介绍CA7620 机床主传动系统的设计步骤和设计方法,根据已确定的运动参数以变速箱展开图的总中心距最小为目标,拟订变速系统的变速方案,并引入优化设计的思想,以获得最优方案以及较高的设计效率。
此次设计过程中参考了同类机床主传动箱的设计,机床的主传动箱的布局与C7620 机床的类似,高效机床,在生产中有着广泛的运用。
关键词: 机床;传动系统;优化设计III学院毕业设计(论文)AbstractThis thesis introduces the design steps and methods of ma in transimisson system of machine tool and draft the transmission scheme of the system,which the aim of the most minima l center dista nce of expansion graph,accord ing to the motion parameter that has aeady been definited.Adopt the method of CAD and thought of odoptima l design to acqure the super ior project and higher design efficiencies.The process of designing a similar reference to the ma in transmission boxes of machine design, the key reference C7620 hydraulic machine, CA7620 machine ma in drive me with thela yout of the C7620 machine similar, CA7620 hydraulic multi-tool is hydraulic-d riven semi- automa tic lathes The efficient machine in the production of a wide range of use.Keywords : machine tool ma in transmission systemIVoptima l design学院毕业设计(论文)目录1绪论 (1)1.1主传动的设计要求 (1)1.2主传动的组要设计程序 (1)2主运动的运动设计 (2)1.1设计任务 (2)2.2拟定转速图 (2)2.2.1确定变速组的数目 (2)2.2.2确定变速的排列方案 (2)2.2.3确定基本组和扩大组 (2)3主传动的结构设计 (3)3.1主传动的布局 (3)3.2变速机构 (3)3.3齿轮的布置 (3)3.3.1滑移齿轮的轴向布置 (3)3.3.2一个变速组内齿轮轴向位置的排列 (4)3.3.3两个变速组内齿轮轴向位置的排列 (5)3.3.4缩小径向尺寸 (5)3.3.5滑移齿轮的结构形式 (6)3.4计算转速 (7)3.4.1主轴计算转速的确定 (8)3.4.2采用交换齿轮的变速系统 (9)4主传动的零件设计 (10)4.1 主要零件的验算校核 (13)4.1.1直齿圆柱齿轮的基本参数 (13)4.1.2齿轮的校核计算 (14)4.1.3计算机辅助设计及零件校合 (18)4.1.4轴的校核 (30)5主传动的润滑 (38)5.1润滑系统的要求 (38)5.2 润滑剂的选择 (39)5.3润滑方式的选择 (39)5.4轴承的润滑及密封方法 (39)结论 (41)致谢 (42)参考文献 (43)附录 (44)V学院毕业设计( 论文)1 绪论实现机床主运动的传动系统,称为机床的主传动系统,它和机床的传动方案和总体布局有关,主运动传动链的末端是主电动机与主轴,它的作用是把动力源(电动机)的运动传给主轴,使主轴带动工件旋转实现主运动,并满足卧式车床主轴变速和换向的要求。
优秀设计C620普通车床的主轴变速箱设计及主轴箱电气控制线路设计摘要机床设计和制造的发展速度是很快的。
由原先的只为满足加工成形而要求刀具与工件间的某些相对运动关系和零件的一定强度和刚度,发展至今日的高度科学技术成果综合应用的现代机床的设计,也包括计算机辅助设计(CAD)的应用。
但目前机床主轴变速箱的设计还是以经验或类比为基础的传统(经验)设计方法。
因此,探索科学理论的应用,科学地分析的处理经验,数据和资料,既能提高机床设计和制造水平,也将促进设计方法的现代。
机床设计是学生在学完基础课,技术基础课及有关专业课的基础上,结合机床传动部件(主轴变速箱)设计进行的综合训练。
我们毕业设计题目是Φ320普通车床的主轴变速箱设计及主轴箱电气控制线路设计。
在本设计中首先进行参数拟定,运动设计,动力计算和结构草图设计,轴和轴承的验算,主轴变速箱装配设计,设计计算说明书等内容。
设计主轴变速箱的结构包括传动件(传动轴,轴承,带轮,离合器和制动器等),主轴组件,操纵机构,润滑密封系统和箱体及其联接件的结构设计与布置,用一张展开图和若干张横截面图表示。
课程设计限于时间,一般只画展开图及一或两个截面图。
关键词:普通车床;变速箱AbstractMachine design and manufacturing growth rate is fast. Instead of only to meet the processing requirements of forming tool and the workpiece with some relative movement between the parts and a certain intensity and just , to the development of today's highly scientific and technical achievements and integrated application of modern machine design, also including computer-aided design (CAD) applications. However, the machine tool spindle gearbox design is analogous to the experience or the basis of the traditional (experience) design method. Therefore, to explore the application of scientific theory, scientific analysis of the treatment experience, data and information, can improve the design and manufacture of machine tools, but also will promote modern methods of design.Machine design is the completion of students in basic subjects, the technical basis of the Specialty Group and on the basis of Drive with machine parts for the design of integrated training. We gra duated a design is Φ320 ordinary lathe spindle axis gearbox design and boxes of electrical control circuit design.In the first design parameters for the formulation, design movement, dynamic calculation of the draft structure and design, shaft and bearing checking, Spindle assembly gearbox design, brochures, and other design elements.Spindle gearbox design the structure of pieces, including transmission (transmission shaft, bearings, pulley, clutch and brake, etc.), spindle components, manipulated bodies, lubrication system and the box sealed and connected pieces of the structure design and layout, start with a map and a number of cross-section map. Curriculum design time to the general plan and started painting one or twocross-section map.Keywords : lathe;georbox目录1 绪论................................................... 错误!未定义书签。
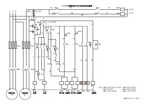
CA7620型液压多刀半自动车床电路图
前刀架
后刀架
6月7日星期一
电气系统工作原理:
一、准备工作:接通电源开关HK控制变压器即得到供电,此时按下SB2按钮,交流按触器KM1线圈经1、2、3、N接点得电,常开主触头闭合,油泵电机1D获得供电,开始运转油泵供油同时接触器KM1经过常开辅助触头接点2、3自锁,当油压正常后,压力继电器YA触点4、5闭合,为主轴等供电做好准备。
二、两刀架工作原理:就两刀架而言,有单独动作、同时动作、先后动作之分的控制要求。
1、前刀架单独动作:将SA1、SA2主令开关转到工作位置,使触点8和7、9和10接通,按下按钮SB5,经1、
2、
3、
4、
5、9、10、12接点,使中间继电器KA1得电,并通过辅助触点12、17和5、4、3、2、1得电自锁,电磁铁DT1经KA1常开触点17、12得电,前刀架开始前进,同时交流接触器KM2也通过KA1的常开触点5、8得电,主电机1D开始运转,当前刀架加工完成后,死撞闭合行程开关SQ1,(此时KA1的常开触点24、25已经闭合)使中间继电器KA3得电,KA3的常开触点5、19闭合,使时间继电器KT1得电,经延时后,KT1的延时开放,常闭触点5、17断开,使KA1、DT1失电,KA1的常开触点放开,使KM1、KA3、KT1失电,前刀架快退回,并且主电机停止运转。
车床主轴箱 课程设计一、课程目标知识目标:1. 学生能理解车床主轴箱的基本结构及其在机械加工中的功能与作用;2. 学生能掌握车床主轴箱的拆装方法,了解其内部零件的名称、功能及相互之间的关系;3. 学生能了解车床主轴箱的常见故障及其原因,掌握基本的故障排除方法。
技能目标:1. 学生能够独立完成车床主轴箱的拆装操作,并正确使用相关工具;2. 学生能够运用所学知识,对车床主轴箱进行简单的故障诊断与维修;3. 学生能够通过查阅资料,了解车床主轴箱的技术发展趋势,具备一定的技术更新意识。
情感态度价值观目标:1. 培养学生对机械加工行业的热爱,提高他们的职业认同感;2. 培养学生严谨、细致的工作态度,养成良好的操作习惯;3. 培养学生的团队合作精神,提高沟通协调能力。
课程性质:本课程为机械加工专业课程,以实践操作为主,理论讲解为辅。
学生特点:学生为中职二年级学生,已具备一定的机械加工基础知识和技能。
教学要求:结合学生特点和课程性质,注重实践操作与理论知识的结合,提高学生的动手能力和实际问题解决能力。
通过课程学习,使学生能够更好地适应未来职场需求,为我国机械加工行业的发展贡献力量。
二、教学内容1. 车床主轴箱结构认知- 熟悉车床主轴箱的整体结构,了解各部分的名称及作用;- 对比不同类型车床主轴箱的结构特点,分析其设计原理。
2. 车床主轴箱拆装与组装- 掌握车床主轴箱拆装工具的使用方法;- 学习车床主轴箱的拆装步骤,了解各部件的拆装顺序及注意事项;- 学会车床主轴箱组装方法,确保各部件装配正确。
3. 车床主轴箱故障诊断与维修- 分析车床主轴箱常见故障类型及原因;- 学习车床主轴箱故障诊断方法,掌握故障排除技巧;- 掌握车床主轴箱维修过程中的安全防护措施。
4. 车床主轴箱技术发展趋势- 了解车床主轴箱的技术发展历程,掌握当前行业技术动态;- 探讨车床主轴箱未来技术发展趋势,激发学生创新意识。
教学内容安排与进度:第一周:车床主轴箱结构认知;第二周:车床主轴箱拆装与组装;第三周:车床主轴箱故障诊断与维修;第四周:车床主轴箱技术发展趋势。
1、机床的分类。
(按工作原理、工艺范围、重量和尺寸、精度、自动化程度分类)答:工作原理:车床C 、铣床X 、镗床T 、钻床Z 、磨床M 、拉床L 、螺纹加工机床S 、齿轮加工机床Y 、刨插床B 、特种加工机床D 、锯床G 、其它类机床Q。
工艺范围:通用(万能)机床、专门化机床、专用机床。
重量和尺寸:仪表机床、中型机床、大型机床、重型机床、超重型机床。
精度:普通机床、精密机床M、高精度机床G。
自动化程度:手动机床、机动机床、半自动机床、自动机床。
2、试述机床型号的含义。
1)CA6140——加工工件最大回转直径为400mm的卧车2)Y3150E——加工工件最大直径为500mm的滚齿机、E为改进号3)X62W——工作台宽度为200mm万能卧式升降台铣床4)C620——中心高为200mm的卧车5)M1432A——加工工件最大直径为320mm的万能外圆磨床、A为改进号6)XK5040——工作台宽度为400mm数控立式升降台铣床7)Z3040X16——钻头最大直径为40mm摇臂钻、最大跨距为1600mm8)T4163B——工作台宽度为630mm单柱坐标镗床、B为改进号9)C1312——加工工件最大回转直径为12mm的单轴转塔车床10)C7620——加工工件最大回转直径为200mm的卡盘多刀半自动车床3、按图所示传动系统下列(1)写出传动路线表达式;(2)分析主轴的转速阶数;解:1)写出传动路线表达式电动机(1430rpm)—15090φφ—⎥⎥⎥⎥⎥⎥⎥⎦⎤⎢⎢⎢⎢⎢⎢⎢⎣⎡421732262236—⎥⎥⎥⎥⎥⎥⎥⎦⎤⎢⎢⎢⎢⎢⎢⎢⎣⎡303826424522—200178φφ—⎥⎥⎥⎦⎤⎢⎢⎢⎣⎡----158176327M —主轴 2)分析主轴的转速阶数18233=⨯⨯=Z3))(52.201820017826422236150901430maxrpm n =⨯⨯⨯⨯=φφφφ )(98.185817632720017845224217150901430minrpm n =⨯⨯⨯⨯⨯⨯=φφφφ 3、按图所示传动系统下列(1)写出传动路线表达式;(2)分析主轴的转速阶数;解:1)写出传动路线表达式 电动机(1440rpm)—325100φφ—⎥⎥⎥⎥⎥⎥⎥⎦⎤⎢⎢⎢⎢⎢⎢⎢⎣⎡653372265840—⎥⎥⎥⎥⎥⎥⎥⎥⎥⎦⎤⎢⎢⎢⎢⎢⎢⎢⎢⎢⎣⎡⎢⎢⎢⎣⎡------------⎢⎢⎢⎢⎣⎡------81176137613781173761(22221(右)(左)(右)(左)合)M M M M M —主轴 2)分析主轴的转速阶数1243=⨯=Z3))(78.503376158403251001440max rpm n =⨯⨯⨯=φφ )(35.1281176137613772263251001440min rpm n =⨯⨯⨯⨯⨯=φφ答:作用是当快速电动机使传动轴快速旋转时,依靠齿轮与轴间的超越离合器,可避免与进给箱传来的慢速工作进给运动发生矛盾。
第3l卷第4期2010年12月哈尔滨J O U R N A L O F H A轴承R BI N B E A R I N GV01.3l N o.4D e c.20l O C7620车床拖板与刀架体改造杨秀玲1,王淑芹2’(1.哈尔滨轴承集团公司南直轴承分厂,黑龙江哈尔滨150036;2.哈尔滨轴承集团公司技术中心,黑龙江哈尔滨150036)摘要:通过对C7620车床拖板-9刀架体部分进行改造,大大提高了车床的加工精度,保证了轴承外圈止动槽车削工序的质量要求。
关键词:轴承外圈:止动槽:C7620车床;小导轨;刀架体中图分类号:TG513文献标识码:B文章编号:1672-4852(2010)04-0012-02Y a I l g X i ul i n91,W肌g Shuqi n2(1.N anzhi B ear i n g Sub—Fact or y,H a r bi n B ear i n g G r oup C or por at i on,H ar bi n150036,Chi na;2.R&D C ent er,H ar bi n B eat i n g G r oup C or por at i on,H ar bi n150036,C hi na)川bs嗽B y i m pr ovi ng t he car r i age a nd sadd l e of C7620l at he,t he pr o cessi ng pr e ci si on of i t W g$i m pr oved gr eat l y,s0 t hat t he qual i t y re qui re m e nt s in t ur n i ng s t op sl ot of out er r i ng w e r e fulf ill ed.州;outer r i ng of beat i ng;s t op sl ot;C7620l at he;sm al l gui de;sadd l e1前言长城汽车用深沟球轴承是我分厂车工工序负责加工的新产品,根据用户的需求,无论是产品设计还是对产品的加工要求都很高,对于车加工工序来说,关键工序在于车轴承内、外圈的倒角R 面、止动槽、密封槽、软磨两平面等。
6主轴箱的设计多轴箱是组合机床的重要专用部件,根据加工示意图所确定的工件加工孔数和配置,切削用量和主轴类型而设计,由通用零部件组成,能将动力箱的动力传递给主轴,使之按要求的转速和转向旋转,提供切削动力,多轴箱与动力箱一起安装在进给滑台上,可以完成钻,扩,绞,镗等工序。
6.1 绘制主轴箱设计原始依据图多轴箱原始依据图是设计多轴箱的第一步,它是根据之前的零件工序图和尺寸联系图绘制的,通过工序图知道了主轴的相对分布状况,通过尺寸联系图指的了多轴箱的主体尺寸。
在编制此图时从“三图一卡”中已知:1)主轴箱轮廓尺寸500×500毫米。
2)工件轮廓尺寸及各孔位置尺寸。
3)工件与主轴箱相对位置尺寸。
根据这些数据可编制出主轴箱设计原始依据图:图 6-1主轴箱原始依据图附表:(1)被加工零件名称:转向蜗杆箱材料:KTZ450-06硬度:200HBS(2)动力部件ITD25-ⅠA型动力箱,电动机为Y100L-6型,功率P=1.5KW转速n=520r/min,输入转速520r/min。
图中的横坐标是以左销孔为原点的水平向右的射线,纵坐标是原点引出的竖直向上的射线。
通过工序图可知,被加工孔是对称分布的所以可以把孔的分度圆放在箱体的轴线上,Y向尺寸是根据最低主轴轴线到箱体地面距离决定的。
表6-1主轴箱外伸尺寸及切削用量轴号工序内容主轴外伸尺寸)切削用量D/d L n(r/min) v(mm/min) f(mm/r)fV1-5 钻5xM22 32/20 115 590 16 0.15 88 6.2 传动设计6.2.1拟定传动路线把主轴1-5作为一组同心圆,在其圆心上布置中心传动轴11。
油泵轴由埋头传动轴驱动,手柄轴由传动轴12驱动。
6.2.2 齿轮模数的确定初选模数可由下式估算,在通过类比确定:()330~32Pm mm Z n ≥⋅式中: P ——齿轮传递功率(KW ),可取P=1.5kw Z —一对齿轮中小齿轮的齿数,取Z=19; n ——小齿轮的转数(r/min ),其中n=520r/min代入上式计算可知: m>1.5根据标准,0轴传动采用模数为m=3而其他的传动模数采用m=2;6.3.2确定传动轴位置及齿轮齿数传动轴11为主轴1,2,3 ,4,5都各自在同一同心圆上。
CB7620型卡盘多刀半自动车床的PLC改造
杨庆徽
【期刊名称】《广西轻工业》
【年(卷),期】2010(026)008
【摘要】CB7620型卡盘多刀半自动车床继电器接触器组成的电气控制电路的故
障率高,检修周期长,故障频繁,检修困难.为了提高设备的利用率,降低故障,更好地服
务生产,选用三菱可编程序控制器对该设备进行改造,它可以充分发挥PLC高可靠性、高抗干扰的特点,寿命长,维修量少,简化了线路,提高了可靠性和机床的运行率.
【总页数】2页(P63-64)
【作者】杨庆徽
【作者单位】湖南铁道职业技术学院电气工程系,湖南,株洲,412001
【正文语种】中文
【中图分类】TG512
【相关文献】
1.采用PLC改造C7632半自动多刀车床 [J], 李丰君;张桐强;孙永超
2.CB7620/1多刀半自动车床电气改造 [J], 马庆文
3.C7620C型液压卡盘多刀半自动车床改造 [J], 朱桂兰
4.C7632型多刀半自动车床控制系统PLC改造 [J], 李建永;姜生元;任翔;韩宝琦;张学文
5.用PLC改造C7620多刀半自动车床 [J], 刘翠鲜
因版权原因,仅展示原文概要,查看原文内容请购买。
摘要本次设计为C7620型卡盘多刀半自动车床的主轴箱设计。
该车床是用于加工盘套类零件的高效率机床,主传动采用双速电机,结构简单。
首先根据本次设计的主要参数进行机床转速的确定,拟定传动方案,确定出主轴箱的转速图和变速传动系统图。
选定齿轮的齿数,通过验算主轴的转速误差是否在误差值的允许范围内,从而确定设计的齿轮是否达到设计要求。
根据《机床设计手册》和已经确定的主轴箱转速图,计算主轴、各传动轴以及各齿轮的计算转速,进而确定齿轮的模数和材料,完成齿轮的设计。
注意到本次设计中双速电机的特点,根据主动带轮传递的功率选择三角胶带的型号,确定胶带长度以及根数等,进一步计算传动轴和主轴的轴径,选择花键的型号,完成皮带和各个轴的设计,至此完成车床主轴箱内主要零件的设计。
针对齿轮的模数以及传动轴(中轴)的刚度和强度、轴承寿命等进行校核验算,达到合格后即初步完成了车床主轴箱的整体设计。
利用Solidworks三维软件对主轴箱进行三维建模,可以更好的检验主轴箱内齿轮传动是否干涉,最终生成爆炸图。
关键词:主轴箱齿轮轴三角胶带AbstractThe design for the z5140-type multi-tool semi-automatic lathe chuck spindle box design.The lathe is a disc sets of parts for processing high-efficiency machines, the main drive with dual-speed motor, simple structure. First, according to the design of the main parameters of the machine speed identification, formulation transmission scheme, determine the speed of the spindle box diagram and transmission system diagram. Selected gear teeth, the spindle speed error by checking whether the error value within the allowable range, the design of the gears to determine the design requirements. According to "Machine Design Manual" and have been identified Headstock speed graph, calculate the spindle, the shaft and the gear calculation speed, and to determine the modulus gear and materials to complete the design of gears. Noting this design features two-speed motor, according to the power delivered by the drive pulley choice triangle tape models, to determine the tape length, and number of roots, etc., further calculations shaft and the spindle shaft, select the spline model, complete belts and the design of each axis, thus completing the main parts lathe headstock design.Modulus as well as for the gear shaft (axis) of the stiffness and strength, bearing life, etc. check checking, reached after passing the initial completion of the overall design of lathe headstock.The use of three-dimensional software Solidworks headstockthree-dimensional modeling, you can better examine whether the interference geared headstock, the resulting explosion diagram.Keywords: triangle tape headstock gear shaft目录绪论 (1)1. 主动参数的确定 (2)1.1确定传动公比 (2)1.2主电动机的选择 (2)2.车床的规格 (3)3.变速结构的设计 (4)3.1确定变速组及各变速组中变速副的数目 (4)3.2结构式的确定 (4)3.3各变速组的变速范围及极限传动比 (4)3.4确定各轴的转速 (5)3.5绘制转速图 (6)3.6确定各变速组变速副齿数 (6)3.7绘制变速系统图 (8)4.结构设计 (9)4.1 结构设计的内容、技术要求和方案 (9)4.2 展开图及其布置 (9)4.3 I轴(输入轴)的设计 (9)4.4 齿轮块设计 (10)4.5 传动轴的设计 (11)4.6 主轴组件设计 (12)4.6.1 各部分尺寸的选择 (12)4.6.2 主轴材料和热处理 (13)4.6.3 主轴轴承 (13)4.6.4 主轴与齿轮的连接 (14)4.6.5 润滑与密封 (15)4.6.6 其他问题 (15)5.传动件的设计 (16)5.1带轮的设计 (16)5.2带轮结构设计 (17)5.3传动轴的直径估算 (19)5.4键的选择 (19)5.5齿轮模数的确定 (20)5.6确定各轴间的中心距 (23)5.7齿轮的设计 (23)6.齿轮校核 (24)6.1齿轮强度校核 (24)6.1.1校核a组齿轮 (24)6.1.2 校核b组齿轮 (25)7.传动轴刚度校核 (27)7.1核算其装齿轮处产生的挠度和倾角 (27)7.2核算轴承处转角 (29)8.轴承的选用和校核 (32)8.1各轴轴承的选用的型号 (32)8.2轴承寿命计算 (32)9.三维建模 (34)谢辞 (41)参考文献 (42)绪论C7620卡盘多刀半自动车床是一种以加工盘类零件为主的高效率机床,该机床配有前后两个刀架,能对零件进行端面、外圆、内孔及斜锥等多种工序的加工。
2011届毕业毕业生毕业设计课题名称:CB7620型卡盘多刀半自动车床的PLC改造2011届毕业设计任务书一、课题名称:cb7620型卡盘多刀半自动车床的plc改造二、指导老师:黄俊三、设计内容与要求1、课题概述Cb7620型卡盘多刀半自动车床是轴承行业广泛运用的专用车床。
由于该设备工作环境差,继电器接触器组成的电气控制电路的故障率高,为了提高设备的利用率,降低故障,更好地服务生产,对该设备进行三菱FX2N型可编程序控制器(PLC)电气技术改造。
2、设计内容与要求(1)进入现场,了解cb7620型卡盘多刀半自动车床的工作原理,电气线路和元器件布局情况,制定改造方案。
(2)弄清机床工作原理,根据电气原理图设计PLC梯形图,写出语句表。
(3)确定可编程序控制器型号,输入输出点数。
(4)设计或制定配线工艺,电气选型及安全保护措施。
(5)输入程序后,试车时动作符合原有规律,维修方便,故障少。
四、设计参考书1、《维修电工技师手册》机械工业出版社,2、《工厂电气控制》科学出版社3、《中低压电控实用技术》机械工业出版社4、《可编程序控制器及应用》劳动出版社5、《小型可编程序控制器实用技术》机械工业出版社五、设计说明书要求1、封面2、目录3、内容摘要煤(200-400字左右,中英文)4、引言5、正文(设计方案比较与选择,设计方案原理,计算,分析,论证,设计结果的说明几特点)6、结束语7、附录(参考文献,图纸,材料清单等)8、毕业设计进程安排(1)前2周对本设计系统的内容,要求及标准进行了解,学习,收集相关资料,定设计方案,要求每人收集3-5篇相关PLC及变频器的论文及资料(可以在假期进行,不要互相抄袭)。
(2)3-5周系统设计(3)6周资料整理(4)7周论文初稿完成(5)8周完成设计任务书(上交电子稿及纸质文档)(6)准备毕业设计答辩六、毕业设计答辩及论文要求1、毕业设计答辩要求答辩前三天,每个学生应按时将毕业设计说明书或毕业论文,专题报告等必要资料交于老师审批,由指导老师写出审阅意见。
CA7620型液压多刀半自动车床电路图
前刀架
后刀架
6月7日星期一
电气系统工作原理:
一、准备工作:接通电源开关HK控制变压器即得到供电,此时按下SB2按钮,交流按触器KM1线圈经1、2、3、N接点得电,常开主触头闭合,油泵电机1D获得供电,开始运转油泵供油同时接触器KM1经过常开辅助触头接点2、3自锁,当油压正常后,压力继电器YA触点4、5闭合,为主轴等供电做好准备。
二、两刀架工作原理:就两刀架而言,有单独动作、同时动作、先后动作之分的控制要求。
1、前刀架单独动作:将SA1、SA2主令开关转到工作位置,使触点8和7、9和10接通,按下按钮SB5,经1、
2、
3、
4、
5、9、10、12接点,使中间继电器KA1得电,并通过辅助触点12、17和5、4、3、2、1得电自锁,电磁铁DT1经KA1常开触点17、12得电,前刀架开始前进,同时交流接触器KM2也通过KA1的常开触点5、8得电,主电机1D开始运转,当前刀架加工完成后,死撞闭合行程开关SQ1,(此时KA1的常开触点24、25已经闭合)使中间继电器KA3得电,KA3的常开触点5、19闭合,使时间继电器KT1得电,经延时后,KT1的延时开放,常闭触点5、17断开,使KA1、DT1失电,KA1的常开触点放开,使KM1、KA3、KT1失电,前刀架快退回,并且主电机停止运转。
车床主轴箱设计说明书目录1、题目要求及参数确定 (01)1.1设计要求 (01)1.2运动参数确定 (01)1.3主电机的选择 (01)2、运动设计 (02)2.1 传动组的传动副数的确定 (02)2.2 结构网和结构式各种方案的选择 (02) 2.3拟定转速图 (03)2.4齿轮齿数的确定 (04)2.5传动系统图的确定 (05)2.6计算转速的确定 (05)3、传动零件的初步计算 (06)3.1 传动轴直径的初定 (06)3.2 轴承的选择 (06)3.3 齿轮模数的初步计算 (06)3.4 齿轮参数的计算 (07)3.5 齿宽确定 (08)4、主要零件的验算 (09)4.1 三角胶带传动的计算和选定 (09)4.2 圆柱齿轮的强度计算 (10)4.3 传动轴的验算 (12)5、结构设计及说明 (14)5.1 结构设计的内容、技术要求和方案 (14) 5.2 展开图及其布置 (14)5.3 齿轮块设计 (15)5.4 其他问题 (15)6、主轴组件设计 (15)7、总结 (16)8、参考文献 (17)1、题目要求及参数确定1.1设计要求1)机床的类型、用途及主要参数车床,工作时间:三班制,电动机功率:N=7.5KW ,主轴最高、最低转速如下:max 1250n rpm =,min 100n rpm = 变速级数:z=12。
2)工件材料:45号钢刀具材料:YT15 3)设计部件名称:主轴箱1.2运动参数确定回转主运动的机床,主运动的参数是主轴转速。
最低转速和最高转速:min 100n rpm =、max 1250n rpm =,机床的分级变速机构共12级由得:?=1.26查《金属切削机床》表7-1得:各轴转速:100、125、160、200、250、315、400、500、630、800、1000、1250。
1.3主电机的选择合理的确定电机功率N ,使机床既能充分发挥其使用性能,满足生产需要,又不致使电机经常轻载而降低功率因素。
C7620型卡盘多刀半自动车床的主轴箱设计首先,主轴箱设计需要考虑到主轴箱的结构和材料选择。
一般来说,
主轴箱的结构包括箱体、主轴承和润滑系统。
箱体部分一般采用高强度灰
铸铁材料,以保证较好的刚性和稳定性。
主轴承则需选用高精度的轴承,
并设计合理的安装结构,以提供充足的支撑力和刚性,同时降低振动和噪音。
其次,主轴箱的润滑系统设计也非常重要。
润滑系统需要确保主轴承
的润滑工作,以降低摩擦和磨损,提高工作效率和寿命。
一般来说,润滑
系统可以采用油脂润滑或油润滑两种方式。
油脂润滑一般适用于低速、低
负荷工作环境,而油润滑则适用于高速、高负荷工作环境。
此外,润滑系
统还需要设计合理的冷却装置,以保证主轴箱在长时间工作中的温度控制。
同时,主轴箱的布局和内部结构设计也需要充分考虑。
主轴箱内部主
要包括主轴、主轴轴承、主轴端部及卡盘安装部分等,各个部分的布局需
要合理,以提高工作效率和操作方便性。
此外,主轴箱还需要考虑到配套
的油切液系统和切屑排出系统,以确保车床在工作过程中的稳定性和安全性。
值得注意的是,主轴箱的设计还需要考虑到整个车床的工作环境和工
件加工要求。
根据具体的工件加工要求,可以进行主轴箱的附件设计,如
自动刀库、倍率传感器等,以提高车床的生产效率和精确度。
总之,C7620型卡盘多刀半自动车床的主轴箱设计是一个综合性的工程,需要考虑到结构、材料、润滑系统、布局和附件等多个因素。
通过合
理的设计和优化,可以提高车床的工作性能和加工效率,满足不同工件加
工的需要。