手机制造企业生产总监管理实务
- 格式:pdf
- 大小:1.05 MB
- 文档页数:12
生产总监工作手册【前言】作为生产总监,你负责督导和管理企业的生产流程,确保产品的高质量和按时交付。
本手册将为你提供以下工作指南,帮助你担任这一重要职位并取得成功。
【第一章】职责与职能1. 确定生产目标:分析市场需求,与销售团队合作制定生产计划,并确保其符合公司战略目标。
2. 管理生产流程:负责制定生产流程,并督导生产团队执行,确保生产过程安全、高效。
3. 协调资源分配:合理分配人力、物力和财力资源,提高生产线效率。
4. 质量控制与监督:制定质量标准,检验生产过程中的产品质量并解决质量问题。
5. 节能环保措施:推动绿色生产,降低能源消耗和环境污染。
【第二章】执行与监督1. 生产计划执行:确保生产计划按时开始,并监督生产流程,确保按计划完成。
2. 人员管理:招聘、培训、考核和激励团队成员,以确保他们在工作中发挥最佳水平。
3. 设备维护与更新:监督设备维护计划,及时修复故障,推动设备更新以提高生产效率。
4. 库存管理:有效控制原材料和成品库存,减少资金占用和仓储成本。
5. 排产与调度:根据订单情况合理排产和调度,充分利用设备和人力资源。
【第三章】团队合作与沟通1. 与销售团队的沟通:定期与销售团队对接,了解市场需求情况,以调整生产计划。
2. 与采购团队的合作:与采购团队密切配合,确保原材料的及时供应。
3. 沟通协调团队:建立有效的沟通渠道,定期会议并向团队传达信息,保持信息畅通。
4. 团队建设与培训:定期进行团队建设活动,提升团队凝聚力和合作精神。
5. 纠纷解决与决策:处理团队内部纠纷,参与重要决策并提供专业意见。
【第四章】危机管理与持续改进1. 危机应对措施:建立应急预案,妥善处理突发事件,并确保生产持续稳定运行。
2. 生产效益分析:定期分析生产数据,提出改进建议,降低成本并提高产能。
3. 工艺改进与创新:关注行业发展动态,引入新工艺和技术,提高产品质量和效率。
4. 问题解决与优化:识别并解决生产中的问题,持续优化生产流程和管理方式。
第16讲手机制造企业行政总监管理实务本讲小目标行政总监在综合实验平台中的管理职责4.按时完成企业年检工作,做好企业文化建设活动1.参与讨论企业组织结构及人员岗位设置的合理性问题,当发现下级部门的岗位设置或岗位分工不合理时,要及时指出问题,作出调整。
2.招聘及任免:根据生产部门提供初级工人、高级工人、车间管理人员、科研人员的招聘和解聘需求,完成招聘和解聘计划3.绩效考评与工资管理:设计具有岗位激励性质的绩效考评制度,并在工资管理中积极应用。
每季度做好员工工资表,力争工资表具有激励性、增长性和人力成本控制的平衡,积极赢取工商局(现已更名为市场监督管理局)关于企业工资管理评奖的奖项●驱动生产线生产、提高研发项目的效率都需要员工,行政总监可以通过人力资源管理,招聘各式各样的人才,并且将人员分配到合适的岗位开始工作。
●每种类型的人员都有各种能力,行政总监在人才招聘时,应注意能力的搭配,在尽可能减少人力成本的同时,提高工作效率。
1.招聘的人员在当季即可投入工作,招聘费用在招聘时立即支付;2.科研人员进入研发项目后,在产品研发成功以前,可以随时调出。
3.生产工人在产品完工之前不能从生产线上调出。
当每季度产品投产前,生产工人可自由调度;4.人员工资在下一季度支付。
5.向生产线安排生产类人员是提升生产线产能的唯一途径,人员安排有多种组合,其主要决策为减少人力成本,提高生产效率。
多种组合计算方式为:总提升产能=专业能力(工人)x人数(工人数量)+ 专业能力(工人)x人数(工人数量)x管理能力百分比(车间管理人员)x人数(车间管理人员人数)。
总提升研发能力=科研人员专业能力x人数(科研人员数量)●如图所示,招聘的人员类型有初级工人、高级工人、车间管理人员、研发人员。
●招聘费用在招聘时一次性支付,比如初级工人招聘费用6000意味着招聘一位初级工人的招聘费用为6000元。
●工资:代表一位有人员的季度工资金额。
比如初级工人的工资4000,意味着一位初级工人一个季度的工资为4000元。
第14讲手机制造企业市场总监管理实务本讲小目标一、市场总监的业务职责4. 对企业市场行为进行监督,对市场需求做出快速反应,使市场营销效率最大化,代表并维护消费者利益;1. 寻找市场机会,确定市场营销战略和贯彻战略决策的行动计划,完成企业的营销工作2. 在企业中进行营销思想的定位、指导和贯彻,及时、准确地向企业的各个部门传递市场及企业的要求3. 负责企业市场营销战略计划的执行,在计划实施过程中,对执行过程进行控制5.负责或参与进行企业文化的建设,做好组织、激励工作。
二、实现市场总监的三大职位目标职业目标1:对市场需求做出快速反应首先,市场总监需要密切关注班级环境的产品需求生命周期。
产品需求生命周期一般分为五个阶段分为:首先是出现期,然后是加速成长期,缓慢增长期,成熟期和衰退期。
本系统模拟L、S、O及H型四种不同类型的手机产品的生产及经营管理过程,各产品需求生命周期曲线如图所示:企业初创期都平等地拥有L型产品技术,但是L型改进、H型、O型、S型及其改进产品,需要企业研发成功,才可以投入生产与销售。
市场总监需要根据各产品需求生命周期曲线走势,与生产总监充分沟通,做相关的新品研发规划与决策。
(二、实现市场总监的三大职位目标职业目标1:对市场需求做出快速反应其次,市场总监需要密切追踪与分析市场需求总量与分市场需求量。
综合实验平台的供需平衡的形成:1.上一季度市场生产总量决定了本季度市场供给总量;2.本季度某产品的市场需求总量是本季度市场供给总量的k倍,k取值为0.95-1.05之间;3.综合实验的手机销售市场划分为东北市场、南部沿海市场、黄河中游市场、大西北市场、北部沿海市场、长江中游市场等六个国内分市场和亚洲市场一个国际分市场。
各产品分市场需求量由该分市场需求比例m决定,m是全部企业对该分市场投入广告总金额占全部市场投入广告总金额的比重。
设第i产品第j期某分市场需求总量,为第i产品第j期某分市场需求比例,则各产品分市场需求量模型如下:其中,即某分市场第j期市场需求比例,为第j期全部企业对某分市场投入总金额占全部市场投入总金额的比重。
生产总监工作手册生产总监工作手册1.引言本手册旨在为生产总监提供一个详细的工作指南,包括岗位职责、工作流程、团队管理等方面的内容。
生产总监在公司中起着重要的角色,负责协调各部门之间的工作以确保产品的高质量和按时交付。
通过遵循本手册的指导和准则,生产总监能够更好地履行职责,并实现公司的生产目标。
2.岗位职责2.1 生产计划制定- 分析销售数据、市场趋势,制定生产计划- 协调与采购、供应链等部门合作,确保生产计划的顺利执行2.2 生产过程监管- 监督生产过程中的各个环节,确保生产工艺符合质量标准- 协调解决生产中的问题和紧急情况,确保生产进度不受影响2.3 资源管理- 管理生产所需的设备、人力和材料资源- 监控资源使用情况,提出改进策略以提高生产效率和降低成本2.4 团队管理- 招聘、培训和评估生产团队成员- 促进团队协作和沟通,提高工作效率和团队士气2.5 质量控制- 设立和实施质量控制程序,确保产品符合标准- 协调与质量部门的合作,解决质量问题并改进生产流程3.工作流程3.1 生产需求评估- 针对市场需求和销售预测,评估生产所需的产品数量和时间- 与销售部门沟通,了解市场需求变化,及时调整生产计划3.2 生产计划制定- 根据生产需求评估的结果,制定具体的生产计划- 确定生产周期、生产量和交付日期3.3 资源调配和采购- 根据生产计划,调配生产资源,包括人力、设备和原材料- 与采购部门合作,及时采购所需的材料和设备3.4 生产过程监管- 监管生产过程中的各个环节,确保工艺流程符合质量标准- 部署生产人员,进行生产任务的分配和监督3.5 质量控制和改进- 设立质量控制点,监测产品的质量指标- 推动质量改进活动,解决生产过程中的质量问题3.6 交付和售后支持- 协调与物流部门合作,确保产品按时交付给客户- 提供售后支持,解决客户在使用过程中的问题和反馈3.7 进行绩效评估和报告- 定期评估生产效率和产品质量,提供报告给管理层- 分析数据和趋势,提出改进建议和措施4.团队管理4.1 招聘和培训- 制定岗位职责和要求,招聘符合岗位需求的人才- 进行新员工培训,并培养团队的专业技能和职业素养4.2 目标设定和绩效管理- 设定团队和个人的目标,进行绩效考核和评估- 提供正反馈和发展机会,激发团队成员的工作动力4.3 团队协作和沟通- 创建积极的团队氛围,促进团队成员之间的合作和沟通 - 组织团队会议和讨论,解决工作中的问题和障碍5.附件本文档附带以下附件,供生产总监参考和使用:- 质量控制流程图- 团队培训手册- 岗位职责和要求6.法律名词及注释6.1 法律名词1:合同- 合同是双方或多方之间约定的法律文件,规定了一项权益的权利义务关系6.2 法律名词2:劳动法- 劳动法是国家对劳动关系进行规范的法律,保护劳动者的权益- 包括劳动合同、工资福利、劳动时间等方面的规定。
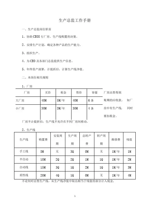
生产总监工作手册一、生产总监岗位职责1、协助CEOS 行厂房、生产线购置的决策。
2、安排生产计划,确定各种产品的生产能力。
3、组织生产。
4、为CEO 及各部门总监提供生产信息。
5、年终资产清算,计提折旧,计算生产线净值。
二、本岗位相关规则1、厂房2、生产线不论何时出售生产线,从生产线净值中取出相当于残值的部分计入现金,如厂 同时 厂房出售得到 账期的应收款。
房中有生产线, 要扣租金。
净值与残值之差计入损失;只有空的并且已经建成的生产线方可转产;当年建成的生产线需要交维修费。
3、折旧(平均年限法)当年建成生产线不计提折旧,当净值等于残值时生产线不再计提折旧,但可以继续使用。
4、产品三、相关规则及操作详解1、生产线投资费用平均支付,既不允许加速投资,也不允许在安装期满次性支付,但允许中断。
2、在建生产线开始生产的时间确定。
例如:第一年第一季投资一条自动线,经过三个安装周期,用“△”表示如表1-1。
生产线投资完成后,第四季度企业经营至“年度经营表”中“新建/在建/转产/变卖--生产线”项时,到指导教师处领取生产许可证方可生产。
表1 -13、安排生产计划,绘制排产表。
排产表由箭、线构成,开始生产箭头向上,完工下线箭头向下。
产品在完成相应生产周期的下一季度下线入库。
如表1-2中,手工生产线在第一季生产P1产品,经过三个生产周期,在第四季度下线。
生产线第三年第四年123412 34手工P1P1半自动ttttJP2 tP2 t1t P2全自动 ____ J P3_____P3i t 1P3!1P3 £ 1P3P3___P34、组织生产 空生产线才能上线生产,一条生产线只能生产一个产品。
上线生产必须有 原料,否则必须“停工待料”。
开始下一批生产时,从原材料库领取原材料,从财务总监处提取加工费,一并放入相应生产线上。
下一季更新生产时,将在制品移至下一期,完工后放 入产成品库。
5、转产、停产的设备仍须缴维护费;在建生产线当年不缴维护费,未领取生产许可证的生产线均为在建生产线。
生产总监工作手册
1. 引言
作为一名生产总监,您将承担着管理和监督企业生产过程的重要责任。
本手册旨在为您提供必要的指导,帮助您更好地履行您的职责,并取得卓越的业绩。
2. 职责概述
生产总监与企业高层管理团队紧密合作,负责制定和执行生产计划,确保生产线运作顺畅,并积极参与产品质量控制。
您还将领导和管理生产团队,确保团队目标的达成。
3. 重要技能和素质
作为一名生产总监,您需要具备以下重要技能和素质:
3.1 领导能力:能够激励团队成员,制定明确的目标,并有效地指导和管理团队。
3.2 生产管理经验:具备生产管理的经验和知识,了解现代生产技术和工艺,并能够应用这些知识来提高生产效率和质量。
3.3 问题解决能力:能够迅速分析和解决生产过程中出现的问题,确保生产线的正常运作。
3.4 沟通能力:能够与团队成员、高层管理团队以及其他部门进行良好的沟通,确保信息流动顺畅。
3.5 时间管理能力:具备合理规划和安排工作时间的能力,能够有效地处理多个任务和项目。
4. 日常职责和工作流程
4.1 制定生产计划:根据市场需求和企业目标,制定详细的生产计划,确保生产线的运作符合计划。
4.2 管理生产团队:领导和管理生产团队,包括培训和指导团队成员,确保达成团队目标。
4.3 监督生产过程:密切监督生产过程,确保生产线运作正常,并根据需要进行调整和优化。
4.4 质量控制:制定和执行质量控制策略,确保产品质量符合企业标准和客户需求。
生产总监的职责和权限职责概述生产总监是负责管理和监督公司生产部门的高级管理人员。
生产总监的主要职责是确保生产部门的正常运作,以实现公司制定的生产目标。
为了达到这个目标,生产总监需要对生产流程进行全面的规划和管理,确保生产过程的高效性和质量,并积极参与和推动生产部门的改进和创新。
职责详述1.制定生产计划:生产总监需要根据公司的销售计划和市场需求,制定生产计划。
生产计划需要合理安排生产资源的利用,平衡产品供应和需求关系,并确保产品的交付时间和质量。
2.管理生产流程:生产总监需要进行生产流程的全面规划和管理。
这包括调度生产设备和人力资源,协调不同部门之间的合作,确保生产过程的高效性和质量。
3.监督生产质量:生产总监需要制定和执行严格的质量控制措施,确保生产过程中产品的质量符合公司的标准和客户的要求。
生产总监需要建立质量管理体系,并加强对生产过程的监督和检查。
4.管理生产成本:生产总监需要降低生产成本,提高生产效率。
生产总监需要主导并积极推动生产流程的改进和优化,尽量减少资源浪费和生产线闲置时间,提高设备和人员的利用率。
5.领导生产团队:生产总监需要领导和管理生产团队,确保团队成员的工作效率和工作质量。
生产总监需要激励团队成员,培养和发展他们的工作能力,提高团队的整体素质。
权限1.决策权:生产总监有权制定生产策略和计划,并对生产流程和质量控制措施做出决策。
生产总监可以根据实际情况进行调整,以确保生产部门的正常运作和达到公司的生产目标。
2.资源分配权:生产总监有权对生产资源进行合理的分配和调度。
生产总监可以根据生产需求和优先级,决定生产设备和人力资源的调配,确保生产过程的顺利进行。
3.招聘权:生产总监有权制定和实施招聘计划,吸引并选拔合适的人才加入生产团队。
生产总监可以根据生产部门的需求,确定招聘的岗位和要求,确保生产团队的人员结构和素质得到保证。
4.奖惩权:生产总监有权对生产团队成员进行奖惩。
根据工作表现和绩效,生产总监可以给予团队成员奖励和晋升,同时也有权对工作不达标的成员进行惩罚或调整。
智能制造的生产管理实务一、智能制造的概念及发展趋势智能制造是指在生产过程中应用信息技术和智能化技术,通过建立数字化、网络化、智能化的生产系统,实现生产过程的自动化、协同化和优化化。
随着信息技术和工业互联网的发展,智能制造已经成为未来工业发展的重要趋势。
二、智能制造中的生产管理实务1. 生产计划管理生产计划管理是指根据市场需求和企业资源情况,制定合理的生产计划,并通过信息系统进行跟踪和调整。
在智能制造中,生产计划管理需要结合物联网技术和大数据分析,实现对生产过程的实时监控和预测分析。
2. 生产过程控制生产过程控制是指通过自动化设备和传感器等技术手段,对生产过程进行监控和调整。
在智能制造中,需要建立数字化工厂模型,并通过虚拟仿真等技术手段进行优化设计,从而提高生产效率和产品质量。
3. 质量管理质量管理是指在整个生产过程中对产品质量进行监控和保证。
在智能制造中,需要利用传感器和智能设备等技术手段,对产品进行实时监控和检测,并通过大数据分析实现质量问题的预测和预警。
4. 物流管理物流管理是指对生产过程中物流环节的管理和优化。
在智能制造中,需要建立数字化供应链模型,并通过物联网技术实现对物流过程的实时监控和调整,从而提高物流效率和降低成本。
5. 人力资源管理人力资源管理是指对企业员工的招聘、培训、绩效评估等方面进行管理。
在智能制造中,需要通过大数据分析和人工智能技术实现对员工的职业发展规划和绩效评估,并通过虚拟仿真等技术手段进行培训。
三、智能制造中生产管理实务的优势1. 提高生产效率智能制造中通过自动化设备和信息系统等技术手段,可以实现生产过程的自动化、协同化和优化化,从而提高生产效率。
2. 提高产品质量智能制造中可以通过传感器等技术手段对产品进行实时监控和检测,并通过大数据分析实现质量问题的预测和预警,从而提高产品质量。
3. 降低生产成本智能制造中通过物联网技术实现对物流过程的实时监控和调整,从而降低物流成本。
某公司生产管理实务经验分享引言在现代企业中,生产管理是保证生产运作顺利进行的核心。
某公司作为一家具有多年生产经验的企业,通过总结和实践,积累了一些宝贵的生产管理实务经验。
本文将分享这些经验,旨在为其他企业提供参考和借鉴。
1. 规范化的生产计划在某公司,生产计划的规范化被视为确保生产效率和产品质量的关键步骤之一。
该公司充分利用计划软件,从销售订单、库存管理和机器设备的状况等多个方面进行综合分析和计划。
通过规范化的生产计划,公司能够在生产过程中合理分配资源、减少生产延误和浪费,提高生产效率和产品质量。
1.1 详细的生产计划排程某公司通过设置详细的生产计划排程,对生产线的每个工序进行精确的安排和调度。
排程包括生产任务的开始时间、结束时间、所需资源、工序间的关联等信息。
这种详细的排程,使得生产线的各个环节能够有序进行,避免了因为工序之间的阻塞而导致的生产停滞。
1.2 及时的生产计划调整某公司注重及时地对生产计划进行调整。
在生产过程中,可能会出现订单变更、机器故障、原材料短缺等突发情况,这时公司会及时调整生产计划,保证生产线的稳定运转。
2. 强化的生产质量管理某公司将生产质量管理作为提高企业竞争力的关键要素之一,不断加强对生产质量的控制和监督。
2.1 严格执行质量标准公司在生产全过程中,严格执行各项质量标准。
从原材料采购到成品出厂,公司严把质量关,确保每个环节都符合质量标准。
对于不符合质量要求的产品,公司将追责到人,严肃处理。
2.2 引入先进的生产设备和技术某公司不断引进先进的生产设备和技术,以提高生产质量。
例如,公司在生产线上使用自动化设备,减少因为人为操作引起的质量问题。
同时,公司也积极与科研院所合作,引入最新的生产技术,为产品质量提升提供支持。
2.3 完善的质量检测体系公司建立了完善的质量检测体系,对生产过程中的每个环节进行全面检测。
通过对原材料、半成品和成品进行质量检测,可以及时发现和纠正质量问题,确保产品符合质量要求。
生产总监实训报告总结一、实训背景本次实训是我在某公司担任生产总监期间所进行的,旨在提高我对生产管理的实践能力和技能。
该公司主要生产电子产品,包括手机、平板电脑等。
二、实训内容1. 生产计划制定在这个环节中,我需要根据销售部门提供的销售预测数据,结合库存情况和生产能力,制定出下一季度的生产计划。
这个过程需要考虑到原材料采购时间、生产周期等因素。
2. 生产流程优化通过对生产线上各个环节进行分析和优化,提高生产效率和产品质量。
例如,在组装环节中引入自动化设备,减少人工操作时间和误差率。
3. 原材料采购管理负责原材料采购计划制定、供应商选择和价格谈判等工作。
同时要保证原材料的质量和交货时间。
4. 人员管理指导并管理下属员工,在保证生产效率的同时关注员工培训和福利待遇等问题。
三、实训收获1. 熟悉了企业内部运作流程及各部门职责;2. 学会了如何制定生产计划和优化生产流程,提高了生产效率和产品质量;3. 增强了对原材料采购管理的理解和实践能力,提高了谈判技巧;4. 对员工管理有了更深入的认识,学会了如何平衡生产效率和员工福利。
四、存在问题1. 生产线上设备老旧,需要更新升级;2. 原材料采购渠道不够丰富,需要开发新的供应商资源;3. 部分员工缺乏专业技能,需要加强培训。
五、改进措施1. 资金投入更新升级设备,提高生产效率和产品质量;2. 拓展原材料采购渠道,建立长期合作关系;3. 制定培训计划,针对员工专业技能不足问题进行有针对性的培训。
六、总结与展望通过这次实训,我深刻认识到一个企业运作良好与否与其内部管理水平息息相关。
未来,在担任生产总监的过程中,我将继续努力提高自身素质和技能水平,并为企业发展做出更大的贡献。
生产总监职责具体内容
生产总监是一个负责生产管理及生产流程优化的高级职位。
以下是一些生产总监可能承担的具体职责内容:
1. 监督和管理生产流程:确保生产过程的正常运行,监督并管理生产线、设备和生产员工。
制定并实施生产计划,确保按时交付产品。
2. 生产计划和调度:负责制定生产计划,分配资源和安排工作,确保生产目标的实现。
与采购和供应链部门合作,确保原材料和部件的及时供应。
3. 质量控制和改进:负责确保产品质量符合公司标准和客户要求。
监督质量控制流程,建立和维护质量管理体系。
持续改进生产流程和方法,提高产品质量和生产效率。
4. 成本控制和效率优化:通过改进生产流程,优化资源配置和减少浪费,降低生产成本。
制定和执行成本控制策略,提高生产效率和盈利能力。
5. 人员管理和培训:负责招聘、培训和评估生产团队成员。
建立和维护高效的团队合作环境,提供培训和指导,持续提升员工技能和生产能力。
6. 安全与环保管理:确保生产过程符合相关的安全和环保法规要求。
制定并执行安全和环保策略,监督和管理安全生产工作,预防生产事故和环境污染。
7. 与其他部门合作:与工程、品质、销售和采购等其他部门紧密合作,协调解决生产过程中的问题,实现整体业务目标。
8. 数据分析和报告:收集和分析生产的关键数据,制作相关报告并提供管理建议。
定期向高级管理层汇报生产情况和进展。
这些职责内容可以根据公司的具体情况和行业要求进行调整和补充。
第11讲 手机制造企业CEO管理实务(下)本讲小目标生产部的产品规则市场部的市场投资规则采购部的原辅材料采购规则销售部的产品销售规则企管部的产品认证规则企管部的人员管理规则1.产品研发(1)制造企业初始都可以生产L型产品A型工艺清单,如想生产新的产品,需要投入资金和人力进行产品研发。
(2)第n季度投入资金,第n+1季度系统会提示产品研发是否成功。
研发成功的当季度可以投入生产。
研发项目基本研发能力要求最少投放资金推荐资金代表BOM技术水平L型产品000L-A工艺10 L型产品工艺改进50100,000300,000L-B型工艺10 H型产品100300,0001,000,000H-A工艺15 H型产品工艺改进50100,000300,000H-B型工艺10 O型产品1001,000,0002,000,000O-A工艺20S型产品1001,500,0003,000,000S-A工艺25高端工艺改进30300,000600,000O-B工艺15 S-B工艺20l基本研发能力要求:研发人员的研发能力,只有该研发项目的研发人员能力达到该项要求后,研发才能开始。
l推荐资金:推荐企业在资金有效期内达到的资金额,实际研发时有风险,需要结合具体情景参考剩余投入资金来决策投入资金额。
2.产品BOM结构产品物料清单(BOM结构)图如下:(括号中的数字为所需原材料个数)产品名称M1M2M3M4M5M-X电子采购总价(元)LA型产品2 111700LB型产品1 121400HA型产品12 1112400HB型产品11 222200OA型产品1111022900OB型产品1011222700SA型产品1110123000SB型产品1011222700一、生产部的产品规则3.产品库存(1)产品存放在产成品库库房,所有存放在仓库的产品均发生库存成本;(2)库存成本按照季末库存数量计算,一次性支付。
库存费用详细信息见《产成品库存费用一览表》。
第14讲手机制造企业市场总监管理实务本讲小目标一、市场总监的业务职责4. 对企业市场行为进行监督,对市场需求做出快速反应,使市场营销效率最大化,代表并维护消费者利益;1. 寻找市场机会,确定市场营销战略和贯彻战略决策的行动计划,完成企业的营销工作2. 在企业中进行营销思想的定位、指导和贯彻,及时、准确地向企业的各个部门传递市场及企业的要求3. 负责企业市场营销战略计划的执行,在计划实施过程中,对执行过程进行控制5.负责或参与进行企业文化的建设,做好组织、激励工作。
二、实现市场总监的三大职位目标职业目标1:对市场需求做出快速反应首先,市场总监需要密切关注班级环境的产品需求生命周期。
产品需求生命周期一般分为五个阶段分为:首先是出现期,然后是加速成长期,缓慢增长期,成熟期和衰退期。
本系统模拟L、S、O及H型四种不同类型的手机产品的生产及经营管理过程,各产品需求生命周期曲线如图所示:企业初创期都平等地拥有L型产品技术,但是L型改进、H型、O型、S型及其改进产品,需要企业研发成功,才可以投入生产与销售。
市场总监需要根据各产品需求生命周期曲线走势,与生产总监充分沟通,做相关的新品研发规划与决策。
(二、实现市场总监的三大职位目标职业目标1:对市场需求做出快速反应其次,市场总监需要密切追踪与分析市场需求总量与分市场需求量。
综合实验平台的供需平衡的形成:1.上一季度市场生产总量决定了本季度市场供给总量;2.本季度某产品的市场需求总量是本季度市场供给总量的k倍,k取值为0.95-1.05之间;3.综合实验的手机销售市场划分为东北市场、南部沿海市场、黄河中游市场、大西北市场、北部沿海市场、长江中游市场等六个国内分市场和亚洲市场一个国际分市场。
各产品分市场需求量由该分市场需求比例m决定,m是全部企业对该分市场投入广告总金额占全部市场投入广告总金额的比重。
设第i产品第j期某分市场需求总量,为第i产品第j期某分市场需求比例,则各产品分市场需求量模型如下:其中,即某分市场第j期市场需求比例,为第j期全部企业对某分市场投入总金额占全部市场投入总金额的比重。
第15讲手机制造企业销售总监管理实务本讲小目标完成企业间的产品交易1.参与制定企业4-5年的销售战略、季度销售计划和销售预测。
2.组织与管理销售团队,完成企业产品销售目标。
3.控制销售预算、销售费用、销售范围与销售目标的平衡发展。
4.招募、培训、激励、考核下属员工,以及协助下属员工完成下达的任务指标。
5.收集各种市场信息,并及时反馈给上级与其他有关部门。
6.参与制定和改进销售政策、规范、制度,使其不断适应市场的发展。
7.发展与协同企业和合作伙伴的关系。
8.妥当处理客户投诉事件,接待客户来访;协助上级做好市场危机公关处理。
9.协助制定企业产品和企业品牌推广方案,并监督执行。
●销售部的业务操作是从第二季度开始的,在每季度开始时的150秒内完成市场抢单、定价以及订单交付工作。
●在综合实验课程运行中,常有销售总监遇到第二季度市场中并没有订单需求,而流失宝贵的抢单机会和为企业创收的机会。
市场中的订单需求不仅依赖于本企业生产部的产成品成产量,还牵制于班级环境某类型产品产成品的总产量;不仅取决于本企业市场部的市场投资开拓的有效性,还取决于班级环境所有企业对某市场投资的总力度。
●因此,销售总监每个季度的职业价值,是上一个季度与生产部、市场部共同决策、执行生产计划、市场投资计划的结果。
●销售总监应该从第一年第一季度开始,就主动参与市场部的市场调查和市场投资决策;主动核实生产部的生产时间计划、产量计划和研发计划,为自己下一个季度完成销售目标,实现职业价值夯实基础。
二、预测下一季度的订单数量综合实验平台的订单模型假设:第i产品第j期某分市场需求总量,即为该产品该期各分市场订单总数。
订单数量模型如下:即某产品某分市场的订单总数量由该产品本季度市场供需比例、该产品本季度分市场需求比例及上一季度所有企业该产品的产能总量决定。
该期全部产品订单形成订单池,供企业竞单。
●上一季度市场生产总量决定了本季度市场供给总量TS;●本季度某产品的市场需求总量是本季度市场供给总量的k倍,k取值为0.95-1.05之间;基于综合实验平台的订单模型,销售总监在预测下一季度订单需求量时,需要调研如下数据:1.本季度班级环境中某产品的总产量TS(预测需求值)2.下一季度本企业某产品的计划产量(可申请的订单数量)3.下一季度某产品的市场需求繁荣状况(预测k值,在平台驾驶舱内可以查阅)4.本季度班级环境对某个市场的投资总额5.本季度本企业对某个市场的投资总额(预测m值)(三、如何在抢单时对产品报价●销售总监在150秒的竞单时间里,需要决定产品数量,并对产品做出报价,通过与所有竞争企业比较竞单得分,决定是否能够成功抢单。
生产总监岗位管理制度1. 职能与职责生产总监是公司生产管理中至关重要的角色,担负着协调和管理生产流程的责任。
以下是生产总监的主要职能和职责:1.1 生产规划和组织生产总监负责制定合理的生产计划,确保生产任务按时达成。
他/她需要与其他部门进行沟通和协调,以保证生产资源的充分利用,并确保生产过程的顺利运行。
1.2 生产质量管理生产总监负责制定和实施质量管理制度,确保产品符合公司标准和客户要求。
他/她需要与品质管理团队紧密合作,进行质量检查和改进,并及时应对质量问题。
1.3 管理团队生产总监需要领导和管理生产团队,确保团队的高效运作。
他/她应具备卓越的领导能力,激励团队成员实现个人和团队目标。
1.4 资源管理生产总监负责管理生产所需的各类资源,包括人力、设备、原材料等。
他/她需要确保资源合理配置,以提高生产效率和降低成本。
2. 岗位要求为了能够胜任生产总监这一重要岗位,候选人需要具备以下要求:2.1 教育背景候选人应拥有相关领域的学士或以上学历,如工业工程、机械制造等专业。
同时,持有相关领域的高级学位将被视为加分项。
2.2 工作经验候选人至少应具备5年以上生产管理经验,有大型制造或生产企业背景的经验将被优先考虑。
同时,候选人应具备丰富的团队管理经验。
2.3 技能要求候选人需要具备以下技能和知识:2.3.1 生产管理技巧:包括生产计划、生产流程管理、生产效率提升等方面的技能。
2.3.2 质量管理知识:了解质量管理原则和方法,熟悉ISO9001等国际标准。
2.3.3 领导能力:善于激励和激发团队成员的潜力,具备良好的团队建设和管理能力。
2.3.4 沟通协调能力:具备良好的沟通和协调能力,能够与不同部门和层级的员工有效合作。
3. 工作流程为了实现生产总监岗位的高效管理,下面是生产总监需要遵循的工作流程:3.1 生产计划制定生产总监需要根据市场需求和公司目标,制定合理的生产计划。
他/她需要考虑生产能力、人力资源、原材料供应等因素,以确保计划的可行性。
第一章总则第一条为加强本厂安全生产管理,保障员工生命财产安全,防止事故发生,根据《中华人民共和国安全生产法》等相关法律法规,结合本厂实际情况,制定本制度。
第二条本制度适用于本厂所有员工、承包商、临时用工等,以及与安全生产相关的各项活动。
第三条本厂安全生产管理遵循“安全第一、预防为主、综合治理”的方针,坚持“以人为本、全员参与、持续改进”的原则。
第四条本厂建立健全安全生产责任制,明确各级人员的安全职责,确保安全生产措施落实到位。
第二章安全生产责任制第五条厂长对本厂的安全生产工作全面负责,是安全生产第一责任人。
第六条各部门负责人对本部门安全生产工作负直接领导责任,对本部门的安全生产管理工作负责。
第七条生产线组长、班组长对本班组安全生产工作负直接责任,对本班组的安全生产管理工作负责。
第八条所有员工对本岗位的安全生产工作负直接责任,对本岗位的安全生产管理工作负责。
第九条承包商、临时用工等应当遵守本厂安全生产管理制度,服从安全生产管理。
第十条各级安全生产管理人员应当定期对安全生产责任制落实情况进行检查,发现问题及时整改。
第三章安全生产教育培训第十一条厂应当建立健全安全生产教育培训制度,对员工进行安全生产教育培训。
第十二条新员工入职前,应当进行安全生产教育培训,合格后方可上岗。
第十三条员工转岗、复岗时,应当进行相应的安全生产教育培训。
第十四条员工每年至少参加一次安全生产教育培训,培训内容包括安全生产法律法规、安全生产知识、事故案例分析等。
第十五条厂应当定期组织安全生产知识竞赛、安全演讲等活动,提高员工的安全意识。
第四章安全生产设施第十六条厂应当配备必要的安全生产设施,包括安全防护用品、消防设施、应急救援设备等。
第十七条安全生产设施应当定期进行检查、维护和保养,确保其完好、有效。
第十八条厂应当根据生产工艺、设备特点和员工需求,合理配置安全防护用品,并确保员工正确使用。
第十九条厂应当设置安全警示标志,明确安全操作规程,提醒员工注意安全。