作业指导书样本--《10kV线路导线架设作业指导书》
- 格式:doc
- 大小:64.50 KB
- 文档页数:6
10KV 线路线路作业指导书1、目的为标准配电线路保护作业程序,保证安全、优异、高效地完成配电线路保护工作,特编制本作业指导书。
现场工作必定严格执行?安规?、?两票?相关规定,深入睁开反习惯性违章活动。
2、引用标准国家电网公司?电力安全工作规程?〔电力线路局部〕DL/T 741-2001?配电线路运行规程??架空配电线路及设施运行规程?3.3 ?架空配电线路安装检修工艺规程?3、适用范围本作业指导书适用于农网10kV 及以下配电线路的现场作业过程的指导。
4、安全措施保证人身安全现场工作人员应佩戴安全帽并一致着装〔工作服、绝缘鞋〕。
士 4.1.2 开始工作前要仔细检查所用工器具,合格前面可使用。
杆塔上作业人员必定使用有保护绳的双保险安全带,安全带和保护绳应分挂在杆塔不同样部位的牢固构件上,换位时不得失去安全带的保护。
开始工作前,工作负责人向全体检修人员交待工作任务、现场安全措施和周边带电线路〔部位〕,并明确分工,全体工作人员复诵无误前面可开始工作。
平行双回路线路停电检修时,工作负责人要向工作班成员指明哪一回停电,哪一回带电,并设专人监护,防范工作人员误登带电杆塔或误入带电区,工作人员应佩戴与停电线路色标一致的袖标。
工作地段如有周边、平行、交织超越及同杆塔架设线路,在需要接触或凑近导线工作时,要使用个人保安地线。
严格执行“谁安排工作,谁负责安全〞的原那么和现场勘探制度,把好作业现场安全关。
应安排熟悉设施及作业环境的人担当工作负责人,对付工作的危险点充分进行解析并拟定防范措施,传抵达每个工作班组成员。
4.2 保证设施安全每日检修工作出工前,应详细核对和检查所使用的工器具及资料齐全齐全后,方可出工。
检修人员要依照工程与标准要求,对设施的每个部位〔部件〕逐项进行仔细检查办理,保证不发生因人为原因造成设施故障。
更换导线或绝缘子等破坏零部件时,对付各连接部位详细检查,省得丢漏M 销和张口销,同时将更换设施恢复原位,保证设施安全运行。
10KV线路作业指导书1000字本文是一份10KV线路作业指导书,旨在为工作人员提供详细的操作步骤和安全注意事项,以确保作业过程中的安全和顺利。
一、前期准备1. 确认作业区域:初步了解所在地区的10KV线路分布情况,确定作业区域,特别是要注意工作人员所在的接线台。
2. 确认线路电压:确认线路电压为10KV,以保证所需的绝缘等级。
3. 准备必要的工具和装备:工具包、绝缘手套、安全带、绝缘靴、安全帽等。
4. 安排专人负责监控:在作业过程中,负责在场地周围监控和提示,遇到意外情况及时向作业人员发出警示,以保证作业人员的安全。
5. 确认气象信息:在天气不好的情况下,需要特别注意,以防降雨、强风等天气状况影响安全。
二、作业方式1. 确定作业方式:作业可以采用架桥、爬杆等方式进行。
在不同线路情况下,需要选择最适合的作业方式,以保证作业人员的安全。
2. 安全带的使用:在进行高空作业时,必须佩戴安全带,并且在作业过程中始终保持牢固位置,以避免意外情况的发生。
3. 确认电流是否断开:作业人员在进入接线台和纵向通道之前必须确认电流已经全部断开,以保证作业安全。
4. 绝缘安全措施:作业人员必须穿戴好符合绝缘标准的装备,并且在操作过程中始终保持绝缘状态,以避免触电等危险情况的发生。
5. 作业结束后的注意事项:作业结束后,必须清理好现场,回收使用过的工具,并且关闭开关,将螺栓拧紧,确保线路安全。
三、安全常识1. 防止潮气侵蚀:在进行线路安装之前,必须确认有没有潮气侵蚀现象,必要时提高设备的绝缘等级。
2. 接地的重要性:在作业过程中必须保证线路的接地良好,以及时排除不良接地引起的意外情况。
3. 确认作业人员身体状况:在选择作业人员之前,必须确认其身体状况良好,无心脏病等严重疾病。
4. 提前排除隐患:在作业之前,必须排除可能导致意外情况的隐患,如保证地勤标准、使用正规工具等。
5. 防止人造短路:在进行接线和安装设备的过程中,必须小心谨慎,避免因误操作而导致人造短路的发生。
WORD 格式整理大庄供电所 10kV 及以下架空线路施工标准化作业指导书编号: 2021-YN-18WORD 格式整理前言本标准化作业指导书由沂南县供电企业乡镇电管部提出。
本标准化作业指导书汇编起草单位:大庄供电所本标准化作业指导书起草人:邵明华、李守红、李学才、屈进步初审:祖洪忠会审:高更树刘庆涛本标准化作业指导书于2021 年 10 月 15 日首次宣布。
本标准化作业指导书委托乡镇电管部负责讲解。
WORD 格式整理一、适用范围:本指导书适用于大庄供电所 10kv 及以下农村电网升级改造工程的杆塔基础、立杆、放线、紧线等施工〔其他工程施工可参照履行〕。
二、引用标准:GB— 50173?电气装置安装工程35kV 及以下架空线路施工及查收标准?GB— 50303?建筑电气工程施工质量查收标准?DL/T —5161?电气装置安装工程质量查验及评定规程?DL— 5009.2 ?电力建设安全工作规程?〔架空电力线路局部〕Q/CSG11105.4-2021 ?国家电网工程施工工艺控制标准?山东省电力编写?供电企业现场标准化作业指导书?三、施工流程控制:1.准备阶段工作任务施工单位沂南县大庄供电所施工队负责人邵明华施工任务10kv 及以下农村电网升级改造工程工作日期2021 年 10 月 15日 2021年 2月 12日施工作业现场简图:WORD 格式整理1.3 施工准备序项目号1技术准备2人员准备资料及工3器具准备作业内容(1〕依照现场检查及图纸会审的结果,选择施工方案编写施工作业指导书和施工“四措〞,并及时到运行单位进行安全技术交底,交底内容详尽,有针对性,并形成书面记录。
(2〕选择合理的立杆方案。
主要依照线路特点沿线地形的情况、杆型、施工习惯及现有工器具装备情况进行全面解析,编出合理的施工方法、质量标准和安全技术措施。
(3〕架线段内各阻挡物清理达成,满足架线施工要求。
(4〕架线段内各超越点已办好相关超越手续,超越设施安装达成并经查收合格。
№:10KV线路架设标准化作业指导书公司名称:设备编号:编写:年月日审核:年月日批准:年月日作业负责人:作业日期年月日时至年月日时荆州供电公司1适用范围本指导书适用于荆州供电公司6-10kV线路架设工作。
2引用文件为了正确制定本作业指导书,引用了下列文件中的有关条款。
1、国家电网安监[2005]83号《国家电网公司电力安全工作规程》(电力线路部分)2、能源部-88《架空配电线路及设备运行施工规程》3、SDJ8-79《电力设备接地设计技术规程》4、SDJ206-1987 《架空配电线路设计技术规程》1文档收集于互联网,如有不妥请联系删除.3作业前的准备3.2 人员要求(根据工程情况合理安排)3.3 备品备件2文档收集于互联网,如有不妥请联系删除.3.4 工器具(根据工程情况组织工器具)3文档收集于互联网,如有不妥请联系删除.4文档收集于互联网,如有不妥请联系删除.3.5 材料表(根据现场实际组织材料)3.6 危险点分析及安全措施(作业单位应根据现场实际情况进行补充)5文档收集于互联网,如有不妥请联系删除.6文档收集于互联网,如有不妥请联系删除.7文档收集于互联网,如有不妥请联系删除.8文档收集于互联网,如有不妥请联系删除.3.7 人员分工四、架设作业流程图5.1 开工9文档收集于互联网,如有不妥请联系删除.5.2 安装内容和工艺标准10文档收集于互联网,如有不妥请联系删除.11文档收集于互联网,如有不妥请联系删除.12文档收集于互联网,如有不妥请联系删除.13文档收集于互联网,如有不妥请联系删除.5.3 竣工六、验收记录14文档收集于互联网,如有不妥请联系删除.七、作业指导书执行情况评估八、报告及记录九、附录9.1 10kV配电线路架设与各种被跨越物、弱电线路及各电压等级电力线路的交叉或接近距离的规定15文档收集于互联网,如有不妥请联系删除.9.2 10KV线路平面图:16文档收集于互联网,如有不妥请联系删除.注:1、在作业指导书中的各项栏目及空格均要根据实际情况来填写。
编号:至作 业 时 间:工作负责人: 审 核 人:一、10KV线路作业指导卡ZY/00012210003架设 10KV支线编 写 人:3页第5页第3页第5页第页第6页第3页第11页第3页第11页第4页第11页第5页第11页第5页1.7 人员分工.............一、作业前准备1.4 主要设备材料..........三、指导书执行情况评估...........1.5 主要设备材料.......... 3.1 指导书执行情况自评........1.6 现场补充危险点分析及安全控制措施..........3.2 管理单位评价......1.1 准备工作安排..........2.1 开工............... 1.2 作业现场示意图........ 2.2 作业程序............. 1.3 主要工器具............ 2.3 作业终结........... 项目部目 录一、作业前准备.............第二、作业阶段...............2、主要工器具工器具准备人:工器具回收人:_________________日期:______年_____月_ __日日期:_____年______月_____日材料准备人:_________________材料回收人:_________________3、主要设备材料4、5、6、二、作业阶段1、确定危险点及安全措施、现场补充安全措施、作业程序已进行讲解,工作班人员(签字):3、三、验收总结召开班后会,对本次作业进行总结,进行技术资料整理归档,并对本次作业安全及质量进行评价。
(见班后会记录、指导书执行情况评估、作业项目质量报告)附:执行情况自评附:管理单位评价。
10KV架空路线安装作业指导书一、概述本文档旨在提供10KV架空路线安装作业的详细指导,确保施工过程中的安全性、质量和效率。
本指导书适合于10KV电力系统的架空路线安装工作。
二、施工准备1. 施工前需进行现场勘察,确定路线的走向、杆塔位置和地形情况。
2. 确定所需材料和工具清单,并进行采购和准备。
3. 安排合适的人员和设备,确保施工队伍的规模和质量。
4. 检查施工设备和工具的完好性,确保其符合安全要求。
三、施工步骤1. 建立安全防护措施a. 搭建安全围栏,确保施工区域安全。
b. 提供必要的个人防护装备,如安全帽、安全鞋、防护眼镜等。
c. 制定施工安全规范,明确各岗位的职责和安全操作规程。
2. 安装杆塔a. 根据勘察结果和设计要求,确定杆塔的位置,并进行基础的施工。
b. 安装杆塔,确保杆塔的垂直度和稳定性。
c. 进行杆塔的接地处理,确保安全。
3. 安装导线和绝缘子a. 根据设计要求,安装导线,并进行拉线和张力测试,确保导线的合适张力。
b. 安装绝缘子,确保其正确安装和绝缘性能。
4. 安装附属设备a. 安装避雷器、刀闸、熔断器等附属设备,确保其正确安装和可靠性。
b. 进行附属设备的接地处理,确保安全。
5. 进行绝缘检测和接地测试a. 使用绝缘测试仪对导线和绝缘子进行绝缘测试,确保其绝缘性能符合要求。
b. 进行接地测试,确保接地电阻符合要求。
6. 进行验收和记录a. 对安装工作进行全面的验收,确保符合设计要求和安全标准。
b. 记录施工过程中的关键数据和问题,并及时解决。
四、安全注意事项1. 施工人员必须佩戴个人防护装备,并遵守安全操作规程。
2. 施工现场必须设置警示标志和安全围栏,确保施工区域安全。
3. 施工设备和工具必须经过检查和维护,确保其正常运行和安全性。
4. 施工过程中,严禁使用损坏的材料和设备,必要时进行更换。
5. 施工人员必须熟悉相关电力知识和操作技能,确保施工质量和安全。
五、总结本指导书详细介绍了10KV架空路线安装作业的步骤和注意事项,确保施工过程中的安全性、质量和效率。
`编制人: 班组审核人: 单位审核人:10千伏**线架设线路标准化作业流程图编写作业指导书、作业指导卡填写工作票工作任务:10千伏架空线路施工组织人员进行现场勘察材料准备工器具准备作业指导书审批;学习工作票审核展放导线班前会,人员分工工作 票开工组装金具横担、绝缘子、拉线立杆,做施工段临时拉线指挥吊车就位 运杆车和放线车到位做好停电验电安装接地线及其它现场安全措施将导线放入横担滑车内紧线、调整弛度 现场工作实施工作票结束,整理资料绑扎固定导线,接引流线完 工定位、挖坑拆除临时拉线,工作完毕,检查有无遗留物拆除接地线及其它安全措施清理现场编号: 01250003 10kV河西线电源接引作业指导书编写:年月日审核:年月日批准:年月日工作负责人:作业日期2012年02月11日09时00分至2012年02月11日11时30分扎兰屯岭东电力建设有限责任公司1、范围本指导书适用于扎兰屯岭东电力建设有限责任公司电源接引作业。
2、引用文件2.1国家电网公司《电力安全工作规程(电力线路部分)》2.2GB50173-1992 《电气装置安装工程35kV及以下架空电力线路施工及验收规范》2.3内蒙古东部电力有限公司《架空配电线路安装检修规程》2.4内蒙古东部电力有限公司《中低压配电网建设与技术改造原则意见》3、人员分工排序号内容负责人工作人员签字1 准备工器具、材料和运输材料2 布置现场安全措施34 杆塔上滑车、挂置紧线工器具5 固定拉线6 看守线轴,放线紧线7 绑扎导线架线紧线,固定导线8 自检验收9 拆除安全措施10 办理工作终结手续11 召开班后会12 资料存档4、材料排序号名称规格单位数量责任人1 电杆12 根 42 横担根73 高压立瓶个194 头铁根75 抱箍190 付 26 螺丝根7 螺丝根8 垫片片910 绑线盘11 导线米18012 213 拉线棒根 214 拉线盘块 215 拉线预绞丝套 216 耐张线夹个 617 125、工器具排序号名称规格单位数量责任人1 吊车台 12 钢丝吊绳个 23 运杆车台 14 脚扣付105 安全带付106 大剪子把 27 高压接地线组 28 传递绳根109 110 紧线器套11 放线滑车个912 安全围栏套 113 对讲机个 414 导线网套连接器个15 导线牵引绳套个166、风险分析及防范措施排序号辨识项目危险因素防范及控制措施责任人1 触电伤害和误登带电杆塔人和绳索等工具与线路安全距离不足导致触电。
10kV线路检修作业指导书1 适用范围本作业指导书适用于10kV高压架空线路的检修、清扫和更换。
由负责高压线路的专业维护人员完成。
本公司高压线路的专业维护人员应按照本作业指导书进行检修作业。
2 作业管理2.1 质量控制2.1.1 10kV线路检修作业质量控制由上到下划分为公司、设备部、作业组三级,每一级均有相应的质量员和HSE监督员。
2.1.2 10kV线路检修作业应按电气分公司统一的检修计划统筹进行。
2.1.3 10kV线路检修作业开始前,检修班组应通知工区负责人、公司负责人和HSE负责人。
2.1.4 10kV线路检修作业开始后,公司质量负责人、设备部质量员及作业组质量员应随时到场检查作业情况。
2.1.5 10kV线路检修作业完成后,由班组质量员汇同作业组长及作业组质量员进行完工检查,然后通知工区负责人汇同公司安全、生产、技术岗位负责人到检修现场进行质量验收。
2.2 HSE事项2.2.1 10kV线路检修作业前应开第一种工作票、JHA分析单,由班长指定HSE监护人。
2.2.2 作业人员必须穿戴好工作服、安全帽、绝缘劳保鞋和安全带等劳动保护用品,必要时佩戴口罩、纱手套。
2.2.3 经过倒闸作业后,检修作业段应已安全停电并经测试无电压。
2.2.4 作业段与其它变电所或备用电源的联络线,其刀闸侧已完全断开并挂有“禁止合闸,有人工作”警示牌,经测试无电压。
2.2.5 检修作业段现场应可靠装设接地线。
2.2.6 作业班长或班组HSE监督员应到现场监督落实工作票上所列的安全措施完备可靠及人员作业活动符合HSE管理规定。
2.2.7 检修作业开始前,应由作业负责人在现场组织全体作业人员列队,宣讲工作任务、人员分工、作业范围、HSE注意事项和质量要求。
2.2.8 检修作业前应按《工具登记表》登记作业工具,检修作业完成后按表检查有无遗漏的工具。
2.2.9 10kV线路作业在野外作业,应注意交通安全,电杆周围防护区内很多树、竹以及杂草,应注意个人防护。
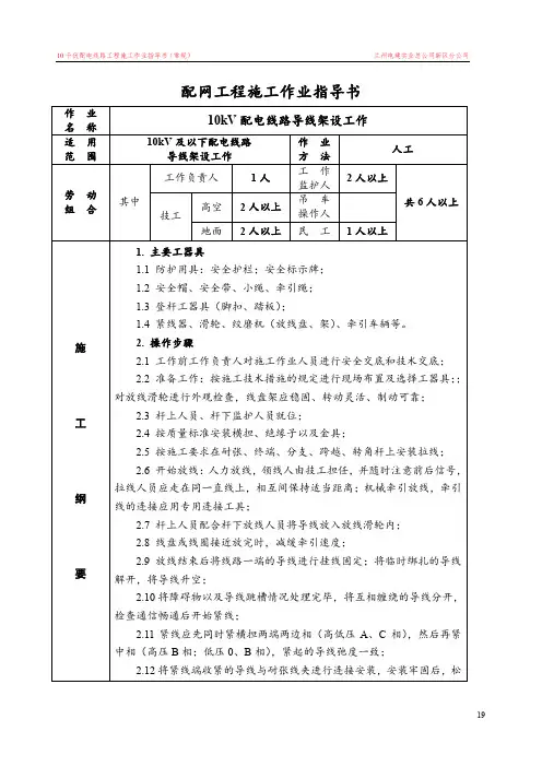
配网工程施工作业指导书作业名称10kV配电线路导线架设工作适用范围10kV及以下配电线路导线架设工作作业方法人工劳动组合其中工作负责人1人工作监护人2人以上共6人以上技工高空2人以上吊车操作人地面2人以上民工1人以上施工纲要1. 主要工器具1.1 防护用具:安全护栏;安全标示牌;1.2 安全帽、安全带、小绳、牵引绳;1.3 登杆工器具(脚扣、踏板);1.4 紧线器、滑轮、绞磨机(放线盘、架)、牵引车辆等。
2. 操作步骤2.1 工作前工作负责人对施工作业人员进行安全交底和技术交底;2.2 准备工作:按施工技术措施的规定进行现场布置及选择工器具;;对放线滑轮进行外观检查,线盘架应稳固、转动灵活、制动可靠;2.3 杆上人员、杆下监护人员就位;2.4 按质量标准安装横担、绝缘子以及金具;2.5 按施工要求在耐张、终端、分支、跨越、转角杆上安装拉线;2.6 开始放线:人力放线,领线人由技工担任,并随时注意前后信号,拉线人员应走在同一直线上,相互间保持适当距离;机械牵引放线,牵引线的连接应用专用连接工具;2.7 杆上人员配合杆下放线人员将导线放入放线滑轮内;2.8 线盘或线圈接近放完时,减缓牵引速度;2.9 放线结束后将线路一端的导线进行挂线固定;将临时绑扎的导线解开,将导线升空;2.10将障碍物以及导线跳槽情况处理完毕,将互相缠绕的导线分开,检查通信畅通后开始紧线;2.11紧线应先同时紧横担两端两边相(高低压A、C相),然后再紧中相(高压B相;低压0、B相),紧起的导线弛度一致;2.12将紧线端收紧的导线与耐张线夹进行连接安装,安装牢固后,松配网工程施工作业指导书施工纲要开紧线器;2.13紧线工作结束后将导线在绝缘子上绑扎固定。
3. 技术标准3.1横担的安装应平直,上下歪斜或左右(前后)扭斜的最大偏差应不大于横担长度的1/100。
单横担在电杆上的安装位置一般在线路编号的大号侧(受电侧),承力杆单横担装在张力的反侧。
10kV线路导线架设作业指导卡单位:XX供电所编号:各县公司自定编写人(作业负责人):审批人:工作任务:XXX变电站XXX线路XX号----XX号杆导线架设一、作业前准备1、现场勘察序号勘察项目勘察内容√备注1 作业电气条件停电范围:填写具体停电线路的双重名称及起止杆号保留带电具体位置:视情况具体填写2 电压等级10kV (√)400V()220V()3 作业环境邻近带电设备(√)穿越电力线路()跨越电力线路 (√) 跨越弱电线路()多回同杆 (√ )具体位置:填写跨越、同杆架设的起止杆号4 地域环境交通道路或人口密集区(√)起伏山地()泥洼地带(√)沿墙敷设()跨越公路(√)跨越铁路()跨越河流(√)临近地下管线()运输(途中)道路障碍(√)具体位置:填写具体跨越的公路名称5 勘察情况简析及应采取的措施防触电、高空坠落、高空坠物、倒断杆、机械伤害、跑线伤人、物体打击、交通伤害。
采取的措施:1、停电、验电、工作地段两端装设接地线;2、登高前检查杆跟、杆身、拉线,全程使用安全带;3、使用绳索上下传递物品;4、使用合格的紧线、起重工器具;5、交通要道施工设置双向警示牌;6、注意吊物移动以上勘察项目于年月日勘察完毕。
主要勘察人员(签字):2、人员分工序号分工项目工作班人员√备注1 导线架设视工作量填写3、工器具准备工器具准备人:作业安排人 XXXX年 XX月XX日工器具收回人:安全员 XXXX年XX月XX日序号工器具名称规格单位准备数量实领数量回收数量√备注(领用审核人)1 铁锹根据工器具填写把根据工作量及人数填写根据工作量及人数填写根据工作量及人数填写2 吊车辆\套3 放线车辆4 放线架套5 紧线工器具辆6 各种绳索条7 大锤把8 钢钎支9 压接钳把10 液压钳把11 大剪把12 剥线钳把13 个人手持工具套14 脚扣付15 安全带条16 信号发生器支17 梯子架18 验电器支19 接地线组20 标识牌块21 围网、栏警示套带22 个人保安线组23 绝缘手套付24 拉闸杆付25 绝缘鞋双26 安全帽顶27 双向警示牌块4、材料准备材料准备人:年月日材料回收人:年月日序号材料名称规格单位准备数量实领数量回收数量备注√确认“作业前准备”1-4项已完成,工作负责人(签字):XXX 二、作业程序及危险点控制措施计划工作时间:XXXX年 XX月XX日XX时XX分至XXXX年 XX月XX日XX时XX分1、开工序号开工内容要求项目√备注1检查安全措施是否与工作票相符,是否符合现场实际,并履行许可手续;2召开班前会:宣读工作票、措施票、指导书,交待工作任务、危险点、安全措施及工作流程;3交待人员分工、履行确认手续;确定以下2-4项危险点及安全措施、现场补充安全措施、关键作业步骤已进行讲解。
于2个;双螺母可平扣。
c.用水泥砂浆将杆顶端严密封堵。
绳。
然后,校整好杆身垂直度及横担方向(纵向可用经纬仪,横向可双杆中心与中心桩之间的横向位移不应超过;根开不应超过±30mm;两杆高低差不应超过****工程公司作业指导书卡盘安装应符合下列要求:卡盘上口距地面不应小于350mm10KV及以下电力线路架设基坑挖出的土应甩离坑边施工时,坑四周应用土围堆,防止雨水流入。
A、拉线棒与接线盘连接后,其圆环开口处应用铅丝缠绕或焊接;当拉线棒与拉线盘的连接使用螺杆时,应垫方形垫圈,并用双螺母固定。
10KV及以下电力线路架设、进行拉线中、底把连接。
可使用紧线器拉紧拉线,并使终端杆及转角杆向拉线侧倾斜,应保证使紧线后的终端杆及转角杆向拉线侧的倾承力杆垂直度允许偏差长度;缠绕时要认真,并用力均匀,使铅丝不回弹;制作扣鼻圈要方一般放线有两种方法:一种方法是将导线沿电杆根部放开后,再将导线吊上电杆;另一种方法是在横担上装好开口滑轮,一边放线一边逐档将、导线接头位置与导线固定处的距离应大于应符合施工规范规定.****工程公司作业指导书导线与地面的距离及交叉跨越要求6.5人行道树之间的距离不应小于表标题:10KV及以下电力线路架设、铜、铝导线的连接应使用铜铝过渡线夹,或有可靠的过渡措施。
以下1010KV及以下电力线路架设分别与灯头线,熔断器进行连接。
将接头用橡胶布和黑胶带半幅重叠各包扎一层。
然后,将导线的另一端拉紧,并与路灯干线背扣后进行及以下电力线路架设C、放电缆机具的安装:采用机械放电缆时,应将机械选好适当位置安10KV及以下电力线路架设、电缆最小弯曲半径和检验方法应符合表电缆最小弯曲半径和检验方法及以下电力线路架设锯钢带时必须在第一道卡子向上处,在铅包上用电工刀刻一环形深痕,其深度不得超过铅包厚度的二分之一,然后用剥铅刀在电缆的末端至环标题:10KV及以下电力线路架设(切时不可伤坏线芯)蘸汽油擦去污物,再用去用的缩经油压接线钳压牢。