附加箍筋与吊筋承受集中荷载承载力限值表
- 格式:pdf
- 大小:84.36 KB
- 文档页数:1
附加箍筋及吊筋的设置原则及计算混凝土规范(2010)9.2.11条:位于梁下部或梁截面高度范围内的集中荷载,应全部由附加横向钢筋(箍筋、吊筋)承担,附加横向钢筋宜采用箍筋。
箍筋应布置在长度为s的范围内,此处,s=2h1+3b(图10.2.13)。
当采用吊筋时,其弯起段应伸至梁上边缘,且末端水平段长度不应小于本规范第9.2.7条的规定。
次梁和主梁相交时,附加箍筋在主梁两侧都加;当附加箍筋不够时,才加附加吊筋。
主梁KL1收到次梁KL2传来的剪力为117+97=214KN;
附加箍筋主梁两侧各3根一级8的钢筋,即6根一级8的钢筋,双肢箍,可承受的附加剪力为210*6*2*50.3=126.756KN
则还需配置附加吊筋,其吊筋的抗力应该大于等于214-126.76=87.24KN。
混凝土强度设计值(N/mm2)
纵向受力钢筋混凝土保护层最小厚度(mm)
现浇钢筋混凝土房屋适用最大高度(m)
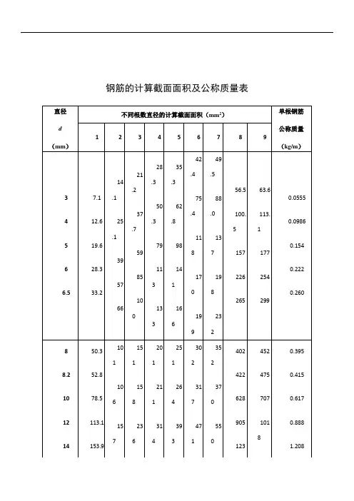
钢筋的计算截面面积及公称质量表
每米板宽内的钢筋截面面积表
梁内钢筋排成一排时的钢筋最多根数
梁受集中荷载时的附加箍筋
每根附加吊筋承受集中荷载能力
梁受集中荷载时的附加吊筋
每米箍筋实配面积
钢筋混凝土结构构件中纵向受力钢筋的最小配筋百分率(%)
框架柱全部纵向受力钢筋最小配筋百分率(%)
框架梁纵向受拉钢筋的最小配筋白分率(%)
柱箍筋加密区的箍筋最小配箍特征值λν(ρν=λνf c/f w)
框架柱每侧纵向受力钢筋最大根数
纵向受拉钢筋的最小锚固长度
300~450宽框架梁受扭钢筋配筋方法
框架柱、框架梁加密区箍筋间距及直径
估算板厚度h/l
估算梁截面(高跨比h/l)
粱的最大高跨比l0/h值
框架柱的界面形式一般采用矩形、方形、圆形或多边形等。
截面宽度和高度:
非抗震设计时均不宜小于250mm,抗震设计时均不宜小于300mm;
圆柱截面直径及多边形截面的内切圆直径不宜小于350mm;
错层处框架柱的截面高度不小于600mm。
截面高度与宽度的比值不宜大于3。
框架柱的截面宜满足L0/bc≤30;L0/hc≤25;
(L0为柱的计算长度;bc, hc分别为柱截面宽度和高度)。
框架柱的剪跨比宜大于2。
地震作用下弹性层间位移角的限值
受弯构件允许挠度
伸缩缝的最大间距(m)
A级高度高层建筑高宽比的限值
墙体自重表
非法定计量单位与法定计量单位换算关系。
钢筋的计算截面面积及理论质量
梁纵向钢筋单排最大根数? (净保护层厚度:25mm)
注:表内分数值,其分子为梁上部纵筋单排最大根数,分母为梁下部钢筋单排最大根数。
梁纵向钢筋单排最大根数? (净保护层厚度:30mm)
注:表内分数值,其分子为梁上部纵筋单排最大根数,分母为梁下部钢筋单排最大根数。
柱纵向钢筋单排最大根数? (净保护层厚度:30mm)
柱纵向钢筋单排最大根数? (净保护层厚度:35mm)
每米板宽内的钢筋截面面积表
附加箍筋承受集中荷载承载力表
附加箍筋承受集中荷载承载力表[F] (kN)
附加吊筋承受集中荷载承载力表
附加吊筋承受集中荷载承载力表[F] (kN)。
框架柱、框架梁加密区箍筋间距及直径
纵向受拉钢筋的最小锚固长度
每侧3根附加箍筋承受集中荷载能力
每根附加吊筋承受集中荷载能力
每米箍筋实配面积(100mm2)
估算梁截面(高跨比h/l)
估算板厚度h/l
受弯构件允许挠度
伸缩缝的最大间距(m)
梁内钢筋排成一排时的钢筋最多根数
框架梁纵向受拉钢筋的最小配筋白分率(%)
框架柱全部纵向受力钢筋最小配筋百分率(%)
框架柱每侧纵向受力钢筋最大根数
抗震框架梁非加密区构造配箍
纵向受力钢筋混凝土保护层最小厚度(mm)
钢筋混凝土结构构件中纵向受力钢筋的最小配筋百分率(%)
混凝土强度设计值(N/mm2)
柱箍筋加密区的箍筋最小配箍特征值λν(ρν=λνf
/f w)
c
地震作用下弹性层间位移角的限值。
新规范构造配筋表
混凝⼟强度设计值(N/mm2)
纵向受⼒钢筋混凝⼟保护层最⼩厚度(mm)
现浇钢筋混凝⼟房屋适⽤最⼤⾼度(m)
钢筋的计算截⾯⾯积及公称质量表
每⽶板宽内的钢筋截⾯⾯积表
梁内钢筋排成⼀排时的钢筋最多根数
梁受集中荷载时的附加箍筋
每根附加吊筋承受集中荷载能⼒
梁受集中荷载时的附加吊筋
每⽶箍筋实配⾯积
钢筋混凝⼟结构构件中纵向受⼒钢筋的最⼩配筋百分率(%)
框架柱全部纵向受⼒钢筋最⼩配筋百分率(%)
框架梁纵向受拉钢筋的最⼩配筋⽩分率(%)
柱箍筋加密区的箍筋最⼩配箍特征值λν(ρν=λνf c/f w)
框架柱每侧纵向受⼒钢筋最⼤根数
纵向受拉钢筋的最⼩锚固长度
300~450宽框架梁受扭钢筋配筋⽅法
框架柱、框架梁加密区箍筋间距及直径
估算板厚度h/l
估算梁截⾯(⾼跨⽐h/l)
粱的最⼤⾼跨⽐l0/h值
框架柱的界⾯形式⼀般采⽤矩形、⽅形、圆形或多边形等。
截⾯宽度和⾼度:
⾮抗震设计时均不宜⼩于250mm,抗震设计时均不宜⼩于300mm;
圆柱截⾯直径及多边形截⾯的内切圆直径不宜⼩于350mm;
错层处框架柱的截⾯⾼度不⼩于600mm。
截⾯⾼度与宽度的⽐值不宜⼤于3。
框架柱的截⾯宜满⾜L0/bc≤30;L0/hc≤25;
(L0为柱的计算长度;bc, hc分别为柱截⾯宽度和⾼度)。
框架柱的剪跨⽐宜⼤于2。
地震作⽤下弹性层间位移⾓的限值
受弯构件允许挠度
伸缩缝的最⼤间距(m)
A级⾼度⾼层建筑⾼宽⽐的限值
墙体⾃重表。
钢筋的计算截面面积及公称质量表每米板宽内的钢筋截面面积表26599683035110 120 125 130 140 150114105101979841451331271221141061781641571511401312572362262172021884574194023873593357146546286045615241028942905870808754139912831232118411001026182816761608154714361340231321212036195718181696285626182513241722442094345631683041292427152534446240913927377635063272160 170 175 180 190 2007974727699949188812311511210911771661621571314296287279249146244943641707665646628599629068885581125711831149111710159014971454141413196318481795174516237622362172211220306828872805272725净保护层厚度(mm):25303540梁纵向钢筋单排最大根数(净保护层厚度:25mm)注:表内分数值,其分子为梁上部纵筋单排最大根数,分母为梁下部钢筋单排最大根数。
梁纵向钢筋单排最大根数(净保护层厚度:30mm)梁纵向钢筋单排最大根数(净保护层厚度35mm)梁纵向钢筋单排最大根数(净保护层厚度40mm)净保护层厚度(mm):30354050柱纵向钢筋单排最大根数(净保护层厚度:30mm)柱纵向钢筋单排最大根数(净保护层厚度:35mm)柱纵向钢筋单排最大根数(净保护层厚度40mm)柱纵向钢筋单排最大根数(净保护层厚度50mm)。
附加箍筋及吊筋的设置原则及计算混凝土规范(2010)9.2.11条:位于梁下部或梁截面高度范围内的集中荷载,应全部由附加横向钢筋(箍筋、吊筋)承担,附加横向钢筋宜采用箍筋。
箍筋应布置在长度为s的范围内,此处,s=2h1+3b(图10.2.13)。
当采用吊筋时,其弯起段应伸至梁上边缘,且末端水平段长度不应小于本规范第9.2.7条的规定。
次梁和主梁相交时,附加箍筋在主梁两侧都加;当附加箍筋不够时,才加附加吊筋。
主梁KL1收到次梁KL2传来的剪力为117+97=214KN;
附加箍筋主梁两侧各3根一级8的钢筋,即6根一级8的钢筋,双肢箍,可承受的附加剪力为210*6*2*50.3=126.756KN
则还需配置附加吊筋,其吊筋的抗力应该大于等于214-126.76=87.24KN。
附加箍筋及吊筋的设置原则及计算
附加箍筋及吊筋的设置原则及计算混凝土规范(2010)9.2.11条:位于梁下部或梁截面高度范围内的集中荷载,应全部由附加横向钢筋(箍筋、吊筋)承担,附加横向钢筋宜采用箍筋。
箍筋应布置在长度为s的范围内,此处,s=2h1+3b(图10.2.13)。
当采用吊筋时,其弯起段应伸至梁上边缘,且末端水平段长度不应小于本规范第9.2.7条的规定。
次梁和主梁相交时,附加箍筋在主梁两侧都加;当附加箍筋不够时,才加附加吊筋。
主梁KL1收到次梁KL2传来的剪力为117+97=214KN;
附加箍筋主梁两侧各3根一级8的钢筋,即6根一级8的钢筋,双肢箍,可承受的附加剪力为210*6*2*50.3=126.756KN 则还需配置附加吊筋,其吊筋的抗力应该大于等于214-126.76=87.24KN。
附加箍筋及吊筋的设置原则及计算混凝土规范(2010)9.2.11条:位于梁下部或梁截面高度范围内的集中荷载,应全部由附加横向钢筋(箍筋、吊筋)承担,附加横向钢筋宜采用箍筋。
箍筋应布置在长度为s的范围内,此处,s=2h1+3b(图10.2.13)。
当采用吊筋时,其弯起段应伸至梁上边缘,且末端水平段长度不应小于本规范第9.2.7条的规定。
次梁和主梁相交时,附加箍筋在主梁两侧都加;当附加箍筋不够时,才加附加吊筋。
主梁KL1收到次梁KL2传来的剪力为117+97=214KN;
附加箍筋主梁两侧各3根一级8的钢筋,即6根一级8的钢筋,双肢箍,可承受的附加剪力为210*6*2*50.3=126.756KN
则还需配置附加吊筋,其吊筋的抗力应该大于等于214-126.76=87.24KN。
对于梁上起柱因为是属于直接加载,并不会出现所谓"拉脱"效应,因为柱子的轴力是通过混凝土直接传给整根梁的,并不会在梁的截面高度范围和梁底产生集中力,所以就不会出现一般的主次梁交接处的那种情况的斜裂缝,因此梁上起柱不应该附加横向箍筋或者吊筋.这个也是没有任何意义的,还有次梁放在主梁上的也不应该附加横向箍筋或者吊筋的,个人观点,欢迎大家谈谈自己的观点.GB50010-2002中第10.2.13中所加的附加钢筋并不是集中荷载作用在受拉区才设的.而是作用在梁高范围之内时就要设置附加钢筋.附加钢筋的作用是为了防止拉脱,提高界面的抗剪承载力,框架梁上起柱所形成的集中荷载怎么可能会理论性的就在混凝土受压区耗散掉了,力的作用肯定会向下影响直至梁底,所以即使计算没问题,还是有必要增加附加钢筋的吧。
根据钢筋混凝土梁的受剪机理,集中荷载作用在梁上部和在梁中下部(受拉区)是有很大区别的。
为了保证梁剪力传递机构(桁架、拱作用),当力作用在梁下和中下部时,要设置附加钢筋以保证剪力机构的实现,或说,要用附加钢筋将力从梁受拉区传到梁受压区应力是会安扩散角向下传递的,在主梁中会产生斜拉应力,结果是:主梁会产生斜拉破坏。
因此,必须设置附加横向钢筋,防止斜拉破坏。
梁上托柱,力的作用点是在梁的上部,其剪力可以由梁的整个截面来承担,此时梁长方向的剪应力变化是均匀的,所以在此位置不用另外增加箍筋或吊筋斜拉破坏应该通过箍筋来防止,而不是附加箍筋或吊筋,不同的钢筋应该起到不同的作用,不能混为一谈,箍筋是用来抵抗剪力的,而附加箍筋和吊筋只是起到一个传力的作用,不能作为抵抗剪力的钢筋考虑。
如果有人说梁上的集中力过大的时候会产生斜拉破坏,我想,作为梁来说,线刚度应该是比较小的,绝大多数情况下,梁的破坏形式应该是弯曲破坏,而不是斜拉斜压或者是剪压,在斜截面产生破坏前,正截面早坏了。
集中力产生的剪力应该通过加粗箍筋直径或者加密箍筋间距来抵抗,而且这种剪力是沿梁全长分布的,不是局部的附加箍筋或吊筋能够抵抗的。