项目承包范围划分一览表
- 格式:docx
- 大小:17.66 KB
- 文档页数:4
承包范围包括:1、地基基础工程:含基坑、承台土石方挖运与回填、垫层、砖胎膜、承台、地梁、底板等施工内容;2、主体工程(1)地下结构及主体结构工程(包括钢筋砼结构、全部砌体结构工程);(2)屋面工程;(3)防水工程(含地下室、墙面、屋面、室内等部位的防水);(4)室内普通装修工程(不含南区半地下夹层、地上1-6层室内部分及连廊;不含北区地上1-4层核心筒外各功能空间及核心筒内电梯厅(合用前室)以及连廊装修);(5)门窗工程(不含精装修区域内门窗);(6)其它①外墙面抹灰及防水、孔洞封堵;②所有楼梯间一楼地坪以下部分、北区LT1、LT2、LT5、LT6楼梯间一楼地坪以上部分及出屋面楼梯的土建工程及装饰装修;③精装修区域的楼(地)面结构层、找平层、防水层、保护层、墙面抹灰层、防水层;④全部防火门、防火卷帘、防盗门、保温门的采购及安装。
⑤全部采光井、风道、烟道、管道井、设备井的砌筑、勾缝、抹灰、粉刷、贴面(如有)以及设备基础等的施工。
⑥所有专业工程的预留、预埋、管道井及墙(板)的开孔及孔洞封堵;精装修区域内的预留预埋需经招标人、设计人、监理人三方确认后方可实施。
3、幕墙工程(含石材幕墙、玻璃幕墙、陶板幕墙、铝板幕墙及其它外立面装饰、天棚、雨棚、防雷接地、所有外立面门窗、幕墙工程埋件预埋、所有连接件、紧固件、配套五金件以及与屋面、地面、外门窗的封边收口、塞缝、幕墙与主体防火封堵等);4、给排水工程(不含:精装修区域内卫生洁具的采购与安装);5、电气工程(包括从配电房低压柜出线端后所有供电干线包含柜内接线、电气动力、电气照明、配电箱、插接箱、备用和不间断电源系统的采购及安装、建筑物防雷及接地工程、室外电气及景观照明工程、人防电气工程等;不含用于精装修区域的照明配电箱1~6SALa、0~5SALb、1~4NALa(b)的供货,但含安装;不含1~6SALa、0~5SALb、1~4NALa(b)配电箱出线端后所有配电线路、照明配电箱等的供货及安装。
勘察、设计、监理、施工等有关资质等级及承包工程范围(摘录)(2000年1月10日国务院第25次常务会议通过2000年1月30日中华人民共和国国务院令第279号公布自公布之日起施行)一、工程勘察单位资质及承担任务范围:工程勘察单位资质分为综合类和专业类。
专业类资质等级等能分为甲、乙、丙三级。
各级别勘察单位承担业务范围如下:(一)综合类工程勘察单位承担工程勘察业务范围和地区不受限制。
(二)专业类甲级工程勘察单位承担本专业工程勘察业务范围和地区不受限制。
(三)专业类乙级工程勘察单位承担本专业工程勘察中、小型工程项目(工程勘察中、小型工程项目见附表2),承担工程勘察业力的地区不受限制。
(四)专业类丙级工程勘察单位承担本专业工程勘察小型工程项工程(勘察小型工程项目见附表3),承担工程勘察业务限定在省、自治区、直辖市所辖行政区范围内。
附表1 工程勘察甲级工程项目划分表附表2 工程勘察乙级工程项目划分表附表3 工程勘察丙级工程项目划分表二、建筑工程设计单位资质等级及承担任务范围:根据民用建筑的类型和特征等因素将民用建筑分为特、一、二、三级四个等级,划分工程等级的类型及特征详见附表4,建筑及构筑物的等级分类和特征在各级别资质承担任务范围中表述。
各级别设计单位承担任务范围如下:(一)、甲级承担建筑工程设计项目的范围绕不受限制。
(二)、乙级1、民用建筑:承担工程等级为二级及以下的民用建筑设计项目。
2、工业建筑:跨度不超过30米、吊车吨位不超过30吨的单层厂房和仓库,跨度不超过12米、6层及以下的多层厂房和仓库。
3、构筑物:高度低于45米的烟囱,容量小于100立方米的水塔,容量小于2000立方米的水池,直径小于12米或边长小于9米的料仓。
(三)、丙级1、民用建筑:承担工程等级为三级的民用建筑设计项目。
2、工业建筑:跨度不超过24米、吊车吨位不超过10吨的单层厂房和仓库,跨度不超过6米、楼盖无动荷载的3层及以下的多层厂房和仓库。
目录第十一章承包人自行施工范围内的分包计划 (2)第一节分包项目 (2)第二节分包计划 (2)第三节对分包人的管理计划及程序 (2)一. 对各专业分包人提供的主要服务承诺 (2)二. 对分包人的计划管理 (3)三. 对分承包人的质量验收管理 (3)四. 对分承包人的技术资料管理 (5)五. 对分包的物资采购管理 (5)六. 安全管理程序 (6)七. 对分包的环境保护管理 (6)八. 对主要专业分包人及相互之间的协调管理 (7)第四节对专项供应商的管理计划 (8)第十一章承包人自行施工范围内的分包计划第一节分包项目对于本招标工程,承包人自行施工的工程范围:图纸范围内除暂估价的专业分包工程以外的基础、设备基础、钢结构、装修、维护结构、电气、给排水、暖通的全部建筑安装工程(不包含绿化工程)。
暂估价的专业分包工程:消防工程、电梯工程、变配电工程。
承包人自行施工范围内的分包本项目考虑如下:劳务分包;防水工程。
以上分包项目,我们将选用我公司专业分公司、材料供应商及和我公司长期合作信誉良好的成建制劳务施工队伍参与本工程的施工,以确保劳动力的素质、数量及按期组织到位;另外,我公司将选择信誉良好的若干支专业劳务队伍参与本工程各专业工程的施工,包括机电安装工程队、屋面工程队及装饰、装修工程队等。
第二节分包计划分包项目进出场时间一览表第三节对分包人的管理计划及程序我方将以总包的高度、姿态和意识,既要严格管理控制分包,又要帮助协助好分包,使总分包形成一个有机的工程实施实体,从而实现工程的综合目标。
一. 对各专业分包人提供的主要服务承诺我方将严格履行总承包商责任、权力和义务,为各专业承包人提供优质、高效的措施服务,保证工程关键工序和关键线路,在保证质量的前提下,保证总体工期。
主要内容包括:1、提供现场已有的脚手架、操作平台;2、提供现场已有的垂直运输机械设备并合理分配使用时间。
3、合理分配和提供现场堆场、道路,提供工作空间包括提供工地上的通道,并尽可能提供施工场地;4、提供各专业承包人临时办公及库房场地;5、在施工现场提供所有分包的照明及需要的电源;6、在施工现场提供足够的水源;7、清运现场指定位置的垃圾;8、提供工程外脚手架安全防护和公共走道安全防护,防护标准符合国家规定。
项目组织机构及职责划分一、项目组织机构设置根据工程特点,按照项目法施工组织原则,成立“工程项目经理部”,全权代表公司履行与业主签订的施工承包合同,承担合同规定的各项义务,行使合同规定的各项权利,负责工程的各项指挥、协调和管理工作,对工程质量、进度、安全、成本等各项管理目标负责。
公司领导及劳动人事部、工程管理部、机械物资部、工程试验中心等部门将给予项目经理部全方位的支持,保证项目经理部各项工作的正常运转。
公司选派承担过类似工程、具有丰富管理经验和良好职业道德的项目经理担任工程项目经理,另外还将安排业务水平高、工作能力强的管理干部担任工程的生产副经理、安全副经理和总工程师,项目经理、项目副经理和总工程师组成项目经理部决策层。
项目经理部下设施工技术部、安全质量监察部、机械物资管理部、财务会计部、工程协调部和综合办公室等职能部门组成项目管理层,对工程物资机械、施工技术、安全质量、现场协调、文明施工和环境保护、成本核算、后勤保障等工作进行日常管理。
详见附图“项目经理部组织机构图”。
二、公司本部与项目经理部关系公司本部按照合同要求和投标承诺,对项目经理部各项工作开展情况进行全过程监督考核,必要时调动全公司人力、物力和财力,确保合同要求和投标承诺的全面兑现。
公司本部工程管理部、安质部、机械物资部、财会部等职能部门对项目经理部提供全方位支持,各部门和项目经理部关系以服务为主,监督为辅。
项目经理身份是公司法人代表在项目的代理人,是实现工期、质量、安全、文明施工各项目标的责任人,也是对接社会、服务业主的岗位责任人。
公司本部授权项目经理对工程及与工程有关的事宜进行管理,包括对人财物的支配调动权和奖罚权。
项目经理代表公司全面履行合同要求和投标承诺,对工程的一切施工活动全面负责,直接对业主、监理公司和设计单位负责,确保各项管理目标的实现。
三、机构设置特点专业化程度高,专业配备齐全。
根据工程特点配备了各专业工程师、施工员、专职预算工程师、专职测量工程师、专职质检工程师、专职安全工程师等。
表3专业分包工程与总包合同界面划分一览表
础底至室外设计地坪取中塔建筑正负零以下
300mm ); 2、总包负责塔 吊
、外用提升机等设备涉及到的土方、防水、破除等工作; 3、总包在工 程后期,需服从甲方、监理的要求,配合市政、景观施工单位及时进行 必要的临建拆除及房
屋基础、塔吊、外用电梯等基础的破除、清理、硬 化地面破碎及清理工作; 4、总包负责施
工找坡层、顶板防水、保护层
3 园林绿化工程 园林景观(包括种植屋面)的深
化设计、施工
备等的订货、运输、安装、调试
7 夜景照明总包负责预留预埋;
、验收及售后服务
包完成,接口部分由总包封堵做好标记,并通过测试验收后移交给市政
THANKS !!!
致力为企业和个人提供合同协议,策划案计划书,学习课件等等
打造全网一站式需求
欢迎您的下载,资料仅供参考。
机电工程承包范围(强电)电气系统承包范围:按施工图设计纸(包括技术规格书)及相关规范、要求所示,主要包括但不限于如下内容:一、动力配电系统及自动控制1、低压配电系统采用~的方式供电。
主要设备有:冷冻机组、冷冻泵、冷却泵、生活泵、中水泵、锅炉房、厨房、电梯、风机、空调机、污水泵、照明等。
变配电所的低压柜出线端起至各用电终端的配电柜、预埋管、控制箱、电缆、电线、管、桥架、线槽、母线设备等的安装及调试(含到末端的主回路及控制回路的安装);随设备自带的控制柜(箱)以及控制柜(箱)引至用电负载的线缆、桥架、线槽等的安装及配合调试。
2、发电机电源出线端至低压双电源进线的低压电缆或母线槽的安装(包括母线槽终端、桥架等)及配合调试,其中消防控制室、消防水泵、消防电梯、防排烟风机应急照明、电话机房、计算机房、冷库制冷机的双电源在末端配电箱处自动切换。
生活水泵、排水泵、客梯、餐厅、等双电源供电在低压配电室低压柜集中切换。
二、照明系统。
1、地下一层、二层从低压柜出线端起各功能区的配电箱止,导线的敷设、管线的预埋、桥架安装、灯具、开关的安装接线。
精装修区域内的机电用房、管井及吊顶内的设备维修照明。
配电箱安装到精装修图纸所标识的位置,不包括灯具、插座和开关安装。
2、地上部分,从低压柜出线端起各功能区的配电箱止,导线的敷设、管道的预埋、桥架的安装,灯具、插座和开关的安装接线。
精装修区域内的机电用房、管井及吊顶内的设备维修照明。
配电箱安装到精装修图纸所标识的位置,不包括灯具、插座和开关安装。
3、应急照明从低压柜出线端起各功能区的配电箱止,各功能区所有应急照明配电箱的安装、导线的敷设、管道的预埋、灯具的接线。
4、室外泛光照明从低压配电柜出线端至泛光照明的配电箱止(含配电箱)的电缆、电线、管槽、桥架等安装及调试。
5、室外园林、景观和道路照明从低压配电柜出线端至室外配电箱止(含配电箱)的电缆、电线、管槽、桥架等安装及调试。
三、防雷接地,接地及安全:1、总等电位连接、局部等电位连接、防雷及接地由强电总包完成。
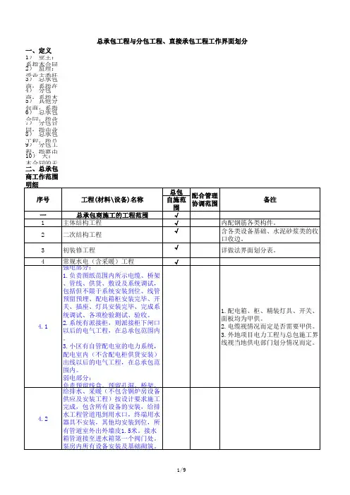
总承包工程与分包工程、直接承包工程工作界面划分
一、定义
1) 业主:系指本合同的招标人,及其财产所有权的合法继承人。
2) 监理:受业主委托对本合同范围内工程的实施监理的具备相应资质条件的监理单位和监理工程师。
3) 总承包商:系指在业主委托进行总包管理的承包商,及其财产所有权的合法继承人。
4) 分包商:系指本合同的中标人,及其财产所有权的合法继承人。
5) 其他分包商:系指本项目与由业主或总承包商签订合同的在本项目进行施工、服务的承包商,及其财产6) 总承包合同:指业主与总承包商之间签订的合同。
7) 分包合同:指由业主与分包商签订的完成本合同范围内工作的合同,包括总承包商签章的三方协议。
8) 总承包工程:指总承包合同中所规定的工程,及总承包管理内容。
9) 分包工程:指要由分包商实施的全部工作和设计(如果有),包括临时工程和任何变更。
10) 天:本合同的天指日历天,即包括法定节假日的公历天。
工程承包发范围怎么写?在工程技术规范与要求之中对承包工程的范围有明确的概述,对于具体的工程来说承包方与发包方一般会在合同之中约定承包的范围,在主合同后也会对承包的范围进行详细的概述。
那么,具体来说,工程承包发范围怎么写?现在就来一起了解下吧。
在工程技术规范与要求之中对承包工程的范围有明确的概述,对于具体的工程来说承包方与发包方一般会在合同之中约定承包的范围,在主合同后也会对承包的范围进行详细的概述。
那么,具体来说,工程承包发范围怎么写?现在就来一起了解下吧。
▲工程承包范围:xxxxxx项目主包工程,地下室按照招标图纸工程量、总价包干,地上部分综合单价包干、工程量暂定,开办项目费用总价包干;具体施工内容为合同文件、合同图纸及施工过程中出具的图纸变更及补充设计等所包含的全部内容的施工以及为完成上述内容而有必要采取的隐含的所有施工及安全等各方面的措施。
包括但不限于:(1)土方工程,施工图纸范围的回填土方等;(2)主体结构工程:承台浇筑、基础梁浇筑、设备基础浇筑等,基坑回填之前场地内的所有降水或排水;桩基以上的钢筋砼框架结构、预制构件制安、预埋件及模板工程等;(3)主体建筑工程:填充墙砌筑(含钢筋加固)、构造柱、过梁、圈梁、初装部位(内墙、楼地面及天棚等)、外立面抹灰、外墙面砖(其中外墙面砖甲供)施工工程、屋面及其它建筑细部构造等;(4)水电安装工程:完成地下室各机电安装等专业须与土建专业配合的预留、预埋及土建收口工序,只要求施工相应的管线及孔洞预留到位;(5)预应力工程;(6)保温工程:按建筑图要求,完成所有楼地面、屋面、墙体等施工图中要求保温部位的保温工程等;(7)对由招标方另行分包或指定分包的单位进行总包管理,并负责主体各专业孔洞、管洞和管槽的预留、封堵、收口,铁质预埋件的制安与埋设,塑料、钢质套管或管盒的封堵与收口(以上项目包括但不仅仅包括管井水平或竖向防火管洞封堵);(8)其他本应由招标单位自行分包,但施工过程中招标单位认为有必要由投标单位施工的专业工程。
承包区域划分承包区域的划分是一个重要的战略决策,它关系到企业的市场竞争优势、资源分配和经营管理效果。
以下是一些常见的承包区域划分方式:1.地理位置:根据地理位置划分承包区域,如按省份、城市或地区划分。
这种划分方式有助于企业了解各地区的市场需求和竞争情况,从而制定更有针对性的市场营销策略。
2.业务领域:根据业务领域划分承包区域,如工程、制造、服务等领域。
这种划分方式有助于企业集中优势资源,提升在各自领域的专业水平和竞争力。
3.行业类型:根据行业类型划分承包区域,如制造业、服务业、金融业等。
这种划分方式有助于企业深入了解各行业的发展特点和趋势,为企业发展提供有力支持。
4.客户群体:根据客户群体划分承包区域,如按客户规模、行业或地区划分。
这种划分方式有助于企业挖掘潜在客户,提高客户满意度和忠诚度。
在承包区域的划分中,还需要考虑以下因素:1.市场需求:不同区域的客户需求和市场情况不同,需要根据市场需求进行划分。
了解各地区的市场需求有助于企业合理分配资源,提高投资回报率。
2.竞争情况:不同区域的竞争对手和竞争程度不同,需要根据竞争情况来划分承包区域。
分析竞争情况有助于企业制定更有针对性的竞争策略,提高市场份额。
3.资源分配:不同区域的资源分布和利用情况不同,需要根据资源分配来划分承包区域。
合理分配资源有助于企业降低成本,提高经营效率。
4.管理便利性:根据管理便利性来划分承包区域,便于管理和协调。
提高管理效率有助于企业实现规模经济,降低运营成本。
总之,承包区域的划分需要根据具体情况和目标进行综合考虑,以确保企业在市场竞争中取得优势。
建筑工程三级资质标准承包范围建筑工程三级资质标准承包范围——简单又好玩!大家好,今天咱们聊聊建筑工程三级资质标准的那些事儿。
听到这儿,可能很多朋友会想:“哎呀,这不是那种枯燥的规定吗?”别急,咱们会把它说得简单有趣点儿,让你看完之后既明白又开心!1. 三级资质是什么?1.1. 首先,建筑工程三级资质是啥?简单说,就是国家给那些能干活儿的建筑公司颁发的一个“许可证”。
拿到这个资质的公司,证明它们具备了一定的能力,可以承接一些规定范围内的工程项目。
这个等级就是在众多资质中,属于中等水平的那一档儿。
1.2. 你要知道,建筑工程的资质就像是开车的驾照,等级越高,开车的路子越宽广。
三级资质的公司,能开车去的地方有限,但也不差。
就是说,虽然它们不能接一些超级大的工程,但也能搞搞中等规模的项目。
2. 承包范围到底有啥限制?2.1. 好啦,咱们说说这些公司的承包范围。
拿到三级资质的公司,能干些啥呢?基本上,它们可以承包一些中型建筑工程,比如说住宅楼、学校、医院这些。
说白了,就是那些不是特别复杂、也不是特别大的工程项目。
2.2. 不过,也有一些限制哦。
三级资质的公司,通常不能承包超大规模的工程,比如说超高层建筑、大型商业综合体这种。
简单来说,就是那些需要超级大团队、超级高技术的活儿,它们暂时还干不了。
像是建摩天大楼,三级资质的公司就得“掂量掂量”,可能会觉得太高了。
3. 为什么要有这些标准?3.1. 说到这儿,大家可能会问:“那为啥要设这些标准?”嗯,这就像是考试一样,得给大家一个明确的标准,不然每个人都想干一切,结果大家都成了“全能选手”,那工程质量可就有问题了。
标准化是为了让大家知道,自己的公司能干啥,能接啥项目,不会出现超纲的情况。
3.2. 还有啊,标准也是为了确保工程质量。
你想,三级资质的公司虽然不能接特别大的工程,但它们能保证中型工程的质量。
否则,工地上万一出点小问题,那可就大条了。
这些标准就是让大家在安全和质量上有个底线,不至于出现“豆腐渣工程”。
施工企业资质等级承包范围专业承包企业1、钢结构工程专业承包企业承包工程范围一级企业:可承担各类钢结构工程(包括网架、轻型钢结构工程)的制作与安装.二级企业:可承担单项合同额不超过企业注册资本金5倍且跨度33米及以下、总重量1200吨及以下、单体建筑面积24000平方米及以下的钢结构工程(包括轻型钢结构工程)和边长80米及以下总重量350吨及以下、建筑面积6000平方米及以下的网架工程的制作与安装.三级企业:可承担单项合同额不超过企业注册资本金5倍且跨度24米及以下、总重量600吨及以下、单体建筑面积6000平方米及以下的钢结构工程(包括轻型钢结构工程)和边长24米及以下、总重量120吨及以下、建筑面积1200平方米及以下的网架工程的制作与安装。
2、地基与基础工程专业承包企业承包工程范围一级企业:可承担各类地基与基础工程的施工。
二级企业:可承担工程造价1000万元及以下各类地基与基础工程的施工。
三级企业:可承担工程造价300万元及以下各类地基与基础工程的施工。
3、土石方工程专业承包企业承包工程范围一级企业:可承担各类土石方工程的施工;二级企业:可承担单项合同额不超过企业注册资本金5倍且60万立方米及以下的土石方工程的施工。
三级企业:可承担单项合同额不超过企业注册资本金5倍且15万立方米及以下的土石方工程的施工。
4、建筑装修装饰工程专业承包企业承包工程范围一级企业:可承担各类建筑室内、室外装修装饰工程(建筑幕墙工程除外)的施工。
二级企业:可承担单位工程造价1200万元及以下建筑室内、室外装修装饰工程(建筑幕墙工程除外)的施工。
三级企业:可承担单位工程造价60万元及以下建筑室内、室外装修装饰工程(建筑幕墙工程除外)的施工。
5、建筑幕墙工程专业承包企业承包工程范围一级企业:可承担各类型建筑幕墙工程的施工。
二级企业:可承担单项合同额不超过企业注册资本金5倍且单项工程面积在8000平方米及以下、高度80米及以下的建筑幕墙工程的施工。
建筑工程设计企业资质等级及承接业务的范围41、建筑工程根据民用建筑的类型和特征等因素将民用建筑分为特、一、二、三级四个等级,各级别设计单位承担任务范围如下:1)甲级承担建筑工程设计项目的范围不受限制。
2)乙级①民用建筑:承担工程等级为二级及以下的民用建筑设计项目。
②工业建筑:跨度不超过30米、吊车吨位不超过30吨的单层厂房和仓库,跨度有超过12米、6层及以下的多层厂房和仓库。
③构筑物:高度低于45米的烟囱,容量小于100立方米的水塔。
容量小于2000立方米的水池,直径小于13米或边长小于9米的料仓。
3)丙级①民用建筑:承担工程等级为三级的民用建筑设计项目。
②工业建筑:跨度不超过24米、吊车吨位不超过10吨的单层厂房和仓库、跨度不超过6米、楼盖无动荷载的3层及以下的多层厂房和仓库。
③构筑物:高度低于30米烟囱,容量小于80立方米的水塔,容量小于500立方米的水池,直径小于9米或边长小于6米的料仓。
民用建筑工程设计等级分类表42、建筑幕墙工程设计企业资质等级及承接业务的范围有哪些?建筑幕墙工程设计专项资质设立甲、乙两级,原则上不设丙级。
边远及经济欠发达地区,如有必要设置丙级建筑幕墙工程设计专项资质的,须经省、自治区建设行政主管部门报建设部同意后,方可设置。
丙级建筑幕墙工程设计专项资质由所在地区的建设行政主管部门负责监督管理。
丙级专项资质承接的业务范围仅限当地使用。
承担任务范围:1)建筑幕墙工程设计专项甲级资格的单位可以在全国范围承担各种类型和高度的建筑幕墙工程专项设计。
2)建筑幕墙工程设计专项乙级资格的单位可以在全国范围承担高度在80米以下的各类建筑幕墙专项设计。
43、建筑业施工企业资质分为几类?答:根据建设部《建筑企业资质管理规定》的规定:建筑业企业资质分为施工总承包、专业承包和劳务分包三个序列。
承接范围:1)获得施工总承包资质的企业,可以对工程实行施工总承包或者对主体工程实行施工承包。
承担施工总承包的企业可以对所承接的工程全部自行施工,也可以将非主体工程或者劳务作业分包给具有相应专业承包资质或者劳务分包资质的其他建筑业企业。